扶壁式挡土墙计算书
- 格式:docx
- 大小:57.97 KB
- 文档页数:19
扶壁式挡土墙计算书项目名称_____________日期_____________设计者_____________校对者_____________一、示意图:二、基本资料:1.依据规范及参考书目:《水工挡土墙设计规范》(SL379-2007),以下简称《规范》《水工混凝土结构设计规范》(SL 191-2008),以下简称《砼规》《水工建筑物荷载设计规范》(DL 5077-1997)《建筑结构静力计算手册》(第二版)《水工挡土墙设计》(中国水利水电出版社)2.断面尺寸参数:墙顶宽度B1 = 0.60m,墙面上部高度H = 25.00m墙面变厚B5 = 0.00m,墙背变厚B6 = 0.00m前趾宽度B2 = 2.10m,后踵宽度B3 = 13.30m前趾端部高度H2 = 1.00m,前趾根部高度H3 = 1.80m后踵板高度H1 = 1.80m,墙前填土高度H4 = 1.80m扶臂厚度b = 1.00m,扶臂顶部宽度B4 = 1.00m扶臂数量n = 3个,扶臂净距L = 6.00m墙面板左挑L1 = 2.46m,墙面板左挑L2 = 2.46m3.设计参数:挡土墙的建筑物级别为2级,荷载组合为基本组合。
抗震类型:非抗震区挡土墙。
水上回填土内摩擦角φ= 40.00度,水下回填土内摩擦角φ' = 40.00度回填土凝聚力C = 0.00kN/m2,墙底与地基间摩擦系数f = 0.60基础为非岩石地基。
填土面与水平面夹角β= 10.00度,回填土顶面均布荷载q = 0.00kN/m地下水位距墙底高h1 = 0.00m,墙前水深(墙底算起)h2 = 0.00m回填土湿容重γ1 = 21.00kN/m3,回填土浮容重γ2 = 10.00kN/m3混凝土强度等级:C25受力钢筋强度等级:二级,保护层厚度as = 0.050 m扶臂箍筋强度等级:二级地基允许承载力[σo] = 1000.00 kPa三、计算过程:1.计算公式:郎肯土压力计算公式如下:E =0.5×γ×H2×K aE x=E×cos(β)E y=E×sin(β)K a=cosβ×[cosβ-(cos2β-cos2φ)1/2]/[cosβ+(cos2β-cos2φ)1/2] (《规范》式A.0.1-3)式中:E为作用于墙背的土压力,作用点为距墙底1/3高处,方向与水平面成β夹角K a为土压力系数程序算得土压力系数K a = 0.2252.总水平力、总竖向力及各力对前趾力矩计算:单位:水平力、竖向力为kN;力臂为m;弯矩为kN·m。
扶壁式挡土墙计算书溢洪闸的上下游连接段边墙较高,采用C20扶壁式挡土墙。
墙高自12.2~17.4m 高不等,在此选用17.4m 墙高为例进行计算。
其余计算方法相同,不再一一列出。
(一)基本设计资料1.钢筋砼扶壁式挡土墙,墙高H =17.4m ,埋入土中深度h =1.4m ,墙趾板按照无覆盖土考虑。
2.墙后回填土参数考虑墙过高,土压力过大,采用水泥土回填,容重取用γ=1.8T/m 3。
要求等值内摩擦角ψ≥55°。
等值内摩擦角是指把粘聚力计入内摩擦角内的数值,其值可以用下式计算:221122/4)245(4)245()245(H C CAtg tg H tg γγϕϕγϕ+---=-式中:ψ′,C 为现场实测回填土的内摩擦角和粘聚力。
3.抗滑稳定系数K C ≥1.3,倾覆稳定系数K 0≥1.5,滑动摩擦系数f =0.4。
4.C20砼抗压强度f C =10.0N/mm 2;抗拉强度f 1=1.10N/mm 2II 级钢筋抗拉强度[σg ]=310N/mm 2。
II 级钢筋弹性模量Eg =2.0×105 N/mm 25.砼裂缝容许开展宽度δmax =0.25mm(二)计算方法1.计算的一般方法扶壁式挡圭墙由趾板、踵板、墙面板及肋四部分组成,设计时取两肋跨中到跨中或肋中到肋中为一计算单元;对于趾板和肋分别按矩形或肋形悬壁梁考虑;对于墙面板和踵板是三向固定板,属超静定结构,按简化假定的近似方法进行计算。
具体计算采用《城市道路设计手册》中挡土墙设计的有关章节提供的简化方法。
2.墙面板和踵板计算荷载(1)墙面板为简化计算,近似采用图1中的梯形ABCDE 来代替相应的法向应力图,外力图形中假设H121σσ=Pj 。
对于两肋中点的正弯矩采用跨中1/2段承受最大土压力σPj (图2);对于墙面板与肋固着端的负弯矩,采用第三个41H 1段承受最大土压力σPj (图3)。
(2)踵板考虑踵板与墙面板的固着作用,作用于踵板上的法向应力按三角形分布计算,最大值在踵板端处等于W(图4)。
扶壁式挡土墙计算书项目名称_____________日期_____________设计者_____________校对者_____________一、示意图:二、基本资料:1.依据规范及参考书目:《水工挡土墙设计规范》(SL379-2007),以下简称《规范》《水工混凝土结构设计规范》(SL 191-2008),以下简称《砼规》《水工建筑物荷载设计规范》(DL 5077-1997)《建筑结构静力计算手册》(第二版)《水工挡土墙设计》(中国水利水电出版社)2.断面尺寸参数:墙顶宽度B1 = 0.60m,墙面上部高度H = 7.50m墙面变厚B5 = 0.00m,墙背变厚B6 = 0.00m前趾宽度B2 = 1.50m,后踵宽度B3 = 7.00m前趾端部高度H2 = 1.00m,前趾根部高度H3 = 1.00m后踵板高度H1 = 1.00m,墙前填土高度H4 = 0.00m扶臂厚度b = 0.50m,扶臂顶部宽度B4 = 0.20m扶臂数量n = 2个,扶臂净距L = 3.50m墙面板左挑L1 = 1.75m,墙面板左挑L2 = 1.75m3.设计参数:挡土墙的建筑物级别为3级,荷载组合为基本组合。
抗震类型:非抗震区挡土墙。
水上回填土内摩擦角φ= 28.00度,水下回填土内摩擦角φ' = 28.00度回填土凝聚力C = 0.00kN/m2,墙底与地基间摩擦系数f = 0.30基础为岩石地基。
填土面与水平面夹角β= 0.00度,回填土顶面均布荷载q = 0.00kN/m地下水位距墙底高h1 = 0.00m,墙前水深(墙底算起)h2 = 0.00m回填土湿容重γ1 = 19.00kN/m3,回填土浮容重γ2 = 9.00kN/m3混凝土强度等级:C30受力钢筋强度等级:二级,保护层厚度as = 0.050 m扶臂箍筋强度等级:二级地基允许承载力[σo] = 1000.00 kPa三、计算过程:1.计算公式:郎肯土压力计算公式如下:E =0.5×γ×H2×K aE x=E×cos(β)E y=E×sin(β)K a=tan2(45°-φ/2)(《规范》式A.0.1-4)式中:E为作用于墙背的土压力,作用点为距墙底1/3高处,方向与水平面成β夹角K a为土压力系数程序算得水上的土压力系数K a = 0.361程序算得水下的土压力系数K'a = 0.3982.总水平力、总竖向力及各力对前趾力矩计算:单位:水平力、竖向力为kN;力臂为m;弯矩为kN·m。
扶壁式挡土墙计算书项目名称_____________日期_____________设计者_____________校对者_____________一、示意图:二、基本资料:1.依据规范及参考书目:《水工挡土墙设计规范》(SL379-2007),以下简称《规范》《水工混凝土结构设计规范》(SL 191-2008),以下简称《砼规》《水工建筑物荷载设计规范》(DL 5077-1997)《建筑结构静力计算手册》(第二版)《水工挡土墙设计》(中国水利水电出版社)2.断面尺寸参数:墙顶宽度B1 = 0.60m,墙面上部高度H = 7.50m墙面变厚B5 = 0.00m,墙背变厚B6 = 0.00m前趾宽度B2 = 1.50m,后踵宽度B3 = 7.00m前趾端部高度H2 = 1.00m,前趾根部高度H3 = 1.00m后踵板高度H1 = 1.00m,墙前填土高度H4 = 0.00m扶臂厚度b = 0.50m,扶臂顶部宽度B4 = 0.20m扶臂数量n = 2个,扶臂净距L = 3.50m墙面板左挑L1 = 1.75m,墙面板左挑L2 = 1.75m3.设计参数:挡土墙的建筑物级别为3级,荷载组合为基本组合。
抗震类型:非抗震区挡土墙。
水上回填土内摩擦角φ= 28.00度,水下回填土内摩擦角φ' = 28.00度回填土凝聚力C = 0.00kN/m2,墙底与地基间摩擦系数f = 0.30基础为岩石地基。
填土面与水平面夹角β= 0.00度,回填土顶面均布荷载q = 0.00kN/m地下水位距墙底高h1 = 0.00m,墙前水深(墙底算起)h2 = 0.00m回填土湿容重γ1 = 19.00kN/m3,回填土浮容重γ2 = 9.00kN/m3混凝土强度等级:C30受力钢筋强度等级:二级,保护层厚度as = 0.050 m扶臂箍筋强度等级:二级地基允许承载力[σo] = 1000.00 kPa三、计算过程:1.计算公式:郎肯土压力计算公式如下:E =0.5×γ×H2×K aE x=E×cos(β)E y=E×sin(β)K a=tan2(45°-φ/2)(《规范》式A.0.1-4)式中:E为作用于墙背的土压力,作用点为距墙底1/3高处,方向与水平面成β夹角K a为土压力系数程序算得水上的土压力系数K a = 0.361程序算得水下的土压力系数K'a = 0.3982.总水平力、总竖向力及各力对前趾力矩计算:单位:水平力、竖向力为kN;力臂为m;弯矩为kN·m。
扶壁式挡土墙计算书一、工程概述本工程为_____项目的扶壁式挡土墙设计,挡土墙高度为_____m,长度为_____m。
其主要作用是支撑土体,防止土体坍塌,保证边坡的稳定性。
二、设计依据1、《建筑地基基础设计规范》(GB 50007-2011)2、《混凝土结构设计规范》(GB 50010-2010)(2015 年版)3、《建筑边坡工程技术规范》(GB 50330-2013)三、荷载计算1、土压力计算根据库仑土压力理论,计算主动土压力。
考虑墙后填土的性质、填土表面的坡度、墙背的倾斜度等因素。
土的重度为_____kN/m³,内摩擦角为_____°,粘聚力为_____kPa。
2、墙身自重计算计算墙身混凝土的自重,混凝土的重度取_____kN/m³。
3、其他荷载考虑可能存在的地面超载,如行人、车辆等,取值为_____kN/m²。
四、内力计算1、悬臂板内力计算将扶壁式挡土墙的悬臂板视为一端固定、一端自由的板,分别计算在土压力和自重作用下的弯矩和剪力。
2、扶壁内力计算扶壁可视为两端固定的梁,根据其受力情况计算弯矩和剪力。
3、墙踵板内力计算墙踵板承受土压力、墙身自重和扶壁传来的内力,通过结构力学方法计算其弯矩和剪力。
五、截面设计1、混凝土强度等级选用_____强度等级的混凝土,其轴心抗压强度设计值为_____N/mm²,轴心抗拉强度设计值为_____N/mm²。
2、钢筋种类及强度等级受力钢筋选用_____钢筋,其抗拉强度设计值为_____N/mm²;箍筋选用_____钢筋,其抗拉强度设计值为_____N/mm²。
3、悬臂板截面设计根据计算得到的弯矩和剪力,配置悬臂板的受力钢筋和分布钢筋。
4、扶壁截面设计根据扶壁的内力,设计其截面尺寸和钢筋配置。
5、墙踵板截面设计同理,对墙踵板进行截面设计,确保其承载能力满足要求。
六、稳定性验算1、抗滑移稳定性验算计算挡土墙在水平荷载作用下的抗滑移安全系数,应不小于规定的限值。
扶壁式挡土墙计算书一、设计资料1、挡土墙参数 挡土墙类型:扶壁式挡土墙 挡土墙的高度:8.00 m 挡土墙的顶宽:0.30 m 扶壁间距:3.00 m 扶壁板厚:0.20 m 墙趾宽度:1.50 m 墙趾高度:0.60 m墙踵宽度:2.70 m 墙踵高度:0.60 m 墙体材料的容重:24.00 kN /m3 墙背面与挡土之间的摩擦角:δ=10 ° 墙底与基土的摩擦系数:μ=0.60 2、配筋计算参数 混凝土强度等级:C20 钢筋级别:HRB335 裂缝计算钢筋等效直径:10.00 mm 混凝土保护层厚度:20.00 mm裂缝控制宽度:0.20 mm 3、土坡及荷载参数 坡面线段数:1 坡面序号 水平长度(m) 竖直长度(m) 1 5.00 1.00 面荷载距墙体水平距离:0.00 m 面荷载分布宽度:4.00 m 面荷载值:BP=10.00 kPa钢筋混凝土配筋计算依据:《混凝土结构设计规范》(GB 50010--2010)4.土层信息:二、计算结果1、挡土墙自重计算 挡土墙总重:W=118.08 kN /m 相对于趾点力臂:Z w =1.98 m600270060015008000300B P =10.010005000用墙踵的竖直面作为假想墙背,按朗肯理论计算: 墙踵上的土重:W 1=379.05 kN /m 相对于趾点力臂:Z w1=3.04 m2、土压力计算 土压力总值:E a =224.41 kN /m 土压力x 方向分量:E x =220.05 kN /m 土压力y 方向分量:E y =44.01 kN /m 土压力x 方向作用位置:Z x =4.50 m 土压力y 方向作用位置:Z y =2.95 m3、抗倾覆稳定验算 挡土墙抗倾覆稳定安全系数:K q =WZ w +E y Z xE x Z y=2.44 ≥1.6 抗倾覆稳定验算满足!4、抗滑移稳定验算 挡土墙抗滑移稳定安全系数:K h =(W+Ey)μEx=4.25≥1.3 抗滑移稳定验算满足!5、地基验算 基底合力的偏心距:e 0=B 2 -WZ w +E y Z x -E x Z y W+E y=0.53 m∵e 0<B /6∴基底地基土不出现零应力区,最大应力值:σmax =W+Ey B (1+6e 0B)=204.54 kPa基底压力最小值:σmin =W+Ey B (1-6e 0B)=35.97 kPa6、墙身截面强度验算1)墙面板截面强度验算 (1)墙面板的水平内力 替代土压力图形中,面板的法向土压应力值:σpj =26.35 kPa 扶壁之间的净距:L=2.80 m 扶壁两端的剪力:Q 端=36.89 kN /m 跨中弯矩设计值:M 中=13.94 kN·m /m 跨中弯矩标准值:Mk 中=10.33 kN·m /m 抗弯拉筋构造配筋: 配筋率μ=0.06 % < μmin =0.15%当钢筋配筋面积A s =412.50mm 2时,最大裂缝宽度 ωmax =0.02 mm<0.20 mm 两端负弯矩设计值:M 端=-23.24 kN·m /m 两端负弯矩标准值:Mk 端=-17.21 kN·m /m 抗弯拉筋构造配筋: 配筋率μ=0.10 % < μmin =0.15%当钢筋配筋面积A s =412.50mm 2时,最大裂缝宽度 ωmax =0.10 mm<0.20 mm (2)墙面板的竖向内力 最大正弯矩设计值:M 正=10.30 kN·m /m 最大正弯矩标准值:Mk 正=7.63 kN·m /m 抗弯拉筋构造配筋: 配筋率μ=0.05 % < μmin =0.15%当钢筋配筋面积A s =412.50mm 2时,最大裂缝宽度 ωmax =0.00 mm<0.20 mm 墙面板底端最大负弯矩设计值:M 底=-41.19 kN·m /m 墙面板底端最大负弯矩标准值:Mk 底=-30.51 kN·m /m当钢筋配筋面积A s =514.28mm 2时,最大裂缝宽度 ωmax =0.19 mm<0.20 mm2)底板截面强度验算按承载能力极限状态下荷载效应的基本组合,永久荷载效应起控制作用 竖向力引起的弯矩设计值:Mv=2103.25 kN·m /m 水平力引起的弯矩设计值:Mh=867.15 kN·m /m 总竖向力设计值:G=724.05 kN /m偏心距:e=B 2 -Mv-MhG =0.54 mm基底最大应力值:σmax =G B (1+6eB )=277.35 kPa基底压力最小值:σmin =G B (1-6eB)=44.45 kPa墙踵板根部点的地基压力设计值:pd=184.19 kPa墙趾板根部点的地基压力设计值:pb=199.72 kPa 按正常使用极限状态下荷载效应的标准组合 竖向力引起的弯矩标准值:Mvk=1582.75 kN·m /m 水平力引起的弯矩标准值:Mhk=649.64 kN ·m /m 总竖向力标准值:Gk=541.14 kN /m偏心距:e=B 2 -Mvk-MhkGk =0.53 mm基底最大应力值:σmax =Gk B (1+6eB )=204.54 kPa基底压力最小值:σmin =Gk B (1-6eB)=35.97 kPa墙踵板根部点的地基压力标准值:pd=137.11 kPa墙趾板根部点的地基压力标准值:pb=148.35 kPa 配筋计算及裂缝验算(1)墙趾板墙趾板根部点的弯矩设计值:Mb=261.03 kN·m/m墙趾板根部点的弯矩标准值:Mbk=187.44 kN·m/m当钢筋配筋面积A s=1581.19mm2时,最大裂缝宽度ωmax=0.18 mm<0.20 mm(2)墙踵板墙踵板边缘的总竖向应力设计值:σw=236.95 kN·m/m 墙踵板边缘的总竖向应力标准值:σwk=170.53 kN·m/m 墙踵板与扶壁衔接处的剪力:Q端=331.73 kN/m跨中弯矩设计值:M中=92.88 kN·m/m跨中弯矩标准值:Mk中=66.85 kN·m/m抗弯拉筋构造配筋: 配筋率μ=0.10 % < μmin=0.15%当钢筋配筋面积A s=862.50mm2时,最大裂缝宽度ωmax=0.08 mm<0.20 mm两端负弯矩设计值:M端=-154.81 kN·m/m两端负弯矩标准值:Mk端=-111.41 kN·m/m当钢筋配筋面积A s=920.46mm2时,最大裂缝宽度ωmax=0.19 mm<0.20 mm3)扶壁截面强度验算距离墙顶x=2.47 m处截面宽度B=0.20 m截面高度H=1.20 m翼缘宽度BT=1.13 m翼缘高度HT=0.30 m截面剪力Q=37.27 kN截面弯矩设计值M=35.59 kN·m截面弯矩标准值Mk=26.36 kN·m抗弯拉筋构造配筋: 配筋率μ=0.05 % < μmin=0.15%当钢筋配筋面积A s=352.50mm2时,最大裂缝宽度ωmax=0.00 mm<0.20 mm距离墙顶x=4.93 m处截面宽度B=0.20 m截面高度H=2.10 m翼缘宽度BT=2.07 m翼缘高度HT=0.30 m截面剪力Q=125.01 kN截面弯矩设计值M=225.37 kN·m截面弯矩标准值Mk=166.94 kN·m抗弯拉筋构造配筋: 配筋率μ=0.10 % < μmin=0.15%当钢筋配筋面积A s=622.50mm2时,最大裂缝宽度ωmax=0.07 mm<0.20 mm距离墙顶x=7.40 m处截面宽度B=0.20 m截面高度H=3.00 m翼缘宽度BT=3.00 m翼缘高度HT=0.30 m截面剪力Q=263.22 kN截面弯矩设计值M=693.81 kN·m截面弯矩标准值Mk=513.93 kN·m抗弯拉筋构造配筋: 配筋率μ=0.15 % < μmin=0.15% 当钢筋配筋面积A s=892.50mm2时,最大裂缝宽度ωmax=0.16 mm<0.20 mm。
扶壁式挡土墙计算书
扶壁式挡土墙计算书
1. 引言
扶壁式挡土墙是一种常用的工程结构,用于防止土地滑坡和土壤侵蚀。
本文档旨在提供一个详细的计算书范本,以供参考使用。
2. 工程概述
2.1 工程背景
2.2 工程要求
2.3 工程参数
3. 地质调查
3.1 地质勘探方法
3.2 岩土力学参数确定
3.3 地下水位测定
4. 力学计算
4.1 挡土墙结构形式选择
4.2 活动力计算
4.3 土压力计算
4.4 墙身稳定性计算
4.5 基础稳定性计算
5. 结构设计
5.1 挡土墙结构布置
5.2 墙身的截面形状选择5.3 墙身加宽设计
5.4 墙身加强设计
5.5 墙顶导水设计
5.6 底部抗滑设计
6. 施工要求
6.1 施工准备
6.2 材料选用与质量控制6.3 墙体施工
6.4 各部位的验收标准
6.5 施工安全与质量控制
7. 工程实施
7.1 施工进度安排
7.2 施工流程图
7.3 施工细节和注意事项
7.4 施工记录和质量验收
扩展内容:
1、本文档所涉及附件如下:
- 工程平面图
- 地质勘探报告
- 岩土力学试验数据
- 结构设计图纸
- 施工合同书
2、本文档所涉及的法律名词及注释:
- 土地滑坡:指地表土壤由于地下水位上升或者其他外力作用引起的地表土壤的垂直位移。
- 土壤侵蚀:指地表土壤被雨水和水流的冲刷、剥蚀等作用而逐渐丧失。
扶壁式挡土墙验算本设计依据的规范为住建部颁布的《城市道路路基基设计规范(CJJ194-2013)》,交通部部颁《公路路基设计规范》(JTG D30—2015)。
设计参数1) 设计汽车荷载:城-B(0.6m土柱高度);2) 路基宽度:5.0m;3) 挡土墙基底摩擦系数f0=0.4;4) 墙背填料计算内摩擦角φ=35°;5) 墙背填料重度r=18KN/m3;6) 墙身重度rk=24KN/m3;7) 挡土墙稳定系数:抗滑动稳定系数kc≥1.2;抗倾覆稳定系数ko≥1.2。
原始条件:墙身尺寸:墙身总高: 8.000(m)墙宽: 0.400(m)墙趾悬挑长DL: 1.500(m)墙踵悬挑长DL1: 2.500(m)底板高DH: 0.500(m)墙趾端部高DH0: 0.400(m)扶肋间距: 3.000(m)扶肋厚: 0.400(m)扶壁两端墙面板悬挑长度: 1.066(m)钢筋合力点到外皮距离: 50(mm)墙趾埋深: 1.500(m)物理参数:混凝土墙体容重: 25.000(kN/m3)混凝土强度等级: C30纵筋级别: HRB400抗剪腹筋级别: HRB335裂缝计算钢筋直径: 20(mm)挡土墙类型: 一般挡土墙墙后填土内摩擦角: 35.000(度)墙后填土粘聚力: 0.000(kPa)墙后填土容重: 19.000(kN/m3)墙背与墙后填土摩擦角: 17.500(度)地基土容重: 18.000(kN/m3)地基土浮容重: 10.000(kN/m3)修正后地基承载力特征值: 250.000(kPa)地基承载力特征值提高系数:墙趾值提高系数: 1.200墙踵值提高系数: 1.300平均值提高系数: 1.000墙底摩擦系数: 0.500地基土类型: 土质地基地基土内摩擦角: 30.000(度)地基土粘聚力: 10.000(kPa)土压力计算方法: 库仑坡线土柱:坡面线段数: 1折线序号水平投影长(m) 竖向投影长(m) 换算土柱数 1 5.000 0.000 1第1个: 距离0.000(m),宽度5.000(m),高度0.600(m)地面横坡角度: 20.000(度)填土对横坡面的摩擦角: 35.000(度)墙顶标高: 0.000(m)计算参数:稳定计算目标: 自动搜索最危险滑裂面搜索时的圆心步长: 1.000(m)搜索时的半径步长: 1.000(m)筋带对稳定的作用: 筋带力沿圆弧切线钢筋混凝土配筋计算依据:《混凝土结构设计规范》(GB 50010-2010) 注意:墙身内力配筋计算时,各种作用力采用的分项(安全)系数为:重力不利时 = 1.200重力有利时 = 1.000主动土压力 = 1.200静水压力 = 1.200扬压力 = 1.200地震力 = 1.000=====================================================================第 1 种情况: 一般情况[土压力计算] 计算高度为 8.000(m)处的库仑主动土压力按假想墙背计算得到:第1破裂角: 26.194(度)Ea=287.036(kN) Ex=175.316(kN) Ey=227.275(kN) 作用点高度 Zy=2.899(m) 因为俯斜墙背,需判断第二破裂面是否存在,计算后发现第二破裂面不存在墙身截面积 = 5.125(m2) 重量 = 128.125 (kN)整个墙踵上的土重(不包括超载) = 166.992(kN) 重心坐标(1.181,-5.000)(相对于墙面坡上角点)墙趾板上的土重 = 28.350(kN) 相对于趾点力臂=0.738(m)(一) 滑动稳定性验算基底摩擦系数 = 0.500滑移力= 175.316(kN) 抗滑力= 275.371(kN)滑移验算满足: Kc = 1.571 > 1.300(二) 倾覆稳定性验算相对于墙趾点,墙身重力的力臂 Zw = 1.932 (m)相对于墙趾点,墙踵上土重的力臂 Zw1 = 2.681 (m)相对于墙趾点,墙趾上土重的力臂 Zw2 = 0.738 (m)相对于墙趾点,Ey的力臂 Zx = 3.494 (m)相对于墙趾点,Ex的力臂 Zy = 2.899 (m)验算挡土墙绕墙趾的倾覆稳定性倾覆力矩= 508.234(kN-m) 抗倾覆力矩= 1510.350(kN-m)倾覆验算满足: K0 = 2.972 > 1.500(三) 地基应力及偏心距验算基础为天然地基,验算墙底偏心距及压应力作用于基础底的总竖向力 = 550.742(kN) 作用于墙趾下点的总弯矩=1002.116(kN-m)基础底面宽度 B = 4.400 (m) 偏心距 e = 0.380(m)基础底面合力作用点距离基础趾点的距离 Zn = 1.820(m)基底压应力: 趾部=190.101 踵部=60.236(kPa)最大应力与最小应力之比 = 190.101 / 60.236 = 3.156作用于基底的合力偏心距验算满足: e=0.380 <= 0.250*4.400 = 1.100(m)墙趾处地基承载力验算满足: 压应力=190.101 <= 300.000(kPa)墙踵处地基承载力验算满足: 压应力=60.236 <= 325.000(kPa)地基平均承载力验算满足: 压应力=125.169 <= 250.000(kPa)(四) 墙趾板强度计算标准值:作用于基础底的总竖向力 = 550.742(kN) 作用于墙趾下点的总弯矩=1002.116(kN-m) 基础底面宽度 B = 4.400 (m) 偏心距 e = 0.380(m)基础底面合力作用点距离趾点的距离 Zn = 1.820(m)基础底压应力: 趾点=190.101 踵点=60.236(kPa)设计值:作用于基础底的总竖向力 = 660.890(kN) 作用于墙趾下点的总弯矩=1202.539(kN-m) 基础底面宽度 B = 4.400 (m) 偏心距 e = 0.380(m)基础底面合力作用点距离趾点的距离 Zn = 1.820(m)基础底压应力: 趾点=228.122 踵点=72.283(kPa)[趾板根部]截面高度: H' = 0.500(m)截面弯矩: M = 202.927(kN-m)抗弯受拉筋: As = 1300(mm2)截面剪力: Q = 257.112(kN)截面抗剪验算满足,不需要配抗剪腹筋截面弯矩: M(标准值) = 163.475(kN-m)最大裂缝宽度:δfmax = 0.499(mm)。
扶壁式挡土墙验算[执行标准:公路]计算项目:扶壁式挡土墙 2计算时间:2014-02-14 00:04:31 星期五------------------------------------------------------------------------ 原始条件:墙身尺寸:墙身总高: 11.000(m)墙宽: 0.600(m)墙趾悬挑长DL: 3.200(m)墙踵悬挑长DL1: 3.800(m)底板高DH: 1.100(m)墙趾端部高DH0: 0.800(m)扶肋间距: 3.000(m)扶肋厚: 0.600(m)扶壁两端墙面板悬挑长度: 0.984(m)设防滑凸榫:防滑凸榫尺寸BT1: 1.600(m)防滑凸榫尺寸BT: 1.500(m)防滑凸榫尺寸HT: 0.800(m)防滑凸榫被动土压力修正系数: 1.000防滑凸榫容许弯曲拉应力: 1.520(MPa)防滑凸榫容许剪应力: 1.520(MPa)钢筋合力点到外皮距离: 50(mm)墙趾埋深: 1.700(m)物理参数:混凝土墙体容重: 25.000(kN/m3)混凝土强度等级: C35纵筋级别: HRB400抗剪腹筋级别: HRB400裂缝计算钢筋直径: 20(mm)挡土墙类型: 一般挡土墙墙后填土内摩擦角: 35.000(度)墙后填土粘聚力: 0.000(kPa)墙后填土容重: 19.000(kN/m3)墙背与墙后填土摩擦角: 17.500(度)地基土容重: 19.000(kN/m3)修正后地基承载力特征值: 216.000(kPa)地基承载力特征值提高系数:墙趾值提高系数: 1.000墙踵值提高系数: 1.000平均值提高系数: 1.000墙底摩擦系数: 0.500地基土类型: 土质地基地基土内摩擦角: 35.000(度)土压力计算方法: 库仑坡线土柱:坡面线段数: 1折线序号水平投影长(m) 竖向投影长(m) 换算土柱数1 10.500 5.700 0地面横坡角度: 0.000(度)填土对横坡面的摩擦角: 35.000(度)墙顶标高: 0.000(m)挡墙分段长度: 10.000(m)钢筋混凝土配筋计算依据:《公路钢筋混凝土与预应力混凝土桥涵设计规范》(JTG D62-2004) =====================================================================第 1 种情况: 1=============================================组合系数: 0.000=============================================[土压力计算] 计算高度为 11.000(m)处的库仑主动土压力无荷载时的破裂角 = 40.248(度)按假想墙背计算得到:第1破裂角: 41.508(度)Ea=992.812(kN) Ex=582.751(kN) Ey=803.789(kN) 作用点高度 Zy=3.667(m) 因为俯斜墙背,需判断第二破裂面是否存在,计算后发现第二破裂面存在:第2破裂角=13.600(度) 第1破裂角=41.400(度)Ea=886.310(kN) Ex=586.132(kN) Ey=664.827(kN) 作用点高度 Zy=3.849(m) 墙身截面积 = 15.020(m2) 重量 = 375.500 (kN)整个墙踵上的土重(不包括超载) = 445.389(kN) 重心坐标(1.863,-5.716)(相对于墙面坡上角点)墙趾板上的土重 = 45.600(kN) 相对于趾点力臂=1.493(m)(一) 滑动稳定性验算基底摩擦系数 = 0.500采用防滑凸榫增强抗滑动稳定性,计算过程如下:基础底面宽度 B = 7.600 (m)墙身重力的力臂 Zw = 3.653 (m)Ey的力臂 Zx = 6.669 (m)Ex的力臂 Zy = 3.849 (m)作用于基础底的总竖向力 = 1531.316(kN) 作用于墙趾下点的总弯矩=5872.542(kN-m)基础底面合力作用点距离墙趾点的距离 Zn = 3.835(m)基础底压应力: 墙趾=195.927 凸榫前沿=198.269 墙踵=207.051(kPa)凸榫前沿被动土压应力=727.326(kPa)凸榫抗弯强度验算:凸榫抗弯强度验算满足: 弯曲拉应力 = 620.652 <= 1520.000(kPa)凸榫抗剪强度验算:凸榫抗剪强度验算满足: 剪应力 = 387.907 <= 1520.000(kPa)滑移力= 586.132(kN) 抗滑力= 1189.841(kN)滑移验算满足: Kc = 2.030 > 1.300滑动稳定方程验算:滑动稳定方程满足: 方程值 = 257.203(kN) > 0.0(二) 倾覆稳定性验算相对于墙趾点,墙身重力的力臂 Zw = 3.653 (m)相对于墙趾点,墙踵上土重的力臂 Zw1 = 5.063 (m)相对于墙趾点,墙趾上土重的力臂 Zw2 = 1.493 (m)相对于墙趾点,Ey的力臂 Zx = 6.669 (m)相对于墙趾点,Ex的力臂 Zy = 3.849 (m)验算挡土墙绕墙趾的倾覆稳定性倾覆力矩= 2255.927(kN-m) 抗倾覆力矩= 8128.470(kN-m)倾覆验算满足: K0 = 3.603 > 1.500倾覆稳定方程验算:倾覆稳定方程满足: 方程值 = 5133.581(kN-m) > 0.0(三) 地基应力及偏心距验算基础为天然地基,验算墙底偏心距及压应力作用于基础底的总竖向力 = 1531.316(kN) 作用于墙趾下点的总弯矩=5872.542(kN-m)基础底面宽度 B = 7.600 (m) 偏心距 e = -0.035(m)基础底面合力作用点距离基础趾点的距离 Zn = 3.835(m)基底压应力: 趾部=195.927 踵部=207.051(kPa)最大应力与最小应力之比 = 207.051 / 195.927 = 1.057作用于基底的合力偏心距验算满足: e=-0.035 <= 0.167*7.600 = 1.267(m)墙趾处地基承载力验算满足: 压应力=195.927 <= 216.000(kPa)墙踵处地基承载力验算满足: 压应力=207.051 <= 216.000(kPa)地基平均承载力验算满足: 压应力=201.489 <= 216.000(kPa)(四) 墙趾板强度计算标准值:作用于基础底的总竖向力 = 1531.316(kN) 作用于墙趾下点的总弯矩=5872.542(kN-m)基础底面宽度 B = 7.600 (m) 偏心距 e = -0.035(m)基础底面合力作用点距离趾点的距离 Zn = 3.835(m)基础底压应力: 趾点=195.927 踵点=207.051(kPa)设计值:作用于基础底的总竖向力 = 1531.316(kN) 作用于墙趾下点的总弯矩=5872.542(kN-m)基础底面宽度 B = 7.600 (m) 偏心距 e = -0.035(m)基础底面合力作用点距离趾点的距离 Zn = 3.835(m)基础底压应力: 趾点=195.927 踵点=207.051(kPa)[趾板根部]截面高度: H' = 1.100(m)截面弯矩: M = 0.000(kN-m)纵向受拉钢筋构造配筋:As = 2176.364(mm2)截面剪力: Q = 0.000(kN)剪力设计值 = 0.000(kN) < 798.000(kN),可不进行斜截面抗剪承载力验算,箍筋取构造配筋:Av = 1.200(mm2/mm)。
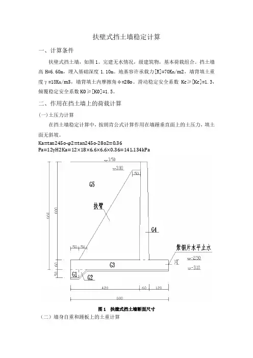
扶壁式挡土墙稳定计算一、计算条件扶壁式挡土墙,如图1。
完建无水情况,级建筑物,基本荷载组合。
挡土墙高H=6.60m,埋入基础深度1.10m。
地基容许承载力[R]=70Kn/m2,墙背填土重度γ=18Kn/m3,墙背填土内摩擦角φ=28o。
滑动稳定安全系数Kc≥[Kc]=1.3,倾覆稳定安全系数K0≥[K0]=1.5。
二、作用在挡土墙上的荷载计算(一)土压力计算在挡土墙稳定计算中,按朗肯公式计算作用在墙踵垂直面上的土压力,填土面无斜坡。
Ka=tan245o-φ2=tan245o-28o2=0.36Pa=12γH2Ka=12×18×6.6×6.6×0.36=141.134kPa图1 扶壁式挡土墙断面尺寸(二)墙身自重和踵板上的土重计算1、墙身自重G1=0.5×0.5×25=6.25KnG2=0.5×0.5×0.5×25=3.125kNG3=6×0.6×25=90kNG4=(0.4+0.6) ×6×0.5×25=75Kn2、作用在踵板上的土重G5=(4.2+4.4) ×6×0.5×18=464.4kN列表计算作用在挡土墙上的总垂直力G、总水平力H及总弯矩M,见表格1四、稳定验算(一)抗滑稳定验算Kc=tanφ0G+C0AH=tan28o×638.775116.8296=2.91>[Kc](二)偏心距计算及基底应力验算e=B2-MG=62-2222.784-233.6591638.775=-0.114σminmax=GB1±6eB=638.7756×1±6×0.1146=94.33118.60kPae<B4=1mσmax=118.60kPa>R=70kPa需要进行地基处理。
扶壁式挡土墙验算[执行标准:公路]计算项目:扶壁式挡土墙 1------------------------------------------------------------------------ 原始条件:墙身尺寸:墙身总高: 8.000(m)墙宽: 0.700(m)墙趾悬挑长DL: 0.760(m)墙踵悬挑长DL1: 3.000(m)底板高DH: 0.800(m)墙趾端部高DH0: 0.600(m)扶肋间距: 4.800(m)扶肋厚: 0.400(m)扶壁两端墙面板悬挑长度: 1.804(m)设防滑凸榫:防滑凸榫尺寸BT1: 2.000(m)防滑凸榫尺寸BT: 1.300(m)防滑凸榫尺寸HT: 0.600(m)防滑凸榫被动土压力修正系数: 1.000防滑凸榫容许弯曲拉应力: 0.500(MPa)防滑凸榫容许剪应力: 0.990(MPa)钢筋合力点到外皮距离: 50(mm)墙趾埋深: 1.500(m)物理参数:混凝土墙体容重: 25.000(kN/m3)混凝土强度等级: C30纵筋级别: KL400抗剪腹筋级别: HRB335裂缝计算钢筋直径: 20(mm)挡土墙类型: 一般挡土墙墙后填土内摩擦角: 35.000(度)墙后填土粘聚力: 0.000(kPa)墙后填土容重: 19.000(kN/m3)墙背与墙后填土摩擦角: 17.500(度)地基土容重: 18.000(kN/m3)修正后地基承载力特征值: 500.000(kPa)地基承载力特征值提高系数:墙趾值提高系数: 1.200墙踵值提高系数: 1.300平均值提高系数: 1.000墙底摩擦系数: 0.500地基土类型: 土质地基地基土内摩擦角: 30.000(度)土压力计算方法: 库仑坡线土柱:坡面线段数: 2折线序号水平投影长(m) 竖向投影长(m) 换算土柱数1 3.000 2.000 02 5.000 0.000 0地面横坡角度: 20.000(度)填土对横坡面的摩擦角: 35.000(度)墙顶标高: 0.000(m)挡墙分段长度: 10.000(m)钢筋混凝土配筋计算依据:《公路钢筋混凝土与预应力混凝土桥涵设计规范》(JTG D62-2004)=====================================================================第 1 种情况: 组合1=============================================组合系数: 1.0001. 挡土墙结构重力分项系数 = 1.000 √2. 填土重力分项系数 = 1.000 √3. 填土侧压力分项系数 = 1.000 √4. 车辆荷载引起的土侧压力分项系数 = 1.000 √=============================================[土压力计算] 计算高度为 8.000(m)处的库仑主动土压力无荷载时的破裂角 = 32.060(度)按假想墙背计算得到:第1破裂角: 29.582(度)Ea=409.100(kN) Ex=231.387(kN) Ey=337.376(kN) 作用点高度 Zy=2.929(m) 因为俯斜墙背,需判断第二破裂面是否存在,计算后发现第二破裂面存在:第2破裂角=19.827(度) 第1破裂角=29.582(度)Ea=401.773(kN) Ex=231.439(kN) Ey=328.416(kN) 作用点高度 Zy=2.949(m) 墙身截面积 = 9.312(m2) 重量 = 232.800 (kN)整个墙踵上的土重(不包括超载) = 193.442(kN) 重心坐标(1.605,-4.700)(相对于墙面坡上角点)墙趾板上的土重 = 10.944(kN) 相对于趾点力臂=0.364(m)(一) 滑动稳定性验算基底摩擦系数 = 0.500采用防滑凸榫增强抗滑动稳定性,计算过程如下:基础底面宽度 B = 4.460 (m)墙身重力的力臂 Zw = 1.675 (m)Ey的力臂 Zx = 3.397 (m)Ex的力臂 Zy = 2.949 (m)作用于基础底的总竖向力 = 765.602(kN) 作用于墙趾下点的总弯矩=1284.621(kN-m) 基础底面合力作用点距离墙趾点的距离 Zn = 1.678(m)基础底压应力: 墙趾=299.152 凸榫前沿=184.809 墙踵=44.167(kPa)凸榫前沿被动土压应力=725.941(kPa)凸榫抗弯强度验算:凸榫抗弯强度验算满足: 弯曲拉应力 = 463.915 <= 500.000(kPa)凸榫抗剪强度验算:凸榫抗剪强度验算满足: 剪应力 = 335.050 <= 990.000(kPa)滑移力= 231.439(kN) 抗滑力= 576.385(kN)滑移验算满足: Kc = 2.490 > 1.300滑动稳定方程验算:滑动稳定方程满足: 方程值 = 54.133(kN) > 0.0(二) 倾覆稳定性验算相对于墙趾点,墙身重力的力臂 Zw = 1.675 (m)相对于墙趾点,墙踵上土重的力臂 Zw1 = 2.365 (m)相对于墙趾点,墙趾上土重的力臂 Zw2 = 0.364 (m)相对于墙趾点,Ey的力臂 Zx = 3.397 (m)相对于墙趾点,Ex的力臂 Zy = 2.949 (m)验算挡土墙绕墙趾的倾覆稳定性倾覆力矩= 682.429(kN-m) 抗倾覆力矩= 1967.050(kN-m)倾覆验算满足: K0 = 2.882 > 1.500倾覆稳定方程验算:倾覆稳定方程满足: 方程值 = 1114.327(kN-m) > 0.0(三) 地基应力及偏心距验算基础为天然地基,验算墙底偏心距及压应力作用于基础底的总竖向力 = 765.602(kN) 作用于墙趾下点的总弯矩=1284.621(kN-m) 基础底面宽度 B = 4.460 (m) 偏心距 e = 0.552(m)基础底面合力作用点距离基础趾点的距离 Zn = 1.678(m)基底压应力: 趾部=299.152 踵部=44.167(kPa)最大应力与最小应力之比 = 299.152 / 44.167 = 6.773作用于基底的合力偏心距验算满足: e=0.552 <= 0.167*4.460 = 0.743(m)墙趾处地基承载力验算满足: 压应力=299.152 <= 600.000(kPa)墙踵处地基承载力验算满足: 压应力=44.167 <= 650.000(kPa)地基平均承载力验算满足: 压应力=171.660 <= 500.000(kPa)(四) 墙趾板强度计算标准值:作用于基础底的总竖向力 = 765.602(kN) 作用于墙趾下点的总弯矩=1284.621(kN-m)基础底面宽度 B = 4.460 (m) 偏心距 e = 0.552(m)基础底面合力作用点距离趾点的距离 Zn = 1.678(m)基础底压应力: 趾点=299.152 踵点=44.167(kPa)设计值:作用于基础底的总竖向力 = 765.602(kN) 作用于墙趾下点的总弯矩=1284.621(kN-m)基础底面宽度 B = 4.460 (m) 偏心距 e = 0.552(m)基础底面合力作用点距离趾点的距离 Zn = 1.678(m)基础底压应力: 趾点=299.152 踵点=44.167(kPa)[趾板根部]截面高度: H' = 0.800(m)截面弯矩: M = 73.067(kN-m)纵向受拉钢筋构造配筋:As = 1500.000(mm2)截面剪力: Q = 186.600(kN)剪力设计值 = 186.600(kN) < 521.250(kN),可不进行斜截面抗剪承载力验算,箍筋取构造配筋:Av = 1.200(mm2/mm)。
扶壁式挡土墙算例某工程要求挡土高度为8.3m,墙后地面均布荷载标准值按qk=10kN / m2 考虑,墙后填土为砂类土,填土的内摩擦角标准值= 35°,填土重度γm=18kN/ m3,墙后填土水平,无地下水。
地基为粘性土,孔隙比e = 0.786 ,液性指数IL= 0.245,地基承载力特征值fak= 230kPa ,地基土重度γ=18.5kN / m3。
根据挡土墙所处的地理位置及墙高等因素综合考虑,选择采用扶壁式挡土墙,挡土墙安全等级为二级,试设计该挡土墙。
解:IL= 0.245 < 0.25 属坚硬粘性土,土对挡土墙基底的摩擦系数μ∈ (0.35, 0.45) ,取μ= 0.35 。
查规范得ηb = 0.3、ηd=1.6。
1)主要尺寸的拟定为保证基础埋深大于0.5m,取d=0.7m,挡土墙总高H=8.3m+d=9m。
两扶壁净距ln 取挡墙高度的1/3~1/4,可取ln= 3.00 ~ 2.25m ,取ln= 3.00m 。
用墙踵的竖直面作为假想墙背,计算得主动土压力系数根据抗滑移稳定要求,按式(3-6)计算得:取B2 + B3 = 4.80m ,其中B2=0.30m,B3=4.50m。
计算结果为负数说明若仅为了保证稳定性的要求不需设置墙趾板,但为了减少墙踵板配筋及使地基反力趋于均匀,取B1=0.60m。
B = B1 + B2+ B3= 0.6 + 0.3 + 4.5 = 5.4m 。
图 1 挡土墙基本尺寸2)土压力计算由于填土表面水平,第一破裂面与铅垂面夹角第二破裂面与铅垂面的夹角墙顶 A 与墙踵 C 连线 AC 与铅垂面的夹角因为α= 27.35°<αi= 27.5°,因此,不会在土体中出现第二破裂面,AC连线为实际破裂面。
按库伦理论计算土压力。
3)自重与填土重力a、立板+底板自重钢筋混凝土标准重度= 25kN / m3 ,其自重为:b.填土重及地面均布荷载总量墙身自重计算时,扶壁自重按填土计算,另墙趾上少量填土重量略去不计导致各项验算稍偏安全。
扶壁式挡土墙验算[执行标准:公路]计算项目:扶壁式挡土墙 1------------------------------------------------------------------------ 原始条件:墙身尺寸:墙身总高: 8.000(m)墙宽: 0.700(m)墙趾悬挑长DL: 0.760(m)墙踵悬挑长DL1: 3.000(m)底板高DH: 0.800(m)墙趾端部高DH0: 0.600(m)扶肋间距: 4.800(m)扶肋厚: 0.400(m)扶壁两端墙面板悬挑长度: 1.804(m)设防滑凸榫:防滑凸榫尺寸BT1: 2.000(m)防滑凸榫尺寸BT: 1.300(m)防滑凸榫尺寸HT: 0.600(m)防滑凸榫被动土压力修正系数: 1.000防滑凸榫容许弯曲拉应力: 0.500(MPa)防滑凸榫容许剪应力: 0.990(MPa)钢筋合力点到外皮距离: 50(mm)墙趾埋深: 1.500(m)物理参数:混凝土墙体容重: 25.000(kN/m3)混凝土强度等级: C30纵筋级别: KL400抗剪腹筋级别: HRB335裂缝计算钢筋直径: 20(mm)挡土墙类型: 一般挡土墙墙后填土内摩擦角: 35.000(度)墙后填土粘聚力: 0.000(kPa)墙后填土容重: 19.000(kN/m3)墙背与墙后填土摩擦角: 17.500(度)地基土容重: 18.000(kN/m3)修正后地基承载力特征值: 500.000(kPa)地基承载力特征值提高系数:墙趾值提高系数: 1.200墙踵值提高系数: 1.300平均值提高系数: 1.000墙底摩擦系数: 0.500地基土类型: 土质地基地基土内摩擦角: 30.000(度)土压力计算方法: 库仑坡线土柱:坡面线段数: 2折线序号水平投影长(m) 竖向投影长(m) 换算土柱数1 3.000 2.000 02 5.000 0.000 0地面横坡角度: 20.000(度)填土对横坡面的摩擦角: 35.000(度)墙顶标高: 0.000(m)挡墙分段长度: 10.000(m)钢筋混凝土配筋计算依据:《公路钢筋混凝土与预应力混凝土桥涵设计规范》(JTG D62-2004)=====================================================================第 1 种情况: 组合1=============================================组合系数: 1.0001. 挡土墙结构重力分项系数 = 1.000 √2. 填土重力分项系数 = 1.000 √3. 填土侧压力分项系数 = 1.000 √4. 车辆荷载引起的土侧压力分项系数 = 1.000 √=============================================[土压力计算] 计算高度为 8.000(m)处的库仑主动土压力无荷载时的破裂角 = 32.060(度)按假想墙背计算得到:第1破裂角: 29.582(度)Ea=409.100(kN) Ex=231.387(kN) Ey=337.376(kN) 作用点高度 Zy=2.929(m) 因为俯斜墙背,需判断第二破裂面是否存在,计算后发现第二破裂面存在:第2破裂角=19.827(度) 第1破裂角=29.582(度)Ea=401.773(kN) Ex=231.439(kN) Ey=328.416(kN) 作用点高度 Zy=2.949(m) 墙身截面积 = 9.312(m2) 重量 = 232.800 (kN)整个墙踵上的土重(不包括超载) = 193.442(kN) 重心坐标(1.605,-4.700)(相对于墙面坡上角点)墙趾板上的土重 = 10.944(kN) 相对于趾点力臂=0.364(m)(一) 滑动稳定性验算基底摩擦系数 = 0.500采用防滑凸榫增强抗滑动稳定性,计算过程如下:基础底面宽度 B = 4.460 (m)墙身重力的力臂 Zw = 1.675 (m)Ey的力臂 Zx = 3.397 (m)Ex的力臂 Zy = 2.949 (m)作用于基础底的总竖向力 = 765.602(kN) 作用于墙趾下点的总弯矩=1284.621(kN-m) 基础底面合力作用点距离墙趾点的距离 Zn = 1.678(m)基础底压应力: 墙趾=299.152 凸榫前沿=184.809 墙踵=44.167(kPa)凸榫前沿被动土压应力=725.941(kPa)凸榫抗弯强度验算:凸榫抗弯强度验算满足: 弯曲拉应力 = 463.915 <= 500.000(kPa)凸榫抗剪强度验算:凸榫抗剪强度验算满足: 剪应力 = 335.050 <= 990.000(kPa)滑移力= 231.439(kN) 抗滑力= 576.385(kN)滑移验算满足: Kc = 2.490 > 1.300滑动稳定方程验算:滑动稳定方程满足: 方程值 = 54.133(kN) > 0.0(二) 倾覆稳定性验算相对于墙趾点,墙身重力的力臂 Zw = 1.675 (m)相对于墙趾点,墙踵上土重的力臂 Zw1 = 2.365 (m)相对于墙趾点,墙趾上土重的力臂 Zw2 = 0.364 (m)相对于墙趾点,Ey的力臂 Zx = 3.397 (m)相对于墙趾点,Ex的力臂 Zy = 2.949 (m)验算挡土墙绕墙趾的倾覆稳定性倾覆力矩= 682.429(kN-m) 抗倾覆力矩= 1967.050(kN-m)倾覆验算满足: K0 = 2.882 > 1.500倾覆稳定方程验算:倾覆稳定方程满足: 方程值 = 1114.327(kN-m) > 0.0(三) 地基应力及偏心距验算基础为天然地基,验算墙底偏心距及压应力作用于基础底的总竖向力 = 765.602(kN) 作用于墙趾下点的总弯矩=1284.621(kN-m) 基础底面宽度 B = 4.460 (m) 偏心距 e = 0.552(m)基础底面合力作用点距离基础趾点的距离 Zn = 1.678(m)基底压应力: 趾部=299.152 踵部=44.167(kPa)最大应力与最小应力之比 = 299.152 / 44.167 = 6.773作用于基底的合力偏心距验算满足: e=0.552 <= 0.167*4.460 = 0.743(m)墙趾处地基承载力验算满足: 压应力=299.152 <= 600.000(kPa)墙踵处地基承载力验算满足: 压应力=44.167 <= 650.000(kPa)地基平均承载力验算满足: 压应力=171.660 <= 500.000(kPa)(四) 墙趾板强度计算标准值:作用于基础底的总竖向力 = 765.602(kN) 作用于墙趾下点的总弯矩=1284.621(kN-m)基础底面宽度 B = 4.460 (m) 偏心距 e = 0.552(m)基础底面合力作用点距离趾点的距离 Zn = 1.678(m)基础底压应力: 趾点=299.152 踵点=44.167(kPa)设计值:作用于基础底的总竖向力 = 765.602(kN) 作用于墙趾下点的总弯矩=1284.621(kN-m)基础底面宽度 B = 4.460 (m) 偏心距 e = 0.552(m)基础底面合力作用点距离趾点的距离 Zn = 1.678(m)基础底压应力: 趾点=299.152 踵点=44.167(kPa)[趾板根部]截面高度: H' = 0.800(m)截面弯矩: M = 73.067(kN-m)纵向受拉钢筋构造配筋:As = 1500.000(mm2)截面剪力: Q = 186.600(kN)剪力设计值 = 186.600(kN) < 521.250(kN),可不进行斜截面抗剪承载力验算,箍筋取构造配筋:Av = 1.200(mm2/mm)。
一、基本资料某电站尾水电站总装机3250KW(2000KW+1250KW),最大引水流量为40m3/s(循环尾水),根据《水利水电工程等级划分及洪水标准》(SL252-2000),本电站工程规模为小(2)型,工程等别为Ⅴ等,主要建筑物和次要建筑物工程级别均为5级。
根据《水工混凝土结构设计规范》(DL/T 5057—1996),建筑物结构安全级别为Ⅲ级。
根据《中国地震动参数区划图》(GB18306—2001),本区地震动峰值加速度小于0.05g,相当于地震烈度低于Ⅵ度,区域稳定。
根据《水工建筑物抗震设计规范》(GB5077—1997)的规定,可不作抗震安全复核。
二、工程布置根据计算,本电站两台机组运行时需要调节水量8095m3,结合现场地形及上下游建筑物布置形式,前池总体呈梯形布置,上游接进口转换井,下游接厂房进水口及溢流孔,总长42.0m,进口宽10.0m,出口总宽27.0m(详见施工平面图)。
前池底板高程20.5m,与溢流孔进口底板同高,边墙墙顶高程33.4m。
正常运行时,池内正常水位31.8m,因故障突然停机时,池内最高水位32.77m。
边墙外侧距墙外边缘10.0m范围内回填土地面高程28.0m(自然地面高程22.50~23.50),然后以1:2边坡与自然地面衔接。
三、结构形式及尺寸拟定:前池采用底板与边墙分离式钢筋混凝土结构,结构所处的环境类别为二类,素混凝土及回填部分采用C15混凝土,钢筋混凝土采用C25混凝土,钢筋采用Ⅰ级(fy=210Nmm2)、Ⅱ级(fy=310Nmm2)钢筋。
底板厚度拟定为0.6m,边墙采用扶壁式挡土墙结构,墙面板厚度初定为0.6m,底板厚度初定为0.8m,扶壁厚度初定为0.4m,底板总宽度初定为8.0m,前趾板净挑底度初定为1.0m,扶壁间净距初定为4.0m。
边墙断面尺寸如下图所示。
四、结构稳定计算本工程前池为半埋式地下结构,边墙与底板之间设缝分开,稳定计算只计算边强的地基应力、抗倾、抗滑稳定及底板的抗浮稳定。
扶壁式挡土墙计算书项目名称_____________日期_____________设计者_____________校对者_____________一、示意图:二、基本资料:1.依据规范及参考书目:《水工挡土墙设计规范》(SL379-2007),以下简称《规范》《水工混凝土结构设计规范》(SL 191-2008),以下简称《砼规》《水工建筑物荷载设计规范》(DL 5077-1997)《《建筑地基基础设计规范》(GB 50007-2002)《建筑结构静力计算手册》(第二版)《水工挡土墙设计》(中国水利水电出版社)2.断面尺寸参数:墙顶宽度B1 = 0.60m,墙面上部高度H = 25.00m墙面变厚B5 = 0.00m,墙背变厚B6 = 0.00m前趾宽度B2 = 2.10m,后踵宽度B3 = 13.30m前趾端部高度H2 = 1.00m,前趾根部高度H3 = 1.80m后踵板高度H1 = 1.80m扶臂厚度b = 1.00m,扶臂顶部宽度B4 = 1.00m扶臂数量n = 3个,扶臂净距L = 6.00m墙面板左挑L1 = 2.46m,墙面板左挑L2 = 2.46m挡土墙底板前趾高程=0.00 m,底板底部坡比=0.0 : 1墙前填土顶面高程▽前地=0.50 m,墙前淤沙顶面高程▽沙=1.00 m 3.设计参数:挡土墙的建筑物级别为2级。
抗震类型:非抗震区挡土墙。
水上回填土内摩擦角φ=32.00度,水下回填土内摩擦角φ' =32.00度回填土凝聚力C =0.00kN/m2地基土质为:松软墙底与地基间摩擦系数f =0.454.回填土坡面参数:回填土表面折线段数为:1段折线起点距墙顶高差=0.00 m第一段折线水平夹角β1=15.00度,折线水平长L1=2.00 m第二段折线水平夹角β2=20.00度5.材料参数:回填土湿容重γs=18.00kN/m3,回填土浮容重γf=10.00kN/m3混凝土强度等级:C25受力钢筋强度等级:二级,保护层厚度as = 0.050 m扶臂箍筋强度等级:二级地基允许承载力[σo] = 300.00 kPa6.荷载计算参数:淤沙浮容重γy=17.00kN/m3,淤沙内摩擦角φs =15.00 度冰层厚度T b=0.40 m,静冰压力系数=0.870计算浪压力时采用的位置类型:平原滨海地区风区长度D =0.000 m,墙前河(库)底坡度i =1 : 100.00重现期为50年的年最大风速v o=24.000 m/s多年平均的最大风速v o' =30.000 m/s冻胀墙体变形系数m o=0.700,冻胀量Δhd=30.00 mm地震动态分布系数为梯形分布,最大值αm=2.00三、计算参数:1.荷载组合:2.荷载组合下水位及附加荷载信息:3.计算公式:郎肯土压力计算公式如下:E =0.5×γ×H2×K aE x=E×cos(β)E y=E×sin(β)K a=cosβ×[cosβ-(cos2β-cos2φ)1/2]/[cosβ+(cos2β-cos2φ)1/2] (《规范》式A.0.1-3)式中:E为作用于墙背的土压力,作用点为距墙底1/3高处,方向与水平面成β夹角K a为主动土压力系数四、第1种荷载组合:完建情况1.总水平力、总竖向力及各力对前趾力矩计算:程序算得主动土压力系数K a=0.351单位:水平力、竖向力为kN;力臂为m;弯矩为kN·m。
所有垂直荷载之和∑G=7119.21kN所有水平荷载之和∑H=2235.93kN所有对墙前趾的稳定力矩之和∑M V=68896.33kN·m所有对墙前趾的倾覆力矩之和∑M H=-23103.18kN·m所有对墙前趾的力矩之和∑M=45793.15kN·m所有对墙底板形心的力矩之和∑Mo=-11160.50kN·m2.抗滑稳定验算:抗滑稳定安全系数计算公式为:Kc =f×∑G/∑H (规范式6.3.5-1)从《规范》中表3.2.7查得,抗滑稳定安全系数[Kc]=1.30Kc =0.450×7119.207/2235.928 =1.43Kc=1.43≥[Kc]=1.30,故抗滑稳定安全系数满足要求3.抗倾覆稳定验算:从《规范》中表3.2.12、3.2.13条查得,抗倾覆稳定安全系数[Ko]=1.50抗倾覆稳定安全系数计算公式为:Ko =∑M V / ∑M HKo =68896.330 / 23103.175 =2.98Ko=2.98 ≥[Ko]=1.50,故抗倾覆稳定安全系数满足要求4.地基承载力验算:地基承载力按《规范》中第6.3.1、6.3.2条进行校核。
按照规范式6.3.3,基底应力计算公式为:P max=∑G / A +∑M / WP min=∑G / A -∑M / W挡土墙底板面积A =16.00 m2,底板截面抵抗矩W =42.67 m3 P max=7119.21 / 16.00 +11160.50 / 42.67 =706.52 kPaP min=7119.21 / 16.00 -11160.50 / 42.67 =183.38 kPa P max=706.52 > 1.2[σo] =360.00故地基承载力不满足要求!(P min+P max)/2 =444.95 > [σo] =300.00故地基承载力不满足要求!η=P max/P min=706.52/183.38=3.85 > 1.5故地基承载力不满足要求!5.前趾根部内力:作用在前趾根部截面的弯矩M =1375.93 kN·m,剪力Q =1363.37 kN 6.距挡土墙底部高度Hs = 1.80m水平截面内力:总水平力、总竖向力及各力对截面面坡侧点的力矩计算:单位:水平力、竖向力为kN;力臂为m;弯矩为kN·m。
7.距挡土墙底部高度Hs = 9.33m水平截面应力内力:8.距挡土墙底部高度Hs = 17.67m水平截面内力:五、第2种荷载组合:正常挡水位1.总水平力、总竖向力及各力对前趾力矩计算:程序算得主动土压力系数K a=0.351单位:水平力、竖向力为kN;力臂为m;弯矩为kN·m。
所有垂直荷载之和∑G=7119.21kN所有水平荷载之和∑H=2232.32kN所有对墙前趾的稳定力矩之和∑M V=68898.74kN·m所有对墙前趾的倾覆力矩之和∑M H=-23103.18kN·m所有对墙前趾的力矩之和∑M=45795.56kN·m所有对墙底板形心的力矩之和∑Mo=-11158.10kN·m2.抗滑稳定验算:抗滑稳定安全系数计算公式为:Kc =f×∑G/∑H (规范式6.3.5-1)从《规范》中表3.2.7查得,抗滑稳定安全系数[Kc]=1.30Kc =0.450×7119.207/2232.319 =1.44Kc=1.44≥[Kc]=1.30,故抗滑稳定安全系数满足要求3.抗倾覆稳定验算:从《规范》中表3.2.12、3.2.13条查得,抗倾覆稳定安全系数[Ko]=1.50抗倾覆稳定安全系数计算公式为:Ko =∑M V / ∑M HKo =68898.736 / 23103.175 =2.98Ko=2.98 ≥[Ko]=1.50,故抗倾覆稳定安全系数满足要求4.地基承载力验算:地基承载力按《规范》中第6.3.1、6.3.2条进行校核。
按照规范式6.3.3,基底应力计算公式为:P max=∑G / A +∑M / WP min=∑G / A -∑M / W挡土墙底板面积A =16.00 m2,底板截面抵抗矩W =42.67 m3 P max=7119.21 / 16.00 +11158.10 / 42.67 =706.47 kPaP min=7119.21 / 16.00 -11158.10 / 42.67 =183.43 kPa P max=706.47 > 1.2[σo] =360.00故地基承载力不满足要求!(P min+P max)/2 =444.95 > [σo] =300.00故地基承载力不满足要求!η=P max/P min=706.47/183.43=3.85 > 1.5故地基承载力不满足要求!5.前趾根部内力:作用在前趾根部截面的弯矩M =1375.82 kN·m,剪力Q =1363.27 kN 6.距挡土墙底部高度Hs = 1.80m水平截面内力:总水平力、总竖向力及各力对截面面坡侧点的力矩计算:单位:水平力、竖向力为kN;力臂为m;弯矩为kN·m。
7.距挡土墙底部高度Hs = 9.33m水平截面应力内力:8.距挡土墙底部高度Hs = 17.67m水平截面内力:六、第3种荷载组合:设计洪水位1.总水平力、总竖向力及各力对前趾力矩计算:程序算得主动土压力系数K a=0.351单位:水平力、竖向力为kN;力臂为m;弯矩为kN·m。
所有垂直荷载之和∑G=7053.85kN所有水平荷载之和∑H=2229.86kN所有对墙前趾的稳定力矩之和∑M V=68965.04kN·m所有对墙前趾的倾覆力矩之和∑M H=-23748.72kN·m所有对墙前趾的力矩之和∑M=45216.32kN·m所有对墙底板形心的力矩之和∑Mo=-11214.45kN·m2.抗滑稳定验算:抗滑稳定安全系数计算公式为:Kc =f×∑G/∑H (规范式6.3.5-1)从《规范》中表3.2.7查得,抗滑稳定安全系数[Kc]=1.30Kc =0.450×7053.846/2229.860 =1.42Kc=1.42≥[Kc]=1.30,故抗滑稳定安全系数满足要求3.抗倾覆稳定验算:从《规范》中表3.2.12、3.2.13条查得,抗倾覆稳定安全系数[Ko]=1.50 抗倾覆稳定安全系数计算公式为:Ko =∑M V / ∑M HKo =68965.041 / 23748.717 =2.90Ko=2.90 ≥[Ko]=1.50,故抗倾覆稳定安全系数满足要求4.地基承载力验算:地基承载力按《规范》中第6.3.1、6.3.2条进行校核。
按照规范式6.3.3,基底应力计算公式为:P max=∑G / A +∑M / WP min=∑G / A -∑M / W挡土墙底板面积A =16.00 m2,底板截面抵抗矩W =42.67 m3 P max=7053.85 / 16.00 +11214.45 / 42.67 =703.70 kPaP min=7053.85 / 16.00 -11214.45 / 42.67 =178.03 kPa P max=703.70 > 1.2[σo] =360.00故地基承载力不满足要求!(P min+P max)/2 =440.87 > [σo] =300.00故地基承载力不满足要求!η=P max/P min=703.70/178.03=3.95 > 1.5故地基承载力不满足要求!5.前趾根部内力:作用在前趾根部截面的弯矩M =1359.55 kN·m,剪力Q =1357.10 kN 6.距挡土墙底部高度Hs = 1.80m水平截面内力:总水平力、总竖向力及各力对截面面坡侧点的力矩计算:单位:水平力、竖向力为kN;力臂为m;弯矩为kN·m。