在建工程项目总监变更申请表
- 格式:doc
- 大小:34.00 KB
- 文档页数:2
总监变更申请书范本
尊敬的上级建设主管部门:
您好!
鉴于我公司总监因身体原因无法继续履行其职责,现向我公司上级建设主管部门提出总监变更申请。
一、原总监情况说明
我公司原总监XXX同志,由于身体原因,经过医生诊断需要长期在家调养,不宜继续工作。
根据医生的建议和本人申请,我公司决定同意其暂停相关工作,并对其进行充分的休息和治疗。
二、总监变更原因
鉴于原总监的身体状况无法履行其职责,为了保证我公司项目的顺利推进和工程质量的保障,现申请将总监理工程师变更为国家注册监理工程师XXX同志。
三、变更后总监情况说明
变更后的总监理工程师XXX同志,具备丰富的监理经验和专业能力,曾参与过多项大型工程项目的监理工作,并取得了良好的业绩。
我们相信,在他的领导下,我公司项目将能够按照预期目标顺利完成。
四、申请要求
基于以上情况,我公司恳请上级建设主管部门审批同意总监变更申请,对我公司的总监变更给予支持和帮助。
我们将严格按照相关法规和规定,履行相关程序,并确保变更后的总监能够尽快熟悉项目情况,确保项目的顺利推进。
五、承诺和保证
我公司承诺,变更后的总监将全面负责项目的监理工作,确保项目按照规定的程序和标准进行,保证工程质量、安全、进度等各项指标的顺利实现。
同时,我公司将继续支持和配合上级建设主管部门的各项工作,共同推动工程建设的健康发展。
最后,再次感谢上级建设主管部门对我公司的关心和支持,期待您的审批和支持。
此致
敬礼!
公司名称:(盖章)日期:年月日。
工程变更申请单
表号:SY1-A12-01工程名称:编号:
本表一式份,由提出单位填报,建设管理单位、项目监理部、设计各存一份,提出单位存份。
填写、使用说明
1、由于某种原因,施工承包单位或建设管理单位供货的材料、设备制造厂家要求工程
变更,或要求材料代用等工程恰商,应向项目监理部申请,有关方审查同意,设计单位出具变更方案后,方可实施。
2、提出单位应附变更的详细说明,涉及到费用变更时,应附费用变更计算。
3、项目监理部审查确有必要变更,签署监理意见,设计单位出具设计意见后,经建设
管理单位同意,同意提出单位的建议,或出具处理方案,或另外出具设计变更通知单。
4、项目监理部审查意见填写要点:
a)变更原因是否属实;
b)变更方案是否可行;
c)费用计算是否正确;
d)是否涉及合同费用变更。
南京旭光建设监理有限公司
关于滨河花园项目总监变更的申请报告
致:泗阳县运河新城投资开发有限公司
我单位承担的滨河花园施工监理,因总监肖跃祥身体欠佳,要经常请假检查身体,本着对项目工程负责,确保本工程质量、进度、投资等目标的实现,满足工程的实际需要,经公司人事部研究决定,现派丁平总监替换肖跃祥,代表公司履行合同规定的权利和义务,其余监理组人员不变。
请复核,审批。
附变更后人员资历证书:
南京旭光建设监理有限公司
二O一一年十月二十日
拟担任本工程项目总监简历表。
附件一项目经理更换审批表附件二项目总监更换审批表附件三项目完、竣工销号登记表(项目经理)附件四项目完、竣工销号登记表(项目总监)附件五附件六监督部门确认单(项目总监)编号杭州市城乡建设委员会杭建市发〔2012〕16号杭州市城乡建设委员会关于印发《杭州市建设工程项目总监理工程师管理办法》的通知各有关单位:《杭州市建设工程项目总监理工程师管理办法》已通过市政府法律审查,现印发给你们,请遵照执行。
杭州市城乡建设委员会二O一二年一月十日主题词:城乡建设项目总监管理办法通知杭州市城乡建设委员会办公室2012年1月17日印发杭州市建设工程项目总监理工程师管理办法一、总则第一条为了进一步加强工程建设监理行业从业人员的管理,规范建设工程项目总监理工程师的监理行为,促进我市建设监理市场健康有序地发展,根据《关于严格规范国有投资工程建设项目招标投标活动的意见》(浙政发〔2009〕22号)、《注册监理工程师管理规定》、《杭州市建筑业现场与市场联动管理办法》、《杭州市建设市场主体信用管理办法》等相关规定,结合我市实际,制定本办法。
第二条本办法所称建设工程项目总监理工程师(以下简称项目总监)是指由监理企业法定代表人任命并对建设项目监理工作全面负责的管理者,是监理企业法定代表人在该建设项目上的代表人。
第三条在市区范围内(不含萧山区、余杭区),监理企业项目总监从事建设市场活动以及对其行为进行的监督管理,适用本办法。
第四条杭州市城乡建设委员会(以下简称市建委)负责项目总监的监督管理。
杭州市建设工程招标投标管理办公室(以下简称市招标办)、杭州市建设工程交易中心(以下简称市交易中心)、杭州市建筑企业管理站(以下简称市建管站)、杭州市建设工程质量安全监督总站(以下简称市质安监总站)和各区建设行政主管部门及其所属管理机构,按照各自职责,具体负责对项目总监工作的日常检查和监管。
二、任职管理第五条项目总监必须由取得国家监理工程师资格证书并注册在监理企业,且与该企业有合法的劳动合同、工资以及社会保险关系的在职监理人员担任。
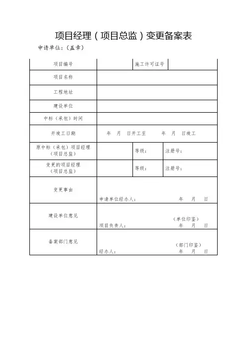
建设工程项目总监变更申请表
说明
一、本表用于监理企业办理在建工程项目总监变更申请、审批、备案。
二、本表由监理企业负责填写,表格采用计算机打印,相关电子表格可以在“建设网”中下载。
三、工程规模填写:合同造价,建筑物跨度、层数、高度、面积,道路用途、桥梁跨度、隧道断面、给排水管径等与资质相关的内容。
四、监理企业提交此表时,须同时提交下列附件材料:
1、变更原因证明材料。
2、工程中标通知书复印件。
3、拟任项目总监执业资格证复印件、安全考核合格证和安全培训合格证。
4、附件材料一律使用A4型纸装订成册。
附件材料要带原件备查。
湖州市建设工程项目负责人(项目总监)变更备案申请表(投标中)项目负责人变更需提供以下资料一式四份:1、变更申请表;(需有申请单位盖章及申请变更的个人签字,建设单位书面同意的证明材料)2、拟变更项目负责人注册证书及身份证复印件(原件备查);3、变更原因说明及相应证明材料;4、拟变更项目负责人有无在建工程说明及近3年来行贿犯罪档案查询结果告知函(须在有效期内);5、投标人及拟派项目负责人市场行为信用档案情况表;6、经办人员需携带法人授权委托书;7、原项目负责人及拟变更项目负责人业绩情况说明(变更后的项目负责人业绩原则上不低于原项目负责人,无业绩的须注明,不得留空; 代理核查及建设单位须填写意见并签字);8、其他承诺书;授权委托书本授权委托书申明:我(法定代表人姓名).系(公司名称)的法定代表人,现授权委托我公司的(经办人姓名)身份证号(*****************)为我公司代理人,以本公司的名义办理(项目名称)的项目负责人变更手续。
代理人在此过程中所签署的一切文件和处理与之有关的一切事务,我公司均予以承认。
代理人无转委托权。
特此委托。
经办人身份证复印件正反面单位名称(盖章): 法定代表人(签字或盖章): 授权委托日期:申请拟变更注册建造师无在建工程说明备注:《注册建造师执业管理办法》(试行)第九条:注册建造师不得同时担任两个及以上建设工程施工项目负责人。
发生下列情形之一的除外:同一工程相邻分段发包或分期施工的;合同约定的工程验收合格的;因非承包方原因致使工程项目停工超过120天(含),经建设单位同意的。
申请拟变更项目总监在建工程情况说明备注:在建情况须符合湖建发(2009) 233号文件规定:总监不得同时兼任本市行政区域范围以外建设项目的任何监理职务,且在本市行政区域范围内最多只能同时在一个一级工程或或两个二级及以下工程或三个三级工程中任职;工程造价小于150万元且建筑面积小于1500 平方米的,如建设单位愿意接受,可适当放宽同时兼职项目个数限制,但最多不能超过6个。
工程变更申请表工程名称:编号:说明:本表一式四份,在施工过程中出现工程需要变更的情况时,承包单位应向监理单位提出变更申请,并按要求提交相关附件。
工程变更审批流程表(适用于行政单位)审批后连同项目变更预算资料、有关会议纪要、补充协议、签证等作为工程结算审核依据。
备注:1.表格审批后承包人两份、监理单位、建设单位各存一份。
2.变更费用估算只作参考,结算以审计审核为准。
3.本表需附《工程变更申请表》及相关附件。
4.审批后连同项目变更预算资料、有关会议纪要、补充协议等作为工程结算审核依据。
工程变更审批流程表(适用于事业单位)审批后连同项目变更预算资料、有关会议纪要、补充协议、签证等作为工程结算审核依据。
备注:1.表格审批后承包人两份、监理单位、建设单位各存一份。
2.变更费用估算只作参考,结算以审计审核为准。
3.本表需附《工程变更申请表》及相关附件。
4.审批后连同项目变更预算资料、有关会议纪要、补充协议等作为工程结算审核依据。
工程变更审批流程表(适用于区属企业)审批后连同项目变更预算资料、有关会议纪要、补充协议、签证等作为工程结算审核依据。
备注:1.表格审批后承包人两份、监理单位、建设单位各存一份。
2.变更费用估算只作参考,结算以审计审核为准。
3.本表需附《工程变更申请表》及相关附件。
4.审批后连同项目变更预算资料、有关会议纪要、补充协议等作为工程结算审核依据。
工程洽商记录备注:本洽商记录只作工程变更报批的依据,单独不能作为准予施工、结算的依据,待变更审批后方可施工。
工程变更明细表工程名称:编号:备注:本表由承包单位填写并由相关领导审批后连同项目有关材料等作为工程结算审核依据,最终实际工程量以结算为准。
若需补充工程量计量辅助材料请在表内注明清楚。
工程变更投资额累计增加明细表工程名称:编号:建设单位:施工单位:备注:本表由建设单位填写,连同项目工程历史累次变更材料,作为本次新增工程变更审批材料。
工程变更运作流程图(适用于行政事业单位)工程变更单项或累计增加10万元(含本数)以上,50万元以下的。
前言:温馨小提示:本篇文档是通过查阅资料精心整理编制的,希望能帮助大家解决实际问题,文档内容不一定完美契合各位的需求,请各位根据需求进行下载。
文档下载后可自己根据实际情况对内容进行任意改写,确保能够帮助到大家。
除此之外,本店铺还提供各种文档材料,涉及多个领域例如活动文案、工作方案、读后感、读书笔记等,大家按需搜索查看!Warm tip:This document is prepared by consulting information carefully. Hope to help you solve practical problems. The content of the document is not necessarily perfect to match your needs. Please download according to your needs. Then you can rewrite the content according to the actualsituation to ensure that we can help. In addition, the store also provides a variety of documents and materials, covering areas such as copywriting for activities, work plans, reflections, reading notes, etc.正文如下:在建工程总监离职更换申请书尊敬的公司领导:您好!我谨以此信向您提交关于我司在建工程总监岗位离职及更换的申请。
当前,我们公司某在建工程总监岗位的人员因个人原因提出了离职申请,这封申请书旨在说明该岗位人员调整的必要性,推荐合适人选以接替离任人员,并就相关工作交接、支持新任工程总监等事宜提出具体建议。
一、离职原因说明目前,我司在建工程总监因个人原因提出离职申请,经过与其进行深入沟通和了解,我确信其离职意向坚定,且短期内难以改变。