RS232串口线制作方法图解
- 格式:doc
- 大小:1.66 MB
- 文档页数:4
RS232和RS485接线的正确原理图RS-232是串行数据接口标准,最初都是由电子工业协会(EIA)制订并发布的,RS-232在1962年发布,命名为EIA-232-E,作为工业标准,以保证不同厂家产品之间的兼容。
RS-422由RS-232发展而来,它是为弥补R S-232之不足而提出的。
为改进RS-232通信距离短、速率低的缺点,RS-422定义了一种平衡通信接口,将传输速率提高到10M b/s,传输距离延长到4000英尺(速率低于100kb/s时),并允许在一条平衡总线上连接最多10个接收器。
RS-422是一种单机发送、多机接收的单向、平衡传输规范,被命名为TI A/EIA-422-A标准。
为扩展应用范围,EIA又于1983年在RS-422基础上制定了RS-485标准,增加了多点、双向通信能力,即允许多个发送器连接到同一条总线上,同时增加了发送器的驱动能力和冲突保护特性,扩展了总线共模范围,后命名为TI A/EIA-485-A标准。
由于EIA提出的建议标准都是以“RS”作为前缀,所以在通讯工业领域,仍然习惯将上述标准以R S作前缀称谓。
备注:以上是官方的专业描述,看不懂没有关系,大致有个印象就可以了,有兴趣的可以上网可以买一些专业书籍做深入研究,我再用通俗的语言补充描述一下。
RS232通讯的基础知识:RS232通讯又叫串口通讯方式。
是指计算机通过RS232国际标准协议用串口连接线和单台设备(控制器)进行通讯的方式。
通讯距离:9600波特率下建议在13米以内。
通讯速率(波特率Baud Rate):缺省常用的是9600 bps,常见的还有1200 2400 4800 1920038400等。
波特率越大,传输速度越快,但稳定的传输距离越短,抗干扰能力越差。
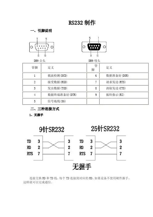
RS232制作一、引脚说明DB9公头 DB9母头管脚定义管脚定义1 载波检测(DCD) 6 数据准备好(DSR)2 接受数据(RXD) 7 请求发送(RTS)3 发出数据(TXD) 8 清除发送(CTS)4 数据终端准备好(DTR) 9 振铃指示(RI)5 信号地线(SG)二、三种连接方式1、无握手连接交换RD和TD线,每个TD连接到对应的RD。
如果设备不使用硬件握手,这样就可以完成通信。
2、全握手全握手连接允许硬件握手。
数据和握手信号输出连接到它们在另一台设备上的相应的输入。
在一个循环回送连接中,握手信号输出循环回送给自身设备的相应输入。
这在一台设备要求有握手信号而另一台不提供握手信号的时候就很有用处。
但是,使用这种类型的连接如果接收设备不能跟上发送速度就会导致数据错误。
3、循环回送握手当只有一台设备要求握手信号时,从一个DTE到DCE接口中使用循环回送握手信号。
在这种情况下,数据线正常连接,但是握手信号输出循环回送到它们相应的输入。
在一个DTE中,将RTS、CTS、DSR和CD连接到一起,如图4(c)所示。
在这种方式下,无论什么时候只要DTE声明了RTS,也会出现DCE声明CTS、DSR 和CD。
一个变化是连接RTS和CTS,以及将DTR连接到DSR和CD。
三、传输速率和距离RS-232-C标准规定的数据传输速率为50、75、100、150、300、600、1200、2400、4800、9600、19200、38400波特。
RS-232-C标准规定,驱动器允许有2500pF的电容负载,通信距离将受此电容限制,例如,采用150pF/m的通信电缆时,最大通信距离为15m;若每米电缆的电容量减小,通信距离可以增加。
传输距离短的另一原因是RS-232属单端信号传送,存在共地噪声和不能抑制共模干扰等问题,因此一般用于20m以内的通信。
四、电气特性在TxD和RxD上:逻辑1(MARK)=-3V~-15V逻辑0(SPACE)=+3~+15V在RTS、CTS、DSR、DTR和DCD等控制线上:信号有效(接通,ON状态,正电压)=+3V~+15V信号无效(断开,OFF状态,负电压)=-3V~-15V以上规定说明了RS-232C标准对逻辑电平的定义。
制作RS-232 RS422控制线来源/作者:touch 上传日期:2010-8-10 阅读数:1617PGMII控制第三方串行设备的时候控制线需手工制作,比如控制投影机,投影机的原装控制线很短,制作控制线第一步需要知道设备控制接口的引脚定义,PGMII串行接口RS-232的引脚定义为:²第5脚-地(GND)²第2脚-接收(TxD)²第3脚-发送(RxD)连接PGMII串行接口的9针接口需要母头,如图:只要找出受控设备串行接口的接收(RxD)脚与接地(GND)脚。
把PGMII的发送(TxD)引脚与受控设备的接收(RxD)引脚相连,就能和受控设备通讯,有些场合还需要接收受控设备的信息,那就需要找出受控设备串行接口的发送(TxD)脚与PGMII串口的接收(RxD)脚相连。
如图:虚线表示不需要连接。
在控制CREATOR系列矩阵的时候,CREATOR矩阵原配有控制线,可不需要手工制作。
RS232C串口通信接线方法(三线制)首先,串口传输数据只要有接收数据针脚和发送针脚就能实现:同一个串口的接收脚和发送脚直接用线相连,两个串口相连或一个串口和多个串口相连∙同一个串口的接收脚和发送脚直接用线相连对9针串口和25针串口,均是2与3直接相连;∙两个不同串口(不论是同一台计算机的两个串口或分别是不同计算机的串口)上面表格是对微机标准串行口而言的,还有许多非标准设备,如接收GPS数据或电子罗盘数据,只要记住一个原则:接收数据针脚(或线)与发送数据针脚(或线)相连,彼些交叉,信号地对应相接,就能百战百胜。
RS422接线说明1.DB9和DB25的常用信号脚说明9针串口(DB9) 25针串口(DB25)针号功能说明缩写针号功能说明缩写1 数据载波检测 DCD 8 数据载波检测 DCD2 接收数据 RXD3 接收数据 RXD3 发送数据 TXD 2 发送数据 TXD4 数据终端准备 DTR 20 数据终端准备 DTR5 信号地 GND 7 信号地 GND6 数据设备准备好 DSR 6 数据准备好 DSR7 请求发送 RTS 4 请求发送 RTS8 清除发送 CTS 5 清除发送 CTS9 振铃指示 DELL 22 振铃指示 DELL控制VTR线序(9针):12345-83721。
电脑9针RS232曲连串心延少线创造要领之阳早格
格创做
07月23日
一、配件及工具
1.买买二个的DP9头(一个公头,一个母头,那个根据需要插上的接心所决断的)
2. 电烙铁一把、焊锡若搞
3. 三条一般导线
4. 手段:创造成电脑9针RS232曲连串心延少线
5. 功能:延少9针RS232串心接心
二、串心 DP9头针足程序辨别
1. 九针母头端子针足程序图
2. 九针公头端子针足程序图
证明:不妨小心查看引足左圆的数字标注,表示对于应的引足标号.
三、曲连串心对接要领
1.9针对于9针串心曲连对接要领
2.2. 9针对于9针串心曲连对接示企图
证明:绿色接2足,橙色接3足,黑绿接5足
四、曲连串心对接废品展示
五、扩展证明
正在本质应用中,9针RS232串心线常常是用正在估计机取中围设备的通疑,多用于工控战丈量设备以及部分通疑设备中.如三菱plc梯形图下载以及工控触摸屏绘里下载等.
常常正在9针的前提再举止简化,只用其中的2、3、5三个管足举止通疑.那三个管足分别是接支线、收支线战天线,正在普遍情况下即可谦足通讯的央供.
常常举止串心数据通疑,需要使用到RS232接叉串心线,如下图所示,其中2、3二足是接叉互联的,那很简单明黑,果为一个设备的收支线必须连接到其余一台设备的接支线上,反之亦然.其余证明一下,232旗号的灵验通讯距离是15M.。
RS232和RS485接线的正确原理图RS-232是串行数据接口标准,最初都是由电子工业协会(EIA)制订并发布的,RS-232在1962年发布,命名为EIA-232-E,作为工业标准,以保证不同厂家产品之间的兼容。
RS-422由RS-232发展而来,它是为弥补RS-232之不足而提出的。
为改进RS-232通信距离短、速率低的缺点,RS-422定义了一种平衡通信接口,将传输速率提高到10Mb/s,传输距离延长到4000英尺(速率低于100kb/s时),并允许在一条平衡总线上连接最多10个接收器。
RS-422是一种单机发送、多机接收的单向、平衡传输规范,被命名为TIA/EIA-422-A标准。
为扩展应用范围,EIA又于1983年在RS-422基础上制定了RS-485标准,增加了多点、双向通信能力,即允许多个发送器连接到同一条总线上,同时增加了发送器的驱动能力和冲突保护特性,扩展了总线共模范围,后命名为TIA/EIA-485-A标准。
由于EIA提出的建议标准都是以“RS”作为前缀,所以在通讯工业领域,仍然习惯将上述标准以RS作前缀称谓。
备注:以上是官方的专业描述,看不懂没有关系,大致有个印象就可以了,有兴趣的可以上网可以买一些专业书籍做深入研究,我再用通俗的语言补充描述一下。
RS232通讯的基础知识:RS232通讯又叫串口通讯方式。
是指计算机通过RS232国际标准协议用串口连接线和单台设备(控制器)进行通讯的方式。
通讯距离:9600波特率下建议在13米以内。
通讯速率(波特率Baud Rate):缺省常用的是9600 bps,常见的还有1200 2400 4800 19200 38400等。
波特率越大,传输速度越快,但稳定的传输距离越短,抗干扰能力越差。
备注:一般台式机会自带1-2个串口插座(公头(9针插头上带针的俗称公头,带针孔的俗称母头)),现在的笔记本一般不带串口插座,可以购买USB串口转换器,具体请参考怎样使用USB串口转换器?公头接线端子排序图母头接线端子排序图一般只用 2 3 5 号三根线。
RS232串口线接法与线芯引脚定义RS232 串口线运用于设备间的串行通讯,适用面很广泛。
RS232 串口线接法要根据实际连接设备而定,我们先看其引脚定义。
目前RS232 串口线接口为DB9 针,其接口引脚定义如下:如上图所示,RS232 串口线接口针脚分上下2 排,如何区分串口线针脚?在正对人面、接口大边朝上情况下:一排是5 针,从左到右,分别对应1-5 号针脚;一排4 针,从左到右,分别对应6-9 号针脚。
引脚定义符号 1 载波检测DCD 2 接收数据RXD 3 发送数据TXD 4 数据终端准备好DTR 5 信号地SG 6 数据准备好DSR 7 请求发送RTS 8 清除发送CTS 9 振铃提示RI 绿联RS232 串口线线芯颜色定义:1 黑色2 棕色3 红色4 橙色5 黄色6 绿色7 蓝色8 紫色9 白色用户在需要DIY 绿联RS232 串口线的情况下,可根据这一线芯颜色,对应接线。
RS232 串口线接线方法示意图根据不同需要,RS232 串口线接法分为两种:直连与交叉。
RS232 串口线直连接法就是正常的连接:2接2,3 接3(即一头的RX 与另一头的RX 相连,TX 与另一头的TX 相连),绿联RS232 串口线为直连接法;RS232 串口线交叉接法就是交叉连接:2 接3、3 接2(即一头的RX 和另一头的TX 相连,TX 与另一头的RX 相连)。
那么RS232 串口线直连与交差接法分别用在什么场合?一般情况下,设备和电脑的连接通讯,需用到RS232 串口线直连线;而设备和设备的连接通讯,就会用到RS232 串口线的交叉线。
用户在选择的时候,应根据两个设备之间连接的实际情况,选择不同接法的RS232 串口线。
tips:感谢大家的阅读,本文由我司收集整编。
仅供参阅!。
RS232串口交叉线的制作及USB转RS232串口线的检测一、RS232串口线的制作根据地铁车辆的通信端口,车辆部目前使用频繁的是DB9芯RS232串口交叉线,庞巴迪车辆VTCU数据下载、客室车门电机电流软件等。
制作之前先了解DB9芯RS232串口线各引脚功能,如下:1载波检测(DCD) 、2接受数据(RXD) 、3发出数据(TXD)、4数据终端准备好(DTR) 、5信号地线(SG)、6数据准备好(DSR)、7请求发送(RTS) 、8清除发送(CTS)、9振铃指示(RI)制作材料及工具:一根良好双绞线(3芯为好)、一把剥线钳,公母DB9插头各一个、一把电烙铁及若干焊锡。
连接示意图如下:用电烙铁依照以上示意图焊接好后,并仔细确认,是否为:2脚(RXD) 、3脚(TXD) 交叉反接,5脚直连,屏蔽线接外壳,其它线不连接。
用万用表欧姆档测试一端2、3、5脚之间各阻值是否为无穷大,否则说明在焊接过程中有搭锡短路现象,须重新焊接,要不然就可能在使用中烧损电脑或车辆的通信端口。
经以上焊接测量后,一条实用的RS232交叉线就做好了,装好DB9插头,如下图:二、USB转RS232串口线的检测车间现在规定车门软件连接线改为:USB转RS232串口线(双芯片PL2303+211)接9针RS232交叉线。
当USB转RS232串口线接上电脑USB接口后,pl2303芯片驱动正常情况下,我们打开电脑的设备管理器,见下图1,看到端口有:Prolific USB-to-Serial Comm Port,说明USB转RS232串口线已经连接上了电脑,一般就可以正常使用。
除此我们还可测量其插头电压,3脚(4脚)和5脚电压,2脚和3脚电压为正常为:7.8V-8.9V。
见图2。
RS232串口接线图RS232是一种广泛应用于串行通信中的标准。
它定义了一种将数字信号转换为串行数据传输的方法,并规定了在串口之间进行数据通信时的物理连接。
接线图下面是RS232串口的接线图:___________ ___________| | | || DTE |------->| DCE ||___________| |___________|DTE DCEData Terminal Data Circuit-terminatingEquipment Equipment在上面的接线图中,DTE代表数据终端设备,DCE代表数据电路终端设备。
DTE可以是计算机、终端设备或数据通信设备,而DCE通常是调制解调器。
接线详解RS232串口使用了9个引脚进行数据传输,每个引脚的功能如下:•TD(Transmit Data):数据发送引脚,DTE通过该引脚将数据发送给DCE。
•RD(Receive Data):数据接收引脚,DTE通过该引脚接收DCE发送的数据。
•RTS(Request to Send):请求发送引脚,DTE通过该引脚告诉DCE 它准备好发送数据。
•CTS(Clear to Send):允许发送引脚,DCE通过该引脚告诉DTE它准备好接收数据。
•DTR(Data Terminal Ready):数据终端就绪引脚,DTE通过该引脚告诉DCE它准备好进行通信。
•DSR(Data Set Ready):数据集就绪引脚,DCE通过该引脚告诉DTE它准备好进行通信。
•SG(Signal Ground):信号地引脚,用于屏蔽引脚之间的电磁干扰。
•CD(Carrier Detect):载波检测引脚,DCE通过该引脚告诉DTE当前是否检测到了信号载波。
•RI(Ring Indicator):响铃指示引脚,DCE通过该引脚告诉DTE电话线上是否有来电。
根据以上信号引脚的功能,RS232串口的接线图可以表示如下: DTE DCE___________ ___________| | | || TD |------->| RD ||___________| |___________|Transmit Data Receive Data___________ ___________| | | || RD |<-------| TD ||___________| |___________|Receive Data Transmit Data___________ ___________| | | || RTS |------->| CTS ||___________| |___________|Request to Send Clear to Send___________ ___________| | | || CTS |<-------| RTS ||___________| |___________|Clear to Send Request to Send___________ ___________| | | || DTR |------->| DSR ||___________| |___________|Data Terminal Ready Data Set Ready___________ ___________| | | || DSR |<-------| DTR ||___________| |___________|Data Set Ready Data Terminal Ready___________ ___________| | | || SG |------->| SG ||___________| |___________|Signal Ground Signal Ground___________ ___________| | | || CD |<-------| CD ||___________| |___________|Carrier Detect Carrier Detect___________ ___________| | | || RI |<-------| RI ||___________| |___________|Ring Indicator Ring Indicator总结RS232串口是一种广泛应用于串行通信中的标准,它使用9个引脚进行数据传输,并定义了DTE和DCE之间的物理连接。
RS232通信线制作1.确定通信线的类型:RS232通信线有两种类型,分别为直接线和交叉线。
直接线用于将计算机的发送引脚连接到外部设备的接收引脚,同时将计算机的接收引脚连接到外部设备的发送引脚。
交叉线则相反,将计算机的发送引脚连接到外部设备的发送引脚,将计算机的接收引脚连接到外部设备的接收引脚。
确定所需的通信线类型后,可以继续下一步。
2.准备所需的材料和工具:制作RS232通信线需要一对DB9串口连接器,一根RS232线材,剥线钳,一个测试仪器(如数字万用表),焊锡和焊锡锤。
3.连接线材和DB9连接器:打开RS232线材,并根据所需的通信线类型,将线材的一端连接到DB9连接器的相应引脚上。
具体来说,将信号引脚连接到螺丝接口上,将地线引脚连接到金属接口上。
然后用剥线钳剥开线材的另一端,以便将其连接到另一个DB9连接器上。
4.焊接连接器:通过使用焊锡和焊锡锤,将线材固定到DB9连接器上。
确保焊接过程中不要让焊锡触碰到其他引脚或连接器上的部件。
5.测试连接器:使用测试仪器检查RS232通信线的连接是否正确。
确保每个引脚都与正确的线材连接,没有短路或断路。
如果测试结果不正确,检查焊接是否正确,并重新焊接线材。
6.终端连接:完成连接器的焊接和测试后,RS232通信线已准备好使用。
将其中一个连接器插入计算机的串行端口,将另一个连接器插入外部设备的串行端口。
注意事项:1.在焊接过程中,务必小心操作,并遵守安全操作。
焊接时要佩戴适当的安全手套和护目镜,以防止受伤。
2.在制作RS232通信线之前,确保详细阅读相关的RS232通信协议和设备的规格说明书。
3.熟悉DB9连接器的引脚说明,确保正确连接线材。
4.在测试连接器之前,确保测试仪器正常工作,并正确连接到连接器的引脚上。
总结:制作RS232通信线需要一定的技术和专业知识。
遵循正确的步骤,并小心操作,可以确保制作出可靠和有效的RS232通信线。
如果缺乏必要的技术知识,建议请专业人士代为制作,以确保通信线的质量和性能。
rs232c串口接线图RS-232,RS表示EIA的“推荐标准”,232为标准编号。
RS-232C定义了数据终端设备(DTE)与数据通信设备(DCE)之间的物理接口标准(如图1所示)。
接口标准包括机械特性、功能特性和电气特性几方面内容。
(1)机械特性RS-232C接口规定使用25针连接器,连接器的尺寸及每个插针的排列位置都有明确的定义。
在一般的应用中并不一定用到RS-232C标准的全部信号线,连接器引脚定义如图1所示。
(a)DB-25(阳头)(b)DB-9(阳头)图通信连接器引脚定义(2)功能特性RS-232C接口的主要信号线功能定义如表1所示。
表1 RS-232C标准接口主要引脚定义注:再表1中,插针序号()内为9针非标准连接器的引脚号。
(3)电气特性RS-232C采用负逻辑电平,规定DC(-3~-15V)为逻辑1,DC(+3~+15V)为逻辑0。
-3~+3V为过渡区,不作定义。
RS-232C发送方和接收方之间的信号线采用多芯信号线,要求多芯信号线的总负载电容不能超过250pF。
通常RS-232C的传输距离为几十米,传输速率小于20Kbps。
(4)过程特性过程特性规定了信号之间的时序关系,以便正确地接收和发送数据。
如果通信双方均具备RS-232C接口,则二者可以直接连接,不必考虑电平转换问题。
但是对于单片机与计算机通过RS-232C的连接,则必须考虑电平转换问题,因为80C51系列单片机串行口不是标准RS-232C接口。
远程通信RS-232C总线连接,如图2所示。
图2 远程RS-232C通信连接方式近程通信时(通信距离≤15m),可以不使用调制解调器,其连接如图2所示。
(5)RS-232C电平与TTL电平转换驱动电路如上所述,80C51单片机串行接口与PC机的RS-232C接口不能直接对接,必须进行电平转换,MAX232芯片是MAXIM公司生产的,包含两路接收器和驱动器的IC芯片,且仅需要单一电源+5 V,片内有2个发送器,2个接收器,使用比较方便。
串口通信基本接线方法龚建伟2001.6.20目次:1.DB9和DB25的常用信号脚说明2.RS232C串口通信接线方法3.串口调试中要注意的几点目前较为常用的串口有9针串口(DB9)和25针串口(DB25),通信距离较近时(<12m),可以用电缆线直接连接标准RS232端口(RS422,RS485较远),若距离较远,需附加调制解调器(MODEM)。
最为简单且常用的是三线制接法,即地、接收数据和发送数据三脚相连,本文只涉及到最为基本的接法,且直接用RS232相连,以回答前段网友的咨询。
1.DB9和DB25的常用信号脚说明2.RS232C串口通信接线方法(三线制)首先,串口传输数据只要有接收数据针脚和发送针脚就能实现:同一个串口的接收脚和发送脚直接用线相连,两个串口相连或一个串口和多个串口相连∙同一个串口的接收脚和发送脚直接用线相连对9针串口和25针串口,均是2与3直接相连;∙两个不同串口(不论是同一台计算机的两个串口或分别是不同计算机的串口)上面表格是对微机标准串行口而言的,还有许多非标准设备,如接收GPS数据或电子罗盘数据,只要记住一个原则:接收数据针脚(或线)与发送数据针脚(或线)相连,彼些交叉,信号地对应相接,就能百战百胜。
3.串口调试中要注意的几点:∙不同编码机制不能混接,如RS232C不能直接与RS422接口相连,市面上专门的各种转换器卖,必须通过转换器才能连接;∙线路焊接要牢固,不然程序没问题,却因为接线问题误事;∙串口调试时,准备一个好用的调试工具,如串口调试助手、串口精灵等,有事半功倍之效果;∙强烈建议不要带电插拨串口,插拨时至少有一端是断电的,否则串口易损坏。
几种串行通信接口标准在数据通信、计算机网络以及分布式工业控制系统中,经常采用串行通信来交换数据和信息。
1969年,美国电子工业协会(EIA)公布了RS-232C作为串行通信接口的电气标准,该标准定义了数据终端设备(DTE)和数据通信设备(DCE)间按位串行传输的接口信息,合理安排了接口的电气信号和机械要求,在世界范围内得到了广泛的应用。
电脑9针RS232直连串口延长线制作方法
----2014年07月23日
?一、?配件及工具?
1.购买两个的DP9头(一个公头,一个母头,这个根据需要插上的接口所决定的)
2.电烙铁一把、焊锡若干
3.三条普通导线
4.目的:制作成电脑9针RS232直连串口延长线
3.工业成品的9针RS232直连串口延长线
?五、?扩展说明
在实际应用中,9针RS232串口线通常是用在计算机与外围设备的通信,多用于工控和测量设备以及部分通信设备中。
如三菱plc梯形图下载以及工控触摸屏画面下载等。
通常在9针的基础再进行简化,只用其中的2、3、5三个管脚进行通信。
这三个管脚分别是接收线、发送线和地线,在一般情况下即可满足通讯的要求。
通常进行串口数据通信,需要使用到RS232交叉串口线,如下图所示,其中2、3两脚是交叉互联的,这很容易理解,因为一个设备的发送线必须联接到另外一台设备的接收线上,反之亦然。
另外说明一下,232信号的有效通讯距离是15M。
RS232/RS422/RS485引脚如何?串口线应该分别如何制作,才能正确的使用RS232/RS422/RS485?Pin 信号定义RS232•RS232 (DB9)引脚定义1. DCD :载波检测。
主要用于Modem通知计算机其处于在线状态,即Modem检测到拨号音,处于在线状态。
2. RXD:此引脚用于接收外部设备送来的数据;在你使用Modem时,你会发现RXD指示灯在闪烁,说明RXD引脚上有数据进入3. TXD:此引脚将计算机的数据发送给外部设备;在你使用Modem时,你会发现TXD指示灯在闪烁,说明计算机正在通过TXD引脚发送数据。
4. DTR:数据终端就绪;当此引脚高电平时,通知Modem可以进行数据传输,计算机已经准备好。
5. GND:信号地;此位不做过多解释。
6. DSR:数据设备就绪;此引脚高电平时,通知计算机Modem已经准备好,可以进行数据通讯了。
7. RTS:请求发送;此脚由计算机来控制,用以通知Modem马上传送数据至计算机;否则,Modem将收到的数据暂时放入缓冲区中。
8. CTS: 清除发送;此脚由Modem控制,用以通知计算机将欲传的数据送至Modem。
9. RI : Modem通知计算机有呼叫进来,是否接听呼叫由计算机决定。
•232完整接法是2,3交叉,4,6交叉,7,8交叉5直连,流控方能起作用。
RS485/422RS-422 是一个差分标准,允许传送更远的距离,高输入电阻和更强的驱动能力允许总线上连接多个节点;RS-422的另外一个好处是有单独的发送和接收通道,因此不必要控制数据方向装置之间任何必须的信号交换可以按软件方式XON/XOFF握手或硬件方式一对单独的双绞线实现。
RS422使用二对特性阻抗为120~150欧姆屏蔽双绞线,通信距离与RS485基本一致。
RS-485 的驱动器可以用在RS-422的应用中,因为RS-485满足所有的RS-422规范,反之则不成立。
rs232 串口接线图rs-232 是现在主流的串行通信接口之一,是个人计算机上的通讯接口之一,由电子工业协会(Electronic Industries AssociaTIon,EIA)所制定的异步传输标准接口。
通常rs-232 接口以9 个引脚(DB-9)或是25 个引脚(DB-25)的型态出现,一般个人计算机上会有两组rs-232 接口,分别称为COM1 和COM2。
rs232 缺陷由于rs232 接口标准出现较早,难免有不足之处,主要有以下四点:(1)接口的信号电平值较高,易损坏接口电路的芯片。
rs232 接口任何一条信号线的电压均为负逻辑关系。
即:逻辑1 为-3 -15V;逻辑0:+3 +15V ,噪声容限为2V。
即要求接收器能识别高于+3V 的信号作为逻辑0,低于-3V 的信号作为逻辑1,TTL 电平为5V 为逻辑正,0 为逻辑负。
与TTL 电平不兼容故需使用电平转换电路方能与TTL 电路连接。
(2)传输速率较低,在异步传输时,比特率为20Kbps;因此在51CPLD 开发板中,综合程序波特率只能采用19200,也是这个原因。
(3)接口使用一根信号线和一根信号返回线而构成共地的传输形式,这种共地传输容易产生共模干扰,所以抗噪声干扰性弱。
(4)传输距离有限,最大传输距离标准值为50 英尺,实际上也只能用在15 米左右。
rs232 串口接线图目前较为常用的串口有9 针串口(DB9)和25 针串口(DB25),通信距离较近时(《12m),可以用电缆线直接连接标准rs232 端口(rs422,rs485 较远),若距离较远,需附加调制解调器(MODEM)。
最为简单且常用的是三线制接法,即地、接收数据和发送数据三脚相连,本文只涉及到最为基本的接法,且直接用rs232 相连。
rs232 串口通信接线方法(三线制)首先,串口传输数据只要有接收数据针脚和发送针脚就能实现:同一个串口的接收脚和发送脚直接用线相连,两个串口相连或一个串口和多个串口相连1、同一个串口的接收脚和发送脚直接用线相连对9 针串口和25 针串口,均是2 与3 直接相连;2、两个不同串口(不论是同一台计算机的两个串口或分别是不同计算机的串口)上面表格是对微机标准串行口而言的,还有许多非标准设备,如接收GPS 数据或电子罗盘数据,只要记住一个原则:接收数据针脚(或线)与发送数据针脚(或线)相连,彼些交叉,信号地对应相接。
如何制作串⼝线RS-232接⼝⼜称之为RS-232⼝、串⼝、异步⼝或COM(通信)⼝。
"RS-232"是其最明确的名称。
在计算机世界中,⼤量的接⼝是使⽤串⼝进⾏数据连接的,连接的硬体就是RS-232九芯电缆。
要制作RS-232串⼝线⾸先要了解RS-232串⼝的引脚说明。
RS-232串⼝分为9针串⼝(俗称:公头)和9孔串⼝(俗称:母头)。
各⾃的引脚说明:1.RS-232端⼝(DB9母头/孔型)引脚定义:(因为计算机后⾯的串⼝多为公头,所以此母头可以直接插⼊计算机的COM⼝进⾏连接)引脚序号:2 3 5信号定义:TXD RXD 地2.RS-232端⼝(DB9公头/针型)引脚定义:引脚序号:2 3 5信号定义:RXD TXD 地了解了RS-232端⼝公头和母头的引脚标准,制作数据线就变的相当简单,从上图可以注意到公头和母头的收发数据端的引脚刚好相反。
注意这⼀点后,串⼝数据线的制作如下:1:公头和公头的接法:(不同计算机之间的COM⼝就是这种接法)COM1公头2——数据线母头2——数据线母头3——COM2公头33——数据线母头3——数据线母头2——COM2公头25——数据线母头5——数据线母头5——COM2公头5由上述数据流向可见:连接两计算机COM⼝的数据线两头都是母头,且内部引脚进⾏了交叉。
数据线连接的结果使得外部的两个计算机COM⼝数据引脚也进⾏了交叉:即:⼆三交叉,五五相连。
这样就实现了两台计算机之间的COM⼝进⾏异步全双⼯的串⼝通信⽅式。
2:公头和母头的接法:(有些实验开发板的串⼝接⼝⽤的是母头,这种连接⽅法⼀般⽤于计算机COM⼝与其他外部设备相连的⼀种接法。
)计算机COM1公头 2——数据线母头2——数据线公头2——开发板COM2母头23——数据线母头3——数据线公头3——开发板COM2母头35——数据线母头5——数据线公头5——开发板COM2母头5从数据线接法可以可以看出,数据线内部引脚没有进⾏交叉,这是因为母头和公头的本⾝的引脚功能是相对的,所以不需要进⾏交叉。
电脑9针RS232直连串口延长线制作方法
----2014年07月23日
一、配件及工具
1.购买两个的DP9头(一个公头,一个母头,这个根据需要插上的接口所决定的)
2. 电烙铁一把、焊锡若干
3. 三条普通导线
4. 目的:制作成电脑9针RS232直连串口延长线
5. 功能:延长9针RS232串口接口
二、串口DP9头针脚顺序辨别
1. 九针母头端子针脚顺序图
2. 九针公头端子针脚顺序图
说明:可以仔细查看引脚左方的数字标注,表示对应的引脚标号。
三、直连串口连接方法
1.9针对9针串口直连连接方法
9针公头端9针母头端名称
1 悬空载波检测(DCD)
2 2 接受数据(RXD)
3 3 发出数据(TXD)
4 悬空数据终端准备好(DTR)
5 5 信号地线(SGND)
6 悬空数据准备好(DSR)
7 悬空请求发送(RTS)
8 悬空清除发送(CTS)
9 悬空振铃指示(RI)
说明:绿色接2脚,橙色接3脚,白绿接5脚
四、直连串口连接成品展示
1.迷你型的9针RS232直连串口延长线
2.普通型的9针RS232直连串口延长线
3.工业成品的9针RS232直连串口延长线
五、扩展说明
在实际应用中,9针RS232串口线通常是用在计算机与外围设备的通信,多用于工控和测量设备以及部分通信设备中。
如三菱plc梯形图下载以及工控触摸屏画面下载等。
通常在9针的基础再进行简化,只用其中的2、3、5三个管脚进行通信。
这三个管脚分别是接收线、发送线和地线,在一般情况下即可满足通讯的要求。
通常进行串口数据通信,需要使用到RS232交叉串口线,如下图所示,其中2、3两脚是交叉互联的,这很容易理解,因为一个设备的发送线必须联接到另外一台设备的接收线上,反之亦然。
另外说明一下,232信号的有效通讯距离是15M。