船舶稳性计算(中)教程文件
- 格式:xls
- 大小:22.00 KB
- 文档页数:1
船舶初稳性高度计算一、计算初始稳性力矩:1. 确定负载线(Load Line):根据船舶的装载性质和状况,确定船舶的负载线位于船舶的多少米以下。
负载线可以通过船舶登记证书或者船舶建造图纸来确定。
2.确定艏舱口的高度:通过测量或者船舶建造图纸,确定船头部分(艏舱口)的高度。
3.确定船舶负载条件:根据船舶装载情况,确定船舶的轻载条件和满载条件。
轻载条件下,将轻载的货物和物资负载在船舶上,满载条件下,将满载的货物和物资负载在船舶上。
4.确定船舶的垂心高度:根据船舶建造图纸或者测量,确定船舶的垂心高度。
5.确定船舶的初始稳性力矩:根据公式M=V*GZ,计算船舶的初始稳性力矩。
其中,V表示船舶的排水量,可以根据船舶建造图纸或者测量得到;GZ表示初始稳性力矩曲线的纵坐标值,可以通过船舶建造图纸或者船舶稳性书来查找得到,或者通过模型试验来测量得到。
二、计算初始上曲力:1.确定初始上曲力的初始高度:根据船舶的装载情况,确定初始上曲力的高度。
初始上曲力通常是在船舶最高处,例如烟囱顶部或者天线桅杆顶部。
2.确定初始上曲力力臂:根据船舶建造图纸或者测量,确定初始上曲力力臂的长度。
3.确定初始上曲力大小:根据公式F=M/R,计算初始上曲力的大小。
其中,M表示初始稳性力矩,可以通过上一步计算得到;R表示初始上曲力力臂的长度。
三、计算船舶的初稳性高度:船舶的初稳性高度可以通过下面的公式计算得到:H=V*(GZ-F)/F其中,H表示船舶的初稳性高度;V表示船舶的排水量;GZ表示初始稳性力矩曲线的纵坐标值;F表示初始上曲力的大小。
通过以上的计算步骤,就可以确定船舶的初稳性高度。
初稳性高度的计算对于船舶的安全和稳定至关重要。
船舶的初稳性高度一般应该保持在一定的范围内,以确保船舶在不同的负载条件下都能够保持稳定。
船舶运营者可以根据实际情况和船舶建造图纸来计算船舶的初稳性高度,并根据计算结果来调整船舶的装载情况,以确保船舶的安全和稳定。
船舶稳性和吃水差计算船舶稳性和吃水差计算Ship stability and trim calculations1.总则General rules保证船舶稳性和强度在任何时候都保持在船级社认可的稳性计算书规定范围内,防止因受载不当,产生应力集中造成船体结构永久性变形或损伤。
Ensure stability and strength of the ship at all times to maintain stability within stability calculations approved by the classification societies in order to prevent due to load improperly resulting in stress concentration which will cause the ship structure permanent deformation or subversion.2.适用范围Sphere of application公司所属和代管船舶的稳性、强度要求To satisfy the requirement of company owned and managed ships stability and strength3.责任Responsibility3.1.大副根据本船《装载手册》或《稳性计算手册》等法定装载资料,负责合理配载或对相关部门提供的预配方案进行核算,确保船舶稳性及强度处于安全允许值范围。
Based on the ship "loading manual" or "stability calculations manual" and other legal loading information, the chief officer is responsible for making reasonable stowage plan or adjust accounts of the pre plan from relevant departments to ensure stability and strength of the ship in a safe range of allowed values.3.2.船长负责审批大副确认的配载方案和稳性计算。
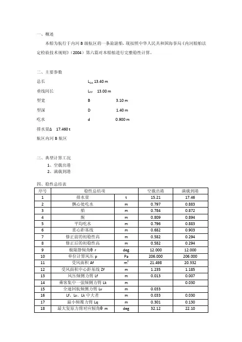
一、概述本船为航行于内河B级航区的一条旅游船。
现按照中华人民共和国海事局《内河船舶法定检验技术规则》(2004)第六篇对本船舶进行完整稳性计算。
二、主要参数总长L OA 13.40 m垂线间长L PP13.00 m型宽 B 3.10 m型深 D 1.40 m吃水 d 0.900 m排水量∆17.460 t航区内河B航区三、典型计算工况1、空载出港2、满载到港四、稳性总结表五、受风面积A及中心高度Z六、旅客集中一弦倾侧力矩L KL K=1∆1−n5lb=0.030 mn lb =1.400<2.5,取nlb=1.400式中:C—系数,C=0.013lbN=0.009<0.013,取C=0.013 n—各活动处所的相当载客人数,按下式计算并取整数n=NSbl=28.000S—全船供乘客活动的总面积,m2,按下式计算:S=bl=20.000 m2 b—乘客可移动的横向最大距离,b=2.000 m;l—乘客可移动的横向最大距离,b=2.000 m。
七、全速回航倾侧力矩L VL V=0.045V m2L SKG−a2+a3F r d KN−m式中:Fr—船边付氏数,F r=V m9.81L;Ls—所核算状态下的船舶水线长,m;d—所核算状态下的船舶型吃水,m;∆—所核算状态下的船舶型排水量,m2;KG—所核算状态下的船舶重心至基线的垂向高,m;Vm—船舶最大航速,m/s;a3—修正系数,按下式计算;a3=25F r−9当a3<0,取a3=0;当a3>1时,取a3=1;a2—修正系数,按下式计算;a2=0.9(4.0−Bs/d)当Bs/d<3.5时,取Bs/d=3.5;当Bs/d>4.0时,取Bs/d=4.0;其中:Bs—所核算状态下船舶的最大水线宽度;八、横摇周期及横摇角的计算。
船舶静力学计算及稳性衡准系统 V4.2(201208)* * * * * * * * * * * * * * * ** * * * * * * * * * * * * * * * ** ** *船舶完整稳性计算书* ** ** * * * * * * * * * * * * * * * ** * * * * * * * * * * * * * * *船名:数据库名:图纸号:委托单位:计算标识:补充资料计算单位:计算签名:审核签名:批准签名:计算日期:船舶稳性计算书CALCULTION ON STABILITY一概述1选用规范 :2011年《内河船舶法定检验技术规则》(以下简称《规则》)2船舶种类 :干货船3航区 :B级航区4主要要素 :船长L--------------------34.000m垂线间长Lp--------------------33.000m型宽B-------------------- 6.900m型深D-------------------- 1.550m设计吃水T-------------------- 1.200m横移倾侧力矩Mh------------------931.000 kN.m定位桩倾侧力矩 Md------------------0.000 kN.m吊臂舷伸倾侧力矩 Mx-----------------0.000 kN.m排泥倾侧力矩Mp------------------0.000 kN.m舭龙骨面积Ab--------------------0.000m^2水的重量密度r-------------------- 1.000 t/m^3船型特征TYPE--------------------常规船型5计算说明 :本计算书用浮态方程计算(WH03018)进水位置极限静倾位置项目垂向坐标纵向坐标横向坐标垂向坐标纵向坐标横向坐标单位(m)(m)(m)(m)(m)(m)位置1 1.9250.000 2.240 1.5400.000 2.800位置2 1.904-9.982 1.9600.0700.000-2.7446结论 :本船完整稳性满足《规则》要求二使用说明1稳性计算书中所取的装载情况是船舶设计的基本情况,若船舶在营运中的实际装载超过稳性计算书中的基本情况时,应在船舶出航前核算稳性,以保证船舶的航行安全.2船舶稳性不符合规范要求而必须采用永久性水压载时,须征得用船单位和验船部门的同意,并采取有效措施,以保证压载的可靠性.3稳性计算虽已符合规范要求,但船长仍应注意船舶装载,气象和水文情况,并谨慎驾驶.4船舶开航前,船长应检查船舶的浮态,使其尽可能保持正浮,初始横倾角应不超过0.5deg.5在使用最大许用重心高度曲线(没有计入自由液面影响)来判断船舶稳性是否满足规范要求时,应根据具体装载情况计入自由液面影响.三 船舶稳性总结表49 完整稳性衡准结论 满 足 满 足 满 足 满 足四 最大许用重心高度曲线 ( 没有计入自由液面影响 单位: m )∑ 最大许用重心高度曲线 6.5155.946 5.5665.199 4.91916 最大复原力臂要求值 mlmk ----- ----- ----- ----- 序号 项目 单 位 符号与公式 满备品,挖掘机 备品10%,挖掘 满备品,挖掘机 备品10%,挖掘从艏端进入 机从艏端进入 从艉端进入 机从艉端进入1 排 水 量t △ 183.190 179.158 183.190 179.158 22222222255.940 2 吃水 m d 0.7392 0.7252 0.7301 0.7168 3 艏 吃 水 m Tf 0.8596 0.8876 0.5929 0.6209 4 艉 吃 水 m Ta 0.6188 0.5628 0.8673 0.8127 5 重心垂向坐标m KG 1.3972 1.3895 1.3972 1.3895 6 初稳性高度(未修正) m GMo 2.5361 2.5984 2.5578 2.6264 7 初稳性高度(修正后) mGM1 2.5319 2.5949 2.5543 2.6229 8 进 水 角degQj 21.2926 21.7742 20.8726 21.7819 9极限静倾角deg Qr 8.000 8.000 8.000 8.000 10 基本初稳性要求值 mGMk ----- ----- ----- ----- 11 初稳性衡准数 Kh ----- ----- ----- ----- 12 最大复原力臂对应角 degQm 18.976 19.189 18.883 18.970 13 最大力臂对应角要求值 deg Qmk ----- ----- ----- ----- 14 最大力臂对应角衡准数 Klm ----- ----- ----- ----- 15 最大复原力臂m lm 0.5264 0.5315 0.5252 0.5418 12 避风初稳性衡准要求8.6037.637 6.8856.274 5.748 17 最大复原力臂衡准数 Kl ----- ----- ----- ----- 18 进水角对应复原力臂 m lj 0.5132 0.5170 0.5147 0.5241 19 复原力臂要求值 m lk ----- ----- ----- ----- 20 复原力臂衡准数 Klu ----- ----- ----- ----- 21 稳性面积(实取) rad.m ldu 0.0884 0.0923 0.0885 0.0926 22 稳性面积要求值 rad.mAd 0.0327 0.0327 0.0327 0.0327 23 稳性面积衡准数 Kldo 1.889 1.973 1.892 1.978 24 消 失 角deg Qv 44.365 44.740 44.210 44.775 25 消失角要求值 Qvk ----- ----- ----- ----- 26 消失角衡准数Kv ----- ----- ----- ----- 27 进水角要求值 Qjk ----- ----- ----- ----- 28 进水角衡准数 Koj ----- ----- ----- ----- 29 横 摇 角degQ1 6.874 6.874 6.865 6.871 30 最小倾覆力臂 m lq 0.191 0.2002 0.1858 0.2050 31 最小倾覆力臂mlqo 0.3740 0.3829 0.3713 0.3903 32 风压倾侧力臂 m lf ----- ----- ----- ----- 33 风压稳性衡准数 K ----- ----- ----- ----- 34 水流倾侧力臂m lj ----- ----- ----- ----- 35 急流稳性衡准数 Kj ----- ----- ----- ----- 36 回航倾侧力矩 kN.m Mr ----- ----- ----- ----- 37 回航静倾角计算值 deg Qrk ----- ----- ----- ----- 38 回航静倾角衡准数 Kor ----- ----- ----- ----- 39 风压倾侧力矩(作业) kN.m Mf 22.285 22.631 22.509 22.838 40 极限静倾角(作业) degQr 8.000 8.000 8.000 8.000 41 作业初稳性要求值 m GMtk1 ----- ----- ----- ----- 42 作业初稳性衡准数 Kht1 ----- ----- ----- ----- 43 作业初稳性要求值 mGMtk2 ----- ----- ----- ----- 44 作业初稳性衡准数 Kht2 ----- ----- ----- ----- 45 风压倾侧力矩(避风) kN.m Mf 84.331 85.637 85.176 86.425 46 极限静倾角(避风) deg Qr 8.000 8.000 8.000 8.000 47 避风初稳性要求值 mGMpk 0.234 0.243 0.236 0.245 48 避风初稳性衡准数 Khp 7.564 7.465 7.553 7.476 序号 项 目\排水量 (t) 125.000 150.000 175.000 200.000 225.000 1 风压稳性衡准要求8.4677.593 6.9006.336 5.883 2 急流稳性衡准要求---------- ---------- ----- 3 最大力臂对应角衡准要求 ---------- ---------- ----- 4 最大复原力臂衡准要求 ---------- ---------- ----- 5 复原力臂衡准要求---------- ---------- ----- 6 稳性面积衡准要求6.5155.946 5.5665.199 4.919 7 消失角衡准要求 ---------- ---------- ----- 8 初稳性衡准要求 9.7308.283 7.2526.480 5.880 9 回航静倾角衡准要求---------- ---------- ----- 10 作业初稳性衡准要求 1---------- ---------- ----- 11 作业初稳性衡准要求 2---------- ---------- -----序号项目\排水量 (t)250.000275.000300.000325.000350.000 1风压稳性衡准要求 5.514 5.204 4.929 4.673 4.4322急流稳性衡准要求-------------------------3最大力臂对应角衡准要求-------------------------4最大复原力臂衡准要求-------------------------5复原力臂衡准要求-------------------------6稳性面积衡准要求 4.688 4.414 4.130 3.847 3.5627消失角衡准要求-------------------------8初稳性衡准要求 5.407 5.026 4.714 4.455 4.2429回航静倾角衡准要求-------------------------10作业初稳性衡准要求 1-------------------------11作业初稳性衡准要求 2-------------------------12避风初稳性衡准要求 5.344 5.020 4.753 4.531 4.349∑最大许用重心高度曲线 4.688 4.414 4.130 3.847 3.562序号项目\排水量 (t)375.000400.000425.000450.000475.0001风压稳性衡准要求 4.211 4.021 3.834 3.662 3.4822急流稳性衡准要求-------------------------3最大力臂对应角衡准要求-------------------------4最大复原力臂衡准要求-------------------------5复原力臂衡准要求-------------------------6稳性面积衡准要求 3.264 2.988 2.720 2.451 1.9607消失角衡准要求-------------------------8初稳性衡准要求 4.062 3.907 3.772 3.658 3.5599回航静倾角衡准要求-------------------------10作业初稳性衡准要求 1-------------------------11作业初稳性衡准要求 2-------------------------12避风初稳性衡准要求 4.195 4.047 3.910 3.788 3.674∑最大许用重心高度曲线 3.264 2.988 2.720 2.451 1.960五受风面积计算侧投影面积形心高度序号项目面积满实系数流线系数受风面积垂向坐标面积矩修正系数(m^2)(m^2)(m)(m^3)1甲板室17.892 1.000 1.00017.892 3.09479.08 1.0002货舱围板11.620 1.000 1.00011.620 2.02333.57 1.0003主甲板至水线(1)32.692 1.20256.16 1.0004主甲板至水线(2)33.189 1.19556.69 1.0005主甲板至水线(3)33.014 1.19856.51 1.0006主甲板至水线(4)33.488 1.19157.00 1.000----------------------------------------------------------------------------------------------1满备品,挖掘机从艏端进入862.204 1.899 168.83 1.0002备品10%,挖掘机从艏端进入 62.701 1.890169.35 1.0003满备品,挖掘机从艉端进入62.5268 1.894 169.17 1.0004备品10%,挖掘机从艉端进入 63.000 1.885169.66 1.000----------------------------------------------------------------------------------------------满备品,挖掘机从艏端进入∑ = (1)+(2)+(3)备品10%,挖掘机从艏端进入∑ = (1)+(2)+(4)满备品,挖掘机从艉端进入∑ = (1)+(2)+(5)备品10%,挖掘机从艉端进入∑ = (1)+(2)+(6)六自由液面修正计算1. 舱柜尺寸序号舱名舱类说明体积长度宽度高度密度载量系数惯性矩横倾力矩(30)(m^3)(m)(m)(m)(t/m^3)(m^4)(kN.m)1艉压载舱单舱18.55 1.400 2.765 1.442 1.0000.3507.2184.18X 2燃油舱舱组 2.45 1.050 1.225 1.400 1.0000.3500.91 2.91 X2. 初稳性高度修正计算序号舱名舱类说明惯性矩满备品,挖掘机备品10%,挖掘满备品,挖掘机备品10%,挖掘从艏端进入机从艏端进入从艉端进入机从艉端进入1艉压载舱单舱7.21-------------------- 2燃油舱舱组 0.910.0040.0040.0040.004 ---------------------------------------------------------------------------------------------------------- 对初稳性高度修正( m )0.0040.0040.0040.004七各种装载稳性计算装载序号 :1载况名称 : 满备品,挖掘机从艏端进入载况附加说明 : 作业和避风状态______________________________________________________________________________________________ 1. 重量重心计算垂向坐标纵向坐标横向坐标序号项目重量力臂重量矩力臂重量矩力臂重量矩(t)(m)(t.m)(m)(t.m)(m)(t.m)1空船80.000 1.03691.16-0.203-17.860.0000.002船员及行李0.300 3.2000.96-9.940-2.9820.0000.003备品0.400 2.3800.95-10.010-4.000.0000.00 4日用水柜 1.000 3.780 3.78-10.850-10.850.0000.005燃油 5.000 1.260 6.30 -10.150-50.750.0000.006工程备品150.000 1.372205.80-0.0700-10.50.0000.007挖掘机艏端进入20.000 2.98959.78 8.750175.00 4.72594.50 满备品,挖掘机183.190 1.397365.630.30078.650.36194.50 从艏端进入2. 浮态和初稳性高度水线船长Lw-------------24.929m初始横倾角Qo--------- 5.796 deg水线船宽Bs------------- 6.900m进水角Qj---------21.292 deg吃水d-------------0.739m极限静倾角Qr---------8.000 deg艏吃水Tf-------------0.859m初稳性高度(未修正)GMo----- 2.536m艉吃水Ta-------------0.618m自由液面修正量△GM-----0.003m最小干舷F-------------0.800m初稳性高度(修正后)GM1----- 2.531m受风面积Af-------------62.204 m^2面积形心垂向坐标Zf----- 1.899m方型系数Cb-------------0.598进水位置-------------位置 13. 复原力臂曲线角度复原力臂(未修正)自由液面修正值复原力臂(修正后)动稳性力臂(deg)( m )( m )( m )(m.rad)0.00-0.36100.0000-0.36100.00005.00-0.14470.0002-0.1449-0.022110.000.07770.00030.0773-0.250615.000.29910.00040.2986-0.008220.000.46180.00070.46110.025625.000.52160.00090.52070.068930.000.51680.00110.51560.114435.000.47780.00140.47650.157940.000.41710.00160.41540.196945.000.34240.00210.34040.328550.000.36680.00360.36310.229955.000.25670.00250.25410.255960.000.06980.00320.06650.284265.00-0.02860.0035-0.03210.285670.00-0.12840.0036-0.1321 0.278575.00-0.22840.0037-0.23220.262680.00-0.32750.0038-0.3313 0.23804. 初稳性高度和复原力臂曲线的衡准计算初稳性高度(修正后)GM1----- 2.531m进水角Qj-------21.292 deg基本初稳性要求值GMk----------m进水角对应复原力臂 lj-----0.5132m初稳性衡准数Kh----------进水角对应稳性面积 Adj -----0.1182 rad.m最大复原力臂对应角 Qm-----18.976 deg最大复原力臂lm-------0.5264m最大力臂对应角要求值Qmk---------- deg最大复原力臂要求值lmk----------m最大力臂对应角衡准数Klm----------最大复原力臂衡准数 Kl----------消失角Qv-----44.365 deg稳性面积(实取)ldu-----0.0884 rad.m 消失角要求值Qvk---------- deg稳性面积要求值Ad-----0.0327 rad.m消失角衡准数Kv----------稳性面积衡准数Kldo----- 1.8895. 稳性衡准数计算横摇自摇周期To------- 3.17s系数C1-------0.1154系数 (实取)C2-------0.4909系数 (实取)C3-------0.0191系数C4------- 1.0000横摇角Q1------- 6.874 deg进水角Qj-------21.292 deg进水角对应动稳性力臂ldj-----0.1182 rad.m 极限动倾角(不计横摇)Qdm-----28.497 deg极限动倾角对应动力臂ldm-----0.2019 rad.m 横倾角(实取)Qu-------21.292 deg最小倾覆力臂lqo-------0.3740m横摇幅度Qp-------12.670 deg横摇幅度对应动稳性力臂ldp---0.0116 rad.m 极限动倾角(计横摇)Qdm-----34.270 deg极限动倾角对应动力臂ldm---0.2511 rad.m 横倾角(实取)Qu-------321.292 deg最小倾覆力臂lq-------0.1911m 受风面积Af-------62.204 m^2面积形心垂向坐标 Zf------- 1.899m 系数ao-------0.450单位计算风压值P------------Pa风压倾侧力臂lf------------m风压稳性衡准数Kf------------单位计算风压值(作业)P----- 123.200Pa单位计算风压值(避风)P----- 466.200Pa风压倾侧力矩(作业) Mf----22.285 kN.m风压倾侧力矩(避风) Mf----84.331 kN.m极限静倾角(作业)Qr-----8.000 deg极限静倾角(避风)Qr-----8.000 deg作业初稳性要求值GMtk1----------m避风初稳性要求值 GMpk-----0.335m作业初稳性衡准数 Kht1----------避风初稳性衡准数Khp-----7.56426. 结论 :完整稳性满足《规则》要求装载序号 :2载况名称 : 备品10%,挖掘机从艏端进入载况附加说明 : 作业和避风状态______________________________________________________________________________________________ 1. 重量重心计算垂向坐标纵向坐标横向坐标序号项目重量力臂重量矩力臂重量矩力臂重量矩(t)(m)(t.m)(m)(t.m)(m)(t.m)1空船80.000 1.480125.80-0.290-24.650.0000.002船员及行李0.300 4.600 1.38-14.200-4.260.0000.003备品10%0.040 3.3000.13-14.300-0.570.0000.004日用水柜10%0.100 5.1000.51-15.500-1.550.0000.005燃油10%0.500 1.6000.80-14.500-7.250.0000.006工程备品150.000 1.960294.00-0.100-15.000.0000.007挖掘机艏端进入20.000 4.27085.4012.500250.00 6.750135.00 备品10%,挖掘255.940 1.985508.020.769196.720.527135.00机从艏端进入2. 浮态和初稳性高度水线船长Lw-------------34.000m初始横倾角Qo---------8.247 deg水线船宽Bs------------- 6.900m进水角Qj---------31.106 deg吃水d-------------0.700m极限静倾角Qr---------8.000 deg艏吃水Tf-------------0.750m初稳性高度(未修正)GMo----- 3.712m艉吃水Ta-------------0.650m自由液面修正量△GM-----0.005m最小干舷F------------- 1.164m初稳性高度(修正后)GM1----- 3.707m受风面积Af-------------89.574 m^2面积形心垂向坐标Zf----- 2.701m方型系数Cb-------------0.854进水位置-------------位置 13. 复原力臂曲线角度复原力臂(未修正)自由液面修正值复原力臂(修正后)动稳性力臂(deg)( m )( m )( m )(m.rad)0.00-0.52740.0000-0.52740.00005.00-0.21000.0002-0.2102-0.032210.000.11580.00050.1153-0.036415.000.43690.00080.4362-0.011620.000.66680.00100.66570.037525.000.75080.00130.74950.099930.000.74960.00170.74800.165635.000.69570.00200.69370.228740.000.61060.00250.60810.285745.000.50240.00300.49930.334150.000.38200.00370.37830.372555.000.25190.00430.24750.399860.000.11520.00480.11040.415565.00-0.02570.0051-0.03080.418970.00-0.16870.0054-0.17400.410075.00-0.31190.0055-0.31740.388680.00-0.45400.0056-0.45960.35464. 初稳性高度和复原力臂曲线的衡准计算初稳性高度(修正后)GM1----- 3.707m进水角Qj-------31.106 deg基本初稳性要求值GMk----------m进水角对应复原力臂 lj-----0.7387m初稳性衡准数Kh----------进水角对应稳性面积 Adj -----0.1801 rad.m最大复原力臂对应角 Qm-----27.414 deg最大复原力臂lm-------0.7594m最大力臂对应角要求值Qmk---------- deg最大复原力臂要求值lmk----------m最大力臂对应角衡准数Klm----------最大复原力臂衡准数 Kl----------消失角Qv-----63.915 deg稳性面积(实取)ldu-----0.1319 rad.m 消失角要求值Qvk---------- deg稳性面积要求值Ad-----0.0468 rad.m消失角衡准数Kv----------稳性面积衡准数Kldo----- 2.8195. 稳性衡准数计算横摇自摇周期To------- 4.528s系数C1-------0.1652系数 (实取)C2-------0.7082系数 (实取)C3-------0.0277系数C4------- 1.0000横摇角Q1-------9.820 deg进水角Qj-------31.106 deg进水角对应动稳性力臂ldj-----0.1801 rad.m 极限动倾角(不计横摇)Qdm-----40.972 deg极限动倾角对应动力臂ldm-----0.2958 rad.m 横倾角(实取)Qu-------31.106 deg最小倾覆力臂lqo-------0.5471m横摇幅度Qp-------18.067 deg横摇幅度对应动稳性力臂ldp---0.0169 rad.m 极限动倾角(计横摇)Qdm-----49.263 deg极限动倾角对应动力臂ldm---0.3675 rad.m 横倾角(实取)Qu-------31.106 deg最小倾覆力臂lq-------0.2861m受风面积Af-------89.574 m^2面积形心垂向坐标 Zf------- 2.701m 系数ao-------0.628单位计算风压值P------------Pa风压倾侧力臂lf------------m风压稳性衡准数Kf------------单位计算风压值(作业)P----- 176.000Pa单位计算风压值(避风)P----- 666.000Pa风压倾侧力矩(作业) Mf----32.330 kN.m风压倾侧力矩(避风) Mf----122.339 kN.m极限静倾角(作业)Qr-----8.000 deg极限静倾角(避风)Qr-----8.000 deg作业初稳性要求值GMtk1----------m避风初稳性要求值 GMpk-----0.348m作业初稳性衡准数 Kht1----------避风初稳性衡准数Khp-----10.6656. 结论 :完整稳性满足《规则》要求装载序号 :3载况名称 : 满备品,挖掘机从艉端进入载况附加说明 : 作业和避风状态______________________________________________________________________________________________ 1. 重量重心计算垂向坐标纵向坐标横向坐标序号项目重量力臂重量矩力臂重量矩力臂重量矩(t)(m)(t.m)(m)(t.m)(m)(t.m)1空船 80.000 1.03691.16-0.203-17.860.0000.002船员及行李0.300 3.2200.96-9.940-2.980.0000.003备品0.400 2.3800.95-10.010-4.000.0000.004日用水柜 1.000 3.780 3.78-10.850-10.850.0000.005燃油 5.000 1.260 6.30-10.150-50.750.0000.006工程备品150.000 1.372205.80-0.070-10.500.0000.007挖掘机艉端进入20.000 2.98959.788.750-175.00 4.72594.50 满备品,挖掘机183.190 1.397365.63-1.036-271.340.36194.50 从艉端进入2. 浮态和初稳性高度水线船长Lw-------------34.000m初始横倾角Qo--------- 5.740 deg水线船宽Bs------------- 6.900m进水角Qj---------20.872 deg吃水d-------------0.730m极限静倾角Qr---------8.000 deg艏吃水Tf-------------0.592m初稳性高度(未修正)GMo----- 2.557m艉吃水Ta-------------0.867m自由液面修正量△GM-----0.003m最小干舷F-------------0.809m初稳性高度(修正后)GM1----- 2.554m受风面积Af-------------62.526 m^2面积形心垂向坐标Zf----- 1.894m方型系数Cb-------------0.597进水位置-------------位置 23. 复原力臂曲线角度复原力臂(未修正)自由液面修正值复原力臂(修正后)动稳性力臂(deg)( m )( m )( m )(m.rad)0.00-0.36100.0000-0.36100.00005.00-0.14230.0001-0.1425-0.022010.000.08210.00030.0818-0.024615.000.30440.00050.3039-0.007320.000.46530.00070.46460.026925.000.52120.00090.52030.070330.000.51490.00110.51380.115735.000.47420.0010.47280.158940.000.41300.00160.41130.197645.000.33750.00210.33550.230250.000.25270.00250.25010.255855.000.16160.00290.15860.273760.000.06570.00320.06240.283465.00-0.03310.0035-0.03660.284570.00-0.13320.0036-0.13690.276975.00-0.23350.0037-0.23730.260680.00-0.33290.0038-0.33680.23554. 初稳性高度和复原力臂曲线的衡准计算初稳性高度(修正后)GM1----- 2.554m进水角Qj-------20.872 deg基本初稳性要求值GMk----------m进水角对应复原力臂 lj-----0.5147m初稳性衡准数Kh----------进水角对应稳性面积 Adj -----0.114 rad.m最大复原力臂对应角 Qm-----18.883 deg最大复原力臂lm-------0.5252m最大力臂对应角要求值Qmk---------- deg最大复原力臂要求值lmk----------m最大力臂对应角衡准数Klm----------最大复原力臂衡准数 Kl----------消失角Qv-----44.210 deg稳性面积(实取)ldu-----0.0885 rad.m 消失角要求值Qvk---------- deg稳性面积要求值Ad-----0.0327 rad.m消失角衡准数Kv----------稳性面积衡准数Kldo----- 1.8925. 稳性衡准数计算横摇自摇周期To------- 3.184s系数C1-------0.1152系数 (实取)C2-------0.4952系数 (实取)C3-------0.0192系数C4------- 1.0000横摇角Q1------- 6.865 deg进水角Qj-------20.872 deg进水角对应动稳性力臂ldj-----0.1141 rad.m 极限动倾角(不计横摇)Qdm-----28.294 deg极限动倾角对应动力臂ldm-----0.2005 rad.m 横倾角(实取)Qu-------20.872 deg最小倾覆力臂lqo-------0.3713m横摇幅度Qp-------12.606 deg横摇幅度对应动稳性力臂ldp---0.0121 rad.m 极限动倾角(计横摇)Qdm-----34.140 deg极限动倾角对应动力臂ldm---0.2502 rad.m 横倾角(实取)Qu-------20.872 deg最小倾覆力臂lq-------0.1858m受风面积Af-------62.526 m^2面积形心垂向坐标 Zf------- 1.894m 系数ao-------0.443单位计算风压值P------------Pa风压倾侧力臂lf------------m风压稳性衡准数Kf------------单位计算风压值(作业)P----- 123.200Pa单位计算风压值(避风)P----- 466.200Pa风压倾侧力矩(作业) Mf----22.509 kN.m风压倾侧力矩(避风) Mf----85.176 kN.m极限静倾角(作业)Qr-----8.000 deg极限静倾角(避风)Qr-----8.000 deg作业初稳性要求值GMtk1----------m避风初稳性要求值 GMpk-----0.236m作业初稳性衡准数 Kht1----------避风初稳性衡准数Khp-----7.5536. 结论 :完整稳性满足《规则》要求______________________________________________________________________________________________ 1. 重量重心计算机从艉端进入2. 浮态和初稳性高度方型系数 Cb ------------- 0.597 进水位置------------- 位置 13. 复原力臂曲线80.00 -0.3209 0.0039 -0.3248 0.25404. 初稳性高度和复原力臂曲线的衡准计算初稳性衡准数 Kh ----- ----- 进水角对应稳性面积 Adj ----- 0.1298 rad.m最大力臂对应角衡准数Klm----- ----- 最大复原力臂衡准数 Kl ----- ----- 消失角衡准数 Kv ----- ----- 稳性面积衡准数 Kldo ----- 1.9785. 稳性衡准数计算系 数C4 ------- 1.0000 横 摇 角Q1 ------- 6.871 deg装载序号 : 4载况名称 : 备品10%,挖掘机从艉端进入 载况附加说明 : 作业和避风状态垂向坐标 纵向坐标 横向坐标序号 项 目重 量 力 臂 重量矩 力 臂 重量矩 力 臂 重量矩(t)(m) (t.m) (m)(t.m) (m) (t.m)1空 船 80.000 1.036 91.168 -0.203 -17.86 0.000 0.00 2 船员及行李 0.300 3.220 0.96 -9.940 -2.98 0.000 0.00 3 备 品10% 0.400 2.380 0.95 -10.01 -4.00 0.000 0.00 4 日用水柜10% 1.000 3.780 3.78 -10.85 -10.85 0.0000.00 5 燃 油10% 5.000 1.260 6.30 -10.15 -50.75 0.000 0.00 6工程备品150.000 1.372 205.80 -0.070 -10.50 0.0000.00 7 挖掘机艉端进入20.000 2.989 59.78 -8.750 -175.00 4.725 94.50备品10%,挖掘 179.158 1.389 355.61 -0.829 -212.29 0.368 94.50 水线船长 Lw ------------- 34.000 m 初始横倾角 Qo --------- 5.718 deg 水线船宽 Bs ------------- 6.900 m 进 水 角 Qj --------- 21.781 deg 吃 水 d ------------- 0.716 m 极限静倾角 Qr --------- 8.000 deg 艏 吃 水 Tf ------------- 0.620 m 初稳性高度(未修正)GMo ----- 2.626 m 艉 吃 水 Ta ------------- 0.812 m 自由液面修正量 △GM ----- 0.005 m 最小干舷 F ------------- 0.812 m 初稳性高度(修正后)GM1 ----- 2.622 m 受风面积 Af ------------- 63.000 m^2 面积形心垂向坐标 Zf ----- 1.885 m 角 度 复原力臂(未修正) 自由液面修正值 复原力臂(修正后)动稳性力臂 (deg) ( m ) ( m ) ( m ) (m.rad) 0.00 -0.3692 0.0000 -0.3692 0.0000 5.00 -0.1446 0.0001 -0.1449 -0.0224 10.00 0.0858 0.0003 0.0854 -0.0250 0.025 15.00 0.3128 0.0005 0.3122 -0.0072 20.00 0.4780 0.0007 0.4773 0.0280 25.00 0.5371 0.0009 0.5362 0.0726 30.00 0.5322 0.0011 0.5310 0.1194 35.00 0.4931 0.0014 0.4916 0.1642 40.00 0.4322 0.0017 0.4305 0.2046 45.00 0.3567 0.0021 0.3546 0.2389 50.00 0.2713 0.0025 0.2687 0.2662 55.00 0.1794 0.0030 0.1764 0.2856 60.00 0.0826 0.0033 0.0792 0.2968 65.00 -0.0172 0.0035 -0.0207 0.2993 70.00 -0.2201 0.0038 -0.2240 0.2780 75.00 -0.3109 0.0029 -0.3348 0.2240 初稳性高度(修正后)GM1 ----- 2.622 m 进 水 角Qj ------- 21.781 deg 基本初稳性要求值 GMk ----- ----- m 进水角对应复原力臂 lj ----- 0.5241 m 最大复原力臂对应角 Qm ----- 18.970 deg 最大复原力臂 lm ------- 0.5418 m 最大力臂对应角要求值Qmk----- ----- deg 最大复原力臂要求值lmk ----- ----- m 消 失 角 Qv ----- 44.775 deg 稳性面积(实取) ldu ----- 0.0926 rad.m 消失角要求值 Qvk ----- ----- deg 稳性面积要求值 Ad ----- 0.327 rad.m 横摇自摇周期 To ------- 3.171 s 系 数 C1 ------- 0.1155 系 数 (实取) C2 ------- 0.4998 系 数 (实取) C3 ------- 0.0195进水角Qj-------21.781 deg进水角对应动稳性力臂ldj-----0.1298 rad.m 极限动倾角(不计横摇)Qdm-----28.595 deg极限动倾角对应动力臂ldm-----0.2108 rad.m 横倾角(实取)Qu-------21.781 deg最小倾覆力臂lqo-------0.3903m横摇幅度Qp-------12.590 deg横摇幅度对应动稳性力臂ldp---0.0126 rad.m 极限动倾角(计横摇)Qdm-----34.460 deg极限动倾角对应动力臂ldm---0.2625 rad.m 横倾角(实取)Qu-------21.781 deg最小倾覆力臂lq-------0.2050m受风面积Af------- 63.000 m^2面积形心垂向坐标 Zf------- 1.885m系数ao-------0.433单位计算风压值P------------Pa风压倾侧力臂lf------------m风压稳性衡准数Kf------------单位计算风压值(作业)P----- 123.200Pa单位计算风压值(避风)P----- 466.200Pa风压倾侧力矩(作业) Mf----22.838 kN.m风压倾侧力矩(避风) Mf----86.425 kN.m极限静倾角(作业)Qr-----8.000 deg极限静倾角(避风)Qr-----8.000 deg作业初稳性要求值GMtk1----------m避风初稳性要求值 GMpk-----0.245m作业初稳性衡准数 Kht1----------避风初稳性衡准数Khp-----7.4766. 结论 :完整稳性满足《规则》要求船舶静力学计算及稳性衡准系统 V4.2(201208)WH03018* * * * * * * * * * * * * * * ** * * * * * * * * * * * * * * ******船舶完整稳性计算书****** * * * * * * * * * * * * * * ** * * * * * * * * * * * * * * *船名:粤南海货6115数据库名:粤南海货6115 B级.mdy图纸号:QCS0101-110-02委托单位:长江重庆航道工程局计算标识:补充资料计算单位: 清远市壹尚船舶设计有限公司计算签名:审核签名:批准签名:计算日期:2016年 2 月24 日程序编制单位 :中国船级社武汉规范研究所船舶稳性计算书CALCULTION ON STABILITY一概述1选用规范 :2011年《内河船舶法定检验技术规则》(以下简称《规则》)2船舶种类 :干货船3航区 :B级航区4主要要素 :船长L--------------------37.100m垂线间长Lp--------------------34.700m型宽B--------------------7.350m型深D-------------------- 2.050m设计吃水T-------------------- 1.680m横移倾侧力矩Mh------------------1458.000 kN.m定位桩倾侧力矩 Md------------------0.000 kN.m吊臂舷伸倾侧力矩 Mx-----------------0.000 kN.m排泥倾侧力矩Mp------------------0.000 kN.m舭龙骨面积Ab--------------------0.000m^2水的重量密度r-------------------- 1.000 t/m^3船型特征TYPE--------------------常规船型5计算说明 :本计算书用浮态方程计算(WH03018)进水位置极限静倾位置项目垂向坐标纵向坐标横向坐标垂向坐标纵向坐标横向坐标单位(m)(m)(m)(m)(m)(m)位置1 2.42 0.000 2.816 1.9360.000 3.5200位置2 2.3936-12.548 2.4640.0880.000-3.44966结论 :本船完整稳性满足《规则》要求二使用说明1稳性计算书中所取的装载情况是船舶设计的基本情况,若船舶在营运中的实际装载超过稳性计算书中的基本情况时,应在船舶出航前核算稳性,以保证船舶的航行安全.2船舶稳性不符合规范要求而必须采用永久性水压载时,须征得用船单位和验船部门的同意,并采取有效措施,以保证压载的可靠性.3稳性计算虽已符合规范要求,但船长仍应注意船舶装载,气象和水文情况,并谨慎驾驶.4船舶开航前,船长应检查船舶的浮态,使其尽可能保持正浮,初始横倾角应不超过0.5deg.5在使用最大许用重心高度曲线(没有计入自由液面影响)来判断船舶稳性是否满足规范要求时,应根据具体装载情况计入自由液面影响.三 船舶稳性总结表49 完整稳性衡准结论 满 足 满 足 满 足 满 足四 最大许用重心高度曲线 ( 没有计入自由液面影响 单位: m )∑ 最大许用重心高度曲线 6.5155.946 5.5665.199 4.91916 最大复原力臂要求值 mlmk ----- ----- ----- ----- 序号 项目 单 位 符号与公式 满备品,挖掘机 备品10%,挖掘 满备品,挖掘机 备品10%,挖掘从艏端进入 机从艏端进入 从艉端进入 机从艉端进入1 排 水 量t △ 230.296 225.227 230.296 225.2272 2 吃水 m d 0.929 0.912 0.918 0.901 3 艏 吃 水 m Tf 1.081 1.116 0.745 0.781 4 艉 吃 水 m Ta 0.778 0.708 1.091 1.022 5 重心垂向坐标m KG 1.756 1.747 1.757 1.747 6 初稳性高度(未修正) m GMo 3.188 3.267 3.216 3.302 7 初稳性高度(修正后) mGM1 3.183 3.262 3.211 3.297 8 进 水 角degQj 26.768 27.373 29.240 27.383 9极限静倾角deg Qr 8.000 8.000 8.000 8.000 10 基本初稳性要求值 mGMk ----- ----- ----- ----- 11 初稳性衡准数 Kh ----- ----- ----- ----- 12 最大复原力臂对应角 degQm 23.856 24.124 23.739 23.848 13 最大力臂对应角要求值 deg Qmk ----- ----- ----- ----- 14 最大力臂对应角衡准数 Klm ----- ----- ----- ----- 15 最大复原力臂m lm 0.6618 0.6682 0.6602 0.6812 12 避风初稳性衡准要求8.6037.637 6.8856.274 5.748 17 最大复原力臂衡准数 Kl ----- ----- ----- ----- 18 进水角对应复原力臂 m lj 0.6452 0.6500 0.6470 0.6589 19 复原力臂要求值 m lk ----- ----- ----- ----- 20 复原力臂衡准数 Klu ----- ----- ----- ----- 21 稳性面积(实取) rad.m ldu 0.1111 0.1160 0.1113 0.1164 22 稳性面积要求值 rad.mAd 0.0411 0.0411 0.0411 0.0411 23 稳性面积衡准数 Kldo 2.375 2.480 2.378 2.486 24 消 失 角deg Qv 55.773 56.245 55.579 56.289 25 消失角要求值 Qvk ----- ----- ----- ----- 26 消失角衡准数Kv ----- ----- ----- ----- 27 进水角要求值 Qjk ----- ----- ----- ----- 28 进水角衡准数 Koj ----- ----- ----- ----- 29 横 摇 角degQ1 8.640 8.641 8.641 8.642 30 最小倾覆力臂 m lq 0.2402 0.2517 0.2336 0.2577 31 最小倾覆力臂mlqo 0.4702 0.4814 0.4668 0.4907 32 风压倾侧力臂 m lf ----- ----- ----- ----- 33 风压稳性衡准数 K ----- ----- ----- ----- 34 水流倾侧力臂m lj ----- ----- ----- ----- 35 急流稳性衡准数 Kj ----- ----- ----- ----- 36 回航倾侧力矩 kN.m Mr ----- ----- ----- ----- 37 回航静倾角计算值 deg Qrk ----- ----- ----- ----- 38 回航静倾角衡准数 Kor ----- ----- ----- ----- 39 风压倾侧力矩(作业) kN.m Mf 28.016 28.450 28.297 28.711 40 极限静倾角(作业) degQr 8.000 8.000 8.000 8.000 41 作业初稳性要求值 m GMtk1 ----- ----- ----- ----- 42 作业初稳性衡准数 Kht1 ----- ----- ----- ----- 43 作业初稳性要求值 mGMtk2 ----- ----- ----- ----- 44 作业初稳性衡准数 Kht2 ----- ----- ----- ----- 45 风压倾侧力矩(避风) kN.m Mf 106.016 107.658 107.078 108.649 46 极限静倾角(避风) deg Qr 8.000 8.000 8.000 8.000 47 避风初稳性要求值 mGMpk 0.294 0.306 0.297 0.308 48 避风初稳性衡准数 Khp 9.509 9.385 9.496 9.399 序号 项 目\排水量 (t) 125.000 150.000 175.000 200.000 225.000 1 风压稳性衡准要求8.4677.593 6.9006.336 5.883 2 急流稳性衡准要求---------- ---------- ----- 3 最大力臂对应角衡准要求 ---------- ---------- ----- 4 最大复原力臂衡准要求 ---------- ---------- ----- 5 复原力臂衡准要求---------- ---------- ----- 6 稳性面积衡准要求6.5155.946 5.5665.199 4.919 7 消失角衡准要求 ---------- ---------- ----- 8 初稳性衡准要求 9.7308.283 7.2526.480 5.880 9 回航静倾角衡准要求---------- ---------- ----- 10 作业初稳性衡准要求 1---------- ---------- ----- 11 作业初稳性衡准要求 2---------- ---------- -----序号项目\排水量 (t)250.000275.000300.000325.000350.000 1风压稳性衡准要求 5.514 5.204 4.929 4.673 4.4322急流稳性衡准要求-------------------------3最大力臂对应角衡准要求-------------------------4最大复原力臂衡准要求-------------------------5复原力臂衡准要求-------------------------6稳性面积衡准要求 4.688 4.414 4.130 3.847 3.5627消失角衡准要求-------------------------8初稳性衡准要求 5.407 5.026 4.714 4.455 4.2429回航静倾角衡准要求-------------------------10作业初稳性衡准要求 1-------------------------11作业初稳性衡准要求 2-------------------------12避风初稳性衡准要求 5.344 5.020 4.753 4.531 4.349∑最大许用重心高度曲线 4.688 4.414 4.130 3.847 3.562序号项目\排水量 (t)375.000400.000425.000450.000475.0001风压稳性衡准要求 4.211 4.021 3.834 3.662 3.4822急流稳性衡准要求-------------------------3最大力臂对应角衡准要求-------------------------4最大复原力臂衡准要求-------------------------5复原力臂衡准要求-------------------------6稳性面积衡准要求 3.264 2.988 2.720 2.451 1.9607消失角衡准要求-------------------------8初稳性衡准要求 4.062 3.907 3.772 3.658 3.5599回航静倾角衡准要求-------------------------10作业初稳性衡准要求 1-------------------------11作业初稳性衡准要求 2-------------------------12避风初稳性衡准要求 4.195 4.047 3.910 3.788 3.674∑最大许用重心高度曲线 3.264 2.988 2.720 2.451 1.960五受风面积计算侧投影面积形心高度序号项目面积满实系数流线系数受风面积垂向坐标面积矩修正系数(m^2)(m^2)(m)(m^3)1甲板室22.492 1.000 1.00022.492 3.88999.422 1.0002货舱围板14.608 1.000 1.00014.608 2.54342.21 1.0003主甲板至水线(1)41.098 1.51170.61 1.0004主甲板至水线(2)41.724 1.50371.27 1.0005主甲板至水线(3)41.504 1.50671.04 1.0006主甲板至水线(4)42.099 1.49771.65 1.000----------------------------------------------------------------------------------------------1满备品,挖掘机从艏端进入78.199 2.388212.24 1.0002备品10%,挖掘机从艏端进入78.825 2.376212.90 1.0003满备品,挖掘机从艉端进入78.605 2.381212.67 1.0004备品10%,挖掘机从艉端进入79.200 2.369213.29 1.000----------------------------------------------------------------------------------------------满备品,挖掘机从艏端进入∑ = (1)+(2)+(3)备品10%,挖掘机从艏端进入∑ = (1)+(2)+(4)满备品,挖掘机从艉端进入∑ = (1)+(2)+(5)备品10%,挖掘机从艉端进入∑ = (1)+(2)+(6)六自由液面修正计算1. 舱柜尺寸序号舱名舱类说明体积长度宽度高度密度载量系数惯性矩横倾力矩(30)(m^3)(m)(m)(m)(t/m^3)(m^4)(kN.m)1艉压载舱单舱23.32 1.760 3.476 1.812 1.0000.5009.1105.82X 2燃油舱舱组 3.08 1.320 1.540 1.760 1.0000.500 1.1 3.67X2. 初稳性高度修正计算序号舱名舱类说明惯性矩满备品,挖掘机备品10%,挖掘满备品,挖掘机备品10%,挖掘从艏端进入机从艏端进入从艉端进入机从艉端进入1艉压载舱单舱9.1--------------------2燃油舱舱组 1.140.0040.0040.0040.004 ---------------------------------------------------------------------------------------------------------- 对初稳性高度修正( m )0.0040.0040.0040.004七各种装载稳性计算装载序号 :1载况名称 : 满备品,挖掘机从艏端进入载况附加说明 : 作业和避风状态______________________________________________________________________________________________ 1. 重量重心计算垂向坐标纵向坐标横向坐标序号项目重量力臂重量矩力臂重量矩力臂重量矩(t)(m)(t.m)(m)(t.m)(m)(t.m)1空船101.000 1.302131.542-0.255-25.770.0000.002船员及行李0.300 4.048 1.21-12.496-3.740.0000.003备品0.400 2.900 1.97-12.581-5.03 0.0000.004日用水柜 1.000 4.752 4.75 -13.640-13.640.0000.005燃油 5.000 1.5847.92 -12.760-63.8 0.0000.006工程备品150.000 1.724258.72-0.088-13.200.0000.007挖掘机艏端进入20.000 3.75875.1211.000220.00 5.940118.80 满备品,挖掘机230.200 1.756459.650.37798.8850.454118.80 从艏端进入2. 浮态和初稳性高度水线船长Lw-------------36.800m初始横倾角Qo---------7.286 deg水线船宽Bs-------------7.450m进水角Qj---------26.767 deg吃水d-------------0.929m极限静倾角Qr---------8.000 deg艏吃水Tf------------- 1.08m初稳性高度(未修正)GMo----- 3.188m艉吃水Ta-------------0.777m自由液面修正量△GM-----0.005m最小干舷F------------- 1.006m初稳性高度(修正后)GM1----- 3.182m受风面积Af-------------78.199 m^2面积形心垂向坐标Zf----- 2.388m方型系数Cb-------------0.752进水位置-------------位置 13. 复原力臂曲线角度复原力臂(未修正)自由液面修正值复原力臂(修正后)动稳性力臂(deg)( m )( m )( m )(m.rad)0.00-0.45390.0000-0.45390.00005.00-0.18190.0002-0.1821-0.027810.000.09760.00040.097 -0.31515.000.37610.00060.3754-0.010320.000.58060.00080.57970.032225.000.65570.00110.65460.086630.000.64970.00140.64820.143835.000.60070.00170.59910.198540.000.52430.00210.52220.247545.000.43040.00260.42790.289050.000.32270.00320.31950.321755.000.20810.00370.20430.344660.000.08780.00410.08360.357265.00-0.03590.0044-0.04030.359170.00-0.16140.0045-0.16610.350175.00-0.28720.0047-0.29190.330180.00-0.41170.0048-0.41650.29924. 初稳性高度和复原力臂曲线的衡准计算初稳性高度(修正后)GM1----- 3.1829m进水角Qj-------26.767 deg基本初稳性要求值GMk----------m进水角对应复原力臂 lj-----0.6452m初稳性衡准数Kh----------进水角对应稳性面积 Adj -----0.1486 rad.m最大复原力臂对应角 Qm-----23.855 deg最大复原力臂lm-------0.6618m最大力臂对应角要求值Qmk---------- deg最大复原力臂要求值lmk----------m最大力臂对应角衡准数Klm----------最大复原力臂衡准数 Kl----------消失角Qv-----55.773 deg稳性面积(实取)ldu-----0.1111 rad.m 消失角要求值Qvk---------- deg稳性面积要求值Ad-----0.0412 rad.m消失角衡准数Kv----------稳性面积衡准数Kldo----- 2.375。
船舶稳性计划书1. 引言船舶稳性是船只安全运行的一个重要方面,稳性计划书是船舶设计、建造和运营过程中必不可少的文件。
本文档旨在介绍船舶稳性计划书的编制内容和计划实施过程。
2. 船舶基本信息在船舶稳性计划书中,首先需要包含船舶的基本信息,包括但不限于船舶名称、船舶种类、建造厂商、建造年份、总吨位、船长、船宽、吃水、载重能力等。
在编制船舶稳性计划书的过程中,需要根据船舶的基本信息来进行稳性计算和分析。
3. 船舶稳性计算船舶稳性计算是船舶稳性计划书的核心内容。
在计算过程中,需要考虑船舶的外形、布局、重心位置等因素,以及一系列稳性指标,如倾覆稳性曲线、绝对稳性曲线、永久性稳性曲线等。
稳性计算可以基于船舶的设计图纸和实际测量数据进行。
计算结果应该清晰地呈现在船舶稳性计划书中,并且应该包含详细的计算过程和假设条件。
4. 船舶稳性分析稳性计划书中的稳性分析是在稳性计算的基础上进行的。
稳性计算提供了船舶在各种载荷和运行状态下的稳定性数据,而稳性分析则是根据这些数据来评估船舶的稳定性和安全性。
在稳性分析过程中,应该考虑各种情况下的稳定性,如平稳航行、转向、起重作业等。
分析结果应该包括稳定性能评估、稳定性缺陷和改进措施等内容。
此外,还需要进行一系列风险评估,以确保船舶在各种情况下都能保持稳定。
5. 船舶稳性改进措施根据稳定性计算和分析的结果,船舶稳性计划书应提供相应的改进措施和建议。
这些改进措施可以包括但不限于以下几个方面:•调整船舶布局和重心位置,以增强稳定性;•安装稳定设备,如稳定翼、滚筒、重力水舱等;•优化载重分布,确保船舶在载荷变化时仍能保持平稳;•加强船舶的自动化控制系统,提高操纵稳定性。
改进措施应根据具体的船舶情况进行定制,确保船舶在各种工况下都能保持良好的稳定性。
6. 实施计划船舶稳性计划书的实施计划是确保计划能够顺利进行的重要环节。
实施计划应包括以下几个方面的内容:•计划的时间表和里程碑;•负责实施计划的人员和部门;•实施计划所需的资源和预算;•监督和评估计划执行的方法和指标。
采用空载排水量993t的平板驳,计划每次运输4个沉箱,单个沉箱重190t。
则货物重760t、沉箱长宽高为10/3.95/6.4m 船:长宽高为57.5m/15.50m/3.30m;净吨位993t。
沉箱重心(距沉箱底):G s=(54×10×0.25+136×10×3.45)/(190×10)=2.54m一、动载检验1、装载后受力总和为:G=1753t①沉箱:760t;②船自重:993t;2、自重吃水:a0=1.15m3、平均吃水:a=1753/(57.5×15.5)=1.97m4、惯性矩:I X=(57.5×15.53)/12=17843.57m45、稳心半径:p=I X/G=10.18m6、重心高:h=(760×3.87+993×0.82)/1753=2.14mh-a0/2=1.565m因:p>h-a0/2则:船舶稳定性满足要求。
二、倾覆性检验船舶装载运输时最大风力不大于六级进行验算,六级时风压按180Pa检算。
1、倾覆力矩①船:干舷高度:3.3-1.97=1.33m受风面积:1.33×57.5=76.475m2风力作用点至水面距离:0.665mM倾1=76.475×0.665×180=9.15kN•m②沉箱受力面积:3.95×4×6.4=101.12m2风力作用点至水面距离:3.2+1.33=4.53mM倾2=101.12×4.53×180=82.45kN•m综上:M倾=M倾1+M倾2=91.6KN•m2、抗倾覆力矩M抗=G×1.63=1753×28.75=50398.75KN•m抗风系数K=M抗/M倾>1说明在六级风及以下时稳定性没问题。
采用空载排水量993t的平板驳,计划每次运输4个沉箱,单个沉箱重190t。
则货物重760t、沉箱长宽高为10/3.95/6.4m 船:长宽高为57.5m/15.50m/3.30m;净吨位993t。
沉箱重心(距沉箱底):G s=(54×10×0.25+136×10×3.45)/(190×10)=2.54m一、动载检验1、装载后受力总和为:G=1753t①沉箱:760t;②船自重:993t;2、自重吃水:a0=1.15m3、平均吃水:a=1753/(57.5×15.5)=1.97m4、惯性矩:I X=(57.5×15.53)/12=17843.57m45、稳心半径:p=I X/G=10.18m6、重心高:h=(760×3.87+993×0.82)/1753=2.14mh-a0/2=1.565m因:p>h-a0/2则:船舶稳定性满足要求。
二、倾覆性检验船舶装载运输时最大风力不大于六级进行验算,六级时风压按180Pa检算。
1、倾覆力矩①船:干舷高度:3.3-1.97=1.33m受风面积:1.33×57.5=76.475m2风力作用点至水面距离:0.665mM倾1=76.475×0.665×180=9.15kN•m②沉箱受力面积:3.95×4×6.4=101.12m2风力作用点至水面距离:3.2+1.33=4.53mM倾2=101.12×4.53×180=82.45kN•m综上:M倾=M倾1+M倾2=91.6KN•m2、抗倾覆力矩M抗=G×1.63=1753×28.75=50398.75KN•m抗风系数K=M抗/M倾>1说明在六级风及以下时稳定性没问题。
第一节 稳性的基本概念 一、稳性概述1. 概念:船舶稳性(Stability)是指船舶受外力作用发生倾斜,当外力消失后能够自行回复到原来平衡位置的能力。
2. 船舶具有稳性的原因1)造成船舶离开原来平衡位置的是倾斜力矩,它产生的原因有:风和浪的作用、船上货物的移动、旅客集中于一舷、拖船的急牵、火炮的发射以及船舶回转等,其大小取决于这些外界条件。
2)使船舶回复到原来平衡位置的是复原力矩,其大小取决于排水量、重心和浮心的相对位置等因素。
S M GZ =∆⋅ (9.81)kN m ⋅式中:GZ :复原力臂,也称稳性力臂,重力和浮力作用线之间的距离。
◎船舶是否具有稳性,取决于倾斜后重力和浮力的位置关系,而排水量一定时,船舶浮心的变化规律是固定的(静水力资料),因此重心的位置是主观因素。
3. 横稳心(Metacenter)M :船舶微倾前后浮力作用线的交点,其距基线的高度KM 可从船舶资料中查取。
4. 船舶的平衡状态1)稳定平衡:G 在M 之下,倾斜后重力和浮力形成稳性力矩。
2)不稳定平衡:G 在M 之上,倾斜后重力和浮力形成倾覆力矩。
3)随遇平衡:G 与M 重合,倾斜后重力和浮力作用在同一垂线上,不产生力矩。
如下图所示例如:1)圆锥在桌面上的不同放置方法;2)悬挂的圆盘5. 船舶具有稳性的条件:初始状态为稳定平衡,这只是稳性的第一层含义;仅仅具有稳性是不够的,还应有足够大的回复能力,使船舶不致倾覆,这是稳性的另一层含义。
6. 稳性大小和船舶航行的关系1)稳性过大,船舶摇摆剧烈,造成人员不适、航海仪器使用不便、船体结构容易受损、舱内货物容易移位以致危及船舶安全。
2)稳性过小,船舶抗倾覆能力较差,容易出现较大的倾角,回复缓慢,船舶长时间斜置于水面,航行不力。
二、稳性的分类1. 按船舶倾斜方向分为:横稳性、纵稳性2. 按倾角大小分为:初稳性、大倾角稳性3. 按作用力矩的性质分为:静稳性、动稳性4. 按船舱是否进水分为:完整稳性、破舱稳性三、初稳性1. 初稳性假定条件:1)船舶微倾前后水线面的交线过原水线面的漂心F;2)浮心移动轨迹为圆弧段,圆心为定点M(稳心),半径为BM(稳心半径)。
第四章船舶稳性教案(DOC)教学课题教学目的教学重点教学难点教学方法计划课时授课内容板书设计作业布置课后小结稳性的基本概念见表后内容实际课时(一)课程导入(二)新授课第一节、稳性的基本概念船舶平衡的3种状态:1.船舶的平衡状态船舶漂浮于水面上,其重力为W,浮力为△,G为船舶重心,B为船舶初始位置的浮心。
在某一性质的外力矩作用下船舶发生倾斜,由于倾斜后水线下排水体积的几何形状改变,浮心由B移至B1点,当外力矩消失后船舶能否恢复到初始平衡位置,取决于它处在何种平衡状态(下图)。
(1)稳定平衡。
如图(a)所示,船舶倾斜后在重力W和浮力△作用下产生一稳性力矩,在此力矩作用下,船舶将会恢复到初始平衡位置,称该种船舶初始平衡状态为稳定平衡状态。
(2)随遇平衡。
如图2-1所示,船舶倾斜后重力W和浮力△仍然作用在同一垂线上而不产生力矩,因而船舶不能恢复到初始平衡位置,则称该种船舶初始平衡状态为随遇平衡状态。
(3)不稳定平衡。
如图2-1(c)所示,船舶倾斜后重力W和浮力△作用下产生一倾覆力矩,在此力矩作用下船舶将继续倾斜,称称该种船舶初始平衡状态为不稳定平衡状态。
2.船舶平衡状态的判别为对船舶的平衡状态进行判别,将船舶正浮时浮力作用线和倾斜后浮力作用线的交点定义为稳心,以M表示。
由于船舶倾斜后的浮心位置或浮力作用线与船舶吃水(或排水量)、船舶倾角有关,稳心位置也随船舶吃水(或排水量)、船舶倾角不同而变化。
进一步分析表明,船舶处于何种平衡状态与重心G和稳心M的相对位置有关。
船舶稳定平衡时,重心G位于稳心M之下;船舶不稳定平衡时,重心G位于稳心M之上;船舶随遇平衡时,重心G和稳心M重合。
因此,为了使船舶在受到一外力矩作用下具有一定的复原能力从而保证船舶安全,船舶重心必须在相应倾角时的稳心之下。
处于稳定平衡状态的船舶,其复原能力的大小取决于倾斜后产生的稳性力矩或复原力矩M的大小。
由图(a)可见,该稳性力矩大小为MGZ式中:GZ──静稳性力臂(m),是船舶重心G至倾斜后浮力作用线的垂直距离,通常简称作稳性力臂或复原力臂。
船舶稳性要求计算第一节通则7.1.1 适用范围7.1.1.1 本章适用于在广西内河现有挖砂与运砂的下列船舶: (1) 链斗式挖砂船; (2) 绞吸式挖砂船; (3) 抓斗式挖砂船; (4) 普通货船型运砂船; (5) 设有砂舱的抓斗挖砂船。
7.1.1.2 本章不适用漏斗型砂舱自运自卸砂船。
7.1.2 空船排水量和重心位置的确定7.1.2.2 确因条件限制而难以进行倾斜试验时,可采用造船工程中有关计算方法确定空船排水量和空船重心位置。
当计算空船重心距基线的距离KG 0小于下列规定值时,应取下列规定值: (1) 没有设置挖砂设备的运砂船舶:① 深舱型运砂船 KG 0≥0.80DK m② 半舱型运砂船 KG 0≥0.8D (1+0.25)K m③ 甲板型运沙船 KG 0≥1.0DK m式中:KG 0 ——空船重心至基线的垂直距离,m ;K ——系数,按下列规定选取: K =1.0 仅有干舷甲板和顶蓬甲板;DhK =1.02 干舷甲板上有2层甲板室甲板(含顶蓬甲板);K=1.09 干舷甲板上有3层甲板室甲板(含顶蓬甲板); K =1.14 干舷甲板上有4层甲板室甲板(含顶蓬甲板); D ——型深,m ;h ——载货甲板至基线的垂直距离,m 。
(2) 设有竖杆、吊杆和抓斗的自挖自运砂船: ① 深舱型KG 0 =0.93D K m ② 半舱型KG 0=0.93D (1+0.25)K m(3) 链斗挖砂船:KG 0 =1.00D K m (4) 绞吸式挖砂船KG 0 =0.9D K m 式中:各符号含义同上述(1)中规定。
7.1.3 稳性计算7.1.3.1 与稳性有关的所有计算应采用造船工程中可接受的方法,如用计算机计算,应注明计算方法,并提交输入数据和计算结果。
7.1.3.2 设计参数为本章定义的相应参数的中间值时,实取数值用内插法求得。
7.1.3.3 稳性计算完成后应按常规编制“船舶稳性总结表”。
7.1.3.4 船舶稳性计算虽已符合本章要求,但船长仍应注意船舶装载、气象和水文情况,并做好以下安全措施: (1) 严禁超载航行; (2) 砂舱内砂面应平舱; (3) 满载状态下严禁全速回转;(4) 抓斗挖砂船的抓斗斗容应按稳性计算所规定的斗容进行作业。