船舶稳性校核计算书
- 格式:docx
- 大小:549.19 KB
- 文档页数:8
船舶静力学计算及稳性衡准系统 V4.1(0805)WH03004* * * * * * * * * * * * * * * ** * * * * * * * * * * * * * * ** ** ** 船 舶 完 整 稳 性 计 算 书 ** ** ** * * * * * * * * * * * * * * ** * * * * * * * * * * * * * * *船 名 : 48M 货船数据库名 : 48M货船A.mdy图 纸 号 : JHC4048A-101-03JS委托单位 :计算标识 :计算单位 : 金航船舶设计公司计算签名 : 顾春荣审核签名 :批准签名 :计算日期 : 2009 年 04 月 08 日程 序 编 制 单 位 : 中 国 船 级 社 武 汉 规 范 研 究 所船舶稳性计算书CALCULTION ON STABILITY一 概 述1 选用规范 : 2004年《内河船舶法定检验技术规则》和2007年及2008年修改通报(以下简称《规则》)2 船舶种类 : 干货船3 航 区 : A级航区4 主要要素 :船 长 L -------------------- 48.100 m垂线间长 Lp -------------------- 46.400 m型 宽 B -------------------- 9.000 m型 深 D -------------------- 3.200 m设计吃水 T -------------------- 2.550 m舭龙骨面积 Ab -------------------- 0.000 m^2设计航速 Vm -------------------- 16.000 km/h水的重量密度 r -------------------- 1.000 t/m^3船型特征 TYPE -------------------- 常规船型5 计算说明 : 本计算书用静水力数据计算 (WH03004金航船舶设计公司)进 水 位 置 极限静倾位置项 目 垂向坐标 纵向坐标 横向坐标 垂向坐标 纵向坐标 横向坐标单 位 (m) (m) (m) (m) (m) (m)位置 1 3.650 -16.750 3.150 3.200 0.000 4.500位置 2 ----- ----- ----- 0.300 0.000 -4.3356 结 论 : 本船完整稳性满足《规则》要求二 使 用 说 明1 稳性计算书中所取的装载情况是船舶设计的基本情况,若船舶在营运中的实际装载超过稳性计算书中的基本情况时,应在船舶出航前核算稳性,以保证船舶的航行安全.2 船舶稳性不符合规范要求而必须采用永久性水压载时,须征得用船单位和验船部门的同意,并采取有效措施,以保证压载的可靠性.3 稳性计算虽已符合规范要求,但船长仍应注意船舶装载,气象和水文情况,并谨慎驾驶.4 在使用最大许用重心高度曲线(没有计入自由液面影响)来判断船舶稳性是否满足规范要求时,应根据具体装载情况计入自由液面影响.三 船舶稳性总结表序号 项 目 单 位 符号与公式 满载出港 满载到港 压载到港1 排 水 量 t △ 971.930 967.225 261.2252 计 算 吃 水 m d 2.550 2.538 0.7403 艏 吃 水 m Tf 2.553 2.572 0.5674 艉 吃 水 m Ta 2.547 2.509 0.9135 重心垂向坐标 m KG 2.159 2.158 2.0156 初稳性高度(未修正) m GMo 1.853 1.865 6.2247 初稳性高度(修正后) m GM1 1.844 1.856 5.3798 进 水 角 deg Qj 17.636 17.828 73.1189 极限静倾角 deg Qr 8.169 8.315 5.72010 基本初稳性要求值 m GMk 0.200 0.200 0.20011 初稳性衡准数 Kh 9.220 9.278 26.89612 最大复原力臂对应角 deg Qm 24.183 24.512 28.20413 最大力臂对应角要求值 deg Qmk 15.000 15.000 15.00014 最大力臂对应角衡准数 Klm 1.612 1.634 1.88015 最大复原力臂 m lm 0.4662 0.4723 1.643716 最大复原力臂要求值 m lmk ----- ----- -----17 最大复原力臂衡准数 Kl ----- ----- -----18 进水角对应复原力臂 m lj 0.4435 0.4486 0.406719 复原力臂要求值 m lk ----- ----- -----20 复原力臂衡准数 Klu ----- ----- -----21 稳性面积(实取) rad.m ldu 0.0815 0.0827 0.576422 稳性面积要求值 rad.m Ad 0.0555 0.0553 0.052023 稳性面积衡准数 Kldo 1.466 1.496 11.08524 消 失 角 deg Qv 65.737 66.054 82.00525 消失角要求值 Qvk ----- ----- -----26 消失角衡准数 Kv ----- ----- -----27 进水角要求值 Qjk ----- ----- -----28 进水角衡准数 Koj ----- ----- -----29 横 摇 角 deg Q1 11.785 11.788 12.27130 最小倾覆力臂 m lq 0.0813 0.0829 0.963331 最小倾覆力臂 m lqo 0.2647 0.2674 1.336032 风压倾侧力臂 m lf 0.0019 0.0019 0.037033 风压稳性衡准数 K 42.626 42.773 26.02834 水流倾侧力臂 m lj ----- ----- -----35 急流稳性衡准数 Kj ----- ----- -----36 回航倾侧力矩 kN.m Mr 191.372 197.559 103.54737 回航静倾角计算值 deg Qrk 0.621 0.753 0.44738 回航静倾角衡准数 Kor 13.146 11.039 12.78939 完整稳性衡准结论 满 足 满 足 满 足四 最大许用重心高度曲线 ( 没有计入自由液面影响 单位: m )序号 项 目\排水量 (t) 50.000 150.000 250.000 350.000 450.000 550.000 650.0001 风压稳性衡准要求 14.023 11.336 8.617 6.941 5.941 5.326 4.8702 急流稳性衡准要求 ----- ----- ----- ----- ----- ----- -----3 最大力臂对应角衡准要求 2.352 4.122 5.317 5.891 5.847 5.489 5.0514 最大复原力臂衡准要求 ----- ----- ----- ----- ----- ----- -----5 复原力臂衡准要求 ----- ----- ----- ----- ----- ----- -----6 稳性面积衡准要求 14.423 8.755 6.667 5.698 5.142 4.684 4.2157 消失角衡准要求 ----- ----- ----- ----- ----- ----- -----8 初稳性衡准要求 27.538 15.505 8.360 6.994 6.110 5.108 4.5549 回航静倾角衡准要求 12.140 9.643 7.947 6.494 5.619 5.013 4.559 ∑ 最大许用重心高度曲线 2.352 4.122 5.317 5.698 5.142 4.684 4.215 序号 项 目\排水量 (t) 750.000 850.000 950.000 1050.000 1150.000 1250.0001 风压稳性衡准要求 4.494 4.194 3.902 3.643 3.295 0.0012 急流稳性衡准要求 ----- ----- ----- ----- ----- -----3 最大力臂对应角衡准要求 4.494 3.846 3.118 2.498 2.046 1.7724 最大复原力臂衡准要求 ----- ----- ----- ----- ----- -----5 复原力臂衡准要求 ----- ----- ----- ----- ----- -----6 稳性面积衡准要求 3.749 3.267 2.770 1.830 0.000 0.0007 消失角衡准要求 ----- ----- ----- ----- ----- -----8 初稳性衡准要求 4.290 4.074 3.860 3.643 3.422 3.1919 回航静倾角衡准要求 4.252 3.952 3.763 3.513 3.203 0.000∑ 最大许用重心高度曲线 3.749 3.267 2.770 1.830 0.000 0.000五 受风面积计算侧 投 影 面积形心 高 度序号 项 目 面 积 满实系数 流线系数 受风面积 垂向坐标 面积矩 修正系数(m^2) (m^2) (m) (m^3)1 甲 板 室 13.600 1.000 1.000 13.600 4.100 55.76 1.0002 驾 驶 室 5.270 1.000 1.000 5.270 4.200 22.13 1.0003 舱口围板 18.900 1.000 1.000 18.900 3.550 67.10 1.0004 舷 墙 3.395 1.000 1.000 3.395 3.730 12.66 1.0005 水 箱 0.445 1.000 1.000 0.445 4.400 1.96 1.0006 其 他 1.500 1.000 1.000 1.500 5.500 8.25 1.0007 非满实面积 4.270 4.845 20.69 1.0008 主甲板至水线(1) 34.876 2.923 101.93 1.0009 主甲板至水线(2) 35.418 2.917 103.31 1.00010 主甲板至水线(3) 117.807 2.036 239.81 1.000----------------------------------------------------------------------------------------------1 满载出港 82.256 3.531 290.48 1.0002 满载到港 82.798 3.525 291.86 1.0003 压载到港 165.187 2.593 428.36 1.000----------------------------------------------------------------------------------------------满载出港 ∑ = (1)+(2)+(3)+(4)+(5)+(6)+(7)+(8)满载到港 ∑ = (1)+(2)+(3)+(4)+(5)+(6)+(7)+(9)压载到港 ∑ = (1)+(2)+(3)+(4)+(5)+(6)+(7)+(10)六 自由液面修正计算1. 舱柜尺寸序号 舱 名 舱类说明 体 积 长 度 宽 度 高 度 密 度 载量系数 惯性矩 横倾力矩(30)(m^3) (m) (m) (m) (t/m^3) (m^4) (kN.m)1 燃油箱(1) 单舱 5.00 1.000 5.000 1.000 0.840 0.500 10.4 23.39 X2 燃油箱(2) 单舱 0.66 1.300 0.600 0.850 0.840 0.500 0.0 0.11 X3 日用水柜 单舱 1.04 0.500 1.600 1.300 1.000 0.500 0.2 0.98 X4 生活污水舱柜 单舱 1.19 0.900 1.200 1.100 1.000 0.500 0.1 0.74 X5 尾压载舱 单舱 30.40 2.000 8.800 2.100 1.000 0.500 113.6 268.70 X6 首压载舱 单舱 44.80 2.000 8.380 3.400 1.000 0.500 98.1 339.32 X 2. 初稳性高度修正计算序号 舱 名 舱类说明 惯性矩 满载出港 满载到港 压载到港1 燃油箱(1) 单舱 10.4 0.009 0.009 0.0332 燃油箱(2) 单舱 0.0 0.000 0.000 0.0003 日用水柜 单舱 0.2 0.000 0.000 0.0014 生活污水舱柜 单舱 0.1 ----- 0.000 0.0005 尾压载舱 单舱 113.6 ----- ----- 0.4356 首压载舱 单舱 98.1 ----- ----- 0.375------------------------------------------------------------------------------------------对初稳性高度修正 ( m ) 0.009 0.009 0.845七 各种装载稳性计算装载序号 : 1载况名称 : 满载出港 载况附加说明 :______________________________________________________________________________________________1. 重量重心计算垂向坐标 纵向坐标 横向坐标序号 项 目 重 量 力 臂 重量矩 力 臂 重量矩 力 臂 重量矩(t) (m) (t.m) (m) (t.m) (m) (t.m)1 空 船 185.580 1.978 367.08 -2.858 -530.39 0.000 0.002 船员及行李 0.300 3.850 1.16 -18.000 -5.40 0.000 0.003 备 品 0.500 3.200 1.60 -18.500 -9.25 0.000 0.004 燃油(1) 4.000 1.880 7.52 -19.350 -77.40 0.000 0.005 燃油(2) 0.550 2.050 1.13 -18.000 -9.90 -3.650 -2.016 淡 水 1.000 4.100 4.10 -22.700 -22.70 2.180 2.187 货 物 780.000 2.200 1716.00 0.100 78.00 0.000 0.00满载出港 971.930 2.159 2098.58 -0.594 -577.04 0.000 0.172. 浮态和初稳性高度水线船长 Lw ------------- 47.750 m 初始横倾角 Qo --------- 0.006 deg水线船宽 Bs ------------- 9.000 m 进 水 角 Qj --------- 17.636 deg计算吃水 d ------------- 2.550 m 极限静倾角 Qr --------- 8.169 deg艏 吃 水 Tf ------------- 2.553 m 初稳性高度(未修正)GMo ----- 1.853 m艉 吃 水 Ta ------------- 2.547 m 自由液面修正量 △GM ----- 0.009 m最小干舷 F ------------- 0.650 m 初稳性高度(修正后)GM1 ----- 1.844 m受风面积 Af ------------- 82.256 m^2 面积形心垂向坐标 Zf ----- 3.531 m方型系数 Cb ------------- 0.883 进水位置 ------------- 位置 13. 复原力臂曲线角 度 形状稳性力臂 自由液面修正值 复原力臂(修正后) 动稳性力臂(deg) ( m ) ( m ) ( m ) (m.rad)0.00 0.0000 0.0000 -0.0002 0.00005.00 0.3511 0.0008 0.1620 0.007110.00 0.6990 0.0016 0.3223 0.028715.00 0.9796 0.0022 0.4184 0.061420.00 1.1994 0.0025 0.4583 0.099925.00 1.3811 0.0026 0.4659 0.140430.00 1.5332 0.0026 0.4509 0.180535.00 1.6619 0.0025 0.4208 0.218740.00 1.7671 0.0025 0.3766 0.253545.00 1.8497 0.0024 0.3204 0.284050.00 1.9099 0.0023 0.2535 0.309155.00 1.9494 0.0022 0.1785 0.328060.00 1.9695 0.0020 0.0975 0.340165.00 1.9715 0.0018 0.0128 0.344970.00 1.9565 0.0017 -0.0741 0.342375.00 1.9251 0.0015 -0.1619 0.332080.00 1.8781 0.0012 -0.2495 0.31404. 初稳性高度和复原力臂曲线的衡准计算初稳性高度(修正后)GM1 ----- 1.844 m 进 水 角 Qj ------- 17.636 deg 基本初稳性要求值 GMk ----- 0.200 m 进水角对应复原力臂 lj ----- 0.4435 m 初稳性衡准数 Kh ----- 9.220 进水角对应稳性面积 Adj ----- 0.0815 rad.m 最大复原力臂对应角 Qm ----- 24.183 deg 最大复原力臂 lm ------- 0.4662 m 最大力臂对应角要求值Qmk----- 15.000 deg 最大复原力臂要求值lmk ----- ----- m 最大力臂对应角衡准数Klm----- 1.612 最大复原力臂衡准数 Kl ----- -----消 失 角 Qv ----- 65.737 deg 稳性面积(实取) ldu ----- 0.0815 rad.m 消失角要求值 Qvk ----- ----- deg 稳性面积要求值 Ad ----- 0.0555 rad.m 消失角衡准数 Kv ----- ----- 稳性面积衡准数 Kldo ----- 1.4665. 稳性衡准数计算横摇自摇周期 To ------- 5.269 s 系 数 C1 ------- 0.1907 系 数 (实取) C2 ------- 0.4302 系 数 (实取) C3 ------- 0.0155 系 数 C4 ------- 1.0000 横 摇 角 Q1 ------- 11.785 deg进 水 角 Qj ------- 17.636 deg 进水角对应动稳性力臂ldj----- 0.0815 rad.m 极限动倾角(不计横摇)Qdm----- 41.117 deg 极限动倾角对应动力臂ldm----- 0.2607 rad.m 横倾角(实取) Qu ------- 17.636 deg 最小倾覆力臂 lqo ------- 0.2647 m横 摇 幅 度 Qp ------- 11.791 deg 横摇幅度对应动稳性力臂ldp--- 0.0397 rad.m 极限动倾角(计横摇)Qdm ----- 50.158 deg 极限动倾角对应动力臂ldm --- 0.3098 rad.m 横倾角(实取) Qu ------- 17.636 deg 最小倾覆力臂 lq ------- 0.0813 m受风面积 Af ------- 82.256 m^2 面积形心垂向坐标 Zf ------- 3.531 m系 数 ao ------- 1.000 单位计算风压值 P ------- 225.000 Pa 风压倾侧力臂 lf ------- 0.0019 m 风压稳性衡准数 Kf ------- 42.626佛 氏 数 Fr ------- 0.205 系 数 a2 ------- 0.423 系 数 a3 ------- 0.000 回航倾侧力臂 lr ------- 0.0201 m 回航静横倾角 Qr ------- 0.621 deg 回航静倾角衡准数Kor ------- 13.1466. 结 论 : 完整稳性满足《规则》要求51015202530354045505560横倾角(deg)-0.08-0.080.080.080.160.160.240.240.320.320.400.400.480.48l(m)ld(m.adg)第 1 个载况: 满载出港l ldQj装载序号 : 2载况名称 : 满载到港 载况附加说明 :______________________________________________________________________________________________1. 重量重心计算垂向坐标 纵向坐标 横向坐标序号 项 目 重 量 力 臂 重量矩 力 臂 重量矩 力 臂 重量矩(t) (m) (t.m) (m) (t.m) (m) (t.m)1 空 船 185.580 1.978 367.08 -2.858 -530.39 0.000 0.002 船员及行李 0.300 3.850 1.16 -18.000 -5.40 0.000 0.003 10%备 品 0.050 3.200 0.16 -18.500 -0.93 0.000 0.004 10%燃油(1) 0.040 1.450 0.06 -19.350 -0.77 0.000 0.005 10%燃油(2) 0.055 1.650 0.09 -18.000 -0.99 -3.650 -0.206 10%淡 水 0.100 3.500 0.35 -22.700 -2.27 2.180 0.227 生活污水舱柜 1.100 1.900 2.09 -19.300 -21.23 3.300 3.638 货 物 780.000 2.200 1716.00 0.100 78.00 0.000 0.00满载到港 967.225 2.158 2086.98 -0.500 -483.98 0.004 3.652. 浮态和初稳性高度水线船长 Lw ------------- 47.745 m 初始横倾角 Qo --------- 0.116 deg水线船宽 Bs ------------- 9.000 m 进 水 角 Qj --------- 17.828 deg计算吃水 d ------------- 2.538 m 极限静倾角 Qr --------- 8.315 deg艏 吃 水 Tf ------------- 2.572 m 初稳性高度(未修正)GMo ----- 1.865 m艉 吃 水 Ta ------------- 2.509 m 自由液面修正量 △GM ----- 0.009 m最小干舷 F ------------- 0.662 m 初稳性高度(修正后)GM1 ----- 1.856 m受风面积 Af ------------- 82.798 m^2 面积形心垂向坐标 Zf ----- 3.525 m方型系数 Cb ------------- 0.882 进水位置 ------------- 位置 13. 复原力臂曲线角 度 形状稳性力臂 自由液面修正值 复原力臂(修正后) 动稳性力臂(deg) ( m ) ( m ) ( m ) (m.rad)0.00 0.0000 0.0000 -0.0038 0.00005.00 0.3517 0.0008 0.1591 0.006810.00 0.7012 0.0017 0.3212 0.028215.00 0.9850 0.0023 0.4206 0.061020.00 1.2069 0.0025 0.4629 0.099825.00 1.3901 0.0026 0.4722 0.140730.00 1.5431 0.0027 0.4584 0.181535.00 1.6722 0.0027 0.4289 0.220340.00 1.7773 0.0026 0.3849 0.255945.00 1.8594 0.0026 0.3286 0.287150.00 1.9189 0.0025 0.2612 0.312955.00 1.9575 0.0024 0.1856 0.332460.00 1.9766 0.0022 0.1039 0.345165.00 1.9775 0.0020 0.0184 0.350570.00 1.9614 0.0019 -0.0693 0.348375.00 1.9288 0.0016 -0.1579 0.338380.00 1.8806 0.0014 -0.2464 0.32074. 初稳性高度和复原力臂曲线的衡准计算初稳性高度(修正后)GM1 ----- 1.856 m 进 水 角 Qj ------- 17.828 deg 基本初稳性要求值 GMk ----- 0.200 m 进水角对应复原力臂 lj ----- 0.4486 m 初稳性衡准数 Kh ----- 9.278 进水角对应稳性面积 Adj ----- 0.0827 rad.m 最大复原力臂对应角 Qm ----- 24.512 deg 最大复原力臂 lm ------- 0.4723 m 最大力臂对应角要求值Qmk----- 15.000 deg 最大复原力臂要求值lmk ----- ----- m 最大力臂对应角衡准数Klm----- 1.634 最大复原力臂衡准数 Kl ----- -----消 失 角 Qv ----- 66.054 deg 稳性面积(实取) ldu ----- 0.0827 rad.m 消失角要求值 Qvk ----- ----- deg 稳性面积要求值 Ad ----- 0.0553 rad.m 消失角衡准数 Kv ----- ----- 稳性面积衡准数 Kldo ----- 1.4965. 稳性衡准数计算横摇自摇周期 To ------- 5.260 s 系 数 C1 ------- 0.1910 系 数 (实取) C2 ------- 0.4310 系 数 (实取) C3 ------- 0.0156 系 数 C4 ------- 1.0000 横 摇 角 Q1 ------- 11.788 deg进 水 角 Qj ------- 17.828 deg 进水角对应动稳性力臂ldj----- 0.0827 rad.m 极限动倾角(不计横摇)Qdm----- 41.486 deg 极限动倾角对应动力臂ldm----- 0.2656 rad.m 横倾角(实取) Qu ------- 17.828 deg 最小倾覆力臂 lqo ------- 0.2674 m横 摇 幅 度 Qp ------- 11.904 deg 横摇幅度对应动稳性力臂ldp--- 0.0400 rad.m 极限动倾角(计横摇)Qdm ----- 50.432 deg 极限动倾角对应动力臂ldm --- 0.3148 rad.m 横倾角(实取) Qu ------- 17.828 deg 最小倾覆力臂 lq ------- 0.0829 m受风面积 Af ------- 82.798 m^2 面积形心垂向坐标 Zf ------- 3.525 m系 数 ao ------- 1.000 单位计算风压值 P ------- 225.000 Pa 风压倾侧力臂 lf ------- 0.0019 m 风压稳性衡准数 Kf ------- 42.773佛 氏 数 Fr ------- 0.205 系 数 a2 ------- 0.409 系 数 a3 ------- 0.000 回航倾侧力臂 lr ------- 0.0208 m 回航静横倾角 Qr ------- 0.753 deg 回航静倾角衡准数Kor ------- 11.0396. 结 论 : 完整稳性满足《规则》要求51015202530354045505560横倾角(deg)-0.08-0.080.080.080.160.160.240.240.320.320.400.400.480.48l(m)ld(m.adg)第 2 个载况: 满载到港l ld Qj装载序号 : 3载况名称 : 压载到港 载况附加说明 :______________________________________________________________________________________________1. 重量重心计算垂向坐标 纵向坐标 横向坐标序号 项 目 重 量 力 臂 重量矩 力 臂 重量矩 力 臂 重量矩(t) (m) (t.m) (m) (t.m) (m) (t.m)1 空 船 185.580 1.978 367.08 -2.858 -530.39 0.000 0.002 船员及行李 0.300 3.850 1.16 -18.000 -5.40 0.000 0.003 10%备 品 0.050 3.200 0.16 -18.500 -0.93 0.000 0.004 10%燃油(1) 0.040 1.450 0.06 -19.350 -0.77 0.000 0.005 10%燃油(2) 0.055 1.650 0.09 -18.000 -0.99 -3.650 -0.206 10%淡 水 0.100 3.500 0.35 -22.700 -2.27 2.180 0.227 生活污水舱柜 1.100 1.900 2.09 -19.300 -21.23 3.300 3.638 尾压载水 30.000 2.100 63.00 -20.900 -627.00 0.000 0.009 首压载水 44.000 2.100 92.40 19.000 836.00 0.000 0.00压载到港 261.225 2.015 526.38 -1.351 -352.98 0.014 3.652. 浮态和初稳性高度水线船长 Lw ------------- 44.283 m 初始横倾角 Qo --------- 0.149 deg水线船宽 Bs ------------- 8.988 m 进 水 角 Qj --------- 73.118 deg计算吃水 d ------------- 0.740 m 极限静倾角 Qr --------- 5.720 deg艏 吃 水 Tf ------------- 0.567 m 初稳性高度(未修正)GMo ----- 6.224 m艉 吃 水 Ta ------------- 0.913 m 自由液面修正量 △GM ----- 0.845 m最小干舷 F ------------- 2.460 m 初稳性高度(修正后)GM1 ----- 5.379 m受风面积 Af ------------- 165.187 m^2 面积形心垂向坐标 Zf ----- 2.593 m方型系数 Cb ------------- 0.813 进水位置 ------------- 位置 13. 复原力臂曲线角 度 形状稳性力臂 自由液面修正值 复原力臂(修正后) 动稳性力臂(deg) ( m ) ( m ) ( m ) (m.rad)0.00 0.0000 0.0000 -0.0140 0.00005.00 0.8142 0.0543 0.5703 0.024710.00 1.5762 0.1095 1.1031 0.099115.00 2.1349 0.1641 1.4358 0.211320.00 2.4883 0.2036 1.5824 0.343625.00 2.7341 0.2329 1.6371 0.484530.00 2.9082 0.2471 1.6416 0.627735.00 3.0332 0.2521 1.6139 0.770040.00 3.1136 0.2513 1.5564 0.908645.00 3.1412 0.2463 1.4603 1.040550.00 3.1149 0.2379 1.3245 1.162355.00 3.0408 0.2267 1.1556 1.270660.00 2.9319 0.2131 0.9669 1.363365.00 2.7918 0.1974 0.7624 1.438970.00 2.6243 0.1798 0.5462 1.496075.00 2.4321 0.1607 0.3214 1.533980.00 2.2182 0.1402 0.0912 1.55204. 初稳性高度和复原力臂曲线的衡准计算初稳性高度(修正后)GM1 ----- 5.379 m 进 水 角 Qj ------- 73.118 deg 基本初稳性要求值 GMk ----- 0.200 m 进水角对应复原力臂 lj ----- 0.4067 m 初稳性衡准数 Kh ----- 26.896 进水角对应稳性面积 Adj ----- 1.5220 rad.m 最大复原力臂对应角 Qm ----- 28.204 deg 最大复原力臂 lm ------- 1.6437 m 最大力臂对应角要求值Qmk----- 15.000 deg 最大复原力臂要求值lmk ----- ----- m 最大力臂对应角衡准数Klm----- 1.880 最大复原力臂衡准数 Kl ----- -----消 失 角 Qv ----- 82.005 deg 复原力臂(实取) lu ----- 1.6437 m 消失角要求值 Qvk ----- ----- deg 复原力臂要求值 lk ----- ----- m 消失角衡准数 Kv ----- ----- 复原力臂衡准数 Klu ----- -----5. 稳性衡准数计算横摇自摇周期 To ------- 5.044 s 系 数 C1 ------- 0.1962 系 数 (实取) C2 ------- 0.9179 系 数 (实取) C3 ------- 0.0324 系 数 C4 ------- 1.0000 横 摇 角 Q1 ------- 12.271 deg进 水 角 Qj ------- 73.118 deg 进水角对应动稳性力臂ldj----- 1.5220 rad.m 极限动倾角(不计横摇)Qdm----- 49.429 deg 极限动倾角对应动力臂ldm----- 1.1490 rad.m 横倾角(实取) Qu ------- 49.429 deg 最小倾覆力臂 lqo ------- 1.3360 m横 摇 幅 度 Qp ------- 12.419 deg 横摇幅度对应动稳性力臂ldp--- 0.1509 rad.m 极限动倾角(计横摇)Qdm ----- 60.020 deg 极限动倾角对应动力臂ldm --- 1.3637 rad.m 横倾角(实取) Qu ------- 60.020 deg 最小倾覆力臂 lq ------- 0.9633 m受风面积 Af ------- 165.187 m^2 面积形心垂向坐标 Zf ------- 2.593 m系 数 ao ------- 0.500 单位计算风压值 P ------- 258.108 Pa 风压倾侧力臂 lf ------- 0.0370 m 风压稳性衡准数 Kf ------- 26.028佛 氏 数 Fr ------- 0.213 系 数 a2 ------- 0.000 系 数 a3 ------- 0.000 回航倾侧力臂 lr ------- 0.0404 m 回航静横倾角 Qr ------- 0.447 deg 回航静倾角衡准数Kor ------- 12.7896. 结 论 : 完整稳性满足《规则》要求61218243036424854606672横倾角(deg)-0.36-0.300.360.300.720.601.080.901.44 1.201.80 1.502.16 1.80l(m)ld(m.adg)第 3 个载况: 压载到港lldQj。
船舶稳性和吃水差计算船舶稳性和吃水差计算Ship stability and trim calculations1.总则General rules保证船舶稳性和强度在任何时候都保持在船级社认可的稳性计算书规定范围内,防止因受载不当,产生应力集中造成船体结构永久性变形或损伤。
Ensure stability and strength of the ship at all times to maintain stability within stability calculations approved by the classification societies in order to prevent due to load improperly resulting in stress concentration which will cause the ship structure permanent deformation or subversion.2.适用范围Sphere of application公司所属和代管船舶的稳性、强度要求To satisfy the requirement of company owned and managed ships stability and strength3.责任Responsibility3.1.大副根据本船《装载手册》或《稳性计算手册》等法定装载资料,负责合理配载或对相关部门提供的预配方案进行核算,确保船舶稳性及强度处于安全允许值范围。
Based on the ship "loading manual" or "stability calculations manual" and other legal loading information, the chief officer is responsible for making reasonable stowage plan or adjust accounts of the pre plan from relevant departments to ensure stability and strength of the ship in a safe range of allowed values.3.2.船长负责审批大副确认的配载方案和稳性计算。
船舶静力学计算及稳性衡准系统V4.0(0406)WH00033* * * * * * * * * * * * * * * ** * * * * * * * * * * * * * * * * * * * * * * * * ** ** ** 船舶完整稳性计算书** ** ** * * * * * * * * * * * * * * ** * * * * * * * * * * * * * * * * * * * * * * * * *船名: 杨小城船数据库名: 杨小城船.mdy图纸号:委托单位:计算标识:计算单位: 扬州华海船舶设计有限公司计算签名:审核签名:批准签名:计算日期: 2009 年04 月11 日程序编制单位: 中国船级社武汉规范研究所船舶稳性计算书CALCULTION ON STABILITY一概述1选用规范: 2004年版《内河船舶法定检验技术规则》第六篇稳性(以下简称《规则》)2船舶种类: 干货船---- 货船3航区: J2级航段, A级航区4主要要素:船长L -------------------- 110.000 m垂线间长Lp -------------------- 106.300 m型宽 B -------------------- 19.200 m型深 D -------------------- 7.060 m设计吃水T -------------------- 6.300 m舭龙骨面积Ab -------------------- 0.000 m^2设计航速Vm -------------------- 16.000 km/h水的重量密度r -------------------- 1.000 t/m^3船型特征TYPE -------------------- 常规船型5计算说明: 本计算书用静水力数据计算进水位置极限静倾位置项目垂向坐标纵向坐标横向坐标垂向坐标纵向坐标横向坐标单位(m) (m) (m) (m) (m) (m)位置 1 7.580 -41.210 7.600 7.080 0.000 9.6006结论: 本船完整稳性满足《规则》要求二使用说明1稳性计算书中所取的装载情况是船舶设计的基本情况,若船舶在营运中的实际装载超过稳性计算书中的基本情况时,应在船舶出航前核算稳性,以保证船舶的航行安全.2船舶稳性不符合规范要求而必须采用永久性水压载时,须征得用船单位和验船部门的同意,并采取有效措施,以保证压载的可靠性.3稳性计算虽已符合规范要求,但船长仍应注意船舶装载,气象和水文情况,并谨慎驾驶.4在使用最大许用重心高度曲线(没有计入自由液面影响)来判断船舶稳性是否满足规范要求时,应根据具体装载情况计入自由液面影响.三船舶稳性总结表序号项目单位符号与公式满载出港满载到港满载出港1 排水量t △11475.000 11409.300 11679.0002 计算吃水m d 6.000 5.968 6.1003 艏吃水m Tf 6.553 6.610 6.6684 艉吃水m Ta 5.490 5.375 5.5765 重心垂向坐标m KG 4.312 4.293 4.3156 初稳性高度(未修正) m GMo 4.214 4.247 4.1657 初稳性高度(修正后) m GM1 4.202 4.236 4.1548 进水角deg Qj 11.334 11.570 10.6039 极限静倾角deg Qr 6.396 6.588 5.80010 基本初稳性要求值m GMk 0.200 0.200 0.20011 初稳性衡准数Kh 21.012 21.178 20.76812 最大复原力臂对应角deg Qm 25.990 26.414 25.08913 最大力臂对应角要求值deg Qmk ----- ----- -----14 最大力臂对应角衡准数Klm ----- ----- -----15 最大复原力臂m lm 0.9977 1.0338 0.924316 最大复原力臂要求值m lmk ----- ----- -----17 最大复原力臂衡准数Kl ----- ----- -----18 进水角对应复原力臂m lj 0.7418 0.7719 0.676019 复原力臂要求值m lk ----- ----- -----20 复原力臂衡准数Klu ----- ----- -----21 稳性面积(实取) rad.m ldu 0.0781 0.0834 0.066722 稳性面积要求值rad.m Ad 0.0637 0.0634 0.064423 稳性面积衡准数Kldo 1.227 1.314 1.03624 消失角deg Qv 76.515 77.448 75.38425 消失角要求值Qvk ----- ----- -----26 消失角衡准数Kv ----- ----- -----27 进水角要求值Qjk ----- ----- -----28 进水角衡准数Koj ----- ----- -----29 横摇角deg Q1 5.898 5.911 5.90030 最小倾覆力臂m lq 0.1861 0.1990 0.155531 最小倾覆力臂m lqo 0.3975 0.4131 0.362932 风压倾侧力臂m lf 0.0025 0.0026 0.002433 风压稳性衡准数K 74.077 77.678 65.72234 水流倾侧力臂m lj 0.0281 0.0280 0.027135 急流稳性衡准数Kj 14.154 14.735 13.40936 回航倾侧力矩kN.m Mr 1483.178 1470.851 1470.07137 回航静倾角计算值deg Qrk 0.250 0.183 0.24338 回航静倾角衡准数Kor 25.623 35.929 23.88539 完整稳性衡准结论满足满足满足序号项目单位符号与公式满载到港空载出港空载到港1 排水量t △11613.300 1609.000 1543.3002 计算吃水m d 6.068 0.995 0.9593 艏吃水m Tf 6.724 0.604 0.6854 艉吃水m Ta 5.462 1.371 1.2225 重心垂向坐标m KG 4.296 3.063 2.8706 初稳性高度(未修正) m GMo 4.198 29.626 30.8477 初稳性高度(修正后) m GM1 4.187 28.139 29.2978 进水角deg Qj 10.839 77.344 78.1669 极限静倾角deg Qr 5.992 14.000 14.00010 基本初稳性要求值m GMk 0.200 0.200 0.20011 初稳性衡准数Kh 20.934 140.693 146.48412 最大复原力臂对应角deg Qm 25.553 23.089 23.09613 最大力臂对应角要求值deg Qmk ----- ----- -----14 最大力臂对应角衡准数Klm ----- ----- -----15 最大复原力臂m lm 0.9596 4.7620 4.891616 最大复原力臂要求值m lmk ----- 0.2500 0.250017 最大复原力臂衡准数Kl ----- 19.048 19.56618 进水角对应复原力臂m lj 0.7048 1.8458 1.957319 复原力臂要求值m lk ----- ----- -----20 复原力臂衡准数Klu ----- ----- -----21 稳性面积(实取) rad.m ldu 0.0715 1.4711 1.521822 稳性面积要求值rad.m Ad 0.0642 ----- -----23 稳性面积衡准数Kldo 1.114 ----- -----24 消失角deg Qv 76.400 100.981 103.75025 消失角要求值Qvk ----- ----- -----26 消失角衡准数Kv ----- ----- -----27 进水角要求值Qjk ----- ----- -----28 进水角衡准数Koj ----- ----- -----29 横摇角deg Q1 5.914 9.132 8.96830 最小倾覆力臂m lq 0.1679 3.1344 3.251731 最小倾覆力臂m lqo 0.3781 4.0825 4.205732 风压倾侧力臂m lf 0.0024 0.1021 0.106933 风压稳性衡准数K 69.622 30.712 30.41034 水流倾侧力臂m lj 0.0270 0.0628 0.058435 急流稳性衡准数Kj 13.996 65.007 72.02136 回航倾侧力矩kN.m Mr 1458.226 408.202 367.02737 回航静倾角计算值deg Qrk 0.178 0.091 0.03838 回航静倾角衡准数Kor 33.644 154.109 365.36539 完整稳性衡准结论满足满足满足四最大许用重心高度曲线( 没有计入自由液面影响单位: m )序号项目\排水量(t) 900.000 1800.000 2700.000 3600.000 4500.0001 风压稳性衡准要求31.205 25.668 19.274 15.496 13.5402 急流稳性衡准要求30.000 25.235 17.247 13.765 12.2673 最大力臂对应角衡准要求----- ----- ----- ----- -----4 最大复原力臂衡准要求----- ----- ----- ----- -----5 复原力臂衡准要求----- ----- ----- ----- -----6 稳性面积衡准要求32.567 22.953 16.773 13.801 12.3367 消失角衡准要求----- ----- ----- ----- -----8 初稳性衡准要求53.212 29.462 20.137 16.188 13.6319 回航静倾角衡准要求24.921 21.393 18.029 15.405 13.509∑最大许用重心高度曲线24.921 21.393 16.773 13.765 12.267序号项目\排水量(t) 5400.000 6300.000 7200.000 8100.000 9000.0001 风压稳性衡准要求12.234 11.236 10.442 9.802 9.2422 急流稳性衡准要求11.290 10.464 9.733 9.078 8.5513 最大力臂对应角衡准要求----- ----- ----- ----- -----4 最大复原力臂衡准要求----- ----- ----- ----- -----5 复原力臂衡准要求----- 10.713 9.924 9.153 -----6 稳性面积衡准要求11.430 ----- ----- ----- 8.2787 消失角衡准要求----- ----- ----- ----- -----8 初稳性衡准要求12.019 10.898 10.070 9.459 9.0199 回航静倾角衡准要求12.063 10.933 10.104 9.526 9.078∑最大许用重心高度曲线11.290 10.464 9.733 9.078 8.278序号项目\排水量(t) 9900.000 10800.000 11700.000 12600.000 13500.0001 风压稳性衡准要求8.928 8.570 8.067 7.495 0.0002 急流稳性衡准要求8.157 7.765 7.293 6.929 -----3 最大力臂对应角衡准要求----- ----- ----- ----- -----4 最大复原力臂衡准要求----- ----- ----- ----- -----5 复原力臂衡准要求----- ----- ----- ----- -----6 稳性面积衡准要求7.559 6.511 4.451 0.000 0.0007 消失角衡准要求----- ----- ----- ----- -----8 初稳性衡准要求8.708 8.477 8.275 8.054 7.7629 回航静倾角衡准要求8.727 8.409 7.923 7.621 5.995∑最大许用重心高度曲线7.559 6.511 4.451 0.000 0.000五受风面积计算侧投影面积形心高度序号项目面积满实系数流线系数受风面积垂向坐标面积矩修正系数(m^2) (m^2) (m) (m^3)1 舷墙19.400 1.000 1.000 19.400 7.950 154.23 1.0002 舱口围板64.000 1.000 1.000 64.000 7.525 481.60 1.0003 货物超过围板25.000 1.000 1.000 25.000 7.900 197.50 1.0004 甲板室88.800 1.000 1.000 88.800 12.000 1065.60 1.0005 其他21.000 1.000 1.000 21.000 9.000 189.00 1.0006 非满实面积23.064 10.939 252.30 1.0007 主甲板至水线(1) 154.810 6.746 1044.40 1.0008 主甲板至水线(2) 158.330 6.730 1065.50 1.0009 主甲板至水线(3) 143.878 6.798 978.15 1.00010 主甲板至水线(4) 147.399 6.782 999.61 1.00011 主甲板至水线(5) 698.120 4.229 2952.03 1.00012 主甲板至水线(6) 701.869 4.211 2955.71 1.000----------------------------------------------------------------------------------------------1 满载出港396.073 8.545 3384.63 1.0002 满载到港399.593 8.523 3405.73 1.0003 满载出港385.142 8.616 3318.38 1.0004 满载到港388.662 8.593 3339.84 1.0005 空载出港939.383 5.634 5292.26 1.0006 空载到港943.133 5.615 5295.94 1.000----------------------------------------------------------------------------------------------满载出港∑= (1)+(2)+(3)+(4)+(5)+(6)+(7)满载到港∑= (1)+(2)+(3)+(4)+(5)+(6)+(8)满载出港∑= (1)+(2)+(3)+(4)+(5)+(6)+(9)满载到港∑= (1)+(2)+(3)+(4)+(5)+(6)+(10)空载出港∑= (1)+(2)+(3)+(4)+(5)+(6)+(11)空载到港∑= (1)+(2)+(3)+(4)+(5)+(6)+(12)六自由液面修正计算1. 舱柜尺寸序号舱名舱类说明体积长度宽度高度密度载量系数惯性矩横倾力矩(30)(m^3) (m) (m) (m) (t/m^3) (m^4) (kN.m)1 燃油舱柜单舱93.60 2.750 8.800 3.890 0.840 0.730 156.2 681.04 X2 艉尖舱单舱422.40 4.400 18.340 6.460 1.000 0.200 2261.9 7380.14 X 2. 初稳性高度修正计算序号舱名舱类说明惯性矩满载出港满载到港满载出港1 燃油舱柜单舱156.2 0.011 0.011 0.0112 艉尖舱单舱2261.9 ----- ----- -----------------------------------------------------------------------------------------------对初稳性高度修正(m )0.011 0.011 0.011序号舱名舱类说明惯性矩满载到港空载出港空载到港1 燃油舱柜单舱156.2 0.011 0.082 0.0852 艉尖舱单舱2261.9 ----- 1.406 1.466------------------------------------------------------------------------------------------对初稳性高度修正(m )0.011 1.487 1.551 七各种装载稳性计算装载序号: 1载况名称: 满载出港载况附加说明: 不计算特殊稳性衡准______________________________________________________________________________________________1. 重量重心计算垂向坐标纵向坐标横向坐标序号项目重量力臂重量矩力臂重量矩力臂重量矩(t) (m) (t.m) (m) (t.m) (m) (t.m)1 空船1450.000 2.850 4132.50 -1.165 -1689.25 0.000 0.002 船员及行李 2.000 12.800 25.60 -44.400 -88.80 0.000 0.003 备品 5.000 12.500 62.50 -43.000 -215.00 0.000 0.004 清水10.000 14.600 146.00 -48.250 -482.50 -6.170 -61.705 货物9950.000 4.500 44775.00 0.400 3980.00 0.000 0.006 燃油55.000 5.800 319.00 -49.840 -2741.20 0.000 0.007 滑油 3.000 5.200 15.60 -48.450 -145.35 0.000 0.00满载出港11475.000 4.312 49476.20 -0.120 -1382.10 -0.005 -61.70 2. 浮态和初稳性高度水线船长Lw ------------- 108.618 m 初始横倾角Qo --------- 0.073 deg水线船宽Bs ------------- 19.200 m 进水角Qj --------- 11.334 deg计算吃水 d ------------- 6.000 m 极限静倾角Qr --------- 6.396 deg艏吃水Tf ------------- 6.553 m 初稳性高度(未修正)GMo ----- 4.214 m艉吃水Ta ------------- 5.490 m 自由液面修正量△GM ----- 0.011 m 最小干舷 F ------------- 1.060 m 初稳性高度(修正后)GM1 ----- 4.202 m受风面积Af ------------- 396.073 m^2 面积形心垂向坐标Zf ----- 8.545 m方型系数Cb ------------- 0.933 进水位置------------- 位置13. 复原力臂曲线角度形状稳性力臂自由液面修正值复原力臂(修正后) 动稳性力臂(deg) ( m ) ( m ) ( m ) (m.rad)0.00 0.0000 0.0000 -0.0054 0.00005.00 0.7332 0.0010 0.3511 0.015310.00 1.4315 0.0020 0.6755 0.061015.00 2.0051 0.0030 0.8810 0.129820.00 2.4536 0.0041 0.9699 0.211025.00 2.8291 0.0053 0.9969 0.297130.00 3.1516 0.0060 0.9852 0.383735.00 3.4337 0.0064 0.9499 0.468340.00 3.6763 0.0066 0.8942 0.549045.00 3.8738 0.0066 0.8147 0.623750.00 4.0290 0.0065 0.7163 0.690655.00 4.1417 0.0063 0.6005 0.748260.00 4.2163 0.0061 0.4737 0.795165.00 4.2509 0.0057 0.3354 0.830470.00 4.2513 0.0053 0.1927 0.853575.00 4.2160 0.0049 0.0451 0.863980.00 4.1468 0.0044 -0.1046 0.86134. 初稳性高度和复原力臂曲线的衡准计算初稳性高度(修正后)GM1 ----- 4.202 m 进水角Qj ------- 11.334 deg基本初稳性要求值GMk ----- 0.200 m 进水角对应复原力臂lj ----- 0.7418 m 初稳性衡准数Kh ----- 21.012 进水角对应稳性面积Adj ----- 0.0781 rad.m最大复原力臂对应角Qm ----- 25.990 deg 最大复原力臂lm ------- 0.9977 m 最大力臂对应角要求值Qmk----- ----- deg 最大复原力臂要求值lmk ----- ----- m最大力臂对应角衡准数Klm----- ----- 最大复原力臂衡准数Kl ----- -----消失角Qv ----- 76.515 deg 稳性面积(实取) ldu ----- 0.0781 rad.m消失角要求值Qvk ----- ----- deg 稳性面积要求值Ad ----- 0.0637 rad.m 消失角衡准数Kv ----- ----- 稳性面积衡准数Kldo ----- 1.2275. 稳性衡准数计算横摇自摇周期To ------- 7.239 s 系数C1 ------- 0.0850系数(实取) C2 ------- 0.3968 系数(实取) C3 ------- 0.0114系数C4 ------- 1.0000 横摇角Q1 ------- 5.898 deg进水角Qj ------- 11.334 deg 进水角对应动稳性力臂ldj----- 0.0781 rad.m极限动倾角(不计横摇)Qdm----- 45.898 deg 极限动倾角对应动力臂ldm----- 0.6363 rad.m 横倾角(实取) Qu ------- 11.334 deg 最小倾覆力臂lqo ------- 0.3975 m横摇幅度Qp ------- 5.971 deg 横摇幅度对应动稳性力臂ldp--- 0.0224 rad.m 极限动倾角(计横摇)Qdm ----- 51.256 deg 极限动倾角对应动力臂ldm --- 0.7059 rad.m 横倾角(实取) Qu ------- 11.334 deg 最小倾覆力臂lq ------- 0.1861 m受风面积Af ------- 396.073 m^2 面积形心垂向坐标Zf ------- 8.545 m系数ao ------- 1.000 单位计算风压值P ------- 280.405 Pa风压倾侧力臂lf ------- 0.0025 m 风压稳性衡准数Kf ------- 74.077急流系数Cj ------- 0.377 系数a1 ------- 0.028水流倾侧力臂lj ------- 0.0281 m 急流稳性衡准数Kj ------- 14.154佛氏数Fr ------- 0.136 系数a2 ------- 0.450系数a3 ------- 0.000 回航倾侧力臂lr ------- 0.0132 m回航静横倾角Qr ------- 0.250 deg 回航静倾角衡准数Kor ------- 25.6236. 结论: 满足《规则》要求装载序号: 2载况名称: 满载到港载况附加说明: 不计算特殊稳性衡准______________________________________________________________________________________________ 1. 重量重心计算垂向坐标纵向坐标横向坐标序号项目重量力臂重量矩力臂重量矩力臂重量矩(t) (m) (t.m) (m) (t.m) (m) (t.m)1 空船1450.000 2.850 4132.50 -1.165 -1689.25 0.000 0.002 船员及行李 2.000 12.800 25.60 -44.400 -88.80 0.000 0.003 货物9950.000 4.500 44775.00 0.400 3980.00 0.000 0.004 备品(9) 0.500 12.000 6.00 -43.000 -21.50 0.000 0.005 清水(9) 1.000 14.000 14.00 -48.250 -48.25 -6.170 -6.176 燃油(9) 5.500 4.320 23.76 -49.840 -274.12 0.000 0.007 滑油(9) 0.300 4.330 1.30 -48.450 -14.54 0.000 0.00满载到港11409.300 4.293 48978.16 0.162 1843.55 -0.001 -6.172. 浮态和初稳性高度水线船长Lw ------------- 108.607 m 初始横倾角Qo --------- 0.007 deg水线船宽Bs ------------- 19.200 m 进水角Qj --------- 11.570 deg计算吃水 d ------------- 5.968 m 极限静倾角Qr --------- 6.588 deg艏吃水Tf ------------- 6.610 m 初稳性高度(未修正)GMo ----- 4.247 m艉吃水Ta ------------- 5.375 m 自由液面修正量△GM ----- 0.011 m最小干舷 F ------------- 1.092 m 初稳性高度(修正后)GM1 ----- 4.236 m受风面积Af ------------- 399.593 m^2 面积形心垂向坐标Zf ----- 8.523 m方型系数Cb ------------- 0.933 进水位置------------- 位置13. 复原力臂曲线角度形状稳性力臂自由液面修正值复原力臂(修正后) 动稳性力臂(deg) ( m ) ( m ) ( m ) (m.rad)0.00 0.0000 0.0000 -0.0005 0.00005.00 0.7350 0.0010 0.3594 0.015910.00 1.4398 0.0020 0.6919 0.062615.00 2.0205 0.0031 0.9059 0.133220.00 2.4737 0.0042 1.0009 0.216925.00 2.8522 0.0053 1.0322 0.305930.00 3.1764 0.0061 1.0236 0.395735.00 3.4594 0.0065 0.9904 0.483840.00 3.7021 0.0066 0.9358 0.568045.00 3.8989 0.0067 0.8566 0.646450.00 4.0527 0.0066 0.7575 0.716955.00 4.1633 0.0064 0.6403 0.778060.00 4.2355 0.0061 0.5116 0.828365.00 4.2672 0.0058 0.3707 0.866970.00 4.2646 0.0054 0.2252 0.892975.00 4.2261 0.0049 0.0746 0.906080.00 4.1536 0.0044 -0.0784 0.90594. 初稳性高度和复原力臂曲线的衡准计算初稳性高度(修正后)GM1 ----- 4.236 m 进水角Qj ------- 11.570 deg基本初稳性要求值GMk ----- 0.200 m 进水角对应复原力臂lj ----- 0.7719 m 初稳性衡准数Kh ----- 21.178 进水角对应稳性面积Adj ----- 0.0834 rad.m最大复原力臂对应角Qm ----- 26.414 deg 最大复原力臂lm ------- 1.0338 m 最大力臂对应角要求值Qmk----- ----- deg 最大复原力臂要求值lmk ----- ----- m最大力臂对应角衡准数Klm----- ----- 最大复原力臂衡准数Kl ----- -----消失角Qv ----- 77.448 deg 稳性面积(实取) ldu ----- 0.0834 rad.m消失角要求值Qvk ----- ----- deg 稳性面积要求值Ad ----- 0.0634 rad.m 消失角衡准数Kv ----- ----- 稳性面积衡准数Kldo ----- 1.3145. 稳性衡准数计算横摇自摇周期To ------- 7.222 s 系数C1 ------- 0.0853系数(实取) C2 ------- 0.3970 系数(实取) C3 ------- 0.0114系数C4 ------- 1.0000 横摇角Q1 ------- 5.911 deg进水角Qj ------- 11.570 deg 进水角对应动稳性力臂ldj----- 0.0834 rad.m极限动倾角(不计横摇)Qdm----- 46.654 deg 极限动倾角对应动力臂ldm----- 0.6706 rad.m 横倾角(实取) Qu ------- 11.570 deg 最小倾覆力臂lqo ------- 0.4131 m横摇幅度Qp ------- 5.918 deg 横摇幅度对应动稳性力臂ldp--- 0.0227 rad.m 极限动倾角(计横摇)Qdm ----- 51.930 deg 极限动倾角对应动力臂ldm --- 0.7416 rad.m 横倾角(实取) Qu ------- 11.570 deg 最小倾覆力臂lq ------- 0.1990 m受风面积Af ------- 399.593 m^2 面积形心垂向坐标Zf ------- 8.523 m系数ao ------- 1.000 单位计算风压值P ------- 280.703 Pa风压倾侧力臂lf ------- 0.0026 m 风压稳性衡准数Kf ------- 77.678急流系数Cj ------- 0.377 系数a1 ------- 0.028水流倾侧力臂lj ------- 0.0280 m 急流稳性衡准数Kj ------- 14.735佛氏数Fr ------- 0.136 系数a2 ------- 0.450系数a3 ------- 0.000 回航倾侧力臂lr ------- 0.0131 m回航静横倾角Qr ------- 0.183 deg 回航静倾角衡准数Kor ------- 35.9296. 结论: 满足《规则》要求装载序号: 3载况名称: 满载出港载况附加说明: 不计算特殊稳性衡准______________________________________________________________________________________________ 1. 重量重心计算垂向坐标纵向坐标横向坐标序号项目重量力臂重量矩力臂重量矩力臂重量矩(t) (m) (t.m) (m) (t.m) (m) (t.m)1 空船1450.000 2.850 4132.50 -1.165 -1689.25 0.000 0.002 船员及行李 2.000 12.800 25.60 -44.400 -88.80 0.000 0.003 备品 5.000 12.500 62.50 -43.000 -215.00 0.000 0.004 清水10.000 14.600 146.00 -48.250 -482.50 -6.170 -61.705 燃油55.000 5.800 319.00 -49.840 -2741.20 0.000 0.006 滑油 3.000 5.200 15.60 -48.450 -145.35 0.000 0.007 货物(9) 10154.000 4.500 45693.00 0.400 4061.60 0.000 0.00满载出港11679.000 4.315 50394.20 -0.111 -1300.50 -0.005 -61.702. 浮态和初稳性高度水线船长Lw ------------- 108.651 m 初始横倾角Qo --------- 0.073 deg水线船宽Bs ------------- 19.200 m 进水角Qj --------- 10.603 deg计算吃水 d ------------- 6.100 m 极限静倾角Qr --------- 5.800 deg艏吃水Tf ------------- 6.668 m 初稳性高度(未修正)GMo ----- 4.165 m艉吃水Ta ------------- 5.576 m 自由液面修正量△GM ----- 0.011 m最小干舷 F ------------- 0.960 m 初稳性高度(修正后)GM1 ----- 4.154 m受风面积Af ------------- 385.142 m^2 面积形心垂向坐标Zf ----- 8.616 m方型系数Cb ------------- 0.935 进水位置------------- 位置13. 复原力臂曲线角度形状稳性力臂自由液面修正值复原力臂(修正后) 动稳性力臂(deg) ( m ) ( m ) ( m ) (m.rad)0.00 0.0000 0.0000 -0.0053 0.00005.00 0.7274 0.0010 0.3451 0.015210.00 1.4045 0.0020 0.6481 0.059415.00 1.9562 0.0030 0.8314 0.124820.00 2.3908 0.0041 0.9061 0.201025.00 2.7577 0.0052 0.9243 0.281130.00 3.0752 0.0059 0.9074 0.361235.00 3.3545 0.0063 0.8690 0.438840.00 3.5965 0.0065 0.8126 0.512445.00 3.7961 0.0065 0.7349 0.580050.00 3.9555 0.0064 0.6405 0.640155.00 4.0745 0.0062 0.5308 0.691360.00 4.1568 0.0060 0.4115 0.732565.00 4.2004 0.0056 0.2820 0.762870.00 4.2102 0.0052 0.1486 0.781675.00 4.1846 0.0048 0.0107 0.788680.00 4.1256 0.0043 -0.1290 0.78344. 初稳性高度和复原力臂曲线的衡准计算初稳性高度(修正后)GM1 ----- 4.154 m 进水角Qj ------- 10.603 deg 基本初稳性要求值GMk ----- 0.200 m 进水角对应复原力臂lj ----- 0.6760 m 初稳性衡准数Kh ----- 20.768 进水角对应稳性面积Adj ----- 0.0667 rad.m最大复原力臂对应角Qm ----- 25.089 deg 最大复原力臂lm ------- 0.9243 m 最大力臂对应角要求值Qmk----- ----- deg 最大复原力臂要求值lmk ----- ----- m 最大力臂对应角衡准数Klm----- ----- 最大复原力臂衡准数Kl ----- -----消失角Qv ----- 75.384 deg 稳性面积(实取) ldu ----- 0.0667 rad.m 消失角要求值Qvk ----- ----- deg 稳性面积要求值Ad ----- 0.0644 rad.m 消失角衡准数Kv ----- ----- 稳性面积衡准数Kldo ----- 1.0365. 稳性衡准数计算横摇自摇周期To ------- 7.247 s 系数C1 ------- 0.0848系数(实取) C2 ------- 0.3939 系数(实取) C3 ------- 0.0112系数C4 ------- 1.0000 横摇角Q1 ------- 5.900 deg进水角Qj ------- 10.603 deg 进水角对应动稳性力臂ldj----- 0.0667 rad.m极限动倾角(不计横摇)Qdm----- 44.556 deg 极限动倾角对应动力臂ldm----- 0.5743 rad.m横倾角(实取) Qu ------- 10.603 deg 最小倾覆力臂lqo ------- 0.3629 m横摇幅度Qp ------- 5.972 deg 横摇幅度对应动稳性力臂ldp--- 0.0221 rad.m极限动倾角(计横摇)Qdm ----- 50.168 deg 极限动倾角对应动力臂ldm --- 0.6420 rad.m横倾角(实取) Qu ------- 10.603 deg 最小倾覆力臂lq ------- 0.1555 m受风面积Af ------- 385.142 m^2 面积形心垂向坐标Zf ------- 8.616 m系数ao ------- 1.000 单位计算风压值P ------- 279.497 Pa风压倾侧力臂lf ------- 0.0024 m 风压稳性衡准数Kf ------- 65.722急流系数Cj ------- 0.377 系数a1 ------- 0.027水流倾侧力臂lj ------- 0.0271 m 急流稳性衡准数Kj ------- 13.409佛氏数Fr ------- 0.136 系数a2 ------- 0.450系数a3 ------- 0.000 回航倾侧力臂lr ------- 0.0128 m回航静横倾角Qr ------- 0.243 deg 回航静倾角衡准数Kor ------- 23.8856. 结论: 满足《规则》要求装载序号: 4载况名称: 满载到港载况附加说明: 不计算特殊稳性衡准______________________________________________________________________________________________ 1. 重量重心计算垂向坐标纵向坐标横向坐标序号项目重量力臂重量矩力臂重量矩力臂重量矩(t) (m) (t.m) (m) (t.m) (m) (t.m)1 空船1450.000 2.850 4132.50 -1.165 -1689.25 0.000 0.002 船员及行李 2.000 12.800 25.60 -44.400 -88.80 0.000 0.003 备品(9) 0.500 12.000 6.00 -43.000 -21.50 0.000 0.004 清水(9) 1.000 14.000 14.00 -48.250 -48.25 -6.170 -6.175 燃油(9) 5.500 4.320 23.76 -49.840 -274.12 0.000 0.006 滑油(9) 0.300 4.330 1.30 -48.450 -14.54 0.000 0.007 货物(9) 10154.000 4.500 45693.00 0.400 4061.60 0.000 0.00满载到港11613.300 4.296 49896.16 0.166 1925.14 -0.001 -6.17 2. 浮态和初稳性高度水线船长Lw ------------- 108.640 m 初始横倾角Qo --------- 0.007 deg水线船宽Bs ------------- 19.200 m 进水角Qj --------- 10.839 deg计算吃水 d ------------- 6.068 m 极限静倾角Qr --------- 5.992 deg艏吃水Tf ------------- 6.724 m 初稳性高度(未修正)GMo ----- 4.198 m艉吃水Ta ------------- 5.462 m 自由液面修正量△GM ----- 0.011 m 最小干舷 F ------------- 0.992 m 初稳性高度(修正后)GM1 ----- 4.187 m受风面积Af ------------- 388.662 m^2 面积形心垂向坐标Zf ----- 8.593 m方型系数Cb ------------- 0.934 进水位置------------- 位置13. 复原力臂曲线角度形状稳性力臂自由液面修正值复原力臂(修正后) 动稳性力臂(deg) ( m ) ( m ) ( m ) (m.rad)0.00 0.0000 0.0000 -0.0005 0.00005.00 0.7293 0.0010 0.3533 0.015710.00 1.4134 0.0020 0.6648 0.061015.00 1.9721 0.0030 0.8567 0.128220.00 2.4111 0.0041 0.9372 0.206925.00 2.7807 0.0052 0.9594 0.289930.00 3.0997 0.0060 0.9452 0.373235.00 3.3799 0.0064 0.9089 0.454240.00 3.6221 0.0065 0.8537 0.531345.00 3.8211 0.0065 0.7763 0.602650.00 3.9792 0.0064 0.6813 0.666355.00 4.0961 0.0063 0.5703 0.721060.00 4.1760 0.0060 0.4491 0.765565.00 4.2167 0.0057 0.3170 0.799070.00 4.2235 0.0053 0.1808 0.820775.00 4.1948 0.0048 0.0398 0.830480.00 4.1324 0.0044 -0.1031 0.82764. 初稳性高度和复原力臂曲线的衡准计算初稳性高度(修正后)GM1 ----- 4.187 m 进水角Qj ------- 10.839 deg 基本初稳性要求值GMk ----- 0.200 m 进水角对应复原力臂lj ----- 0.7048 m 初稳性衡准数Kh ----- 20.934 进水角对应稳性面积Adj ----- 0.0715 rad.m最大复原力臂对应角Qm ----- 25.553 deg 最大复原力臂lm ------- 0.9596 m 最大力臂对应角要求值Qmk----- ----- deg 最大复原力臂要求值lmk ----- ----- m最大力臂对应角衡准数Klm----- ----- 最大复原力臂衡准数Kl ----- -----消失角Qv ----- 76.400 deg 稳性面积(实取) ldu ----- 0.0715 rad.m消失角要求值Qvk ----- ----- deg 稳性面积要求值Ad ----- 0.0642 rad.m 消失角衡准数Kv ----- ----- 稳性面积衡准数Kldo ----- 1.1145. 稳性衡准数计算横摇自摇周期To ------- 7.230 s 系数C1 ------- 0.0852系数(实取) C2 ------- 0.3941 系数(实取) C3 ------- 0.0113系数C4 ------- 1.0000 横摇角Q1 ------- 5.914 deg进水角Qj ------- 10.839 deg 进水角对应动稳性力臂ldj----- 0.0715 rad.m极限动倾角(不计横摇)Qdm----- 45.344 deg 极限动倾角对应动力臂ldm----- 0.6072 rad.m 横倾角(实取) Qu ------- 10.839 deg 最小倾覆力臂lqo ------- 0.3781 m横摇幅度Qp ------- 5.921 deg 横摇幅度对应动稳性力臂ldp--- 0.0224 rad.m 极限动倾角(计横摇)Qdm ----- 50.888 deg 极限动倾角对应动力臂ldm --- 0.6767 rad.m 横倾角(实取) Qu ------- 10.839 deg 最小倾覆力臂lq ------- 0.1679 m受风面积Af ------- 388.662 m^2 面积形心垂向坐标Zf ------- 8.593 m系数ao ------- 1.000 单位计算风压值P ------- 279.786 Pa风压倾侧力臂lf ------- 0.0024 m 风压稳性衡准数Kf ------- 69.622急流系数Cj ------- 0.377 系数a1 ------- 0.027水流倾侧力臂lj ------- 0.0270 m 急流稳性衡准数Kj ------- 13.996佛氏数Fr ------- 0.136 系数a2 ------- 0.450系数a3 ------- 0.000 回航倾侧力臂lr ------- 0.0128 m回航静横倾角Qr ------- 0.178 deg 回航静倾角衡准数Kor ------- 33.6446. 结论: 满足《规则》要求装载序号: 5载况名称: 空载出港载况附加说明: 不计算特殊稳性衡准______________________________________________________________________________________________ 1. 重量重心计算垂向坐标纵向坐标横向坐标序号项目重量力臂重量矩力臂重量矩力臂重量矩(t) (m) (t.m) (m) (t.m) (m) (t.m)1 空船1450.000 2.850 4132.50 -1.165 -1689.25 0.000 0.002 船员及行李 2.000 12.800 25.60 -44.400 -88.80 0.000 0.003 备品 5.000 12.500 62.50 -43.000 -215.00 0.000 0.004 清水10.000 14.600 146.00 -48.250 -482.50 -6.170 -61.705 燃油55.000 5.800 319.00 -49.840 -2741.20 0.000 0.006 滑油 3.000 5.200 15.60 -48.450 -145.35 0.000 0.007 压载84.000 2.700 226.80 -53.360 -4482.24 0.000 0.00空载出港1609.000 3.063 4928.00 -6.118 -9844.34 -0.038 -61.702. 浮态和初稳性高度水线船长Lw ------------- 105.164 m 初始横倾角Qo --------- 0.078 deg水线船宽Bs ------------- 18.803 m 进水角Qj --------- 77.344 deg计算吃水 d ------------- 0.995 m 极限静倾角Qr --------- 14.000 deg艏吃水Tf ------------- 0.604 m 初稳性高度(未修正)GMo ----- 29.626 m艉吃水Ta ------------- 1.371 m 自由液面修正量△GM ----- 1.487 m最小干舷 F ------------- 6.065 m 初稳性高度(修正后)GM1 ----- 28.139 m受风面积Af ------------- 939.383 m^2 面积形心垂向坐标Zf ----- 5.634 m方型系数Cb ------------- 0.789 进水位置------------- 位置13. 复原力臂曲线角度形状稳性力臂自由液面修正值复原力臂(修正后) 动稳性力臂(deg) ( m ) ( m ) ( m ) (m.rad)0.00 0.0000 0.0000 -0.0383 0.00005.00 3.1495 0.0968 2.7476 0.129310.00 4.7745 0.1951 4.0099 0.429215.00 5.6988 0.2966 4.5726 0.806520.00 6.2316 0.4028 4.7453 1.214225.00 6.5600 0.4753 4.7556 1.629430.00 6.7535 0.5107 4.6783 2.041535.00 6.8528 0.5250 4.5398 2.444040.00 6.8712 0.5261 4.3472 2.832245.00 6.8156 0.5177 4.1052 3.201350.00 6.6870 0.5020 3.8143 3.547155.00 6.4935 0.4802 3.4825 3.865760.00 6.2519 0.4532 3.1271 4.154165.00 5.9770 0.4218 2.7633 4.411170.00 5.6837 0.3863 2.4063 4.636775.00 5.3464 0.3474 2.0307 4.830580.00 4.9579 0.3055 1.6296 4.99044. 初稳性高度和复原力臂曲线的衡准计算初稳性高度(修正后)GM1 ----- 28.139 m 进水角Qj ------- 77.344 deg基本初稳性要求值GMk ----- 0.200 m 进水角对应复原力臂lj ----- 1.8458 m 初稳性衡准数Kh ----- 140.693 进水角对应稳性面积Adj ----- 4.9097 rad.m最大复原力臂对应角Qm ----- 23.089 deg 最大复原力臂lm ------- 4.7620 m 最大力臂对应角要求值Qmk----- ----- deg 最大复原力臂要求值lmk ----- 0.2500 m 最大力臂对应角衡准数Klm----- ----- 最大复原力臂衡准数Kl ----- 19.048消失角Qv ----- 100.981 deg 复原力臂(实取) lu ----- 4.7620 m消失角要求值Qvk ----- ----- deg 复原力臂要求值lk ----- ----- m消失角衡准数Kv ----- ----- 复原力臂衡准数Klu ----- -----5. 稳性衡准数计算横摇自摇周期To ------- 6.468 s 系数C1 ------- 0.1322系数(实取) C2 ------- 1.0000 系数(实取) C3 ------- 0.0289系数C4 ------- 1.0000 横摇角Q1 ------- 9.132 deg进水角Qj ------- 77.344 deg 进水角对应动稳性力臂ldj----- 4.9097 rad.m极限动倾角(不计横摇)Qdm----- 45.266 deg 极限动倾角对应动力臂ldm----- 3.2203 rad.m 横倾角(实取) Qu ------- 45.266 deg 最小倾覆力臂lqo ------- 4.0825 m横摇幅度Qp ------- 9.210 deg 横摇幅度对应动稳性力臂ldp--- 0.3767 rad.m 极限动倾角(计横摇)Qdm ----- 59.871 deg 极限动倾角对应动力臂ldm --- 4.1471 rad.m 横倾角(实取) Qu ------- 59.871 deg 最小倾覆力臂lq ------- 3.1344 m受风面积Af ------- 939.383 m^2 面积形心垂向坐标Zf ------- 5.634 m系数ao ------- 0.500 单位计算风压值P ------- 333.690 Pa风压倾侧力臂lf ------- 0.1021 m 风压稳性衡准数Kf ------- 30.712急流系数Cj ------- 0.324 系数a1 ------- 0.063水流倾侧力臂lj ------- 0.0628 m 急流稳性衡准数Kj ------- 65.007佛氏数Fr ------- 0.138 系数a2 ------- 0.000系数a3 ------- 0.000 回航倾侧力臂lr ------- 0.0259 m回航静横倾角Qr ------- 0.091 deg 回航静倾角衡准数Kor ------- 154.1096. 结论: 满足《规则》要求装载序号: 6载况名称: 空载到港载况附加说明: 不计算特殊稳性衡准______________________________________________________________________________________________ 1. 重量重心计算垂向坐标纵向坐标横向坐标序号项目重量力臂重量矩力臂重量矩力臂重量矩(t) (m) (t.m) (m) (t.m) (m) (t.m)1 空船1450.000 2.850 4132.50 -1.165 -1689.25 0.000 0.002 船员及行李 2.000 12.800 25.60 -44.400 -88.80 0.000 0.003 备品(9) 0.500 12.000 6.00 -43.000 -21.50 0.000 0.004 清水(9) 1.000 14.000 14.00 -48.250 -48.25 -6.170 -6.175 燃油(9) 5.500 4.320 23.76 -49.840 -274.12 0.000 0.006 滑油(9) 0.300 4.330 1.30 -48.450 -14.54 0.000 0.007 压载84.000 2.700 226.80 -53.360 -4482.24 0.000 0.00空载到港1543.300 2.870 4429.96 -4.289 -6618.70 -0.004 -6.172. 浮态和初稳性高度水线船长Lw ------------- 105.142 m 初始横倾角Qo --------- 0.008 deg水线船宽Bs ------------- 18.778 m 进水角Qj --------- 78.166 deg计算吃水 d ------------- 0.959 m 极限静倾角Qr --------- 14.000 deg艏吃水Tf ------------- 0.685 m 初稳性高度(未修正)GMo ----- 30.847 m艉吃水Ta ------------- 1.222 m 自由液面修正量△GM ----- 1.551 m最小干舷 F ------------- 6.101 m 初稳性高度(修正后)GM1 ----- 29.297 m受风面积Af ------------- 943.133 m^2 面积形心垂向坐标Zf ----- 5.615 m方型系数Cb ------------- 0.785 进水位置------------- 位置13. 复原力臂曲线角度形状稳性力臂自由液面修正值复原力臂(修正后) 动稳性力臂(deg) ( m ) ( m ) ( m ) (m.rad)0.00 0.0000 0.0000 -0.0040 0.00005.00 3.2351 0.1009 2.8800 0.137210.00 4.8554 0.2034 4.1497 0.449115.00 5.7609 0.3092 4.7050 0.838320.00 6.2805 0.4199 4.8752 1.257425.00 6.5976 0.4956 4.8854 1.683930.00 6.7809 0.5325 4.8099 2.107435.00 6.8702 0.5474 4.6733 2.521540.00 6.8784 0.5485 4.4819 2.921345.00 6.8139 0.5398 4.2417 3.302350.00 6.6784 0.5234 3.9537 3.660155.00 6.4806 0.5007 3.6264 3.991060.00 6.2369 0.4725 3.2766 4.292365.00 5.9626 0.4397 2.9198 4.562670.00 5.6728 0.4028 2.5714 4.802375.00 5.3397 0.3622 2.2039 5.010880.00 4.9555 0.3185 1.8095 5.18614. 初稳性高度和复原力臂曲线的衡准计算初稳性高度(修正后)GM1 ----- 29.297 m 进水角Qj ------- 78.166 deg 基本初稳性要求值GMk ----- 0.200 m 进水角对应复原力臂lj ----- 1.9573 m 初稳性衡准数Kh ----- 146.484 进水角对应稳性面积Adj ----- 5.1257 rad.m最大复原力臂对应角Qm ----- 23.096 deg 最大复原力臂lm ------- 4.8916 m 最大力臂对应角要求值Qmk----- ----- deg 最大复原力臂要求值lmk ----- 0.2500 m 最大力臂对应角衡准数Klm----- ----- 最大复原力臂衡准数Kl ----- 19.566消失角Qv ----- 103.750 deg 复原力臂(实取) lu ----- 4.8916 m消失角要求值Qvk ----- ----- deg 复原力臂要求值lk ----- ----- m消失角衡准数Kv ----- ----- 复原力臂衡准数Klu ----- -----5. 稳性衡准数计算横摇自摇周期To ------- 6.492 s 系数C1 ------- 0.1305系数(实取) C2 ------- 0.9880 系数(实取) C3 ------- 0.0289系数C4 ------- 1.0000 横摇角Q1 ------- 8.968 deg进水角Qj ------- 78.166 deg 进水角对应动稳性力臂ldj----- 5.1257 rad.m极限动倾角(不计横摇)Qdm----- 45.524 deg 极限动倾角对应动力臂ldm----- 3.3409 rad.m 横倾角(实取) Qu ------- 45.524 deg 最小倾覆力臂lqo ------- 4.2057 m横摇幅度Qp ------- 8.976 deg 横摇幅度对应动稳性力臂ldp--- 0.3790 rad.m 极限动倾角(计横摇)Qdm ----- 60.327 deg 极限动倾角对应动力臂ldm --- 4.3109 rad.m 横倾角(实取) Qu ------- 60.327 deg 最小倾覆力臂lq ------- 3.2517 m受风面积Af ------- 943.133 m^2 面积形心垂向坐标Zf ------- 5.615 m系数ao ------- 0.500 单位计算风压值P ------- 334.023 Pa风压倾侧力臂lf ------- 0.1069 m 风压稳性衡准数Kf ------- 30.410急流系数Cj ------- 0.320 系数a1 ------- 0.058水流倾侧力臂lj ------- 0.0584 m 急流稳性衡准数Kj ------- 72.021佛氏数Fr ------- 0.138 系数a2 ------- 0.000系数a3 ------- 0.000 回航倾侧力臂lr ------- 0.0242 m回航静横倾角Qr ------- 0.038 deg 回航静倾角衡准数Kor ------- 365.3656. 结论: 满足《规则》要求。
一.概要:本船为非自航半潜驳船,本次作业用于新船下水,由拖轮提供动力。
本驳船航行时为近海航区,下潜作业时局限在码头、海港附近属遮蔽航区。
本次作业的完整稳性衡准按航行状态和下潜(上升)作业两种工况进行校核。
二.主要参数:(1)总长L=111.00 m(2)型宽B=67.00 m(3)型深D=8.00m(4)设计吃水T=5.80m(5)最大下潜吃水T S=13.7 m(主甲板以上5.7 m)(7)船型系数:CB = CM = CWP = CP ≈1(8)航行状态最大排水量△航=41715t(承载货物)(9)下潜状态排水量△潜=62767 t(10)长宽比L/B =1.657(11)长度型深比L/D =13.875(12)宽度型深比B/D=8.375三.操作注意事项:1.当半潜驳船下潜至最大沉深时,主甲板下各压载舱无空舱。
2.下潜作业时应在蒲氏风级不超过6级,有义波高不超过0.5m的水域,或蒲氏风级不超过4级时,有义波高不超过1.0m的水域3.下潜时应在平衡状态下先压载中间舱,后再压载其它舱,以减小自由液面的影响。
4.下潜作业时,应将首、尾两端浮力箱距基线19m高甲板上的人孔盖打开,充当透气管。
四.工况介绍:(1)航行状态包括:A.满载出港、满载到港(本船为非自航驳船,故满载出港、满载到港可视为一种工况)B.空载出港、空载到港(本船为非自航驳船,故空载出港、空载到港可视为一种工况)(2)下潜状态包括:C.满载甲板货物准备下潜(此工况可与满载出港、满载到港视为一种工况)D.满载甲板货物在举升甲板入水或出水时E.半潜驳船下潜至最大沉深时F.无甲板货物准备下潜;(此工况可与空载出港、空载到港视为一种工况G.无甲板货物在举升甲板入水或出水时五.稳性校核标准:依据中华人民共和国船舶检验局《船舶与海上设施法定检验规则》1999 (非国际航行)和《国内航行海船法定检验技术规则》2006年修改通报。
本船为箱型海驳。
A.校核标准:(拖航状态)(1)稳性衡准数K(最小倾覆力臂/风压侧倾力臂)大于等于1,其中横摇角取13°;(2)所核算的装载情况下,复原力臂曲线的正值范围不小于30°,至最大复原力臂对应角进水角为止的(取较小者)复原力臂曲线下的面积应不小于0.08m.rad。
船舶静力学计算及稳性衡准系统 V4.2(201208)* * * * * * * * * * * * * * * ** * * * * * * * * * * * * * * * ** ** *船舶完整稳性计算书* ** ** * * * * * * * * * * * * * * * ** * * * * * * * * * * * * * * *船名:数据库名:图纸号:委托单位:计算标识:补充资料计算单位:计算签名:审核签名:批准签名:计算日期:船舶稳性计算书CALCULTION ON STABILITY一概述1选用规范 :2011年《内河船舶法定检验技术规则》(以下简称《规则》)2船舶种类 :干货船3航区 :B级航区4主要要素 :船长L--------------------34.000m垂线间长Lp--------------------33.000m型宽B-------------------- 6.900m型深D-------------------- 1.550m设计吃水T-------------------- 1.200m横移倾侧力矩Mh------------------931.000 kN.m定位桩倾侧力矩 Md------------------0.000 kN.m吊臂舷伸倾侧力矩 Mx-----------------0.000 kN.m排泥倾侧力矩Mp------------------0.000 kN.m舭龙骨面积Ab--------------------0.000m^2水的重量密度r-------------------- 1.000 t/m^3船型特征TYPE--------------------常规船型5计算说明 :本计算书用浮态方程计算(WH03018)进水位置极限静倾位置项目垂向坐标纵向坐标横向坐标垂向坐标纵向坐标横向坐标单位(m)(m)(m)(m)(m)(m)位置1 1.9250.000 2.240 1.5400.000 2.800位置2 1.904-9.982 1.9600.0700.000-2.7446结论 :本船完整稳性满足《规则》要求二使用说明1稳性计算书中所取的装载情况是船舶设计的基本情况,若船舶在营运中的实际装载超过稳性计算书中的基本情况时,应在船舶出航前核算稳性,以保证船舶的航行安全.2船舶稳性不符合规范要求而必须采用永久性水压载时,须征得用船单位和验船部门的同意,并采取有效措施,以保证压载的可靠性.3稳性计算虽已符合规范要求,但船长仍应注意船舶装载,气象和水文情况,并谨慎驾驶.4船舶开航前,船长应检查船舶的浮态,使其尽可能保持正浮,初始横倾角应不超过0.5deg.5在使用最大许用重心高度曲线(没有计入自由液面影响)来判断船舶稳性是否满足规范要求时,应根据具体装载情况计入自由液面影响.三 船舶稳性总结表49 完整稳性衡准结论 满 足 满 足 满 足 满 足四 最大许用重心高度曲线 ( 没有计入自由液面影响 单位: m )∑ 最大许用重心高度曲线 6.5155.946 5.5665.199 4.91916 最大复原力臂要求值 mlmk ----- ----- ----- ----- 序号 项目 单 位 符号与公式 满备品,挖掘机 备品10%,挖掘 满备品,挖掘机 备品10%,挖掘从艏端进入 机从艏端进入 从艉端进入 机从艉端进入1 排 水 量t △ 183.190 179.158 183.190 179.158 22222222255.940 2 吃水 m d 0.7392 0.7252 0.7301 0.7168 3 艏 吃 水 m Tf 0.8596 0.8876 0.5929 0.6209 4 艉 吃 水 m Ta 0.6188 0.5628 0.8673 0.8127 5 重心垂向坐标m KG 1.3972 1.3895 1.3972 1.3895 6 初稳性高度(未修正) m GMo 2.5361 2.5984 2.5578 2.6264 7 初稳性高度(修正后) mGM1 2.5319 2.5949 2.5543 2.6229 8 进 水 角degQj 21.2926 21.7742 20.8726 21.7819 9极限静倾角deg Qr 8.000 8.000 8.000 8.000 10 基本初稳性要求值 mGMk ----- ----- ----- ----- 11 初稳性衡准数 Kh ----- ----- ----- ----- 12 最大复原力臂对应角 degQm 18.976 19.189 18.883 18.970 13 最大力臂对应角要求值 deg Qmk ----- ----- ----- ----- 14 最大力臂对应角衡准数 Klm ----- ----- ----- ----- 15 最大复原力臂m lm 0.5264 0.5315 0.5252 0.5418 12 避风初稳性衡准要求8.6037.637 6.8856.274 5.748 17 最大复原力臂衡准数 Kl ----- ----- ----- ----- 18 进水角对应复原力臂 m lj 0.5132 0.5170 0.5147 0.5241 19 复原力臂要求值 m lk ----- ----- ----- ----- 20 复原力臂衡准数 Klu ----- ----- ----- ----- 21 稳性面积(实取) rad.m ldu 0.0884 0.0923 0.0885 0.0926 22 稳性面积要求值 rad.mAd 0.0327 0.0327 0.0327 0.0327 23 稳性面积衡准数 Kldo 1.889 1.973 1.892 1.978 24 消 失 角deg Qv 44.365 44.740 44.210 44.775 25 消失角要求值 Qvk ----- ----- ----- ----- 26 消失角衡准数Kv ----- ----- ----- ----- 27 进水角要求值 Qjk ----- ----- ----- ----- 28 进水角衡准数 Koj ----- ----- ----- ----- 29 横 摇 角degQ1 6.874 6.874 6.865 6.871 30 最小倾覆力臂 m lq 0.191 0.2002 0.1858 0.2050 31 最小倾覆力臂mlqo 0.3740 0.3829 0.3713 0.3903 32 风压倾侧力臂 m lf ----- ----- ----- ----- 33 风压稳性衡准数 K ----- ----- ----- ----- 34 水流倾侧力臂m lj ----- ----- ----- ----- 35 急流稳性衡准数 Kj ----- ----- ----- ----- 36 回航倾侧力矩 kN.m Mr ----- ----- ----- ----- 37 回航静倾角计算值 deg Qrk ----- ----- ----- ----- 38 回航静倾角衡准数 Kor ----- ----- ----- ----- 39 风压倾侧力矩(作业) kN.m Mf 22.285 22.631 22.509 22.838 40 极限静倾角(作业) degQr 8.000 8.000 8.000 8.000 41 作业初稳性要求值 m GMtk1 ----- ----- ----- ----- 42 作业初稳性衡准数 Kht1 ----- ----- ----- ----- 43 作业初稳性要求值 mGMtk2 ----- ----- ----- ----- 44 作业初稳性衡准数 Kht2 ----- ----- ----- ----- 45 风压倾侧力矩(避风) kN.m Mf 84.331 85.637 85.176 86.425 46 极限静倾角(避风) deg Qr 8.000 8.000 8.000 8.000 47 避风初稳性要求值 mGMpk 0.234 0.243 0.236 0.245 48 避风初稳性衡准数 Khp 7.564 7.465 7.553 7.476 序号 项 目\排水量 (t) 125.000 150.000 175.000 200.000 225.000 1 风压稳性衡准要求8.4677.593 6.9006.336 5.883 2 急流稳性衡准要求---------- ---------- ----- 3 最大力臂对应角衡准要求 ---------- ---------- ----- 4 最大复原力臂衡准要求 ---------- ---------- ----- 5 复原力臂衡准要求---------- ---------- ----- 6 稳性面积衡准要求6.5155.946 5.5665.199 4.919 7 消失角衡准要求 ---------- ---------- ----- 8 初稳性衡准要求 9.7308.283 7.2526.480 5.880 9 回航静倾角衡准要求---------- ---------- ----- 10 作业初稳性衡准要求 1---------- ---------- ----- 11 作业初稳性衡准要求 2---------- ---------- -----序号项目\排水量 (t)250.000275.000300.000325.000350.000 1风压稳性衡准要求 5.514 5.204 4.929 4.673 4.4322急流稳性衡准要求-------------------------3最大力臂对应角衡准要求-------------------------4最大复原力臂衡准要求-------------------------5复原力臂衡准要求-------------------------6稳性面积衡准要求 4.688 4.414 4.130 3.847 3.5627消失角衡准要求-------------------------8初稳性衡准要求 5.407 5.026 4.714 4.455 4.2429回航静倾角衡准要求-------------------------10作业初稳性衡准要求 1-------------------------11作业初稳性衡准要求 2-------------------------12避风初稳性衡准要求 5.344 5.020 4.753 4.531 4.349∑最大许用重心高度曲线 4.688 4.414 4.130 3.847 3.562序号项目\排水量 (t)375.000400.000425.000450.000475.0001风压稳性衡准要求 4.211 4.021 3.834 3.662 3.4822急流稳性衡准要求-------------------------3最大力臂对应角衡准要求-------------------------4最大复原力臂衡准要求-------------------------5复原力臂衡准要求-------------------------6稳性面积衡准要求 3.264 2.988 2.720 2.451 1.9607消失角衡准要求-------------------------8初稳性衡准要求 4.062 3.907 3.772 3.658 3.5599回航静倾角衡准要求-------------------------10作业初稳性衡准要求 1-------------------------11作业初稳性衡准要求 2-------------------------12避风初稳性衡准要求 4.195 4.047 3.910 3.788 3.674∑最大许用重心高度曲线 3.264 2.988 2.720 2.451 1.960五受风面积计算侧投影面积形心高度序号项目面积满实系数流线系数受风面积垂向坐标面积矩修正系数(m^2)(m^2)(m)(m^3)1甲板室17.892 1.000 1.00017.892 3.09479.08 1.0002货舱围板11.620 1.000 1.00011.620 2.02333.57 1.0003主甲板至水线(1)32.692 1.20256.16 1.0004主甲板至水线(2)33.189 1.19556.69 1.0005主甲板至水线(3)33.014 1.19856.51 1.0006主甲板至水线(4)33.488 1.19157.00 1.000----------------------------------------------------------------------------------------------1满备品,挖掘机从艏端进入862.204 1.899 168.83 1.0002备品10%,挖掘机从艏端进入 62.701 1.890169.35 1.0003满备品,挖掘机从艉端进入62.5268 1.894 169.17 1.0004备品10%,挖掘机从艉端进入 63.000 1.885169.66 1.000----------------------------------------------------------------------------------------------满备品,挖掘机从艏端进入∑ = (1)+(2)+(3)备品10%,挖掘机从艏端进入∑ = (1)+(2)+(4)满备品,挖掘机从艉端进入∑ = (1)+(2)+(5)备品10%,挖掘机从艉端进入∑ = (1)+(2)+(6)六自由液面修正计算1. 舱柜尺寸序号舱名舱类说明体积长度宽度高度密度载量系数惯性矩横倾力矩(30)(m^3)(m)(m)(m)(t/m^3)(m^4)(kN.m)1艉压载舱单舱18.55 1.400 2.765 1.442 1.0000.3507.2184.18X 2燃油舱舱组 2.45 1.050 1.225 1.400 1.0000.3500.91 2.91 X2. 初稳性高度修正计算序号舱名舱类说明惯性矩满备品,挖掘机备品10%,挖掘满备品,挖掘机备品10%,挖掘从艏端进入机从艏端进入从艉端进入机从艉端进入1艉压载舱单舱7.21-------------------- 2燃油舱舱组 0.910.0040.0040.0040.004 ---------------------------------------------------------------------------------------------------------- 对初稳性高度修正( m )0.0040.0040.0040.004七各种装载稳性计算装载序号 :1载况名称 : 满备品,挖掘机从艏端进入载况附加说明 : 作业和避风状态______________________________________________________________________________________________ 1. 重量重心计算垂向坐标纵向坐标横向坐标序号项目重量力臂重量矩力臂重量矩力臂重量矩(t)(m)(t.m)(m)(t.m)(m)(t.m)1空船80.000 1.03691.16-0.203-17.860.0000.002船员及行李0.300 3.2000.96-9.940-2.9820.0000.003备品0.400 2.3800.95-10.010-4.000.0000.00 4日用水柜 1.000 3.780 3.78-10.850-10.850.0000.005燃油 5.000 1.260 6.30 -10.150-50.750.0000.006工程备品150.000 1.372205.80-0.0700-10.50.0000.007挖掘机艏端进入20.000 2.98959.78 8.750175.00 4.72594.50 满备品,挖掘机183.190 1.397365.630.30078.650.36194.50 从艏端进入2. 浮态和初稳性高度水线船长Lw-------------24.929m初始横倾角Qo--------- 5.796 deg水线船宽Bs------------- 6.900m进水角Qj---------21.292 deg吃水d-------------0.739m极限静倾角Qr---------8.000 deg艏吃水Tf-------------0.859m初稳性高度(未修正)GMo----- 2.536m艉吃水Ta-------------0.618m自由液面修正量△GM-----0.003m最小干舷F-------------0.800m初稳性高度(修正后)GM1----- 2.531m受风面积Af-------------62.204 m^2面积形心垂向坐标Zf----- 1.899m方型系数Cb-------------0.598进水位置-------------位置 13. 复原力臂曲线角度复原力臂(未修正)自由液面修正值复原力臂(修正后)动稳性力臂(deg)( m )( m )( m )(m.rad)0.00-0.36100.0000-0.36100.00005.00-0.14470.0002-0.1449-0.022110.000.07770.00030.0773-0.250615.000.29910.00040.2986-0.008220.000.46180.00070.46110.025625.000.52160.00090.52070.068930.000.51680.00110.51560.114435.000.47780.00140.47650.157940.000.41710.00160.41540.196945.000.34240.00210.34040.328550.000.36680.00360.36310.229955.000.25670.00250.25410.255960.000.06980.00320.06650.284265.00-0.02860.0035-0.03210.285670.00-0.12840.0036-0.1321 0.278575.00-0.22840.0037-0.23220.262680.00-0.32750.0038-0.3313 0.23804. 初稳性高度和复原力臂曲线的衡准计算初稳性高度(修正后)GM1----- 2.531m进水角Qj-------21.292 deg基本初稳性要求值GMk----------m进水角对应复原力臂 lj-----0.5132m初稳性衡准数Kh----------进水角对应稳性面积 Adj -----0.1182 rad.m最大复原力臂对应角 Qm-----18.976 deg最大复原力臂lm-------0.5264m最大力臂对应角要求值Qmk---------- deg最大复原力臂要求值lmk----------m最大力臂对应角衡准数Klm----------最大复原力臂衡准数 Kl----------消失角Qv-----44.365 deg稳性面积(实取)ldu-----0.0884 rad.m 消失角要求值Qvk---------- deg稳性面积要求值Ad-----0.0327 rad.m消失角衡准数Kv----------稳性面积衡准数Kldo----- 1.8895. 稳性衡准数计算横摇自摇周期To------- 3.17s系数C1-------0.1154系数 (实取)C2-------0.4909系数 (实取)C3-------0.0191系数C4------- 1.0000横摇角Q1------- 6.874 deg进水角Qj-------21.292 deg进水角对应动稳性力臂ldj-----0.1182 rad.m 极限动倾角(不计横摇)Qdm-----28.497 deg极限动倾角对应动力臂ldm-----0.2019 rad.m 横倾角(实取)Qu-------21.292 deg最小倾覆力臂lqo-------0.3740m横摇幅度Qp-------12.670 deg横摇幅度对应动稳性力臂ldp---0.0116 rad.m 极限动倾角(计横摇)Qdm-----34.270 deg极限动倾角对应动力臂ldm---0.2511 rad.m 横倾角(实取)Qu-------321.292 deg最小倾覆力臂lq-------0.1911m 受风面积Af-------62.204 m^2面积形心垂向坐标 Zf------- 1.899m 系数ao-------0.450单位计算风压值P------------Pa风压倾侧力臂lf------------m风压稳性衡准数Kf------------单位计算风压值(作业)P----- 123.200Pa单位计算风压值(避风)P----- 466.200Pa风压倾侧力矩(作业) Mf----22.285 kN.m风压倾侧力矩(避风) Mf----84.331 kN.m极限静倾角(作业)Qr-----8.000 deg极限静倾角(避风)Qr-----8.000 deg作业初稳性要求值GMtk1----------m避风初稳性要求值 GMpk-----0.335m作业初稳性衡准数 Kht1----------避风初稳性衡准数Khp-----7.56426. 结论 :完整稳性满足《规则》要求装载序号 :2载况名称 : 备品10%,挖掘机从艏端进入载况附加说明 : 作业和避风状态______________________________________________________________________________________________ 1. 重量重心计算垂向坐标纵向坐标横向坐标序号项目重量力臂重量矩力臂重量矩力臂重量矩(t)(m)(t.m)(m)(t.m)(m)(t.m)1空船80.000 1.480125.80-0.290-24.650.0000.002船员及行李0.300 4.600 1.38-14.200-4.260.0000.003备品10%0.040 3.3000.13-14.300-0.570.0000.004日用水柜10%0.100 5.1000.51-15.500-1.550.0000.005燃油10%0.500 1.6000.80-14.500-7.250.0000.006工程备品150.000 1.960294.00-0.100-15.000.0000.007挖掘机艏端进入20.000 4.27085.4012.500250.00 6.750135.00 备品10%,挖掘255.940 1.985508.020.769196.720.527135.00机从艏端进入2. 浮态和初稳性高度水线船长Lw-------------34.000m初始横倾角Qo---------8.247 deg水线船宽Bs------------- 6.900m进水角Qj---------31.106 deg吃水d-------------0.700m极限静倾角Qr---------8.000 deg艏吃水Tf-------------0.750m初稳性高度(未修正)GMo----- 3.712m艉吃水Ta-------------0.650m自由液面修正量△GM-----0.005m最小干舷F------------- 1.164m初稳性高度(修正后)GM1----- 3.707m受风面积Af-------------89.574 m^2面积形心垂向坐标Zf----- 2.701m方型系数Cb-------------0.854进水位置-------------位置 13. 复原力臂曲线角度复原力臂(未修正)自由液面修正值复原力臂(修正后)动稳性力臂(deg)( m )( m )( m )(m.rad)0.00-0.52740.0000-0.52740.00005.00-0.21000.0002-0.2102-0.032210.000.11580.00050.1153-0.036415.000.43690.00080.4362-0.011620.000.66680.00100.66570.037525.000.75080.00130.74950.099930.000.74960.00170.74800.165635.000.69570.00200.69370.228740.000.61060.00250.60810.285745.000.50240.00300.49930.334150.000.38200.00370.37830.372555.000.25190.00430.24750.399860.000.11520.00480.11040.415565.00-0.02570.0051-0.03080.418970.00-0.16870.0054-0.17400.410075.00-0.31190.0055-0.31740.388680.00-0.45400.0056-0.45960.35464. 初稳性高度和复原力臂曲线的衡准计算初稳性高度(修正后)GM1----- 3.707m进水角Qj-------31.106 deg基本初稳性要求值GMk----------m进水角对应复原力臂 lj-----0.7387m初稳性衡准数Kh----------进水角对应稳性面积 Adj -----0.1801 rad.m最大复原力臂对应角 Qm-----27.414 deg最大复原力臂lm-------0.7594m最大力臂对应角要求值Qmk---------- deg最大复原力臂要求值lmk----------m最大力臂对应角衡准数Klm----------最大复原力臂衡准数 Kl----------消失角Qv-----63.915 deg稳性面积(实取)ldu-----0.1319 rad.m 消失角要求值Qvk---------- deg稳性面积要求值Ad-----0.0468 rad.m消失角衡准数Kv----------稳性面积衡准数Kldo----- 2.8195. 稳性衡准数计算横摇自摇周期To------- 4.528s系数C1-------0.1652系数 (实取)C2-------0.7082系数 (实取)C3-------0.0277系数C4------- 1.0000横摇角Q1-------9.820 deg进水角Qj-------31.106 deg进水角对应动稳性力臂ldj-----0.1801 rad.m 极限动倾角(不计横摇)Qdm-----40.972 deg极限动倾角对应动力臂ldm-----0.2958 rad.m 横倾角(实取)Qu-------31.106 deg最小倾覆力臂lqo-------0.5471m横摇幅度Qp-------18.067 deg横摇幅度对应动稳性力臂ldp---0.0169 rad.m 极限动倾角(计横摇)Qdm-----49.263 deg极限动倾角对应动力臂ldm---0.3675 rad.m 横倾角(实取)Qu-------31.106 deg最小倾覆力臂lq-------0.2861m受风面积Af-------89.574 m^2面积形心垂向坐标 Zf------- 2.701m 系数ao-------0.628单位计算风压值P------------Pa风压倾侧力臂lf------------m风压稳性衡准数Kf------------单位计算风压值(作业)P----- 176.000Pa单位计算风压值(避风)P----- 666.000Pa风压倾侧力矩(作业) Mf----32.330 kN.m风压倾侧力矩(避风) Mf----122.339 kN.m极限静倾角(作业)Qr-----8.000 deg极限静倾角(避风)Qr-----8.000 deg作业初稳性要求值GMtk1----------m避风初稳性要求值 GMpk-----0.348m作业初稳性衡准数 Kht1----------避风初稳性衡准数Khp-----10.6656. 结论 :完整稳性满足《规则》要求装载序号 :3载况名称 : 满备品,挖掘机从艉端进入载况附加说明 : 作业和避风状态______________________________________________________________________________________________ 1. 重量重心计算垂向坐标纵向坐标横向坐标序号项目重量力臂重量矩力臂重量矩力臂重量矩(t)(m)(t.m)(m)(t.m)(m)(t.m)1空船 80.000 1.03691.16-0.203-17.860.0000.002船员及行李0.300 3.2200.96-9.940-2.980.0000.003备品0.400 2.3800.95-10.010-4.000.0000.004日用水柜 1.000 3.780 3.78-10.850-10.850.0000.005燃油 5.000 1.260 6.30-10.150-50.750.0000.006工程备品150.000 1.372205.80-0.070-10.500.0000.007挖掘机艉端进入20.000 2.98959.788.750-175.00 4.72594.50 满备品,挖掘机183.190 1.397365.63-1.036-271.340.36194.50 从艉端进入2. 浮态和初稳性高度水线船长Lw-------------34.000m初始横倾角Qo--------- 5.740 deg水线船宽Bs------------- 6.900m进水角Qj---------20.872 deg吃水d-------------0.730m极限静倾角Qr---------8.000 deg艏吃水Tf-------------0.592m初稳性高度(未修正)GMo----- 2.557m艉吃水Ta-------------0.867m自由液面修正量△GM-----0.003m最小干舷F-------------0.809m初稳性高度(修正后)GM1----- 2.554m受风面积Af-------------62.526 m^2面积形心垂向坐标Zf----- 1.894m方型系数Cb-------------0.597进水位置-------------位置 23. 复原力臂曲线角度复原力臂(未修正)自由液面修正值复原力臂(修正后)动稳性力臂(deg)( m )( m )( m )(m.rad)0.00-0.36100.0000-0.36100.00005.00-0.14230.0001-0.1425-0.022010.000.08210.00030.0818-0.024615.000.30440.00050.3039-0.007320.000.46530.00070.46460.026925.000.52120.00090.52030.070330.000.51490.00110.51380.115735.000.47420.0010.47280.158940.000.41300.00160.41130.197645.000.33750.00210.33550.230250.000.25270.00250.25010.255855.000.16160.00290.15860.273760.000.06570.00320.06240.283465.00-0.03310.0035-0.03660.284570.00-0.13320.0036-0.13690.276975.00-0.23350.0037-0.23730.260680.00-0.33290.0038-0.33680.23554. 初稳性高度和复原力臂曲线的衡准计算初稳性高度(修正后)GM1----- 2.554m进水角Qj-------20.872 deg基本初稳性要求值GMk----------m进水角对应复原力臂 lj-----0.5147m初稳性衡准数Kh----------进水角对应稳性面积 Adj -----0.114 rad.m最大复原力臂对应角 Qm-----18.883 deg最大复原力臂lm-------0.5252m最大力臂对应角要求值Qmk---------- deg最大复原力臂要求值lmk----------m最大力臂对应角衡准数Klm----------最大复原力臂衡准数 Kl----------消失角Qv-----44.210 deg稳性面积(实取)ldu-----0.0885 rad.m 消失角要求值Qvk---------- deg稳性面积要求值Ad-----0.0327 rad.m消失角衡准数Kv----------稳性面积衡准数Kldo----- 1.8925. 稳性衡准数计算横摇自摇周期To------- 3.184s系数C1-------0.1152系数 (实取)C2-------0.4952系数 (实取)C3-------0.0192系数C4------- 1.0000横摇角Q1------- 6.865 deg进水角Qj-------20.872 deg进水角对应动稳性力臂ldj-----0.1141 rad.m 极限动倾角(不计横摇)Qdm-----28.294 deg极限动倾角对应动力臂ldm-----0.2005 rad.m 横倾角(实取)Qu-------20.872 deg最小倾覆力臂lqo-------0.3713m横摇幅度Qp-------12.606 deg横摇幅度对应动稳性力臂ldp---0.0121 rad.m 极限动倾角(计横摇)Qdm-----34.140 deg极限动倾角对应动力臂ldm---0.2502 rad.m 横倾角(实取)Qu-------20.872 deg最小倾覆力臂lq-------0.1858m受风面积Af-------62.526 m^2面积形心垂向坐标 Zf------- 1.894m 系数ao-------0.443单位计算风压值P------------Pa风压倾侧力臂lf------------m风压稳性衡准数Kf------------单位计算风压值(作业)P----- 123.200Pa单位计算风压值(避风)P----- 466.200Pa风压倾侧力矩(作业) Mf----22.509 kN.m风压倾侧力矩(避风) Mf----85.176 kN.m极限静倾角(作业)Qr-----8.000 deg极限静倾角(避风)Qr-----8.000 deg作业初稳性要求值GMtk1----------m避风初稳性要求值 GMpk-----0.236m作业初稳性衡准数 Kht1----------避风初稳性衡准数Khp-----7.5536. 结论 :完整稳性满足《规则》要求______________________________________________________________________________________________ 1. 重量重心计算机从艉端进入2. 浮态和初稳性高度方型系数 Cb ------------- 0.597 进水位置------------- 位置 13. 复原力臂曲线80.00 -0.3209 0.0039 -0.3248 0.25404. 初稳性高度和复原力臂曲线的衡准计算初稳性衡准数 Kh ----- ----- 进水角对应稳性面积 Adj ----- 0.1298 rad.m最大力臂对应角衡准数Klm----- ----- 最大复原力臂衡准数 Kl ----- ----- 消失角衡准数 Kv ----- ----- 稳性面积衡准数 Kldo ----- 1.9785. 稳性衡准数计算系 数C4 ------- 1.0000 横 摇 角Q1 ------- 6.871 deg装载序号 : 4载况名称 : 备品10%,挖掘机从艉端进入 载况附加说明 : 作业和避风状态垂向坐标 纵向坐标 横向坐标序号 项 目重 量 力 臂 重量矩 力 臂 重量矩 力 臂 重量矩(t)(m) (t.m) (m)(t.m) (m) (t.m)1空 船 80.000 1.036 91.168 -0.203 -17.86 0.000 0.00 2 船员及行李 0.300 3.220 0.96 -9.940 -2.98 0.000 0.00 3 备 品10% 0.400 2.380 0.95 -10.01 -4.00 0.000 0.00 4 日用水柜10% 1.000 3.780 3.78 -10.85 -10.85 0.0000.00 5 燃 油10% 5.000 1.260 6.30 -10.15 -50.75 0.000 0.00 6工程备品150.000 1.372 205.80 -0.070 -10.50 0.0000.00 7 挖掘机艉端进入20.000 2.989 59.78 -8.750 -175.00 4.725 94.50备品10%,挖掘 179.158 1.389 355.61 -0.829 -212.29 0.368 94.50 水线船长 Lw ------------- 34.000 m 初始横倾角 Qo --------- 5.718 deg 水线船宽 Bs ------------- 6.900 m 进 水 角 Qj --------- 21.781 deg 吃 水 d ------------- 0.716 m 极限静倾角 Qr --------- 8.000 deg 艏 吃 水 Tf ------------- 0.620 m 初稳性高度(未修正)GMo ----- 2.626 m 艉 吃 水 Ta ------------- 0.812 m 自由液面修正量 △GM ----- 0.005 m 最小干舷 F ------------- 0.812 m 初稳性高度(修正后)GM1 ----- 2.622 m 受风面积 Af ------------- 63.000 m^2 面积形心垂向坐标 Zf ----- 1.885 m 角 度 复原力臂(未修正) 自由液面修正值 复原力臂(修正后)动稳性力臂 (deg) ( m ) ( m ) ( m ) (m.rad) 0.00 -0.3692 0.0000 -0.3692 0.0000 5.00 -0.1446 0.0001 -0.1449 -0.0224 10.00 0.0858 0.0003 0.0854 -0.0250 0.025 15.00 0.3128 0.0005 0.3122 -0.0072 20.00 0.4780 0.0007 0.4773 0.0280 25.00 0.5371 0.0009 0.5362 0.0726 30.00 0.5322 0.0011 0.5310 0.1194 35.00 0.4931 0.0014 0.4916 0.1642 40.00 0.4322 0.0017 0.4305 0.2046 45.00 0.3567 0.0021 0.3546 0.2389 50.00 0.2713 0.0025 0.2687 0.2662 55.00 0.1794 0.0030 0.1764 0.2856 60.00 0.0826 0.0033 0.0792 0.2968 65.00 -0.0172 0.0035 -0.0207 0.2993 70.00 -0.2201 0.0038 -0.2240 0.2780 75.00 -0.3109 0.0029 -0.3348 0.2240 初稳性高度(修正后)GM1 ----- 2.622 m 进 水 角Qj ------- 21.781 deg 基本初稳性要求值 GMk ----- ----- m 进水角对应复原力臂 lj ----- 0.5241 m 最大复原力臂对应角 Qm ----- 18.970 deg 最大复原力臂 lm ------- 0.5418 m 最大力臂对应角要求值Qmk----- ----- deg 最大复原力臂要求值lmk ----- ----- m 消 失 角 Qv ----- 44.775 deg 稳性面积(实取) ldu ----- 0.0926 rad.m 消失角要求值 Qvk ----- ----- deg 稳性面积要求值 Ad ----- 0.327 rad.m 横摇自摇周期 To ------- 3.171 s 系 数 C1 ------- 0.1155 系 数 (实取) C2 ------- 0.4998 系 数 (实取) C3 ------- 0.0195进水角Qj-------21.781 deg进水角对应动稳性力臂ldj-----0.1298 rad.m 极限动倾角(不计横摇)Qdm-----28.595 deg极限动倾角对应动力臂ldm-----0.2108 rad.m 横倾角(实取)Qu-------21.781 deg最小倾覆力臂lqo-------0.3903m横摇幅度Qp-------12.590 deg横摇幅度对应动稳性力臂ldp---0.0126 rad.m 极限动倾角(计横摇)Qdm-----34.460 deg极限动倾角对应动力臂ldm---0.2625 rad.m 横倾角(实取)Qu-------21.781 deg最小倾覆力臂lq-------0.2050m受风面积Af------- 63.000 m^2面积形心垂向坐标 Zf------- 1.885m系数ao-------0.433单位计算风压值P------------Pa风压倾侧力臂lf------------m风压稳性衡准数Kf------------单位计算风压值(作业)P----- 123.200Pa单位计算风压值(避风)P----- 466.200Pa风压倾侧力矩(作业) Mf----22.838 kN.m风压倾侧力矩(避风) Mf----86.425 kN.m极限静倾角(作业)Qr-----8.000 deg极限静倾角(避风)Qr-----8.000 deg作业初稳性要求值GMtk1----------m避风初稳性要求值 GMpk-----0.245m作业初稳性衡准数 Kht1----------避风初稳性衡准数Khp-----7.4766. 结论 :完整稳性满足《规则》要求船舶静力学计算及稳性衡准系统 V4.2(201208)WH03018* * * * * * * * * * * * * * * ** * * * * * * * * * * * * * * ******船舶完整稳性计算书****** * * * * * * * * * * * * * * ** * * * * * * * * * * * * * * *船名:粤南海货6115数据库名:粤南海货6115 B级.mdy图纸号:QCS0101-110-02委托单位:长江重庆航道工程局计算标识:补充资料计算单位: 清远市壹尚船舶设计有限公司计算签名:审核签名:批准签名:计算日期:2016年 2 月24 日程序编制单位 :中国船级社武汉规范研究所船舶稳性计算书CALCULTION ON STABILITY一概述1选用规范 :2011年《内河船舶法定检验技术规则》(以下简称《规则》)2船舶种类 :干货船3航区 :B级航区4主要要素 :船长L--------------------37.100m垂线间长Lp--------------------34.700m型宽B--------------------7.350m型深D-------------------- 2.050m设计吃水T-------------------- 1.680m横移倾侧力矩Mh------------------1458.000 kN.m定位桩倾侧力矩 Md------------------0.000 kN.m吊臂舷伸倾侧力矩 Mx-----------------0.000 kN.m排泥倾侧力矩Mp------------------0.000 kN.m舭龙骨面积Ab--------------------0.000m^2水的重量密度r-------------------- 1.000 t/m^3船型特征TYPE--------------------常规船型5计算说明 :本计算书用浮态方程计算(WH03018)进水位置极限静倾位置项目垂向坐标纵向坐标横向坐标垂向坐标纵向坐标横向坐标单位(m)(m)(m)(m)(m)(m)位置1 2.42 0.000 2.816 1.9360.000 3.5200位置2 2.3936-12.548 2.4640.0880.000-3.44966结论 :本船完整稳性满足《规则》要求二使用说明1稳性计算书中所取的装载情况是船舶设计的基本情况,若船舶在营运中的实际装载超过稳性计算书中的基本情况时,应在船舶出航前核算稳性,以保证船舶的航行安全.2船舶稳性不符合规范要求而必须采用永久性水压载时,须征得用船单位和验船部门的同意,并采取有效措施,以保证压载的可靠性.3稳性计算虽已符合规范要求,但船长仍应注意船舶装载,气象和水文情况,并谨慎驾驶.4船舶开航前,船长应检查船舶的浮态,使其尽可能保持正浮,初始横倾角应不超过0.5deg.5在使用最大许用重心高度曲线(没有计入自由液面影响)来判断船舶稳性是否满足规范要求时,应根据具体装载情况计入自由液面影响.三 船舶稳性总结表49 完整稳性衡准结论 满 足 满 足 满 足 满 足四 最大许用重心高度曲线 ( 没有计入自由液面影响 单位: m )∑ 最大许用重心高度曲线 6.5155.946 5.5665.199 4.91916 最大复原力臂要求值 mlmk ----- ----- ----- ----- 序号 项目 单 位 符号与公式 满备品,挖掘机 备品10%,挖掘 满备品,挖掘机 备品10%,挖掘从艏端进入 机从艏端进入 从艉端进入 机从艉端进入1 排 水 量t △ 230.296 225.227 230.296 225.2272 2 吃水 m d 0.929 0.912 0.918 0.901 3 艏 吃 水 m Tf 1.081 1.116 0.745 0.781 4 艉 吃 水 m Ta 0.778 0.708 1.091 1.022 5 重心垂向坐标m KG 1.756 1.747 1.757 1.747 6 初稳性高度(未修正) m GMo 3.188 3.267 3.216 3.302 7 初稳性高度(修正后) mGM1 3.183 3.262 3.211 3.297 8 进 水 角degQj 26.768 27.373 29.240 27.383 9极限静倾角deg Qr 8.000 8.000 8.000 8.000 10 基本初稳性要求值 mGMk ----- ----- ----- ----- 11 初稳性衡准数 Kh ----- ----- ----- ----- 12 最大复原力臂对应角 degQm 23.856 24.124 23.739 23.848 13 最大力臂对应角要求值 deg Qmk ----- ----- ----- ----- 14 最大力臂对应角衡准数 Klm ----- ----- ----- ----- 15 最大复原力臂m lm 0.6618 0.6682 0.6602 0.6812 12 避风初稳性衡准要求8.6037.637 6.8856.274 5.748 17 最大复原力臂衡准数 Kl ----- ----- ----- ----- 18 进水角对应复原力臂 m lj 0.6452 0.6500 0.6470 0.6589 19 复原力臂要求值 m lk ----- ----- ----- ----- 20 复原力臂衡准数 Klu ----- ----- ----- ----- 21 稳性面积(实取) rad.m ldu 0.1111 0.1160 0.1113 0.1164 22 稳性面积要求值 rad.mAd 0.0411 0.0411 0.0411 0.0411 23 稳性面积衡准数 Kldo 2.375 2.480 2.378 2.486 24 消 失 角deg Qv 55.773 56.245 55.579 56.289 25 消失角要求值 Qvk ----- ----- ----- ----- 26 消失角衡准数Kv ----- ----- ----- ----- 27 进水角要求值 Qjk ----- ----- ----- ----- 28 进水角衡准数 Koj ----- ----- ----- ----- 29 横 摇 角degQ1 8.640 8.641 8.641 8.642 30 最小倾覆力臂 m lq 0.2402 0.2517 0.2336 0.2577 31 最小倾覆力臂mlqo 0.4702 0.4814 0.4668 0.4907 32 风压倾侧力臂 m lf ----- ----- ----- ----- 33 风压稳性衡准数 K ----- ----- ----- ----- 34 水流倾侧力臂m lj ----- ----- ----- ----- 35 急流稳性衡准数 Kj ----- ----- ----- ----- 36 回航倾侧力矩 kN.m Mr ----- ----- ----- ----- 37 回航静倾角计算值 deg Qrk ----- ----- ----- ----- 38 回航静倾角衡准数 Kor ----- ----- ----- ----- 39 风压倾侧力矩(作业) kN.m Mf 28.016 28.450 28.297 28.711 40 极限静倾角(作业) degQr 8.000 8.000 8.000 8.000 41 作业初稳性要求值 m GMtk1 ----- ----- ----- ----- 42 作业初稳性衡准数 Kht1 ----- ----- ----- ----- 43 作业初稳性要求值 mGMtk2 ----- ----- ----- ----- 44 作业初稳性衡准数 Kht2 ----- ----- ----- ----- 45 风压倾侧力矩(避风) kN.m Mf 106.016 107.658 107.078 108.649 46 极限静倾角(避风) deg Qr 8.000 8.000 8.000 8.000 47 避风初稳性要求值 mGMpk 0.294 0.306 0.297 0.308 48 避风初稳性衡准数 Khp 9.509 9.385 9.496 9.399 序号 项 目\排水量 (t) 125.000 150.000 175.000 200.000 225.000 1 风压稳性衡准要求8.4677.593 6.9006.336 5.883 2 急流稳性衡准要求---------- ---------- ----- 3 最大力臂对应角衡准要求 ---------- ---------- ----- 4 最大复原力臂衡准要求 ---------- ---------- ----- 5 复原力臂衡准要求---------- ---------- ----- 6 稳性面积衡准要求6.5155.946 5.5665.199 4.919 7 消失角衡准要求 ---------- ---------- ----- 8 初稳性衡准要求 9.7308.283 7.2526.480 5.880 9 回航静倾角衡准要求---------- ---------- ----- 10 作业初稳性衡准要求 1---------- ---------- ----- 11 作业初稳性衡准要求 2---------- ---------- -----序号项目\排水量 (t)250.000275.000300.000325.000350.000 1风压稳性衡准要求 5.514 5.204 4.929 4.673 4.4322急流稳性衡准要求-------------------------3最大力臂对应角衡准要求-------------------------4最大复原力臂衡准要求-------------------------5复原力臂衡准要求-------------------------6稳性面积衡准要求 4.688 4.414 4.130 3.847 3.5627消失角衡准要求-------------------------8初稳性衡准要求 5.407 5.026 4.714 4.455 4.2429回航静倾角衡准要求-------------------------10作业初稳性衡准要求 1-------------------------11作业初稳性衡准要求 2-------------------------12避风初稳性衡准要求 5.344 5.020 4.753 4.531 4.349∑最大许用重心高度曲线 4.688 4.414 4.130 3.847 3.562序号项目\排水量 (t)375.000400.000425.000450.000475.0001风压稳性衡准要求 4.211 4.021 3.834 3.662 3.4822急流稳性衡准要求-------------------------3最大力臂对应角衡准要求-------------------------4最大复原力臂衡准要求-------------------------5复原力臂衡准要求-------------------------6稳性面积衡准要求 3.264 2.988 2.720 2.451 1.9607消失角衡准要求-------------------------8初稳性衡准要求 4.062 3.907 3.772 3.658 3.5599回航静倾角衡准要求-------------------------10作业初稳性衡准要求 1-------------------------11作业初稳性衡准要求 2-------------------------12避风初稳性衡准要求 4.195 4.047 3.910 3.788 3.674∑最大许用重心高度曲线 3.264 2.988 2.720 2.451 1.960五受风面积计算侧投影面积形心高度序号项目面积满实系数流线系数受风面积垂向坐标面积矩修正系数(m^2)(m^2)(m)(m^3)1甲板室22.492 1.000 1.00022.492 3.88999.422 1.0002货舱围板14.608 1.000 1.00014.608 2.54342.21 1.0003主甲板至水线(1)41.098 1.51170.61 1.0004主甲板至水线(2)41.724 1.50371.27 1.0005主甲板至水线(3)41.504 1.50671.04 1.0006主甲板至水线(4)42.099 1.49771.65 1.000----------------------------------------------------------------------------------------------1满备品,挖掘机从艏端进入78.199 2.388212.24 1.0002备品10%,挖掘机从艏端进入78.825 2.376212.90 1.0003满备品,挖掘机从艉端进入78.605 2.381212.67 1.0004备品10%,挖掘机从艉端进入79.200 2.369213.29 1.000----------------------------------------------------------------------------------------------满备品,挖掘机从艏端进入∑ = (1)+(2)+(3)备品10%,挖掘机从艏端进入∑ = (1)+(2)+(4)满备品,挖掘机从艉端进入∑ = (1)+(2)+(5)备品10%,挖掘机从艉端进入∑ = (1)+(2)+(6)六自由液面修正计算1. 舱柜尺寸序号舱名舱类说明体积长度宽度高度密度载量系数惯性矩横倾力矩(30)(m^3)(m)(m)(m)(t/m^3)(m^4)(kN.m)1艉压载舱单舱23.32 1.760 3.476 1.812 1.0000.5009.1105.82X 2燃油舱舱组 3.08 1.320 1.540 1.760 1.0000.500 1.1 3.67X2. 初稳性高度修正计算序号舱名舱类说明惯性矩满备品,挖掘机备品10%,挖掘满备品,挖掘机备品10%,挖掘从艏端进入机从艏端进入从艉端进入机从艉端进入1艉压载舱单舱9.1--------------------2燃油舱舱组 1.140.0040.0040.0040.004 ---------------------------------------------------------------------------------------------------------- 对初稳性高度修正( m )0.0040.0040.0040.004七各种装载稳性计算装载序号 :1载况名称 : 满备品,挖掘机从艏端进入载况附加说明 : 作业和避风状态______________________________________________________________________________________________ 1. 重量重心计算垂向坐标纵向坐标横向坐标序号项目重量力臂重量矩力臂重量矩力臂重量矩(t)(m)(t.m)(m)(t.m)(m)(t.m)1空船101.000 1.302131.542-0.255-25.770.0000.002船员及行李0.300 4.048 1.21-12.496-3.740.0000.003备品0.400 2.900 1.97-12.581-5.03 0.0000.004日用水柜 1.000 4.752 4.75 -13.640-13.640.0000.005燃油 5.000 1.5847.92 -12.760-63.8 0.0000.006工程备品150.000 1.724258.72-0.088-13.200.0000.007挖掘机艏端进入20.000 3.75875.1211.000220.00 5.940118.80 满备品,挖掘机230.200 1.756459.650.37798.8850.454118.80 从艏端进入2. 浮态和初稳性高度水线船长Lw-------------36.800m初始横倾角Qo---------7.286 deg水线船宽Bs-------------7.450m进水角Qj---------26.767 deg吃水d-------------0.929m极限静倾角Qr---------8.000 deg艏吃水Tf------------- 1.08m初稳性高度(未修正)GMo----- 3.188m艉吃水Ta-------------0.777m自由液面修正量△GM-----0.005m最小干舷F------------- 1.006m初稳性高度(修正后)GM1----- 3.182m受风面积Af-------------78.199 m^2面积形心垂向坐标Zf----- 2.388m方型系数Cb-------------0.752进水位置-------------位置 13. 复原力臂曲线角度复原力臂(未修正)自由液面修正值复原力臂(修正后)动稳性力臂(deg)( m )( m )( m )(m.rad)0.00-0.45390.0000-0.45390.00005.00-0.18190.0002-0.1821-0.027810.000.09760.00040.097 -0.31515.000.37610.00060.3754-0.010320.000.58060.00080.57970.032225.000.65570.00110.65460.086630.000.64970.00140.64820.143835.000.60070.00170.59910.198540.000.52430.00210.52220.247545.000.43040.00260.42790.289050.000.32270.00320.31950.321755.000.20810.00370.20430.344660.000.08780.00410.08360.357265.00-0.03590.0044-0.04030.359170.00-0.16140.0045-0.16610.350175.00-0.28720.0047-0.29190.330180.00-0.41170.0048-0.41650.29924. 初稳性高度和复原力臂曲线的衡准计算初稳性高度(修正后)GM1----- 3.1829m进水角Qj-------26.767 deg基本初稳性要求值GMk----------m进水角对应复原力臂 lj-----0.6452m初稳性衡准数Kh----------进水角对应稳性面积 Adj -----0.1486 rad.m最大复原力臂对应角 Qm-----23.855 deg最大复原力臂lm-------0.6618m最大力臂对应角要求值Qmk---------- deg最大复原力臂要求值lmk----------m最大力臂对应角衡准数Klm----------最大复原力臂衡准数 Kl----------消失角Qv-----55.773 deg稳性面积(实取)ldu-----0.1111 rad.m 消失角要求值Qvk---------- deg稳性面积要求值Ad-----0.0412 rad.m消失角衡准数Kv----------稳性面积衡准数Kldo----- 2.375。
油船稳性计算书1. 概述本船为国内近海航区一级油船。
本计算书根据2004年版《非国际航行海船法定检验技术规则》第四篇第7章完整稳性(以下简称《规则》)的有关规定对本船的满载出港、满载到港、压载出港、压载到港、满载出港加结冰、半载出港、半载到港、半载出港加结冰八种装载情况进行计算与校核。
2. 主要要素长 L 117.01 m 总OA两柱间长 Lpp 106.80 m型宽 B 15.00 m型深 D 7.90 m设计吃水 T 6.40 m方型系数 C 0.7732 b3 计算工况八种工况:满载出港、满载到港、压载出港、压载到港、满载出港结冰、半载出港、半载到港、半载出港加结冰。
13.1满载出港表1 满载出港装载情况表垂向坐标纵向坐标横向坐标序号项目重量力臂重量矩力臂重量矩力臂重量矩(t) (m) (t.m) (m) (t.m) (m) (t.m) 1 1756.880 6.060 10646.693 -4.700 -8257.336 0.000 0.000 空船2 2.000 11.200 22.400 -43.000 -86.000 0.000 0.000 船员及行李3 1.000 11.200 11.200 -43.000 -43.000 0.000 0.000 备品4 190.000 7.000 1330.000 -55.000 -10450.000 0.000 0.000 淡水5 240.000 4.800 1152.000 -38.800 -9312.000 0.000 0.000 燃油9 5750.000 4.900 28175.000 2.680 15410.000 0.000 0.000 货油舱5.198 42240.255 -2.502 -20334.211 0.000 0.000 8125.755满载出港表2 满载出港工况稳性计算与衡准表满载出港3797.295 797.295排水量D,t, 型排水体积V(m)2.360 9.0 平均吃水d (m) 型宽B (m)1.4812.731 重心垂向高度KG(m) 初稳性高GM (m) O静、动稳性曲线:横倾角(deg) 静稳性力臂L(m) 动稳性力臂Ld(m)0.000 0.000 010 0.458 0.24420 0.629 0.40430 0.665 0.48740 0.638 0.50550 0.563 0.54460 0.455 0.539稳性衡准:θ(deg) 横摇角自摇周期T(s) 3.457 33.869 1θ动稳性力臂Ld(m) 风压倾斜力臂Lf (m) 0.124 0.011最大静稳性力臂L (m) 稳性衡准K=Ld/Lf 10.833 0.665进水角θ(deg) 16.02 j3.2满载到港表3满载到港装载情况表序号项目重量垂向坐标纵向坐标横向坐标2力臂重量矩力臂重量矩力臂重量矩(t) (m) (t.m) (m) (t.m) (m) (t.m) 1 1756.880 6.060 10646.693 -4.700 -8257.336 0.000 0.000 空船2 2.000 11.200 22.400 -43.000 -86.000 0.000 0.000 船员及行李3 1.000 11.200 11.200 -43.000 -43.000 0.000 0.000 备品4 24.000 1.800 43.200 -38.800 -931.200 0.000 0.000 10%燃油5 14.000 1.500 21.000 -37.900 -530.600 0.000 0.000 10%轻油6 1.588 9.200 14.610 -49.000 -77.812 0.000 0.000 10%滑油7 19.000 5.500 104.500 -55.000 -1045.000 0.000 0.000 10%淡水8 30.000 2.460 73.800 -50.400 -1512.000 0.000 0.000 艉轴水舱9 5750.000 4.900 28175.000 2.680 15410.000 0.000 0.000 货油舱5.147 39112.402 0.385 2927.052 0.000 0.000 7598.468满载到港表4 满载到港工况稳性计算与衡准表满载到港3785.865 785.865排水量D,t, 型排水体积V(m)9.0 平均吃水d (m) 型宽B (m) 2.3291.4572.782 重心垂向高度KG(m) 初稳性高GM (m) O静、动稳性曲线:横倾角(deg) 静稳性力臂L(m) 动稳性力臂Ld(m)0.000 0.000 010 0.475 0.25220 0.667 0.42230 0.713 0.51440 0.689 0.56250 0.611 0.58060 0.499 0.576稳性衡准:θ(deg) 横摇角自摇周期T(s) 3.455 33.869 1θ动稳性力臂Ld(m) 风压倾斜力臂Lf (m) 0.144 0.013最大静稳性力臂L (m) 稳性衡准K=Ld/Lf 10.857 0.713进水角θ(deg) 19.01 j3.3压载出港表5压载出港装载情况表序号项目重量垂向坐标纵向坐标横向坐标3力臂重量矩力臂重量矩力臂重量矩(t) (m) (t.m) (m) (t.m) (m) (t.m) 1 1756.880 6.060 10646.693 -4.700 -8257.336 0.000 0.000 空船2 2.000 11.200 22.400 -43.000 -86.000 0.000 0.000 船员及行李3 1.000 11.200 11.200 -43.000 -43.000 0.000 0.000 备品4 190.000 7.000 1330.000 -55.000 -10450.000 0.000 0.000 淡水5 240.000 4.800 1152.000 -38.800 -9312.000 0.000 0.000 燃油6 140.000 4.800 672.000 -37.900 -5306.000 0.000 0.000 轻油舱柜7 15.875 9.900 157.163 -49.000 -777.875 0.000 0.000 滑油舱柜8 30.000 2.460 73.800 -50.400 -1512.000 0.000 0.000 艉轴水舱9 120.000 3.300 396.000 46.100 5532.000 0.000 0.000 NO1压载舱10 200.000 5.300 1060.000 40.450 8090.000 0.000 0.000 NO2压载舱11 165.000 0.550 90.750 28.900 4768.500 0.000 0.000 NO3压载舱12 219.000 0.540 118.260 13.140 2877.660 0.000 0.000 NO4压载舱13 256.000 0.540 138.240 -5.029 -1287.424 0.000 0.000 NO5压载舱14 200.000 0.550 110.000 -23.000 -4600.000 0.000 0.000 NO6压载舱15 50.000 7.000 350.000 -34.400 -1720.000 0.000 0.000 NO7压载舱16 40.000 8.000 320.000 -0.300 -12.000 0.000 0.000 结冰4.592 16648.505 -6.094 -22095.475 0.000 0.000 3625.755压载出港表6压载出港工况稳性计算与衡准表3159.295 159.295排水量D,t, 型排水体积V(m)平均吃水d (m) 型宽B (m) 0.533 9.02.008 2.105 重心垂向高度KG(m) 初稳性高GM (m) O静、动稳性曲线:横倾角(deg) 静稳性力臂L(m) 动稳性力臂Ld(m)0 0.000 0.00010 1.635 0.88220 2.076 1.40730 2.072 1.62940 1.889 1.72550 1.570 1.73260 1.139 1.645稳性衡准:θ(deg) 横摇角自摇周期T(s) 4.791 15. 284 1θ动稳性力臂Ld(m) 风压倾斜力臂Lf (m) 0.619 0.077最大静稳性力臂L (m) 稳性衡准K=Ld/Lf 8.049 1.739进水角θ(deg) 90.000 j3.4压载到港表7压载到港装载情况表序号项目重量垂向坐标纵向坐标横向坐标4力臂重量矩力臂重量矩力臂重量矩(t) (m) (t.m) (m) (t.m) (m) (t.m) 1 1756.880 6.060 10646.693 -4.700 -8257.336 0.000 0.000 空船2 2.000 11.200 22.400 -43.000 -86.000 0.000 0.000 船员及行李3 1.000 11.200 11.200 -43.000 -43.000 0.000 0.000 备品4 24.000 1.800 43.200 -38.800 -931.200 0.000 0.000 10%燃油5 14.000 1.500 21.000 -37.900 -530.600 0.000 0.000 10%轻油6 1.588 9.200 14.610 -49.000 -77.812 0.000 0.000 10%滑油7 19.000 5.500 104.500 -55.000 -1045.000 0.000 0.000 滑油舱柜8 30.000 2.460 73.800 -50.400 -1512.000 0.000 0.000 艉轴水舱9 120.000 3.300 396.000 46.100 5532.000 0.000 0.000 NO1压载舱10 200.000 5.300 1060.000 40.450 8090.000 0.000 0.000 NO2压载舱11 165.000 0.550 90.750 28.900 4768.500 0.000 0.000 NO3压载舱12 219.000 0.540 118.260 13.140 2877.660 0.000 0.000 NO4压载舱13 256.000 0.540 138.240 -5.029 -1287.424 0.000 0.000 NO5压载舱14 200.000 0.550 110.000 -23.000 -4600.000 0.000 0.000 NO6压载舱15 50.000 7.000 350.000 -34.400 -1720.000 0.000 0.000 NO7压载舱16 40.000 8.000 320.000 -0.300 -12.000 0.000 0.000 结冰4.364 13520.652 0.376 1165.788 0.000 0.000 3098.468压载到港表8 压载到港工况稳性计算与衡准表33098.468 3022.896排水量D,t, 型排水体积V(m)2.613 15.0 平均吃水d (m) 型宽B (m)4.364 3.448 重心垂向高度KG(m) 初稳性高GM (m) O静、动稳性曲线:横倾角(deg) 静稳性力臂L(m) 动稳性力臂Ld(m)0.000 0.000 010 0.482 0.04220 1.021 0.17330 1.494 0.39340 1.692 0.67150 1.580 0.95660 1.255 1.204稳性衡准:横摇角θ(deg) 自摇周期T(s) 7.032 15.079 1θ动稳性力臂Ld(m) 风压倾斜力臂Lf (m) 0.656 0.128最大静稳性力臂L (m) 稳性衡准K=Ld/Lf 5.111 1.692进水角θ(deg) 90.000 j3.5满载出港加结冰表9 满载出港加结冰装载情况表序号项目重量垂向坐标纵向坐标横向坐标5力臂重量矩力臂重量矩力臂重量矩(t) (m) (t.m) (m) (t.m) (m) (t.m) 1 1756.880 6.060 10646.693 -4.700 -8257.336 0.000 0.000 空船2 2.000 11.200 22.400 -43.000 -86.000 0.000 0.000 船员及行李3 1.000 11.200 11.200 -43.000 -43.000 0.000 0.000 备品4 190.000 7.000 1330.000 -55.000 -10450.000 0.000 0.000 淡水5 240.000 4.800 1152.000 -38.800 -9312.000 0.000 0.000 燃油6 140.000 4.800 672.000 -37.900 -5306.000 0.000 0.000 轻油舱柜7 15.875 9.900 157.163 -49.000 -777.875 0.000 0.000 滑油舱柜8 30.000 2.460 73.800 -50.400 -1512.000 0.000 0.000 艉轴水舱9 5750.000 4.900 28175.000 2.680 15410.000 0.000 0.000 货油舱10 40.000 8.000 320.000 -0.300 -12.000 0.000 0.000 结冰5.212 42560.255 -2.492 -20346.211 0.000 0.000 8165.755满载出港加结冰表10 满载出港加结冰工况稳性计算与衡准表满载出港加结冰38165.755 7966.59排水量D,t, 型排水体积V(m)平均吃水d (m) 型宽B (m) 6.466 15.05.212 1.068 重心垂向高度KG(m) 初稳性高GM (m) O静、动稳性曲线:横倾角(deg) 静稳性力臂L(m) 动稳性力臂Ld(m)0.000 0.000 010 0.191 0.01720 0.278 0.05830 0.237 0.10340 0.134 0.13550 -0.005 0.14660 -0.186 0.130稳性衡准:横摇角θ(deg) 自摇周期T(s) 10.591 14.288 1θ动稳性力臂Ld(m) 风压倾斜力臂Lf (m) 0.118 0.010最大静稳性力臂L (m) 稳性衡准K=Ld/Lf 11.273 0.278进水角θ(deg) 60.18 j3.6半载出港表11半载出港装载情况表6垂向坐标纵向坐标横向坐标序号项目重量力臂重量矩力臂重量矩力臂重量矩(t) (m) (t.m) (m) (t.m) (m) (t.m) 1 1756.880 6.060 10646.693 -4.700 -8257.336 0.000 0.000 空船2 2.000 11.200 22.400 -43.000 -86.000 0.000 0.000 船员及行李3 1.000 11.200 11.200 -43.000 -43.000 0.000 0.000 备品4 190.000 7.000 1330.000 -55.000 -10450.000 0.000 0.000 淡水5 240.000 4.800 1152.000 -38.800 -9312.000 0.000 0.000 燃油6 140.000 4.800 672.000 -37.900 -5306.000 0.000 0.000 轻油舱柜7 15.875 9.900 157.163 -49.000 -777.875 0.000 0.000 滑油舱柜8 30.000 2.460 73.800 -50.400 -1512.000 0.000 0.000 艉轴水舱9 2875.000 2.450 7043.750 2.680 7705.000 0.000 0.000 货油舱4.020 21109.005 -5.340 -28039.211 0.000 0.000 5250.755满载出港表12半载出港工况稳性计算与衡准表35250.755 5122.688排水量D,t, 型排水体积V(m)平均吃水d (m) 型宽B (m) 4.439 15.04.020 1.786 重心垂向高度KG(m) 初稳性高GM (m) O静、动稳性曲线:横倾角(deg) 静稳性力臂L(m) 动稳性力臂Ld(m)0.000 0.000 010 0.320 0.02820 0.694 0.11630 1.099 0.27340 1.246 0.47850 1.126 0.68560 0.853 0.857稳性衡准:θ(deg) 横摇角自摇周期T(s) 8.248 7.198 1θ动稳性力臂Ld(m) 风压倾斜力臂Lf (m) 0.546 0.070最大静稳性力臂L (m) 稳性衡准K=Ld/Lf 7.770 1.246进水角θ(deg) 84.43 j3.7半载到港表13半载到港装载情况表7垂向坐标纵向坐标横向坐标序号项目重量力臂重量矩力臂重量矩力臂重量矩(t) (m) (t.m) (m) (t.m) (m) (t.m) 1 1756.880 6.060 10646.693 -4.700 -8257.336 0.000 0.000 空船2 2.000 11.200 22.400 -43.000 -86.000 0.000 0.000 船员及行李3 1.000 11.200 11.200 -43.000 -43.000 0.000 0.000 备品4 24.000 1.800 43.200 -38.800 -931.200 0.000 0.000 10%燃油5 14.000 1.500 21.000 -37.900 -530.600 0.000 0.000 10%轻油6 1.588 9.200 14.610 -49.000 -77.812 0.000 0.000 10%滑油7 19.000 5.500 104.500 -55.000 -1045.000 0.000 0.000 10%淡水8 30.000 2.460 73.800 -50.400 -1512.000 0.000 0.000 艉轴水舱9 2875.000 2.450 7043.750 2.680 7705.000 0.000 0.000 货油舱3.807 17981.152 -1.012 -4777.948 0.000 0.000 4723.468满载到港表14 半载到港工况稳性计算与衡准表34723.468 4608.261排水量D,t, 型排水体积V(m)3.959 15.0 平均吃水d (m) 型宽B (m)3.807 1.955 重心垂向高度KG(m) 初稳性高GM (m) O静、动稳性曲线:横倾角(deg) 静稳性力臂L(m) 动稳性力臂Ld(m)0.000 0.000 010 0.351 0.03120 0.761 0.12830 1.261 0.30440 1.476 0.54350 1.368 0.79160 1.082 1.005稳性衡准:θ(deg) 横摇角自摇周期T(s) 7.588 7.149 1θ动稳性力臂Ld(m) 风压倾斜力臂Lf (m) 0.659 0.077最大静稳性力臂L (m) 稳性衡准K=Ld/Lf 8.568 1.476进水角θ(deg) 89.37 j3.8半载出港加结冰表15 半载出港加结冰装载情况表8垂向坐标纵向坐标横向坐标序号项目重量力臂重量矩力臂重量矩力臂重量矩(t) (m) (t.m) (m) (t.m) (m) (t.m) 1 1756.880 6.060 10646.693 -4.700 -8257.336 0.000 0.000 空船2 2.000 11.200 22.400 -43.000 -86.000 0.000 0.000 船员及行李3 1.000 11.200 11.200 -43.000 -43.000 0.000 0.000 备品4 190.000 7.000 1330.000 -55.000 -10450.000 0.000 0.000 淡水5 240.000 4.800 1152.000 -38.800 -9312.000 0.000 0.000 燃油6 140.000 4.800 672.000 -37.900 -5306.000 0.000 0.000 轻油舱柜7 15.875 9.900 157.163 -49.000 -777.875 0.000 0.000 滑油舱柜8 30.000 2.460 73.800 -50.400 -1512.000 0.000 0.000 艉轴水舱9 2875.000 2.450 7043.750 2.680 7705.000 0.000 0.000 货油舱10 40.000 8.000 320.000 -0.300 -12.000 0.000 0.000 结冰4.050 21429.005 -5.302 -28051.211 0.000 0.000 5290.755满载出港加结冰表16 半载出港加结冰工况稳性计算与衡准表半载出港加结冰35290.755 5161.712 排水量D,t, 型排水体积V(m)平均吃水d (m) 型宽B (m) 4.473 15.04.050 1.763 重心垂向高度KG(m) 初稳性高GM (m) O静、动稳性曲线:横倾角(deg) 静稳性力臂L(m) 动稳性力臂Ld(m)0.000 0.000 010 0.316 0.02820 0.686 0.11530 1.078 0.26940 1.217 0.46950 1.094 0.67160 0.821 0.838稳性衡准:θ(deg) 横摇角自摇周期T(s) 7.741 7.279 1θ动稳性力臂Ld(m) 风压倾斜力臂Lf (m) 0.536 0.069最大静稳性力臂L (m) 稳性衡准K=Ld/Lf 7.726 1.217进水角θ(deg) 84.03 j4.稳性总结9表11 稳性总结表满载序满载满载压载压载项目单位出港号出港到港出港到港加结冰 t 1 排水量 8125.755 3625.755 8165.755 7598.468 3098.468 m 2 平均吃水 6.40 5.933 3.188 2.613 6.466 m 3 初稳性高GM 1.019 0.968 2.784 3.448 1.068 Om 4 最大静稳性臂l 0.311 0.386 1.742 1.906 0.279 deg 5 进水角θ61.66 66.53 90.000 90.000 60.18 jm 6 最小倾覆力臂lq 0.124 0.144 0.619 0.656 0.118 m 7 风压倾斜力臂lf 0.011 0.013 0.077 0.128 0.0108 稳性衡准数K 10.833 10.857 8.049 5.111 11.2739 结论满足满足满足满足满足(续)半载序半载半载项目单位出港号出港到港加结冰t 1 排水量 5250.755 5290.755 4723.468m 3.959 4.473 2 平均吃水 4.439m 1.786 1.955 1.763 3 初稳性高GM Om 1.246 1.479 1.217 4 最大静稳性臂ldeg 84.43 89.37 84.03 5 进水角θ jm 6 最小倾覆力臂lq 0.546 0.659 0.536m 7 风压倾斜力臂lf 0.070 0.077 0.0698 稳性衡准数K 7.770 8.568 7.7269 结论满足满足满足结论:八种装载情况在各种工况下均满足法规要求。
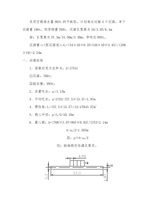
采用空载排水量993t的平板驳,计划每次运输4个沉箱,单个沉箱重190t。
则货物重760t、沉箱长宽高为10/3.95/6.4m 船:长宽高为57.5m/15.50m/3.30m;净吨位993t。
沉箱重心(距沉箱底):G s=(54×10×0.25+136×10×3.45)/(190×10)=2.54m一、动载检验1、装载后受力总和为:G=1753t①沉箱:760t;②船自重:993t;2、自重吃水:a0=1.15m3、平均吃水:a=1753/(57.5×15.5)=1.97m4、惯性矩:I X=(57.5×15.53)/12=17843.57m45、稳心半径:p=I X/G=10.18m6、重心高:h=(760×3.87+993×0.82)/1753=2.14mh-a0/2=1.565m因:p>h-a0/2则:船舶稳定性满足要求。
二、倾覆性检验船舶装载运输时最大风力不大于六级进行验算,六级时风压按180Pa检算。
1、倾覆力矩①船:干舷高度:3.3-1.97=1.33m受风面积:1.33×57.5=76.475m2风力作用点至水面距离:0.665mM倾1=76.475×0.665×180=9.15kN•m②沉箱受力面积:3.95×4×6.4=101.12m2风力作用点至水面距离:3.2+1.33=4.53mM倾2=101.12×4.53×180=82.45kN•m综上:M倾=M倾1+M倾2=91.6KN•m2、抗倾覆力矩M抗=G×1.63=1753×28.75=50398.75KN•m抗风系数K=M抗/M倾>1说明在六级风及以下时稳定性没问题。
一、概述本船为航行于内河B级航区的一条旅游船。
现按照中华人民共和国海事局《内河船舶法定检验技术规则》(2004)第六篇对本船舶进行完整稳性计算。
二、主要参数总长L OA13.40 m垂线间长L PP13.00 m型宽 B 3.10 m型深 D 1.40 m吃水 d 0.900 m排水量∆ 17.460 t航区内河B航区三、典型计算工况1、空载出港2、满载到港五、受风面积A六、旅客集中一弦倾侧力矩L KL K=1∆(1−n5lb)=0.030 mn lb =1.400<2.5,取nlb=1.400式中:C—系数,C=0.013lbN=0.009<0.013,取C=0.013n—各活动处所的相当载客人数,按下式计算并取整数n=NSbl=28.000S—全船供乘客活动的总面积,m2,按下式计算:S=bl=20.000 m2b—乘客可移动的横向最大距离,b=2.000 m;l—乘客可移动的横向最大距离,b=2.000 m。
七、全速回航倾侧力矩L VL V=0.045V m2L S[KG−(a2+a3F r)d]KN−m式中:Fr—船边付氏数,F r=m9.81L;Ls—所核算状态下的船舶水线长,m;d—所核算状态下的船舶型吃水,m;∆—所核算状态下的船舶型排水量,m2;KG—所核算状态下的船舶重心至基线的垂向高,m;Vm—船舶最大航速,m/s;a3—修正系数,按下式计算;a3=25F r−9当a3<0,取a3=0;当a3>1时,取a3=1;a2—修正系数,按下式计算;a2=0.9(4.0−Bs/d)当Bs/d<3.5时,取Bs/d=3.5;当Bs/d>4.0时,取Bs/d=4.0;。
船舶稳性要求计算第一节通则7.1.1 适用范围7.1.1.1 本章适用于在广西内河现有挖砂与运砂的下列船舶: (1) 链斗式挖砂船; (2) 绞吸式挖砂船; (3) 抓斗式挖砂船; (4) 普通货船型运砂船; (5) 设有砂舱的抓斗挖砂船。
7.1.1.2 本章不适用漏斗型砂舱自运自卸砂船。
7.1.2 空船排水量和重心位置的确定7.1.2.2 确因条件限制而难以进行倾斜试验时,可采用造船工程中有关计算方法确定空船排水量和空船重心位置。
当计算空船重心距基线的距离KG 0小于下列规定值时,应取下列规定值: (1) 没有设置挖砂设备的运砂船舶:① 深舱型运砂船 KG 0≥0.80DK m② 半舱型运砂船 KG 0≥0.8D (1+0.25)K m③ 甲板型运沙船 KG 0≥1.0DK m式中:KG 0 ——空船重心至基线的垂直距离,m ;K ——系数,按下列规定选取: K =1.0 仅有干舷甲板和顶蓬甲板;DhK =1.02 干舷甲板上有2层甲板室甲板(含顶蓬甲板);K=1.09 干舷甲板上有3层甲板室甲板(含顶蓬甲板); K =1.14 干舷甲板上有4层甲板室甲板(含顶蓬甲板); D ——型深,m ;h ——载货甲板至基线的垂直距离,m 。
(2) 设有竖杆、吊杆和抓斗的自挖自运砂船: ① 深舱型KG 0 =0.93D K m ② 半舱型KG 0=0.93D (1+0.25)K m(3) 链斗挖砂船:KG 0 =1.00D K m (4) 绞吸式挖砂船KG 0 =0.9D K m 式中:各符号含义同上述(1)中规定。
7.1.3 稳性计算7.1.3.1 与稳性有关的所有计算应采用造船工程中可接受的方法,如用计算机计算,应注明计算方法,并提交输入数据和计算结果。
7.1.3.2 设计参数为本章定义的相应参数的中间值时,实取数值用内插法求得。
7.1.3.3 稳性计算完成后应按常规编制“船舶稳性总结表”。
7.1.3.4 船舶稳性计算虽已符合本章要求,但船长仍应注意船舶装载、气象和水文情况,并做好以下安全措施: (1) 严禁超载航行; (2) 砂舱内砂面应平舱; (3) 满载状态下严禁全速回转;(4) 抓斗挖砂船的抓斗斗容应按稳性计算所规定的斗容进行作业。
船舶静力学计算及稳性衡准系统 4.1 2009年1月最新版船舶静力学计算及稳性衡准系统V4.1_0901"(cyzwx) 是由中国船级社武汉规范研究所研制开发。
11全模块:静水力性能、舱容曲线、自由液面、完整稳性、倾斜试验、破舱稳性、随浪稳性、纵向下水、干舷吨位、总纵强度、应急响应4.1.1 系统界面介绍Windows应用程序的界面主要有三种,即单文档界面、多文档界面和资源管理器样式界面。
顾名思义,单文档界面指只有一个窗体的界面,其应用程序只能打开一个文档,想要打开另一个文档时,必须先关闭已打开的文档。
多文档界面指在主窗口中包含多个子窗口的界面,其应用程序允许用户同时显示多个文档,每个文档显示在它自己的窗口中,子窗口被包含在主窗口中(同时有两个或更多的窗口时,只有一个是活动的,用户可以用鼠标单击窗口的可见部分来将它激活),主窗口为应程序中的所有的子窗口提供工作空间。
资源管理样式界面是包括有两个窗格(或者区域)的一个单独的窗口,通常是由右半部分的一个树形(或者层次型)的视图和右半部分的一个显示区所组成,其应用程序类似Windows资源管理器,左边窗格为主题,而右边窗格为选中的主题细节。
本程序系统采用多文档界面,同时具有资源管理器样式界面的风格,如图4.1所示。
计算功能“船舶静力学计算及稳性衡准系统”的功能包括静水力性能计算、舱容曲线计算、自由液面修正计算、倾斜试验计算、完整稳性计算、可浸长度曲线计算、破舱稳性计算和下水计算等功能,在此基础上还将开发吨位计算、干舷计算和随浪稳性计算等功能。
1.3.1 静水力性能计算1. 计算内容:静水力曲线、邦戎曲线、费尔索夫曲线、横截曲线、进水角曲线和极限静倾角曲线。
2. 计算方法:费尔索夫曲线、横截曲线、进水角曲线和极限静倾角曲线采用等体积法计算;静水力曲线和横截曲线可计入初始纵倾角的影响。
1.3.2 舱容曲线计算1. 计算内容:舱室要素和舱容曲线。
2. 计算方法:采用特征点坐标描述舱室形状,自定义计算水线数目。
目录1.主要参数 (2)2.定义 (2)3.计算依据 (2)4.主要使用说明 (2)5.重量重心估算 (3)6.风倾力矩计算 (4)7.进水点以及进水角 (10)8.基本载况稳性总结表 (10)9.静水力表 (10)10.复原力矩计算 (11)11.稳性校核 (12)12.横摇周期和横摇角 (16)1.主要参数设计最大吃水................................11.32 m最大排水量.................................198t整体抗风能力...............................14 级六边形边长..................................9 m2.定义1、单位定义长度单位:米[m]重量单位:吨[t]角度单位:度[deg]2、坐标轴定义X轴:向右为正;Y轴:向首为正;Z轴:向上为正;纵倾:向Y方向的倾斜;横倾:向X方向的倾斜;本计算书中的坐标定义见上图。
以最底层垂荡板底面为基平面,以图中的Y轴为KL线。
3.计算依据:本平台由潜入水中的浮筒、立柱下部、两层垂荡板以及撑杆提供浮力,立柱上部露出水面,为半潜状态。
计算书参照中国船级社《海上移动平台入级规范》(2016)中对柱稳式平台的相关要求对本平台的稳性进行校核。
本计算书中的坐标系定义见上图。
本平台结构几乎对称,结构剖面关于X轴的惯性矩比Y轴略大,X方向受风面积大。
因此,Y轴方向的稳性较好。
基于以上结论,本计算书对X轴方向的稳性进行校核。
4.主要使用说明1)本计算书对本平台的作业工况及空载载况(吃水11.24m及10.99m)的稳性进行校核,实际运营时出现吃水超出此作业工况,则应重新核算稳性,确保运营中的安全。
5.重量重心估算5.1结构重量:5.2平台重量:5.4作业工况(空载)重量:6.风倾力矩计算6.1风力根据《海上移动平台入级规范》(以下简称规范)第2篇第2.2.2.1节,作用于构件上的风力按下式计算:F=C h C S SPKN式中:P——风压,kPa;S——平台正浮或倾斜状态时,受风构件的正投影面积,单位m2;C h——受风构件高度系数,可根据构件高度系数由表2.2.2.1(a) 选取,本平台构件在海平面以上高度小于15.3m,C h取1;C S——受风构件形状系数,可根据构件形状由表2.2.2.1(b)选取,查该表后得本平台各构件的形状系数取值如下:6.2计算风压根据第2篇《规范》第2.2.1.2节,风压按下式计算:P=0.613×10-3V2kPaV为设计风速,本平台稳性校核的设计风速为51.5m/s;带入风速值得:P=1.63kPa6.3受风构件的正投影面积对任意一个横倾角,垂向受风构件的正投影面积为其侧投影面积乘以该倾角的余弦值,甲板下表面的受风正投影面积为甲板面积乘以该倾角的正弦值。
(完整word版)船舶稳性校核计算书一、概述本船为航行于内河B级航区的一条旅游船。
现按照中华人民共和国海事局《内河船舶法定检验技术规则》(2004)第六篇对本船舶进行完整稳性计算。
二、主要参数总长L OA13.40 m垂线间长L PP13.00 m型宽 B 3.10 m型深 D 1.40 m吃水 d 0.900 m排水量? 17.460 t航区内河B航区三、典型计算工况1、空载出港2、满载到港五、受风面积A六、旅客集中一弦倾侧力矩L KL K=1(1?n5lb)=0.030 mn lb =1.400<2.5,取nlb=1.400式中:C—系数,C=0.013lbN=0.009<0.013,取C=0.013n—各活动处所的相当载客人数,按下式计算并取整数n=NSbl=28.000S—全船供乘客活动的总面积,m2,按下式计算:S=bl=20.000 m2b—乘客可移动的横向最大距离,b=2.000 m;l—乘客可移动的横向最大距离,b=2.000 m。
七、全速回航倾侧力矩L VL V=0.045V m2L S[KG?(a2+a3F r)d]KN?m式中:Fr—船边付氏数,F r=m9.81L;Ls—所核算状态下的船舶水线长,m;d—所核算状态下的船舶型吃水,m;—所核算状态下的船舶型排水量,m2;KG—所核算状态下的船舶重心至基线的垂向高,m;Vm—船舶最大航速,m/s;a3—修正系数,按下式计算;a3=25F r?9当a3<0,取a3=0;当a3>1时,取a3=1;a2—修正系数,按下式计算;a2=0.9(4.0?Bs/d)当Bs/d<3.5时,取Bs/d=3.5;当Bs/d>4.0时,取Bs/d=4.0;。
一、概述
本船为航行于内河B级航区的一条旅游船。
现按照中华人民共和国海事局《内河船舶法定检验技术规则》(2004)第六篇对本船舶进行完整稳性计算。
二、主要参数
总长L OA13.40 m
垂线间长L PP13.00 m
型宽 B 3.10 m
型深 D 1.40 m
吃水 d 0.900 m
排水量∆17.460 t
航区内河B航区
三、典型计算工况
1、空载出港
2、满载到港
五、受风面积A及中心高度Z
六、旅客集中一弦倾侧力矩L K
L K=1
∆
1−
n
5lb
=0.030 m
n lb =1.400<2.5,取
n
lb
=1.400
式中:C—系数,C=0.013lb
N
=0.009<0.013,取C=0.013 n—各活动处所的相当载客人数,按下式计算并取整数
n=N
S
bl=28.000
S—全船供乘客活动的总面积,m2,按下式计算:
S=bl=20.000 m2
b—乘客可移动的横向最大距离,b=2.000 m;
l—乘客可移动的横向最大距离,b=2.000 m。
七、全速回航倾侧力矩L V
L V=0.045V m2
S
KG−a2+a3F r d KN−m
式中:Fr—船边付氏数,F r=m
9.81L
;
Ls—所核算状态下的船舶水线长,m;
d—所核算状态下的船舶型吃水,m;
∆—所核算状态下的船舶型排水量,m2;
KG—所核算状态下的船舶重心至基线的垂向高,m;
Vm—船舶最大航速,m/s;
a3—修正系数,按下式计算;
a3=25F r−9
当a3<0,取a3=0;当a3>1时,取a3=1;
a2—修正系数,按下式计算;
a2=0.9(4.0−Bs/d)
当Bs/d<3.5时,取Bs/d=3.5;当Bs/d>4.0时,取Bs/d=4.0;。