垫片规格 国际标准
- 格式:doc
- 大小:142.50 KB
- 文档页数:5
法兰垫片标准法兰垫片是一种用于连接管道、阀门、法兰等设备的密封垫片,它在工业领域起着非常重要的作用。
为了确保法兰垫片的使用效果和安全性,各个国家和地区都制定了相应的法兰垫片标准。
这些标准涵盖了材料、尺寸、性能要求等方面,对于法兰垫片的选择和使用具有指导意义。
一、材料标准。
法兰垫片的材料通常包括橡胶、金属、塑料等,不同的工作环境和介质要求选择不同的材料。
常见的材料标准有ASTM、DIN、JIS等,这些标准对于材料的成分、物理性能、化学性能等都有详细的规定,以确保材料的质量和可靠性。
二、尺寸标准。
法兰垫片的尺寸标准包括内径、外径、厚度等方面的要求。
这些尺寸标准通常由相关的国际标准组织或行业协会制定,如ISO、ASME等,以确保法兰垫片与管道、阀门等设备的连接匹配性,从而实现有效的密封。
三、性能标准。
法兰垫片的性能标准主要包括密封性能、耐压性能、耐腐蚀性能等方面的要求。
这些性能标准对于法兰垫片在实际工作中的使用效果具有重要的影响,因此必须严格执行相应的标准要求,以确保法兰垫片的可靠性和安全性。
四、标准的选择和应用。
在实际工程中,选择合适的法兰垫片标准是非常重要的。
首先需要根据工作环境和介质的特点,选择适合的材料标准;其次根据设备的尺寸和连接要求,选择合适的尺寸标准;最后根据工作压力、温度、介质的特性,选择合适的性能标准。
只有综合考虑这些因素,才能选择到合适的法兰垫片标准,并确保其使用效果和安全性。
五、总结。
法兰垫片标准对于工业设备的安全运行和生产效率具有重要的影响,因此在选择和使用法兰垫片时,必须严格执行相应的标准要求。
只有这样,才能确保法兰垫片的可靠性和安全性,为工业生产提供保障。
在实际工作中,我们应该充分了解和掌握相关的法兰垫片标准,根据实际情况进行选择和应用,从而确保设备的正常运行和生产的顺利进行。
同时,也要不断关注和学习最新的标准和技术,不断提高自己的专业水平,为工业生产的发展做出贡献。
广东国标硅橡胶垫片尺寸广东国标硅橡胶垫片是一种常用的密封材料,广泛应用于机械设备、汽车、船舶、化工等行业。
它具有良好的耐高温、耐腐蚀、抗老化等特性,可以有效地防止液体、气体或固体颗粒的泄漏,确保机械设备的正常运行。
硅橡胶垫片的尺寸会根据具体的应用需求而有所差异,在下面的内容中,我将为您提供一些常见的硅橡胶垫片尺寸的参考。
以DN为单位的尺寸是最常见的硅橡胶垫片尺寸标准。
DN是“公称直径”的缩写,表示管道或设备的标称直径。
硅橡胶垫片的DN尺寸通常是根据管道或设备的DN尺寸来决定的,以确保良好的密封效果。
以下是一些常见的DN尺寸范围和相应的硅橡胶垫片尺寸:1. DN15-DN50:硅橡胶垫片的外径通常为23mm,内径通常为15mm,厚度通常为2mm。
2. DN65-DN100:硅橡胶垫片的外径通常为77mm,内径通常为65mm,厚度通常为2mm或3mm。
3. DN125-DN200:硅橡胶垫片的外径通常为153mm,内径通常为125mm,厚度通常为3mm或4mm。
4. DN225-DN300:硅橡胶垫片的外径通常为204mm,内径通常为225mm,厚度通常为3mm或4mm。
5. DN350-DN600:硅橡胶垫片的外径通常为270mm,内径通常为350mm,厚度通常为3mm或4mm。
需要注意的是,以上的尺寸仅为参考,实际使用时应根据具体的管道或设备尺寸来确定合适的硅橡胶垫片尺寸。
此外,硅橡胶垫片的厚度也可以根据具体的要求而有所调整,以适应不同的工作环境和工作压力。
除了DN尺寸,硅橡胶垫片的尺寸也会根据不同的标准来确定。
例如,根据GB/T 15180标准,硅橡胶垫片的直径范围可以从10mm到2000mm不等。
同时,根据不同的工作条件和需求,硅橡胶垫片的厚度也可以根据具体情况进行选择。
总之,硅橡胶垫片的尺寸是根据具体的应用需求来确定的,常见的尺寸标准包括DN尺寸和各种国际标准。
在选择和使用硅橡胶垫片时,我们应该根据具体的工作条件和要求来确定合适的尺寸,并且确保它们能够有效地实现密封效果,提高设备的可靠性和安全性。
金属缠绕垫标准金属缠绕垫是一种常见的密封垫片,通常用于高压密封连接场合,如管道、阀门、泵等。
金属缠绕垫的标准是确保其质量、性能和安全使用的重要依据。
以下是对金属缠绕垫标准的详细介绍:一、标准概述金属缠绕垫标准包括国内标准和国际标准。
国内标准是指中国国家标准(GB),是中国国家质量技术监督局制定的标准。
国际标准是指国际标准化组织(ISO)制定的标准,是全球通用的标准。
二、标准内容规格尺寸金属缠绕垫的规格尺寸有多种,根据不同的应用场合和设备要求,有不同的规格和尺寸。
标准规定了金属缠绕垫的直径、长度、厚度等规格尺寸,以及内环、外环等配件的尺寸和结构。
材料金属缠绕垫的材料主要是金属带和填充物。
金属带一般采用高强度、耐腐蚀、耐高温的合金钢、不锈钢等材料。
填充物一般为石棉、聚四氟乙烯等材料,其种类和比例也需要按照标准进行规定。
制造工艺金属缠绕垫的制造工艺需要按照标准规定进行,包括金属带的缠绕方式、填充物的填充比例、热处理工艺等。
性能要求金属缠绕垫的性能要求包括力学性能、密封性能、耐腐蚀性能等。
标准对金属缠绕垫的性能要求进行了详细的规定,以确保其能够满足使用要求。
检验方法金属缠绕垫的检验方法也需要按照标准规定进行,包括外观检验、尺寸检验、性能试验等。
三、标准应用金属缠绕垫标准广泛应用于工业领域,如石油、化工、电力、冶金等。
在使用金属缠绕垫时,需要根据具体的应用场合和设备要求选择合适的规格尺寸、材料和制造工艺。
同时,生产厂家需要按照标准进行生产制造,确保产品质量符合标准要求。
四、标准发展随着科技的不断进步和工业技术的不断更新,金属缠绕垫标准也在不断发展和更新。
标准的发展趋势是更加严格的质量要求、更加环保的材料、更加高效的制造工艺和检验方法。
生产厂家需要不断跟进标准的更新,以确保其生产的产品符合最新的标准要求。
金属缠绕垫标准是确保其质量、性能和安全使用的重要依据。
生产厂家需要按照标准进行生产制造,确保产品质量符合标准要求,同时也需要不断跟进标准的更新,以生产出符合最新标准要求的金属缠绕垫产品。
压力表铜垫片标准尺寸全文共四篇示例,供读者参考第一篇示例:压力表铜垫片是一种常用的密封元件,用于压力表与管路连接时起到密封作用。
它通常由铜材料制成,具有较好的弹性和耐腐蚀性,能够满足不同工作条件下的使用要求。
在选择压力表铜垫片时,除了考虑材料和密封性能外,尺寸也是非常重要的一个因素。
本文将介绍压力表铜垫片的标准尺寸,帮助读者更好地了解和选择合适的产品。
一、压力表铜垫片的尺寸标准压力表铜垫片的尺寸通常由直径和厚度两个参数来描述。
直径是指垫片的外径,通常与连接的管路或压力表的螺纹直径相匹配;厚度是指垫片的厚度,直接影响到密封性能。
一般来说,厚度越大,密封性能越好,但是过于厚的垫片也会增加连接时的固定力,影响到紧固件的使用寿命。
压力表铜垫片的尺寸标准通常符合国际和行业标准,如ISO、ANSI、JIS等。
以下是常见的压力表铜垫片的标准尺寸参考:1. 直径:通常为1/4"、3/8"、1/2"、3/4"、1"、1.5"、2"等标准尺寸。
直径1/4"和1/2"较为常见,适用于不同规格的压力表和管路连接。
2. 厚度:通常为0.8mm、1mm、1.5mm、2mm等标准厚度。
较薄的垫片适用于较小压力的场合,而较厚的垫片适用于较大压力的场合,可以有效保证密封性能。
以上尺寸仅为常见参考值,实际使用时需根据具体的场合和要求选择合适的尺寸。
除了直径和厚度外,压力表铜垫片的形状、内径等参数也会对其使用效果产生影响,需要综合考虑。
二、选择压力表铜垫片的注意事项在选择压力表铜垫片时,除了考虑尺寸外,还应注意以下几个方面的问题:1. 材料质量:选择优质的铜材料制成的垫片,具有较好的弹性和耐腐蚀性,能够稳定可靠地使用。
2. 表面处理:一些高端的压力表铜垫片可能会经过表面处理,如镀锌、镀镍等,能够增强其耐腐蚀性和密封性能,延长使用寿命。
3. 密封性能:尺寸合适、厚度适当的垫片能够有效保证连接处的密封性能,减少泄漏的风险。
en垫片标准-回复垫片是一种常见的密封件,广泛应用于工业领域。
垫片的标准化可以提高产品质量,提高工作效率,并确保在不同的应用场景下具有一致的性能和可靠的密封效果。
在本文中,我们将逐步探讨垫片的标准化过程。
第一步:确定垫片的材料垫片的材料选择取决于其应用环境和需求。
常见的垫片材料包括橡胶、金属、塑料、纤维素等。
在考虑材料时,我们需要考虑其耐高温、耐腐蚀、耐压力和密封性能等方面的要求。
垫片标准将在这一步骤中提供相关的材料选择指导。
第二步:确定垫片的尺寸和形状垫片的尺寸和形状是根据所需密封的设备或产品的要求来确定的。
标准化的垫片会提供一系列标准尺寸和形状以供选择,以确保其适用于各种设备和应用场景。
此外,还需考虑垫片的厚度、孔径和外径等参数,以确保其与所需密封的配件能够精确匹配。
第三步:确定垫片的工作压力和温度范围在选择垫片之前,需要明确其所需工作压力和温度范围。
这些参数将直接影响垫片的材料选择和设计。
标准化的垫片将提供与压力和温度相关的性能数据和技术指南,以确保其在不同工况下的可靠性。
第四步:确定垫片的密封性能要求垫片的密封性能是其最重要的功能之一。
标准化的垫片将提供一系列密封性能参数,如压缩率、回弹性、气密性和液密性等,以确保在不同应用场景下具有一致的密封效果。
这些参数还可帮助用户选择最合适的垫片材料和设计。
第五步:确定垫片的相关标准和认证要求为确保垫片的质量和性能,标准化的垫片将参考相关的国际和行业标准。
这些标准包括ISO、ASTM、DIN等,并涵盖了垫片的材料、尺寸、性能测试和认证要求等方面。
垫片的标准化使得用户能够选择符合特定标准和认证要求的产品,从而提高质量保证。
第六步:确定垫片的采购和生产要求最后,垫片标准将提供有关采购和生产的指导。
这些标准将规定垫片的包装、交货时间、批次追溯和质量控制要求等。
通过遵循这些要求,用户可以获得一致的产品和服务,提高生产效率和降低成本。
总结起来,垫片的标准化是确保其质量和性能的关键步骤。
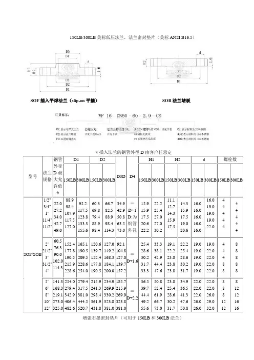
150LB/300LB美标低压法兰,法兰密封垫片(美标ANSI B16.5)SOF插入平焊法兰(slip-on平插)SOB法兰堵板.*插入法兰的钢管外径D由客户任意定型号法兰规格钢管外径D最大允许值*D1 D2D3D D4H1 H2 d 螺栓数150LB 300LB 150LB 300LB 150LB 300LB 150LB 300LB 150LB 300LB 150LB 300LBSOF/SOB 1/2" 3/4" 1"11/4" 11/2" 22.027.234.042.749.088.998.4107.9117.5127.095.2117.5123.8133.3155.660.369.879.488.998.466.782.588.998.4114.334.942.950.863.573.0=D+1D:为钢管外径15.915.917.520.622.222.225.427.027.030.211.112.714.315.917.514.315.917.519.020.616.016.016.016.016.016.019.019.019.022.044444444442" 21/2" 3" 31/2" 4" 60.5 76.3 90.0102.0 114.3 152.4177.8190.5215.9228.6165.1190.5209.5228.6254.0120.6139.7152.4177.8190.5127.0149.2168.3184.1200.092.1104.8127.0139.7157.2=D+1.625.428.630.231.733.333.338.142.944.447.619.122.223.823.823.822.225.428.630.231.719.019.019.019.019.019.022.022.022.022.044488888885" 6" 8" 10" 12" 141.3168.3219.1273.0325.0254.0279.4342.9406.4482.6279.4317.5381.0444.5520.7215.9241.3298.4361.9431.8234.9269.9330.2323.8381.0185.7215.9269.9323.8381.0=D+2.236.539.744.449.255.650.852.461.966.773.023.825.428.630.231.734.936.541.347.650.822.022.022.026.026.022.022.026.029.032.08881212812121616增强石墨密封垫片(可用于150LB和300LB法兰)特点:耐腐蚀,工作温度-200℃~+800℃,渗透率极低.型号规格 d D e 型号规格 d D eFG-1/2" FG-3/4" FG-1" FG-11/4" 1/2"3/4"1"11/4"23283544344250632222FG-31/2"FG-4"FG-5"FG-6"31/2"4"5"6"1041171441711391571852152222FG-11/2" FG-2" FG-21/2" FG-3" 11/2"2"21/2"3"5063759173921041272222FG-8"FG-10"FG-12"8"10"12"2223233812693233812221 lb= 0.4356kg = 4.45N1 in= 0.0254m1 in^2= 6.45x10^(-4)m^21 LB= 4.45/6.45x10^(-4)= 6899 N/m^2= 6899 Pa150LB = 150(6899)= 1.035x10^6 Pa= 1.035 MPa所以,150LB=1Mpa应该是镑的意思一般这种标法是美制法兰的标法美标法兰的Lb类似于公斤,我们说公斤实际说是kgf/cm2,那美标的说磅(Lb)就是说磅力,即Lb/in2,那后者就是压强Psi单位,如果是这样的话,1Psi=0.07kgf/cm2,也就是150Lb=10kgf/cm21 lb= 0.4356kg = 4.45N1 in= 0.0254m1 in^2= 6.45x10^(-4)m^21 LB= 4.45/6.45x10^(-4)= 6899 N/m^2= 6899 Pa150LB = 150(6899)= 1.035x10^6 Pa= 1.035 MPa所以,150LB=1Mpa法兰(flange)又叫法兰盘或突缘。
金属包覆垫片执行标准(一)金属包覆垫片执行标准简介金属包覆垫片是一种常用的密封材料,其主要功能是在管道、法兰连接中实现密封效果。
为了确保金属包覆垫片的性能和质量,制定了一系列执行标准,本文将介绍这些标准的内容和要求。
标准名称金属包覆垫片执行标准标准编号根据不同国家和地区的法律法规,金属包覆垫片执行标准通常有多个不同的编号,包括国际标准(ISO)、欧洲标准(EN)、美国标准(ASTM)等,具体的标准编号请参考相关法规和标准。
标准内容金属包覆垫片执行标准主要涵盖以下方面:1.材料要求–金属:通常使用不锈钢、碳钢等材料。
要求材料具有良好的耐腐蚀性和耐温性能。
–包覆材料:通常使用非金属材料,如橡胶或塑料。
要求包覆材料具有良好的密封性、耐磨性和耐化学性能。
2.尺寸和公差要求–直径:金属包覆垫片的直径应符合相关标准的规定。
–厚度:金属包覆垫片的厚度应符合相关标准的规定。
–公差:金属包覆垫片的尺寸公差应符合相关标准的规定。
3.密封性能要求–承受压力:金属包覆垫片应具备承受一定压力的能力,以确保密封效果。
–密封性能测试:金属包覆垫片应经过压力测试,以验证其密封性能。
4.包装和标识要求–包装:金属包覆垫片在运输和储存过程中应采取适当的包装措施,以防止损坏和污染。
–标识:金属包覆垫片的包装上应标注相关的信息,如产品名称、批次号、生产日期等。
结论金属包覆垫片执行标准对于确保产品质量和安全具有重要意义。
制定和遵守这些标准可以保证金属包覆垫片在使用过程中具备良好的密封性能,从而减少泄漏和事故的发生。
在实际应用中,建议根据具体需求选择适用的标准,并且与生产商和供应商密切合作,以确保产品符合标准要求。
汽缸垫百格测试判定国际标准汽缸垫百格测试是用于判定汽缸垫是否合格的一种常用方法。
汽缸垫是发动机的重要密封元件,负责防止水、油和燃气泄漏,保证汽缸的正常运行。
以下是关于汽缸垫百格测试的国际标准的相关参考内容。
一、ISO 6621-2:1991 "Pistons, piston rings, cylinder liners and their respective parts -- Basic uniform method of measurement of the mass of piston assemblies"(活塞、活塞环、缸套及其零件—活塞总成质量的基本统一测量方法)该国际标准规定了活塞总成质量的测量方法,其中包括了汽缸垫的测量方法。
对于汽缸垫的百格测试,该标准要求在2块百格上进行。
测试时,将汽缸垫放在一个平整的表面上,然后用手指将百格放在汽缸垫上进行触摸。
如果百格能够平稳且均匀地接触到汽缸垫的表面,且没有明显的凹陷或高点,那么可以判定汽缸垫合格。
二、ASTM F104:2015 "Standard Classification System for Nonmetallic Gasket Materials"(非金属垫片材料的标准分类体系)该标准定义了非金属垫片材料的分类体系,其中包括了汽缸垫。
对于汽缸垫的百格测试,该标准要求进行密封测试。
测试时,将汽缸垫放置在两块平坦的金属块之间,然后施加一定的载荷。
载荷应设计为适用于所使用的垫片材料的工作条件。
如果垫片能够在一定载荷下实现非常好的密封,并且没有出现泄漏或明显的变形,就可以判定汽缸垫合格。
三、SAE J1351:2018 "Test Procedure to Determine the Cold Temperature Fluidity Dose Response of AMS3364 Type II Deicing/Anti-Icing Fluids"(测试AMS3364第II类除冰/防冰液在低温下流动性剂量响应的程序)虽然该标准主要涉及飞机除冰和防冰液的流动性测试,但它提供了一种用于评估材料在低温下的流动性的方法。
船用垫片标准船用垫片是一种在船舶建造和维修过程中广泛使用的重要配件,用于填补两个平面接触部分之间的间隙,以充当防水、密封、减震和填充材料的功能。
船用垫片在船舶系统中扮演着重要的角色,不仅可以确保船舶的正常运行,还可以保护船体免受水侵蚀和其他损坏。
船舶行业的发展和创新不断推动船用垫片标准的不断升级和更新。
船用垫片标准是根据船舶行业的需求和要求制定的一系列技术规范和参数。
这些标准旨在确保船用垫片的质量和性能符合国际标准,以确保船舶的安全性、可靠性和持久性。
船用垫片标准涵盖了许多方面,包括材料选择、尺寸规格、制造工艺和性能要求等。
船用垫片的材料选择非常重要,常见的材料包括橡胶、塑料、金属和复合材料等。
每种材料都具有不同的特性和适用场景,需要根据具体的使用要求选择合适的材料。
船用垫片的尺寸规格也是船用垫片标准的重要内容之一。
尺寸规格涉及到船用垫片的厚度、直径、内径和外径等参数。
这些参数需要根据实际情况进行选择,以确保船用垫片的安装和使用的适配性和一致性。
船用垫片的制造工艺是确保船用垫片质量的关键。
制造工艺包括原材料的选取、制造过程的控制和产品检验等。
船用垫片的制造工艺需要符合国际标准,确保产品的质量稳定和可靠性。
此外,船用垫片标准还包括对船用垫片性能的要求。
船用垫片的性能要求包括密封性能、耐磨性能、耐高温性能、耐腐蚀性能和耐压性能等。
这些性能要求需要根据具体的船舶系统和环境要求进行评估和验证。
船用垫片标准的制定和推广对船舶工业的发展和安全至关重要。
合理和可靠的船用垫片标准可以提高船舶的安全性和可靠性,减少事故和故障的发生,并降低维修和更换成本。
总之,船用垫片标准是船舶建造和维修过程中不可或缺的重要文档和指南。
通过制定和遵守船用垫片标准,可以确保船用垫片的质量和性能符合国际标准,从而提高船舶的安全性和可靠性,促进船舶工业的发展。
聚四氟乙烯垫片标准聚四氟乙烯垫片是一种常见的密封材料,广泛应用于化工、石油、制药、食品等领域。
作为一种重要的密封材料,聚四氟乙烯垫片的标准化对于保证其质量和性能具有重要意义。
本文将就聚四氟乙烯垫片的标准进行详细介绍。
1. 材料选择。
聚四氟乙烯垫片的材料选择是影响其性能的关键因素。
根据不同的工作条件和要求,选择适合的聚四氟乙烯材料,包括填料、添加剂等,以确保垫片具有良好的耐腐蚀性、耐磨性和耐高温性能。
2. 尺寸标准。
聚四氟乙烯垫片的尺寸标准应符合国家标准或行业标准,包括直径、厚度、公差等要求。
尺寸标准的制定可以保证垫片在安装和使用过程中的互换性和可靠性。
3. 表面质量。
聚四氟乙烯垫片的表面质量直接影响其密封性能。
标准应规定垫片表面的光洁度、平整度和无损伤要求,以确保垫片在使用过程中不会出现泄漏或损坏。
4. 使用标准。
聚四氟乙烯垫片的使用标准应包括安装方法、紧固力矩、使用环境要求等内容,以确保垫片在安装和使用过程中能够发挥最佳的密封效果。
5. 检测标准。
聚四氟乙烯垫片的检测标准应包括外观检查、尺寸测量、密封性能测试等内容,以确保垫片的质量符合标准要求。
6. 标准修订。
随着技术的不断发展和应用的不断推广,聚四氟乙烯垫片的标准也需要不断修订和完善,以适应新的需求和新的技术要求。
总结。
聚四氟乙烯垫片的标准化对于保证其质量和性能具有重要意义,只有严格执行相关标准要求,才能确保垫片在使用过程中能够发挥最佳的密封效果,从而保证设备和工艺的安全和可靠运行。
在实际生产和应用中,我们应该重视聚四氟乙烯垫片的标准化工作,加强标准的制定和执行,不断完善和提高标准化水平,为促进行业的健康发展和提高产品质量提供有力保障。
din en iso 7089标准选择的垫圈一、概述Din en ISO 7089标准是用于垫圈选择的国际标准,旨在为机械维修和生产过程中垫圈的选择和使用提供指导。
垫圈是一种常见的机械零件,用于填补两个机械部件之间的间隙,提高连接的稳定性。
本篇文章将介绍如何根据Din en ISO 7089标准选择合适的垫圈。
二、垫圈的类型和选择原则垫圈根据其形状、材质和用途可分为多种类型。
在选择垫圈时,应考虑以下几个因素:1. 连接强度:根据机械部件的强度和压力,选择适合的垫圈类型,以确保连接的稳定性。
2. 材质:根据机械环境和部件材料,选择合适的垫圈材质,以适应环境条件和耐久性要求。
3. 规格:根据机械部件的尺寸和间隙,选择适合规格的垫圈,以确保正确的安装和密封效果。
根据Din en ISO 7089标准,垫圈的选择应遵循以下原则:1. 匹配原则:选择的垫圈应与机械部件和环境条件相匹配,以确保连接的稳定性和密封效果。
2. 安全原则:选择的垫圈应符合相关安全标准和规定,确保在使用过程中不会对人体和环境造成危害。
3. 经济原则:在满足使用要求的前提下,应选择性价比高的垫圈,以降低成本和提高经济效益。
三、常见垫圈类型及适用场景以下是几种常见的垫圈类型及其适用场景:1. O形环垫圈:适用于静密封场合,如轴与机座、轴承盖的连接。
2. U形垫圈:适用于连接处有相对转动的场合,如齿轮、皮带轮等部件的连接。
3. 弹性垫片:适用于固定位置的密封,如箱盖与箱体之间的密封。
4. 组合垫圈:适用于连接处有相对转动的静密封,如法兰之间的连接。
5. 专用垫圈:根据特定机械部件和环境条件要求而设计的专用垫圈,如轴承专用垫圈、热交换器专用垫圈等。
四、垫圈的选择方法在选择垫圈时,应按照以下步骤进行:1. 确定机械部件的连接方式和要求。
2. 根据连接处的间隙、压力、转速等因素,选择适合的垫圈类型。
3. 根据机械环境和部件材料,选择合适的垫圈材质。
锥形鱼眼垫片 din标准锥形鱼眼垫片是一种常用的密封元件,也被称为锥形鱼眼垫圈或锥形垫片。
它是通过在圆环的一侧加工成直径逐渐变小的圆锥形凹槽,以实现密封效果。
锥形鱼眼垫片通常由金属材料制成,如不锈钢、铜、铝等。
DIN标准是指德国工业标准,通常被用于机械、设备制造和工程设计领域。
DIN标准为锥形鱼眼垫片的设计和尺寸提供了统一的规范,以确保其适用于各种标准化的设备和应用场景。
首先,锥形鱼眼垫片的设计符合DIN标准,其形状和尺寸是根据标准要求来确定的。
这样做的目的是确保在不同应力和压力条件下,垫片能够提供稳定和可靠的密封效果。
它还需要符合标准材料的选用,以适应不同的工作环境。
锥形鱼眼垫片的主要作用是防止液体、气体和粉尘从连接点的缝隙中渗漏或逸出。
它通常被应用于管道、阀门、泵等设备中,以确保其正常运行和安全性。
锥形设计使垫片在受到压力时能够产生更好的密封效果,因为内圆锥形的表面积较小,受到的压力分布更集中。
除了密封作用,锥形鱼眼垫片还可以提供振动补偿和减震的效果。
它能够吸收管道或设备本身的振动,并消除震动传递到其他连接部件的影响。
这在一些需要降低噪音和振动的应用场合中非常重要。
在使用锥形鱼眼垫片时,需要注意以下几个方面:首先,正确选择合适的材料和尺寸。
根据具体应用场景和工作条件选择适当的材料,以确保垫片能够承受压力和温度,并具备耐腐蚀性。
其次,确保垫片表面的平整度和光洁度,以减少泄漏的风险。
此外,对于长期使用的垫片,定期检查和更换是必要的,以确保其性能和密封效果。
总之,锥形鱼眼垫片在机械制造和工程设计领域中起着重要的作用。
它通过符合DIN标准的设计和尺寸,可以提供稳定和可靠的密封效果,并具备一定的振动补偿和减震功能。
合理选择和正确使用锥形鱼眼垫片,可以有效保护设备的正常运转和安全性。
在工程设计中,遵循DIN标准,将锥形鱼眼垫片作为首选的密封元件则是明智之举。
发泡垫片的国标随着建筑行业的不断发展,各种建筑材料也日益多样化。
其中,发泡垫片作为一种常见的建筑密封材料,被广泛应用于门窗、幕墙、天花板等领域。
发泡垫片的国标对于保障建筑密封性、提高建筑能效起着重要作用。
本文将探讨发泡垫片的国标以及其在建筑行业中的重要性。
首先,我们来了解一下什么是发泡垫片。
发泡垫片是一种由发泡材料制成的带状密封材料,具有轻质、柔韧、抗压变形等特点。
它广泛应用于建筑领域,用于填补门窗与墙体之间的空隙,以达到密封、防水、隔音、防尘等功能。
发泡垫片的国标是指对发泡垫片产品的质量、生产工艺、规格要求等进行统一规范的标准。
发泡垫片的国标起源于对建筑材料质量安全的关注。
发泡垫片作为建筑密封材料的一种,其质量直接关系到建筑的密封性和能效。
因此,为了保障建筑的质量和安全,国家制定了相应的标准。
发泡垫片的国标对于确保产品质量和性能的稳定性起到了重要的作用。
发泡垫片的国标主要包括以下方面的内容。
首先是产品的原材料要求,如发泡剂成分、填充剂性能等。
其次是产品的外观和尺寸要求,如密封性能、厚度、宽度等。
此外,国标还对产品的机械性能、化学性能、可燃性等方面进行了详细的规定。
这些国标的制定旨在确保发泡垫片产品的可靠性和稳定性,为建筑行业提供高质量的密封材料。
发泡垫片的国标对建筑行业起到了积极的推动作用。
首先,国标的制定促进了发泡垫片产品的质量提升。
通过规范的生产工艺和质量要求,可有效减少产品的不合格率,提高产品的使用寿命和性能稳定性。
其次,国标的实施确保了建筑的密封性和能效。
发泡垫片作为建筑密封材料的重要组成部分,对于减少能量损失、提高建筑能效起着重要作用。
国标的制定和实施,将推动建筑行业朝着更加绿色、环保的方向发展。
然而,当前发泡垫片的国标还存在一些问题。
首先是市场监管不到位,导致一些低质量的发泡垫片产品流入市场。
其次是国标与国际标准的差距较大,导致国内发泡垫片产品在国际市场上的竞争力不足。
针对这些问题,需要进一步加强市场监管,落实国标的执行力度,并逐步推动国内发泡垫片产品与国际标准接轨,提高其竞争力。
美标齿形垫片标准
美标齿形垫片标准主要是指符合美国国家标准(ANSI)或者美国机械工程师
学会(ASME)制定的关于齿形垫片的标准规范。
齿形垫片是一种用于连接螺纹接
头的垫片,通常用于防止螺纹松动或者防止液体或气体泄漏。
在机械设备、汽车制造、航空航天等领域中广泛应用。
美标齿形垫片标准的制定是为了保证齿形垫片的质量和尺寸符合国际标准,以
便于不同国家和地区之间的产品互通性和互认性。
在美国,ASME B18.21.1标准规定了齿形垫片的设计、材料、尺寸和标记等要求,确保了齿形垫片的质量和可靠性。
根据美标齿形垫片标准,齿形垫片通常由金属材料制成,如碳钢、不锈钢、黄
铜等,具有耐腐蚀、耐高温、耐压力等特点。
齿形垫片的形状设计有不同的类型,如外齿形、内齿形、双齿形等,用于满足不同的连接需求。
此外,齿形垫片的尺寸和公差也在标准中规定,以确保齿形垫片与螺纹接头的配合良好,达到密封和固定的效果。
在实际应用中,选择符合美标齿形垫片标准的产品可以确保设备的安全运行和
可靠性。
合格的齿形垫片能够有效地防止泄漏和松动,延长设备的使用寿命,减少维护成本,提高工作效率。
因此,在采购和安装齿形垫片时,应当注意选择符合标准的产品,并按照标准的要求进行安装和使用,以确保设备的正常运行和安全性。
总的来说,美标齿形垫片标准的制定和遵循对于保障工程和设备的质量和安全
性具有重要意义。
遵循标准,选择合格的齿形垫片产品,不仅可以提高设备的可靠性和效率,还可以减少故障和事故的发生,为工程和生产提供保障。
因此,对于相关行业和企业来说,应当重视美标齿形垫片标准的应用和执行,以确保设备和产品的质量和安全。