基于PT100的多路温度巡检仪设计
- 格式:doc
- 大小:30.50 KB
- 文档页数:5
单片机课程设计——多路温度巡回检测仪的设计及单片机实验姓名:东京的樱花学号:10090####设计题目:7、多路温度巡回检测仪指导老师:潘#楼主造福东华学子啦,后面程序可以直接运行哦目录1、项目设计要求 (3)2、方案可行性分析........................................................ ........................................................ (3)3、硬件电路设计........................................................ ........................................................ (4)(1)、铂电阻测量单元........................................................ (4)(2)、按键控制单元........................................................ (5)(3)、AD转换单元........................................................ (6)(4)、LED数码管显示单元........................................................ (7)(5)、数据传输上位机单元........................................................ (8)4、整体硬件设计连接图........................................................ (9)5、软件设计........................................................ ........................................................ (10)(1)、软件设计思想........................................................ (10)(2)、程序流程图........................................................ (11)(3)、程序清单........................................................ (12)5、电路pcb原理图及pcb图设计........................................................ (13)6、系统protues仿真及调试........................................................ (15)7、结果与展望........................................................ ........................................................ (16)9、参考文献........................................................ ........................................................ (16)10、附录:程序源代码+ pcb 3d模拟图 (16)1、项目设计要求题7 多路温度巡回检测仪的设计设计一个多路温度检测仪,共有8个测温点,每个点连续检测8次,以平均值代表该点温度,并轮流在LED显示器上显示。
可研性报告(基于PT100设计矿用温度巡检仪)测12-5-3目录第1章行业分析 (3)第2章市场分析 (4)第3章竞争者分析 (5)第4章产品分析 (6)第5章加工工艺路线设计 (7)第6章现金流量表图的制备 (8)第7章甲方案设计 (9)7.1.1 静态收入回收期 (10)7.1.2 动态收入回收期 (10)7.1.3 净现值 (10)7.1.4 净年值 (10)7.1.5 内部收益率 (11)第8章乙方案设计 (12)8.1.1 静态投资回收期: (12)8.1.2 动态投资回收期: (12)8.1.3 净现值 (12)8.1.4 净年值 (13)8.1.5 内部收益率 (13)第9章最优方案选择分析 (14)第10章甲方案风险评估 (15)10.1.1 保本点 (15)10.1.2 敏感性分析 (15)10.1.3 多因素敏感性分析 (16)第1章行业分析从中国社会的发展来分析:近年来中国电子工业持续高速增长,带动电子元器件产业的强劲发展。
中国在电子行业生产与应用上也已经成为大国。
随着中国进入全面建设小康社会的历史时期,人们消费水平进入新升级阶段,社会对电子信息产品需求将大幅度增长,将有力地促进电子信息产业的发展,而温度巡检仪制造业的发展前景广阔。
随着科学技术的飞速发展,温度巡检仪制造技术也在不断进步,新型巡检仪层出不穷。
从煤矿开采行业发展分析:2014年煤矿产业总体来说不是很乐观,之所以整体疲软,房地产和第二产业投资增速回落,出口增长进一步放缓是主要原因。
针对这一情况,为促使经济继续保持平稳,各级政府将加大基础设施建设力度,最终带动对煤炭等原材料需求,因此,煤矿开采将再次吸纳大波资金,所以在煤矿安全问题上将会得到更深一步的需求,温度巡检仪将会成为必不可少的一部分。
第2章市场分析从我国温度传感与温度控制技术发展情况来看,温度传感与温度控制技术大致经历了三个阶段:手动控制,自动控制和智能化控制,手动控制是在传感与温度控制技术发展初期所采取的手段,并没有真正意义上的控制系统及执行机构,生产一线的操作人员既是生产环境,温度传感器的执行机构又是对生产环境进行温度控制的执行机构。
前言 (2)第1章智能温度测量仪表方案设计与论证 (3)1.1 功能与要求 (3)1.2 方案论证与比较 (3)1.3 方案的确定 (4)第2章智能温度测量仪表的硬件设计 (5)2.1 系统硬件框图如图2所示 (5)2.2 温度采集与放大电路的设计 (5)2.3 调零电路的设计 (6)2.4 A/D转换电路的设计 (7)2.5 单片机最小系统 (9)2.6 人机接口电路的设计 (10)2.7串口驱动电路的设计 (11)2.8报警电路的设计 (12)第3章软件设计 (13)3.1 上位机软件设计 (13)3.2 下位机软件设计 (14)第4章温度控制系统的安装与调试 (15)4.1 硬件调试 (15)4.1.1安装 (15)4.1.2.调试 (15)4.2 软件调试 (15)4.3 系统整体调试 (15)第5章设计体会与小结 (16)参考文献 (17)附录 (18)前言温度测控在许多场合均有应用,是一个典型的工程以用题目,实现难度不大,但工作量大,涉及知识点多,是对学生软硬件知识的一个锻炼,也使学生对设计嵌入式应用系统的过程及方法有一个全面的了解。
本课程设计是利用现有的环境,是基于AT89C51单片机对温度进行控制的,采用PT100温度传感器采集温度数据,通过仪用放大器将温度信号放大,然后再送入A/D转化器,将模拟信号转变成便于单片机处理的数字信号,当所采集到的温度值大于设定的阀值时,可在显示屏上进行告警提示,并通过串口向单片机发送指令,单片机收到指令后控制蜂鸣器发音。
同时可以使用外界键盘随时修改温度设定值,达到不同的需求。
体现出了系统的智能性。
第1章智能温度测量仪表方案设计与论证1.1 功能与要求功能:下位机利用单片机对温度传感器采集到的温度定时采样,并在数码管上显示采集到的实时温度值,同时将采集到的温度数据通过串口线传送到上位PC机上;上位机能在屏幕上显示温度数据,若温度超过设定值,在显示屏上进行告警提示,并通过串口向单片机发送指令,单片机收到指令后控制蜂鸣器发音。
多路温度巡回检测仪的设计一设计任务及要求:设计一个多路温度检测仪,共有8个测温点,每个点连续检测8次,以平均值代表该点温度,并轮流在LED显示器上显示。
测试检测元件为铂热电阻Pt1000, 温度测量范围为100℃——+500℃,测量精度为±1℃。
系统每隔10秒完成一个点的测量,测量值除在LED显示器上显示外,还必须通过串行口(RS485)发送到上位机。
任何时刻,可以通过按键切换显示通道。
二设计框图三实验原理以AT89C51单片机为核心的多路温度巡回检测控制系统,主要用来对多路温度测量结果进行选择性监控;该系统主要由单片机、传感器、多路转换开关、A/D转换器和驱动显示电路等组成。
其中温度传感器将温度信号转化成电压的信号,为了提高设计的精度,用具有低零点漂移繁荣放大器OP193将采集来的微弱的电压信号放大。
由于单片机处理的是数字信号,所以用模数转换电路将放大的模拟电信号转换成数字量输入到单片机,通过AT89C51的软件控制对输入的数字信号进行处理后输出,通过八位共阴极LED数码管动态扫描驱动电路MAX7219对测量结果进行显示。
四实验电路设计(1)温度传感器——18B20DS18B20 的温度检测与数字数据输出全集成于一个芯片之上,从而抗干扰力更强。
其一个工作周期可分为两个部分,即温度检测和数据处理。
DS18B20 数字温度传感器具有超小的体积,超低的硬件开消,抗干扰能力强,精度高,附加功能强。
DS18B20 的主要特征:全数字温度转换及输出。
先进的单总线数据通信。
最高 12 位分辨率,精度可达土 0.5摄氏度。
12 位分辨率时的最大工作周期为 750 毫秒。
可选择寄生工作方式。
检测温度范围为100°C ~+500°C内置 EEPROM,限温报警功能。
64 位光刻 ROM,内置产品序列号,方便多机挂接。
(2)CPU主控模块——AT89C51At89C51是一种低功耗、高性能CMOS8位微控制器,具有 8K 在系统可编程Flash 存储器。
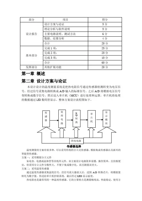
第一章概述第二章设计方案与论证本设计设计的温度测量系统是把热电阻信号通过传感器检测转变为电压信号,经过信号采集电路转换成A/D输入的标准信号。
之后A/D将模拟电压信号变转换成数字信号,然后送入单片机(MCU)进行处理和运算,单片机将处理的数据通过LED数码管显示。
整体方案设计流程图如下。
传感器选择温度测量的方案有很多种,可以采用传统的分立式传感器、模拟集成传感器以及新兴的智能型传感器。
方案一:采用模拟分立元件如电容、电感或晶体管等非线形元件,该方案设计电路简单易懂,操作简单,且价格便宜,但采用分立元件分散性大,不便于集成数字化,而且测量误差大。
方案二:采用温度传感器通过温度传感器采集温度信号,经信号放大器放大后,送到A/D转换芯片,将模拟量转化为数字量,传送给单片机控制系统,最后经过LED显示温度。
热电阻也是最常用的一种温度传感器。
它的主要特点是测量精度高,性能稳定,使用方便,测量范围为-200℃~850℃,完全满足要求,考虑到铂电阻的测量精确度是最高的,所以我们设计最终选择铂电阻Pt100作为传感器。
该方案采用热电阻Pt100做为温度传感器、OP07作为信号放大器,对于温度信号的采集具有大范围、高精度的特点。
相对与方案一,在功能、性能、可操作性等方面都有较大的提升。
在这里我选用方案二完成本次设计。
放大器选择Op07是一种低噪声,非斩波稳零的双极性运算放大器。
由于OP07具有非常低的输入失调电压(对于OP07A最大为25μV),所以OP07在很多应用场合不需要额外的调零措施。
OP07同时具有输入偏置电流低(OP07A为±2nA)和开环增益高(对于OP07A为300V/mV)的特点,这种低失调、高开环增益的特性使得OP07特别适用于高增益的测量设备和放大传感器的微弱信号等方面。
宽的输入电压范围(最少±13V)与高达110dB(OP07A)的共模抑制比和高输入阻抗的结合,在同相电路阻态中提供了很高的精度,即使在很高的闭环增益下,也能保持极好的线性和增益精度。
基于PT100的多路温度巡检仪设计作者:崔怀兵来源:《电子世界》2012年第22期【摘要】本文介绍了基于PT100型铂热电阻的多路温度巡检仪的软硬件设计。
PT100信号通过电桥接入、放大,进而通过单片机控制多路模拟开关选择不同通道采样;软件处理中则采用复合滤波法处理数据,平滑采样数据;通过将PT100的分度表分段线性化与采样值对比,可得出实际检测温度。
该温度巡检仪采用数码管显示,可同时显示8路温度、时钟,并且具有语音报警功能。
【关键词】PT100;动态显示;分段线性;复合滤波1.引言PT100在-50~600℃范围内具有其他任何温度传感器无可比拟的优势,包括高精度、稳定性好、抗干扰能力强等[1],正是基于此,PT100在各个行业中受到广泛应用。
本文设计了一款基于PT100的多路温度巡检仪,可同时测量8路PT100信号,通过数码管同时显示时钟、8路温度值;具有4个按键输入,用于出场调校、报警值设定,并且最终调校参数可保存在单片机自带的EEPROM中;另外,巡检仪还具有语音报警功能。
2.巡检仪硬件电路设计硬件电路主要由信号前置变换、放大电路,按键电路,显示驱动电路,语音报警电路,时钟电路几部分组成。
2.1信号前置变换电路巡检仪采用惠斯通电桥接入PT100信号,考虑现场接线时导线的长度不可忽略[2],采用三线制接法,如图1所示。
图1中V1,F1,F2起保护作用,可防止现场强干扰或接线错误而导致元器件损坏。
IN1A、IN1B之差与PT100阻值变化呈线性关系,通过将IN1A、IN1B变化值采样再对应P100刻度表即可换算得到实测温度。
图1中R2,R3,R4均采用低温漂的精密电阻。
REF1为给电桥供电的基准源,将PT100变化的阻值信号转换为电压信号。
考虑到PT100电阻变化值小,所转换成的差值电压在毫伏级,因此电源波动对最终采样精度影响很大。
基于此,采用LM4040-2.5V精密基准源给电桥供电。
2.2信号放大电路由IN1A、IN1B两引脚所产生的压差信号非常微弱,直接采样影响精度,因此需要将其放大后再引进单片机采样脚。
多路温度巡回检测电路设计多路温度巡回检测电路是一种广泛应用于各种工业自动化控制系统中的电路。
它通过多个传感器同时检测不同位置或设备的温度,能够实时监测温度变化,并将数据反馈给控制系统,以实现温度的自动调节和保护。
下文将详细介绍多路温度巡回检测电路的设计思路和实现方法。
首先,传感器选择是电路设计过程中的第一步。
合适的温度传感器能够准确测量温度,并且适应不同环境和工作条件。
常见的温度传感器有热电偶、热敏电阻和温度传感器模块等。
根据具体需求选择合适的传感器,考虑到测量范围、响应时间和精确度等因素。
其次,信号放大与处理模块是实现传感器信号放大和滤波的重要部分。
通过运放等放大器将传感器信号放大到适合控制系统处理的范围,并进行滤波处理,提高信号质量。
滤波可以使用RC滤波器或数字滤波器等方法,根据实际情况选择合适的滤波器类型。
接下来,数据传输与显示模块将处理后的温度信号传输给控制系统,并在显示设备上显示。
可以通过模拟信号传输或数字通信方式将温度数据传输给控制系统,比如使用4-20mA电流信号传输或RS485通信协议。
为了方便操作和监控,可以在电路中增加LED显示模块或LCD显示屏,实时显示温度数据。
此外,还需要考虑电路供电问题。
多路温度巡回检测电路通常需要稳定的供电,可以使用稳压电源或电池供电,在供电线路中加入稳压电路、滤波电路和过压保护电路,以确保电路的稳定工作。
在具体设计多路温度巡回检测电路时,还需要根据具体应用需求灵活选择和组合各个模块,并综合考虑精度、稳定性、成本和可靠性等因素。
可以在实际布线过程中避免干扰和串扰,使用屏蔽线和地线连接传感器和信号处理模块,降低噪声干扰。
总之,多路温度巡回检测电路设计需要综合考虑传感器选择、信号放大与处理、数据传输与显示以及电源供电等因素。
通过合理选择和组合各个模块,能够实现多路温度的准确测量和有效监控,提高工业自动化控制系统的效率和可靠性。
前言传感器技术在信息采集、信息传输和信息处理中,属于前沿尖端产品,尤其是温度传感器技术,在各个领域广泛应用,比如在工农业生产中需要实时测量温度等等。
因此研究温度的测量方法和装置具有重要的意义。
为了提高对传感器的认识和了解,尤其是对温度传感器的深入研究以及其用法与用途,基于实用、广泛和典型的原则而设计了本系统。
本文利用单片机结合温度传感器技术而开发设计了这一温度测量系统。
文中将传感器理论与单片机实际应用有机结合,详细地讲述了利用热电阻作为温度传感器来测量实时的温度,以及实现热电转换的原理过程。
本设计应用性比较强,设计系统可以作为温度测量显示系统,如果稍微改装可以做热水器温度调节系统、生产温度监控系统等等。
本课题主要任务是完成环境性强等优点。
课程设计任务本设计系统包括温度传感器,信号放大电路,A/D转换模块,时钟模块,数据处理与控制模块,温度、时间显示模块六个部分。
文中对每个部分功能、实现过程作了详细介绍。
整个系统的核心是进行温度测量与显示,完成了课题所有要求。
摘要:本文采用AT89S51单片机,TLC2543 A/D转换器,DS1302时钟芯片,AD620放大器,铂电阻PT100及8位数码管组成系统,编写了相应的软件程序,使其实现温度的实时显示。
该系统的特点是:使用简便;测量精确、稳定、可靠;测量范围大;使用对象广。
关键词:PT100 单片机温度测量 DS1302Abstract:The system contains SCM(AT89S51), analog to digital convert department (TLC2543), DS1302 chip, AD620 amplifier, PT100 platinum, LED Digital tube with six, write the corresponding software program to achieve real-time temperature display. The system is simple , accurate , stable and wide range.Keywords: PT100 SCM Temperature Measures DS1302一方案设计与论证1.1 传感器的选择由于本设计的任务是要求测量的范围为0℃~100℃,测量的分辨率为±0.1℃,综合价格以及后续的电路,决定采用线性度相对较好的PT100作为本课题的温度传感器,具体的型号为WZP型铂电阻,该传感器的测温范围从-200℃~+650℃。
PT100测温原理框图如图1所示。
图1 系统设计框图系统是基于PT100的温度检测设计,PT100模拟温度传感器对环境温度进行采集,然后把采集的数据经A/D转换后传给单片机,单片机接收数据并处理后,在液晶屏上显示测量的温度值。
1、系统主要硬件设计1.1电源电路系统采用3节5号干电池串联,电压接近4.5V,刚好满足设计的电源电压要求。
电源处理芯片的选择方面考虑的重点是效率高、工作电压低、体积小、价格便宜,经过仔细对比后,选择了TL431作为本系统的电源处理芯片。
TL431是一个有良好的热稳定性能的三端可调分流基准源。
它的输出电压用两个电阻就可以任意的设置葱Verf2.5~36V范围内的任何值。
在本设计中用作桥式测温电路的参考电压。
在很多应用中用它代替稳压二极管,例如,数字电压表,运放电路,可调压电源,开关电源等。
在TL431与电源引脚间加上一个100Ω电阻用于限流,地引脚端直接接地,电压输出2.5V接到桥式测温电路作为基准电压,注意基准电压必须稳定,否则会影响测温的准确性。
LM1117是具有稳定的电压输出的校准器,可以输出稳定的1.2V,1.5V,1.8V,2.5V,2.85V,3.3V,5V等电压。
设计中用LM1117稳压至3.3V为A /D模数转换器、放大器提供稳定的电压保证。
在电源和地引脚之间加上电容C4和C5用于去耦滤波。
Intersil公司生产的ICL7660是提供双电压的COMS集成芯片,它在提供正负电压方面有独特的优势。
ICL7660可以提供+1.5~+10V和-1.5~-10V的正负电压。
ICL7660正输出电压Vout+和负输出电压分别接入INA126电源的正负极。
电源模块的电路原理如图2所示。
图2 电源电路图图2中VCC5是电源电压,经过LM1117芯片输出为3.3V,为INA126(仪表放大器)、ADS7816和ICL7660供电。
经过TL431输出2.490V的电压,为桥式放大电路和ADS7816提供稳定的基准电压。
多路温度巡检系统的硬件设计随着现代工程和技术的不断发展,多路温度巡检系统在工程设计中扮演着越来越重要的角色。
为了更好的满足工业生产需要,本文设计了一套多路温度巡检系统,以便对工厂中的各种机器和设备进行温度的实时监测和诊断。
该系统包括传感器的选择、信号放大、数据采集和显示等几个部分。
本文的设计旨在满足生产工厂对多路温度监测的需求,具备可靠性高、精度高、灵敏度高的特点。
一、传感器的选择由于传感器是多路温度巡检系统中最关键的组成部分,因此在设计中需要格外关注。
本设计采用的传感器有热电偶和PT100。
热电偶的主要优点在于响应速度快,而且在较高温度下具有很好的稳定性。
而PT100则具有抗干扰性好和温度精度高等优点。
因此,本设计采用了热电偶和PT100两种传感器的组合方式,以达到在不同情况下的最优表现。
二、信号放大传感器输出的信号往往比较微弱,需要通过信号放大器进行放大以达到适合数据采集的信号强度。
本设计使用的信号放大器为多通道放大器,能够将来自多个传感器的信号进行放大。
三、数据采集在多路温度巡检系统中,数据采集是非常重要的环节之一。
本设计采用的是单片机控制数据采集,通过编写相关软件,实现对多个传感器的数据采集和存储。
为了能够使数据准确的记录和存储,闪存是本设计的数据存储介质,具有容量大、可靠性高等优点。
四、显示为了方便操作和管理人员对系统数据的查看和分析,本设计采用了大屏幕显示方式,以显示多个传感器的实时温度数据和温度变化趋势。
同时,本设计还具有报警功能,一旦检测到异常情况就会立即发出报警信号,方便及时的处理异常情况。
综上所述,本文根据工业生产的需求,设计了一套多路温度巡检系统,包括传感器的选择、信号放大、数据采集和显示等几个部分。
通过实验验证,本设计的可靠性高、精度高、灵敏度高,能够准确实时地监测和诊断各种机器和设备的温度变化,具有可操作性和实用性,可以满足现代工业对多路温度监测的各种需求。
基于PT100的多路温度巡检仪设计【摘要】本文介绍了基于PT100型铂热电阻的多路温度巡检仪的软硬件设计。
PT100信号通过电桥接入、放大,进而通过单片机控制多路模拟开关选择不同通道采样;软件处理中则采用复合滤波法处理数据,平滑采样数据;通过将PT100的分度表分段线性化与采样值对比,可得出实际检测温度。
该温度巡检仪采用数码管显示,可同时显示8路温度、时钟,并且具有语音报警功能。
【关键词】PT100;动态显示;分段线性;复合滤波1.引言PT100在-50~600℃范围内具有其他任何温度传感器无可比拟的优势,包括高精度、稳定性好、抗干扰能力强等[1],正是基于此,PT100在各个行业中受到广泛应用。
本文设计了一款基于PT100的多路温度巡检仪,可同时测量8路PT100信号,通过数码管同时显示时钟、8路温度值;具有4个按键输入,用于出场调校、报警值设定,并且最终调校参数可保存在单片机自带的EEPROM中;另外,巡检仪还具有语音报警功能。
2.巡检仪硬件电路设计硬件电路主要由信号前置变换、放大电路,按键电路,显示驱动电路,语音报警电路,时钟电路几部分组成。
2.1信号前置变换电路巡检仪采用惠斯通电桥接入PT100信号,考虑现场接线时导线的长度不可忽略[2],采用三线制接法,如图1所示。
图1中V1,F1,F2起保护作用,可防止现场强干扰或接线错误而导致元器件损坏。
IN1A、IN1B之差与PT100阻值变化呈线性关系,通过将IN1A、IN1B 变化值采样再对应P100刻度表即可换算得到实测温度。
图1中R2,R3,R4均采用低温漂的精密电阻。
REF1为给电桥供电的基准源,将PT100变化的阻值信号转换为电压信号。
考虑到PT100电阻变化值小,所转换成的差值电压在毫伏级,因此电源波动对最终采样精度影响很大。
基于此,采用LM4040-2.5V精密基准源给电桥供电。
2.2信号放大电路由IN1A、IN1B两引脚所产生的压差信号非常微弱,直接采样影响精度,因此需要将其放大后再引进单片机采样脚。
图2为信号放大电路。
8路PT100信号通过多路模拟开关选择轮流采样,D4,D5为8通道模拟开关,CTRL0、CTRL1、CTRL2、CTRL3连接到单片机引脚,对采用通路的控制选择,将差分信号输出到Vin+,Vin-引脚上。
考虑到PT100探头产生的信号非常微弱,很容易受到噪声干扰,所以放大电路选择仪表放大器结构。
仪表放大器拥有差分式结构,对共模噪声有很强的抑制作用,同时拥有较高的输入阻抗和较小的输出阻抗,非常适合对微弱信号的放大[3]。
巡检仪的信号放大采用如图3的三运放仪表放大电路。
图3中信号由Vin+,Vin-输入,D2,D3对输入电压信号起缓冲作用。
V3,V4其保护作用,钳制输入信号间的最大差分电压。
电阻均采用低温漂的精密电阻,其中R9=R12,R10=R13,R11=R14,由此可得放大后的ADin引脚的电压Uo为由式(1)可看出,通过增减R8的阻值即可改变增益,得到理想的放大倍数。
2.3按键电路设计温度巡检仪设有4个按键,用于出厂调校,参数设定。
两个键用于参数的增加,另外两个按键一个用于键功能确认,按下后开始标校温度;剩下一个按下后可以对报警温度值设定。
电路如图4所示,按键不按时单片机引脚检测为高电平,按下后变为低电平。
2.4显示电路设计数码管的显示分为动态显示跟静态显示两种。
静态显示除变更数据期间,各显示器均处于通电状态,每个显示器通电占空比约为100%。
动态显示就是逐位地点亮显示器的各位,N个显示器共占用一个显示驱动器,每个显示器通电占空比时间约为1/N[4]。
温度巡检仪需要显示8路温度值(每路3位数码管),时钟的时、分(各两位数码管),若采用静态显示,占用单片机管脚太多,不太现实,并且功耗增加。
基于此考虑,巡检仪数码管采用动态显示。
另外,温度正常指示、低报警、高报警对应的信号指示灯也可采用动态显示。
显示程序将需要显示的数据按列拆分,通过移位寄存器将其逐位移位,移位完成后,打开控制脚,点亮数码管,延时一定时间,然后接着点亮下一列。
采用动态显示时这里有两种方式,一种是将3位的显示温度的数码管跟2位的显示时钟的数码管组合在一起,成为5列,分5次点亮;采用这种方式全点亮时间较长,对点亮时间延时、时间间隔等要求较高,但可以减少芯片数量。
第二种取最大列数为3列,点3次点亮,其优缺点跟第一种方式相反。
这里考虑芯片数量、PCB板尺寸等因素,采用第一种方式,见图5。
图5中只画出了两组显示,将显示温度的数码管跟显示时钟的数码管合在一起,总共5列。
其中U1,U2为移位寄存器HEF4094,第一个的串行输出连接到第二个的数据输入,依此类推,每个HEF4094对应一路显示,总共8路。
当一列的数据全部移位完成,对应每个HEF4094上的8位正确输出时,控制LED_1到LED_5,点亮数码管。
2.5语音报警电路巡检仪具有超温报警功能,根据设定的温度分为两级报警。
当到达不同级别的报警温度时播放相应的语音,当温度恢复正常时用语音提示一下温度正常,因此需要3段语音。
语音报警电路如图6所示。
采用YF017型OTP语音芯片,其工作电压为2.2~6V,具有PWM输出,2脚3脚输出驱动喇叭。
它共有3个IO口,外围最低仅需要一个104电容就可以稳定的工作,通过单片机最少一个IO口可以控制多达32段声音。
控制原理说明:芯片采用了模拟串行的控制方式。
如需要播放第几个地址的内容就向DAT引脚发送几个脉冲(大于0.2ms即可,建议采用1ms左右)。
芯片工作时(播放声音),BUSY引脚输出低电平,停止工作或者待机时,保持高电平;RST引脚任何时候收到一个脉冲的时候,可以使芯片的播放指针归零(就是DAT脚恢复到初始状态),同时即刻使芯片停止工作,进入待机状态。
2.6时钟显示巡检仪的时钟显示功能是基于DS1302芯片实现的。
DS1302是美国DALLAS 公司推出的一种高性能、低功耗、带RAM的低功耗实时时钟芯片,它可以对年、月、日、周、日、时、分、秒进行计时,并能够对每月的天数和闰年的天数进行自动调整,时钟可以采用24小时制,也可以采用12小时。
DS1302功耗很低,保持数据和时钟信息时功率小于1uW,在没有电源供电的情况下,可以工作长达10年的时间[5]。
电路原理如图7所示。
DS1302与单片机的连接仅需要3条线:RST复位引脚、SCLK串行时钟引脚、I/O串行数据引脚,Vcc1为备用电源;外接32.768kHz 晶振,为芯片提供计时脉冲。
2.7单片机选型巡检仪单片机采用PIC18F4580,其内部带EEPROM,调校完成后可将调校参数存储,而不用每次上电都重新调校。
3.巡检仪软件设计巡检仪软件的工作流程设计成这样,上电后初始化,读取EEPROM中的校验数据,报警数值。
进入主循环后对信号采样计算,换算成对应的温度值送到数码管显示。
若在运行过程中发现有功能键,或者报警设定键按下,则进入设定调校程序。
主程序流程如图8所示。
3.1初始化函数void Data_Init(void)初始化函数主要对输入输出口,AD采样初始化,时钟芯片DS1302初始化,读取EEPROM中的调校报警数值。
DS1302初始化为多字节突发模式传输数据,提高效率。
另外,由于巡检仪采用的是普通的纽扣电池,因此在模式寄存器中将充电功能屏蔽。
对于保存在EEPROM中的数据例如调校值,在初始化时需将其读出放到特定的数组中。
定时器主要用于语音报警时的脉冲宽度,目前设置成1ms。
3.2AD采样AD采样的流程是这样的,在中断中读出采样值,并置标志位,在主循环中检测到标志位后对数据进行处理。
由于8路信号是通过模拟开关切换,因此需注意在当前采集完成切换到下一路时需设定可靠延时以保证采样电容能充电充分。
由于铂电阻的电阻值与温度成非线性关系,因此我们需要对PT100刻度表分段线性化,根据电路中实测的AD值以查表方式得出当前温度值。
测量精度和可靠性是仪器的重要指标,由于电阻电容的差异性、现场电磁环境的污染,不是每次采样都能采得正确的数值,因此需要通过软件来修正、滤波。
数字滤波法有用于克服大脉冲干扰的数字滤波法,也有适用抑制小幅度高频噪声的平均滤波法。
在实际应用中,有时既要消除大幅度的脉冲干扰,又要做数据平滑。
因此常把前面介绍的两种以上的方法结合起来使用,形成复合滤波。
巡检仪AD采样软件设计采用去极值平均滤波算法:先用中值滤波算法滤除采样值中的脉冲性干扰,然后把剩余的各采样值进行平均滤波。
连续采样N次,剔除其最大值和最小值,再求余下N-2个采样的平均值。
显然,这种方法既能抑制随机干扰,又能滤除明显的脉冲干扰[6]。
3.3语音报警当温度超过报警值时,单片机输出脉冲控制语音芯片报警输出。
报警脉冲的输出通过定时器定时,定时器1ms中断一次,在定时器中判断是否需要输出,是否输出完成。
需要播放语音时设置变量N,代表需要播放第N段,通过在定时器中递减来输出语音。
程序流程如图9所示。
4.调校巡检仪设有4个按键,两个键用于参数的增减少;另外两个按键一个用于键功能确认,按下后开始轮流标校温度值。
正常运行过程中,按下功能键,从第一路个位数码管开始闪烁。
通过增减键确认后再按下功能键,标校完成,下一位开始闪烁,等待标校。
第一路完成标校后将标校差值参数存入EEPROM,进入下一路调校。
若不需要调校,按功能键或等待一定时间可退出调校流程。
运行时按下报警设定键则可以设定报警值,跟标校流程一样。
5.结语本文介绍了基于PT100型铂电阻的多路温度巡检仪的软硬件设计,该巡检仪硬件设计实用可靠;软件中采用分段线性法对比得到实测温度,并采用了多种滤波方式,误差精度得到提高。
该巡检仪目前已应用于汽车上轴温监测、一些大型电机的定、转子温度监测,从现场使用情况来看,精度较高,能很好适应现场,特别是需要多点测温的地点。
参考文献[1]王爱华.多路PT100-III型信号转换模块电子技术及信息科学[J].自动化技术,2004(10).[2]畅世聪.电阻型传感器三线制接法探讨[J].仪表技术,1998(4).[3]张石锐,郑文刚,黄丹枫,等.微弱信号检测的前置放大电路设计[J].微计算机信息,2009(23).[4]李海涛,仪维,梁磊.PIC单片机应用开发典型模块[M].北京:人民邮电出版社,2007.[5]程德福,林君.智能仪器[M].北京:机械工业出版社,2009.。