风管与配件制作
- 格式:doc
- 大小:549.50 KB
- 文档页数:18
风管与配件制作操作工艺1 工艺流程2 风管制作方法风管制作的技术规定:①风管尺寸的核定。
根据设计要求、图纸会审纪要,结合现场实测数据绘制风管加工草图。
板材下料前必须进行下料复核,复核无误后按划线形状进行剪切。
板材下料后在压口之前,必须用倒角机或剪刀进行倒角,倒角形状如下:②板材的拼接和圆形风管的闭合咬口可采用单咬口;矩形风管或配件的四角或配件的四角组合可采用转角咬口、联合角咬口、按扣式咬角;圆形弯管的组合可采用立咬口。
③划好折方线,在折方机上折方。
折方后的钢板用合缝机或手工进行合缝。
操作时,用力均匀,不宜过重。
咬口缝结合应紧密,不得有胀裂和半咬口现象。
④风管的加固:矩形风管边长≥630mm 和保温风管边长≥800mm 时,应采取加固措施,本工程采用加固措施为:<800mm ,用楞筋或楞线加固;≥800mm ,用角钢加固。
楞筋或楞线加固,排列应规则,间隔应均匀,板面不应有明显的变形。
b.角钢的加固,应排列整齐、均匀对称,其高度应小于或等于风管的法兰宽板材板材机械倒角手工倒角施工准备 风管展开下料 剪切 倒角 咬口 折方 压口 成形方法兰下料 组对焊接 圆法兰卷圆 铆接 翻边划线下料找平找正 焊接 钻孔 油漆 检验、试验 运输度。
角钢与风管的铆接应牢固、间隔应均匀,不大于220mm;两相交处应连接成一体。
⑤矩形风管弯管制作,一般应采用曲率半径为一个平面边长的内外同心弧形弯管。
当采用其他形式的弯管,平面边长大于500 mm时,必须设置弯管导流片。
⑥矩形风管法兰有四根角钢或扁钢组焊而成,划线下料时应注意使焊成后的法兰内径不能小于风管外径。
用切割机切断角钢或扁钢,下料调直后用台钻加工。
中、低压系统的风管法兰的铆钉孔及螺栓孔孔距不应大于150mm。
矩形法兰的四角部位必须设有螺孔。
⑦风管翻边应平整并紧贴法兰,应剪去风管咬口部位多余的咬口层,并保留一层余量;翻边四角不得撕裂,翻拐角边时,应拍打为圆弧形;涂胶时,应适量、均匀,不得有堆积现象。
风管与配件制作检验批质量验收记录一、项目背景为确保风管与配件制作的质量可靠,满足相关标准和要求,特进行质量验收,以确保产品的质量和性能达到预期要求。
二、验收内容1.风管制作的验收内容包括但不限于以下方面:a.材料的合格证、技术文件等;b.风管的尺寸和几何形状;c.风管的焊接质量;d.风管的表面处理;e.风管的密封性能;f.风管的安装连接等。
2.配件制作的验收内容包括但不限于以下方面:a.材料的合格证、技术文件等;b.配件的尺寸和几何形状;c.配件的加工质量;d.配件的表面处理;e.配件的安装连接等。
三、验收方法根据相关技术标准和规范要求,进行抽样检验和质量评定。
1.抽样检验:a.对于风管和配件的尺寸和几何形状,采取随机抽样的方法进行测量,依据设计要求进行比对评估。
b.对于风管的焊接质量和配件的加工质量,从不同批次中随机抽取样品,进行外观检查和物理性能测试等。
c.对于风管的密封性能和配件的安装连接,验收责任单位应组织专业技术人员进行现场测试和观察。
2.质量评定:根据抽样检验的结果,结合相关技术标准和规范要求,进行质量评定。
通常采用合格、不合格和允许修复等评定结果。
四、验收结果根据本次质量验收的抽样检验和质量评定,得出如下验收结果:1.风管制作的检验结果:a.材料的合格证、技术文件等齐备;b.风管尺寸和几何形状符合设计要求;c.风管的焊接质量符合要求;d.风管表面处理符合要求;e.风管的密封性能符合要求;f.风管的安装连接符合要求。
总体来说,风管制作的质量符合相关标准和要求,验收结果为合格。
2.配件制作的检验结果:a.材料的合格证、技术文件等齐备;b.配件的尺寸和几何形状符合设计要求;c.配件的加工质量符合要求;d.配件的表面处理符合要求;e.配件的安装连接符合要求。
总体来说,配件制作的质量符合相关标准和要求,验收结果为合格。
五、质量问题和处理在风管与配件制作的过程中,没有发现质量问题,所以无需进行质量问题的处理。
风管与配件制作检验批质量验收记录(Ⅰ)(金属风管)06060101单位(子单位)工程名称分部(子分部)工程名称通风与空调/恒温恒湿空调系统分项工程名称风管与配件制作施工单位项目负责人检验批容量分包单位分包单位项目负责人检验批部位风管与配件制作检验批(Ⅰ)(金属风管)施工依据验收依据《通风与空调工程施工质量验收规范》 GB 50243-2002主控项目验收项目设计要求及规范规定最小/实际抽样数量检查记录检查结果1 材质种类、性能及厚度 4.2.1条/2 防火风管材料及密封垫材料 4.2.3条/3 风管强度及严密性、工艺性检测 4.2.5条/4 风管的连接 4.2.6条/5 风管的加固 4.2.10条/6 矩形弯管制作及导流片 4.2.12条/7 净化空调风管 4.2.13条/一般项目1 圆形弯管制作 4.3.1-1条/2 风管外观质量和外形尺寸 4.3.1-2.3条/3 焊接风管 4.3.1-4条/4 法兰风管制作 4.3.2条/5 铝板或不锈钢板风管 4.3.2-4条/6 无法兰圆形风管制作 4.3.3条/7 无法兰矩形风管制作 4.3.3条/8 风管的加固 4.3.4条/9 净化空调风管 4.3.11条/施工单位检查结果专业工长(施工员):项目专业质量检查员:年月日监理(建设)单位验收结论专业监理工程师(建设单位项目专业负责人):年月日注:本表内容的填写需依据《现场验收检验批检查原始记录》。
本检验批质量验收的规范依据见本页背面。
风管与法兰铆接前先进行技术质量复核,合格后将法兰套在风管上,风管折方线与法兰平面应垂直,然后使用液压铆钉钳或手动夹眼钳用
5X10铆钉(铆钉根据不同风管按规程选用,详见下表)将风管铆
固,并将四周翻边;翻边应平整,不应小于6mm ,四角应铲平,不应出现豁口,以免漏风。
四、弯管、变径管、三通与风管套管的制作 (1)弯管的制作见下图。
矩形弯管的二种制作型式示意图
1-内外同心弧
2-内弧外直角型
为了减少系统的局部阻力,将采用以上两种型式进行矩形弯管的制作。
制作按照以下技术要求进行:
采用内弧外直角型制作矩形弯管,若风管宽度<1000mm ,镀锌导流叶片的数量最少为两片;若风管宽度=1000mm 至1500mm ,镀锌导流叶片的数量最少为三片;若风管宽度等于1500mm 或以上,镀锌导流叶片的数量最少为四片。
导流叶片、连接板的厚度与弯管壁厚相同,连接板与风管用拉铆钉连接。
导流叶片的迎风侧边缘圆滑,固定牢靠,另外当导流叶片的长度超过1000mm 时,设有加固措施。
(2)变径管的制作
A
a
A B C。
风管与配件制作的要求一、施工作业条件要求1.建筑结构施工完毕后,风管预留孔洞尺寸位置正确,制作场地、库房符合施工要求,具有良好的照明及动力电源。
2.设计图纸、技术文件齐备,对施工图充分了解、熟识。
二、施工工艺要求1.拼板、划线1.1.划线时应按图纸尺寸,根据板材规格大小等具体情况,合理安排图形,尽量减少切割和粘缝,又要注意节省原材料。
1.2.划线宜采用红铅笔,不要使用锋利的金属划针或锯条,以免板材表面形成伤痕,发生折断。
1.3.圆形风管可在组配时需考虑纵缝交错设置。
矩形风管在展开划线时应注意接缝规划,避免设置在转角处。
并注意相邻管段的纵缝要交错设置。
1.4.风管划线时,要用角尺对板材四角进行复合,以避免产生扭曲翘脚现象,板材中若有裂缝,下料时应避开不用。
2.板材下料、成型2.1.大川风管板材可以拼接,如下图所示。
当风管长边尺寸不大于1600mm时,可切45度角直接粘结,粘结后在接缝处双面贴铝箔胶带;当风管长边尺寸大于1600mm时,板材的拼接需采用“工”型专用连接件,以增强拼接强度。
2.2.风管的三通、四通宜采用分隔式或分叉式;三通、四通、大小头的圆弧面或折线面应等分对称划线。
风管每节管段(包括三通,弯头等管件)的两端面应平行,与管中心线垂直。
2.3.导流片可采用PVC定型产品,也可由镀锌板弯压成圆弧,两端头翻边,铆到上下两块平行连接板上,组成倒流板组,在已下好料的弯头平面板上划出安装位置线,在组合弯头时用粘结剂粘上,导流板高度宜大于弯头管口2mm,以使其连接更紧密。
2.4.导流片安装用数量依图纸要求执行。
3.合口连接、贴胶带3.1.大川铝箔复合保温风管所用粘合剂须按板材厂商认定的专用粘合剂,如另行采购品牌粘合剂,必须做连接效果对比试验,并经监理、板材商检查、认可后、方可使用。
3.2.矩形风管直管段,不管是同一板材连接,还是几块板材组合拼接,表面需平整,角线顺直。
风管组合前应清除板材切口表面的切割粉末、灰尘及杂物。
风管与配件制作工程检验批质量验收记录11. 项目概述本项目是对风管和配件的制作工程进行检验批质量验收的记录,目的是确保制作工程符合设计要求和规范要求,提高风管和配件的质量和工程安全性;并在验收过程中发现和纠正问题,预防工程质量事故的发生。
2. 检验依据本项目的验收依据为《建筑给排水与供暖通风工程施工质量验收规范》和相关设计文件。
3. 检验范围本次检验批涉及的风管和配件包括: - 风管 - 弯头 - 波纹管 - 排气管 - 连接件 - 支吊架4. 检验项目及标准本次检验批的检验项目及标准如下:检验项目检验标准风管壁厚0.8mm-1.0mm风管四边角度右角度一般控制在2°以内风管咬口光滑无明显毛刺弯头中心线直线误差小于0.5mm波纹管伸长量10-15mm排气管口径与相应设备接口口径一致连接件紧固紧固牢固无松动支吊架间距根据风管直径和支吊架类型确定间距5. 检验人员本次检验批的检验人员为: - A工程师 - B技术员6. 检验过程6.1 风管制作工程1.检验风管截面形状和尺寸是否符合设计要求;2.检验风管的壁厚是否符合规范要求;3.检验风管的四边角度是否符合规范要求;4.检验风管的咬口是否光滑无明显毛刺;5.检验风管的接口是否与配件连接牢固;6.检验风管的包装和标识是否清晰明确。
6.2 配件制作工程1.检验弯头中心线的直线误差是否小于0.5mm;2.检验波纹管的伸长量是否在10-15mm之间;3.检验排气管的口径是否与相应设备接口口径一致;4.检验连接件的紧固是否牢固无松动;5.检验支吊架的间距是否按照设计要求确定。
7. 检验结果本次检验批的检验结果如下:检验项目检验结果风管壁厚合格风管四边角度合格风管咬口合格弯头中心线合格波纹管伸长量合格排气管口径合格连接件紧固合格支吊架间距合格8. 与建议本次检验批的检验结果表明,本工程的风管和配件制作质量符合设计和规范要求,检验合格。
在后续的施工过程中,还需要加强监督和管理,及时发现和解决施工中出现的问题,确保工程的质量和安全性。
一、主要机具、工具:机具:砂轮锯、电焊机、台钻等。
工具:圆丝板、手锯、手锤、螺丝板、压力案、台虎钳、克丝钳、改锥、气焊设备等。
量具:钢卷尺、卡尺等。
二、风管制作1、现场加工场地应洁净、地面平整、不潮湿,并能防雨、大风且结构牢固,有充足的照明设施。
2、操作方法:领料、检查:不同类别及规格的风管系统所使用板材的厚度应符合《通风与空调工程施工质量验收规范》GB50243的要求。
根据施工图、大样图、系统图及相关技术的要求,施工人员领取的材料,应进行核实,以保证材料符合技术、质量要求。
风管加工必须加工单先行,加工单必须由专业主管签字确认后方能下料生产。
无加工单禁止加工。
风管加工单一式两份,项目留存原件,另一份用作加工和安装用。
3、风管制作选材要求:(1)、风管制作所用的镀锌钢板厚度见下表:630〈D (b )≤1000 0.750.75 1.0 1000〈D (b )≤1250 1.0 1.0 1.0 1250〈D (b )≤2000 1.2 1.0 1.2 2000〈 D (b )≤4000 1.2 1.2 1.2(2)、圆形风管法兰及螺栓规格:风管直径D法兰材料规格螺栓规格 扁钢 角钢D ≤140 20×4 - M6 140<D ≤280 25×4 - 280<D ≤630 - 25×3 630<D ≤1250 - 30×4 M81250<D ≤2000 - 40×4(3)、矩形风管法兰及螺栓规格风管长边尺寸b 角钢规格(法兰)螺栓规格 铆钉规格螺栓间距b ≤630 ∠25*3 M6 φ4低、中压系统≤150;高压系统≤100630∠b ≤1500 ∠30*3 M8 φ5 1500∠b ≤2500 ∠40*4 M8 φ5 2500∠b ≤4000∠50*5 M10 - 4、风管加固: (1)、圆形风管加固圆形风管直径大于等于800mm ,且管段长度大于1250mm 或总表面积大于4m2均应采取加固措施。
风管及部件制作安装要求本建筑通风空调工程应按设计图纸和国家规范标准执行施工。
1、风管制作的一般规定:(1)、本工程空调、通风系统风管采用镀锌钢板,消防排烟风管采用玻璃钢管制作。
风管规格的验收以外径或外边长为准。
风管制作质量的验收按设计图纸和验收规范规定执行。
钢板厚度及法兰角钢规格如下:(2)、矩形风管的弯管,可采用内弧形或内斜线矩形弯管。
当边长A大于或等于500mm时,应设置导流片,A为矩形弯管边长。
(3)、制作金属风管时,板材的拼接咬口和圆形风管的闭合咬口采用单咬口,矩形风管或配件的四角组合可采用联合角咬口。
(4)、金属风管和配件的制作,其外径或外边长的允许偏差:当小于或等于300mm时为-1~0mm;当大于300mm时为-2~0mm;其法兰内径或内边长尺寸的允许偏差为+1~+3,平面度的允许偏差为2mm,矩形法兰两对角线之差不应大于3mm。
(5)、风管与法兰连接采用翻边时,翻边应平整,宽度应一致,且不应小于6mm,并不得有开裂与孔洞。
(6)、风管的密封应以板材的连接为主,可采用密封胶嵌缝和其他方法密封。
密封胶性能应符合使用环境的要求,密封胶面宜设在风管的正压侧。
(7)、当矩形风管边长大于或等于630mm和保温风管大于或等于800mm的风管,且其管段长度大于1200mm时,应采取加固措施。
对边长小于或等于800mm的风管,宜采用楞筋、楞线的方法加固。
(8)、法兰螺栓及铆钉的间距应小于或等于150mm,矩形法兰的四角处应设螺孔。
2、部件的制作:(1)、柔性短管应用人造革制作,长度一般为150~200mm,不得用软管兼作变径管,排风兼排烟系统的软管采用耐温大于280℃的材料或帆布软管内外刷防火漆。
(2)、各类风口,风阀等部件为采购件,制作方法略。
(3)、轴流风机在电动机一侧,消声口及防火阀附近应设风管检查孔(按国家标准图T604的I型或II型施工)。
3、风管及部件安装:(1)、风管与配件可拆卸的接口及调节机构,不得装设在墙或楼板内。
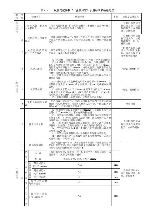
风管与配件制作(金属风管)质量标准及检验方法
1检查数量:
主控项目
1)第1项、第2项:按材料与风管加工批数量抽查10%,不应少于5件。
2)风管强度及严密性、工艺性检测:按风管系统的类别和材质分别抽查,不得少于3件及15rn2o
3)风管的连接、风管的加固:按加工批数量抽查5%,不得少于5件。
4)矩形弯管制作及导流:抽查20%,不得少于2件。
5)净化空调风管:按风管数量抽查20%,每个系统不得少于5个。
一般项目
6)第1项〜第8项:通风与空调工程按制作数量抽查10%,不得少于5件;净化空调工程按制作数量抽查20%,不得少于5件。
7)第9项:按风管总数抽查20%,按法兰数量抽查10%,不得少于5件。
2质量标准和检验方法:
风管与配件制作(金属风管)质量标准和检验方法。
风管及配件制作安装方案<1> 准备工作风管及配件制作采用工厂化加工,以保证工程进度,保证工程质量.风管加工场地的布置如下:加工场的清洁措施与要求:①作业场地和道路为水泥地面,配上下管道.②加工场地配设长柄拖把5只,洗涤液配制桶2只,绸布2米,胶靴2双,布剪刀1把,专门清洁人员2个,洁净风管制作存放区,每日清洗二次,专人看管.③所有机具的使用和保养按ISO9002规定招待所有机具和小型工具每日开工前做清洁工处理一次.<2> 风管预制前应根据施工图纸和现场实际情况绘制施工草图并编号,然后根据以下流程制作风管.风管的制作尺寸,矩形风管以外边长为准.风管钢板厚度一般风管制作流程:材料检验→放线下料→咬口→折方→合缝→铆接法兰→型钢加固→编号存放洁净风管制作流程:材料检验→板材清洗→放线下料→咬口→折方→合缝→铆接法兰→型钢加固→编号存放→塑料膜密封<3> 风管法兰加工风管法兰在一般风管制作区加工.镀锌钢板风管矩形法兰由四根角钢组焊而成.矩形风管法兰风管法兰内径应比风管外径大2-3mm,法兰表面应平整,法兰铆钉孔、螺栓孔间距一般不大于150mm,净化风管不大于100mm.法兰四角应设螺栓孔,铆钉孔距法兰内缘不大于3mm,打螺栓孔时,应注意使孔的位置处于角钢中心.同一规格的法兰应能通用.法兰加工完毕,应及时清查、除锈、刷漆.用于洁净风管的法兰除锈后应露出金属本色,法兰油漆采用优质磷化底漆.漆层应无漏涂、起泡、露底现象.<4> 风管咬口风管板材的拼接采用单咬口;矩形风管转角缝采用联合角咬口.洁净风管板材在制作区剪切、折方、咬口后,进行一次清洗,清洗用中性洗涤剂除去表面油脂,再用清水冲净,白绸布擦干.然后进入洁净风管制作区二次清洗后进行组装.风管不能有横向拼接缝,矩形风管底边宽度≤900mm时,其底边不能有纵向拼接缝.<5>风管成型板材经咬口、折方后进行合缝,闭合缝应用木锤敲打,应密实、平整.风管与法兰采用翻边铆接,翻边为6-9mm.翻边应平直并贴紧法兰,法兰四角不得有孔洞.一般铆钉制作完后,涂防腐漆,洁净风管铆钉采用优质平头镀锌铆钉.矩形风管长边≥630mm,保温风管长边≥800mm,长度在1.2m以上的风管均采取加固措施,采用角钢外设加固框加固.洁净风管不得采用拆壁棱线和在风管内设加固框及加固筋加固.<6> 风管清洗、编号、密封洁净风管成型后,在咬口缝、铆钉缝、翻边、四角处涂上密封胶,密封胶采用硅橡胶,然后用碘钨灯做漏光检查,合格后将内外表面擦干净.擦拭方法如下:先软布将风管表面浮土、灰尘等擦拭干净,用中性洗涤剂清洗,使表面不再有泥灰、油迹、丝头等残留物.擦拭干净的风管按加工草图编号,后用塑料膜将两头封住,存放于干燥通风处.<7> 风管法兰连接法兰垫料与风管内口平齐,垫料应尽量减少接头,接头采用梯形连接或榫行连接.法兰垫料选用闭孔海绵橡胶板,厚度5mm<材料另行报批>.沿法兰均匀平整的粘贴,不得脱落,接口处要严密,各部位均不得凸入风管内.2.7.1.3 风管及配件搬运风管搬运应轻抬轻放,洁净风管不得拆除封头的塑料薄膜.搬运人员进入洁净风管存放区要更换干净衣鞋.洁净风管运到安装现场要采用净化保护措施.2.7.1.4风管制作质量标准风管的规格、尺寸必须符合设计要求,风管咬缝必须紧密、宽度均应、无妃洞半咬口和胀裂等缺陷.直管纵向咬缝应错开.风管外观质量应达到折角平直,圆弧均匀,两端面平行,无翘角,表面凹凸不大于5mm;风管与法兰连接牢固,翻边平整,宽度不大于6mm,紧贴法兰.风管加固应牢固可靠、整齐,均匀对称.2.7.2 系统安装<1> 风管安装前的装备工作风管安装前,应校核风管及风口等部件的位置、标高是否与设计图纸相符,并检查预留孔洞、预埋件位置是否正确,并与其它专业核对是否有交叉打架现象,核实无误后将预制加工的支吊架、风管及部件运至现场.风管安装前应将预制加工的风管和部件按照系统编号组对,复核无误后方可连接和安装.为安装方便,风管尽量在地面上进行连接,一般可连10-12m.洁净风管连接必须对风管内表面再进行仔细的清洁,连接好的风管两头应用塑料膜封口.法兰密封垫采用弹性好、不透气、不产尘的δ5的闭孔海绵胶条或δ3的氯丁橡胶胶带.风管法兰螺栓采用镀锌螺栓,同一法兰的螺栓规格应相同,方向一致.风管上成对法兰的拧紧力矩要大小一致,安装后不应有松紧不匀的现象.法兰密封垫应与风管内壁平齐,不得凸入风管内部.<2> 支吊架的安装支吊架的安装是风管系统安装的第一道工序,支吊架的选型和安装应符合设计和规范要求.风管的支吊架间距<不保温风管>应符合以下要求:水平安装的风管直径或大边长大于1500mm时,最大间距2.4m,小于1500mm 时,最大间距3m;垂直安装时,最大间距4m,并且每根立管上固定件设置不小于两个.水平悬吊的风管应在适当位置设防止晃动的固定支架.垂直安装的风管支架间距为4m,并且每并且每根立管上固定件设置不小于两个.保温风管,应核定其保温层重量,其设置要与不保温风管支吊架间距对应成比例.保温风管的支吊架宜放在保温层外部,但不得损坏保温层.有法兰的风管,在法兰附近设置吊架,其它风管在临近接头的附近设置支吊架.支吊架的设置应避免与其它设备或结构相冲突.空调风管与支吊架间要用经过防腐处理的木条隔开,木条长度与支吊架横担度一致,厚度与保温层厚度相同,木条与支吊架之间要固定.安装风管支吊架时,应考虑风管的标高和坡度及风管自身的变径.对变径底平安装的风管,支吊架应在同一平面上;对变径顶平或中心平安装的风管,支吊架应考虑变径管的高度.支吊架安装时,应等距离排列,但不能安装在风口、风阀、检视门及测定孔等部位.支吊架的固定尽量采用膨胀螺栓,力求灵活、方便,但应牢固、可靠.<3> 风管检查门风管应在以下位置设置预制的检查门.1、每个平衡阀的位置2、每个防火阀的位置3、每个空调机组回风管上,电气承包人提出的需安装烟感探测器的地方.4、在水平安装风管上,小边小于500mm,间隔不大于10m或小边大于500mm间隔15m的地方或在每个90度弯头处.根据技术规格书和图纸的要求,制作风管检查门,并用认可的密封胶进行密封.通常检查门的最小尺寸为600*600mm,或在较小的风管上设置的检查门尺寸应比风管尺寸小50mm.<4> 风管安装用人字梯或活动平台安装风管,以利加快速度和保证安全.风管水平安装,平度的允许偏差每米不应大于2mm,总偏差不大于20mm.风管垂直安装,垂直度的允许偏差每米不大于2mm,总偏差不大于20mm.净化风管安装,要保证环境清洁,应安排专人打扫卫生.经清洁干净包装密封的风管及部件,安装前不得拆卸,安装时拆开端口封膜后,随即连接好接头.如安装中间停顿,应将端口重新封好.风管安装时应注意底部纵向接缝错开.输送产生凝结水或含有潮湿空气的风管安装坡度符合设计要求,底部的接缝均做密封处理.接缝表面平整.<5> 部件安装风管部件安装应注意位置准确,调节阀、蝶阀等调节装置应安装在便于操作的部位.防火阀是通风空调系统的安全装置,要保证在火灾发生时起到关闭和停机的作用.为防止防火阀易熔片脱落,易熔片应在系统安装后再装入.防火阀安装距墙或楼板的距离不得大于200mm,防火阀应设单独的支吊架.洁净系统的风阀、消音器等部件安装时必须清除内表面的油污和灰尘.柔性短管安装应松紧适当,不能扭曲.安装在机组吸入口的柔性短管可装得绷紧一些,防止机组启动被吸入而减少截面尺寸.不能把柔性短管当作找平找正的连接管或异径管.各类风口安装应横平竖直,表面平直,有调节和转动装置的风口,安装后应保持原来的灵活度.高效过滤器必须在洁净室围护结构安装后,净化系统初效、中效过滤器安装完毕,每个系统工程进行检查、擦拭、吹洗器运转12小时后才能开始安装.只有在安装时,才可从密封袋中取出高效过滤器,同时应进行外观检查,凡滤纸被损,滤和外框变形者,不得安装.安装高效过滤器应使外框上箭头和气流放向一致,高效过滤器与框架间应密封,必须用粒子计算器进行检漏试验.2.7.3 风管漏风量检查净化风管系统安装后,在保温前应进行漏风检查,检查的方法和要求应按下规定进行.漏风检查方法和评定标准<1>漏光试验法对一定长度的风管,在漆黑的周围环境下,用一个电压不高于36V,功率100W 以上不定期保护罩的灯泡,在风管内从风管的一端缓缓移向另一端.若在风管外能观察到光线射出,说明有较严重的漏风,应对风管进行修补后再查.<2> 漏风试验法① 试验前准备工作将连接风口的支管取下,并将开口处封.② 试验方法利用试验风机向风管内鼓风,使风管内静压上升到700Pa并保持, 此时该进风量即等于漏风量.该进风量用在风机与风管之间设置的孔板和压差来测量.风管风的静压则由另一方压差计测量.③ 试验装置风管漏风试验装置孔板1:T=45mm;孔板2: X=71mm1-进风挡板;2-风机;3-钢风管;4-孔板;5-软管ф100;6-软管ф8;7、8-压差计;9-盲板;10-胶带密封;11-被测风管.试验风机:最大额定风量1600m3/h时,最大额定风压2400Pa,连接管ф100;孔板<2个>当漏风量Q≥130 m3/h时,直径0.0707m,孔板常数C为0.697;当漏风量Q<130 m3/h时,直径0.0316m ,孔板常数C为0.603.压差计:测孔板压差0-2000Pa;测风管静压0-2000Pa.④ 试验步骤本试验主要针对净化风管进行,整个试验过程应作详细记录,包括漏风部位、漏风量、漏风的原因及其它情况等.A.漏风声音试验本试验在漏风量测量之前进行.将支管取下,用盲板和胶带密封开口处,将试验装置的软管连接到被试风管上.关闭进风挡板,启动风机.逐步打开进风挡板,直到风管内静压值上升并保持在700Pa为止.注意听风管所有接缝和孔洞处的漏风声音,将每个漏风点作出记号并进行修补.B.漏风量检测试验:本试验在有漏风声音点密封之后进行.启动风机,逐步打开进风挡板,直到风管内静压值上升并保持在700Pa时,读取孔板两侧的压差,按以下公式计算漏风量和漏风率.漏风量Q=3600AV=360AC=5091AC式中:V-通过孔板风速,m/sQ-漏风量,m3/h;-空气密度 Kg/ m3孔板内孔面积,m2C-孔板常数AP-空气通过孔板的压差,Pa漏风率额ε= Q/Q额 X 100%式中:ε-漏风率,%Q额-被测风管系统<或管段>设计风量,m3/h.3.7.4 风管保温敷设在非空调房间的空调系统风管均需保温,保温材料的类型和质量要符合设计和规范要求.风阀和清扫孔的保温措施不应妨碍阀门的启闭.风管保温应在适当的时候进行,不可包的太早,以免损坏严重.风管保温过程中垃圾较多,应派人清理.风管保温完毕,应指定严格措施房子其他专业破坏和污染.风管穿墙洞、板孔处保温后,应密封处理.保温材料δ25铝铂的玻璃棉,保温层要连续、密实、接封处要用100mm宽,法兰连接处用150mm宽铝箔胶带密封,以防"结露".保温层外表面应平整,无胀裂和松弛现象.调机级有关的风管均应按如下程序做风管压力测试.在风管安装完一个系统后,在任何设备试和安装过滤器前,对送风和回风管系统进行一个系统的测试.新风风管和排风风管不做压力测试.只有在甲方见证和批准后,风管压力测试完成后,才能进行风管的保温.在压力测试开始前,应执行如下程序:- 所有送、回风、新风和排风的开口处均应通过安装金属板或其他类似的认可的材料封闭.- 风管的每一侧边缘均应用100mm宽的有粘性的PVC进行封闭.- 在需要的地方,用密封胶将临时密封板完全密封.- 所有检查门应安装完并锁住.2.7.5 空调系统安装完毕,各种设备单机试运合格后,应进行无生产负荷联合试运转的测定与调整工作,其主要内容包括:一、通风机的风量、风压及转数的测定.二、系统与风口的风量平衡,实测风量与设计的偏差不应大于10%.三、制冷系统的压力、温度、流量等各项技术数据应符合有关技术文件的规定.四、空调系统带冷热源的正常联合试运转不应小于8小时通风.空调系统还应进行带生产负荷的综合效能的测定与调整,由施工和设计单位配合,其主要内容包括:一、室内空气温度、相对湿度的测定和调整.二、室内气流组织的测定.三、室内洁净度和风压的测定.四、室内躁声的测定.五、通风车间内空气含尘浓度的测定.2.7.6 风管的压力测试GMP区域的风管应密封,防止任何可能进入的污物,所有与GMP空调机组有关的风管均应按如下程序做风管压力测定.在风管安装完一个系统后,在任何设备测试和安装过滤器前,对送风和回风管系统进行一个系统的测试.新风风管和排风分管不做压力测试.只有在甲方见证和批准后,风管压力测试完成后,才能进行风管的保温.在压力测试开始前,应执行如下程序:- 所有送风、回风、新风和排风的开口处应通过安装金属板或其他类类的被认可的材料封闭.- 风管的每一侧边缘均应用100mm宽的有粘性PVC进行封闭.- 在需要的地方,用密封胶将临时密封板完全密封.- 所有检查门应安装完并锁住.。
4金属风管与配件制作4.1一般规定4.1.1金属风管与配件制作宜选用成熟的技术和工艺,采用高效、低耗、劳动强度低的机械加工方式。
4.1.2金属风管与配件制作前应具备下列施工条件:1风管与配件的制作尺寸、接口形式及法兰连接方式已明确,加工方案已批准,采用的技术标准和质量控制措施文件齐全;2加工场地环境已满足作业条件要求;3材料进场检验合格;4加工机具准备齐全,满足制作要求。
4.1.3洁净空调系统风管材质的选用应符合设计要求,宜选用优质镀锌钢板、不锈钢板、铝合金板、复合钢板等。
制作场地应整洁、无尘,加工区域内应铺设表面无腐蚀、不产尘、不积尘的柔性材料。
4.1.4洁净空调系统风管制作前,应采用柔软织物擦拭板材,除去板面的污物和油脂。
制作完成后应及时采用中性清洁剂进行清理,并采用丝光布擦拭干净风管内部,并采用塑料膜密封风管端口。
4.1.5圆形风管规格应符合表4.1.5-1的规定,并宜选用基本系列;矩形风管规格应符合表4.1.5-2的规定。
注:椭圆形风管可按表4.1.5-2中矩形风管系列尺寸标注长短轴。
4.1.6钢板矩形风管与配件的板材最小厚度应按风管断面长边尺寸和风管系统的设计工作压力选定,并应符合表4.1.6-1的规定;钢板圆形风管与配件的板材最小厚度应按断面直径、风管系统的设计工作压力及咬口形式选定,并应符合表4.1.6-2的规定。
排烟系统风管采用镀锌钢板时,板材最小厚度可按高压系统选定。
不锈钢板、铝板风管与配件的板材最小厚度应按矩形风管长边尺寸或圆形风管直径选定,并应符合表4.1.6-3和表4.1.6-4的规定。
表4.1.6-1钢板矩形风管与配件的板材最小厚度(mm)4.1.7金属风管与配件的制作应满足设计要求,并应符合下列规定:1表面应平整,无明显扭曲及翘角,凹凸不应大于10mm;2风管边长(直径)小于或等于300mm时,边长(直径)的允许偏差为±2mm;风管边长(直径)大于300mm时,边长(直径)的允许偏差为±3mm;3管口应平整,其平面度的允许偏差为2mm;4矩形风管两条对角线长度之差不应大于3mm;圆形风管管口任意正交两直径之差不应大于2mm。
实 用 文 档
1
风管与配件制作(金属风管)检验批质量验收记录
(GB50243-2002)表c.2.1-1 编号:080101/080201/080301/080401/080501
工程名称
子分部工程名称
验收部位 施工单位
专业工长
项目经理
施工执行标准 名称及编号
分包单位
分包项目经理
施工班组长
质量验收规范的规定
施工单位自检记录
监理(建设)单位 验 收 记 录
主
控项目
1 材质种类、性能及厚度 4.2.1条
2 防火风管材料及密封垫材料
4.2.3条 3 风管强度及严密性、工艺性检测
4.2.5条 4 风管的连接
4.2.6条
风管的加固 4.2.10条 矩形弯管制作及导流 4.2.12条 净化空调风管
4.2.13条
一般项
目
1 圆形弯管制作
4.3.1-1条 2 风管外观质量和外形尺寸
4.3.1-2,3条
允许 偏差
风 管 外 径 或 边 长 ≤ 3 0 0
2 风 管 外 径 或 边 长 >
3 0 0
3 平 口 平 面 度
2
3 焊接风管
4.3.1-4条 4 法兰风管制作
4.3.2条
5 铝板或不锈钢板风管 4.3.2-4条
6 无法兰矩形风管制作 4.3.3条
7 无法兰圆形风管制作 4.3.3条
8 风管的加固
4.3.4条。