风管与配件制作检验批(Ⅰ)(金属风管)
- 格式:doc
- 大小:52.50 KB
- 文档页数:1
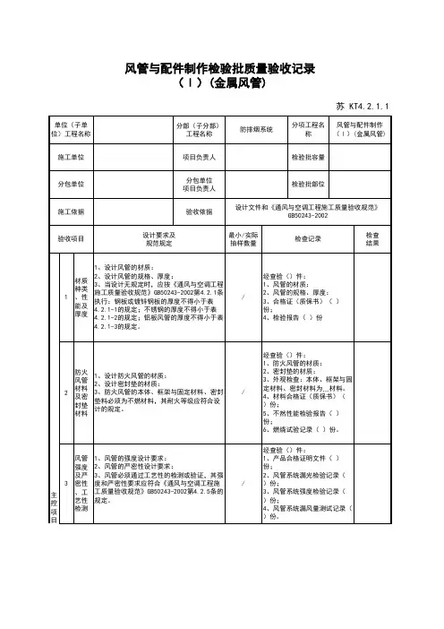
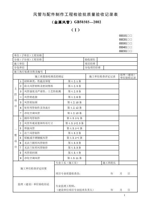
风管与配件制作工程检验批质量验收记录表(金属风管)GB50303—2002(Ⅰ)080101□□080201□□080301□□080401□□说明(Ⅰ)080101080201080301080401080501主控项目1、材料品种、规格、性能与厚度应符合设计要求和有关标准及本规范规定。
板厚度不得小于本规范表4.2.1—1~3的规定。
检查材料质量合格证明文件、性能检测报告及尺量。
2、防火风管及其配件必须为不燃材料、耐火等级符合设计规定。
检查材料质量合格证明文件、性能检测报告及点燃试验和观察。
3、风管强度和严密性应配合设计要求,或符合本规范4.2.5条规定。
检查产品合格证明文件、检测报告或按本规范附录A进行强度和漏风量测试。
4、风管板材连接咬口缝应错开,不得有十字型拼缝。
法兰规格应符合本规范表4.2.6—1~2规定,螺栓孔距中低压≤150mm,高压≤100mm,矩形四角均应设孔观察检查拼缝质量和尺量螺栓孔距。
5、风管加固条件:圆形Φ≥800mm,管段长>1250mm,或表面积>4m2;矩形管边长>630mm,保温风边长>800mm,管段长>1250mm,低压风管单边平面积>1.2m2,中高压>1.0m2;非规则管按矩形管加固尺量观察检查。
6、矩形风管应采用曲率半径为一个平面边长的内外同心弧形弯管。
其他形式弯管平面边长>500mm时,应设弯管导流片。
尺量平面边长,观察检查是否符合规定。
7、净化空调风管所用连接件应与管材性能匹配且不应产生化学性能腐蚀,并不得用抽芯铆钉风管内加固;无法兰连接不得用S形、直角形及立联合角形插条;空气洁净度等级为1~5级的风管,不得采用按扣式咬口;矩形风管边长≤900mm,底面板不应有拼接缝,>900mm时,不应有横向拼接缝;清洁剂应用对人体和材质无害的,镀锌钢板镀锌层无严重损害。
检查材料质量合格证明文件和有关证明,井观察检查是否符合规定。
一般项目1、圆形弯管曲率半径和最少分节数应符合规范表4.3.1—1规定。
风管与配件制作工程检验批质量验收记录11. 项目概述本项目是对风管和配件的制作工程进行检验批质量验收的记录,目的是确保制作工程符合设计要求和规范要求,提高风管和配件的质量和工程安全性;并在验收过程中发现和纠正问题,预防工程质量事故的发生。
2. 检验依据本项目的验收依据为《建筑给排水与供暖通风工程施工质量验收规范》和相关设计文件。
3. 检验范围本次检验批涉及的风管和配件包括: - 风管 - 弯头 - 波纹管 - 排气管 - 连接件 - 支吊架4. 检验项目及标准本次检验批的检验项目及标准如下:检验项目检验标准风管壁厚0.8mm-1.0mm风管四边角度右角度一般控制在2°以内风管咬口光滑无明显毛刺弯头中心线直线误差小于0.5mm波纹管伸长量10-15mm排气管口径与相应设备接口口径一致连接件紧固紧固牢固无松动支吊架间距根据风管直径和支吊架类型确定间距5. 检验人员本次检验批的检验人员为: - A工程师 - B技术员6. 检验过程6.1 风管制作工程1.检验风管截面形状和尺寸是否符合设计要求;2.检验风管的壁厚是否符合规范要求;3.检验风管的四边角度是否符合规范要求;4.检验风管的咬口是否光滑无明显毛刺;5.检验风管的接口是否与配件连接牢固;6.检验风管的包装和标识是否清晰明确。
6.2 配件制作工程1.检验弯头中心线的直线误差是否小于0.5mm;2.检验波纹管的伸长量是否在10-15mm之间;3.检验排气管的口径是否与相应设备接口口径一致;4.检验连接件的紧固是否牢固无松动;5.检验支吊架的间距是否按照设计要求确定。
7. 检验结果本次检验批的检验结果如下:检验项目检验结果风管壁厚合格风管四边角度合格风管咬口合格弯头中心线合格波纹管伸长量合格排气管口径合格连接件紧固合格支吊架间距合格8. 与建议本次检验批的检验结果表明,本工程的风管和配件制作质量符合设计和规范要求,检验合格。
在后续的施工过程中,还需要加强监督和管理,及时发现和解决施工中出现的问题,确保工程的质量和安全性。
风管与配件制作检验批质量验收记录表金属风管Ⅰ风管与配件制作检验批质量验收记录表( 金属风管) GB50243—( Ⅰ)080101□□080201□□080301□□080401□□单位(子单位)工程名称青海省格尔木市胜华酒店室内外装修工程分部(子分部)工程名称通风与空调分部工程验收部位一层风管与配件施工单位深圳市华南装饰设计工程有限公司项目经理苏立常分包单位/ 分包项目经理/施工执行标准名称及编号通风与空调工程施工质量验收规范( GB50243- )施工质量验收规范规定施工单位检查评定记录监理(建设)单位验收记录主控项目1 材质种类、性能及厚度第4.2.1条符合要求2 防火风管材料及密封垫材料第4.2.3条符合要求3 风管强度及严密性、工艺性检测第4.2.5条符合要求4 风管的连接第4.2.6条符合要求5 风管的加固第4.2.10条/6 矩形弯管制作及导流片第4.2.12条符合要求7 净化空调风管第4.2.13条/一般项目1 圆形弯管制作第4.3.1-1条/2 风管外观质量和外形尺寸第4.3.1-2.3条符合要求3 焊接风管第4.3.1-4条符合要求4 法兰风管制作第4.3.2条符合要求5 铝板或不锈钢板风管第4.3.2-4条/6 无法兰圆形风管制作第4.3.3 条/7 无法兰矩形风管制作第4.3.3 条/8 风管的加固第4.3.4 条/9 净化空调风管第4.3.11 条/施工单位检查评定结果专业工长(施工员) 施工班组长主控项目全部合格, 一般项目满足规范规定要求; 检查评定合格项目专业质量检查员: 年月日监理(建设)单位验收结论专业监理工程师:(建设单位项目专业技术负责人) 年月日风管与配件制作检验批质量验收记录表( 金属风管) GB50243—( Ⅰ)080101□□080201□□080301□□080401□□单位(子单位)工程名称青海省格尔木市胜华酒店室内外装修工程分部(子分部)工程名称通风与空调分部工程验收部位二层风管与配件施工单位深圳市华南装饰设计工程有限公司项目经理苏立常分包单位/ 分包项目经理/施工执行标准名称及编号通风与空调工程施工质量验收规范( GB50243- )施工质量验收规范规定施工单位检查评定记录监理(建设)单位验收记录主控项目1 材质种类、性能及厚度第4.2.1条符合要求2 防火风管材料及密封垫材料第4.2.3条符合要求3 风管强度及严密性、工艺性检测第4.2.5条符合要求4 风管的连接第4.2.6条符合要求5 风管的加固第4.2.10条/6 矩形弯管制作及导流片第4.2.12条符合要求7 净化空调风管第4.2.13条/一般项目1 圆形弯管制作第4.3.1-1条/2 风管外观质量和外形尺寸第4.3.1-2.3条符合要求3 焊接风管第4.3.1-4条符合要求4 法兰风管制作第4.3.2条符合要求5 铝板或不锈钢板风管第4.3.2-4条/6 无法兰圆形风管制作第4.3.3 条/7 无法兰矩形风管制作第4.3.3 条/8 风管的加固第4.3.4 条/9 净化空调风管第4.3.11 条/施工单位检查评定结果专业工长(施工员) 施工班组长主控项目全部合格, 一般项目满足规范规定要求; 检查评定合格项目专业质量检查员: 年月日监理(建设)单位验收结论专业监理工程师:(建设单位项目专业技术负责人) 年月日风管与配件制作检验批质量验收记录表( 金属风管) GB50243—( Ⅰ)080101□□080201□□080301□□080401□□单位(子单位)工程名称青海省格尔木市胜华酒店室内外装修工程分部(子分部)工程名称通风与空调分部工程验收部位三层风管与配件施工单位深圳市华南装饰设计工程有限公司项目经理苏立常分包单位/ 分包项目经理/施工执行标准名称及编号通风与空调工程施工质量验收规范( GB50243- )施工质量验收规范规定施工单位检查评定记录监理(建设)单位验收记录主控项目1 材质种类、性能及厚度第4.2.1条符合要求2 防火风管材料及密封垫材料第4.2.3条符合要求3 风管强度及严密性、工艺性检测第4.2.5条符合要求4 风管的连接第4.2.6条符合要求5 风管的加固第4.2.10条/6 矩形弯管制作及导流片第4.2.12条符合要求7 净化空调风管第4.2.13条/一般项目1 圆形弯管制作第4.3.1-1条/2 风管外观质量和外形尺寸第4.3.1-2.3条符合要求3 焊接风管第4.3.1-4条符合要求4 法兰风管制作第4.3.2条符合要求5 铝板或不锈钢板风管第4.3.2-4条/6 无法兰圆形风管制作第4.3.3 条/7 无法兰矩形风管制作第4.3.3 条/8 风管的加固第4.3.4 条/9 净化空调风管第4.3.11 条/施工单位检查评定结果专业工长(施工员) 施工班组长主控项目全部合格, 一般项目满足规范规定要求; 检查评定合格项目专业质量检查员: 年月日监理(建设)单位验收结论专业监理工程师:(建设单位项目专业技术负责人) 年月日风管与配件制作检验批质量验收记录表( 金属风管) GB50243—( Ⅰ)080101□□080201□□080301□□080401□□单位(子单位)工程名称青海省格尔木市胜华酒店室内外装修工程分部(子分部)工程名称通风与空调分部工程验收部位四层风管与配件施工单位深圳市华南装饰设计工程有限公司项目经理苏立常分包单位/ 分包项目经理/施工执行标准名称及编号通风与空调工程施工质量验收规范( GB50243- )施工质量验收规范规定施工单位检查评定记录监理(建设)单位验收记录主控项目1 材质种类、性能及厚度第4.2.1条符合要求2 防火风管材料及密封垫材料第4.2.3条符合要求3 风管强度及严密性、工艺性检测第4.2.5条符合要求4 风管的连接第4.2.6条符合要求5 风管的加固第4.2.10条/6 矩形弯管制作及导流片第4.2.12条符合要求7 净化空调风管第4.2.13条/一般项目1 圆形弯管制作第4.3.1-1条/2 风管外观质量和外形尺寸第4.3.1-2.3条符合要求3 焊接风管第4.3.1-4条符合要求4 法兰风管制作第4.3.2条符合要求5 铝板或不锈钢板风管第4.3.2-4条/6 无法兰圆形风管制作第4.3.3 条/7 无法兰矩形风管制作第4.3.3 条/8 风管的加固第4.3.4 条/9 净化空调风管第4.3.11 条/施工单位检查评定结果专业工长(施工员) 施工班组长主控项目全部合格, 一般项目满足规范规定要求; 检查评定合格项目专业质量检查员: 年月日监理(建设)单位验收结论专业监理工程师:(建设单位项目专业技术负责人) 年月日风管与配件制作检验批质量验收记录表( 金属风管) GB50243—( Ⅰ)080101□□080201□□080301□□080401□□单位(子单位)工程名称青海省格尔木市胜华酒店室内外装修工程分部(子分部)工程名称通风与空调分部工程验收部位五层风管与配件施工单位深圳市华南装饰设计工程有限公司项目经理苏立常分包单位/ 分包项目经理/施工执行标准名称及编号通风与空调工程施工质量验收规范( GB50243- )施工质量验收规范规定施工单位检查评定记录监理(建设)单位验收记录主控项目1 材质种类、性能及厚度第4.2.1条符合要求2 防火风管材料及密封垫材料第4.2.3条符合要求3 风管强度及严密性、工艺性检测第4.2.5条符合要求4 风管的连接第4.2.6条符合要求5 风管的加固第4.2.10条/6 矩形弯管制作及导流片第4.2.12条符合要求7 净化空调风管第4.2.13条/一般项目1 圆形弯管制作第4.3.1-1条/2 风管外观质量和外形尺寸第4.3.1-2.3条符合要求3 焊接风管第4.3.1-4条符合要求4 法兰风管制作第4.3.2条符合要求5 铝板或不锈钢板风管第4.3.2-4条/6 无法兰圆形风管制作第4.3.3 条/7 无法兰矩形风管制作第4.3.3 条/8 风管的加固第4.3.4 条/9 净化空调风管第4.3.11 条/施工单位检查评定结果专业工长(施工员) 施工班组长主控项目全部合格, 一般项目满足规范规定要求; 检查评定合格项目专业质量检查员: 年月日监理(建设)单位验收结论专业监理工程师:(建设单位项目专业技术负责人) 年月日风管与配件制作检验批质量验收记录表( 金属风管) GB50243—( Ⅰ)080101□□080201□□080301□□080401□□单位(子单位)工程名称青海省格尔木市胜华酒店室内外装修工程分部(子分部)工程名称通风与空调分部工程验收部位六层风管与配件施工单位深圳市华南装饰设计工程有限公司项目经理苏立常分包单位/ 分包项目经理/施工执行标准名称及编号通风与空调工程施工质量验收规范( GB50243- )施工质量验收规范规定施工单位检查评定记录监理(建设)单位验收记录主控项目1 材质种类、性能及厚度第4.2.1条符合要求2 防火风管材料及密封垫材料第4.2.3条符合要求3 风管强度及严密性、工艺性检测第4.2.5条符合要求4 风管的连接第4.2.6条符合要求5 风管的加固第4.2.10条/6 矩形弯管制作及导流片第4.2.12条符合要求7 净化空调风管第4.2.13条/一般项目1 圆形弯管制作第4.3.1-1条/2 风管外观质量和外形尺寸第4.3.1-2.3条符合要求3 焊接风管第4.3.1-4条符合要求4 法兰风管制作第4.3.2条符合要求5 铝板或不锈钢板风管第4.3.2-4条/6 无法兰圆形风管制作第4.3.3 条/7 无法兰矩形风管制作第4.3.3 条/8 风管的加固第4.3.4 条/9 净化空调风管第4.3.11 条/施工单位检查评定结果专业工长(施工员) 施工班组长主控项目全部合格, 一般项目满足规范规定要求; 检查评定合格项目专业质量检查员: 年月日监理(建设)单位验收结论专业监理工程师:(建设单位项目专业技术负责人) 年月日风管与配件制作检验批质量验收记录表( 金属风管) GB50243—( Ⅰ)080101□□080201□□080301□□080401□□单位(子单位)工程名称青海省格尔木市胜华酒店室内外装修工程分部(子分部)工程名称通风与空调分部工程验收部位七层风管与配件施工单位深圳市华南装饰设计工程有限公司项目经理苏立常分包单位/ 分包项目经理/施工执行标准名称及编号通风与空调工程施工质量验收规范( GB50243- )施工质量验收规范规定施工单位检查评定记录监理(建设)单位验收记录主控项目1 材质种类、性能及厚度第4.2.1条符合要求2 防火风管材料及密封垫材料第4.2.3条符合要求3 风管强度及严密性、工艺性检测第4.2.5条符合要求4 风管的连接第4.2.6条符合要求5 风管的加固第4.2.10条/6 矩形弯管制作及导流片第4.2.12条符合要求7 净化空调风管第4.2.13条/一般项目1 圆形弯管制作第4.3.1-1条/2 风管外观质量和外形尺寸第4.3.1-2.3条符合要求3 焊接风管第4.3.1-4条符合要求4 法兰风管制作第4.3.2条符合要求5 铝板或不锈钢板风管第4.3.2-4条/6 无法兰圆形风管制作第4.3.3 条/7 无法兰矩形风管制作第4.3.3 条/8 风管的加固第4.3.4 条/9 净化空调风管第4.3.11 条/施工单位检查评定结果专业工长(施工员) 施工班组长主控项目全部合格, 一般项目满足规范规定要求; 检查评定合格项目专业质量检查员: 年月日监理(建设)单位验收结论专业监理工程师:(建设单位项目专业技术负责人) 年月日风管与配件制作检验批质量验收记录表( 金属风管) GB50243—( Ⅰ)080101□□080201□□080301□□080401□□单位(子单位)工程名称青海省格尔木市胜华酒店室内外装修工程分部(子分部)工程名称通风与空调分部工程验收部位八层风管与配件施工单位深圳市华南装饰设计工程有限公司项目经理苏立常分包单位/ 分包项目经理/施工执行标准名称及编号通风与空调工程施工质量验收规范( GB50243- )施工质量验收规范规定施工单位检查评定记录监理(建设)单位验收记录主控项目1 材质种类、性能及厚度第4.2.1条符合要求2 防火风管材料及密封垫材料第4.2.3条符合要求3 风管强度及严密性、工艺性检测第4.2.5条符合要求4 风管的连接第4.2.6条符合要求5 风管的加固第4.2.10条/6 矩形弯管制作及导流片第4.2.12条符合要求7 净化空调风管第4.2.13条/一般项目1 圆形弯管制作第4.3.1-1条/2 风管外观质量和外形尺寸第4.3.1-2.3条符合要求3 焊接风管第4.3.1-4条符合要求4 法兰风管制作第4.3.2条符合要求5 铝板或不锈钢板风管第4.3.2-4条/6 无法兰圆形风管制作第4.3.3 条/7 无法兰矩形风管制作第4.3.3 条/8 风管的加固第4.3.4 条/9 净化空调风管第4.3.11 条/施工单位检查评定结果专业工长(施工员) 施工班组长主控项目全部合格, 一般项目满足规范规定要求; 检查评定合格项目专业质量检查员: 年月日监理(建设)单位验收结论专业监理工程师:(建设单位项目专业技术负责人) 年月日风管与配件制作检验批质量验收记录表( 金属风管) GB50243—( Ⅰ)080101□□080201□□080301□□080401□□单位(子单位)工程名称青海省格尔木市胜华酒店室内外装修工程分部(子分部)工程名称通风与空调分部工程验收部位九层风管与配件施工单位深圳市华南装饰设计工程有限公司项目经理苏立常分包单位/ 分包项目经理/施工执行标准名称及编号通风与空调工程施工质量验收规范( GB50243- )施工质量验收规范规定施工单位检查评定记录监理(建设)单位验收记录主控项目1 材质种类、性能及厚度第4.2.1条符合要求2 防火风管材料及密封垫材料第4.2.3条符合要求3 风管强度及严密性、工艺性检测第4.2.5条符合要求4 风管的连接第4.2.6条符合要求5 风管的加固第4.2.10条/6 矩形弯管制作及导流片第4.2.12条符合要求7 净化空调风管第4.2.13条/一般项1 圆形弯管制作第4.3.1-1条/2 风管外观质量和外形尺寸第4.3.1-2.3条符合要求目 3 焊接风管第4.3.1-4条符合要求4 法兰风管制作第4.3.2条符合要求5 铝板或不锈钢板风管第4.3.2-4条/6 无法兰圆形风管制作第4.3.3 条/7 无法兰矩形风管制作第4.3.3 条/8 风管的加固第4.3.4 条/9 净化空调风管第4.3.11 条/施工单位检查评定结果专业工长(施工员) 施工班组长主控项目全部合格, 一般项目满足规范规定要求; 检查评定合格项目专业质量检查员: 年月日监理(建设)单位验收结论专业监理工程师:(建设单位项目专业技术负责人) 年月日风管与配件制作检验批质量验收记录表( 金属风管) GB50243—( Ⅰ)080101□□080201□□080301□□080401□□单位(子单位)工程名称青海省格尔木市胜华酒店室内外装修工程分部(子分部)工程名称通风与空调分部工程验收部位十层风管与配件施工单位深圳市华南装饰设计工程有限公司项目经理苏立常分包单位/ 分包项目经理/施工执行标准名称及编号通风与空调工程施工质量验收规范( GB50243- )施工质量验收规范规定施工单位检查评定记录监理(建设)单位验收记录主控项目1 材质种类、性能及厚度第4.2.1条符合要求2 防火风管材料及密封垫材料第4.2.3条符合要求3 风管强度及严密性、工艺性检测第4.2.5条符合要求4 风管的连接第4.2.6条符合要求5 风管的加固第4.2.10条/6 矩形弯管制作及导流片第4.2.12条符合要求7 净化空调风管第4.2.13条/一般项目1 圆形弯管制作第4.3.1-1条/2 风管外观质量和外形尺寸第4.3.1-2.3条符合要求3 焊接风管第4.3.1-4条符合要求4 法兰风管制作第4.3.2条符合要求5 铝板或不锈钢板风管第4.3.2-4条/6 无法兰圆形风管制作第4.3.3 条/7 无法兰矩形风管制作第4.3.3 条/8 风管的加固第4.3.4 条/9 净化空调风管第4.3.11 条/施工单位检查评定结果专业工长(施工员) 施工班组长主控项目全部合格, 一般项目满足规范规定要求; 检查评定合格项目专业质量检查员: 年月日监理(建设)单位验收结论专业监理工程师:(建设单位项目专业技术负责人) 年月日风管与配件制作检验批质量验收记录表( 金属风管) GB50243—( Ⅰ)080101□□080201□□080301□□080401□□单位(子单位)工程名称青海省格尔木市胜华酒店室内外装修工程分部(子分部)工程名称通风与空调分部工程验收部位十一层风管与配件施工单位深圳市华南装饰设计工程有限公司项目经理苏立常分包单位/ 分包项目经理/施工执行标准名称及编号通风与空调工程施工质量验收规范( GB50243- )施工质量验收规范规定施工单位检查评定记录监理(建设)单位验收记录主控项目1 材质种类、性能及厚度第4.2.1条符合要求2 防火风管材料及密封垫材料第4.2.3条符合要求3 风管强度及严密性、工艺性检测第4.2.5条符合要求4 风管的连接第4.2.6条符合要求5 风管的加固第4.2.10条/6 矩形弯管制作及导流片第4.2.12条符合要求7 净化空调风管第4.2.13条/一般项目1 圆形弯管制作第4.3.1-1条/2 风管外观质量和外形尺寸第4.3.1-2.3条符合要求3 焊接风管第4.3.1-4条符合要求4 法兰风管制作第4.3.2条符合要求5 铝板或不锈钢板风管第4.3.2-4条/6 无法兰圆形风管制作第4.3.3 条/7 无法兰矩形风管制作第4.3.3 条/8 风管的加固第4.3.4 条/9 净化空调风管第4.3.11 条/施工单位检查评定结果专业工长(施工员) 施工班组长主控项目全部合格, 一般项目满足规范规定要求; 检查评定合格项目专业质量检查员: 年月日监理(建设)单位验收结论专业监理工程师:(建设单位项目专业技术负责人) 年月日风管与配件制作检验批质量验收记录表( 金属风管) GB50243—( Ⅰ)080101□□080201□□080301□□080401□□单位(子单位)工程名称青海省格尔木市胜华酒店室内外装修工程分部(子分部)工程名称通风与空调分部工程验收部位十二层风管与配件施工单位深圳市华南装饰设计工程有限公司项目经理苏立常分包单位/ 分包项目经理/施工执行标准名称及编号通风与空调工程施工质量验收规范( GB50243- )施工质量验收规范规定施工单位检查评定记录监理(建设)单位验收记录主控项目1 材质种类、性能及厚度第4.2.1条符合要求2 防火风管材料及密封垫材料第4.2.3条符合要求3 风管强度及严密性、工艺性检测第4.2.5条符合要求4 风管的连接第4.2.6条符合要求5 风管的加固第4.2.10条/6 矩形弯管制作及导流片第4.2.12条符合要求7 净化空调风管第4.2.13条/一般项目1 圆形弯管制作第4.3.1-1条/2 风管外观质量和外形尺寸第4.3.1-2.3条符合要求3 焊接风管第4.3.1-4条符合要求4 法兰风管制作第4.3.2条符合要求5 铝板或不锈钢板风管第4.3.2-4条/6 无法兰圆形风管制作第4.3.3 条/7 无法兰矩形风管制作第4.3.3 条/8 风管的加固第4.3.4 条/9 净化空调风管第4.3.11 条/施工单位检查评定结果专业工长(施工员) 施工班组长主控项目全部合格, 一般项目满足规范规定要求; 检查评定合格项目专业质量检查员: 年月日监理(建设)单位验收结论专业监理工程师:(建设单位项目专业技术负责人) 年月日风管与配件制作检验批质量验收记录表( 金属风管) GB50243—( Ⅰ)080101□□080201□□080301□□080401□□单位(子单位)工程名称青海省格尔木市胜华酒店室内外装修工程分部(子分部)工程名称通风与空调分部工程验收部位十三层风管与配件施工单位深圳市华南装饰设计工程有限公司项目经理苏立常分包单位/ 分包项目经理/施工执行标准名称及编号通风与空调工程施工质量验收规范( GB50243- )施工质量验收规范规定施工单位检查评定记录监理(建设)单位验收记录主控项目1 材质种类、性能及厚度第4.2.1条符合要求2 防火风管材料及密封垫材料第4.2.3条符合要求3 风管强度及严密性、工艺性检测第4.2.5条符合要求4 风管的连接第4.2.6条符合要求5 风管的加固第4.2.10条/6 矩形弯管制作及导流片第4.2.12条符合要求7 净化空调风管第4.2.13条/一般项目1 圆形弯管制作第4.3.1-1条/2 风管外观质量和外形尺寸第4.3.1-2.3条符合要求3 焊接风管第4.3.1-4条符合要求4 法兰风管制作第4.3.2条符合要求5 铝板或不锈钢板风管第4.3.2-4条/6 无法兰圆形风管制作第4.3.3 条/7 无法兰矩形风管制作第4.3.3 条/8 风管的加固第4.3.4 条/9 净化空调风管第4.3.11 条/施工单位检查评定结果专业工长(施工员) 施工班组长主控项目全部合格, 一般项目满足规范规定要求; 检查评定合格项目专业质量检查员: 年月日监理(建设)单位验收结论专业监理工程师:(建设单位项目专业技术负责人) 年月日风管与配件制作检验批质量验收记录表( 金属风管) GB50243—( Ⅰ)080101□□080201□□080301□□080401□□单位(子单位)工程名称青海省格尔木市胜华酒店室内外装修工程分部(子分部)工程名称通风与空调分部工程验收部位十四层风管与配件施工单位深圳市华南装饰设计工程有限公司项目经理苏立常分包单位/ 分包项目经理/施工执行标准名称及编号通风与空调工程施工质量验收规范( GB50243- )施工质量验收规范规定施工单位检查评定记录监理(建设)单位验收记录主控项目1 材质种类、性能及厚度第4.2.1条符合要求2 防火风管材料及密封垫材料第4.2.3条符合要求3 风管强度及严密性、工艺性检测第4.2.5条符合要求4 风管的连接第4.2.6条符合要求5 风管的加固第4.2.10条/6 矩形弯管制作及导流片第4.2.12条符合要求7 净化空调风管第4.2.13条/一般项目1 圆形弯管制作第4.3.1-1条/2 风管外观质量和外形尺寸第4.3.1-2.3条符合要求3 焊接风管第4.3.1-4条符合要求4 法兰风管制作第4.3.2条符合要求5 铝板或不锈钢板风管第4.3.2-4条/6 无法兰圆形风管制作第4.3.3 条/7 无法兰矩形风管制作第4.3.3 条/8 风管的加固第4.3.4 条/9 净化空调风管第4.3.11 条/施工单位检查评定结果专业工长(施工员) 施工班组长主控项目全部合格, 一般项目满足规范规定要求; 检查评定合格项目专业质量检查员: 年月日监理(建设)单位验收结论专业监理工程师:(建设单位项目专业技术负责人) 年月日风管与配件制作检验批质量验收记录表( 金属风管) GB50243—( Ⅰ)080101□□080201□□080301□□080401□□单位(子单位)工程名称青海省格尔木市胜华酒店室内外装修工程分部(子分部)工程名称通风与空调分部工程验收部位十五层风管与配件施工单位深圳市华南装饰设计工程有限公司项目经理苏立常分包单位/ 分包项目经理/施工执行标准名称及编号通风与空调工程施工质量验收规范( GB50243- )施工质量验收规范规定施工单位检查评定记录监理(建设)单位验收记录主控项目1 材质种类、性能及厚度第4.2.1条符合要求2 防火风管材料及密封垫材料第4.2.3条符合要求3 风管强度及严密性、工艺性检测第4.2.5条符合要求4 风管的连接第4.2.6条符合要求5 风管的加固第4.2.10条/6 矩形弯管制作及导流片第4.2.12条符合要求7 净化空调风管第4.2.13条/一般项目1 圆形弯管制作第4.3.1-1条/2 风管外观质量和外形尺寸第4.3.1-2.3条符合要求3 焊接风管第4.3.1-4条符合要求4 法兰风管制作第4.3.2条符合要求5 铝板或不锈钢板风管第4.3.2-4条/6 无法兰圆形风管制作第4.3.3 条/7 无法兰矩形风管制作第4.3.3 条/8 风管的加固第4.3.4 条/9 净化空调风管第4.3.11 条/施工单位检查评定结果专业工长(施工员) 施工班组长主控项目全部合格, 一般项目满足规范规定要求; 检查评定合格项目专业质量检查员: 年月日监理(建设)单位验收结论专业监理工程师:(建设单位项目专业技术负责人) 年月日风管与配件制作检验批质量验收记录表( 金属风管) GB50243—( Ⅰ)080101□□080201□□080301□□080401□□单位(子单位)工程名称青海省格尔木市胜华酒店室内外装修工程分部(子分部)工程名称通风与空调分部工程验收部位十六层风管与配件施工单位深圳市华南装饰设计工程有限公司项目经理苏立常分包单位/ 分包项目经理/施工执行标准名称及编号通风与空调工程施工质量验收规范( GB50243- )施工质量验收规范规定施工单位检查评定记录监理(建设)单位验收记录主控项目1 材质种类、性能及厚度第4.2.1条符合要求2 防火风管材料及密封垫材料第4.2.3条符合要求3 风管强度及严密性、工艺性检测第4.2.5条符合要求4 风管的连接第4.2.6条符合要求5 风管的加固第4.2.10条/6 矩形弯管制作及导流片第4.2.12条符合要求7 净化空调风管第4.2.13条/一般项1 圆形弯管制作第4.3.1-1条/2 风管外观质量和外形尺寸第4.3.1-2.3条符合要求。
三、通风与空调分部(一)风管与配件制作(表Ⅰ:金属风管,表Ⅱ:非金属复合材料风管)水平管道按楼层划分,每个子分部系统每层划分为一个检验批。
竖井内立管按子分部系统划分,每个系统一个检验批。
(二)风管部件与消声器制作按每个子分部系统划分一个检验批。
(三)风管系统安装(表Ⅰ:送、排风,防、排烟,除尘系统,表Ⅱ:空调系统)楼层内水平管道按各个子分部系统每层划分一个检验批。
竖井内立管、卫生间排气系统按系统每个竖井风管划分一个检验批。
(四)风管系统安装(净化空调系统)按每个系统划分一个检验批。
(五)通风机安装按楼层每个子分部系统每层划分一个检验批。
(六)通风与空调设备安装(表Ⅰ:通风系统)按每个系统划分一个检验批。
(七)通风与空调设备安装(表Ⅱ:空调系统)按楼层每层划分一个检验批。
(八)通风与空调设备安装(表Ⅲ:净化空调系统)按每个系统划分一个检验批。
(九)空调制冷系统安装按每台机组系统划分一个检验批。
(十)空调水系统安装(表Ⅰ:金属管道)1、按每个冷冻机房划分一个检验批。
2、主干管按每个系统划分一个检验批。
3、楼层水平管道按楼层每层划分一个检验批。
(十一)空调水系统安装(表Ⅱ:非金属管道)1、每个冷冻机房划分一个检验批。
2、主干管按每个系统划分一个检验批。
3、楼层水平管道按楼层每层划分一个检验批。
(十二)空调水系统安装(表Ⅲ:设备)按冷冻水、冷却水系统每个系统划分一个检验批。
(十三)防腐与绝热施工(风管系统)按楼层每个子分部系统每层划分一个检验批。
竖井立管系统按每个子分部系统划分一个检验批。
(十四)防腐与绝热施工(管道系统)每个冷冻机房划分为一个检验批。
立管(主干管)按每个系统划分一个检验批。
楼层按每层划分一个检验批。
(十五)工程系统调试按每个子分部系统划分一个检验批。
建筑工程工程报验资料详细资料组成(七)8、通风与空调分部工程8.1送排风系统子分部工程8.1.1风管与配件制造分项工程-1 风管与配件制作检验批(金属风管)1) 表B1-7工程报验单2) 表243-1风管与配件制作检验批质量验收记录(金属风管)-2 风管与配件制作检验批(非金属、复合材料风管)1) 表B1-7工程报验单2) 表243-2风管与配件制作检验批质量验收记录(非金属、复合材料风管) 8.1.2部件制作分项工程-1 风管部件与消声器制作检验批1) 表B1-7工程报验单2) 表243-3风管部件与消声器制作检验批质量验收记录8.1.3风管系统安装分项工程-1 风管系统安装检验批1) 表B1-7工程报验单2) C2-34-4风管漏风检测记录3) 表243-4风管系统安装检验批质量验收记录(送、排风、排烟系统)8.1.4空气处理设备安装分项工程-1 通风与空调设备安装检验批1) 表B1-7工程报验单2) 表243-8通风与空调设备安装检验批质量验收记录(通风系统)8.1.5消声设备制作与安装分项工程-1 风管部件与消声器制作检验批1) 表B1-7工程报验单2) 表243-3风管部件与消声器制作检验批质量验收记录-2 通风与空调设备安装检验批1) 表B1-7工程报验单2) 表243-8通风与空调设备安装检验批质量验收记录(通风系统)8.1.6风管与设备防腐分项工程-1 防腐与绝热施工检验批1) 表B1-7工程报验单2) 表243-15防腐与绝热施工检验批质量验收记录(风管系统)8.1.7风机安装分项工程-1 通风机安装检验批1) 表B1-7工程报验单2) 表243-7通风机安装检验批质量验收记录8.1.8系统调试分项工程-1 系统调试1) C2-33-1设备单机试车记录2) C2-33-2制冷机组试运行调试记录3) C2-34-1通风、空调系统运行调试记录4) C2-34-2风量、温度测试记录5) C2-34-3除尘器、空调机漏风检测记录6) C2-34-4风管漏风检测记录7) C2-34-5房间室内风量测量记录8) C2-34-6网风量平衡记录9) C2-34-7空气净化系统检测记录10) C3-19通风、空调系统试运行试验记录11) 表243-17工程系统调试检验批质量验收记8.2防排烟系统子分部工程8.2.1风管与配件制作分项工程-1 风管与配件制作检验批(金属风管)1) 表B1-7工程报验单2) 表243-1风管与配件制作检验批质量验收记录(金属风管)-2 风管与配件制作检验批(非金属、复合材料风管)1) 表B1-7工程报验单2) 表243-2风管与配件制作检验批质量验收记录(非金属、复合材料风管) 8.2.2部件制作分项工程-1 风管部件与消声器制作检验批1) 表B1-7工程报验单2) 表243-3风管部件与消声器制作检验批质量验收记录8.2.3风管系统安装分项工程-1 风管系统安装检验批1) 表B1-7工程报验单2) C2-243-4风管漏风检测记录3) 表243-4风管系统安装检验批质量验收记录(送、排风、排烟系统)8.2.4防排烟风口、常闭正压风口与设备安装分项工程-1 通风与空调设备安装检验批1) 表B1-7工程报验单2) 表243-8通风与空调设备安装检验批质量验收记录(通风系统)8.2.5风管与设备防腐分项工程-1 防腐与绝热施工检验批1) 表B1-7工程报验单2) 表243-15防腐与绝热施工检验批质量验收记录(风管系统)8.2.6风机安装分项工程-1 通风机安装检验批1) 表B1-7工程报验单2) 表243-7通风机安装检验批质量验收记录8.2.7系统调试分项工程-1 系统调试1) C2-33-1设备单机试车记录2) C2-33-2制冷机组试运行调试记录3) C2-34-1通风、空调系统运行调试记录4) C2-34-2风量、温度测试记录5) C2-34-3除尘器、空调机漏风检测记录6) C2-34-4风管漏风检测记录7) C2-34-5房间室内风量测量记录8) C2-34-6网风量平衡记录9) C2-34-7空气净化系统检测记录10) C3-19通风、空调系统试运行试验记录11) 表243-17工程系统调试检验批质量验收记录8.3除尘系统子分部工程8.3.1风管与配件制作分项工程-1 风管与配件制作检验批(金属风管)1) 表B1-7工程报验单2) 表243-1风管与配件制作检验批质量验收记录(金属风管)-2 风管与配件制作检验批(非金属、复合材料风管)1) 表B1-7工程报验单2) 表243-2风管与配件制作检验批质量验收记录(非金属、复合材料风管) 8.3.2部件制作分项工程-1 风管部件与消声器制作检验批1) 表B1-7工程报验单2) 表243-3风管部件与消声器制作检验批质量验收记录8.3.3风管系统安装分项工程-1 表B1-7工程报验单-2 C2-34-4风管漏风检测记录-3 表243-4风管系统安装检验批质量验收记录(送、排风、排烟系统)8.3.4除尘器与排污设备安装分项工程-1 通风与空调设备安装检验批1) 表B1-7工程报验单2) 表243-8通风与空调设备安装检验批质量验收记录(通风系统)8.3.5风管与设备防腐分项工程-1 防腐与绝热施工检验批1) 表B1-7工程报验单2) 表243-15防腐与绝热施工检验批质量验收记录(风管系统)8.3.6风机安装分项工程-1 通风机安装检验批1) 表B1-7工程报验单2) 表243-7通风机安装检验批质量验收记录8.3.7系统调试分项工程-1 系统调试1) C2-33-1设备单机试车记录2) C2-33-2制冷机组试运行调试记录3) C2-34-1通风、空调系统运行调试记录4) C2-34-2风量、温度测试记录5) C2-34-3除尘器、空调机漏风检测记录6) C2-34-4风管漏风检测记录7) C2-34-5房间室内风量测量记录8) C2-34-6网风量平衡记录9) C2-34-7空气净化系统检测记录10) C3-19通风、空调系统试运行试验记录11) 表243-17工程系统调试检验批质量验收记录8.4空调风系统子分部工程8.4.1风管与配件制作分项工程-1 风管与配件制作检验批(金属风管)1) 表B1-7工程报验单2) 表243-1风管与配件制作检验批质量验收记录(金属风管)-2 风管与配件制作检验批(非金属、复合材料风管)1) 表B1-7工程报验单2) 表243-2风管与配件制作检验批质量验收记录(非金属、复合材料风管)8.4.2部件制作分项工程-1 风管与配件制作检验批1) 表B1-7工程报验单2) 表243-3风管部件与消声器制作检验批质量验收记录8.4.3风管系统安装分项工程-1 风管安装工程检验批1) 表B1-7工程报验单2) C2-34-4风管漏风检测记录3) 表243-5风管系统安装检验批质量验收记录(空调系统)8.4.4空气处理设备安装分项工程-1 通风与空调设备安装检验批1) 表B1-7工程报验单2) 表243-9通风与空调设备安装检验批质量验收记录(空调系统)8.4.5消声设备制作与安装分项工程-1 风管部件与消声器制作检验批1) 表B1-7工程报验单2) 表243-3风管部件与消声器制作检验批质量验收记录-2 通风与空调设备安装检验批1) 表B1-7工程报验单2) 表243-9通风与空调设备安装检验批质量验收记录(空调系统)8.4.6风管与设备防腐分项工程-1 防腐与绝热施工检验批1) 表B1-7功臣报验单2) 表243-15防腐与绝热施工检验批质量验收记录(风管系统)8.4.7风机安装分项工程-1 通风机安装检验批1) 表B1-7工程报验单2) 表243-7通风机安装检验批质量验收记录8.4.8风管与设备绝热分项工程-1 防腐与绝热施工检验批1) 表B1-7工程报验单8.4.9系统调试分项工程-1 系统调试1) C2-33-1设备单机试车记录2) C2-33-2制冷机组试运行调试记录3) C2-34-1通风、空调系统运行调试记录4) C2-34-2风量、温度测试记录5) C2-34-3除尘器、空调机漏风检测记录6) C2-34-4风管漏风检测记录7) C2-34-5房间室内风量测量记录8) C2-34-6网风量平衡记录9) C2-34-7空气净化系统检测记录10) C3-19通风、空调系统试运行试验记录11) 表243-17工程系统调试检验批质量验收记录8.5净化空调系统子分部工程8.5.1风管与配件制作分项工程-1 风管管配件制作检验批(金属风管)1) 表B1-7工程报验单2) 表243-1风管与配件制作检验批质量验收记录(金属风管)-2 风管与配件制作检验批(非金属、复合材料风管)1) 表B1-7工程报验单2) 表243-2风管与配件制作检验批质量验收记录(非金属、复合材料风管) 8.5.2部件制作分项工程-1 风管部件与消声器制作检验批1) 表B1-7工程报验单2) 表243-3风管部件与消声器制作检验批质量验收记录8.5.3风管系统安装分项工程-1 风管系统安装检验批1) C2-34-4风管漏风检测记录2) 表243-6风管系统安装检验批质量验收记录(净化空调系统)8.5.4空气处理设备安装分项工程-1 通风与空调设备安装检验批1) 表B1-7工程报验单2) 表243-10通风与空调设备安装检验批质量验收记录(净化空调系统) 8.5.5消声设备制作与安装分项工程-1 风管部件与消声器制作检验批1) 表B1-7工程报验单2) 表243-3风管部件与消声器制作检验批质量验收记录-2 通风与空调设备安装检验批1) 表B1-7工程报验单2) 表243-10通风与空调设备安装检验批质量验收记录(净化空调系统) 8.5.6风管与设备防腐分项工程-1 防腐与绝热施工检验批1) 表B1-7工程报验单8.5.7风机安装分项工程-1 通风机安装检验批1) 表B1-7工程报验单2) 表243-7通风机安装检验批质量验收记录8.5.8风管与设备绝热分项工程-1 防腐与绝热施工检验批1) 表B1-7工程报验单2) 表243-15防腐与绝热施工检验批质量验收记(风管系统)8.5.9高效过滤安装分项工程-1 通风与空调设备安装检验批1) 表B1-7工程报验单2) 表243-10通风与空调设备安装检验批质量验收记录(净化空调系统) 8.5.10系统调试分项工程-1 C2-33-1设备单机试车记录-2 C2-33-2制冷机组试运行调试记录-3 C2-34-1通风、空调系统运行调试记录-4 C2-34-2风量、温度测试记录-5 C2-34-3除尘器、空调机漏风检测记录-6 C2-34-4风管漏风检测记录-7 C2-34-5房间室内风量测量记录-8 C2-34-6网风量平衡记录-9 C2-34-7空气净化系统检测记录-10 C3-19通风、空调系统试运行试验记录-11 表243-17工程系统调试检验批质量验收记录8.6制冷设备系统子分部工程8.6.1制冷机组安装分项工程-1 通风与空调设备安装检验批1) 表B1-7工程报验单2) C2-31-1制冷系统气密性试验记录3) 表243-11空调制冷系统安装检验批质量验收记录8.6.2制冷剂管道及配件安装分项工程-1 通风与空调设备安装检验批1) 表B1-7工程报验单2) C2-31-1制冷系统气密性试验记录3) 表243-11空调制冷系统安装检验批验收记录8.6.3制冷附属设备安装分项工程-1 通风与空调设备安装检验批1) 表B1-7工程报验单2) C2-31-1制冷系统气密性试验记录3) 表243-11空调制冷系统安装检验批质量验收记录8.6.4管道及设备的防腐与绝热分项工程-1 防腐与绝热施工检验批1) 表B1-7工程报验单8.6.5系统调试分项工程-1 系统调试1) C2-33-1设备单机试车记录2) C2-33-2制冷机组试运行调试记录3) C2-34-1通风、空调系统试运行调试记录4) C2-34-2风量、温度测试记录5) C2-34-3除尘器、空调机漏风检测记录6) C2-34-4风管漏风检测记录7) C2-34-5房间室内风量测量记录8) C2-34-6网风量平衡记录9) C2-34-7空气净化系统检测记录10) C3-19通风、空调系统试运行试验记录11) 表243-17工程系统调试检验记录8.7空调系统子分部工程8.7.1管道冷热(煤)水系统安装分项工程-1 空调水系统安装(金属管道)检验批1) 表B1-7工程报验单2) C2-5隐蔽工程验收记录3) C2-17-1管道系统吹洗(脱脂)检验批4) C2-31-2冷冻水管道压力试验记录5) 表243-12空调水系统安装检验批质量验收记录(金属管道) -2 空调水系统安装(非金属管道)检验批1) 表B1-7工程报验单2) C2-5隐蔽工程验收记录3) C2-17-1管道系统吹洗(脱脂)检验记录4) C2-31-2冷水管道压力试验记录5) 表243-13空调水系统安装检验批质量验收记录(非金属管道) 8.7.2冷却水系统安装分项工程-1 空调水系统安装(金属管道)检验批1) 表B1-7工程报验单2) C2-5隐蔽工程验收记录3) C2-17-1管道系统吹洗(脱脂)检验记录4) C2-31-2冷冻水管道压力是验记录5) 表243-12空调水系统安装检验批质量验收记录(金属管道) -2 空调水系统安装(非金属管道)检验批1) 表B1-7工程报验单2) C2-5隐蔽工程验收记录3) C2-17-1管道系统吹洗(脱脂)检验记录4) C2-31-2冷水管道压力是验记录5) 表243-13空调水系统安装检验批质量验收记录(非金属管道) 8.7.3冷凝水系统安装分项工程-1 空调水系统安装(金属管道)检验批1) 表B1-7工程报验单2) C2-5隐蔽工程验收记录3) C2-17-1管道系统吹洗(脱脂)检验记录4) C2-31-2冷冻水管道压力试验记录5) 表243-12空调水系统安装检验批质量验收记录(金属管道) -2 空调水系统安装(非金属管道)检验批1) 表B1-7工程报验单2) C2-5隐蔽工程验收记录3) C2-17-1管道系统吹洗(脱脂)检验记录4) C2-31-2冷水管道压力试验记录5) 表243-13空调水系统安装检验批质量验收记录(非金属管道) 8.7.4阀门及部件安装分项工程-1 空调水系统安装(金属管道)检验批1) 表B1-7工程报验单2) C2-5隐蔽工程验收记录3) C2-17-1管道系统吹洗(脱脂)检验记录4) C2-31-2冷冻水管道压力试验记录5) 表243-12空调水系统安装检验批质量验收记录(金属管道) -2 空调水系统安装(非金属管道)检验批1) 表B1-7工程报验单2) C2-5隐蔽工程验收记录3) C2-17-1管道系统吹洗(脱脂)检验记录4) C2-31-2冷冻水管压力试验记录5) 表243-13空调水系统安装检验批质量验收记录(非金属管道) 8.7.5冷却塔安装分项工程-1 空调水系统安装(设备)检验批1) 表B1-7工程报验单2) 表243-14空调水系统安装检验批质量验收记录8.7.6水泵及附属设备安装分项工程-1 空调水系统安装(设备)检验批1) 表B1-7工程报验单2) 表243-14空调水系统安装检验批质量验收记录(设备)8.7.7管道与设备的防腐与绝热分项工程-1 防腐与绝热施工检验批1) 表B1-7工程报验单2) 表243-16防腐与绝热施工检验批质量验收记录(管道系统) 8.7.8系统调试分项工程-1 系统调试1) C2-33-1设备单机试车记录2) C2-33-2制冷机组是运行调试记录3) C2-34-1通风、空调系统运行调试记录4) C2-34-2风量、温度测试记录5) C2-34-3除尘器、空调机漏风检验记录6) C2-34-4风管漏风检测记录7) C2-34-5房间室内风量测试记录8) C2-34-6网风量平衡记录9) C2-34-7空气净化系统检测记录10) C3-19通风、空调系统试运行试验记录11) 表243-17工程系统试验检验批质量验收记录。
风管与配件制作检验批质量验收记录表(金属风管)GB 50243-2002风管与配件制作检验批质量验收记录表(非金属、复合材料风管)GB 50243-2002监理(建设)单位验收结论监理工程师(建设单位项目专业技术负责人)年月日风管部件与消声器制作检验批质量验收记录表GB 50243-2002(Ⅰ)主控项目080105080405080505工程名称分项工程名称验收部位施工单位专业工长项目经理施工执行标准名称及编号分包单位分包项目经理施工班组长施工质量验收规范的规定施工单位检查评定记录监理(建设)单位验收记录主控项目1调节风阀第5.2.1条2电动风阀第5.2.2条3防火阀、排烟阀(口)第5.2.3条4防爆风阀第5.2.4条5净化空调系统风阀第5.2.5条6高压风阀第5.2.6条7防排烟柔性短管材料要求第5.2.7条8消防弯管、消声器第5.2.8条施工单位检查评定结果项目专业质量检查员:年月日监理(建设)单位验收结论风管部件与消声器制作检验批质量验收记录表GB 50243-2002风管系统安装检验批质量验收记录表(送、排风,防排烟,除尘系统)GB 50243-2002风管系统安装检验批质量验收记录表(空调系统)GB50243-2002风管系统安装检验批质量验收记录表(净化空调系统)GB 50243-20028净化空调风口安装第6.3.12条9真空吸尘系统安装第6.3.7条10风口安装允许偏差位置和标高不应大于10m水平度不应大于3/1000垂直度不应大于2/1000施工单位检查评定结果项目专业质量检查员:年月日监理(建设)单位验收结论监理工程师(建设单位项目专业技术负责人)年月日通风机安装检验批质量验收记录表GB 50243-2002080107080207080306080407080507工程名称分项工程名称验收部位施工单位专业工长项目经理施工执行标准名称及编号分包单位分包项目经理施工班组长施工质量验收规范的规定施工单位检查评定记录监理(建设)单位验收记录主控项目1通风机安装第7.2.1条2通风机安全措施第7.2.2条一般项目1叶轮与机壳安装第7.3.1-1条2轴流风机叶片安装第7.3.1-2条3隔振器安装第7.3.1-3条4隔振器支吊架第7.3.1-4条5通风机安装允许偏差/mm(1)中心线的平面位移10(2)标高±10(3)皮带轮轮宽中心平面偏移1通风与空调设备安装检验批质量验收记录表(通风系统)GB 50243-2002(Ⅰ)5消声器安装第7.3.13条6空气过滤器安装第7.3.14条7蒸汽加湿器安装第7.3.18条8空气风幕机安装第7.3.19条施工单位检查评定结果项目专业质量检查员:年月日监理(建设)单位验收结论监理工程师(建设单位项目专业技术负责人)年月日通风与空调设备安装检验批质量验收记录表(空调系统)GB 50243-2002(Ⅱ)080404工程名称分项工程名称验收部位施工单位专业工长项目经理施工执行标准名称及编号分包单位分包项目经理施工班组长施工质量验收规范的规定施工单位检查评定记录监理(建设)单位验收记录主控项目1空调机组的安装第7.2.1条2静电空气过滤器安装第7.2.2条3电加热器安装第7.2.3条4干蒸汽加湿器安装第7.2.7条一般项目1组合式空调机组安装第7.2.8条2现场组装的空气处理室安装第7.2.9条3单元式空调机组安装第7.3.2条4消声器安装第7.3.3条5风机盘管机组安装第7.3.4条6粗、中效空气过滤器安装第73.313条通风与空调设备安装检验批质量验收记录表(净化空调系统)GB 50243-20027高效过滤器安装第7.3.12条8消声器的安装第7.3.13条9蒸汽加湿器安装第7.3.18条施工单位检查评定结果项目专业质量检查员:年月日监理(建设)单位验收结论监理工程师(建设单位项目专业技术负责人)年月日空调制冷系统安装检验批质量验收记录表GB 50243-2002080601工程名称分项工程名称验收部位施工单位专业工长项目经理施工执行标准名称及编号分包单位分包项目经理施工班组长施工质量验收规范的规定施工单位检查评定记录监理(建设)单位验收记录主控项目1制冷设备与附属设备安装第8.2.1-1,3条2设备混凝土基础验收第8.2.1-2条3表冷器的安装第8.2.2条4燃油、燃气系统设备安装第8.2.3条5制冷设备严密性试验及试运行第8.2.4条6制冷管道及管配件安装第8.2.5条7燃油管道系统接地第8.2.6条8燃气系统安装第8.2.7条9氨管道焊缝无损检测第8.2.8条10乙二醇管道系统规定第8.2.9条11制冷剂管道试验第8.2.10条一般项目1制冷及附属设备安装平面位移/mm10标高/mm±102模块式冷水机组安装第8.3.2条3泵安装第8.3.3条4制冷剂管道安装第8.3.4-1,2,3,4条5管道焊接第8.3.4-5,6条6阀门安装第8.3.5-2-5条7阀门试压第8.3.5-1条8制冷系统吹扫第8.3.6条施工单位检查评定结果项目专业质量检查员:年月日监理(建设)单位验收结论监理工程师(建设单位项目专业技术负责人)年月日空调水系统安装检验批质量验收记录表(金属管道)GB 50243-2002(Ⅰ)080701工程名称分项工程名称验收部位施工单位专业工长项目经理施工执行标准名称及编号分包单位分包项目经理施工班组长施工质量验收规范的规定施工单位检查评定记录监理(建设)单位验收记录主控项目1系统的管材与配件验收第9.2.1条2管道柔性接管安装第9.2.2-3条3管道套管第9.2.2-5条4管道补偿器安装及固定支架第9.2.5条5系统与设备贯通冲洗、排污第9.2.2-4条6阀门安装第9.2.4-1,2条7阀门试压第9.2.4-3条8系统试压第9.2.3条9隐蔽管道验收第9.2.2-1条10焊接、镀锌钢管焊号第9.2.2-2条1管道焊接连接第9.3.2条一般项目2管道螺纹连接第9.3.3条3管道法兰连接第9.3.4条4钢制管道安装允许偏差(mm)(1)坐标架空及地沟室外25室内15埋地60(2)标高架空及地沟室外±20室内±15埋地±25(3)水平管平直度DN≤100mm2L%,最大40DN>100mm3L%,最大40(4)立管垂直度5L%,最大25(5)成排管段间距15(6)成排管段或成排阀门在同一平面上35钢塑复合管道安装第9.3.6条6管道沟槽式连接第9.3.6条7管道支、吊架第9.3.8条8阀门及其他部件安装第9.3.10条9系统放气阀与排水阀第9.3.10-4条施工单位检查评定结果项目专业质量检查员:年月日监理(建设)单位验收结论监理工程师(建设单位项目专业技术负责人)年月日空调水系统安装检验批质量验收记录表(非金属管道)GB 50243-2002(Ⅱ)080701工程名称分项工程名称验收部位施工单位专业工长项目经理施工执行标准名称及编号分包单位分包项目经理施工班组长施工质量验收规范的规定施工单位检查评定记录监理(建设)单位验收记录主控项目1系统管材与配件验收第9.2.1条2管道柔性接管安装第9.2.2-3条3管道套管第9.2.2-5条4管道补偿器安装及固定支架第9.2.5条5系统冲洗、排污第9.2.2-4条6阀门安装第9.2.4-1,2条7阀门试压第9.2.4-3条8系统试压第9.2.3条9隐蔽管道验收第9.2.2-1条一般项目1PVC—U管道安装第9.3.1条2PP—R管道安装第9.3.1条3PEX管道安装第9.3.1条4管道与金属支吊架间隔绝第9.3.9条5管道支、吊架第9.3.8条6阀门安装第9.3.10条7系统放气阀与排水阀第9.3.10-4条施工单位检查评定结果项目专业质量检查员:年月日监理(建设)单位验收结论监理工程师(建设单位项目专业技术负责人)年月日空调水系统安装检验批质量验收记录表(设备)GB 50243-2002(Ⅲ)080701工程名称分项工程名称验收部位施工单位专业工长项目经理施工执行标准名称及编号分包单位分包项目经理施工班组长施工质量验收规范的规定施工单位检查评定记录监理(建设)单位验收记录主控项目1系统设备与附属设备第9.2.1条2冷却塔安装第9.2.6条3水泵安装第9.2.7条4其他附属设备安装第9.2.8条一般1风机盘管机组等与管道连接第9.3.7条工程系统调试验收记录表。
风管与配件制作检验批质量验收记录表(I)金属风管鲁Tk-041 单位(子单位)工程名称分部(子分部)工程名称验收部位施工单位项目经理分包单位分包项目经理施工执行标准名称及编号施工质量验收规范的规定施工单位检查评定记录监理(建设)单位验收记录1材质种类、性能及厚度第4.2.1条2防火风管材料及密封垫材料第4.2.3条主控 3 风管强度及严密性、工艺性检测第4.2.5条项4风管的连接第4.2.6条目5风管的加固第4.2.10条6矩形弯管制作及导流片第4.2.12条7净化空调风管第4.2.13条1圆形弯管制作第4.3.1-1条2风管外观质量和外形尺寸第4.3.1-2.3条3焊接风管第4.3.1-4条4法兰风管制作第4.3.2条5铝板或不锈钢板风管第4.3.2-4条6无法兰圆形风管制作第4.3.3条一7无法兰矩形风管制作第4.3.3条般项8风管的加固第4.3.4条9净化空调风管第4.3.11条目外径或边长≤300mm2mm风管外径或外边长>300mm3mm及法10管口平面度2mm兰允许偏矩形风管对角线长度之差≤3mm差圆形法兰正交直径之差≤2mm(mm)法兰平面度2mm专业工长(施工员)施工班组长施工单位检查评定结果项目专业质量检查员:年月日监理(建设)单位验收结论专业监理工程师:(建设单位项目专业技术负责人):年月日总站监制山东省建设工程质量监督风管与配件制作检验批质量验收记录表(Ⅱ)非金属、复合材料风管鲁Tk-042单位(子单位)工程名称分部(子分部)工程名称验收部位施工单位项目经理分包单位分包项目经理施工执行标准名称及编号监理(建设)施工质量验收规范的规定施工单位检查评定记录单位验收记录1材质种类、性能及厚度第4.2.2条2符合材料风管的材料第4.2.4条主控3风管强度及严密性、工艺性检测第4.2.5条4风管的连接第4.2.7条5复合材料的法兰连接第4.2.8条项6砖、混凝土风道的变形缝第4.2.9条目7风管的加固第4.2.1条0第4.2.11条8矩形弯管制作及导流片第4.2.12条9净化空调风管第4.2.13条1风管制作第4.3.1条2硬聚氯乙烯风管第4.3.5条3有机玻璃钢风管第4.3.6条4无机玻璃钢风管第4.3.7条5砖、混凝土风管第4.3.8条6双面铝箔绝热风管第4.3.9条一7铝箔玻璃纤维板风管第4.3.10条般项8净化空调风管第4.3.11条目外径或边长允许偏差:风管矩形风管对角线长度之差允许偏差:及法9 兰允许偏圆形风管正交直径之差允许偏差:管口平面度允许偏差:差法兰平面度允许偏差:(mm)外表平面度允许偏差:专业工长(施工员)施工班组长施工单位检查评定结果项目专业质量检查员年月日监理(建设)单位验收结论专业监理工程师:(建设单位项目专业技术负责人)年月日山东省建设工程质量监督总站监制风管部件与消声器检验批质量验收记录表鲁Tk-043 单位(子单位)工程名称分部(子分部)工程名称验收部位施工单位项目经理分包单位分包项目经理施工执行标准名称及编号施工质量验收规范的规定施工单位检查评定记录监理(建设)单位验收记录1一般风阀第5.2.1条2电动风阀第5.2.2条3防火阀、排烟阀(排烟口)第5.2.3条主控4防爆风阀第5.2.4条项5净化空调系统风阀第5.2.5条目6特殊风阀第5.2.6条7防排烟柔形短管第5.2.7条8消防软管、消声器第5.2.8条1调解风阀第5.2.1条2止回风阀第5.2.2条3插板风阀第5.2.3条4三通调解阀第5.2.4条5风量平衡阀第5.2.5条6风罩第5.2.6条7风帽第5.2.7条8矩形弯管道流叶片第5.2.8条9柔形短管第5.2.9条一般项目10消声器第5.2.10条11检查门第5.2.11条12风口验收第5.2.12条圆形≤250mm0-2mm圆形>250mm0-3mm13风管及法兰允许偏差矩形<300mm0-1mm矩形300-800mm0-2mm举行>800mm0-3mm矩形(<300mm)对角线长度之差≤1mm矩形(300mm-500mm)对角线长度之差≤2mm矩形(>500mm)对角向长度之差≤3mm专业工长(施工员)施工班组长施工单位检查评定结果项目专业质量检查员年月日监理(建设)单位验收结论专业监理工程师:(建设单位项目专业技术负责人)年月日山东省建设工程质量监督总站监制风管系统安装检验批质量验收记录表(Ⅰ)送、排风,防排烟,除尘系统鲁Tk-044 单位(子单位)工程名称分部(子分部)工程名称验收部位施工单位项目经理分包单位分包项目经理施工执行标准名称及编号施工质量验收规范的规定施工单位检查评定记录监理(建设)单位验收记录1风管穿越防火、防暴墙第6.2.1条2风管内严禁其他管线穿越第6.2.2-1条3易燃、易爆环境风管第6.2.2-2条主4室外立管的固定拉索第6.2.2-3条控项5高于80度的风管系统第6.2.3条目6风管部件安装第6.2.4条7手动密闭阀安装第6.2.9条8风管严密性检验第6.2.8条1风管系统安装第6.3.1条2无法兰风管系统安装第6.3.2条3风管连接的水平、垂直质量第6.3.3条4风管支、吊架安装第6.3.4条5铝板、不锈钢板风管安装第6.3.1-8条6非金属风管安装第6.3.5条7风阀安装第6.3.8条一8风帽安装第6.3.9条般9吸、排风罩安装第6.3.10条项10风口安装第6.3.11条目11 风管安装允许偏差(mm)水平度垂直度每米3总偏差20每米2总偏差20位置或标高≤10风口安装12水平度≤3/1000允许偏差(mm)垂直度≤2/1000专业工长(施工员)施工班组长施工单位检查评定结果项目专业质量检查员年月日监理(建设)单位验收结论专业监理工程师:(建设单位项目专业技术负责人)年月日山东省建设工程质量监督总站监制风管系统安装检验批质量验收记录表(Ⅱ)空调系统鲁Tk-045单位(子单位)工程名称分部(子分部)工程名称验收部位施工单位项目经理分包单位分包项目经理施工执行标准名称及编号监理(建设)施工质量验收规范的规定施工单位检查评定记录单位验收记录1风管穿越防火、防暴墙(楼板)第6.2.1条2风管内严禁其他管线穿越第6.2.2-1条主3易燃、易爆环境风管第6.2.2-2条控4室外立管的固定拉索第6.2.2-3条项5高于80度的风管系统第6.2.3条目6风管部件安装第6.2.4条7手动密闭阀安装第6.2.9条8风管严密性检验第6.2.8条1风管系统安装第6.3.1条2无法兰风管系统安装第6.3.2条3风管连接的水平、垂直质量第6.3.3条4风管支、吊架安装第6.3.4条5铝板、不锈钢板风管安装第6.3.1-8条6非金属风管安装第6.3.5条7复合材料风管安装第6.3.6条一般项8风阀安装第6.3.8条9风口安装第6.3.11条10变风量末端装置安装第7.3.20条目11 风管安装允许偏差(mm)每米3水平度总偏差20每米2垂直度总偏差20位置或标高≤10风口安装12水平度≤3/1000允许偏差(mm)垂直度≤2/1000专业工长(施工员)施工班组长施工单位检查评定结果项目专业质量检查员年月日监理(建设)单位验收结论专业监理工程师:(建设单位项目专业技术负责人)年月日总站监制山东省建设工程质量监督风管系统安装检验批质量验收记录表(Ⅲ)净化空调系统鲁Tk-046单位(子单位)工程名称分部(子分部)工程名称验收部位施工单位项目经理分包单位分包项目经理施工执行标准名称及编号监理(建设)施工质量验收规范的规定施工单位检查评定记录单位验收记录1风管穿越防火、防暴墙第6.2.1条2风管安装第6.2.2条主3高于80度的风管系统第6.2.3条控4风管部件安装第6.2.4条项5手动密闭阀安装第6.2.9条目6净化风管安装第6.2.6条7真空吸尘系统安装第6.2.7条8风管严密性检验第6.2.8条1风管系统安装第6.3.1条2无法兰风管系统安装第6.3.2条3风管连接的水平、垂直质量第6.3.3条4风管支、吊架第6.3.4条5非金属风管安装第6.3.5条6复合材料风管安装第6.3.6条7风阀安装第6.3.8条一8净化空调风口的安装第6.3.12条般项9真空吸尘系统安装第6.3.7条目10 风管安装允许偏差(mm)水平度垂直度每米3总偏差20每米2总偏差20位置或标高不应大于10 风口安装11水平度不应大于3/1000允许偏差(mm)垂直度不应大于2/1000专业工长(施工员)施工班组长施工单位检查评定结果项目专业质量检查员年月日监理(建设)单位验收结论专业监理工程师:(建设单位项目专业技术负责人)年月日山东省建设工程质量监督总站监制通风机安装检验批质量验收记录表鲁Tk-047单位(子单位)工程名称分部(子分部)工程名称验收部位施工单位项目经理分包单位分包项目经理施工执行标准名称及编号监理(建设)质量验收规范的规定施工单位检查评定记录单位验收记录主1通风机安装第7.2.1条控项2通风机安装措施第7.2.2条目1叶轮与机壳安装第7.3.1-1条2轴流风机叶片安装第7.3.1-2条3隔振器地面第7.3.1-3条4隔振器支吊架第7.3.1-4条5通风机安装允许偏差(mm)一般⑴中心线的平面位移10项⑵标高±10目⑶皮带轮轮宽中心偏差1纵向0.2/1000传动轴⑷水平度横向0.3/1000两轴芯径向位移0.05⑸联轴器两轴线倾斜0.2/1000专业工长(施工员)施工班组长施工单位检查评定结果项目专业质量检查员年月日监理(建设)单位验收结论专业监理工程师(建设单位项目专业技术负责人)年月日山东省建设工程质量监督总站监制通风与空调设备安装检验批质量验收记录表(Ⅰ)通风设备鲁Tk-048单位(子单位)工程名称分部(子分部)工程名称验收部位施工单位项目经理分包单位分包项目经理施工执行标准名称及编号监理(建设)施工质量验收规范的规定施工单位检查评定记录单位验收记录1除尘器安装第7.2.4条主2布袋与静电除尘器接地第7.2.4-3条控项3静电空气过滤器安装第7.2.7条4电加热器安装第7.2.8条目5过滤器吸收器安装第7.2.10条1除尘器部件及阀安装第7.3.5-2-3条2现场组装静电除尘器安装第7.3.6条3现场组装布袋除尘器安装第7.3.7条4消声器安装第7.3.13条5空气过滤器安装第7.3.14条一6蒸汽加湿器安装第7.3.18条般项7空气风幕机安装第7.3.19条目8除尘设备安装允许偏差(mm)⑴平面位移≤10⑵标高±10每米≤2⑶垂直度总偏差≤10专业工长(施工员)施工班组长施工单位检查评定结果项目专业质量检查员年月日监理(建设)单位验收结论专业监理工程师:(建设单位项目专业技术负责人)年月日山东省建设工程质量监督总站监制通风与空调设备安装检验质量验收记录表(Ⅱ)空调设备鲁Tk-049 单位(子单位)工程名称分部(子分部)工程名称验收部位施工单位项目经理分包单位分包项目经理施工执行标准名称及编号施工质量验收规范的规定施工单位检查评定记录监理(建设)单位验收记录1空调机组的安装第7.2.3条主2静电空气过滤器安装第7.2.7条控项3电加热器安装第7.2.8条目4干蒸汽加湿器安装第7.2.9条1组合式空调机组安装第7.3.2条2现场组装的空气处理室安装第7.3.3条3单元式空调机组安装第7.3.4条4消声器安装第7.3.13条一5风机盘管机组安装第7.3.15条般项6粗、中效空气过滤器安装第7.3.14-2条目7空气风幕机安装第7.3.19条8转轮式换热器安装第7.3.16条9转轮式去湿器安装第7.3.17条10蒸汽加湿器安装第7.3.18条专业工长(施工员)施工班组长施工单位检查评定结果项目专业质量检查员年月日监理(建设)单位验收结论专业监理工程师(建设单位项目专业技术负责人)年月日山东省建设工程质量监督总站监制通风与空调设备安装检验质量验收记录表(Ⅲ)空调设备鲁Tk-050单位(子单位)工程名称分部(子分部)工程名称验收部位施工单位项目经理分包单位分包项目经理施工执行标准名称及编号监理(建设)施工质量验收规范的规定施工单位检查评定记录单位验收记录1空调机组的安装第7.2.3条主2净化空调设备安装第7.2.6条控项目3高效过滤器安装第7.2.5条4静电加热过滤器的安装第7.2.7条57.3.8电加热器的安装第条6干蒸汽加湿器安装第7.3.9条1组合式净化空调机组安装第7.3.2条2净化室设备安装第7.3.8条3装配式洁净室安装第7.3.9条一4洁净层流罩第7.3.10条般57.3.11风机过滤单元安装第条项6粗、中效空气过滤器安装第7.3.14条目7高效过滤器安装第7.3.12条8消声器的安装第7.3.13条9蒸汽加湿器安装第7.3.18条专业工长(施工员)施工班组长施工单位检查评定结果项目专业质量检查员年月日监理(建设)单位验收结论专业监理工程师(建设单位项目专业技术负责人)年月日山东省建设工程质量监督总站监制空调制冷系统安装检验批质量验收记录表鲁Tk-051单位(子单位)工程名称分部(子分部)工程名称验收部位施工单位项目经理分包单位分包项目经理施工执行标准名称及编号监理(建设)施工质量验收规范的规定施工单位检查评定记录单位验收记录1制冷设备与附属设备安装第8.2.1-1.3条2设备混凝土基础验收第8.2.1-2条3表冷器的安装第8.2.2条主4燃油、燃气系统设备安装第8.2.3条控5制冷设备严密性实验及运行第8.2.4条项6制冷管道及管配件安装第7.2.5条目7燃油管道系统接地第8.2.6条8燃气系统安装第8.2.7条9氨管道旱缝无损检测第8.2.8条10乙二醇管道系统规定第8.2.9条11制冷剂管道试验第8.2.10条1 制冷及附属设备安装平面位移(mm)10标高(mm)±102模块式冷水机组安装第8.3.2条一般项目3泵的安装第8.3.3条4制冷剂管道安装第8.3.4-1.2.3.4条5管道焊接第8.3.4-5.6条68.3.5-2-5阀门安装第条7阀门试压第8.3.5-1条8制冷系统吹扫第8.3.6条专业工长(施工员)施工班组长施工单位检查评定结果项目专业质量检查员年月日监理(建设)单位验收结论专业监理工程师:(建设单位项目专业技术负责人):年月日山东省建设工程质量监督总站监制空调水系统安装检验批质量验收记录表(Ⅰ)金属管道鲁Tk-052单位(子单位)工程名称分部(子分部)工程名称验收部位施工单位项目经理分包单位分包项目经理施工执行标准名称及编号监理(建设)施工质量验收规范的规定施工单位检查评定记录单位验收记录1系统的管材与配件验收第9.2.1条2管道柔性接管安装第9.2.2-3条3管道套管第9.2.2-5条4管道补偿器安装及固定支架第9.2.5条主控5系统与设备贯通冲洗、排污第9.2.2-4条项6阀门安装第9.2.4-1.2条目7阀门试压第9.2.4-3条8系统试压第9.2.3条9隐蔽管道验收第9.2.2-1条10焊接、镀锌钢管第9.2.2-2条1管道焊接连接第9.3.2条2管道螺纹连接第9.3.3条3管道法兰连接第9.3.4条室外25架空及4(1)坐标地沟室内15钢埋地60制架空及室外±20管道地沟(2)标高室内±15一安埋地±25般装(3)水平DN≤100mm2L%。
风管与配件制作检验批质量验收记录表(金属风管)GB50243-2002(Ⅰ)单位(子单位)工程名称金黔嘉华大酒店中央空调安装工程分部(子分部)工程名称送排风系统验收部位负一层施工单位重庆精信格力中央空调工程有限公司项目经理陈科分包单位无分包项目经理无施工执行标准名称及编号通风与空调施工验收规范(GB50243-2002)施工质量验收规范的规定施工单位检查评定记录监理(建设)单位验收记录主控项目1 材质种类、性能及厚度第4.2.1条2 防火风管材料及密封垫材料第4.2.3条3 风管强度及严密性、工艺性检测第4.2.5条4 风管的连接第4.2.6条5 风管的加固第4.2.10条6 矩形弯管制作及导流片第4.2.12条7 净化空调风管第4.2.13条一般项目1 圆形弯管制作第4.3.1-1条2 风管外观质量和外形尺寸第4.3.1-2.3条3 焊接风管第4.3.1-4条4 法兰风管制作第4.3.2条5 铝板或不锈钢板风管第4.3.2-4条6 无法兰圆形风管制作第4.3.3条7 无法兰矩形风管制作第4.3.3条8 风管的加固第4.3.4条9 净化空调风管第4.3.11条施工单位检查评定结果专业工长(施工员)施工班组长项目专业质量检查员:年月日监理(建设)单位验收结论专业监理工程师:(建设单位项目专业技术负责人):年月日风管与配件制作检验批质量验收记录表(金属风管)GB50243-2002(Ⅰ)单位(子单位)工程名称金黔嘉华大酒店中央空调安装工程分部(子分部)工程名称送排风系统验收部位一层施工单位重庆精信格力中央空调工程有限公司项目经理陈科分包单位无分包项目经理无施工执行标准名称及编号通风与空调施工验收规范(GB50243-2002)施工质量验收规范的规定施工单位检查评定记录监理(建设)单位验收记录主控项目1 材质种类、性能及厚度第4.2.1条2 防火风管材料及密封垫材料第4.2.3条3 风管强度及严密性、工艺性检测第4.2.5条4 风管的连接第4.2.6条5 风管的加固第4.2.10条6 矩形弯管制作及导流片第4.2.12条7 净化空调风管第4.2.13条一般项目1 圆形弯管制作第4.3.1-1条2 风管外观质量和外形尺寸第4.3.1-2.3条3 焊接风管第4.3.1-4条4 法兰风管制作第4.3.2条5 铝板或不锈钢板风管第4.3.2-4条6 无法兰圆形风管制作第4.3.3条7 无法兰矩形风管制作第4.3.3条8 风管的加固第4.3.4条9 净化空调风管第4.3.11条施工单位检查评定结果专业工长(施工员)施工班组长项目专业质量检查员:年月日监理(建设)单位验收结论专业监理工程师:(Ⅰ)单位(子单位)工程名称金黔嘉华大酒店中央空调安装工程分部(子分部)工程名称送排风系统验收部位二层施工单位重庆精信格力中央空调工程有限公司项目经理陈科分包单位无分包项目经理无施工执行标准名称及编号通风与空调施工验收规范(GB50243-2002)施工质量验收规范的规定施工单位检查评定记录监理(建设)单位验收记录主控项目1 材质种类、性能及厚度第4.2.1条2 防火风管材料及密封垫材料第4.2.3条3 风管强度及严密性、工艺性检测第4.2.5条4 风管的连接第4.2.6条5 风管的加固第4.2.10条6 矩形弯管制作及导流片第4.2.12条7 净化空调风管第4.2.13条一般项目1 圆形弯管制作第4.3.1-1条2 风管外观质量和外形尺寸第4.3.1-2.3条3 焊接风管第4.3.1-4条4 法兰风管制作第4.3.2条5 铝板或不锈钢板风管第4.3.2-4条6 无法兰圆形风管制作第4.3.3条7 无法兰矩形风管制作第4.3.3条8 风管的加固第4.3.4条9 净化空调风管第4.3.11条施工单位检查评定结果专业工长(施工员)施工班组长项目专业质量检查员:年月日监理(建设)单位验收结论专业监理工程师:(建设单位项目专业技术负责人):年月日(Ⅰ)单位(子单位)工程名称金黔嘉华大酒店中央空调安装工程分部(子分部)工程名称送排风系统验收部位三层施工单位重庆精信格力中央空调工程有限公司项目经理陈科分包单位无分包项目经理无施工执行标准名称及编号通风与空调施工验收规范(GB50243-2002)施工质量验收规范的规定施工单位检查评定记录监理(建设)单位验收记录主控项目1 材质种类、性能及厚度第4.2.1条2 防火风管材料及密封垫材料第4.2.3条3 风管强度及严密性、工艺性检测第4.2.5条4 风管的连接第4.2.6条5 风管的加固第4.2.10条6 矩形弯管制作及导流片第4.2.12条7 净化空调风管第4.2.13条一般项目1 圆形弯管制作第4.3.1-1条2 风管外观质量和外形尺寸第4.3.1-2.3条3 焊接风管第4.3.1-4条4 法兰风管制作第4.3.2条5 铝板或不锈钢板风管第4.3.2-4条6 无法兰圆形风管制作第4.3.3条7 无法兰矩形风管制作第4.3.3条8 风管的加固第4.3.4条9 净化空调风管第4.3.11条施工单位检查评定结果专业工长(施工员)施工班组长项目专业质量检查员:年月日监理(建设)单位验收结论专业监理工程师:(建设单位项目专业技术负责人):年月日(Ⅰ)单位(子单位)工程名称金黔嘉华大酒店中央空调安装工程分部(子分部)工程名称送排风系统验收部位四层施工单位重庆精信格力中央空调工程有限公司项目经理陈科分包单位无分包项目经理无施工执行标准名称及编号通风与空调施工验收规范(GB50243-2002)施工质量验收规范的规定施工单位检查评定记录监理(建设)单位验收记录主控项目1 材质种类、性能及厚度第4.2.1条2 防火风管材料及密封垫材料第4.2.3条3 风管强度及严密性、工艺性检测第4.2.5条4 风管的连接第4.2.6条5 风管的加固第4.2.10条6 矩形弯管制作及导流片第4.2.12条7 净化空调风管第4.2.13条一般项目1 圆形弯管制作第4.3.1-1条2 风管外观质量和外形尺寸第4.3.1-2.3条3 焊接风管第4.3.1-4条4 法兰风管制作第4.3.2条5 铝板或不锈钢板风管第4.3.2-4条6 无法兰圆形风管制作第4.3.3条7 无法兰矩形风管制作第4.3.3条8 风管的加固第4.3.4条9 净化空调风管第4.3.11条施工单位检查评定结果专业工长(施工员)施工班组长项目专业质量检查员:年月日监理(建设)单位验收结论专业监理工程师:(建设单位项目专业技术负责人):年月日(Ⅰ)单位(子单位)工程名称金黔嘉华大酒店中央空调安装工程分部(子分部)工程名称送排风系统验收部位五层施工单位重庆精信格力中央空调工程有限公司项目经理陈科分包单位无分包项目经理无施工执行标准名称及编号通风与空调施工验收规范(GB50243-2002)施工质量验收规范的规定施工单位检查评定记录监理(建设)单位验收记录主控项目1 材质种类、性能及厚度第4.2.1条2 防火风管材料及密封垫材料第4.2.3条3 风管强度及严密性、工艺性检测第4.2.5条4 风管的连接第4.2.6条5 风管的加固第4.2.10条6 矩形弯管制作及导流片第4.2.12条7 净化空调风管第4.2.13条一般项目1 圆形弯管制作第4.3.1-1条2 风管外观质量和外形尺寸第4.3.1-2.3条3 焊接风管第4.3.1-4条4 法兰风管制作第4.3.2条5 铝板或不锈钢板风管第4.3.2-4条6 无法兰圆形风管制作第4.3.3条7 无法兰矩形风管制作第4.3.3条8 风管的加固第4.3.4条9 净化空调风管第4.3.11条施工单位检查评定结果专业工长(施工员)施工班组长项目专业质量检查员:年月日监理(建设)单位验收结论专业监理工程师:(建设单位项目专业技术负责人):年月日风管与配件制作检验批质量验收记录表(金属风管)GB50243-2002(Ⅰ)单位(子单位)工程名称金黔嘉华大酒店中央空调安装工程分部(子分部)工程名称送排风系统验收部位六层施工单位重庆精信格力中央空调工程有限公司项目经理陈科分包单位无分包项目经理无施工执行标准名称及编号通风与空调施工验收规范(GB50243-2002)施工质量验收规范的规定施工单位检查评定记录监理(建设)单位验收记录主控项目1 材质种类、性能及厚度第4.2.1条2 防火风管材料及密封垫材料第4.2.3条3 风管强度及严密性、工艺性检测第4.2.5条4 风管的连接第4.2.6条5 风管的加固第4.2.10条6 矩形弯管制作及导流片第4.2.12条7 净化空调风管第4.2.13条一般项目1 圆形弯管制作第4.3.1-1条2 风管外观质量和外形尺寸第4.3.1-2.3条3 焊接风管第4.3.1-4条4 法兰风管制作第4.3.2条5 铝板或不锈钢板风管第4.3.2-4条6 无法兰圆形风管制作第4.3.3条7 无法兰矩形风管制作第4.3.3条8 风管的加固第4.3.4条9 净化空调风管第4.3.11条施工单位检查评定结果专业工长(施工员)施工班组长项目专业质量检查员:年月日监理(建设)单位验收结论专业监理工程师:(建设单位项目专业技术负责人):年月日(Ⅰ)单位(子单位)工程名称金黔嘉华大酒店中央空调安装工程分部(子分部)工程名称送排风系统验收部位七层施工单位重庆精信格力中央空调工程有限公司项目经理陈科分包单位无分包项目经理无施工执行标准名称及编号通风与空调施工验收规范(GB50243-2002)施工质量验收规范的规定施工单位检查评定记录监理(建设)单位验收记录主控项目1 材质种类、性能及厚度第4.2.1条2 防火风管材料及密封垫材料第4.2.3条3 风管强度及严密性、工艺性检测第4.2.5条4 风管的连接第4.2.6条5 风管的加固第4.2.10条6 矩形弯管制作及导流片第4.2.12条7 净化空调风管第4.2.13条一般项目1 圆形弯管制作第4.3.1-1条2 风管外观质量和外形尺寸第4.3.1-2.3条3 焊接风管第4.3.1-4条4 法兰风管制作第4.3.2条5 铝板或不锈钢板风管第4.3.2-4条6 无法兰圆形风管制作第4.3.3条7 无法兰矩形风管制作第4.3.3条8 风管的加固第4.3.4条9 净化空调风管第4.3.11条施工单位检查评定结果专业工长(施工员)施工班组长项目专业质量检查员:年月日监理(建设)单位验收结论专业监理工程师:(建设单位项目专业技术负责人):年月日(Ⅰ)单位(子单位)工程名称金黔嘉华大酒店中央空调安装工程分部(子分部)工程名称送排风系统验收部位八层施工单位重庆精信格力中央空调工程有限公司项目经理陈科分包单位无分包项目经理无施工执行标准名称及编号通风与空调施工验收规范(GB50243-2002)施工质量验收规范的规定施工单位检查评定记录监理(建设)单位验收记录主控项目1 材质种类、性能及厚度第4.2.1条2 防火风管材料及密封垫材料第4.2.3条3 风管强度及严密性、工艺性检测第4.2.5条4 风管的连接第4.2.6条5 风管的加固第4.2.10条6 矩形弯管制作及导流片第4.2.12条7 净化空调风管第4.2.13条一般项目1 圆形弯管制作第4.3.1-1条2 风管外观质量和外形尺寸第4.3.1-2.3条3 焊接风管第4.3.1-4条4 法兰风管制作第4.3.2条5 铝板或不锈钢板风管第4.3.2-4条6 无法兰圆形风管制作第4.3.3条7 无法兰矩形风管制作第4.3.3条8 风管的加固第4.3.4条9 净化空调风管第4.3.11条施工单位检查评定结果专业工长(施工员)施工班组长项目专业质量检查员:年月日监理(建设)单位验收结论专业监理工程师:(建设单位项目专业技术负责人):年月日(Ⅰ)单位(子单位)工程名称金黔嘉华大酒店中央空调安装工程分部(子分部)工程名称送排风系统验收部位九层施工单位重庆精信格力中央空调工程有限公司项目经理陈科分包单位无分包项目经理无施工执行标准名称及编号通风与空调施工验收规范(GB50243-2002)施工质量验收规范的规定施工单位检查评定记录监理(建设)单位验收记录主控项目1 材质种类、性能及厚度第4.2.1条2 防火风管材料及密封垫材料第4.2.3条3 风管强度及严密性、工艺性检测第4.2.5条4 风管的连接第4.2.6条5 风管的加固第4.2.10条6 矩形弯管制作及导流片第4.2.12条7 净化空调风管第4.2.13条一般项目1 圆形弯管制作第4.3.1-1条2 风管外观质量和外形尺寸第4.3.1-2.3条3 焊接风管第4.3.1-4条4 法兰风管制作第4.3.2条5 铝板或不锈钢板风管第4.3.2-4条6 无法兰圆形风管制作第4.3.3条7 无法兰矩形风管制作第4.3.3条8 风管的加固第4.3.4条9 净化空调风管第4.3.11条施工单位检查评定结果专业工长(施工员)施工班组长项目专业质量检查员:年月日监理(建设)单位验收结论专业监理工程师:(建设单位项目专业技术负责人):年月日(Ⅰ)单位(子单位)工程名称金黔嘉华大酒店中央空调安装工程分部(子分部)工程名称送排风系统验收部位十层施工单位重庆精信格力中央空调工程有限公司项目经理陈科分包单位无分包项目经理无施工执行标准名称及编号通风与空调施工验收规范(GB50243-2002)施工质量验收规范的规定施工单位检查评定记录监理(建设)单位验收记录主控项目1 材质种类、性能及厚度第4.2.1条2 防火风管材料及密封垫材料第4.2.3条3 风管强度及严密性、工艺性检测第4.2.5条4 风管的连接第4.2.6条5 风管的加固第4.2.10条6 矩形弯管制作及导流片第4.2.12条7 净化空调风管第4.2.13条一般项目1 圆形弯管制作第4.3.1-1条2 风管外观质量和外形尺寸第4.3.1-2.3条3 焊接风管第4.3.1-4条4 法兰风管制作第4.3.2条5 铝板或不锈钢板风管第4.3.2-4条6 无法兰圆形风管制作第4.3.3条7 无法兰矩形风管制作第4.3.3条8 风管的加固第4.3.4条9 净化空调风管第4.3.11条施工单位检查评定结果专业工长(施工员)施工班组长项目专业质量检查员:年月日监理(建设)单位验收结论专业监理工程师:(建设单位项目专业技术负责人):年月日(Ⅰ)单位(子单位)工程名称金黔嘉华大酒店中央空调安装工程分部(子分部)工程名称送排风系统验收部位十一层施工单位重庆精信格力中央空调工程有限公司项目经理陈科分包单位无分包项目经理无施工执行标准名称及编号通风与空调施工验收规范(GB50243-2002)施工质量验收规范的规定施工单位检查评定记录监理(建设)单位验收记录主控项目1 材质种类、性能及厚度第4.2.1条2 防火风管材料及密封垫材料第4.2.3条3 风管强度及严密性、工艺性检测第4.2.5条4 风管的连接第4.2.6条5 风管的加固第4.2.10条6 矩形弯管制作及导流片第4.2.12条7 净化空调风管第4.2.13条一般项目1 圆形弯管制作第4.3.1-1条2 风管外观质量和外形尺寸第4.3.1-2.3条3 焊接风管第4.3.1-4条4 法兰风管制作第4.3.2条5 铝板或不锈钢板风管第4.3.2-4条6 无法兰圆形风管制作第4.3.3条7 无法兰矩形风管制作第4.3.3条8 风管的加固第4.3.4条9 净化空调风管第4.3.11条施工单位检查评定结果专业工长(施工员)施工班组长项目专业质量检查员:年月日监理(建设)单位验收结论专业监理工程师:(建设单位项目专业技术负责人):年月日(Ⅰ)单位(子单位)工程名称金黔嘉华大酒店中央空调安装工程分部(子分部)工程名称送排风系统验收部位十二层施工单位重庆精信格力中央空调工程有限公司项目经理陈科分包单位无分包项目经理无施工执行标准名称及编号通风与空调施工验收规范(GB50243-2002)施工质量验收规范的规定施工单位检查评定记录监理(建设)单位验收记录主控项目1 材质种类、性能及厚度第4.2.1条2 防火风管材料及密封垫材料第4.2.3条3 风管强度及严密性、工艺性检测第4.2.5条4 风管的连接第4.2.6条5 风管的加固第4.2.10条6 矩形弯管制作及导流片第4.2.12条7 净化空调风管第4.2.13条一般项目1 圆形弯管制作第4.3.1-1条2 风管外观质量和外形尺寸第4.3.1-2.3条3 焊接风管第4.3.1-4条4 法兰风管制作第4.3.2条5 铝板或不锈钢板风管第4.3.2-4条6 无法兰圆形风管制作第4.3.3条7 无法兰矩形风管制作第4.3.3条8 风管的加固第4.3.4条9 净化空调风管第4.3.11条施工单位检查评定结果专业工长(施工员)施工班组长项目专业质量检查员:年月日监理(建设)单位验收结论专业监理工程师:(建设单位项目专业技术负责人):年月日风管与配件制作检验批质量验收记录表(金属风管)GB50243-2002(Ⅰ)单位(子单位)工程名称金黔嘉华大酒店中央空调安装工程分部(子分部)工程名称送排风系统验收部位十三层施工单位重庆精信格力中央空调工程有限公司项目经理陈科分包单位无分包项目经理无施工执行标准名称及编号通风与空调施工验收规范(GB50243-2002)施工质量验收规范的规定施工单位检查评定记录监理(建设)单位验收记录主控项目1 材质种类、性能及厚度第4.2.1条2 防火风管材料及密封垫材料第4.2.3条3 风管强度及严密性、工艺性检测第4.2.5条4 风管的连接第4.2.6条5 风管的加固第4.2.10条6 矩形弯管制作及导流片第4.2.12条7 净化空调风管第4.2.13条一般项目1 圆形弯管制作第4.3.1-1条2 风管外观质量和外形尺寸第4.3.1-2.3条3 焊接风管第4.3.1-4条4 法兰风管制作第4.3.2条5 铝板或不锈钢板风管第4.3.2-4条6 无法兰圆形风管制作第4.3.3条7 无法兰矩形风管制作第4.3.3条8 风管的加固第4.3.4条9 净化空调风管第4.3.11条施工单位检查评定结果专业工长(施工员)施工班组长项目专业质量检查员:年月日监理(建设)单位验收结论专业监理工程师:(建设单位项目专业技术负责人):年月日(Ⅰ)单位(子单位)工程名称金黔嘉华大酒店中央空调安装工程分部(子分部)工程名称送排风系统验收部位十四层施工单位重庆精信格力中央空调工程有限公司项目经理陈科分包单位无分包项目经理无施工执行标准名称及编号通风与空调施工验收规范(GB50243-2002)施工质量验收规范的规定施工单位检查评定记录监理(建设)单位验收记录主控项目1 材质种类、性能及厚度第4.2.1条2 防火风管材料及密封垫材料第4.2.3条3 风管强度及严密性、工艺性检测第4.2.5条4 风管的连接第4.2.6条5 风管的加固第4.2.10条6 矩形弯管制作及导流片第4.2.12条7 净化空调风管第4.2.13条一般项目1 圆形弯管制作第4.3.1-1条2 风管外观质量和外形尺寸第4.3.1-2.3条3 焊接风管第4.3.1-4条4 法兰风管制作第4.3.2条5 铝板或不锈钢板风管第4.3.2-4条6 无法兰圆形风管制作第4.3.3条7 无法兰矩形风管制作第4.3.3条8 风管的加固第4.3.4条9 净化空调风管第4.3.11条施工单位检查评定结果专业工长(施工员)施工班组长项目专业质量检查员:年月日监理(建设)单位验收结论专业监理工程师:(建设单位项目专业技术负责人):年月日(Ⅰ)单位(子单位)工程名称金黔嘉华大酒店中央空调安装工程分部(子分部)工程名称送排风系统验收部位十五层施工单位重庆精信格力中央空调工程有限公司项目经理陈科分包单位无分包项目经理无施工执行标准名称及编号通风与空调施工验收规范(GB50243-2002)施工质量验收规范的规定施工单位检查评定记录监理(建设)单位验收记录主控项目1 材质种类、性能及厚度第4.2.1条2 防火风管材料及密封垫材料第4.2.3条3 风管强度及严密性、工艺性检测第4.2.5条4 风管的连接第4.2.6条5 风管的加固第4.2.10条6 矩形弯管制作及导流片第4.2.12条7 净化空调风管第4.2.13条一般项目1 圆形弯管制作第4.3.1-1条2 风管外观质量和外形尺寸第4.3.1-2.3条3 焊接风管第4.3.1-4条4 法兰风管制作第4.3.2条5 铝板或不锈钢板风管第4.3.2-4条6 无法兰圆形风管制作第4.3.3条7 无法兰矩形风管制作第4.3.3条8 风管的加固第4.3.4条9 净化空调风管第4.3.11条施工单位检查评定结果专业工长(施工员)施工班组长项目专业质量检查员:年月日监理(建设)单位验收结论专业监理工程师:(Ⅰ)单位(子单位)工程名称金黔嘉华大酒店中央空调安装工程分部(子分部)工程名称送排风系统验收部位十六层施工单位重庆精信格力中央空调工程有限公司项目经理陈科分包单位无分包项目经理无施工执行标准名称及编号通风与空调施工验收规范(GB50243-2002)施工质量验收规范的规定施工单位检查评定记录监理(建设)单位验收记录主控项目1 材质种类、性能及厚度第4.2.1条2 防火风管材料及密封垫材料第4.2.3条3 风管强度及严密性、工艺性检测第4.2.5条4 风管的连接第4.2.6条5 风管的加固第4.2.10条6 矩形弯管制作及导流片第4.2.12条7 净化空调风管第4.2.13条一般项目1 圆形弯管制作第4.3.1-1条2 风管外观质量和外形尺寸第4.3.1-2.3条3 焊接风管第4.3.1-4条4 法兰风管制作第4.3.2条5 铝板或不锈钢板风管第4.3.2-4条6 无法兰圆形风管制作第4.3.3条7 无法兰矩形风管制作第4.3.3条8 风管的加固第4.3.4条9 净化空调风管第4.3.11条施工单位检查评定结果专业工长(施工员)施工班组长项目专业质量检查员:年月日监理(建设)单位验收结论专业监理工程师:(建设单位项目专业技术负责人):年月日。
风管与配件制作检验批质量验收记录
(Ⅰ)(金属风管)
06060101
单位(子单位)工程名称分部(子分部)
工程名称
通风与空调/恒温恒
湿空调系统
分项工程名
称
风管与配件制作
施工单位项目负责人检验批容量
分包单位分包单位项目
负责人
检验批部位
风管与配件制作检验
批(Ⅰ)(金属风管)
施工依据验收依据《通风与空调工程施工质量验收规范》 GB 50243-2002
主控项目
验收项目
设计要求及
规范规定
最小/实际
抽样数量
检查记录检查结果
1 材质种类、性能及厚度 4.2.1条/
2 防火风管材料及密封垫材料 4.2.3条/
3 风管强度及严密性、工艺性检测 4.2.5条/
4 风管的连接 4.2.6条/
5 风管的加固 4.2.10条/
6 矩形弯管制作及导流片 4.2.12条/
7 净化空调风管 4.2.13条/
一般项目1 圆形弯管制作 4.3.1-1条/
2 风管外观质量和外形尺寸 4.3.1-2.3条/
3 焊接风管 4.3.1-4条/
4 法兰风管制作 4.3.2条/
5 铝板或不锈钢板风管 4.3.2-4条/
6 无法兰圆形风管制作 4.3.3条/
7 无法兰矩形风管制作 4.3.3条/
8 风管的加固 4.3.4条/
9 净化空调风管 4.3.11条/
施工单位
检查结果
专业工长(施工员):
项目专业质量检查员:
年月日
监理(建设)单位
验收结论
专业监理工程师
(建设单位项目专业负责人):
年月日
注:本表内容的填写需依据《现场验收检验批检查原始记录》。
本检验批质量验收的规范依据见本页背面。