风管与配件制作(非金属、复合材料风管)检验批质量验收记录
- 格式:docx
- 大小:17.35 KB
- 文档页数:1
风管与配件制作检验批质量验收记录一、项目背景为确保风管与配件制作的质量可靠,满足相关标准和要求,特进行质量验收,以确保产品的质量和性能达到预期要求。
二、验收内容1.风管制作的验收内容包括但不限于以下方面:a.材料的合格证、技术文件等;b.风管的尺寸和几何形状;c.风管的焊接质量;d.风管的表面处理;e.风管的密封性能;f.风管的安装连接等。
2.配件制作的验收内容包括但不限于以下方面:a.材料的合格证、技术文件等;b.配件的尺寸和几何形状;c.配件的加工质量;d.配件的表面处理;e.配件的安装连接等。
三、验收方法根据相关技术标准和规范要求,进行抽样检验和质量评定。
1.抽样检验:a.对于风管和配件的尺寸和几何形状,采取随机抽样的方法进行测量,依据设计要求进行比对评估。
b.对于风管的焊接质量和配件的加工质量,从不同批次中随机抽取样品,进行外观检查和物理性能测试等。
c.对于风管的密封性能和配件的安装连接,验收责任单位应组织专业技术人员进行现场测试和观察。
2.质量评定:根据抽样检验的结果,结合相关技术标准和规范要求,进行质量评定。
通常采用合格、不合格和允许修复等评定结果。
四、验收结果根据本次质量验收的抽样检验和质量评定,得出如下验收结果:1.风管制作的检验结果:a.材料的合格证、技术文件等齐备;b.风管尺寸和几何形状符合设计要求;c.风管的焊接质量符合要求;d.风管表面处理符合要求;e.风管的密封性能符合要求;f.风管的安装连接符合要求。
总体来说,风管制作的质量符合相关标准和要求,验收结果为合格。
2.配件制作的检验结果:a.材料的合格证、技术文件等齐备;b.配件的尺寸和几何形状符合设计要求;c.配件的加工质量符合要求;d.配件的表面处理符合要求;e.配件的安装连接符合要求。
总体来说,配件制作的质量符合相关标准和要求,验收结果为合格。
五、质量问题和处理在风管与配件制作的过程中,没有发现质量问题,所以无需进行质量问题的处理。
风管与配件制作分项检验批质量验收记录通常包括以下内容:
1. 检验批名称:风管与配件制作
2. 检验批编号:唯一标识该检验批的编号
3. 工程部位:风管与配件在工程中的具体位置或用途
4. 施工单位:负责该检验批施工的单位或班组
5. 检验依据:用于验收的标准、规范、图集等文件名称及编号
6. 验收项目:根据相关标准和规范,列出所有需要验收的项目,如材料、尺寸、平整度、连接方式等
7. 验收标准:针对每个验收项目,明确具体的验收标准或允许偏差范围
8. 验收结果:对于每个验收项目,记录实际的验收结果,如合格、不合格等
9. 验收人员:参与该检验批验收的有关人员签名
10. 验收日期:完成该检验批验收的日期
根据实际情况,还可以增加其他需要的内容,如备注、整改意见等。
需要注意的是,不同的工程和项目可能对风管与配件制作有不同的要求和标准,因此在实际使用中,应结合具体工程要求和规范进行相应的调整和完善。
风管与配件制作工程检验批质量验收记录11. 项目概述本项目是对风管和配件的制作工程进行检验批质量验收的记录,目的是确保制作工程符合设计要求和规范要求,提高风管和配件的质量和工程安全性;并在验收过程中发现和纠正问题,预防工程质量事故的发生。
2. 检验依据本项目的验收依据为《建筑给排水与供暖通风工程施工质量验收规范》和相关设计文件。
3. 检验范围本次检验批涉及的风管和配件包括: - 风管 - 弯头 - 波纹管 - 排气管 - 连接件 - 支吊架4. 检验项目及标准本次检验批的检验项目及标准如下:检验项目检验标准风管壁厚0.8mm-1.0mm风管四边角度右角度一般控制在2°以内风管咬口光滑无明显毛刺弯头中心线直线误差小于0.5mm波纹管伸长量10-15mm排气管口径与相应设备接口口径一致连接件紧固紧固牢固无松动支吊架间距根据风管直径和支吊架类型确定间距5. 检验人员本次检验批的检验人员为: - A工程师 - B技术员6. 检验过程6.1 风管制作工程1.检验风管截面形状和尺寸是否符合设计要求;2.检验风管的壁厚是否符合规范要求;3.检验风管的四边角度是否符合规范要求;4.检验风管的咬口是否光滑无明显毛刺;5.检验风管的接口是否与配件连接牢固;6.检验风管的包装和标识是否清晰明确。
6.2 配件制作工程1.检验弯头中心线的直线误差是否小于0.5mm;2.检验波纹管的伸长量是否在10-15mm之间;3.检验排气管的口径是否与相应设备接口口径一致;4.检验连接件的紧固是否牢固无松动;5.检验支吊架的间距是否按照设计要求确定。
7. 检验结果本次检验批的检验结果如下:检验项目检验结果风管壁厚合格风管四边角度合格风管咬口合格弯头中心线合格波纹管伸长量合格排气管口径合格连接件紧固合格支吊架间距合格8. 与建议本次检验批的检验结果表明,本工程的风管和配件制作质量符合设计和规范要求,检验合格。
在后续的施工过程中,还需要加强监督和管理,及时发现和解决施工中出现的问题,确保工程的质量和安全性。
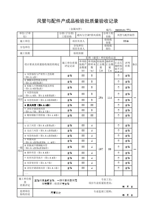
风管与配件制作检验批质量验收记录表(I)金属风管鲁Tk-041 单位(子单位)工程名称分部(子分部)工程名称验收部位施工单位项目经理分包单位分包项目经理施工执行标准名称及编号施工质量验收规范的规定施工单位检查评定记录监理(建设)单位验收记录1材质种类、性能及厚度第4.2.1条2防火风管材料及密封垫材料第4.2.3条主控 3 风管强度及严密性、工艺性检测第4.2.5条项4风管的连接第4.2.6条目5风管的加固第4.2.10条6矩形弯管制作及导流片第4.2.12条7净化空调风管第4.2.13条1圆形弯管制作第4.3.1-1条2风管外观质量和外形尺寸第4.3.1-2.3条3焊接风管第4.3.1-4条4法兰风管制作第4.3.2条5铝板或不锈钢板风管第4.3.2-4条6无法兰圆形风管制作第4.3.3条一7无法兰矩形风管制作第4.3.3条般项8风管的加固第4.3.4条9净化空调风管第4.3.11条目外径或边长≤300mm2mm风管外径或外边长>300mm3mm及法10管口平面度2mm兰允许偏矩形风管对角线长度之差≤3mm差圆形法兰正交直径之差≤2mm(mm)法兰平面度2mm专业工长(施工员)施工班组长施工单位检查评定结果项目专业质量检查员:年月日监理(建设)单位验收结论专业监理工程师:(建设单位项目专业技术负责人):年月日总站监制山东省建设工程质量监督风管与配件制作检验批质量验收记录表(Ⅱ)非金属、复合材料风管鲁Tk-042单位(子单位)工程名称分部(子分部)工程名称验收部位施工单位项目经理分包单位分包项目经理施工执行标准名称及编号监理(建设)施工质量验收规范的规定施工单位检查评定记录单位验收记录1材质种类、性能及厚度第4.2.2条2符合材料风管的材料第4.2.4条主控3风管强度及严密性、工艺性检测第4.2.5条4风管的连接第4.2.7条5复合材料的法兰连接第4.2.8条项6砖、混凝土风道的变形缝第4.2.9条目7风管的加固第4.2.1条0第4.2.11条8矩形弯管制作及导流片第4.2.12条9净化空调风管第4.2.13条1风管制作第4.3.1条2硬聚氯乙烯风管第4.3.5条3有机玻璃钢风管第4.3.6条4无机玻璃钢风管第4.3.7条5砖、混凝土风管第4.3.8条6双面铝箔绝热风管第4.3.9条一7铝箔玻璃纤维板风管第4.3.10条般项8净化空调风管第4.3.11条目外径或边长允许偏差:风管矩形风管对角线长度之差允许偏差:及法9 兰允许偏圆形风管正交直径之差允许偏差:管口平面度允许偏差:差法兰平面度允许偏差:(mm)外表平面度允许偏差:专业工长(施工员)施工班组长施工单位检查评定结果项目专业质量检查员年月日监理(建设)单位验收结论专业监理工程师:(建设单位项目专业技术负责人)年月日山东省建设工程质量监督总站监制风管部件与消声器检验批质量验收记录表鲁Tk-043 单位(子单位)工程名称分部(子分部)工程名称验收部位施工单位项目经理分包单位分包项目经理施工执行标准名称及编号施工质量验收规范的规定施工单位检查评定记录监理(建设)单位验收记录1一般风阀第5.2.1条2电动风阀第5.2.2条3防火阀、排烟阀(排烟口)第5.2.3条主控4防爆风阀第5.2.4条项5净化空调系统风阀第5.2.5条目6特殊风阀第5.2.6条7防排烟柔形短管第5.2.7条8消防软管、消声器第5.2.8条1调解风阀第5.2.1条2止回风阀第5.2.2条3插板风阀第5.2.3条4三通调解阀第5.2.4条5风量平衡阀第5.2.5条6风罩第5.2.6条7风帽第5.2.7条8矩形弯管道流叶片第5.2.8条9柔形短管第5.2.9条一般项目10消声器第5.2.10条11检查门第5.2.11条12风口验收第5.2.12条圆形≤250mm0-2mm圆形>250mm0-3mm13风管及法兰允许偏差矩形<300mm0-1mm矩形300-800mm0-2mm举行>800mm0-3mm矩形(<300mm)对角线长度之差≤1mm矩形(300mm-500mm)对角线长度之差≤2mm矩形(>500mm)对角向长度之差≤3mm专业工长(施工员)施工班组长施工单位检查评定结果项目专业质量检查员年月日监理(建设)单位验收结论专业监理工程师:(建设单位项目专业技术负责人)年月日山东省建设工程质量监督总站监制风管系统安装检验批质量验收记录表(Ⅰ)送、排风,防排烟,除尘系统鲁Tk-044 单位(子单位)工程名称分部(子分部)工程名称验收部位施工单位项目经理分包单位分包项目经理施工执行标准名称及编号施工质量验收规范的规定施工单位检查评定记录监理(建设)单位验收记录1风管穿越防火、防暴墙第6.2.1条2风管内严禁其他管线穿越第6.2.2-1条3易燃、易爆环境风管第6.2.2-2条主4室外立管的固定拉索第6.2.2-3条控项5高于80度的风管系统第6.2.3条目6风管部件安装第6.2.4条7手动密闭阀安装第6.2.9条8风管严密性检验第6.2.8条1风管系统安装第6.3.1条2无法兰风管系统安装第6.3.2条3风管连接的水平、垂直质量第6.3.3条4风管支、吊架安装第6.3.4条5铝板、不锈钢板风管安装第6.3.1-8条6非金属风管安装第6.3.5条7风阀安装第6.3.8条一8风帽安装第6.3.9条般9吸、排风罩安装第6.3.10条项10风口安装第6.3.11条目11 风管安装允许偏差(mm)水平度垂直度每米3总偏差20每米2总偏差20位置或标高≤10风口安装12水平度≤3/1000允许偏差(mm)垂直度≤2/1000专业工长(施工员)施工班组长施工单位检查评定结果项目专业质量检查员年月日监理(建设)单位验收结论专业监理工程师:(建设单位项目专业技术负责人)年月日山东省建设工程质量监督总站监制风管系统安装检验批质量验收记录表(Ⅱ)空调系统鲁Tk-045单位(子单位)工程名称分部(子分部)工程名称验收部位施工单位项目经理分包单位分包项目经理施工执行标准名称及编号监理(建设)施工质量验收规范的规定施工单位检查评定记录单位验收记录1风管穿越防火、防暴墙(楼板)第6.2.1条2风管内严禁其他管线穿越第6.2.2-1条主3易燃、易爆环境风管第6.2.2-2条控4室外立管的固定拉索第6.2.2-3条项5高于80度的风管系统第6.2.3条目6风管部件安装第6.2.4条7手动密闭阀安装第6.2.9条8风管严密性检验第6.2.8条1风管系统安装第6.3.1条2无法兰风管系统安装第6.3.2条3风管连接的水平、垂直质量第6.3.3条4风管支、吊架安装第6.3.4条5铝板、不锈钢板风管安装第6.3.1-8条6非金属风管安装第6.3.5条7复合材料风管安装第6.3.6条一般项8风阀安装第6.3.8条9风口安装第6.3.11条10变风量末端装置安装第7.3.20条目11 风管安装允许偏差(mm)每米3水平度总偏差20每米2垂直度总偏差20位置或标高≤10风口安装12水平度≤3/1000允许偏差(mm)垂直度≤2/1000专业工长(施工员)施工班组长施工单位检查评定结果项目专业质量检查员年月日监理(建设)单位验收结论专业监理工程师:(建设单位项目专业技术负责人)年月日总站监制山东省建设工程质量监督风管系统安装检验批质量验收记录表(Ⅲ)净化空调系统鲁Tk-046单位(子单位)工程名称分部(子分部)工程名称验收部位施工单位项目经理分包单位分包项目经理施工执行标准名称及编号监理(建设)施工质量验收规范的规定施工单位检查评定记录单位验收记录1风管穿越防火、防暴墙第6.2.1条2风管安装第6.2.2条主3高于80度的风管系统第6.2.3条控4风管部件安装第6.2.4条项5手动密闭阀安装第6.2.9条目6净化风管安装第6.2.6条7真空吸尘系统安装第6.2.7条8风管严密性检验第6.2.8条1风管系统安装第6.3.1条2无法兰风管系统安装第6.3.2条3风管连接的水平、垂直质量第6.3.3条4风管支、吊架第6.3.4条5非金属风管安装第6.3.5条6复合材料风管安装第6.3.6条7风阀安装第6.3.8条一8净化空调风口的安装第6.3.12条般项9真空吸尘系统安装第6.3.7条目10 风管安装允许偏差(mm)水平度垂直度每米3总偏差20每米2总偏差20位置或标高不应大于10 风口安装11水平度不应大于3/1000允许偏差(mm)垂直度不应大于2/1000专业工长(施工员)施工班组长施工单位检查评定结果项目专业质量检查员年月日监理(建设)单位验收结论专业监理工程师:(建设单位项目专业技术负责人)年月日山东省建设工程质量监督总站监制通风机安装检验批质量验收记录表鲁Tk-047单位(子单位)工程名称分部(子分部)工程名称验收部位施工单位项目经理分包单位分包项目经理施工执行标准名称及编号监理(建设)质量验收规范的规定施工单位检查评定记录单位验收记录主1通风机安装第7.2.1条控项2通风机安装措施第7.2.2条目1叶轮与机壳安装第7.3.1-1条2轴流风机叶片安装第7.3.1-2条3隔振器地面第7.3.1-3条4隔振器支吊架第7.3.1-4条5通风机安装允许偏差(mm)一般⑴中心线的平面位移10项⑵标高±10目⑶皮带轮轮宽中心偏差1纵向0.2/1000传动轴⑷水平度横向0.3/1000两轴芯径向位移0.05⑸联轴器两轴线倾斜0.2/1000专业工长(施工员)施工班组长施工单位检查评定结果项目专业质量检查员年月日监理(建设)单位验收结论专业监理工程师(建设单位项目专业技术负责人)年月日山东省建设工程质量监督总站监制通风与空调设备安装检验批质量验收记录表(Ⅰ)通风设备鲁Tk-048单位(子单位)工程名称分部(子分部)工程名称验收部位施工单位项目经理分包单位分包项目经理施工执行标准名称及编号监理(建设)施工质量验收规范的规定施工单位检查评定记录单位验收记录1除尘器安装第7.2.4条主2布袋与静电除尘器接地第7.2.4-3条控项3静电空气过滤器安装第7.2.7条4电加热器安装第7.2.8条目5过滤器吸收器安装第7.2.10条1除尘器部件及阀安装第7.3.5-2-3条2现场组装静电除尘器安装第7.3.6条3现场组装布袋除尘器安装第7.3.7条4消声器安装第7.3.13条5空气过滤器安装第7.3.14条一6蒸汽加湿器安装第7.3.18条般项7空气风幕机安装第7.3.19条目8除尘设备安装允许偏差(mm)⑴平面位移≤10⑵标高±10每米≤2⑶垂直度总偏差≤10专业工长(施工员)施工班组长施工单位检查评定结果项目专业质量检查员年月日监理(建设)单位验收结论专业监理工程师:(建设单位项目专业技术负责人)年月日山东省建设工程质量监督总站监制通风与空调设备安装检验质量验收记录表(Ⅱ)空调设备鲁Tk-049 单位(子单位)工程名称分部(子分部)工程名称验收部位施工单位项目经理分包单位分包项目经理施工执行标准名称及编号施工质量验收规范的规定施工单位检查评定记录监理(建设)单位验收记录1空调机组的安装第7.2.3条主2静电空气过滤器安装第7.2.7条控项3电加热器安装第7.2.8条目4干蒸汽加湿器安装第7.2.9条1组合式空调机组安装第7.3.2条2现场组装的空气处理室安装第7.3.3条3单元式空调机组安装第7.3.4条4消声器安装第7.3.13条一5风机盘管机组安装第7.3.15条般项6粗、中效空气过滤器安装第7.3.14-2条目7空气风幕机安装第7.3.19条8转轮式换热器安装第7.3.16条9转轮式去湿器安装第7.3.17条10蒸汽加湿器安装第7.3.18条专业工长(施工员)施工班组长施工单位检查评定结果项目专业质量检查员年月日监理(建设)单位验收结论专业监理工程师(建设单位项目专业技术负责人)年月日山东省建设工程质量监督总站监制通风与空调设备安装检验质量验收记录表(Ⅲ)空调设备鲁Tk-050单位(子单位)工程名称分部(子分部)工程名称验收部位施工单位项目经理分包单位分包项目经理施工执行标准名称及编号监理(建设)施工质量验收规范的规定施工单位检查评定记录单位验收记录1空调机组的安装第7.2.3条主2净化空调设备安装第7.2.6条控项目3高效过滤器安装第7.2.5条4静电加热过滤器的安装第7.2.7条57.3.8电加热器的安装第条6干蒸汽加湿器安装第7.3.9条1组合式净化空调机组安装第7.3.2条2净化室设备安装第7.3.8条3装配式洁净室安装第7.3.9条一4洁净层流罩第7.3.10条般57.3.11风机过滤单元安装第条项6粗、中效空气过滤器安装第7.3.14条目7高效过滤器安装第7.3.12条8消声器的安装第7.3.13条9蒸汽加湿器安装第7.3.18条专业工长(施工员)施工班组长施工单位检查评定结果项目专业质量检查员年月日监理(建设)单位验收结论专业监理工程师(建设单位项目专业技术负责人)年月日山东省建设工程质量监督总站监制空调制冷系统安装检验批质量验收记录表鲁Tk-051单位(子单位)工程名称分部(子分部)工程名称验收部位施工单位项目经理分包单位分包项目经理施工执行标准名称及编号监理(建设)施工质量验收规范的规定施工单位检查评定记录单位验收记录1制冷设备与附属设备安装第8.2.1-1.3条2设备混凝土基础验收第8.2.1-2条3表冷器的安装第8.2.2条主4燃油、燃气系统设备安装第8.2.3条控5制冷设备严密性实验及运行第8.2.4条项6制冷管道及管配件安装第7.2.5条目7燃油管道系统接地第8.2.6条8燃气系统安装第8.2.7条9氨管道旱缝无损检测第8.2.8条10乙二醇管道系统规定第8.2.9条11制冷剂管道试验第8.2.10条1 制冷及附属设备安装平面位移(mm)10标高(mm)±102模块式冷水机组安装第8.3.2条一般项目3泵的安装第8.3.3条4制冷剂管道安装第8.3.4-1.2.3.4条5管道焊接第8.3.4-5.6条68.3.5-2-5阀门安装第条7阀门试压第8.3.5-1条8制冷系统吹扫第8.3.6条专业工长(施工员)施工班组长施工单位检查评定结果项目专业质量检查员年月日监理(建设)单位验收结论专业监理工程师:(建设单位项目专业技术负责人):年月日山东省建设工程质量监督总站监制空调水系统安装检验批质量验收记录表(Ⅰ)金属管道鲁Tk-052单位(子单位)工程名称分部(子分部)工程名称验收部位施工单位项目经理分包单位分包项目经理施工执行标准名称及编号监理(建设)施工质量验收规范的规定施工单位检查评定记录单位验收记录1系统的管材与配件验收第9.2.1条2管道柔性接管安装第9.2.2-3条3管道套管第9.2.2-5条4管道补偿器安装及固定支架第9.2.5条主控5系统与设备贯通冲洗、排污第9.2.2-4条项6阀门安装第9.2.4-1.2条目7阀门试压第9.2.4-3条8系统试压第9.2.3条9隐蔽管道验收第9.2.2-1条10焊接、镀锌钢管第9.2.2-2条1管道焊接连接第9.3.2条2管道螺纹连接第9.3.3条3管道法兰连接第9.3.4条室外25架空及4(1)坐标地沟室内15钢埋地60制架空及室外±20管道地沟(2)标高室内±15一安埋地±25般装(3)水平DN≤100mm2L%。