隧道防水板土工布施工技术交底
- 格式:docx
- 大小:4.00 MB
- 文档页数:6
XX工程技术交底工程名称XX隧道交底单位日期:单位工程名称交底部位一、内容及说明本交底适用于XX隧道防水板、土工布施工。
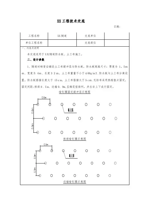
二、设计参数1、隧道衬砌背后铺设土工布缓冲层和防水板,防水板规格尺寸:厚度为1.5mm、宽度为4m、长度32m。
土工布重量不小于400g/m2。
防水板和土工布分离设置。
防水板搭接长度大于15cm,土工布搭接大于5cm。
无纺布采用热熔垫片固定,固定间距:拱部0.5m、边墙0.9m,呈梅花型排列,并左右上下成行固定。
暗钉圈固定缓冲层示意图拱部暗钉圈示意图边墙暗钉圈示意图三、施工方法及工艺流程1、施工准备:检查防水板的质量有无破损、撕裂、油污等。
铺设台车行走轨道;施工时采用两个作业台架,一个用于基面处理,一个用于挂防水板。
由测量班对隧道净空检查,对个别欠挖部位进行处理。
2、防水板铺设前应先对隧道初期支护喷混凝土表面进行处理,切除锚杆头和钢筋露头,并用细石混凝土抹平覆盖,确保喷射混凝土填平,确保喷混凝土表面平整,无尖锐角。
钢筋网等凸出部分,先切断后用锤铆平抹砂浆素灰(如下图)。
对有突出的管道,先切割后用锤铆平,抹砂浆(如下图)。
锚杆有凸出部位时,螺头顶预留5mm 切断后,用塑料帽处理(如下图)。
3、缓冲层铺设,用作业台车将单幅无纺布固定到预定位置,由拱部向两侧边墙铺切断用锤打砂浆素灰抹面切断面要平整用砂浆填死初期支护界面切断5mm以上切 断螺栓盖帽塑料帽保护砂浆设。
用专业射钉将热熔垫片和土工布平顺地固定在喷射混凝土上,固定点间距:拱部0.6m、边墙0.9m。
呈梅花形排列,基面凸凹较大处应增加固定点,使缓冲层与基面密贴。
缓冲层搭接宽度不小于5cm,铺设的缓冲层应平顺,无隆起,无皱褶。
4、防水板铺设:4.1、防水板铺设应超前二次衬砌施工,采用电热压焊器进行焊接,铺设采用专用台车进行,并设临时挡板防止机械损伤和电火花灼伤防水板。
4.2、防水板与无纺布分开铺设,先在初期支护上铺设无纺布,再利用无纺布安装专用热熔垫片把防水板固定在无纺布上。
、内容及说明本交底适用于XX 隧道防水板、土工布施工。
、设计参数1、隧道衬砌背后铺设土工布缓冲层和防水板,防水板规格尺寸:厚度为 1.5mm 宽度为4m 长度32m 土工布重量不小于 400g/m2。
防水板和土工布分离设置。
防水 板搭接长度大于15cm 土工布搭接大于5cm 无纺布采用热熔垫片固定,固定间距: 拱部0.5m 、边墙0.9m ,呈梅花型排列,并左右上下成行固定暗钉圈固定缓冲层示意图拱部暗钉圈示意图边墙暗钉圈示意图工程名称 单位工程名称XX 工程技术交底日期:XX 隧道交底单位 交底部位、施工方法及工艺流程1、 施工准备:检查防水板的质量有无破损、撕裂、油污等。
铺设台车行走轨道; 施工时采用两个作业台架,一个用于基面处理,一个用于挂防水板。
由测量班对隧道 净空检查,对个别欠挖部位进行处理。
2、 防水板铺设前应先对隧道初期支护喷混凝土表面进行处理,切除锚杆头和钢筋露头,并用细石混凝土抹平覆盖,确保喷射混凝土填平,确保喷混凝土表面平整,无 尖锐角。
钢筋网等凸出部分,先切断后用锤铆平抹砂浆素灰(如下图)。
切断 用锤打 砂浆素灰抹面对有突出的管道,先切割后用锤铆平,抹砂浆(如下图)。
切断 面要平整 用砂浆填死锚杆有凸出部位时,螺头顶预留 5mm 切断后,用塑料帽处理(如下图)i -ZL —:螺栓5mi 以上切断3、缓冲层铺设,用作切断将单幅无纺布固定到预定位盖帽拱部向两侧边墙铺设。
用专业射钉将热熔垫片和土工布平顺地固定在喷射混凝土上,固定点间距:拱部 0.6m 、边墙0.9m 。
呈梅花形排列,基面凸凹较大处应增加固定点,使缓冲层与基面密 贴。
缓冲层搭接宽度不小于5cm 铺设的缓冲层应平顺,无隆起,无皱褶。
4、防水板铺设:4.1、 防水板铺设应超前二次衬砌施工,采用电热压焊器进行焊接,铺设采用专用 台车进行,并设临时挡板防止机械损伤和电火花灼伤防水板。
4.2、 防水板与无纺布分开铺设,先在初期支护上铺设无纺布, 再利用无纺布安装专用热熔垫片把防水板固定在无纺布上。
施管表5施工技术交底记录工程名称南外环东延道路工程单位工程隧道工程分部工程明洞工程分项工程防水板施工交底内容:1、设计要求采用400g/m2无纺布(双层)+1.5mm厚EVA防水板防水,横向及纵向均采用Φ116 HDPE 双壁打孔波纹管,并与环向Φ50弹簧软式透水管连接,将水引至中心排水沟。
明洞防排水见下图。
2、施工方法隧道施工缝、变形缝处设中埋式橡胶止水带及背贴式止水带。
中埋式橡胶止水带规格尺寸为300mm×10mm,背贴式止水带规格尺寸为400mm×8mm。
背贴式止水带布置在隧道防水层与二次衬砌之间,与防水板连接采用热焊双缝焊接牢固。
中埋式止水带布置在隧道二次衬砌中,需使用钢筋卡固定,沿衬砌设计轴线间隔1.2m安装。
防水层铺设利用轮式作业平台施作。
监控量测表明支护变形已基本趋于稳定且净空满足二次衬砌厚度、支护表面平整经地质雷达检测初期支护及背后密实,满足质量要求后铺设防水板。
防水层交底单位济南城建集团有限公司接收单位福建贯顺建设工程有共 5 页第 1 页日期:2017年1月17日施管表5施工技术交底记录交底单位济南城建集团有限公司接收单位福建贯顺建设工程有限公司交底人接收人共 5 页第 1 页日期:2017年1月17日施管表5施工技术交底记录工程名称南外环东延道路工程单位工程隧道工程分部工程明洞工程分项工程防水板施工交底内容:4、操作要点1、施工准备及基面处理:彻底清除各种异物,如:石子、沙粒等,做到初期支护表面平整干净。
不能出现酥松、起砂、无大的明显的凹凸起伏。
铲除各类尖锐突出物体,如:钢筋头、铁丝、凸出在作业面上的各种尖锐物体。
根据图纸高程尺寸,定好基准线,准确无误地按线下料。
施工设备如焊接机、检漏器、热风枪、电闸箱等,在工作前要做好检查和调整。
确保设备正常运行,达到焊接要求,保证工程质量。
2、防水板材的焊接板材采用专用的熔接器热熔粘结。
结合部位不小于100mm,且粘接剥离强度不得小于母体拉伸强度的80%。
单位工程名称
、内容及说明 本交底适用于XX 隧道防水板、土工布施工
、设计参数
1、隧道衬砌背后铺设土工布缓冲层和防水板,防水板规格尺寸:厚度为 1.5mm 宽度为4m 长度32m 土工布重量不小于400g/m2。
防水板和土工布分离设置。
防水 板搭接长度大于15cm 土工布搭接大于5cm 。
无纺布采用热熔垫片固定,固定间距: 拱部0.5m 、边墙0.9m ,呈梅花型排列,并左右上下成行固定。
暗钉圈固定缓冲层示意图
拱部暗钉圈示意图
边墙暗钉圈示意图
三、施工方法及工艺流程
1、 施工准备:检查防水板的质量有无破损、撕裂、油污等。
铺设台车行走轨道; 施
工时采用两个作业台架,一个用于基面处理,一个用于挂防水板。
由测量班对隧道 净空检查,对个别欠挖部位进行处理。
2、 防水板铺设前应先对隧道初期支护喷混凝土表面进行处理, 切除锚杆头和钢筋 露头,并用细石混凝土抹平覆盖,确保喷射混凝土填平,确保喷混凝土表面平整,无
尖锐角。
钢筋网等凸出部分,先切断后用锤铆平抹砂浆素灰(如下图)。
对有突出的管道,先切割后用锤铆平,抹砂浆(如下图)。
锚杆有凸出部位时,螺头顶预留 5mm 切断后,用塑料帽处理(如下图)。
3、 缓冲层铺设,用作业台车将单幅无纺布固定到预定位置,由拱部向两侧边墙铺
工程名称
XX 工程技术交底 日期: XX 隧道 交底单位 交底部位。
精心整理XX工程技术交底日期:工程名称XX隧道交底单位单位工程名称交底部位一、内容及说明本交底适用于XX隧道防水板、土工布施工。
二、设计参数1、隧道衬砌背后铺设土工布缓冲层和防水板,防水板规格尺寸:厚度为1.5mm、宽度为4m、长度32m。
土工布重量不小于400g/m2。
防水板和土工布分离设置。
防水板搭接长度大于15cm,土工布搭接大于5cm。
无纺布采用热熔垫片固定,固定间距:拱部0.5m、边墙0.9m,呈梅花型排列,并左右上下成行固定。
暗钉圈固定缓冲层示意图拱部暗钉圈示意图边墙暗钉圈示意图三、施工方法及工艺流程1、施工准备:检查防水板的质量有无破损、撕裂、油污等。
铺设台车行走轨道;施工时采用两个作业台架,一个用于基面处理,一个用于挂防水板。
由测量班对隧道净空检查,对个别欠挖部位进行处理。
2、防水板铺设前应先对隧道初期支护喷混凝土表面进行处理,切除锚杆头和钢筋露头,并用细石混凝土抹平覆盖,确保喷射混凝土填平,确保喷混凝土表面平整,无尖锐角。
钢筋网等凸出部分,先切断后用锤铆平抹砂浆素灰(如下图)。
对有突出的管道,先切割后用锤铆平,抹砂浆(如下图)。
锚杆有凸出部位时,螺头顶预留5mm切断后,用塑料帽处理(如下图)。
3、缓冲层铺设,用作业台车将单幅无纺布固定到预定位置,由拱部向两侧边墙铺设。
用专业射钉将热熔垫片和土工布平顺地固定在喷射混凝土上,固定点间距:拱部0.6m、边墙0.9m。
呈梅花形排列,基面凸凹较大处应增加固定点,使缓冲层与基面密贴。
缓冲层搭接宽度不小于5cm,铺设的缓冲层应平顺,无隆起,无皱褶。
4、防水板铺设:4.1、防水板铺设应超前二次衬砌施工,采用电热压焊器进行焊接,铺设采用专用台车进行,并设临时挡板防止机械损伤和电火花灼伤防水板。
4.2、防水板与无纺布分开铺设,先在初期支护上铺设无纺布,再利用无纺布安装专用热熔垫片把防水板固定在无纺布上。
防水板加土工布铺设示意图4.3、防水板铺挂前,用专业射钉将热熔垫片和土工布平顺地固定在喷射混凝土上,固定点间距:拱部0.6m、边墙0.9m。
技术交底书4、质量验收标准⑴防水板、垫圈的品种、规格、性能等应符合设计要求。
防水板施工示意图⑵防水板必须按设计要求进行搭接,搭接应牢固,不得有渗漏。
⑶防水板铺设范围及铺挂方式应符合设计要求。
铺设时防水板应留有一定的余量,挂吊点设置的数量应合理。
⑷铺设防水板的基面应坚实、平整、圆顺,五漏水现象;阴阳角处应做成圆弧形。
⑸防水板焊缝无漏焊、假焊、焊焦、焊穿等现象。
⑹防水板的铺设应与基层固定牢固,不得有绷紧和破损现象。
⑺防水板的搭接宽度不应小于12cm,允许偏差为-10mm,焊缝宽度不应小于2cm。
5、专项安全措施1、防水板、垫圈等材料均属于易燃物品,应堆放在避车洞及其他安全位置,远离火源或易燃、易爆材料。
在材料搬运过程中,不允许吸烟或点燃明火,防止发生火灾。
2、处理基面时,对突出的锚杆头等进行割除,需要用氧气、乙炔。
装卸氧气、乙炔时必须严格按规定执行:装卸时必须轻拿轻放,不得相互碰撞或抛掷等剧烈震动;作业人员必须佩带防护用品;严禁吸烟和明火,摆放位置远离易燃、易爆材料;氧气瓶、乙炔瓶摆放时,距离应超过5m。
3、必须严格按照施工程序进行施工,不得同时进行基面处理和防水层铺装。
基面处理会产生明火,容易点燃已铺挂或堆放的防水材料,严重时会引起爆炸。
4、工人作业时必须穿工作服、带安全帽,着装紧凑,不得留长发,防止出现安全事故。
作业工人应佩带安全带,防止高空坠落。
5、每个作业台架必须配备灭火器两个,并注意定期进行检查。
6、安全生产1、衬砌防水板作业工人4人,班长1人,统一归现场领工员指挥,实行单班制。
2、现场配备爬行焊机一台,手工焊枪两台,手动电钻2把。
3、现场配备安全绳5条,台架上设置灭火器2个。
施工技术交底项目名称:合同号:施工单位监理单位工程名称编号技术交底名称土工布、防水板、排水盲管施工技术交底内容:一、设计参数XXX隧道全长12438米,起讫里程:D3K384+082~D3K396+520。
全隧暗挖段初期支护和二次衬砌间拱墙背后设置防水板加土工布,防水板为厚1.5mm的EVA,土工布为350g/㎡的无纺布,土工布采用射钉固定在初支表面,防水板采用无钉铺设工艺,铺设基层平整度不应大于1/10(凹槽深度与宽度之比)。
衬砌防水板背后环向设置Φ50单壁打孔波纹管排水盲沟,其间距视地下水的发育状况而定,一般地段8m设一环;边墙脚设Φ110的纵向双壁打孔波纹管贯通隧道,环向盲管与纵向盲管接入隧道侧沟内,环向盲管与纵向盲管要求外包土工布。
二、施工工艺及施工方法2.1 施工工艺土工布、防水板、排水盲管施工工艺流程见下图“土工布、防水板、排水盲管施工工艺流程图”。
土工布、防水板、排水盲管施工工艺流程图2.2 施工方法2.2.1初支表面处理⑴.局部集中出水点采用注浆堵水或埋设引水管直接排水到边沟。
⑵.钢筋等凸出部分,先切断后用锤铆平抹砂浆素灰(如下图)。
⑶.有凸出的管道时,用砂浆抹平(如下图)。
⑷.锚杆有凸出部位时,螺头顶预留5mm切断后,用塑料帽处理(如下图)。
⑸.初期支护应无空鼓、裂缝、松酥,表面应平顺,凹凸量不得超过±5cm(如下图)。
超出部分应凿平,并应砂浆抹面。
2.2.2环向排水盲管安装隧道衬砌防水板背后设直径Φ50单壁打孔波纹管排水盲沟,环向盲沟每隔8设置1道,富水地段适当加密,环向排水盲管外用土工布包裹,并用扎丝捆绑好。
环向排水盲沟安装前,在初支表面按安装间距环向划线,以确保环向盲沟安装间距符合设计要求,确保盲沟布设位置能有效排水。
在环向划线上每隔50cm位置钻孔安装管卡。
管卡安装完毕后安装环向排水盲沟,盲管安装应牢固可靠并紧贴喷射砼面。
在环向盲沟与纵向盲沟交接处设横向排水盲沟将水引入两侧排水沟。
XX工程技术交底
日期:行业土木y# 1
工程名称XX隧道交底单位
单位工程名称交底部位
一、内容及说明
本交底适用于XX隧道防水板、土工布施工。
二、设计参数
1、隧道衬砌背后铺设土工布缓冲层和防水板,防水板规格尺寸:厚度为1.5mm、宽度为4m、长度32m。
土工布重量不小于400g/m2。
防水板和土工布分离设置。
防水板搭接长度大于15cm,土工布搭接大于5cm。
无纺布采用热熔垫片固定,固定间距:拱部0.5m、边墙0.9m,呈梅花型排列,并左右上下成行固定。
暗钉圈固定缓冲层示意图
拱部暗钉圈示意图
边墙暗钉圈示意图
三、施工方法及工艺流程
行业土木y# 1
1、施工准备:检查防水板的质量有无破损、撕裂、油污等。
铺设台车行走轨道;施工时采用两个作业台架,一个用于基面处理,一个用于挂防水板。
由测量班对隧道净空检查,对个别欠挖部位进行处理。
2、防水板铺设前应先对隧道初期支护喷混凝土表面进行处理,切除锚杆头和钢筋露头,并用细石混凝土抹平覆盖,确保喷射混凝土填平,确保喷混凝土表面平整,无尖锐角。
钢筋网等凸出部分,先切断后用锤铆平抹砂浆素灰(如下图)。
切断用锤打砂浆素灰抹面
对有突出的管道,先切割后用锤铆平,抹砂浆(如下图)。
切断面要平整用砂浆填死
锚杆有凸出部位时,螺头顶预留5mm切断后,用塑料帽处理(如下图)。
行业土木y# 1。
防水板施工技术交底一、本隧初期支护与二衬之间拱部及边墙部位铺设ECB防水板及无纺布(分离式)防水。
防水板厚度1.5mm;长度20m以上;断裂拉伸强度≥17Mpa;扯断伸长率≥600%;撕裂强度≥95KN/m;刺破强度300N;低温弯折性为-35℃无裂纹;不透水性0.3MPa/2h不透水,无纺布重量≥350g/m2。
二、施工工艺及方法(一)防水板施工作业流程图2、基面处理:防水板铺设前应对初期支护采用简单易行的锤击声检查,必要时辅以其他物探手段。
对初期支护的渗漏水情况进行检查,并采取埋设管道的方式进行引排。
对喷射混凝土的表面进行必要的处理,切除锚杆头和钢筋露头,并用细石混凝土抹平覆盖,凹坑深度比应1:10以内;深度比大于1:10的凹坑应细石混凝土填平,确保喷射混凝土表面平整,无尖锐棱角。
明作段模筑衬砌拱墙外缘采用2cm厚聚合物水泥防水砂浆抹面,再设防水板。
3、防水板质量的检查:防水板铺设之前须进行检查是否有变色、波纹(厚薄不均)、斑点、刀痕、撕裂、小孔等缺陷,如果存在质量疑虑,应进行张拉试验、防水试验和焊缝张拉强度试验。
同时,按照与洞内施工相同的方法将防水板拼接,交试验室进行充气试验,合格后方可用于现场铺设。
4、对检查合格的防水板用特种铅笔划焊接线及拱顶分中线,并按每循环设计长度截取,对称卷起备用;洞内在铺设基面标出拱顶中线,画出隧道中线第一环及垂直隧道中线的横断面线。
(三)施工工艺及方法防水板采用无钉铺设、双焊缝热熔焊接工艺施工。
1、由于洞内空气潮湿、场地狭小、基面不平整,难以保证现场施焊焊缝的质量,所以,防水板可在洞外热焊预拼成大块。
在洞外选取一块平整的场地,按照洞室内轮廓周长及一环衬砌施工长度进行截取,将单幅防水板摆放好,采用自动爬行式热合机焊接,焊缝试压合格后打卷备用。
2、挂板台车就位防水板铺设时采用简易台车进行。
台车应具备足够的强度与刚度以及较为灵活的行走装置,并应配备能达到隧道周边任一部位的作业平台。
隧道防排水施工技术交底1.技术要求1.1 隧道防排水采用“防、截、排、堵相结合,因地制宜,综合治理”的原则,达到防水可靠,经济合理,不留后患的目的。
1.2 隧道防水等级必须达到国家标准《地下工程防水技术规范》(GB50108)规定的一级防水等级标准,衬砌结构不允许渗水,表面无湿渍。
1.3 隧道结构防水一般由喷射混凝土、全封闭柔性卷材防水层和二次衬砌结构自防水等组成。
其抗渗等级符合设计要求,防水混凝土防渗等级不低于P8,两端洞口各500m范围、地下水发育地段、地下水有侵蚀性地段衬砌抗身等级不低于P10。
2。
施工工艺及要求2.1基面铺设防水层之前,对外漏的突出物及表面凸凹不平处进行检查处理,基面应平整、无空鼓、裂缝、松酥,清洁干燥,无尖锐物。
基层平整度应该符合下列要求:D/L≤1/10D:初期支护基层相邻两凸面间凹进去的深度;L:初期支护基层相邻两凸面间的距离;2.2盲管初期支护与防水板间设置纵向、环向盲管,环向盲管采用Ф50HDPE单壁打孔波纹管(外裹无纺布),纵向盲管暗洞采用Ф80(明洞Ф100)HDPE单壁打孔波纹管(外裹无纺布)。
纵、环向盲管直接弯入侧沟,出水口高于侧沟沟底25cm。
按铁路总公司监督总站及青藏铁路公司监督站《铁路建设工程质量安全监督通知书》(铁质安监督青藏站【2016】16 号)要求,对纵、环向盲管环设计进行调整:采用每板二衬独立排水,纵向盲管于环向施工缝附近弯入侧沟(弯出点距环向施工缝30cm),环向盲管设置于每板衬砌中部位置,紧贴纵向盲管于纵向盲管上部弯入侧沟。
2.3无纺布无纺布铺设,首先用作业台车将单幅无纺布固定到预定位置,然后用专用射钉将无纺布固定在喷射混凝土上。
专用热熔垫圈及射钉梅花形布置,拱部0.5m—0。
8m,边墙0。
8m—1m,底部1m—1.5m,并左右上下成行固定,基面凸凹较大处应增加固定点,使无纺布与基面密贴.无纺布与喷射混凝土表面密贴,铺设平顺、无隆起、无褶皱,无纺布搭接宽度不不小于5cm.2。
XX工程技术交底日期:工程名称XX隧道交底单位单位工程名称交底部位一、内容及说明本交底适用于XX隧道防水板、土工布施工。
二、设计参数1、隧道衬砌背后铺设土工布缓冲层和防水板,防水板规格尺寸:厚度为1.5mm、宽度为4m、长度32m。
土工布重量不小于400g/m2。
防水板和土工布分离设置。
防水板搭接长度大于15cm,土工布搭接大于5cm。
无纺布采用热熔垫片固定,固定间距:拱部0.5m、边墙0.9m,呈梅花型排列,并左右上下成行固定。
暗钉圈固定缓冲层示意图拱部暗钉圈示意图边墙暗钉圈示意图三、施工方法及工艺流程1、施工准备:检查防水板的质量有无破损、撕裂、油污等。
铺设台车行走轨道;施工时采用两个作业台架,一个用于基面处理,一个用于挂防水板。
由测量班对隧道净空检查,对个别欠挖部位进行处理。
2、防水板铺设前应先对隧道初期支护喷混凝土表面进行处理,切除锚杆头和钢筋露头,并用细石混凝土抹平覆盖,确保喷射混凝土填平,确保喷混凝土表面平整,无尖锐角。
钢筋网等凸出部分,先切断后用锤铆平抹砂浆素灰(如下图)。
切断用锤打砂浆素灰抹面对有突出的管道,先切割后用锤铆平,抹砂浆(如下图)。
切断面要平整用砂浆填死锚杆有凸出部位时,螺头顶预留5mm切断后,用塑料帽处理(如下图)。
3、缓冲层铺设,用作业台车将单幅无纺布固定到预定位置,由拱部向两侧边墙铺设。
用专业射钉将热熔垫片和土工布平顺地固定在喷射混凝土上,固定点间距:拱部0.6m 、边墙0.9m 。
呈梅花形排列,基面凸凹较大处应增加固定点,使缓冲层与基面密贴。
缓冲层搭接宽度不小于5cm ,铺设的缓冲层应平顺,无隆起,无皱褶。
4、防水板铺设:4.1、防水板铺设应超前二次衬砌施工,采用电热压焊器进行焊接,铺设采用专用台车进行,并设临时挡板防止机械损伤和电火花灼伤防水板。
4.2、防水板与无纺布分开铺设,先在初期支护上铺设无纺布,再利用无纺布安装专用热熔垫片把防水板固定在无纺布上。
防水板加土工布铺设示意图4.3、防水板铺挂前,用专业射钉将热熔垫片和土工布平顺地固定在喷射混凝土上,固定点间距:拱部0.6m 、边墙0.9m 。
技术交底书
JL-CX-7-05-05
交底单位:中铁二十一局集团巴珠铁路项目经理部编号:
编制者:审核者:第页共页
技术交底书
JL-CX-7-05-05
交底单位:中铁二十一局集团巴珠铁路项目经理部编号:
编制者:审核者:第页共页
技术交底书
JL-CX-7-05-05
交底单位:中铁二十一局集团巴珠铁路项目经理部编号:
编制者:审核者:第页共页
技术交底书
JL-CX-7-05-05
交底单位:中铁二十一局集团巴珠铁路项目经理部编号:
编制者:审核者:第页共页
技术交底书
JL-CX-7-05-05
交底单位:中铁二十一局集团巴珠铁路项目经理部编号:
编制者:审核者:第页共页
技术交底书
JL-CX-7-05-05
交底单位:中铁二十一局集团巴珠铁路项目经理部编号:
编制者:审核者:第页共页
技术交底书
JL-CX-7-05-05
交底单位:中铁二十一局集团巴珠铁路项目经理部编号:
编制者:审核者:第页共页
技术交底书
JL-CX-7-05-05
交底单位:中铁二十一局集团巴珠铁路项目经理部编号:
编制者:审核者:第页共页
技术交底书
JL-CX-7-05-05
交底单位:中铁二十一局集团巴珠铁路项目经理部编号:
编制者:审核者:第页共页。
施工作业前技术交底及安全要求记录表编制:复核:日期:防水板施工工艺交底技术交底一、防水板施工工艺交底1、交底范围玉京山隧道Ⅳa级围岩防水板施工工艺交底2、施工工艺(1)防水板超声波焊接1)工艺原理:超声波焊接机由发生器产生20kHz~35 kHz 的高压、高频信号,通过环能系统,把信号转换为高频机械振动,通过焊接枪头加于两个靠近的塑料工件上,通过工件表面及内在分子间的磨擦而使接触面局部温度升高,当温度达到工件本身熔点时,工件接口迅速熔化并填充于接口间的空隙,随接触时间延长,接触面熔化深度加大。
当接触震动停止时,工件同时在一定压力下冷却定形,便达成完美的超声波焊接。
2)施工工艺流程:施工准备→基面检查→土工布铺设→防水板铺设及超声波焊接固定→效果检查3)施工方法:隧道内壁一定范围内铺设好土工布(闭孔型泡沫塑料垫层),土工布(闭孔型泡沫塑料垫层)与隧道洞壁间的锚固点全部安放有热熔垫片;作业台架就位,调试好超声波焊接机,在隧道一侧的拱部处开始释放防水板,使防水板纵向搭接宽度和横向起点位置正确,人工将防水板按压至基层土工布垫片上并保持密贴,用超声波焊枪对准垫片,启动开关持续3-4 秒,每个垫片上点焊3-4 个焊点。
4)施工要点①土工布(闭孔型泡沫塑料垫层)铺设土工布适用范围:无瓦斯隧道、低瓦斯隧道。
闭孔型泡沫塑料垫层适用范围:高瓦斯隧道。
铺设土工布(闭孔型泡沫塑料垫层)时,从隧道中线向两侧沿隧道内壁展开,用尾部套有热熔垫片的射钉将土工布(闭孔型泡沫塑料垫层)平顺地固定到隧道洞壁上,构成防水板铺设基层。
铺设时,土工布(闭孔型泡沫塑料垫层)两幅搭接宽度不小于50mm,铺设效果应平顺、无隆起、无皱褶。
作为防水板固定点的垫片间距为拱部0.5~0.8m,边墙0.8~1.0m,呈梅花型号布置。
为使防水板与热熔垫片焊接时方便操作,固定点应选择在基面平整位置。
②防水板铺设和超声波焊接③超声波焊接机调试A.接通电源:电源为220V、50HZ 单项电源。
隧道防水板土工布施工
技术交底
WTD standardization office【WTD 5AB- WTDK 08- WTD 2C】
XX工程技术交底
日期:
单位工程名称交底部位
一、内容及说明
本交底适用于XX隧道防水板、土工布施工。
二、设计参数
1、隧道衬砌背后铺设土工布缓冲层和防水板,防水板规格尺寸:厚度为
1.5mm、宽度为4m、长度32m。
土工布重量不小于400g/m2。
防水板和土工布分离设置。
防水板搭接长度大于15cm,土工布搭接大于5cm。
无纺布采用热熔垫片固定,固
定间距:拱部0.5m、边墙0.9m,呈梅花型排列,并左右上下成行固定。
暗钉圈固定缓冲层示意图
拱部暗钉圈示意图
边墙暗钉圈示意图
三、施工方法及工艺流程
1、施工准备:检查防水板的质量有无破损、撕裂、油污等。
铺设台车行走轨道;施工时采用两个作业台架,一个用于基面处理,一个用于挂防水板。
由测量班对隧道净空检查,对个别欠挖部位进行处理。
2、防水板铺设前应先对隧道初期支护喷混凝土表面进行处理,切除锚杆头和钢筋露头,并用细石混凝土抹平覆盖,确保喷射混凝土填平,确保喷混凝土表面平整,无尖锐角。
钢筋网等凸出部分,先切断后用锤铆平抹砂浆素灰(如下图)。
对有突出的管道,先切割后用锤铆平,抹砂浆(如下图)。
锚杆有凸出部位时,螺头顶预留5mm切断后,用塑料帽处理(如下图)。
3、缓冲层铺设,用作业台车将单幅无纺布固定到预定位置,由拱部向两侧边墙铺设。
用专业射钉将热熔垫片和土工布平顺地固定在喷射混凝土上,固定点间距:拱部0.6m、边墙0.9m。
呈梅花形排列,基面凸凹较大处应增加固定点,使缓冲层与基面密贴。
缓冲层搭接宽度不小于5cm,铺设的缓冲层应平顺,无隆起,无皱褶。
4、防水板铺设:
快,说明有未焊好处。
用肥皂水涂在焊缝上,有气泡的地方重新补焊,直到不漏气为
止。
6、防水板破损处理:如果发现防水板有破损,必须及时修补。
先取一小块防水板剪成圆角,除尽两防水板上的灰尘后,将其置于破损处,然后用手动电热熔接器焊
接。
防水层施工工工艺图
四、安全质量注意事项:
1、环向铺设时,下部防水板应压住上部防水板。
2、三层以上塑料防水板的搭接形式必须是“T”型接头。
3、混凝土振捣时,振捣棒不得接触防水板,以防防水板受到损伤。
4、钢筋混凝土衬砌,要对钢筋头部进行防护,避免损伤防水板。
5、防水板搭接缝应与衬砌施工缝错开~2.0m。
6、防水板施工中应对火源及可燃物进行严格管理,火源可可燃物要分开,防水材料严禁在隧道内存放,更不能作为堆放场地。
7、铺设防水板施工作业范围内应禁止吸烟并设有标志,防水板台车应配置灭火器,并明确防火责任人。
8、防水板的焊接应采用双面焊、以调温、调速热楔入自动爬行式热合机热熔焊接;焊接时应注意温度和速度的控制,防止烫伤。
9、在焊接钢筋接头时必须对防水板进行防护,防止焊花点燃防水板引起火。
10、防水板铺设过程中应采用专用台车从拱部向两侧边墙悬挂进行,铺设前先行试铺,再加以调整。
作业人员应立在平稳台车上,步调一致,克服麻痹思想,高处作业人员(2m以上)必须佩戴安全带,防止发生人员坠落事故。
五、环、水保要求
详见《XX隧道环、水保专项施工方案》。
不明之处请与交底人联系。