隧道防水板、土工布施工技术交底[详细]
- 格式:doc
- 大小:215.50 KB
- 文档页数:8
XX工程技术交底工程名称XX隧道交底单位日期:单位工程名称交底部位一、内容及说明本交底适用于XX隧道防水板、土工布施工。
二、设计参数1、隧道衬砌背后铺设土工布缓冲层和防水板,防水板规格尺寸:厚度为1.5mm、宽度为4m、长度32m。
土工布重量不小于400g/m2。
防水板和土工布分离设置。
防水板搭接长度大于15cm,土工布搭接大于5cm。
无纺布采用热熔垫片固定,固定间距:拱部0.5m、边墙0.9m,呈梅花型排列,并左右上下成行固定。
暗钉圈固定缓冲层示意图拱部暗钉圈示意图边墙暗钉圈示意图三、施工方法及工艺流程1、施工准备:检查防水板的质量有无破损、撕裂、油污等。
铺设台车行走轨道;施工时采用两个作业台架,一个用于基面处理,一个用于挂防水板。
由测量班对隧道净空检查,对个别欠挖部位进行处理。
2、防水板铺设前应先对隧道初期支护喷混凝土表面进行处理,切除锚杆头和钢筋露头,并用细石混凝土抹平覆盖,确保喷射混凝土填平,确保喷混凝土表面平整,无尖锐角。
钢筋网等凸出部分,先切断后用锤铆平抹砂浆素灰(如下图)。
对有突出的管道,先切割后用锤铆平,抹砂浆(如下图)。
锚杆有凸出部位时,螺头顶预留5mm 切断后,用塑料帽处理(如下图)。
3、缓冲层铺设,用作业台车将单幅无纺布固定到预定位置,由拱部向两侧边墙铺切断用锤打砂浆素灰抹面切断面要平整用砂浆填死初期支护界面切断5mm以上切 断螺栓盖帽塑料帽保护砂浆设。
用专业射钉将热熔垫片和土工布平顺地固定在喷射混凝土上,固定点间距:拱部0.6m、边墙0.9m。
呈梅花形排列,基面凸凹较大处应增加固定点,使缓冲层与基面密贴。
缓冲层搭接宽度不小于5cm,铺设的缓冲层应平顺,无隆起,无皱褶。
4、防水板铺设:4.1、防水板铺设应超前二次衬砌施工,采用电热压焊器进行焊接,铺设采用专用台车进行,并设临时挡板防止机械损伤和电火花灼伤防水板。
4.2、防水板与无纺布分开铺设,先在初期支护上铺设无纺布,再利用无纺布安装专用热熔垫片把防水板固定在无纺布上。
、内容及说明本交底适用于XX 隧道防水板、土工布施工。
、设计参数1、隧道衬砌背后铺设土工布缓冲层和防水板,防水板规格尺寸:厚度为 1.5mm 宽度为4m 长度32m 土工布重量不小于 400g/m2。
防水板和土工布分离设置。
防水 板搭接长度大于15cm 土工布搭接大于5cm 无纺布采用热熔垫片固定,固定间距: 拱部0.5m 、边墙0.9m ,呈梅花型排列,并左右上下成行固定暗钉圈固定缓冲层示意图拱部暗钉圈示意图边墙暗钉圈示意图工程名称 单位工程名称XX 工程技术交底日期:XX 隧道交底单位 交底部位、施工方法及工艺流程1、 施工准备:检查防水板的质量有无破损、撕裂、油污等。
铺设台车行走轨道; 施工时采用两个作业台架,一个用于基面处理,一个用于挂防水板。
由测量班对隧道 净空检查,对个别欠挖部位进行处理。
2、 防水板铺设前应先对隧道初期支护喷混凝土表面进行处理,切除锚杆头和钢筋露头,并用细石混凝土抹平覆盖,确保喷射混凝土填平,确保喷混凝土表面平整,无 尖锐角。
钢筋网等凸出部分,先切断后用锤铆平抹砂浆素灰(如下图)。
切断 用锤打 砂浆素灰抹面对有突出的管道,先切割后用锤铆平,抹砂浆(如下图)。
切断 面要平整 用砂浆填死锚杆有凸出部位时,螺头顶预留 5mm 切断后,用塑料帽处理(如下图)i -ZL —:螺栓5mi 以上切断3、缓冲层铺设,用作切断将单幅无纺布固定到预定位盖帽拱部向两侧边墙铺设。
用专业射钉将热熔垫片和土工布平顺地固定在喷射混凝土上,固定点间距:拱部 0.6m 、边墙0.9m 。
呈梅花形排列,基面凸凹较大处应增加固定点,使缓冲层与基面密 贴。
缓冲层搭接宽度不小于5cm 铺设的缓冲层应平顺,无隆起,无皱褶。
4、防水板铺设:4.1、 防水板铺设应超前二次衬砌施工,采用电热压焊器进行焊接,铺设采用专用 台车进行,并设临时挡板防止机械损伤和电火花灼伤防水板。
4.2、 防水板与无纺布分开铺设,先在初期支护上铺设无纺布, 再利用无纺布安装专用热熔垫片把防水板固定在无纺布上。
单位工程名称
、内容及说明 本交底适用于XX 隧道防水板、土工布施工
、设计参数
1、隧道衬砌背后铺设土工布缓冲层和防水板,防水板规格尺寸:厚度为 1.5mm 宽度为4m 长度32m 土工布重量不小于400g/m2。
防水板和土工布分离设置。
防水 板搭接长度大于15cm 土工布搭接大于5cm 。
无纺布采用热熔垫片固定,固定间距: 拱部0.5m 、边墙0.9m ,呈梅花型排列,并左右上下成行固定。
暗钉圈固定缓冲层示意图
拱部暗钉圈示意图
边墙暗钉圈示意图
三、施工方法及工艺流程
1、 施工准备:检查防水板的质量有无破损、撕裂、油污等。
铺设台车行走轨道; 施
工时采用两个作业台架,一个用于基面处理,一个用于挂防水板。
由测量班对隧道 净空检查,对个别欠挖部位进行处理。
2、 防水板铺设前应先对隧道初期支护喷混凝土表面进行处理, 切除锚杆头和钢筋 露头,并用细石混凝土抹平覆盖,确保喷射混凝土填平,确保喷混凝土表面平整,无
尖锐角。
钢筋网等凸出部分,先切断后用锤铆平抹砂浆素灰(如下图)。
对有突出的管道,先切割后用锤铆平,抹砂浆(如下图)。
锚杆有凸出部位时,螺头顶预留 5mm 切断后,用塑料帽处理(如下图)。
3、 缓冲层铺设,用作业台车将单幅无纺布固定到预定位置,由拱部向两侧边墙铺
工程名称
XX 工程技术交底 日期: XX 隧道 交底单位 交底部位。
精心整理XX工程技术交底日期:工程名称XX隧道交底单位单位工程名称交底部位一、内容及说明本交底适用于XX隧道防水板、土工布施工。
二、设计参数1、隧道衬砌背后铺设土工布缓冲层和防水板,防水板规格尺寸:厚度为1.5mm、宽度为4m、长度32m。
土工布重量不小于400g/m2。
防水板和土工布分离设置。
防水板搭接长度大于15cm,土工布搭接大于5cm。
无纺布采用热熔垫片固定,固定间距:拱部0.5m、边墙0.9m,呈梅花型排列,并左右上下成行固定。
暗钉圈固定缓冲层示意图拱部暗钉圈示意图边墙暗钉圈示意图三、施工方法及工艺流程1、施工准备:检查防水板的质量有无破损、撕裂、油污等。
铺设台车行走轨道;施工时采用两个作业台架,一个用于基面处理,一个用于挂防水板。
由测量班对隧道净空检查,对个别欠挖部位进行处理。
2、防水板铺设前应先对隧道初期支护喷混凝土表面进行处理,切除锚杆头和钢筋露头,并用细石混凝土抹平覆盖,确保喷射混凝土填平,确保喷混凝土表面平整,无尖锐角。
钢筋网等凸出部分,先切断后用锤铆平抹砂浆素灰(如下图)。
对有突出的管道,先切割后用锤铆平,抹砂浆(如下图)。
锚杆有凸出部位时,螺头顶预留5mm切断后,用塑料帽处理(如下图)。
3、缓冲层铺设,用作业台车将单幅无纺布固定到预定位置,由拱部向两侧边墙铺设。
用专业射钉将热熔垫片和土工布平顺地固定在喷射混凝土上,固定点间距:拱部0.6m、边墙0.9m。
呈梅花形排列,基面凸凹较大处应增加固定点,使缓冲层与基面密贴。
缓冲层搭接宽度不小于5cm,铺设的缓冲层应平顺,无隆起,无皱褶。
4、防水板铺设:4.1、防水板铺设应超前二次衬砌施工,采用电热压焊器进行焊接,铺设采用专用台车进行,并设临时挡板防止机械损伤和电火花灼伤防水板。
4.2、防水板与无纺布分开铺设,先在初期支护上铺设无纺布,再利用无纺布安装专用热熔垫片把防水板固定在无纺布上。
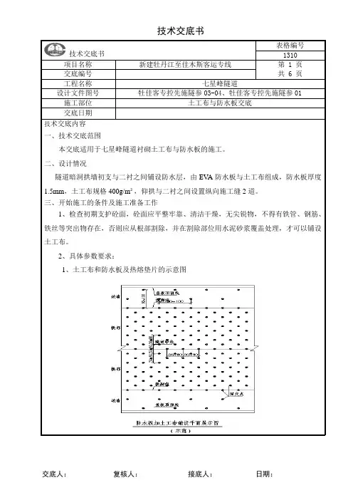
防水板加土工布铺设示意图4.3、防水板铺挂前,用专业射钉将热熔垫片和土工布平顺地固定在喷射混凝土上,固定点间距:拱部0.6m、边墙0.9m。
技术交底书4、质量验收标准⑴防水板、垫圈的品种、规格、性能等应符合设计要求。
防水板施工示意图⑵防水板必须按设计要求进行搭接,搭接应牢固,不得有渗漏。
⑶防水板铺设范围及铺挂方式应符合设计要求。
铺设时防水板应留有一定的余量,挂吊点设置的数量应合理。
⑷铺设防水板的基面应坚实、平整、圆顺,五漏水现象;阴阳角处应做成圆弧形。
⑸防水板焊缝无漏焊、假焊、焊焦、焊穿等现象。
⑹防水板的铺设应与基层固定牢固,不得有绷紧和破损现象。
⑺防水板的搭接宽度不应小于12cm,允许偏差为-10mm,焊缝宽度不应小于2cm。
5、专项安全措施1、防水板、垫圈等材料均属于易燃物品,应堆放在避车洞及其他安全位置,远离火源或易燃、易爆材料。
在材料搬运过程中,不允许吸烟或点燃明火,防止发生火灾。
2、处理基面时,对突出的锚杆头等进行割除,需要用氧气、乙炔。
装卸氧气、乙炔时必须严格按规定执行:装卸时必须轻拿轻放,不得相互碰撞或抛掷等剧烈震动;作业人员必须佩带防护用品;严禁吸烟和明火,摆放位置远离易燃、易爆材料;氧气瓶、乙炔瓶摆放时,距离应超过5m。
3、必须严格按照施工程序进行施工,不得同时进行基面处理和防水层铺装。
基面处理会产生明火,容易点燃已铺挂或堆放的防水材料,严重时会引起爆炸。
4、工人作业时必须穿工作服、带安全帽,着装紧凑,不得留长发,防止出现安全事故。
作业工人应佩带安全带,防止高空坠落。
5、每个作业台架必须配备灭火器两个,并注意定期进行检查。
6、安全生产1、衬砌防水板作业工人4人,班长1人,统一归现场领工员指挥,实行单班制。
2、现场配备爬行焊机一台,手工焊枪两台,手动电钻2把。
3、现场配备安全绳5条,台架上设置灭火器2个。
施工技术交底项目名称:合同号:施工单位监理单位工程名称编号技术交底名称土工布、防水板、排水盲管施工技术交底内容:一、设计参数XXX隧道全长12438米,起讫里程:D3K384+082~D3K396+520。
全隧暗挖段初期支护和二次衬砌间拱墙背后设置防水板加土工布,防水板为厚1.5mm的EVA,土工布为350g/㎡的无纺布,土工布采用射钉固定在初支表面,防水板采用无钉铺设工艺,铺设基层平整度不应大于1/10(凹槽深度与宽度之比)。
衬砌防水板背后环向设置Φ50单壁打孔波纹管排水盲沟,其间距视地下水的发育状况而定,一般地段8m设一环;边墙脚设Φ110的纵向双壁打孔波纹管贯通隧道,环向盲管与纵向盲管接入隧道侧沟内,环向盲管与纵向盲管要求外包土工布。
二、施工工艺及施工方法2.1 施工工艺土工布、防水板、排水盲管施工工艺流程见下图“土工布、防水板、排水盲管施工工艺流程图”。
土工布、防水板、排水盲管施工工艺流程图2.2 施工方法2.2.1初支表面处理⑴.局部集中出水点采用注浆堵水或埋设引水管直接排水到边沟。
⑵.钢筋等凸出部分,先切断后用锤铆平抹砂浆素灰(如下图)。
⑶.有凸出的管道时,用砂浆抹平(如下图)。
⑷.锚杆有凸出部位时,螺头顶预留5mm切断后,用塑料帽处理(如下图)。
⑸.初期支护应无空鼓、裂缝、松酥,表面应平顺,凹凸量不得超过±5cm(如下图)。
超出部分应凿平,并应砂浆抹面。
2.2.2环向排水盲管安装隧道衬砌防水板背后设直径Φ50单壁打孔波纹管排水盲沟,环向盲沟每隔8设置1道,富水地段适当加密,环向排水盲管外用土工布包裹,并用扎丝捆绑好。
环向排水盲沟安装前,在初支表面按安装间距环向划线,以确保环向盲沟安装间距符合设计要求,确保盲沟布设位置能有效排水。
在环向划线上每隔50cm位置钻孔安装管卡。
管卡安装完毕后安装环向排水盲沟,盲管安装应牢固可靠并紧贴喷射砼面。
在环向盲沟与纵向盲沟交接处设横向排水盲沟将水引入两侧排水沟。
XX工程技术交底
日期:行业土木y# 1
工程名称XX隧道交底单位
单位工程名称交底部位
一、内容及说明
本交底适用于XX隧道防水板、土工布施工。
二、设计参数
1、隧道衬砌背后铺设土工布缓冲层和防水板,防水板规格尺寸:厚度为1.5mm、宽度为4m、长度32m。
土工布重量不小于400g/m2。
防水板和土工布分离设置。
防水板搭接长度大于15cm,土工布搭接大于5cm。
无纺布采用热熔垫片固定,固定间距:拱部0.5m、边墙0.9m,呈梅花型排列,并左右上下成行固定。
暗钉圈固定缓冲层示意图
拱部暗钉圈示意图
边墙暗钉圈示意图
三、施工方法及工艺流程
行业土木y# 1
1、施工准备:检查防水板的质量有无破损、撕裂、油污等。
铺设台车行走轨道;施工时采用两个作业台架,一个用于基面处理,一个用于挂防水板。
由测量班对隧道净空检查,对个别欠挖部位进行处理。
2、防水板铺设前应先对隧道初期支护喷混凝土表面进行处理,切除锚杆头和钢筋露头,并用细石混凝土抹平覆盖,确保喷射混凝土填平,确保喷混凝土表面平整,无尖锐角。
钢筋网等凸出部分,先切断后用锤铆平抹砂浆素灰(如下图)。
切断用锤打砂浆素灰抹面
对有突出的管道,先切割后用锤铆平,抹砂浆(如下图)。
切断面要平整用砂浆填死
锚杆有凸出部位时,螺头顶预留5mm切断后,用塑料帽处理(如下图)。
行业土木y# 1。
一、交底目的为确保隧道防水板施工过程中的安全,提高施工质量,预防安全事故的发生,现将隧道防水板安全技术交底如下,请各施工人员认真阅读并严格执行。
二、交底内容1. 施工人员要求(1)施工人员必须经过专业培训,取得相关操作资格证书。
(2)施工人员应熟悉隧道防水板施工技术要求和安全操作规程。
(3)施工人员应严格遵守施工现场各项规章制度,确保自身安全。
2. 施工材料要求(1)防水板应符合国家标准,具有足够的防水性能。
(2)防水板应无破损、变形、老化等现象。
(3)施工材料应按照规定进行检验,确保质量合格。
3. 施工工艺要求(1)施工前,应先进行现场勘查,了解地质条件、隧道结构、地下水情况等。
(2)根据现场情况,制定合理的施工方案,包括施工顺序、施工方法、施工步骤等。
(3)施工过程中,应严格按照施工方案进行操作,确保施工质量。
4. 施工安全措施(1)施工现场应设置明显的安全警示标志,提醒施工人员注意安全。
(2)施工人员必须佩戴安全帽、安全带等防护用品。
(3)高空作业时,必须使用安全绳、安全网等安全设施。
(4)施工过程中,应保持施工现场整洁,避免滑倒、摔伤等事故发生。
(5)施工现场应配备必要的应急救援设备,如急救箱、消防器材等。
5. 施工质量控制(1)施工过程中,应加强对防水板的检验,确保其质量符合要求。
(2)施工完成后,应进行防水试验,检测防水效果。
(3)防水板施工完成后,应进行验收,确保施工质量。
三、交底时间(此处填写交底时间)四、交底人(此处填写交底人姓名及职务)五、接收人(此处填写接收人姓名及职务)六、注意事项1. 施工人员应严格按照安全技术交底要求进行施工,确保施工安全。
2. 施工过程中,如发现安全隐患,应立即停止施工,并报告相关部门。
3. 施工完成后,应做好施工记录,以便日后查阅。
4. 施工人员应加强安全意识,提高自我保护能力。
请各施工人员认真学习本安全技术交底,确保隧道防水板施工安全、顺利进行。
技术交底书
JL-CX-7-05-05
交底单位:中铁二十一局集团巴珠铁路项目经理部编号:
编制者:审核者:第页共页
技术交底书
JL-CX-7-05-05
交底单位:中铁二十一局集团巴珠铁路项目经理部编号:
编制者:审核者:第页共页
技术交底书
JL-CX-7-05-05
交底单位:中铁二十一局集团巴珠铁路项目经理部编号:
编制者:审核者:第页共页
技术交底书
JL-CX-7-05-05
交底单位:中铁二十一局集团巴珠铁路项目经理部编号:
编制者:审核者:第页共页
技术交底书
JL-CX-7-05-05
交底单位:中铁二十一局集团巴珠铁路项目经理部编号:
编制者:审核者:第页共页
技术交底书
JL-CX-7-05-05
交底单位:中铁二十一局集团巴珠铁路项目经理部编号:
编制者:审核者:第页共页
技术交底书
JL-CX-7-05-05
交底单位:中铁二十一局集团巴珠铁路项目经理部编号:
编制者:审核者:第页共页
技术交底书
JL-CX-7-05-05
交底单位:中铁二十一局集团巴珠铁路项目经理部编号:
编制者:审核者:第页共页
技术交底书
JL-CX-7-05-05
交底单位:中铁二十一局集团巴珠铁路项目经理部编号:
编制者:审核者:第页共页。
XX工程技术交底日期:工程名称XX隧道交底单位单位工程名称交底部位一、内容及说明本交底适用于XX隧道防水板、土工布施工。
二、设计参数1、隧道衬砌背后铺设土工布缓冲层和防水板,防水板规格尺寸:厚度为1.5mm、宽度为4m、长度32m。
土工布重量不小于400g/m2。
防水板和土工布分离设置。
防水板搭接长度大于15cm,土工布搭接大于5cm。
无纺布采用热熔垫片固定,固定间距:拱部0.5m、边墙0.9m,呈梅花型排列,并左右上下成行固定。
暗钉圈固定缓冲层示意图拱部暗钉圈示意图边墙暗钉圈示意图三、施工方法及工艺流程1、施工准备:检查防水板的质量有无破损、撕裂、油污等。
铺设台车行走轨道;施工时采用两个作业台架,一个用于基面处理,一个用于挂防水板。
由测量班对隧道净空检查,对个别欠挖部位进行处理。
2、防水板铺设前应先对隧道初期支护喷混凝土表面进行处理,切除锚杆头和钢筋露头,并用细石混凝土抹平覆盖,确保喷射混凝土填平,确保喷混凝土表面平整,无尖锐角。
钢筋网等凸出部分,先切断后用锤铆平抹砂浆素灰(如下图)。
切断用锤打砂浆素灰抹面对有突出的管道,先切割后用锤铆平,抹砂浆(如下图)。
切断面要平整用砂浆填死锚杆有凸出部位时,螺头顶预留5mm切断后,用塑料帽处理(如下图)。
3、缓冲层铺设,用作业台车将单幅无纺布固定到预定位置,由拱部向两侧边墙铺设。
用专业射钉将热熔垫片和土工布平顺地固定在喷射混凝土上,固定点间距:拱部0.6m 、边墙0.9m 。
呈梅花形排列,基面凸凹较大处应增加固定点,使缓冲层与基面密贴。
缓冲层搭接宽度不小于5cm ,铺设的缓冲层应平顺,无隆起,无皱褶。
4、防水板铺设:4.1、防水板铺设应超前二次衬砌施工,采用电热压焊器进行焊接,铺设采用专用台车进行,并设临时挡板防止机械损伤和电火花灼伤防水板。
4.2、防水板与无纺布分开铺设,先在初期支护上铺设无纺布,再利用无纺布安装专用热熔垫片把防水板固定在无纺布上。
防水板加土工布铺设示意图4.3、防水板铺挂前,用专业射钉将热熔垫片和土工布平顺地固定在喷射混凝土上,固定点间距:拱部0.6m 、边墙0.9m 。
隧道防水板施工技术交底书(总9页) -本页仅作为预览文档封面,使用时请删除本页-
技术交底书
JL-CX-7-05-05
交底单位:中铁二十一局集团巴珠铁路项目经理部编号:
技术交底书
JL-CX-7-05-05
交底单位:中铁二十一局集团巴珠铁路项目经理部编号:
技术交底书
JL-CX-7-05-05
交底单位:中铁二十一局集团巴珠铁路项目经理部编号:
技术交底书
JL-CX-7-05-05
交底单位:中铁二十一局集团巴珠铁路项目经理部编号:
技术交底书
JL-CX-7-05-05
交底单位:中铁二十一局集团巴珠铁路项目经理部编号:
技术交底书
JL-CX-7-05-05
交底单位:中铁二十一局集团巴珠铁路项目经理部编号:
技术交底书
JL-CX-7-05-05
交底单位:中铁二十一局集团巴珠铁路项目经理部编号:
技术交底书
JL-CX-7-05-05
交底单位:中铁二十一局集团巴珠铁路项目经理部编号:
技术交底书
JL-CX-7-05-05
交底单位:中铁二十一局集团巴珠铁路项目经理部编号:
11。
XX工程技术交底日期:工程名称XX隧道交底单位单位工程名称交底部位一、内容及说明本交底适用于XX隧道防水板、土工布施工。
二、设计参数1、隧道衬砌背后铺设土工布缓冲层和防水板,防水板规格尺寸:厚度为1.5mm、宽度为4m、长度32m。
土工布重量不小于400g/m2。
防水板和土工布分离设置。
防水板搭接长度大于15cm,土工布搭接大于5cm。
无纺布采用热熔垫片固定,固定间距:拱部0.5m、边墙0.9m,呈梅花型排列,并左右上下成行固定。
暗钉圈固定缓冲层示意图拱部暗钉圈示意图边墙暗钉圈示意图三、施工方法及工艺流程1、施工准备:检查防水板的质量有无破损、撕裂、油污等。
铺设台车行走轨道;施工时采用两个作业台架,一个用于基面处理,一个用于挂防水板。
由测量班对隧道净空检查,对个别欠挖部位进行处理。
2、防水板铺设前应先对隧道初期支护喷混凝土表面进行处理,切除锚杆头和钢筋露头,并用细石混凝土抹平覆盖,确保喷射混凝土填平,确保喷混凝土表面平整,无尖锐角。
钢筋网等凸出部分,先切断后用锤铆平抹砂浆素灰(如下图)。
切断用锤打砂浆素灰抹面对有突出的管道,先切割后用锤铆平,抹砂浆(如下图)。
切断面要平整用砂浆填死锚杆有凸出部位时,螺头顶预留5mm切断后,用塑料帽处理(如下图)。
3、缓冲层铺设,用作业台车将单幅无纺布固定到预定位置,由拱部向两侧边墙铺设。
用专业射钉将热熔垫片和土工布平顺地固定在喷射混凝土上,固定点间距:拱部0.6m 、边墙0.9m 。
呈梅花形排列,基面凸凹较大处应增加固定点,使缓冲层与基面密贴。
缓冲层搭接宽度不小于5cm,铺设的缓冲层应平顺,无隆起,无皱褶。
4、防水板铺设:4.1、防水板铺设应超前二次衬砌施工,采用电热压焊器进行焊接,铺设采用专用台车进行,并设临时挡板防止机械损伤和电火花灼伤防水板。
4.2、防水板与无纺布分开铺设,先在初期支护上铺设无纺布,再利用无纺布安装专用热熔垫片把防水板固定在无纺布上。
防水板加土工布铺设示意图4.3、防水板铺挂前,用专业射钉将热熔垫片和土工布平顺地固定在喷射混凝土上,固定点间距:拱部0.6m 、边墙0.9m。
XX工程技术交底
日期: 工程名称XX隧道交底单位
单位工程名称交底部位
一、内容及说明
本交底适用于XX隧道防水板、土工布施工。
二、设计参数
1、隧道衬砌背后铺设土工布缓冲层和防水板,防水板规格尺寸:厚度为1.5mm、宽度为4m、长度32m。
土工布重量不小于400g/m2。
防水板和土工布分离设置。
防水板搭接长度大于15cm,土工布搭接大于5cm。
无纺布采用热熔垫片固定,固定间距:拱部0.5m、边墙0.9m,呈梅花型排列,并左右上下成行固定。
暗钉圈固定缓冲层示意图
拱部暗钉圈示意图
边墙暗钉圈示意图
三、施工方法及工艺流程
1、施工准备:检查防水板的质量有无破损、撕裂、油污等。
铺设台车行走轨道;施工时采用两个作业台架,一个用于基面处理,一个用于挂防水板。
由测量班对隧道净空检查,对个别欠挖部位进行处理。
2、防水板铺设前应先对隧道初期支护喷混凝土表面进行处理,切除锚杆头和钢筋露头,并用细石混凝土抹平覆盖,确保喷射混凝土填平,确保喷混凝土表面平整,无尖锐角。
钢筋网等凸出部分,先切断后用锤铆平抹砂浆素灰(如下图)。
切断用锤打砂浆素灰抹面
对有突出的管道,先切割后用锤铆平,抹砂浆(如下图)。
切断面要平整用砂浆填死
锚杆有凸出部位时,螺头顶预留5mm切断后,用塑料帽处理(如下图)。
3、缓冲层铺设,用作业台车将单幅无纺布固定到预定位置,由拱部向两侧边墙铺设。
用专业射钉将热熔垫片和土工布平顺地固定在喷射混凝土上,固定点间距:拱部0.6m 、边墙0.9m 。
呈梅花形排列,基面凸凹较大处应增加固定点,使缓冲层与基面密贴。
缓冲层搭接宽度不小于5cm,铺设的缓冲层应平顺,无隆起,无皱褶。
4、防水板铺设:
4.1、防水板铺设应超前二次衬砌施工,采用电热压焊器进行焊接,铺设采用专用台车进行,并设临时挡板防止机械损伤和电火花灼伤防水板。
4.2、防水板与无纺布分开铺设,先在初期支护上铺设无纺布,再利用无纺布安装专用热熔垫片把防水板固定在无纺布上。
防水板加土工布铺设示意图
4.3、防水板铺挂前,用专业射钉将热熔垫片和土工布平顺地固定在喷射混凝土上,固定点间距:拱部0.6m 、边墙0.9m 。
呈梅花形排列呈梅花型布置,并左右上下成行布置。
4.4、防水板铺设由拱部向两侧进行铺设,与热熔垫片连接采用电热压焊器热熔焊
初期支护界面
切断5mm以上切 断
螺栓
盖帽
塑料帽
保护砂浆
围岩
初期支护热熔衬砌射钉
金属垫片无纱布防水板
接,防水板的固定应松紧适度并根据基面的圆顺程度留足余量。
暗钉圈固定缓冲层示意
4.5、环向铺设时,下部防水板应压住上部防水板;防水板纵向搭接与环向搭接处应采用丁字接头。
初正常施工外,应再覆盖一层同类材料的防水板,用热熔焊接法焊接。
防水板搭接示意
4.6
、搭接宽度不应小于15cm,分段铺设的防水板边缘部位应预留至少60cm 的搭接余量。
防水板焊接,防水板之间搭接缝采用热熔双焊缝焊接,单条焊缝的有效焊缝宽度不小于15mm 。
不得焊焦焊穿。
焊接温度及速度由现场试验确定(可参考以下数据:焊接温度应控制在2021270℃为宜,并保持适当的速度,即控制在0.1~0.15m/min 范围内)。
焊缝焊接质量检查应按充气法检查,发现漏气及时修补。
防水板搭接缝应与施工缝错开1.0~2.0m 。
缓冲层
热塑性圆垫圈围岩
初期支护金属垫圈
射钉
围岩
热塑性圆垫圈
30c m
30c m
不允许
允许
允许
真空检查缝隙
防水板搭接示意
5、焊缝充气检查:防水板的搭接缝焊接质量检查应按充气法检查,先堵住空气道的一端,然后用空气检测器从另一端打气加压,直到压力达到0.25MPa,保持该压力不小于15min,允许压力下降不超过10%,如果达到要求,说明焊缝合格;如压力下降过快,说明有未焊好处。
用肥皂水涂在焊缝上,有气泡的地方重新补焊,直到不漏气为止。
6、防水板破损处理:如果发现防水板有破损,必须及时修补。
先取一小块防水板剪成圆角,除尽两防水板上的灰尘后,将其置于破损处,然后用手动电热熔接器焊接。
防水层施工工工艺图
四、安全质量注意事项:
1、环向铺设时,下部防水板应压住上部防水板。
2、三层以上塑料防水板的搭接形式必须是“T”型接头。
3、混凝土振捣时,振捣棒不得接触防水板,以防防水板受到损伤。
4、钢筋混凝土衬砌,要对钢筋头部进行防护,避免损伤防水板。
5、防水板搭接缝应与衬砌施工缝错开1.0~2.0m。
6、防水板施工中应对火源及可燃物进行严格管理,火源可可燃物要分开,防水材料严禁在隧道内存放,更不能作为堆放场地。
7、铺设防水板施工作业范围内应禁止吸烟并设有标志,防水板台车应配置灭火器,并明确防火责任人。
8、防水板的焊接应采用双面焊、以调温、调速热楔入自动爬行式热合机热熔焊接;
焊接时应注意温度和速度的控制,防止烫伤。
9、在焊接钢筋接头时必须对防水板进行防护,防止焊花点燃防水板引起火。
10、防水板铺设过程中应采用专用台车从拱部向两侧边墙悬挂进行,铺设前先行试铺,再加以调整。
作业人员应立在平稳台车上,步调一致,克服麻痹思想,高处作业人员(2m以上)必须佩戴安全带,防止发生人员坠落事故。
五、环、水保要求
详见《XX隧道环、水保专项施工方案》。
不明之处请与交底人联系。
编制人复核人
接收单位接收人。