[重点]常用建筑材料图例
- 格式:doc
- 大小:136.50 KB
- 文档页数:4
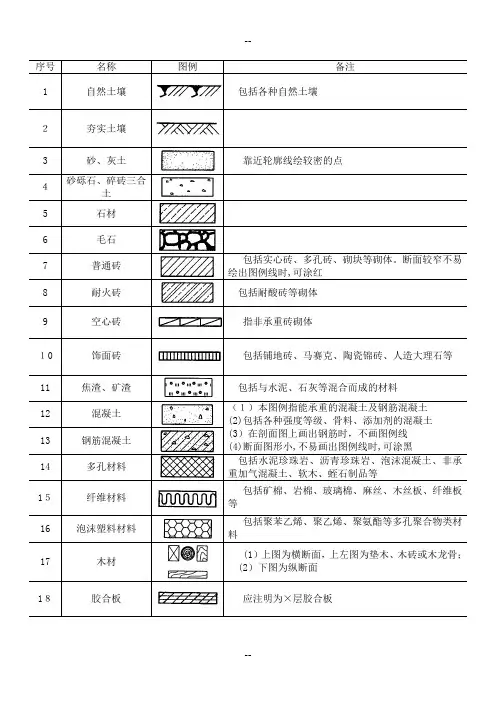
序号名称图例备注1自然土壤包括各种自然土壤2夯实土壤3砂、灰土靠近轮廓线绘较密的点4砂砾石、碎砖三合土5石材6毛石7普通砖包括实心砖、多孔砖、砌块等砌体。
断面较窄不易绘出图例线时,可涂红8耐火砖包括耐酸砖等砌体9空心砖指非承重砖砌体1饰面砖包括铺地砖、马赛克、陶瓷锦砖、人造大理石等11焦渣、矿渣包括与水泥、石灰等混合而成的材料1 2混凝土(1)本图例指能承重的混凝土及钢筋混凝土(2)包括各种强度等级、骨料、添加剂的混凝土(3)在剖面图上画出钢筋时,不画图例线(4)断面图形小,不易画出图例线时,可涂黑13钢筋混凝土1 4多孔材料包括水泥珍珠岩、沥青珍珠岩、泡沫混凝土、非承重加气混凝土、软木、蛭石制品等1 5纤维材料包括矿棉、岩棉、玻璃棉、麻丝、木丝板、纤维板等1 6泡沫塑料材料包括聚苯乙烯、聚乙烯、聚氨酯等多孔聚合物类材料1 7木材(1)上图为横断面,上左图为垫木、木砖或木龙骨;(2)下图为纵断面18胶合板应注明为×层胶合板19石膏板包括圆孔、方孔石膏板、防水石膏板等序号名称图例备注2 0金属(1)包括各种金属(2)图形小时,可涂黑2 1网状材料(1)包括金属、塑料网状材料(2)应注明具体材料名称22液体应注明具体液体名称2 3玻璃包括平板玻璃、磨砂玻璃、夹丝玻璃、钢化玻璃、中空玻璃、加层玻璃、镀膜玻璃等24橡胶25塑料包括各种软、硬塑料及有机玻璃等26防水材料构造层次多或比例大时,采用上面图例27粉刷本图例采用较稀的点。
常用建筑材料图例
序号名称图例备注1自然土壤包括各种自然土壤
2夯实土壤
3砂、灰土靠近轮廓线绘较密的点4砂砾石、碎砖三合土
5石材
6毛石
7普通砖
包括实心砖、多孔砖、砌块等砌体。
断面较窄不易绘出图例线时,可涂红
8耐火砖包括耐酸砖等砌体
9空心砖指非承重砖砌体
10饰面砖包括铺地砖、马赛克、陶瓷锦砖、人造大理石等11焦渣、矿渣包括与水泥、石灰等混合而成的材料
12混凝土(1)本图例指能承重的混凝土及钢筋混凝土(2)包括各种强度等级、骨料、添加剂的混凝土(3)在剖面图上画出钢筋时,不画图例线(4)断面图形小,不易画出图例线时,可涂黑
13钢筋混凝土
14多孔材料
包括水泥珍珠岩、沥青珍珠岩、泡沫混凝土、非承重加气混凝土、软木、蛭石制品等
15纤维材料包括矿棉、岩棉、玻璃棉、麻丝、木丝板、纤维板等16泡沫塑料材料包括聚苯乙烯、聚乙烯、聚氨酯等多孔聚合物类材料
17木材(1)上图为横断面,上左图为垫木、木砖或木龙骨;(2)下图为纵断面
18胶合板应注明为×层胶合板
19石膏板包括圆孔、方孔石膏板、防水石膏板等
20金属(1)包括各种金属(2)图形小时,可涂黑
序号名称图例备注
21网状材料(1)包括金属、塑料网状材料(2)应注明具体材料名称
22液体应注明具体液体名称
23玻璃
包括平板玻璃、磨砂玻璃、夹丝玻璃、钢化玻璃、中空玻璃、加层玻璃、镀膜玻璃等
24橡胶
25塑料包括各种软、硬塑料及有机玻璃等
26防水材料构造层次多或比例大时,采用上面图例27粉刷本图例采用较稀的点
如有侵权请联系告知删除,感谢你们的配合!。
第一章9 常用建筑材料图例第二章9.1 一般规定9.1.1 本标准只规定常用建筑材料的图例画法,对其尺度比例不作具体规定。
使用时,应根据图样大小而定,并应符合下列规定:1 图例线应间隔均匀,疏密适度,做到图例正确,表示清楚;2 不同品种的同类材料使用同一图例时,应在图上附加必要的说明;3 两个相同的图例相接时,图例线宜错开或使倾斜方向相反(图9.1.1-1);图9.1.1-1 相同图例相接时的画法4 两个相邻的涂黑图例间应留有空隙,其净宽度不得小于0.5mm(图9.1.1-2)。
图9.1.1-2 相邻涂黑图例的画法9.1.2 下列情况可不加图例,但应加文字说明:1 一张图纸内的图样只用一种图例时;2 图形较小无法画出建筑材料图例时。
9.1.3 需画出的建筑材料图例面积过大时,可在断面轮廓线内,沿轮廓线作局部表示(图9.1.3)图9.1.3 局部表示图例9.1.4 当选用本标准中未包括的建筑材料时,可自编图例。
但不得与本标准所列的图例重复。
绘制时,应在适当位置画出该材料图例,并加以说明。
条文说明9.1 一般规定本节条文确定了本章的编制原则和使用规则。
鉴于建筑材料生产的蓬勃发展,品种日益繁多,因此在编制图例时,不可能包罗万象,只能分门别类,将常用建材归纳为二十几个基本类型,作为图例,同时确定了如下使用规则:1 采用同一图例但需要指出特定品种时,应附加必要的说明;2 作为一种材料符号,不规定尺度比例,应根据图样大小予以掌握,使图例线疏密适度,尺度得当;3 对本标准未包括在内的建筑材料,允许自行编制、补充图例。
9.1.1 不同品种的同类材料使用同一图例时,如某些特定部位的石膏板必须注明是防水石膏板时,应在图上附加必要的说明。
两个相邻的涂黑图例,如混凝土构件、金属件间,应留有字隙。
第三章9.2 常用建筑材料图例9.2.1 常用建筑材料应按表9.2.1所示图例画法绘制。
表9.2.1 常用建筑材料图例注:序号1、2、5、7、8、13、14、16、17、18图例中的斜线、短斜线、交叉斜线等均为45°。
1 自然土壤包括各种自然土壤2夯实土壤3 砂、灰土靠近轮廓线绘较密的点4砂砾石、碎砖三合土5 石材6 毛石7 普通砖包括实心砖、多孔砖、砌块等砌体。
断面较窄不易绘出图例线时,可涂红8 耐火砖包括耐酸砖等砌体9 空心砖指非承重砖砌体10 饰面砖包括铺地砖、马赛克、陶瓷锦砖、人造大理石等11 焦渣、矿渣包括与水泥、石灰等混合而成的材料12 混凝土(1)本图例指能承重的混凝土及钢筋混凝土(2)包括各种强度等级、骨料、添加剂的混凝土(3)在剖面图上画出钢筋时,不画图例线(4)断面图形小,不易画出图例线时,可涂黑13 钢筋混凝土14 多孔材料包括水泥珍珠岩、沥青珍珠岩、泡沫混凝土、非承重加气混凝土、软木、蛭石制品等15纤维材料包括矿棉、岩棉、玻璃棉、麻丝、木丝板、纤维板等16 泡沫塑料材料包括聚苯乙烯、聚乙烯、聚氨酯等多孔聚合物类材料17 木材(1)上图为横断面,上左图为垫木、木砖或木龙骨;(2)下图为纵断面18胶合板应注明为×层胶合板19 石膏板 包括圆孔、方孔石膏板、防水石膏板等 20 金属(1)包括各种金属 (2)图形小时,可涂黑21 网状材料 (1)包括金属、塑料网状材料(2)应注明具体材料名称22 液体应注明具体液体名称 23 玻璃 包括平板玻璃、磨砂玻璃、夹丝玻璃、钢化玻璃、中空玻璃、加层玻璃、镀膜玻璃等24 橡胶25 塑料包括各种软、硬塑料及有机玻璃等 26 防水材料 构造层次多或比例大时,采用上面图例 27 粉刷本图例采用较稀的点28 毛石混凝土29 新设计的建筑物 1.需要时,可用▲表示出入口,可在图形内右上角用点数或数字表示层数2.建筑物外形(一般以±0.00高度处的外墙定位轴线或外墙面线为准)用粗实线表示,需要时,地面以上建筑用中粗实线表示,地下以下建筑用细虚线表示30 原有的建筑物用细实线表示 31 计划扩建的建筑物用中粗虚线表示 32 拆除的建筑物用细实线表示33 道路34公路桥35砖石、混凝土围墙36铁丝网、蓠笆等37河流38等高线39 边坡40 风向频率玫瑰图41 新设计的墙42 墙上预留洞口43土墙44 板条墙45入口坡道46 底层楼梯47 中间楼梯48 顶层楼梯49单扇门50 双扇门51 双扇推位门52单扇双面弹簧门53 双扇双面弹簧门54单层固定窗55检查孔(地面、吊顶)56烟道57空门洞58 单层外开上悬窗59 单层中悬窗60水平推拉窗61平开窗62 建筑物下面的通道63 散状材料露天堆场需要时可注明材料名称 64 其他材料露天堆场或露天作业场65 铺砌场地66 敞棚或敞廊67高架式料仓6869 漏斗式贮仓 左、右图为底卸式中图为侧卸式70 冷却塔(池) 应注明冷却塔或冷却池71 水塔、贮罐 左图为水塔或立式贮罐右图为卧式贮罐72 水池、坑槽也可以不涂黑 73 明溜矿槽(井)74 斜井或平涧75 烟囱 实线为烟囱下部直径,虚线为基础,必要时可注写烟囱高度和上、下口直径76围墙及大门实体性质的围墙, 77 通透性质的围墙,若仅表示围墙时不画大门78 挡土墙 被挡土在“突出”的一侧 79 挡土墙上设围墙80 台阶 箭头指向表示向下 81 露天桥式起重机 “+”为柱子位置82露天电动葫芦“+”为支架位置 8384门式起重机有外伸臂 85无外伸臂 86 架空索道 “I”为支架位置87 斜坡卷扬机道88 斜坡栈桥(皮带廊等) 细实线表示支架中心线位置89坐标测量坐标 90 建筑坐标91 方格网交叉点标高“78.85”为原地面标高“77.85”为设计标高“-0.50”为施工高度“-”表示挖方(“+”表示填方)92 填方区、挖方区、未整平区及零点线“+”表示填方区 “-”表示挖方区 中间为未整平区 点划线为零点线 93 填挖边坡 1.边坡较长时,可在一端或两端局部表示2.下边线为虚线时表示填方94 护坡95分水脊线与谷线脊线 96谷线 97 洪水淹没线 阴影部分表示淹没区(可在底图背面涂红)98 排水明沟 1.上图用于比例较大的图面,下图用于比例较小的图面2.“1”表示1%的沟底纵向坡度,“40.00”表示变坡点间距离,箭头表示水流方向3.“107.50”表示沟底标高99 100 铺砌的排水明沟 1.上图用于比例较大的图面,下图用于比例较小的图面2.“1”表示1%的沟底纵向坡度,“40.00”表示变坡点间距离,箭头表示水流方向3.“107.50”表示沟底标高101 102 有盖的排水沟 1.上图用于比例较大的图面,下图用于比例较小的图面2.“1”表示1%的沟底纵向坡度,“40.00”表示变坡点间距离,箭头表示水流方向 103104地表排水方向 105 截水沟或排水沟“1”表示1%的沟底纵向坡度,“40.00”表示变坡点间距离,箭头表示水流方向。
常用建筑材料图例整理常用建筑材料图例整理本文档旨在为建筑行业提供关于常用建筑材料的详细图例及说明。
以下是对常用建筑材料进行细化的章节内容:一、混凝土与砖块1.1 普通混凝土1.2 高强混凝土1.3 预应力混凝土1.4 砖块及其规格1.5 砖墙施工图例二、钢筋与钢材2.1 钢筋标志及规格2.2 钢材种类及用途2.3 钢结构构件图例2.4 钢筋混凝土构件图例三、木材与木制品3.1 构造用软木3.2 构造用实木3.3 工艺用木材3.4 木制品图例四、玻璃与塑料材料4.1 透明玻璃4.2 印花玻璃4.3 层压玻璃4.4 塑料板材4.5 塑料制品图例五、涂料与防水材料5.1 油性涂料5.2 乳胶漆5.3 防水涂料5.4 防水材料图例六、隔热材料与保温材料6.1 隔热材料种类6.2 保温材料种类6.3 隔热保温材料图例七、屋顶材料与屋面结构7.1 瓦片种类7.2 沥青瓦材料7.3 屋面结构图例八、墙面装饰材料8.1 石膏板及其用途8.2 石膏装饰图例8.3 涂料装饰图例8.4 壁纸装饰图例九、地板材料与地面结构9.1 实木地板9.2 集成地板9.3 地砖9.4 PVC地板9.5 地面结构图例十、门窗材料10.1 木门、铝合金门10.2 玻璃门、防火门10.3 窗框、窗户10.4 门窗安装图例本文档所涉及附件如下:- 混凝土与砖块施工示意图- 钢筋与钢材标志图例- 木材与木制品实物图片- 玻璃与塑料材料样本图片- 涂料与防水材料施工示例图片- 隔热材料与保温材料实物照片- 屋顶材料与屋面结构施工示意图- 墙面装饰材料实物照片- 地板材料与地面结构施工图例- 门窗材料实物照片本文档所涉及的法律名词及注释:1. 建筑法:指对建筑活动进行管理的法律体系,包括国家建筑法规及相关条例。
2. 建筑法规:指国家对建筑行业的规范和相关的具体执行细则的法律文件。
3. 建筑行业标准:指在建筑行业中广泛应用的技术规范和验收标准。
4. 建筑合同:指建筑项目所涉及的法律文件,明确了合同双方的权益和责任。
1 自然土壤包括各种自然土壤2 夯实土壤3 砂、灰土靠近轮廓线绘较密的点4 砂砾石、碎砖三合土5 石材6 毛石7 普通砖包括实心砖、多孔砖、砌块等砌体。
断面较窄不易绘出图例线时,可涂红8 耐火砖包括耐酸砖等砌体9 空心砖指非承重砖砌体10 饰面砖包括铺地砖、马赛克、陶瓷锦砖、人造大理石等11 焦渣、矿渣包括与水泥、石灰等混合而成的材料12 混凝土(1)本图例指能承重的混凝土及钢筋混凝土(2)包括各种强度等级、骨料、添加剂的混凝土(3)在剖面图上画出钢筋时,不画图例线(4)断面图形小,不易画出图例线时,可涂黑13 钢筋混凝土14 多孔材料包括水泥珍珠岩、沥青珍珠岩、泡沫混凝土、非承重加气混凝土、软木、蛭石制品等15 纤维材料包括矿棉、岩棉、玻璃棉、麻丝、木丝板、纤维板等16 泡沫塑料材料包括聚苯乙烯、聚乙烯、聚氨酯等多孔聚合物类材料17 木材(1)上图为横断面,上左图为垫木、木砖或木龙骨;(2)下图为纵断面18 胶合板应注明为×层胶合板19 石膏板包括圆孔、方孔石膏板、防水石膏板等20 金属(1)包括各种金属(2)图形小时,可涂黑21 网状材料(1)包括金属、塑料网状材料(2)应注明具体材料名称22 液体应注明具体液体名称23 玻璃包括平板玻璃、磨砂玻璃、夹丝玻璃、钢化玻璃、中空玻璃、加层玻璃、镀膜玻璃等24 橡胶25 塑料包括各种软、硬塑料及有机玻璃等26 防水材料构造层次多或比例大时,采用上面图例27 粉刷本图例采用较稀的点欢迎您的下载,资料仅供参考!致力为企业和个人提供合同协议,策划案计划书,学习资料等等打造全网一站式需求。
1 自然土壤包括各种自然土壤2夯实土壤3砂、灰土靠近轮廓线绘较密的点砂砾石、碎砖三4合土5石材6毛石包括实心砖、多孔砖、砌块等砌体。
断面较窄不7普通砖易绘出图例线时,可涂红8耐火砖包括耐酸砖等砌体9空心砖指非承重砖砌体10饰面砖包括铺地砖、马赛克、陶瓷锦砖、人造大理石等11焦渣、矿渣包括与水泥、石灰等混合而成的材料12混凝土(1)本图例指能承重的混凝土及钢筋混凝土(2)包括各种强度等级、骨料、添加剂的混凝土(3)在剖面图上画出钢筋时,不画图例线(4)断面图形小,不易画出图例线时,可涂黑13钢筋混凝土14多孔材料包括水泥珍珠岩、沥青珍珠岩、泡沫混凝土、非承重加气混凝土、软木、蛭石制品等15纤维材料包括矿棉、岩棉、玻璃棉、麻丝、木丝板、纤维板等16泡沫塑料材料包括聚苯乙烯、聚乙烯、聚氨酯等多孔聚合物类材料17木材(1)上图为横断面,上左图为垫木、木砖或木龙骨;(2)下图为纵断面18胶合板应注明为×层胶合板19石膏板包括圆孔、方孔石膏板、防水石膏板等(1)包括各种金属20金属(2)图形小时,可涂黑(1)包括金属、塑料网状材料21网状材料(2)应注明具体材料名称22液体应注明具体液体名称包括平板玻璃、磨砂玻璃、夹丝玻璃、钢化玻璃、23玻璃中空玻璃、加层玻璃、镀膜玻璃等24橡胶25塑料包括各种软、硬塑料及有机玻璃等26防水材料构造层次多或比例大时,采用上面图例27粉刷本图例采用较稀的点28毛石混凝土29新设计的建筑物1.需要时,可用▲表示出入口,可在图形内右上角用点数或数字表示层数2.建筑物外形(一般以±0.00高度处的外墙定位轴线或外墙面线为准)用粗实线表示,需要时,地面以上建筑用中粗实线表示,地下以下建筑用细虚线表示30原有的建筑物用细实线表示31计划扩建的建筑物用中粗虚线表示32拆除的建筑物用细实线表示33道路34公路桥砖石、混凝土围35墙36铁丝网、蓠笆等37河流38等高线39边坡40风向频率玫瑰图41新设计的墙42墙上预留洞口43土墙44板条墙45入口坡道46底层楼梯47中间楼梯48顶层楼梯49单扇门50双扇门51双扇推位门52单扇双面弹簧门53双扇双面弹簧门54单层固定窗检查孔(地面、55吊顶)56烟道57空门洞58单层外开上悬窗59单层中悬窗60水平推拉窗61平开窗建筑物下面的通62道散状材料露天堆63需要时可注明材料名称场其他材料露天堆64场或露天作业场65铺砌场地66敞棚或敞廊67高架式料仓68左、右图为底卸式69漏斗式贮仓中图为侧卸式70冷却塔(池)应注明冷却塔或冷却池左图为水塔或立式贮罐71水塔、贮罐右图为卧式贮罐72水池、坑槽也可以不涂黑73明溜矿槽(井)74斜井或平涧实线为烟囱下部直径,虚线为基础,必要时可注75烟囱写烟囱高度和上、下口直径实体性质的围墙,76围墙及大门77通透性质的围墙,若仅表示围墙时不画大门78挡土墙被挡土在“突出”的一侧79挡土墙上设围墙80台阶箭头指向表示向下81露天桥式起重机“+”为柱子位置82露天电动葫芦“+”为支架位置8384门式起重机有外伸臂85无外伸臂86架空索道“I”为支架位置87斜坡卷扬机道88斜坡栈桥(皮带廊等)细实线表示支架中心线位置89坐标测量坐标90建筑坐标91方格网交叉点标高“78.85”为原地面标高“77.85”为设计标高“-0.50”为施工高度“-”表示挖方(“+”表示填方)92填方区、挖方区、未整平区及零点线“+”表示填方区“-”表示挖方区中间为未整平区点划线为零点线93填挖边坡1.边坡较长时,可在一端或两端局部表示2.下边线为虚线时表示填方94护坡95分水脊线与谷线脊线96谷线97洪水淹没线阴影部分表示淹没区(可在底图背面涂红)98排水明沟1.上图用于比例较大的图面,下图用于比例较99小的图面2.“1”表示1%的沟底纵向坡度,“40.00”表示变坡点间距离,箭头表示水流方向3.“107.50”表示沟底标高100铺砌的排水明沟 1.上图用于比例较大的图面,下图用于比例较小的图面2.“1”表示1%的沟底纵向坡度,“40.00”表示变坡点间距离,箭头表示水流方向3.“107.50”表示沟底标高101102有盖的排水沟 1.上图用于比例较大的图面,下图用于比例较小的图面2.“1”表示1%的沟底纵向坡度,“40.00”表示变坡点间距离,箭头表示水流方向103104地表排水方向105截水沟或排水沟“1”表示1%的沟底纵向坡度,“40.00”表示变坡点间距离,箭头表示水流方向106雨水口107消火栓井108急流槽箭头表示水流方向109跌水110拦水(闸)坝111透水路堤边坡较长时,可在一端或两端局部表示112过水路面113室内标高114室外标高室外标高也可采用等高线表示。
常用建筑材料图例
序号名称图例备注
1 自然土壤包括各种自然土壤
2 夯实土壤
3 砂、灰土靠近轮廓线绘较密的点
4 砂砾石、碎砖三合土
5 石材
6 毛石
7 普通砖
包括实心砖、多孔砖、砌块等砌体。
断面较窄不易绘出图例线时,可涂红
8 耐火砖包括耐酸砖等砌体
9 空心砖指非承重砖砌体
10 饰面砖包括铺地砖、马赛克、陶瓷锦砖、人造大理石等
11 焦渣、矿渣包括与水泥、石灰等混合而成的材料
12 混凝土(1)本图例指能承重的混凝土及钢筋混凝土(2)包括各种强度等级、骨料、添加剂的混凝土(3)在剖面图上画出钢筋时,不画图例线
(4)断面图形小,不易画出图例线时,可涂黑
13 钢筋混凝土
14 多孔材料
包括水泥珍珠岩、沥青珍珠岩、泡沫混凝土、非承重加气混凝土、软木、蛭石制品等
15 纤维材料包括矿棉、岩棉、玻璃棉、麻丝、木丝板、纤维板等
16 泡沫塑料材料包括聚苯乙烯、聚乙烯、聚氨酯等多孔聚合物类材料
17 木材(1)上图为横断面,上左图为垫木、木砖或木龙骨;(2)下图为纵断面
18 胶合板应注明为×层胶合板
19 石膏板包括圆孔、方孔石膏板、防水石膏板等
20 金属(1)包括各种金属(2)图形小时,可涂黑
序号名称图例备注
21 网状材料(1)包括金属、塑料网状材料(2)应注明具体材料名称
22 液体应注明具体液体名称
23 玻璃
包括平板玻璃、磨砂玻璃、夹丝玻璃、钢化玻璃、中空玻璃、加层玻璃、镀膜玻璃等
24 橡胶
25 塑料包括各种软、硬塑料及有机玻璃等
26 防水材料构造层次多或比例大时,采用上面图例
27 粉刷本图例采用较稀的点。
施工图纸常用建筑材料图例
1、本标准只规定常用建筑材料的图例画法,对其尺度比例不作具体规定。
使用时,应根据图样大小而定,并应符合下列规定:
(1)图例线应间隔均匀、疏密适度,做到图例正确、表示清楚;
(2)不同品种的同类材料使用同一图例时,应在图上附加必要的说明;(3)两个相同的图例相接时,图例线宜错开或使倾斜方向相反(图9.1.1-1);
图9.1.1-1 相同图例相接时的画法
(4)两个相邻的填黑或灰的图例间应留有空隙,其净宽度不得小于0.5mm(图9.1.1-2)。
图9.1.1-2 相邻涂黑图例的画法
2、下列情况可不绘制图例,但应增加文字说明:
(1)一张图纸内的图样只采用一种图例时;
(2)图形较小无法绘制表达建筑材料图例时。
3、需画出的建筑材料图例面积过大时,可在断面轮廓线内,沿轮廓线作局部表示(图9.1.3)
图9.1.3 局部表示图例
4、当选用本标准中未包括的建筑材料时,可自编图例。
但不得与本标准所列的图例重复。
绘制时,应在适当位置画出该材料图例,并加以说明。
建造材料图例建造材料图例1. 木材1.1 建造用材1.1.1 红木- 红木是一种质地坚硬、纹理清晰的木材,常用于地板、家具等建造用途。
1.1.2 柚木- 柚木具有耐腐蚀、抗虫蛀的特点,常用于外墙、门窗等建造装饰。
1.1.3 橡木- 橡木具有坚硬、耐用的特性,常用于地板、楼梯扶手等建造结构。
1.2 室内装饰材料1.2.1 胶合板- 胶合板是由多层薄木板胶合而成,常用于家具、隔板等室内装饰。
1.2.2 刨花板- 刨花板是一种颗粒较大的人造板材,常用于家具、橱柜等室内装饰。
1.2.3 竹地板- 竹地板是以竹材为原料制成的地板,具有环保、耐磨等特点。
2. 石材2.1 大理石2.1.1 意大利白大理石- 意大利白大理石纹理优美,常用于建造外墙、室内地面等装饰。
2.1.2 印度红大理石- 印度红大理石色采明艳,常用于建造立面、雕塑等装饰。
2.1.3 中国黑大理石- 中国黑大理石纹理均匀,常用于室内地面、墙壁等装饰。
2.2 花岗岩- 花岗岩硬度高、耐久性强,常用于台面、墙面等建造装饰。
2.3 石英石- 石英石具有坚硬、耐磨的特性,常用于厨房台面等室内装饰。
3. 金属材料3.1 铝合金- 铝合金具有轻质、耐腐蚀的特点,常用于门窗框架、幕墙等建造结构。
3.2 不锈钢- 不锈钢具有耐高温、耐腐蚀的特性,常用于厨房设备、扶手等装饰。
3.3 镀锌钢板- 镀锌钢板具有防锈、耐候性好的特点,常用于屋面、墙面等建造用途。
4. 塑料材料4.1 PVC- PVC是一种常用的塑料材料,具有防水、绝缘等特性,常用于管道、窗框等建造结构。
4.2 PE- PE是一种耐磨、耐腐蚀的塑料材料,常用于水箱、排水管道等建造设备。
4.3 ABS- ABS是一种耐冲击、耐热的塑料材料,常用于卫生设备、家具等室内装饰。
5. 玻璃材料5.1 钢化玻璃- 钢化玻璃具有强度高、安全性好的特点,常用于门窗、玻璃幕墙等建造用途。
5.2 LOW-E玻璃- LOW-E玻璃具有隔热、保温的特性,常用于建造外墙、阳光房等装饰。
[重点]常用建筑材料图例
序号名称图例备注 1 自然土壤包括各种自然土壤
2 夯实土壤
3 砂、灰土靠近轮廓线绘较密的点
4 砂砾石、碎砖三合土
5 石材
6 毛石
包括实心砖、多孔砖、砌块等砌体。
断面较窄不易绘7 普通砖出图例线时,可涂红 8 耐火砖包括耐酸砖等砌体
9 空心砖指非承重砖砌体
10 饰面砖包括铺地砖、马赛克、陶瓷锦砖、人造大理石等
11 焦渣、矿渣包括与水泥、石灰等混合而成的材料
(1)本图例指能承重的混凝土及钢筋混凝土 12 混凝土 (2)包括各种强度等级、骨料、添加剂的混凝土
(3)在剖面图上画出钢筋时,不画图例线 13 钢筋混凝土 (4)断面图形小,不易画出图例线时,可涂黑
包括水泥珍珠岩、沥青珍珠岩、泡沫混凝土、非承重14 多孔材料加气混凝土、软木、蛭石制品等 15 纤维材料包括矿棉、岩棉、玻璃棉、麻丝、木丝板、纤维板等
16 泡沫塑料材料包括聚苯乙烯、聚乙烯、聚氨酯等多孔聚合物类材料
(1)上图为横断面,上左图为垫木、木砖或木龙骨; 17 木材 (2)下图为纵断面
18 胶合板应注明为×层胶合板
19 石膏板包括圆孔、方孔石膏板、防水石膏板等
(1)包括各种金属 20 金属 (2)图形小时,可涂黑
(1)包括金属、塑料网状材料 21 网状材料 (2)应注明具体材料名称 22 液体应注明具体液体名称
序号名称图例备注
包括平板玻璃、磨砂玻璃、夹丝玻璃、钢化玻璃、中23 玻璃空玻璃、加层玻璃、镀膜玻璃等 24 橡胶
25 塑料包括各种软、硬塑料及有机玻璃等
26 防水材料构造层次多或比例大时,采用上面图例
27 粉刷本图例采用较稀的点。