常用建筑材料图例整理.
- 格式:doc
- 大小:600.51 KB
- 文档页数:8
常用建筑材料图例表
序号名称图例说明
1 自然土壤包括各种自然土壤
2 夯实土壤
3 砂、灰土靠近轮廓线点越密的点
4
砂砾石、碎砖三合土
5 天然石材包括岩层、砌石、铺地、贴面等材料
6 毛石
7 普通砖包括砌休、砌块
8 耐火砖包括耐酸砖等
9 空心砖包括各种多孔砖
10 饰面砖包括铺地砖、陶瓷锦砖、人造大理石等
11 混凝土包括各种强度等级、骨料的混凝土
12 钢筋混凝土在剖面图上画钢筋时,不画图例线
13 焦渣、矿渣包括与水泥、石灰等混合而成的材料
序号名称图例说明
14 多防材料包括水泥珍珠岩、沥青珍珠岩、加气混凝土、泡沫塑料、软木等
15 纤维材料包括麻丝、玻璃棉、木丝板、纤维板等
16 松散材料包括木屑、石灰木屑、稻壳等
17 木材上图为横断面,左上图为垫木、木砖、木龙骨,下面为纵断面
18 胶合板注明几层胶合板
19 石膏板
20 金属包括各种金属
21 网状材料包括金属、塑料等网状材料
22 液体注明液体名称
23 玻璃包括平板玻璃、磨砂玻璃、夹丝玻璃、钢化玻璃等
24 橡胶
25 塑料包括各种软、硬塑料及有机玻璃等
26 防水材料构造层次多或比例较大时,采用上面
27 抹灰本图例点以较稀的点。
材料名称图例说明自然土壤包括各种自然土壤.
夯实土壤
水泥砂浆
灰土
砂砾石、级配砂
石
天然石材包括岩层、砌体、铺地、贴面等材料.
毛石
普通砖①包括砌体、砌块.
②断面较窄,不易画出图例线时,可涂红。
混凝土①本图例仅适用于能承重的砼及钢筋砼。
钢筋混凝土②包括各种强度等级、骨料、添加剂的砼。
③在剖面图上画出钢筋时,不画图例线。
④断面较窄,不易画出图例线时,可涂黑。
多孔材料包括水泥珍珠岩、沥清珍珠岩、泡沫砼、非承重加气砼、泡沫塑料、软木等。
木材①上图为横断面,左上图为垫木、木砖、木龙骨。
②下图为纵断面。
金属①包括各种金属.
②图形小时,可涂黑。
常用建筑材料图例
序号名称图例备注1自然土壤包括各种自然土壤
2夯实土壤
3砂、灰土靠近轮廓线绘较密的点4砂砾石、碎砖三合土
5石材
6毛石
7普通砖
包括实心砖、多孔砖、砌块等砌体。
断面较窄不易绘出图例线时,可涂红
8耐火砖包括耐酸砖等砌体
9空心砖指非承重砖砌体
10饰面砖包括铺地砖、马赛克、陶瓷锦砖、人造大理石等11焦渣、矿渣包括与水泥、石灰等混合而成的材料
12混凝土(1)本图例指能承重的混凝土及钢筋混凝土(2)包括各种强度等级、骨料、添加剂的混凝土(3)在剖面图上画出钢筋时,不画图例线(4)断面图形小,不易画出图例线时,可涂黑
13钢筋混凝土
14多孔材料
包括水泥珍珠岩、沥青珍珠岩、泡沫混凝土、非承重加气混凝土、软木、蛭石制品等
15纤维材料包括矿棉、岩棉、玻璃棉、麻丝、木丝板、纤维板等16泡沫塑料材料包括聚苯乙烯、聚乙烯、聚氨酯等多孔聚合物类材料
17木材(1)上图为横断面,上左图为垫木、木砖或木龙骨;(2)下图为纵断面
18胶合板应注明为×层胶合板
19石膏板包括圆孔、方孔石膏板、防水石膏板等
20金属(1)包括各种金属(2)图形小时,可涂黑
序号名称图例备注
21网状材料(1)包括金属、塑料网状材料(2)应注明具体材料名称
22液体应注明具体液体名称
23玻璃
包括平板玻璃、磨砂玻璃、夹丝玻璃、钢化玻璃、中空玻璃、加层玻璃、镀膜玻璃等
24橡胶
25塑料包括各种软、硬塑料及有机玻璃等
26防水材料构造层次多或比例大时,采用上面图例27粉刷本图例采用较稀的点
如有侵权请联系告知删除,感谢你们的配合!。
1天然泥土包含各类天然泥土
2夯实泥土
3砂.灰土接近轮廓线绘较密的点
4砂砾石.碎砖三合
土
5石材6毛石
7通俗砖
包含实心砖.多孔砖.砌块等砌体.断面较窄不轻易绘出图例线时,可涂红
8耐火砖包含耐酸砖等砌体
9空心砖指非承重砖砌体
10饰面砖包含铺地砖.马赛克.陶瓷锦砖.人造大理石等11焦渣.矿渣包含与水泥.石灰等混杂而成的材料
12混凝土
(1)本图例指能承重的混凝土及钢筋混凝土(2)包含各类强度等级.骨料.添加剂的混凝土
(3)在剖面图上画出钢筋时,不绘图例线
(4)断面图形小,不轻易画出图例线时,可涂黑
13钢筋混凝土
14多孔材料
包含水泥珍宝岩.沥青珍宝岩.泡沫混凝土.非承重加气混凝土.软木.蛭石成品等
15纤维材料包含矿棉.岩棉.玻璃棉.麻丝.木丝板.纤维板等
16泡沫塑料材料
包含聚苯乙烯.聚乙烯.聚氨酯等多孔聚合物类材料
17木材
(1)上图为横断面,上左图为垫木.木砖或木龙骨;
(2)下图为纵断面
18胶合板应注明为×层胶合板
19石膏板包含圆孔.方孔石膏板.防水石膏板等
20金属(1)包含各类金属(2)图形小时,可涂黑
21网状材料(1)包含金属.塑料网状材料(2)应注明具体材料名称
22液体应注明具体液体名称
23玻璃
包含平板玻璃.磨砂玻璃.夹丝玻璃.钢化玻璃.中空玻璃.加层玻璃.镀膜玻璃等
24橡胶
25塑料包含各类软.硬塑料及有机玻璃等
26防水材料结构层次多或比例大时,采取上面图例27粉刷本图例采取较稀的点。
1 自然土壤包括各种自然土壤2 夯实土壤3 砂、灰土靠近轮廓线绘较密的点4 砂砾石、碎砖三合土5 石材6 毛石7 普通砖包括实心砖、多孔砖、砌块等砌体。
断面较窄不易绘出图例线时,可涂红8 耐火砖包括耐酸砖等砌体9 空心砖指非承重砖砌体10 饰面砖包括铺地砖、马赛克、陶瓷锦砖、人造大理石等11 焦渣、矿渣包括与水泥、石灰等混合而成的材料12 混凝土(1)本图例指能承重的混凝土及钢筋混凝土(2)包括各种强度等级、骨料、添加剂的混凝土(3)在剖面图上画出钢筋时,不画图例线(4)断面图形小,不易画出图例线时,可涂黑13 钢筋混凝土14 多孔材料包括水泥珍珠岩、沥青珍珠岩、泡沫混凝土、非承重加气混凝土、软木、蛭石制品等15 纤维材料包括矿棉、岩棉、玻璃棉、麻丝、木丝板、纤维板等16 泡沫塑料材料包括聚苯乙烯、聚乙烯、聚氨酯等多孔聚合物类材料17 木材(1)上图为横断面,上左图为垫木、木砖或木龙骨;(2)下图为纵断面18 胶合板应注明为×层胶合板19 石膏板 包括圆孔、方孔石膏板、防水石膏板等 20 金属(1)包括各种金属 (2)图形小时,可涂黑21 网状材料 (1)包括金属、塑料网状材料(2)应注明具体材料名称22 液体应注明具体液体名称 23 玻璃 包括平板玻璃、磨砂玻璃、夹丝玻璃、钢化玻璃、中空玻璃、加层玻璃、镀膜玻璃等24 橡胶25 塑料包括各种软、硬塑料及有机玻璃等 26 防水材料 构造层次多或比例大时,采用上面图例 27 粉刷本图例采用较稀的点28 毛石混凝土29 新设计的建筑物 1.需要时,可用▲表示出入口,可在图形内右上角用点数或数字表示层数2.建筑物外形(一般以±0.00高度处的外墙定位轴线或外墙面线为准)用粗实线表示,需要时,地面以上建筑用中粗实线表示,地下以下建筑用细虚线表示30 原有的建筑物用细实线表示 31 计划扩建的建筑物用中粗虚线表示32 拆除的建筑物 用细实线表示33 道路34 公路桥35 砖石、混凝土围墙36 铁丝网、蓠笆等37 河流38 等高线39 边坡40 风向频率玫瑰图41 新设计的墙42 墙上预留洞口43 土墙44 板条墙45 入口坡道46 底层楼梯47 中间楼梯48 顶层楼梯49 单扇门50 双扇门51 双扇推位门52 单扇双面弹簧门53 双扇双面弹簧门54 单层固定窗55 检查孔(地面、吊顶)56 烟道57 空门洞58 单层外开上悬窗59 单层中悬窗60 水平推拉窗61 平开窗62 建筑物下面的通道63 散状材料露天堆场需要时可注明材料名称 64 其他材料露天堆场或露天作业场65 铺砌场地66 敞棚或敞廊67高架式料仓6869 漏斗式贮仓 左、右图为底卸式中图为侧卸式70 冷却塔(池) 应注明冷却塔或冷却池71 水塔、贮罐 左图为水塔或立式贮罐右图为卧式贮罐72 水池、坑槽也可以不涂黑 73 明溜矿槽(井)74 斜井或平涧75 烟囱 实线为烟囱下部直径,虚线为基础,必要时可注写烟囱高度和上、下口直径76围墙及大门实体性质的围墙, 77 通透性质的围墙,若仅表示围墙时不画大门78 挡土墙 被挡土在“突出”的一侧 79 挡土墙上设围墙80 台阶 箭头指向表示向下 81 露天桥式起重机 “+”为柱子位置 82露天电动葫芦“+”为支架位置 8384门式起重机有外伸臂 85无外伸臂 86 架空索道 “I ”为支架位置87 斜坡卷扬机道88 斜坡栈桥(皮带廊等) 细实线表示支架中心线位置89坐标测量坐标 90建筑坐标 91方格网交叉点标高 “78.85”为原地面标高 “77.85”为设计标高“-0.50”为施工高度“-”表示挖方(“+”表示填方)92 填方区、挖方区、未整平区及零点线“+”表示填方区 “-”表示挖方区 中间为未整平区点划线为零点线 93 填挖边坡 1.边坡较长时,可在一端或两端局部表示2.下边线为虚线时表示填方94 护坡95分水脊线与谷线脊线 96谷线 97 洪水淹没线 阴影部分表示淹没区(可在底图背面涂红)98 排水明沟 1.上图用于比例较大的图面,下图用于比例较小的图面2.“1”表示1%的沟底纵向坡度,“40.00”表示变坡点间距离,箭头表示水流方向3.“107.50”表示沟底标高99 100 铺砌的排水明沟 1.上图用于比例较大的图面,下图用于比例较小的图面2.“1”表示1%的沟底纵向坡度,“40.00”表示变坡点间距离,箭头表示水流方向3.“107.50”表示沟底标高101 102 有盖的排水沟 1.上图用于比例较大的图面,下图用于比例较小的图面2.“1”表示1%的沟底纵向坡度,“40.00”表示变坡点间距离,箭头表示水流方向 103104 地表排水方向105 截水沟或排水沟“1”表示1%的沟底纵向坡度,“40.00”表示变坡点间距离,箭头表示水流方向最新文件仅供参考已改成word文本。
序号名称图例备注1 自然土壤包括各种自然土壤2 夯实土壤3 砂、灰土靠近轮廓线绘较密的点4 砂砾石、碎砖三合土5 石材6 毛石包括实心砖、多孔砖、砌块等砌体。
断面较窄不易绘7 普通砖出图例线时,可涂红8 耐火砖包括耐酸砖等砌体9 空心砖指非承重砖砌体10 饰面砖包括铺地砖、马赛克、陶瓷锦砖、人造大理石等11 焦渣、矿渣包括与水泥、石灰等混合而成的材料12 混凝土(1)本图例指能承重的混凝土及钢筋混凝土(2)包括各种强度等级、骨料、添加剂的混凝土13 钢筋混凝土(3)在剖面图上画出钢筋时,不画图例线(4)断面图形小,不易画出图例线时,可涂黑包括水泥珍珠岩、沥青珍珠岩、泡沫混凝土、非承重14 多孔材料加气混凝土、软木、蛭石制品等15 纤维材料包括矿棉、岩棉、玻璃棉、麻丝、木丝板、纤维板等16 泡沫塑料材料包括聚苯乙烯、聚乙烯、聚氨酯等多孔聚合物类材料序号名称图例备注(1)上图为横断面,上左图为垫木、木砖或木龙骨;17 木材(2)下图为纵断面18 胶合板应注明为×层胶合板19 石膏板包括圆孔、方孔石膏板、防水石膏板等(1)包括各种金属20 金属(2)图形小时,可涂黑(1)包括金属、塑料网状材料21 网状材料(2)应注明具体材料名称22 液体应注明具体液体名称包括平板玻璃、磨砂玻璃、夹丝玻璃、钢化玻璃、中23 玻璃空玻璃、加层玻璃、镀膜玻璃等24 橡胶25 塑料包括各种软、硬塑料及有机玻璃等26 防水材料构造层次多或比例大时,采用上面图例27 粉刷本图例采用较稀的点Welcome To Download !!!欢迎您的下载,资料仅供参考!。
常用建筑装饰材料(图片)
一、胶凝材料与胶凝及
胶凝材料
水泥
混凝土
砂浆
石膏
胶黏剂二、玻璃
玻璃
平板玻璃
安全玻璃三、陶瓷
陶瓷
釉面内墙砖
釉面陶瓷墙地砖
四、石材
石材
天然大理石
天然花岗石
人造装饰石材
五、木质装饰材料
木质材料
实木地板
实木复合地板
强化地板
人造板材
其她木质装饰材料
六、塑料
塑料
塑料门窗
塑料板材
塑料管材七、涂料
涂料
建筑装饰涂料
内墙涂料八、防水材料
防水材料
防水卷材
冷底子油九、金属
金属
金属装饰材料
钢材制品装饰材料
铝及铝合金装饰材料
铜及铜合金装饰材料
其她金属装饰材料。
序号名称图例备注1 自然土壤包括各种自然土壤2 夯实土壤3 砂、灰土靠近轮廓线绘较密的点4 砂砾石、碎砖三合土5 石材6 毛石7 普通砖包括实心砖、多孔砖、砌块等砌体。
断面较窄不易绘出图例线时,可涂红8 耐火砖包括耐酸砖等砌体9 空心砖指非承重砖砌体10 饰面砖包括铺地砖、马赛克、陶瓷锦砖、人造大理石等11 焦渣、矿渣包括与水泥、石灰等混合而成的材料12 混凝土(1)本图例指能承重的混凝土及钢筋混凝土(2)包括各种强度等级、骨料、添加剂的混凝土(3)在剖面图上画出钢筋时,不画图例线(4)断面图形小,不易画出图例线时,可涂黑13 钢筋混凝土14 多孔材料包括水泥珍珠岩、沥青珍珠岩、泡沫混凝土、非承重加气混凝土、软木、蛭石制品等15 纤维材料包括矿棉、岩棉、玻璃棉、麻丝、木丝板、纤维板等16 泡沫塑料材料包括聚苯乙烯、聚乙烯、聚氨酯等多孔聚合物类材料17 木材(1)上图为横断面,上左图为垫木、木砖或木龙骨;(2)下图为纵断面18 胶合板应注明为×层胶合板序号名称图例备注19 石膏板包括圆孔、方孔石膏板、防水石膏板等20 金属(1)包括各种金属(2)图形小时,可涂黑21 网状材料(1)包括金属、塑料网状材料(2)应注明具体材料名称22 液体应注明具体液体名称23 玻璃包括平板玻璃、磨砂玻璃、夹丝玻璃、钢化玻璃、中空玻璃、加层玻璃、镀膜玻璃等24 橡胶25 塑料包括各种软、硬塑料及有机玻璃等26 防水材料构造层次多或比例大时,采用上面图例27 粉刷本图例采用较稀的点28 毛石混凝土29 新设计的建筑物1.需要时,可用▲表示出入口,可在图形内右上角用点数或数字表示层数2.建筑物外形(一般以±0.00高度处的外墙定位轴线或外墙面线为准)用粗实线表示,需要时,地面以上建筑用中粗实线表示,地下以下建筑用细虚线表示30 原有的建筑物用细实线表示31 计划扩建的建筑物用中粗虚线表示序号名称图例备注32 拆除的建筑物用细实线表示33 道路34 公路桥35 砖石、混凝土围墙36 铁丝网、蓠笆等37 河流38 等高线39 边坡40 风向频率玫瑰图41 新设计的墙42 墙上预留洞口43 土墙44 板条墙45 入口坡道序号名称图例备注46 底层楼梯47 中间楼梯48 顶层楼梯49 单扇门50 双扇门51 双扇推位门52 单扇双面弹簧门53 双扇双面弹簧门54 单层固定窗55 检查孔(地面、吊顶)56 烟道57 空门洞58 单层外开上悬窗59 单层中悬窗序号名称图例备注60 水平推拉窗61 平开窗62 建筑物下面的通道63 散状材料露天堆场需要时可注明材料名称64 其他材料露天堆场或露天作业场65 铺砌场地66 敞棚或敞廊67高架式料仓6869 漏斗式贮仓左、右图为底卸式中图为侧卸式70 冷却塔(池)应注明冷却塔或冷却池71 水塔、贮罐左图为水塔或立式贮罐右图为卧式贮罐72 水池、坑槽也可以不涂黑73 明溜矿槽(井)序号名称图例备注74 斜井或平涧75 烟囱实线为烟囱下部直径,虚线为基础,必要时可注写烟囱高度和上、下口直径76围墙及大门实体性质的围墙,77 通透性质的围墙,若仅表示围墙时不画大门78 挡土墙被挡土在“突出”的一侧79 挡土墙上设围墙80 台阶箭头指向表示向下81 露天桥式起重机“+”为柱子位置82露天电动葫芦“+”为支架位置8384门式起重机有外伸臂85 无外伸臂86 架空索道“I”为支架位置87 斜坡卷扬机道序号名称图例备注88 斜坡栈桥(皮带廊等)细实线表示支架中心线位置89坐标测量坐标90 建筑坐标91 方格网交叉点标高“78.85”为原地面标高“77.85”为设计标高“-0.50”为施工高度“-”表示挖方(“+”表示填方)92 填方区、挖方区、未整平区及零点线“+”表示填方区“-”表示挖方区中间为未整平区点划线为零点线93 填挖边坡 1.边坡较长时,可在一端或两端局部表示 2.下边线为虚线时表示填方94 护坡95分水脊线与谷线脊线96 谷线97 洪水淹没线阴影部分表示淹没区(可在底图背面涂红)98排水明沟 1.上图用于比例较大的图面,下图用于比例较小的图面2.“1”表示1%的沟底纵向坡度,“40.00”表示变坡点间距离,箭头表示水流方向3.“107.50”表示沟底标高99100铺砌的排水明沟 1.上图用于比例较大的图面,下图用于比例较小的图面2.“1”表示1%的沟底纵向坡度,“40.00”表示变坡点间距离,箭头表示水流方向3.“107.50”表示沟底标高101序号名称图例备注102有盖的排水沟 1.上图用于比例较大的图面,下图用于比例较小的图面2.“1”表示1%的沟底纵向坡度,“40.00”表示变坡点间距离,箭头表示水流方向103104 地表排水方向105 截水沟或排水沟“1”表示1%的沟底纵向坡度,“40.00”表示变坡点间距离,箭头表示水流方向。
1 自然土壤包括各种自然土壤2 夯实土壤3 砂、灰土靠近轮廓线绘较密的点4 砂砾石、碎砖三合土5 石材6 毛石7 普通砖包括实心砖、多孔砖、砌块等砌体。
断面较窄不易绘出图例线时,可涂红8 耐火砖包括耐酸砖等砌体9 空心砖指非承重砖砌体10 饰面砖包括铺地砖、马赛克、陶瓷锦砖、人造大理石等11 焦渣、矿渣包括与水泥、石灰等混合而成的材料12 混凝土(1)本图例指能承重的混凝土及钢筋混凝土(2)包括各种强度等级、骨料、添加剂的混凝土(3)在剖面图上画出钢筋时,不画图例线(4)断面图形小,不易画出图例线时,可涂黑13 钢筋混凝土14 多孔材料包括水泥珍珠岩、沥青珍珠岩、泡沫混凝土、非承重加气混凝土、软木、蛭石制品等15 纤维材料包括矿棉、岩棉、玻璃棉、麻丝、木丝板、纤维板等16 泡沫塑料材料包括聚苯乙烯、聚乙烯、聚氨酯等多孔聚合物类材料17 木材(1)上图为横断面,上左图为垫木、木砖或木龙骨;(2)下图为纵断面18 胶合板应注明为×层胶合板19 石膏板包括圆孔、方孔石膏板、防水石膏板等20 金属(1)包括各种金属(2)图形小时,可涂黑21 网状材料(1)包括金属、塑料网状材料(2)应注明具体材料名称22 液体应注明具体液体名称23 玻璃包括平板玻璃、磨砂玻璃、夹丝玻璃、钢化玻璃、中空玻璃、加层玻璃、镀膜玻璃等24 橡胶25 塑料包括各种软、硬塑料及有机玻璃等26 防水材料构造层次多或比例大时,采用上面图例27 粉刷本图例采用较稀的点28 毛石混凝土29 新设计的建筑物1.需要时,可用▲表示出入口,可在图形内右上角用点数或数字表示层数2.建筑物外形(一般以±0.00高度处的外墙定位轴线或外墙面线为准)用粗实线表示,需要时,地面以上建筑用中粗实线表示,地下以下建筑用细虚线表示30 原有的建筑物用细实线表示31 计划扩建的建筑物用中粗虚线表示32 拆除的建筑物用细实线表示33 道路34 公路桥35 砖石、混凝土围墙36 铁丝网、蓠笆等37 河流38 等高线39 边坡40 风向频率玫瑰图41 新设计的墙42 墙上预留洞口43 土墙44 板条墙45 入口坡道46 底层楼梯47 中间楼梯48 顶层楼梯49 单扇门50 双扇门51 双扇推位门52 单扇双面弹簧门53 双扇双面弹簧门54 单层固定窗55 检查孔(地面、吊顶)56 烟道57 空门洞58 单层外开上悬窗59 单层中悬窗60 水平推拉窗61 平开窗62 建筑物下面的通道63 散状材料露天堆场需要时可注明材料名称64 其他材料露天堆场或露天作业场65 铺砌场地66 敞棚或敞廊67高架式料仓6869 漏斗式贮仓左、右图为底卸式中图为侧卸式70 冷却塔(池)应注明冷却塔或冷却池71 水塔、贮罐左图为水塔或立式贮罐右图为卧式贮罐72 水池、坑槽也可以不涂黑73 明溜矿槽(井)74 斜井或平涧75 烟囱实线为烟囱下部直径,虚线为基础,必要时可注写烟囱高度和上、下口直径76围墙及大门实体性质的围墙,77 通透性质的围墙,若仅表示围墙时不画大门78 挡土墙被挡土在“突出”的一侧79 挡土墙上设围墙80 台阶箭头指向表示向下81 露天桥式起重机“+”为柱子位置82露天电动葫芦“+”为支架位置8384门式起重机有外伸臂85 无外伸臂86 架空索道“I”为支架位置87 斜坡卷扬机道88 斜坡栈桥(皮带廊等)细实线表示支架中心线位置89坐标测量坐标90 建筑坐标91 方格网交叉点标高“78.85”为原地面标高“77.85”为设计标高“-0.50”为施工高度“-”表示挖方(“+”表示填方)92 填方区、挖方区、未整平区及零点线“+”表示填方区“-”表示挖方区中间为未整平区点划线为零点线93 填挖边坡1.边坡较长时,可在一端或两端局部表示2.下边线为虚线时表示填方94 护坡95分水脊线与谷线脊线96 谷线97 洪水淹没线阴影部分表示淹没区(可在底图背面涂红)98排水明沟1.上图用于比例较大的图面,下图用于比例较小的图面2.“1”表示1%的沟底纵向坡度,“40.00”表示变坡点间距离,箭头表示水流方向3.“107.50”表示沟底标高99100铺砌的排水明沟1.上图用于比例较大的图面,下图用于比例较小的图面2.“1”表示1%的沟底纵向坡度,“40.00”表示变坡点间距离,箭头表示水流方向3.“107.50”表示沟底标高101102有盖的排水沟1.上图用于比例较大的图面,下图用于比例较小的图面2.“1”表示1%的沟底纵向坡度,“40.00”表示变坡点间距离,箭头表示水流方向103104 地表排水方向105 截水沟或排水沟“1”表示1%的沟底纵向坡度,“40.00”表示变坡点间距离,箭头表示水流方向106 雨水口107 消火栓井108 急流槽箭头表示水流方向109 跌水110 拦水(闸)坝111 透水路堤边坡较长时,可在一端或两端局部表示112 过水路面113 室内标高114 室外标高室外标高也可采用等高线表示。
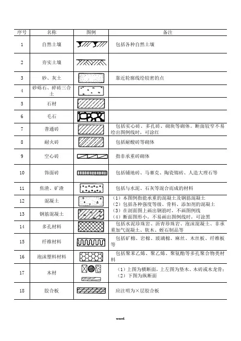
常用建筑材料图例
序号名称图例备注
1 自然土壤包括各种自然土壤
2 夯实土壤
3 砂、灰土靠近轮廓线绘较密的点
4 砂砾石、碎砖三合土
5 石材
6 毛石
7 普通砖
包括实心砖、多孔砖、砌块等砌体。
断面较窄不易绘出图例线时,可涂红
8 耐火砖包括耐酸砖等砌体
9 空心砖指非承重砖砌体
10 饰面砖包括铺地砖、马赛克、陶瓷锦砖、人造大理石等
11 焦渣、矿渣包括与水泥、石灰等混合而成的材料
12 混凝土(1)本图例指能承重的混凝土及钢筋混凝土(2)包括各种强度等级、骨料、添加剂的混凝土(3)在剖面图上画出钢筋时,不画图例线
(4)断面图形小,不易画出图例线时,可涂黑
13 钢筋混凝土
14 多孔材料
包括水泥珍珠岩、沥青珍珠岩、泡沫混凝土、非承重加气混凝土、软木、蛭石制品等
15 纤维材料包括矿棉、岩棉、玻璃棉、麻丝、木丝板、纤维板等
16 泡沫塑料材料包括聚苯乙烯、聚乙烯、聚氨酯等多孔聚合物类材料
17 木材(1)上图为横断面,上左图为垫木、木砖或木龙骨;(2)下图为纵断面
18 胶合板应注明为×层胶合板
19 石膏板包括圆孔、方孔石膏板、防水石膏板等
20 金属(1)包括各种金属(2)图形小时,可涂黑
序号名称图例备注
21 网状材料(1)包括金属、塑料网状材料(2)应注明具体材料名称
22 液体应注明具体液体名称
23 玻璃
包括平板玻璃、磨砂玻璃、夹丝玻璃、钢化玻璃、中空玻璃、加层玻璃、镀膜玻璃等
24 橡胶
25 塑料包括各种软、硬塑料及有机玻璃等
26 防水材料构造层次多或比例大时,采用上面图例
27 粉刷本图例采用较稀的点。
1 自然土壤包括各种自然土壤
2 夯实土壤
3 砂、灰土靠近轮廓线绘较密的点
4 砂砾石、碎砖三合土
5 石材
6 毛石
7 普通砖
包括实心砖、多孔砖、砌块等砌体。
断面较窄不易绘出图例线时,可涂红
8 耐火砖包括耐酸砖等砌体
9 空心砖指非承重砖砌体
10 饰面砖包括铺地砖、马赛克、陶瓷锦砖、人造大理石等
11 焦渣、矿渣包括与水泥、石灰等混合而成的材料
12 混凝土(1)本图例指能承重的混凝土及钢筋混凝土(2)包括各种强度等级、骨料、添加剂的混凝土(3)在剖面图上画出钢筋时,不画图例线
(4)断面图形小,不易画出图例线时,可涂黑
13 钢筋混凝土
14 多孔材料
包括水泥珍珠岩、沥青珍珠岩、泡沫混凝土、非承重加气混凝土、软木、蛭石制品等
15 纤维材料包括矿棉、岩棉、玻璃棉、麻丝、木丝板、纤维板等
16 泡沫塑料材料包括聚苯乙烯、聚乙烯、聚氨酯等多孔聚合物类材料
17 木材(1)上图为横断面,上左图为垫木、木砖或木龙骨;(2)下图为纵断面
18 胶合板应注明为×层胶合板
19 石膏板包括圆孔、方孔石膏板、防水石膏板等
20 金属(1)包括各种金属(2)图形小时,可涂黑
21 网状材料(1)包括金属、塑料网状材料(2)应注明具体材料名称
22 液体应注明具体液体名称
23 玻璃
包括平板玻璃、磨砂玻璃、夹丝玻璃、钢化玻璃、中空玻璃、加层玻璃、镀膜玻璃等
24 橡胶
25 塑料包括各种软、硬塑料及有机玻璃等
26 防水材料构造层次多或比例大时,采用上面图例
27 粉刷本图例采用较稀的点。
号(一)名称图例备注1自然土壤包括各种自然土壤2夯实土壤3砂、灰土靠近轮廓线绘较密的点4砂砾石、碎砖三合土5石材6毛石7普通砖包括实心砖、多孔砖、砌块等砌体。
断面较窄不易绘出图例线时,可涂红8耐火砖包括耐酸砖等砌体9空心砖指非承重砖砌体10饰面砖包括铺地砖、马赛克、陶瓷锦砖、人造大理石等11焦渣、矿渣包括与水泥、石灰等混合而成的材料12混凝土(1)本图例指能承重的混凝土及钢筋混凝土(2)包括各种强度等级、骨料、添加剂的混凝土(3)在剖面图上画出钢筋时,不画图例线(4)断面图形小,不易画出图例线时,可涂黑13钢筋混凝土14多孔材料包括水泥珍珠岩、沥青珍珠岩、泡沫混凝土、非承重加气混凝土、软木、蛭石制品等15纤维材料包括矿棉、岩棉、玻璃棉、麻丝、木丝板、纤维板等16泡沫塑料材料包括聚苯乙烯、聚乙烯、聚氨酯等多孔聚合物类材料号(一)名称图例备注17木材(1)上图为横断面,上左图为垫木、木砖或木龙骨;(2)下图为纵断面18胶合板应注明为×层胶合板19石膏板包括圆孔、方孔石膏板、防水石膏板等20金属(1)包括各种金属(2)图形小时,可涂黑21网状材料(1)包括金属、塑料网状材料(2)应注明具体材料名称22液体应注明具体液体名称23玻璃包括平板玻璃、磨砂玻璃、夹丝玻璃、钢化玻璃、中空玻璃、加层玻璃、镀膜玻璃等24橡胶25塑料包括各种软、硬塑料及有机玻璃等26防水材料构造层次多或比例大时,采用上面图例27粉刷本图例采用较稀的点。
1 自然土壤包含多种自然土壤
2 扎实土壤
3 砂、灰土靠近轮廓线绘较密点
4 砂砾石、碎砖三合土
5 石材
6 毛石
7 一般砖
包含实心砖、多孔砖、砌块等砌体。
断面较窄不易绘出图例线时,可涂红
8 耐火砖包含耐酸砖等砌体
9 空心砖指非承重砖砌体
10 饰面砖包含铺地砖、马赛克、陶瓷锦砖、人造大理石等
11 焦渣、矿渣包含和水泥、石灰等混合而成材料
12 混凝土(1)本图例指能承重混凝土及钢筋混凝土(2)包含多种强度等级、骨料、添加剂混凝土(3)在剖面图上画出钢筋时,不画图例线(4)断面图形小,不易画出图例线时,可涂黑
13 钢筋混凝土
14 多孔材料
包含水泥珍珠岩、沥青珍珠岩、泡沫混凝土、非承重加气混凝土、软木、蛭石制品等
15 纤维材料包含矿棉、岩棉、玻璃棉、麻丝、木丝板、纤维板等
16 泡沫塑料材料包含聚苯乙烯、聚乙烯、聚氨酯等多孔聚合物类材料
17 木材(1)上图为横断面,上左图为垫木、木砖或木龙骨;(2)下图为纵断面
18 胶合板应注明为×层胶合板
19 石膏板包含圆孔、方孔石膏板、防水石膏板等
20 金属(1)包含多种金属(2)图形小时,可涂黑
21 网状材料(1)包含金属、塑料网状材料(2)应注明具体材料名称
22 液体应注明具体液体名称
23 玻璃
包含平板玻璃、磨砂玻璃、夹丝玻璃、钢化玻璃、中空玻璃、加层玻璃、镀膜玻璃等
24 橡胶
25 塑料包含多种软、硬塑料及有机玻璃等
26 防水材料结构层次多或百分比大时,采取上面图例
27 粉刷本图例采取较稀点。
1 自然土壤包括各种自然土壤
2 夯实土壤
3 砂、灰土靠近轮廓线绘较密的点
4 砂砾石、碎砖三合
土
5 石材
6 毛石
7 普通砖
包括实心砖、多孔砖、砌块等砌体。
断面较窄不易绘出图例线时,可涂红
8 耐火砖包括耐酸砖等砌体
9 空心砖指非承重砖砌体
10 饰面砖包括铺地砖、马赛克、陶瓷锦砖、人造大理石等
11 焦渣、矿渣包括与水泥、石灰等混合而成的材料
12 混凝土(1)本图例指能承重的混凝土及钢筋混凝土(2)包括各种强度等级、骨料、添加剂的混凝土(3)在剖面图上画出钢筋时,不画图例线
(4)断面图形小,不易画出图例线时,可涂黑
13 钢筋混凝土
14 多孔材料
包括水泥珍珠岩、沥青珍珠岩、泡沫混凝土、非承重加气混凝土、软木、蛭石制品等
15 纤维材料
包括矿棉、岩棉、玻璃棉、麻丝、木丝板、纤维板等
16 泡沫塑料材料
包括聚苯乙烯、聚乙烯、聚氨酯等多孔聚合物类材料
17 木材(1)上图为横断面,上左图为垫木、木砖或木龙骨;(2)下图为纵断面
18 胶合板应注明为×层胶合板
19 石膏板 包括圆孔、方孔石膏板、防水石膏板等 20 金属
(1)包括各种金属 (2)图形小时,可涂黑
21 网状材料 (1)包括金属、塑料网状材料
(2)应注明具体材料名称
22 液体
应注明具体液体名称 23 玻璃 包括平板玻璃、磨砂玻璃、夹丝玻璃、钢化玻璃、
中空玻璃、加层玻璃、镀膜玻璃等
24 橡胶
25 塑料
包括各种软、硬塑料及有机玻璃等 26 防水材料 构造层次多或比例大时,采用上面图例 27 粉刷
本图例采用较稀的点
28 毛石混凝土
29 新设计的建筑物 1.需要时,可用▲表示出入口,可在图形内右上角
用点数或数字表示层数
2.建筑物外形(一般以±0.00高度处的外墙定位轴
线或外墙面线为准)用粗实线表示,需要时,地面以
上建筑用中粗实线表示,地下以下建筑用细虚线表示
30 原有的建筑物
用细实线表示 31 计划扩建的建筑物
用中粗虚线表示
32 拆除的建筑物
用细实线表示
33 道路
34 公路桥
35 砖石、混凝土围墙
36 铁丝网、蓠笆等
37 河流
38 等高线
39 边坡
40 风向频率玫瑰图
41 新设计的墙
42 墙上预留洞口
43 土墙
44 板条墙
45 入口坡道
46 底层楼梯
47 中间楼梯
48 顶层楼梯
49 单扇门
50 双扇门
51 双扇推位门
52 单扇双面弹簧门
53 双扇双面弹簧门
54 单层固定窗
55 检查孔(地面、吊顶)
56 烟道
57 空门洞
58 单层外开上悬窗
59 单层中悬窗
60 水平推拉窗
61 平开窗
62 建筑物下面的通道
63 散状材料露天堆场
需要时可注明材料名称 64 其他材料露天堆场
或露天作业场
65 铺砌场地
66 敞棚或敞廊
67
高架式料仓
68
69 漏斗式贮仓 左、右图为底卸式
中图为侧卸式
70 冷却塔(池) 应注明冷却塔或冷却池
71 水塔、贮罐 左图为水塔或立式贮罐
右图为卧式贮罐
72 水池、坑槽
也可以不涂黑 73 明溜矿槽(井)
74 斜井或平涧
75 烟囱 实线为烟囱下部直径,虚线为基础,必要时可注写
烟囱高度和上、下口直径
76
围墙及大门
实体性质的围墙, 77 通透性质的围墙,若仅表示围墙时不画大门
78 挡土墙 被挡土在“突出”的一侧 79 挡土墙上设围墙
80 台阶 箭头指向表示向下 81 露天桥式起重机 “+”为柱子位置 82
露天电动葫芦
“+”为支架位置 83
84
门式起重机
有外伸臂 85
无外伸臂 86 架空索道 “I ”为支架位置
87 斜坡卷扬机道
88 斜坡栈桥(皮带廊
等) 细实线表示支架中心线位置
89
坐标
测量坐标 90
建筑坐标 91
方格网交叉点标高 “78.85”为原地面标高 “77.85”为设计标高
“-0.50”为施工高度
“-”表示挖方(“+”表示填方)
92 填方区、挖方区、
未整平区及零点线
“+”表示填方区 “-”表示挖方区 中间为未整平区
点划线为零点线 93 填挖边坡 1.边坡较长时,可在一端或两端局部表示
2.下边线为虚线时表示填方
94 护坡
95
分水脊线与谷线
脊线 96
谷线 97 洪水淹没线 阴影部分表示淹没区(可在底图背面涂红)
98 排水明沟 1.上图用于比例较大的图面,下图用于比例较小的图面
2.“1”表示1%的沟底纵向坡度,“40.00”表示变坡点间距离,箭头表示水流方向
3.“107.50”表示沟底标高
99 100 铺砌的排水明沟 1.上图用于比例较大的图面,下图用于比例较小的图面
2.“1”表示1%的沟底纵向坡度,“40.00”表示变坡点间距离,箭头表示水流方向
3.“107.50”表示沟底标高
101 102 有盖的排水沟 1.上图用于比例较大的图面,下图用于比例较小的图面
2.“1”表示1%的沟底纵向坡度,“40.00”表示变坡点间距离,箭头表示水流方向 103
104 地表排水方向
105 截水沟或排水沟
“1”表示1%的沟底纵向坡度,“40.00”表示变坡点间距离,箭头表示水流方向
106 雨水口
107 消火栓井
108 急流槽箭头表示水流方向
109 跌水
110 拦水(闸)坝
111 透水路堤边坡较长时,可在一端或两端局部表示
112 过水路面
113 室内标高
114 室外标高室外标高也可采用等高线表示。