常用的建筑材料图例
- 格式:doc
- 大小:522.67 KB
- 文档页数:9
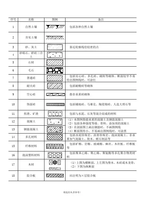
序号名称图例备注1自然土壤包括各种自然土壤2夯实土壤3砂、灰土靠近轮廓线绘较密的点4砂砾石、碎砖三合土5石材6毛石7普通砖包括实心砖、多孔砖、砌块等砌体。
断面较窄不易绘出图例线时,可涂红8耐火砖包括耐酸砖等砌体9空心砖指非承重砖砌体1饰面砖包括铺地砖、马赛克、陶瓷锦砖、人造大理石等11焦渣、矿渣包括与水泥、石灰等混合而成的材料1 2混凝土(1)本图例指能承重的混凝土及钢筋混凝土(2)包括各种强度等级、骨料、添加剂的混凝土(3)在剖面图上画出钢筋时,不画图例线(4)断面图形小,不易画出图例线时,可涂黑13钢筋混凝土1 4多孔材料包括水泥珍珠岩、沥青珍珠岩、泡沫混凝土、非承重加气混凝土、软木、蛭石制品等1 5纤维材料包括矿棉、岩棉、玻璃棉、麻丝、木丝板、纤维板等1 6泡沫塑料材料包括聚苯乙烯、聚乙烯、聚氨酯等多孔聚合物类材料1 7木材(1)上图为横断面,上左图为垫木、木砖或木龙骨;(2)下图为纵断面18胶合板应注明为×层胶合板19石膏板包括圆孔、方孔石膏板、防水石膏板等序号名称图例备注2 0金属(1)包括各种金属(2)图形小时,可涂黑2 1网状材料(1)包括金属、塑料网状材料(2)应注明具体材料名称22液体应注明具体液体名称2 3玻璃包括平板玻璃、磨砂玻璃、夹丝玻璃、钢化玻璃、中空玻璃、加层玻璃、镀膜玻璃等24橡胶25塑料包括各种软、硬塑料及有机玻璃等26防水材料构造层次多或比例大时,采用上面图例27粉刷本图例采用较稀的点。
常用建筑材料图例
序号名称图例备注1自然土壤包括各种自然土壤
2夯实土壤
3砂、灰土靠近轮廓线绘较密的点4砂砾石、碎砖三合土
5石材
6毛石
7普通砖
包括实心砖、多孔砖、砌块等砌体。
断面较窄不易绘出图例线时,可涂红
8耐火砖包括耐酸砖等砌体
9空心砖指非承重砖砌体
10饰面砖包括铺地砖、马赛克、陶瓷锦砖、人造大理石等11焦渣、矿渣包括与水泥、石灰等混合而成的材料
12混凝土(1)本图例指能承重的混凝土及钢筋混凝土(2)包括各种强度等级、骨料、添加剂的混凝土(3)在剖面图上画出钢筋时,不画图例线(4)断面图形小,不易画出图例线时,可涂黑
13钢筋混凝土
14多孔材料
包括水泥珍珠岩、沥青珍珠岩、泡沫混凝土、非承重加气混凝土、软木、蛭石制品等
15纤维材料包括矿棉、岩棉、玻璃棉、麻丝、木丝板、纤维板等16泡沫塑料材料包括聚苯乙烯、聚乙烯、聚氨酯等多孔聚合物类材料
17木材(1)上图为横断面,上左图为垫木、木砖或木龙骨;(2)下图为纵断面
18胶合板应注明为×层胶合板
19石膏板包括圆孔、方孔石膏板、防水石膏板等
20金属(1)包括各种金属(2)图形小时,可涂黑
序号名称图例备注
21网状材料(1)包括金属、塑料网状材料(2)应注明具体材料名称
22液体应注明具体液体名称
23玻璃
包括平板玻璃、磨砂玻璃、夹丝玻璃、钢化玻璃、中空玻璃、加层玻璃、镀膜玻璃等
24橡胶
25塑料包括各种软、硬塑料及有机玻璃等
26防水材料构造层次多或比例大时,采用上面图例27粉刷本图例采用较稀的点
如有侵权请联系告知删除,感谢你们的配合!。
建筑材料图例建筑材料图例1. 木材1.1 建筑用材1.1.1 红木- 红木是一种质地坚硬、纹理清晰的木材,常用于地板、家具等建筑用途。
1.1.2 柚木- 柚木具有耐腐蚀、抗虫蛀的特点,常用于外墙、门窗等建筑装饰。
1.1.3 橡木- 橡木具有坚硬、耐用的特性,常用于地板、楼梯扶手等建筑结构。
1.2 室内装饰材料1.2.1 胶合板- 胶合板是由多层薄木板胶合而成,常用于家具、隔板等室内装饰。
1.2.2 刨花板- 刨花板是一种颗粒较大的人造板材,常用于家具、橱柜等室内装饰。
1.2.3 竹地板- 竹地板是以竹材为原料制成的地板,具有环保、耐磨等特点。
2. 石材2.1 大理石2.1.1 意大利白大理石- 意大利白大理石纹理优美,常用于建筑外墙、室内地面等装饰。
2.1.2 印度红大理石- 印度红大理石色彩鲜艳,常用于建筑立面、雕塑等装饰。
2.1.3 中国黑大理石- 中国黑大理石纹理均匀,常用于室内地面、墙壁等装饰。
2.2 花岗岩- 花岗岩硬度高、耐久性强,常用于台面、墙面等建筑装饰。
2.3 石英石- 石英石具有坚硬、耐磨的特性,常用于厨房台面等室内装饰。
3. 金属材料3.1 铝合金- 铝合金具有轻质、耐腐蚀的特点,常用于门窗框架、幕墙等建筑结构。
3.2 不锈钢- 不锈钢具有耐高温、耐腐蚀的特性,常用于厨房设备、扶手等装饰。
3.3 镀锌钢板- 镀锌钢板具有防锈、耐候性好的特点,常用于屋面、墙面等建筑用途。
4. 塑料材料4.1 PVC- PVC是一种常用的塑料材料,具有防水、绝缘等特性,常用于管道、窗框等建筑结构。
4.2 PE- PE是一种耐磨、耐腐蚀的塑料材料,常用于水箱、排水管道等建筑设备。
4.3 ABS- ABS是一种耐冲击、耐热的塑料材料,常用于卫生设备、家具等室内装饰。
5. 玻璃材料5.1 钢化玻璃- 钢化玻璃具有强度高、安全性好的特点,常用于门窗、玻璃幕墙等建筑用途。
5.2 LOW-E玻璃- LOW-E玻璃具有隔热、保温的特性,常用于建筑外墙、阳光房等装饰。
号(一)名称图例备注1自然土壤包括各种自然土壤2夯实土壤3砂、灰土靠近轮廓线绘较密的点4砂砾石、碎砖三合土5石材6毛石7普通砖包括实心砖、多孔砖、砌块等砌体。
断面较窄不易绘出图例线时,可涂红8耐火砖包括耐酸砖等砌体9空心砖指非承重砖砌体10饰面砖包括铺地砖、马赛克、陶瓷锦砖、人造大理石等11焦渣、矿渣包括与水泥、石灰等混合而成的材料12混凝土(1)本图例指能承重的混凝土及钢筋混凝土(2)包括各种强度等级、骨料、添加剂的混凝土(3)在剖面图上画出钢筋时,不画图例线(4)断面图形小,不易画出图例线时,可涂黑13钢筋混凝土14多孔材料包括水泥珍珠岩、沥青珍珠岩、泡沫混凝土、非承重加气混凝土、软木、蛭石制品等15纤维材料包括矿棉、岩棉、玻璃棉、麻丝、木丝板、纤维板等16泡沫塑料材料包括聚苯乙烯、聚乙烯、聚氨酯等多孔聚合物类材料号(一)名称图例备注17木材(1)上图为横断面,上左图为垫木、木砖或木龙骨;(2)下图为纵断面18胶合板应注明为×层胶合板19石膏板包括圆孔、方孔石膏板、防水石膏板等20金属(1)包括各种金属(2)图形小时,可涂黑21网状材料(1)包括金属、塑料网状材料(2)应注明具体材料名称22液体应注明具体液体名称23玻璃包括平板玻璃、磨砂玻璃、夹丝玻璃、钢化玻璃、中空玻璃、加层玻璃、镀膜玻璃等24橡胶25塑料包括各种软、硬塑料及有机玻璃等26防水材料构造层次多或比例大时,采用上面图例27粉刷本图例采用较稀的点。
常用建筑材料图例表
序号名称图例说明
1 自然土壤包括各种自然土壤
2 夯实土壤
3 砂、灰土靠近轮廓线点越密的点
4
砂砾石、碎砖三合土
5 天然石材包括岩层、砌石、铺地、贴面等材料
6 毛石
7 普通砖包括砌休、砌块
8 耐火砖包括耐酸砖等
9 空心砖包括各种多孔砖
10 饰面砖包括铺地砖、陶瓷锦砖、人造大理石等
11 混凝土包括各种强度等级、骨料的混凝土
12 钢筋混凝土在剖面图上画钢筋时,不画图例线
13 焦渣、矿渣包括与水泥、石灰等混合而成的材料
序号名称图例说明
14 多防材料包括水泥珍珠岩、沥青珍珠岩、加气混凝土、泡沫塑料、软木等
15 纤维材料包括麻丝、玻璃棉、木丝板、纤维板等
16 松散材料包括木屑、石灰木屑、稻壳等
17 木材上图为横断面,左上图为垫木、木砖、木龙骨,下面为纵断面
18 胶合板注明几层胶合板
19 石膏板
20 金属包括各种金属
21 网状材料包括金属、塑料等网状材料
22 液体注明液体名称
23 玻璃包括平板玻璃、磨砂玻璃、夹丝玻璃、钢化玻璃等
24 橡胶
25 塑料包括各种软、硬塑料及有机玻璃等
26 防水材料构造层次多或比例较大时,采用上面
27 抹灰本图例点以较稀的点。
第一章9 常用建筑材料图例第二章9.1 一般规定9.1.1 本标准只规定常用建筑材料的图例画法,对其尺度比例不作具体规定。
使用时,应根据图样大小而定,并应符合下列规定:1 图例线应间隔均匀,疏密适度,做到图例正确,表示清楚;2 不同品种的同类材料使用同一图例时,应在图上附加必要的说明;3 两个相同的图例相接时,图例线宜错开或使倾斜方向相反(图9.1.1-1);图9.1.1-1 相同图例相接时的画法4 两个相邻的涂黑图例间应留有空隙,其净宽度不得小于0.5mm(图9.1.1-2)。
图9.1.1-2 相邻涂黑图例的画法9.1.2 下列情况可不加图例,但应加文字说明:1 一张图纸内的图样只用一种图例时;2 图形较小无法画出建筑材料图例时。
9.1.3 需画出的建筑材料图例面积过大时,可在断面轮廓线内,沿轮廓线作局部表示(图9.1.3)图9.1.3 局部表示图例9.1.4 当选用本标准中未包括的建筑材料时,可自编图例。
但不得与本标准所列的图例重复。
绘制时,应在适当位置画出该材料图例,并加以说明。
条文说明9.1 一般规定本节条文确定了本章的编制原则和使用规则。
鉴于建筑材料生产的蓬勃发展,品种日益繁多,因此在编制图例时,不可能包罗万象,只能分门别类,将常用建材归纳为二十几个基本类型,作为图例,同时确定了如下使用规则:1 采用同一图例但需要指出特定品种时,应附加必要的说明;2 作为一种材料符号,不规定尺度比例,应根据图样大小予以掌握,使图例线疏密适度,尺度得当;3 对本标准未包括在内的建筑材料,允许自行编制、补充图例。
9.1.1 不同品种的同类材料使用同一图例时,如某些特定部位的石膏板必须注明是防水石膏板时,应在图上附加必要的说明。
两个相邻的涂黑图例,如混凝土构件、金属件间,应留有字隙。
第三章9.2 常用建筑材料图例9.2.1 常用建筑材料应按表9.2.1所示图例画法绘制。
表9.2.1 常用建筑材料图例注:序号1、2、5、7、8、13、14、16、17、18图例中的斜线、短斜线、交叉斜线等均为45°。
1 自然土壤包括各种自然土壤2 夯实土壤3 砂、灰土靠近轮廓线绘较密的点4 砂砾石、碎砖三合土5 石材6 毛石7 普通砖包括实心砖、多孔砖、砌块等砌体。
断面较窄不易绘出图例线时,可涂红8 耐火砖包括耐酸砖等砌体9 空心砖指非承重砖砌体10 饰面砖包括铺地砖、马赛克、陶瓷锦砖、人造大理石等11 焦渣、矿渣包括与水泥、石灰等混合而成的材料12 混凝土(1)本图例指能承重的混凝土及钢筋混凝土(2)包括各种强度等级、骨料、添加剂的混凝土(3)在剖面图上画出钢筋时,不画图例线(4)断面图形小,不易画出图例线时,可涂黑13 钢筋混凝土14 多孔材料包括水泥珍珠岩、沥青珍珠岩、泡沫混凝土、非承重加气混凝土、软木、蛭石制品等15 纤维材料包括矿棉、岩棉、玻璃棉、麻丝、木丝板、纤维板等16 泡沫塑料材料包括聚苯乙烯、聚乙烯、聚氨酯等多孔聚合物类材料17 木材(1)上图为横断面,上左图为垫木、木砖或木龙骨;(2)下图为纵断面18 胶合板应注明为×层胶合板19 石膏板包括圆孔、方孔石膏板、防水石膏板等20 金属(1)包括各种金属(2)图形小时,可涂黑21 网状材料(1)包括金属、塑料网状材料(2)应注明具体材料名称22 液体应注明具体液体名称23 玻璃包括平板玻璃、磨砂玻璃、夹丝玻璃、钢化玻璃、中空玻璃、加层玻璃、镀膜玻璃等24 橡胶25 塑料包括各种软、硬塑料及有机玻璃等26 防水材料构造层次多或比例大时,采用上面图例27 粉刷本图例采用较稀的点28 毛石混凝土29 新设计的建筑物1.需要时,可用▲表示出入口,可在图形内右上角用点数或数字表示层数2.建筑物外形(一般以±0.00高度处的外墙定位轴线或外墙面线为准)用粗实线表示,需要时,地面以上建筑用中粗实线表示,地下以下建筑用细虚线表示30 原有的建筑物用细实线表示31 计划扩建的建筑物用中粗虚线表示32 拆除的建筑物用细实线表示33 道路34 公路桥35 砖石、混凝土围墙36 铁丝网、蓠笆等37 河流38 等高线39 边坡40 风向频率玫瑰图41 新设计的墙42 墙上预留洞口43 土墙44 板条墙45 入口坡道46 底层楼梯47 中间楼梯48 顶层楼梯49 单扇门50 双扇门51 双扇推位门52 单扇双面弹簧门53 双扇双面弹簧门54 单层固定窗55 检查孔(地面、吊顶)56 烟道57 空门洞58 单层外开上悬窗59 单层中悬窗60 水平推拉窗61 平开窗62 建筑物下面的通道63 散状材料露天堆场需要时可注明材料名称64 其他材料露天堆场或露天作业场65 铺砌场地66 敞棚或敞廊67高架式料仓6869 漏斗式贮仓左、右图为底卸式中图为侧卸式70 冷却塔(池)应注明冷却塔或冷却池71 水塔、贮罐左图为水塔或立式贮罐右图为卧式贮罐72 水池、坑槽也可以不涂黑73 明溜矿槽(井)74 斜井或平涧75 烟囱实线为烟囱下部直径,虚线为基础,必要时可注写烟囱高度和上、下口直径76围墙及大门实体性质的围墙,77 通透性质的围墙,若仅表示围墙时不画大门78 挡土墙被挡土在“突出”的一侧79 挡土墙上设围墙80 台阶箭头指向表示向下81 露天桥式起重机“+”为柱子位置82露天电动葫芦“+”为支架位置8384门式起重机有外伸臂85 无外伸臂86 架空索道“I”为支架位置87 斜坡卷扬机道88 斜坡栈桥(皮带廊等)细实线表示支架中心线位置89坐标测量坐标90 建筑坐标91 方格网交叉点标高“78.85”为原地面标高“77.85”为设计标高“-0.50”为施工高度“-”表示挖方(“+”表示填方)92 填方区、挖方区、未整平区及零点线“+”表示填方区“-”表示挖方区中间为未整平区点划线为零点线93 填挖边坡1.边坡较长时,可在一端或两端局部表示2.下边线为虚线时表示填方94 护坡95分水脊线与谷线脊线96 谷线97 洪水淹没线阴影部分表示淹没区(可在底图背面涂红)98排水明沟1.上图用于比例较大的图面,下图用于比例较小的图面2.“1”表示1%的沟底纵向坡度,“40.00”表示变坡点间距离,箭头表示水流方向3.“107.50”表示沟底标高99100铺砌的排水明沟1.上图用于比例较大的图面,下图用于比例较小的图面2.“1”表示1%的沟底纵向坡度,“40.00”表示变坡点间距离,箭头表示水流方向3.“107.50”表示沟底标高101102有盖的排水沟1.上图用于比例较大的图面,下图用于比例较小的图面2.“1”表示1%的沟底纵向坡度,“40.00”表示变坡点间距离,箭头表示水流方向103104 地表排水方向105 截水沟或排水沟“1”表示1%的沟底纵向坡度,“40.00”表示变坡点间距离,箭头表示水流方向【本文档内容可以自由复制内容或自由编辑修改内容期待你的好评和关注,我们将会做得更好】。
1 自然土壤包括各种自然土壤2夯实土壤3砂、灰土靠近轮廓线绘较密的点砂砾石、碎砖三4合土5石材6毛石包括实心砖、多孔砖、砌块等砌体。
断面较窄不7普通砖易绘出图例线时,可涂红8耐火砖包括耐酸砖等砌体9空心砖指非承重砖砌体10饰面砖包括铺地砖、马赛克、陶瓷锦砖、人造大理石等11焦渣、矿渣包括与水泥、石灰等混合而成的材料12混凝土(1)本图例指能承重的混凝土及钢筋混凝土(2)包括各种强度等级、骨料、添加剂的混凝土(3)在剖面图上画出钢筋时,不画图例线(4)断面图形小,不易画出图例线时,可涂黑13钢筋混凝土14多孔材料包括水泥珍珠岩、沥青珍珠岩、泡沫混凝土、非承重加气混凝土、软木、蛭石制品等15纤维材料包括矿棉、岩棉、玻璃棉、麻丝、木丝板、纤维板等16泡沫塑料材料包括聚苯乙烯、聚乙烯、聚氨酯等多孔聚合物类材料17木材(1)上图为横断面,上左图为垫木、木砖或木龙骨;(2)下图为纵断面18胶合板应注明为×层胶合板19石膏板包括圆孔、方孔石膏板、防水石膏板等(1)包括各种金属20金属(2)图形小时,可涂黑(1)包括金属、塑料网状材料21网状材料(2)应注明具体材料名称22液体应注明具体液体名称包括平板玻璃、磨砂玻璃、夹丝玻璃、钢化玻璃、23玻璃中空玻璃、加层玻璃、镀膜玻璃等24橡胶25塑料包括各种软、硬塑料及有机玻璃等26防水材料构造层次多或比例大时,采用上面图例27粉刷本图例采用较稀的点28毛石混凝土29新设计的建筑物1.需要时,可用▲表示出入口,可在图形内右上角用点数或数字表示层数2.建筑物外形(一般以±0.00高度处的外墙定位轴线或外墙面线为准)用粗实线表示,需要时,地面以上建筑用中粗实线表示,地下以下建筑用细虚线表示30原有的建筑物用细实线表示31计划扩建的建筑物用中粗虚线表示32拆除的建筑物用细实线表示33道路34公路桥砖石、混凝土围35墙36铁丝网、蓠笆等37河流38等高线39边坡40风向频率玫瑰图41新设计的墙42墙上预留洞口43土墙44板条墙45入口坡道46底层楼梯47中间楼梯48顶层楼梯49单扇门50双扇门51双扇推位门52单扇双面弹簧门53双扇双面弹簧门54单层固定窗检查孔(地面、55吊顶)56烟道57空门洞58单层外开上悬窗59单层中悬窗60水平推拉窗61平开窗建筑物下面的通62道散状材料露天堆63需要时可注明材料名称场其他材料露天堆64场或露天作业场65铺砌场地66敞棚或敞廊67高架式料仓68左、右图为底卸式69漏斗式贮仓中图为侧卸式70冷却塔(池)应注明冷却塔或冷却池左图为水塔或立式贮罐71水塔、贮罐右图为卧式贮罐72水池、坑槽也可以不涂黑73明溜矿槽(井)74斜井或平涧实线为烟囱下部直径,虚线为基础,必要时可注75烟囱写烟囱高度和上、下口直径实体性质的围墙,76围墙及大门77通透性质的围墙,若仅表示围墙时不画大门78挡土墙被挡土在“突出”的一侧79挡土墙上设围墙80台阶箭头指向表示向下81露天桥式起重机“+”为柱子位置82露天电动葫芦“+”为支架位置8384门式起重机有外伸臂85无外伸臂86架空索道“I”为支架位置87斜坡卷扬机道88斜坡栈桥(皮带廊等)细实线表示支架中心线位置89坐标测量坐标90建筑坐标91方格网交叉点标高“78.85”为原地面标高“77.85”为设计标高“-0.50”为施工高度“-”表示挖方(“+”表示填方)92填方区、挖方区、未整平区及零点线“+”表示填方区“-”表示挖方区中间为未整平区点划线为零点线93填挖边坡1.边坡较长时,可在一端或两端局部表示2.下边线为虚线时表示填方94护坡95分水脊线与谷线脊线96谷线97洪水淹没线阴影部分表示淹没区(可在底图背面涂红)98排水明沟1.上图用于比例较大的图面,下图用于比例较99小的图面2.“1”表示1%的沟底纵向坡度,“40.00”表示变坡点间距离,箭头表示水流方向3.“107.50”表示沟底标高100铺砌的排水明沟 1.上图用于比例较大的图面,下图用于比例较小的图面2.“1”表示1%的沟底纵向坡度,“40.00”表示变坡点间距离,箭头表示水流方向3.“107.50”表示沟底标高101102有盖的排水沟 1.上图用于比例较大的图面,下图用于比例较小的图面2.“1”表示1%的沟底纵向坡度,“40.00”表示变坡点间距离,箭头表示水流方向103104地表排水方向105截水沟或排水沟“1”表示1%的沟底纵向坡度,“40.00”表示变坡点间距离,箭头表示水流方向106雨水口107消火栓井108急流槽箭头表示水流方向109跌水110拦水(闸)坝111透水路堤边坡较长时,可在一端或两端局部表示112过水路面113室内标高114室外标高室外标高也可采用等高线表示。
常用建筑材料图例
序号名称图例备注
1 自然土壤包括各种自然土壤
2 夯实土壤
3 砂、灰土靠近轮廓线绘较密的点
4 砂砾石、碎砖三合土
5 石材
6 毛石
7 普通砖
包括实心砖、多孔砖、砌块等砌体。
断面较窄不易绘出图例线时,可涂红
8 耐火砖包括耐酸砖等砌体
9 空心砖指非承重砖砌体
10 饰面砖包括铺地砖、马赛克、陶瓷锦砖、人造大理石等
11 焦渣、矿渣包括与水泥、石灰等混合而成的材料
12 混凝土(1)本图例指能承重的混凝土及钢筋混凝土(2)包括各种强度等级、骨料、添加剂的混凝土(3)在剖面图上画出钢筋时,不画图例线
(4)断面图形小,不易画出图例线时,可涂黑
13 钢筋混凝土
14 多孔材料
包括水泥珍珠岩、沥青珍珠岩、泡沫混凝土、非承重加气混凝土、软木、蛭石制品等
15 纤维材料包括矿棉、岩棉、玻璃棉、麻丝、木丝板、纤维板等
16 泡沫塑料材料包括聚苯乙烯、聚乙烯、聚氨酯等多孔聚合物类材料
17 木材(1)上图为横断面,上左图为垫木、木砖或木龙骨;(2)下图为纵断面
18 胶合板应注明为×层胶合板
19 石膏板包括圆孔、方孔石膏板、防水石膏板等
20 金属(1)包括各种金属(2)图形小时,可涂黑
序号名称图例备注
21 网状材料(1)包括金属、塑料网状材料(2)应注明具体材料名称
22 液体应注明具体液体名称
23 玻璃
包括平板玻璃、磨砂玻璃、夹丝玻璃、钢化玻璃、中空玻璃、加层玻璃、镀膜玻璃等
24 橡胶
25 塑料包括各种软、硬塑料及有机玻璃等
26 防水材料构造层次多或比例大时,采用上面图例
27 粉刷本图例采用较稀的点。
常用建筑材料图例
常用建筑材料图例自然土壤
常用建筑材料图例夯实素土
常用建筑材料图例毛石
常用建筑材料图例钢筋混凝土
常用建筑材料图例毛石混凝土
常用建筑材料图例木材
常用建筑材料图例玻璃
常用建筑材料图例普通砖、硬质砖常用建筑材料图例非承重的空心砖常用建筑材料图例砂灰土及粉刷材料常用建筑材料图例砂砾石及碎砖三合土常用建筑材料图例瓷砖或类似材料常用建筑材料图例多孔材料或耐火砖常用建筑材料图例混凝土
常用建筑材料图例纤维材料或人造板常用建筑材料图例防水材料或防潮层常用建筑材料图例金属
常用建筑材料图例水
常用建筑总平面图
新设计的建筑物例
常用建筑总平面图
原有的建筑物
例
常用建筑总平面图
计划扩建的建筑物例
常用建筑总平面图
拆除的建筑物例
常用建筑总平面图
道路
例
常用建筑总平面图
公路桥
例
常用建筑总平面图
砖石、混凝土围墙例
常用建筑总平面图
铁丝网、蓠笆等例
常用建筑总平面图
河流
例
常用建筑总平面图
等高线
例
常用建筑总平面图
边坡
例
常用建筑总平面图
风向频率玫瑰图例
常用建筑配件图例新设计的墙
常用建筑配件图例墙上预留洞口常用建筑配件图例土墙
常用建筑配件图例板条墙
常用建筑配件图例入口坡道
常用建筑配件图例底层楼梯
常用建筑配件图例中间楼梯
常用建筑配件图例顶层楼梯
常用建筑配件图例单扇门
常用建筑配件图例双扇门
常用建筑配件图例双扇推位门
常用建筑配件图例单扇双面弹簧门
常用建筑配件图例双扇双面弹簧门
常用建筑配件图例单层固定窗
常用建筑配件图例检查孔(地面、吊顶)常用建筑配件图例烟道
常用建筑配件图例空门洞
常用建筑配件图例单层外开上悬窗
常用建筑配件图例单层中悬窗
常用建筑配件图例水平推拉窗
常用建筑配件图例平开窗
电气工程常用电气
图例
变电所
电气工程常用电气
图例
杆上变压器
电气工程常用电气
图例
移动变压器
电气工程常用电气图例控制屏、控制台
配电室及进线用开关
柜
电气工程常用电气图例电力配电箱(板)
画于墙外为明装、墙
内为暗装
电气工程常用电气图例工作照明配电箱(板)
画于墙外为明装、墙
内为暗装
电气工程常用电气图例多种电源配电箱(板)
画于墙外为明装、墙
内为暗装
电气工程常用电气图例单极开关
(1)明装(2)暗装
(3)保护或密闭
电气工程常用电气
图例
刀开关断路器(低压断路器)
电气工程常用电气图例双极开关
(1)明装(2)暗装
(3)保护或密闭
电气工程常用电气图例三极开关
(1)明装(2)暗装
(3)保护或密闭
电气工程常用电气
图例
接线开关
电气工程常用电气
图例
双控开关(1)明装(2)暗装电气工程常用电气
图例
双控开关单极三线
电气工程常用电气
图例
单极双控接线开关
电气工程常用电气
图例
带指示灯开关
电气工程常用电气
图例
多拉开关用于不同照度控制电气工程常用电气
图例
定时开关用于节寿延能
电气工程常用电气
图例
接地或接零线路
电气工程常用电气图例接地或接零线路(有接地
极)
电气工程常用电气
图例
接地或重复接地
电气工程常用电气图例熔断器
除注明外其余均为
RCIA型瓷插式熔断
器
电气工程常用电气图例交流配电线路
铝(铜)芯时为2根2.5
(1.5)㎜2注明者除
外
电气工程常用电气
图例
交流配电线路3根导线电气工程常用电气
图例
交流配电线路4根导线电气工程常用电气
图例
交流配电线路5根导线
电气工程常用电气
图例
避雷线
电气工程常用电气
图例
灯具一般符号
电气工程常用电气
图例
投光灯一般符号
电气工程常用电气
图例
聚光灯
电气工程常用电气
图例
弯灯
电气工程常用电气
图例
自带电源事故照明灯
电气工程常用电气
图例
泛光灯
电气工程常用电气
图例
矿山灯
电气工程常用电气图例单管荧光灯
每管附装相应的电容
器和熔断器
电气工程常用电气
图例
双管荧光灯
电气工程常用电气
图例
三管荧光灯
电气工程常用电气
图例
壁灯
电气工程常用电气
图例
吸顶灯(天棚灯)
电气工程常用电气
图例
球形灯
电气工程常用电气
图例
深照型灯
电气工程常用电气
图例
广照型灯
电气工程常用电气
图例
防水防尘灯
电气工程常用电气
图例
局部照明灯
电气工程常用电气
图例
安全灯
电气工程常用电气
图例
隔爆灯
电气工程常用电气
图例
花灯
电气工程常用电气
图例
平底坐灯
电气工程常用电气
图例
避雷针
电气工程常用电气
图例
电风扇
电气工程常用电气
图例
电铃
电气工程常用电气
图例
电钟
电气工程常用电气
图例
电阻加热装置电气工程常用电气
图例
电热水器
电气工程常用电气图例插座或插孔(明装一般符
号)
电气工程常用电气
图例
暗装
电气工程常用电气
图例
密闭或防水电气工程常用电气
图例
防爆
电气工程常用电气
图例
多个插座电气工程常用电气
图例
带开关插座
电气工程常用电气图例单相插座
(1)一般明装(2)
保护或密闭(3)防爆
(4)暗装
电气工程常用电气图例单相插座带接地插孔
(1)一般明装(2)
保护或密闭(3)防爆
(4)暗装
电气工程常用电气图例三相插座带接地插孔
(1)一般明装(2)
保护或密闭(3)防爆
(4)暗装
电气工程常用电气
图例
双绕组变压器
电气工程常用电气
图例
电缆交接间
电气工程常用电气
图例
架空交接箱
电气工程常用电气
落地交接箱
图例
电气工程常用电气
壁龛交接箱
图例
电气工程常用电气
分线盒
图例
电气工程常用电气
室内分线盒
图例
电气工程常用电气
室外分线盒
图例
电气工程常用电气
分线盒
图例
电气工程常用电气
分线盒
图例
电气工程常用电气
电源自动切换箱(屏)图例
电气工程常用电气
电阻箱
图例
电气工程常用电气
鼓形控制器
图例
电气工程常用电气
自动开关箱
图例
电气工程常用电气
刀开关箱
图例
电气工程常用电气
带熔断器刀开关箱图例
电气工程常用电气
熔断器箱
图例
电气工程常用电气
组合开关箱
图例
电气工程常用电气
差温感温探测器
图例
电气工程常用电气
点型离子感烟探测器图例
电气工程常用电气
带电插孔手动报警器图例
电气工程常用电气
手动报警器
图例
电气工程常用电气
输入模块
图例
电气工程常用电气
控制模块
图例
电气工程常用电气
墙装式防火喇叭
图例
电气工程常用电气
嵌入式防火喇叭
图例
电气工程常用电气
声光报警器
图例
电气工程常用电气
双切换盒
图例
电气工程常用电气
短路隔离模板
图例
电气工程常用电气
火灾显示盘
图例
电气工程常用电气
接线端子箱
图例
电气工程常用电气
消防电话壁挂式(自定)图例
电气工程常用电气
单孔信息插座超五类
图例
电气工程常用电气
双孔信息插座超五类
图例
电气工程常用电气
网络组机
图例
电气工程常用电气
电视前端箱
图例
电气工程常用电气
电视分支器箱
图例
电气工程常用电气
电视插座
图例
电气工程常用电气
消火栓按钮
图例
电气工程常用电气
分流指示器
图例
电气工程常用电气
信号喋阀
图例
电气工程常用电气
水力报警阀压力开关图例。