常用建筑材料图例
- 格式:doc
- 大小:189.08 KB
- 文档页数:3
1 自然土壤包括各种自然土壤2 夯实土壤3 砂、灰土靠近轮廓线绘较密的点4 砂砾石、碎砖三合土5 石材6 毛石7 普通砖包括实心砖、多孔砖、砌块等砌体。
断面较窄不易绘出图例线时,可涂红8 耐火砖包括耐酸砖等砌体9 空心砖指非承重砖砌体10 饰面砖包括铺地砖、马赛克、陶瓷锦砖、人造大理石等11 焦渣、矿渣包括与水泥、石灰等混合而成的材料12 混凝土(1)本图例指能承重的混凝土及钢筋混凝土(2)包括各种强度等级、骨料、添加剂的混凝土(3)在剖面图上画出钢筋时,不画图例线(4)断面图形小,不易画出图例线时,可涂黑13 钢筋混凝土14 多孔材料包括水泥珍珠岩、沥青珍珠岩、泡沫混凝土、非承重加气混凝土、软木、蛭石制品等15 纤维材料包括矿棉、岩棉、玻璃棉、麻丝、木丝板、纤维板等16 泡沫塑料材料包括聚苯乙烯、聚乙烯、聚氨酯等多孔聚合物类材料17 木材(1)上图为横断面,上左图为垫木、木砖或木龙骨;(2)下图为纵断面18 胶合板应注明为×层胶合板19 石膏板包括圆孔、方孔石膏板、防水石膏板等20 金属(1)包括各种金属(2)图形小时,可涂黑21 网状材料(1)包括金属、塑料网状材料(2)应注明具体材料名称22 液体应注明具体液体名称23 玻璃包括平板玻璃、磨砂玻璃、夹丝玻璃、钢化玻璃、中空玻璃、加层玻璃、镀膜玻璃等24 橡胶25 塑料包括各种软、硬塑料及有机玻璃等26 防水材料构造层次多或比例大时,采用上面图例27 粉刷本图例采用较稀的点28 毛石混凝土29 新设计的建筑物1.需要时,可用▲表示出入口,可在图形内右上角用点数或数字表示层数2.建筑物外形(一般以±0.00高度处的外墙定位轴线或外墙面线为准)用粗实线表示,需要时,地面以上建筑用中粗实线表示,地下以下建筑用细虚线表示30 原有的建筑物用细实线表示31 计划扩建的建筑物用中粗虚线表示32 拆除的建筑物用细实线表示33 道路34 公路桥35 砖石、混凝土围墙36 铁丝网、蓠笆等37 河流38 等高线39 边坡40 风向频率玫瑰图41 新设计的墙42 墙上预留洞口43 土墙44 板条墙45 入口坡道46 底层楼梯47 中间楼梯48 顶层楼梯49 单扇门50 双扇门51 双扇推位门52 单扇双面弹簧门53 双扇双面弹簧门54 单层固定窗55 检查孔(地面、吊顶)56 烟道57 空门洞58 单层外开上悬窗59 单层中悬窗60 水平推拉窗61 平开窗62 建筑物下面的通道63 散状材料露天堆场需要时可注明材料名称64 其他材料露天堆场或露天作业场65 铺砌场地66 敞棚或敞廊67高架式料仓6869 漏斗式贮仓左、右图为底卸式中图为侧卸式70 冷却塔(池)应注明冷却塔或冷却池71 水塔、贮罐左图为水塔或立式贮罐右图为卧式贮罐72 水池、坑槽也可以不涂黑73 明溜矿槽(井)74 斜井或平涧75 烟囱实线为烟囱下部直径,虚线为基础,必要时可注写烟囱高度和上、下口直径76围墙及大门实体性质的围墙,77 通透性质的围墙,若仅表示围墙时不画大门78 挡土墙被挡土在“突出”的一侧79 挡土墙上设围墙80 台阶箭头指向表示向下81 露天桥式起重机“+”为柱子位置82露天电动葫芦“+”为支架位置8384门式起重机有外伸臂85 无外伸臂86 架空索道“I”为支架位置87 斜坡卷扬机道88 斜坡栈桥(皮带廊等)细实线表示支架中心线位置89坐标测量坐标90 建筑坐标91 方格网交叉点标高“78.85”为原地面标高“77.85”为设计标高“-0.50”为施工高度“-”表示挖方(“+”表示填方)92 填方区、挖方区、未整平区及零点线“+”表示填方区“-”表示挖方区中间为未整平区点划线为零点线93 填挖边坡 1.边坡较长时,可在一端或两端局部表示 2.下边线为虚线时表示填方94 护坡95分水脊线与谷线脊线96 谷线97 洪水淹没线阴影部分表示淹没区(可在底图背面涂红)98排水明沟 1.上图用于比例较大的图面,下图用于比例较小的图面2.“1”表示1%的沟底纵向坡度,“40.00”表示变坡点间距离,箭头表示水流方向3.“107.50”表示沟底标高99100铺砌的排水明沟 1.上图用于比例较大的图面,下图用于比例较小的图面2.“1”表示1%的沟底纵向坡度,“40.00”表示变坡点间距离,箭头表示水流方向3.“107.50”表示沟底标高101102有盖的排水沟 1.上图用于比例较大的图面,下图用于比例较小的图面2.“1”表示1%的沟底纵向坡度,“40.00”表示变坡点间距离,箭头表示水流方向103104 地表排水方向105 截水沟或排水沟“1”表示1%的沟底纵向坡度,“40.00”表示变坡点间距离,箭头表示水流方向欢迎您的下载,资料仅供参考!致力为企业和个人提供合同协议,策划案计划书,学习资料等等打造全网一站式需求。
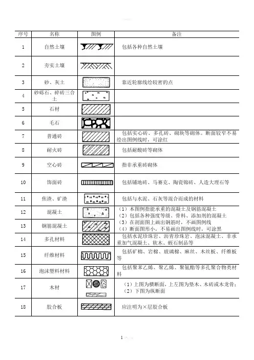
序号名称图例备注1自然土壤包括各种自然土壤2夯实土壤3砂、灰土靠近轮廓线绘较密的点4砂砾石、碎砖三合土5石材6毛石7普通砖包括实心砖、多孔砖、砌块等砌体。
断面较窄不易绘出图例线时,可涂红8耐火砖包括耐酸砖等砌体9空心砖指非承重砖砌体1饰面砖包括铺地砖、马赛克、陶瓷锦砖、人造大理石等11焦渣、矿渣包括与水泥、石灰等混合而成的材料1 2混凝土(1)本图例指能承重的混凝土及钢筋混凝土(2)包括各种强度等级、骨料、添加剂的混凝土(3)在剖面图上画出钢筋时,不画图例线(4)断面图形小,不易画出图例线时,可涂黑13钢筋混凝土1 4多孔材料包括水泥珍珠岩、沥青珍珠岩、泡沫混凝土、非承重加气混凝土、软木、蛭石制品等1 5纤维材料包括矿棉、岩棉、玻璃棉、麻丝、木丝板、纤维板等1 6泡沫塑料材料包括聚苯乙烯、聚乙烯、聚氨酯等多孔聚合物类材料1 7木材(1)上图为横断面,上左图为垫木、木砖或木龙骨;(2)下图为纵断面18胶合板应注明为×层胶合板19石膏板包括圆孔、方孔石膏板、防水石膏板等序号名称图例备注2 0金属(1)包括各种金属(2)图形小时,可涂黑2 1网状材料(1)包括金属、塑料网状材料(2)应注明具体材料名称22液体应注明具体液体名称2 3玻璃包括平板玻璃、磨砂玻璃、夹丝玻璃、钢化玻璃、中空玻璃、加层玻璃、镀膜玻璃等24橡胶25塑料包括各种软、硬塑料及有机玻璃等26防水材料构造层次多或比例大时,采用上面图例27粉刷本图例采用较稀的点。
材料名称图例说明自然土壤包括各种自然土壤.
夯实土壤
水泥砂浆
灰土
砂砾石、级配砂
石
天然石材包括岩层、砌体、铺地、贴面等材料.
毛石
普通砖①包括砌体、砌块.
②断面较窄,不易画出图例线时,可涂红。
混凝土①本图例仅适用于能承重的砼及钢筋砼。
钢筋混凝土②包括各种强度等级、骨料、添加剂的砼。
③在剖面图上画出钢筋时,不画图例线。
④断面较窄,不易画出图例线时,可涂黑。
多孔材料包括水泥珍珠岩、沥清珍珠岩、泡沫砼、非承重加气砼、泡沫塑料、软木等。
木材①上图为横断面,左上图为垫木、木砖、木龙骨。
②下图为纵断面。
金属①包括各种金属.
②图形小时,可涂黑。
常用建筑材料图例
序号名称图例备注1自然土壤包括各种自然土壤
2夯实土壤
3砂、灰土靠近轮廓线绘较密的点4砂砾石、碎砖三合土
5石材
6毛石
7普通砖
包括实心砖、多孔砖、砌块等砌体。
断面较窄不易绘出图例线时,可涂红
8耐火砖包括耐酸砖等砌体
9空心砖指非承重砖砌体
10饰面砖包括铺地砖、马赛克、陶瓷锦砖、人造大理石等11焦渣、矿渣包括与水泥、石灰等混合而成的材料
12混凝土(1)本图例指能承重的混凝土及钢筋混凝土(2)包括各种强度等级、骨料、添加剂的混凝土(3)在剖面图上画出钢筋时,不画图例线(4)断面图形小,不易画出图例线时,可涂黑
13钢筋混凝土
14多孔材料
包括水泥珍珠岩、沥青珍珠岩、泡沫混凝土、非承重加气混凝土、软木、蛭石制品等
15纤维材料包括矿棉、岩棉、玻璃棉、麻丝、木丝板、纤维板等16泡沫塑料材料包括聚苯乙烯、聚乙烯、聚氨酯等多孔聚合物类材料
17木材(1)上图为横断面,上左图为垫木、木砖或木龙骨;(2)下图为纵断面
18胶合板应注明为×层胶合板
19石膏板包括圆孔、方孔石膏板、防水石膏板等
20金属(1)包括各种金属(2)图形小时,可涂黑
序号名称图例备注
21网状材料(1)包括金属、塑料网状材料(2)应注明具体材料名称
22液体应注明具体液体名称
23玻璃
包括平板玻璃、磨砂玻璃、夹丝玻璃、钢化玻璃、中空玻璃、加层玻璃、镀膜玻璃等
24橡胶
25塑料包括各种软、硬塑料及有机玻璃等
26防水材料构造层次多或比例大时,采用上面图例27粉刷本图例采用较稀的点
如有侵权请联系告知删除,感谢你们的配合!。
常用建筑材料图例整理1 自然土壤包括各种自然土壤2 夯实土壤3 砂、灰土靠近轮廓线绘较密的点4 砂砾石、碎砖三合土5 石材6 毛石7 普通砖包括实心砖、多孔砖、砌块等砌体。
断面较窄不易绘出图例线时,可涂红8 耐火砖包括耐酸砖等砌体9 空心砖指非承重砖砌体10 饰面砖包括铺地砖、马赛克、陶瓷锦砖、人造大理石等11 焦渣、矿渣包括与水泥、石灰等混合而成的材料12 混凝土(1)本图例指能承重的混凝土及钢筋混凝土(2)包括各种强度等级、骨料、添加剂的混凝土(3)在剖面图上画出钢筋时,不画图例线(4)断面图形小,不易画出图例线时,可涂黑13 钢筋混凝土14 多孔材料包括水泥珍珠岩、沥青珍珠岩、泡沫混凝土、非承重加气混凝土、软木、蛭石制品等15 纤维材料包括矿棉、岩棉、玻璃棉、麻丝、木丝板、纤维板等16 泡沫塑料材料包括聚苯乙烯、聚乙烯、聚氨酯等多孔聚合物类材料17 木材(1)上图为横断面,上左图为垫木、木砖或木龙骨;(2)下图为纵断面18 胶合板应注明为×层胶合板19 石膏板 包括圆孔、方孔石膏板、防水石膏板等 20 金属(1)包括各种金属 (2)图形小时,可涂黑21 网状材料 (1)包括金属、塑料网状材料(2)应注明具体材料名称22 液体应注明具体液体名称 23 玻璃 包括平板玻璃、磨砂玻璃、夹丝玻璃、钢化玻璃、中空玻璃、加层玻璃、镀膜玻璃等24 橡胶25 塑料包括各种软、硬塑料及有机玻璃等 26 防水材料 构造层次多或比例大时,采用上面图例 27 粉刷本图例采用较稀的点28 毛石混凝土29 新设计的建筑物 1.需要时,可用▲表示出入口,可在图形内右上角用点数或数字表示层数2.建筑物外形(一般以±0.00高度处的外墙定位轴线或外墙面线为准)用粗实线表示,需要时,地面以上建筑用中粗实线表示,地下以下建筑用细虚线表示30 原有的建筑物用细实线表示 31 计划扩建的建筑物用中粗虚线表示32 拆除的建筑物用细实线表示33 道路34 公路桥35 砖石、混凝土围墙36 铁丝网、蓠笆等37 河流38 等高线39 边坡40 风向频率玫瑰图41 新设计的墙42 墙上预留洞口43 土墙44 板条墙45 入口坡道46 底层楼梯47 中间楼梯48 顶层楼梯49 单扇门50 双扇门51 双扇推位门52 单扇双面弹簧门53 双扇双面弹簧门54 单层固定窗55 检查孔(地面、吊顶)56 烟道57 空门洞58 单层外开上悬窗59 单层中悬窗60 水平推拉窗61 平开窗62 建筑物下面的通道63 散状材料露天堆场需要时可注明材料名称 64 其他材料露天堆场或露天作业场65 铺砌场地66 敞棚或敞廊67高架式料仓6869 漏斗式贮仓 左、右图为底卸式中图为侧卸式70 冷却塔(池) 应注明冷却塔或冷却池71 水塔、贮罐 左图为水塔或立式贮罐右图为卧式贮罐72 水池、坑槽也可以不涂黑 73 明溜矿槽(井)74 斜井或平涧75 烟囱 实线为烟囱下部直径,虚线为基础,必要时可注写烟囱高度和上、下口直径76围墙及大门实体性质的围墙, 77 通透性质的围墙,若仅表示围墙时不画大门78 挡土墙 被挡土在“突出”的一侧 79 挡土墙上设围墙80 台阶 箭头指向表示向下 81 露天桥式起重机 “+”为柱子位置 82露天电动葫芦“+”为支架位置 8384门式起重机有外伸臂 85无外伸臂 86 架空索道 “I ”为支架位置87 斜坡卷扬机道88 斜坡栈桥(皮带廊等) 细实线表示支架中心线位置89坐标测量坐标 90建筑坐标 91方格网交叉点标高 “78.85”为原地面标高 “77.85”为设计标高“-0.50”为施工高度“-”表示挖方(“+”表示填方)92 填方区、挖方区、未整平区及零点线“+”表示填方区 “-”表示挖方区 中间为未整平区点划线为零点线 93 填挖边坡 1.边坡较长时,可在一端或两端局部表示2.下边线为虚线时表示填方94 护坡95分水脊线与谷线脊线 96谷线 97 洪水淹没线 阴影部分表示淹没区(可在底图背面涂红)98 排水明沟 1.上图用于比例较大的图面,下图用于比例较小的图面2.“1”表示1%的沟底纵向坡度,“40.00”表示变坡点间距离,箭头表示水流方向3.“107.50”表示沟底标高99 100 铺砌的排水明沟 1.上图用于比例较大的图面,下图用于比例较小的图面2.“1”表示1%的沟底纵向坡度,“40.00”表示变坡点间距离,箭头表示水流方向3.“107.50”表示沟底标高101 102 有盖的排水沟 1.上图用于比例较大的图面,下图用于比例较小的图面2.“1”表示1%的沟底纵向坡度,“40.00”表示变坡点间距离,箭头表示水流方向 103104 地表排水方向105 截水沟或排水沟“1”表示1%的沟底纵向坡度,“40.00”表示变坡点间距离,箭头表示水流方向106 雨水口107 消火栓井108 急流槽箭头表示水流方向109 跌水110 拦水(闸)坝111 透水路堤边坡较长时,可在一端或两端局部表示112 过水路面113 室内标高114 室外标高室外标高也可采用等高线表示。
1 自然土壤包括各种自然土壤2 夯实土壤3 砂、灰土靠近轮廓线绘较密的点4 砂砾石、碎砖三合土5 石材6 毛石7 普通砖包括实心砖、多孔砖、砌块等砌体。
断面较窄不易绘出图例线时,可涂红8 耐火砖包括耐酸砖等砌体9 空心砖指非承重砖砌体10 饰面砖包括铺地砖、马赛克、陶瓷锦砖、人造大理石等11 焦渣、矿渣包括与水泥、石灰等混合而成的材料12 混凝土(1)本图例指能承重的混凝土及钢筋混凝土(2)包括各种强度等级、骨料、添加剂的混凝土(3)在剖面图上画出钢筋时,不画图例线(4)断面图形小,不易画出图例线时,可涂黑13 钢筋混凝土14 多孔材料包括水泥珍珠岩、沥青珍珠岩、泡沫混凝土、非承重加气混凝土、软木、蛭石制品等15 纤维材料包括矿棉、岩棉、玻璃棉、麻丝、木丝板、纤维板等16 泡沫塑料材料包括聚苯乙烯、聚乙烯、聚氨酯等多孔聚合物类材料17 木材(1)上图为横断面,上左图为垫木、木砖或木龙骨;(2)下图为纵断面18 胶合板应注明为×层胶合板19石膏板包括圆孔、方孔石膏板、防水石膏板等20 金属(1)包括各种金属 (2)图形小时,可涂黑 21 网状材料(1)包括金属、塑料网状材料 (2)应注明具体材料名称 22 液体应注明具体液体名称23 玻璃包括平板玻璃、磨砂玻璃、夹丝玻璃、钢化玻璃、中空玻璃、加层玻璃、镀膜玻璃等 24 橡胶25 塑料包括各种软、硬塑料及有机玻璃等26 防水材料构造层次多或比例大时,采用上面图例27 粉刷本图例采用较稀的点 28 毛石混凝土29 新设计的建筑物1.需要时,可用▲表示出入口,可在图形内右上角用点数或数字表示层数2.建筑物外形(一般以±0.00高度处的外墙定位轴线或外墙面线为准)用粗实线表示,需要时,地面以上建筑用中粗实线表示,地下以下建筑用细虚线表示 30 原有的建筑物用细实线表示31 计划扩建的建筑物用中粗虚线表示32 拆除的建筑物用细实线表示33 道路34 公路桥35 砖石、混凝土围墙36 铁丝网、蓠笆等37 河流38 等高线39 边坡40 风向频率玫瑰图41 新设计的墙42 墙上预留洞口43 土墙44 板条墙45 入口坡道46 底层楼梯47 中间楼梯48 顶层楼梯49 单扇门50 双扇门51 双扇推位门52 单扇双面弹簧门53 双扇双面弹簧门54 单层固定窗55 检查孔(地面、吊顶)56 烟道57 空门洞58 单层外开上悬窗59 单层中悬窗60 水平推拉窗61 平开窗62 建筑物下面的通道63散状材料露天堆场需要时可注明材料名称64其他材料露天堆场或露天作业场65铺砌场地66 敞棚或敞廊67高架式料仓6869漏斗式贮仓左、右图为底卸式 中图为侧卸式 70 冷却塔(池)应注明冷却塔或冷却池 71 水塔、贮罐左图为水塔或立式贮罐 右图为卧式贮罐 72 水池、坑槽也可以不涂黑73 明溜矿槽(井)74 斜井或平涧75 烟囱实线为烟囱下部直径,虚线为基础,必要时可注写烟囱高度和上、下口直径 76围墙及大门实体性质的围墙,77通透性质的围墙,若仅表示围墙时不画大门78挡土墙被挡土在“突出”的一侧79 挡土墙上设围墙80 台阶箭头指向表示向下81 露天桥式起重机“+”为柱子位置82露天电动葫芦“+”为支架位置8384门式起重机有外伸臂85无外伸臂86 架空索道“I ”为支架位置87 斜坡卷扬机道88斜坡栈桥(皮带廊等)细实线表示支架中心线位置89坐标测量坐标90建筑坐标91方格网交叉点标高“78.85”为原地面标高 “77.85”为设计标高 “-0.50”为施工高度 “-”表示挖方(“+”表示填方)92填方区、挖方区、未整平区及零点线“+”表示填方区 “-”表示挖方区 中间为未整平区 点划线为零点线93填挖边坡1.边坡较长时,可在一端或两端局部表示 2.下边线为虚线时表示填方 94 护坡95分水脊线与谷线脊线96谷线97 洪水淹没线阴影部分表示淹没区(可在底图背面涂红) 98排水明沟1.上图用于比例较大的图面,下图用于比例较小的图面 2.“1”表示1%的沟底纵向坡度,“40.00”表示变坡点间距离,箭头表示水流方向 3.“107.50”表示沟底标高 99100铺砌的排水明沟1.上图用于比例较大的图面,下图用于比例较小的图面 2.“1”表示1%的沟底纵向坡度,“40.00”表示变坡点间距离,箭头表示水流方向 3.“107.50”表示沟底标高 101102有盖的排水沟1.上图用于比例较大的图面,下图用于比例较小的图面 2.“1”表示1%的沟底纵向坡度,“40.00”表示变坡点间距离,箭头表示水流方向103104 地表排水方向105 截水沟或排水沟“1”表示1%的沟底纵向坡度,“40.00”表示变坡点间距离,箭头表示水流方向106 雨水口107 消火栓井108 急流槽箭头表示水流方向109 跌水110 拦水(闸)坝111 透水路堤边坡较长时,可在一端或两端局部表示112 过水路面113 室内标高114 室外标高室外标高也可采用等高线表示。
1 自然土壤包括各种自然土壤2 夯实土壤3 砂、灰土靠近轮廓线绘较密的点4 砂砾石、碎砖三合土5 石材6 毛石7 普通砖包括实心砖、多孔砖、砌块等砌体。
断面较窄不易绘出图例线时,可涂红8 耐火砖包括耐酸砖等砌体9 空心砖指非承重砖砌体10 饰面砖包括铺地砖、马赛克、陶瓷锦砖、人造大理石等11 焦渣、矿渣包括与水泥、石灰等混合而成的材料12 混凝土(1)本图例指能承重的混凝土及钢筋混凝土(2)包括各种强度等级、骨料、添加剂的混凝土(3)在剖面图上画出钢筋时,不画图例线(4)断面图形小,不易画出图例线时,可涂黑13 钢筋混凝土14 多孔材料包括水泥珍珠岩、沥青珍珠岩、泡沫混凝土、非承重加气混凝土、软木、蛭石制品等15 纤维材料包括矿棉、岩棉、玻璃棉、麻丝、木丝板、纤维板等16 泡沫塑料材料包括聚苯乙烯、聚乙烯、聚氨酯等多孔聚合物类材料17 木材(1)上图为横断面,上左图为垫木、木砖或木龙骨;(2)下图为纵断面18 胶合板应注明为×层胶合板19 石膏板包括圆孔、方孔石膏板、防水石膏板等20 金属(1)包括各种金属(2)图形小时,可涂黑21 网状材料(1)包括金属、塑料网状材料(2)应注明具体材料名称22 液体应注明具体液体名称23 玻璃包括平板玻璃、磨砂玻璃、夹丝玻璃、钢化玻璃、中空玻璃、加层玻璃、镀膜玻璃等24 橡胶25 塑料包括各种软、硬塑料及有机玻璃等26 防水材料构造层次多或比例大时,采用上面图例27 粉刷本图例采用较稀的点欢迎您的下载,资料仅供参考!致力为企业和个人提供合同协议,策划案计划书,学习资料等等打造全网一站式需求。
常用建筑材料图例
序号名称图例备注
1 自然土壤包括各种自然土壤
2 夯实土壤
3 砂、灰土靠近轮廓线绘较密的点
4 砂砾石、碎砖三合土
5 石材
6 毛石
7 普通砖
包括实心砖、多孔砖、砌块等砌体。
断面较窄不易绘出图例线时,可涂红
8 耐火砖包括耐酸砖等砌体
9 空心砖指非承重砖砌体
10 饰面砖包括铺地砖、马赛克、陶瓷锦砖、人造大理石等
11 焦渣、矿渣包括与水泥、石灰等混合而成的材料
12 混凝土(1)本图例指能承重的混凝土及钢筋混凝土(2)包括各种强度等级、骨料、添加剂的混凝土(3)在剖面图上画出钢筋时,不画图例线
(4)断面图形小,不易画出图例线时,可涂黑
13 钢筋混凝土
14 多孔材料
包括水泥珍珠岩、沥青珍珠岩、泡沫混凝土、非承重加气混凝土、软木、蛭石制品等
15 纤维材料包括矿棉、岩棉、玻璃棉、麻丝、木丝板、纤维板等
16 泡沫塑料材料包括聚苯乙烯、聚乙烯、聚氨酯等多孔聚合物类材料
17 木材(1)上图为横断面,上左图为垫木、木砖或木龙骨;(2)下图为纵断面
18 胶合板应注明为×层胶合板
19 石膏板包括圆孔、方孔石膏板、防水石膏板等
20 金属(1)包括各种金属(2)图形小时,可涂黑
序号名称图例备注
21 网状材料(1)包括金属、塑料网状材料(2)应注明具体材料名称
22 液体应注明具体液体名称
23 玻璃
包括平板玻璃、磨砂玻璃、夹丝玻璃、钢化玻璃、中空玻璃、加层玻璃、镀膜玻璃等
24 橡胶
25 塑料包括各种软、硬塑料及有机玻璃等
26 防水材料构造层次多或比例大时,采用上面图例
27 粉刷本图例采用较稀的点。
建造材料图例建造材料图例1. 木材1.1 建造用材1.1.1 红木- 红木是一种质地坚硬、纹理清晰的木材,常用于地板、家具等建造用途。
1.1.2 柚木- 柚木具有耐腐蚀、抗虫蛀的特点,常用于外墙、门窗等建造装饰。
1.1.3 橡木- 橡木具有坚硬、耐用的特性,常用于地板、楼梯扶手等建造结构。
1.2 室内装饰材料1.2.1 胶合板- 胶合板是由多层薄木板胶合而成,常用于家具、隔板等室内装饰。
1.2.2 刨花板- 刨花板是一种颗粒较大的人造板材,常用于家具、橱柜等室内装饰。
1.2.3 竹地板- 竹地板是以竹材为原料制成的地板,具有环保、耐磨等特点。
2. 石材2.1 大理石2.1.1 意大利白大理石- 意大利白大理石纹理优美,常用于建造外墙、室内地面等装饰。
2.1.2 印度红大理石- 印度红大理石色采明艳,常用于建造立面、雕塑等装饰。
2.1.3 中国黑大理石- 中国黑大理石纹理均匀,常用于室内地面、墙壁等装饰。
2.2 花岗岩- 花岗岩硬度高、耐久性强,常用于台面、墙面等建造装饰。
2.3 石英石- 石英石具有坚硬、耐磨的特性,常用于厨房台面等室内装饰。
3. 金属材料3.1 铝合金- 铝合金具有轻质、耐腐蚀的特点,常用于门窗框架、幕墙等建造结构。
3.2 不锈钢- 不锈钢具有耐高温、耐腐蚀的特性,常用于厨房设备、扶手等装饰。
3.3 镀锌钢板- 镀锌钢板具有防锈、耐候性好的特点,常用于屋面、墙面等建造用途。
4. 塑料材料4.1 PVC- PVC是一种常用的塑料材料,具有防水、绝缘等特性,常用于管道、窗框等建造结构。
4.2 PE- PE是一种耐磨、耐腐蚀的塑料材料,常用于水箱、排水管道等建造设备。
4.3 ABS- ABS是一种耐冲击、耐热的塑料材料,常用于卫生设备、家具等室内装饰。
5. 玻璃材料5.1 钢化玻璃- 钢化玻璃具有强度高、安全性好的特点,常用于门窗、玻璃幕墙等建造用途。
5.2 LOW-E玻璃- LOW-E玻璃具有隔热、保温的特性,常用于建造外墙、阳光房等装饰。
包括各种自然土壤。
级配砂
包括岩层、砌体、铺地、贴
面等材料。
①包括砌体、砌块。
②断面较窄,不易画出图例
线时,可涂红。
①本图例仅适用于能承重
的砼及钢筋砼。
②包括各种强度等级、骨料、添加剂的砼。
③在剖面图上画出钢筋时,不画图例线。
④断面较窄,不易画出图例线时,可涂黑。
包括水泥珍珠岩、沥清珍珠岩、
泡沫塑料、软木等。
①上图为横断面,左上图为垫木、木砖、木龙骨。
②下图为纵断面。
①
②图形小时,可涂黑。
欢迎您的下载,
资料仅供参考!
致力为企业和个人提供合同协议,策划案计划书,学习资料等等
打造全网一站式需求。