临床肺部感染评分CPIS
- 格式:doc
- 大小:27.00 KB
- 文档页数:2
常用患者病情评估评分表非特异性疾病病情程度评价和预后预测系统APACHEⅡ(软件)是目前临床上重症监护病房应用最广泛、最具权威的危重病病情评价系统。
也可用于混合病种。
临床应用:非特异性疾病病情程度评价和预后预测方法。
适用于ICU、急诊。
数据采集应为病人入ICU或抢救开始后24小时内最差值.;评估前,需要检查生命体征,血常规,电解质,血气分析,肾功检查。
如果暂时缺如,也可以以正常值替代,以得出分值,先行评估。
事后修正。
APACHE Ⅱ、Ⅲ评分,分3部分:急性生理学评分,年龄评分,慢性健康状况评分临床意义:分值越高,提示病情越重,死亡率越高。
动态分值反应病情演变和治疗效果预测死亡率准确性:APACHE Ⅲ >Ⅱ>Ⅰ局限性:急诊获取相关参数比较困难注明:PaO2、FiO2(mmHg)填入时以小数为准,比如PaO2为75%,填0.75;FiO2为40%,则填0.40。
改良的早期预警评分(MEWS)EWS和MEWS英国诺福克和诺里奇大学医院使用的EWS项目评分3 2 1 0 1 2 3心率(次/min)<40 41-50 51-100 101-110 111-130 >130 收缩压(mmHg)<70 70-80 81-100 101-199 ≥200呼吸频率(次/min)<9 9-14 15-20 21-29 >30 体温(℃)<35 35.1-36.5 36.6-37.4 >37.5对声音对疼痛意识清楚有反应有反应无反应用途:(EWS -动态监测病情变化,早期发现潜在危重病人)改良的早期预警评分(MEWS)项目评分3 2 1 0 1 2 3心率(次/min)≤40 41-50 51-100 101-110 111-129 ≥130 收缩压(mmHg)≤70 71-80 81-100 101-199 ≥200呼吸频率(次/min)<9 9-14 15-20 21-29 ≥30 体温(℃)<35 35.0-38.4 ≥38.5对声音对疼痛意识清楚有反应有反应无反应﹡为潜在危险评分方法,可用于普通病员风险评估(也可使用SAPSⅡ简化急性生理评分软件)EWS >3分:提醒医生或ICU人员进行评估,调整处理方案MEWS评分5分:是鉴别患者严重程度的最佳临界点评分<5分,大多数不需住院治疗;评分≥5分, 病情变化危险增大,有“潜在危重病”危险。
肺炎患者病情严重程度及预后的评估(完整版)近年来,由于社会人口的老龄化、免疫损害宿主增加、病原体变迁和抗生素耐药率上升等原因,肺炎的发病率和病死率不断升高。
据统计,我国每年肺炎患病人数达250万,死亡12.5万,其中老年人占70%[1],肺炎已经成为威胁人类健康的重要疾病之一。
随着影像学技术的发展,目前临床工作中肺炎不难诊断。
然而,正确评估患者病情的严重程度及预后,早期、准确诊断和预测肺炎,才能提高患者的治愈率。
现将有关肺炎病情及预后评估的相关方法和生物学标记物综述如下。
1 量化评分1.1 肺炎严重性指数(pneumonia severity index,PSI)评分系统Fine等[2]于1997年正式提出一个两步评分系统-PSI,又称PORT(patient outcomes research team)分级:①区分Ⅰ级即低风险患者,年龄<50岁,无肿瘤、肝肾疾病、脑血管病、充血性心力衰竭等基础疾病及生命体征异常;②Ⅱ~Ⅴ级计算总结,按年龄、基础疾病、生命体征、流行病学、实验室检查、血气分析及放射学特点等肺炎相关危险因素进行初步临床估计,逐项积分,见表1。
PSI是临床常用的社区获得性肺炎(community-acquired pneumonia,CAP)评估工具,是患者危险因素的积分系统。
其将肺炎分为5个级别,Ⅰ级为低风险患者,Ⅱ~Ⅴ级患者进行危险因素评分,≤70分为Ⅱ级,71~90分为Ⅲ级,91~130分为Ⅳ级,>130分为Ⅴ级。
Fine等[2]总结了PSI 危险分层的意义:①决定起始的治疗方式,Fine等[2]推荐Ⅰ、Ⅱ级患者门诊治疗;Ⅲ级患者短期住院治疗;Ⅳ、Ⅴ级患者住院治疗。
②有助于向患者交代预期的临床转归,目前较多文献主张简化分类方法,PSIⅠ~Ⅲ级为低危险状态,Ⅳ~Ⅴ级则为高危险状态,据Fine等[2]研究结果显示,低危险状态患者病死率小于3%,高危险状态则为9%~30%。
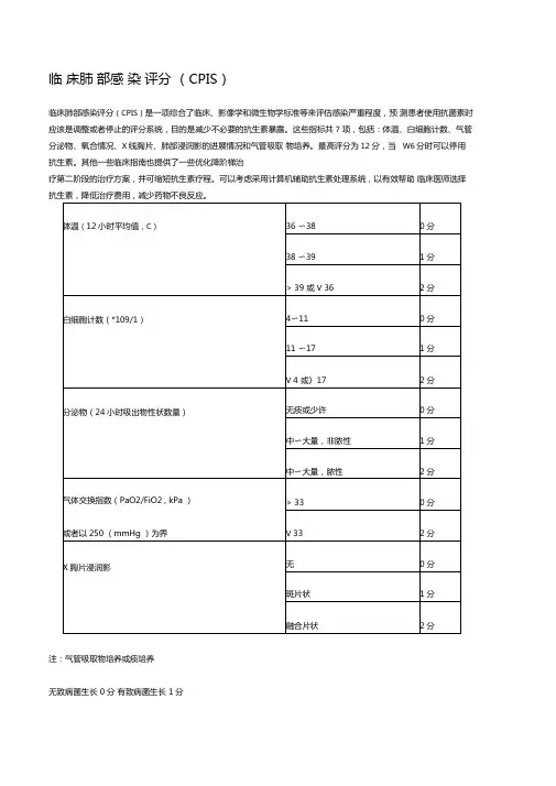
临床肺部感染评分(CPIS)
临床肺部感染评分(CPIS)是一项综合了临床、影像学和微生物学标准等来评估感染严重程度,预测患者使用抗菌素时应该是调整或者停止的评分系统,目的是减少不必要的抗生素暴露。
这些指标共7项,包括:体温、白细胞计数、气管分泌物、氧合情况、X线胸片、肺部浸润影的进展情况和气管吸取物培养。
最高评分为12分,当W6分时可以停用抗生素。
其他一些临床指南也提供了一些优化降阶梯治疗第二阶段的治疗方案,并可缩短抗生素疗程。
可以考虑采用计算机辅助抗生素处理系统,以有效帮助临床医师选择抗生素,降低治疗费用,减少药物不良反应。
注:气管吸取物培养或痰培养
无致病菌生长0分
有致病菌生长1分
两次培养到同一种细菌或者格兰染色与培养一致2分
CPIS评分降低,病情缓解
CPIS>6分,病死危险性高CPIS。
评分越高,病情越重
临床肺部感染评分(CPIS)是一项综合了临床、影像学和微生物学标准等来评估感染严重程度,预测患者使用抗菌素时应该是调整或者停止的评分系统,目的是减少不必要的抗生素暴露。
这些指标共7项,包括:体温、白细胞计数、气管分泌物、氧合情况、X线胸片、肺部浸润影的进展情况和气管吸取物培养。
最高评分为12分,当W6分时可以停用抗生素。
其他一些临床指南也提供了一些优化降阶梯治疗第二阶段的治疗方案,并可缩短抗生素疗程。
可以考虑采用计算机辅助抗生素处理系统,以有效帮助临床医师选择抗生素,降低治疗费用,减少药物不良反应。
临床肺部感染评分(CPIS)
临床肺部感染评分(CPIS)是一项综合了临床、影像学和微生物学标准等来评估感染严重程度,预测患者使用抗菌素时应该是调整或者停止的评分系统,目的是减少不必要的抗生素暴露。
这些指标共7 项,包括:体温、白细胞计数、气管分泌物、氧合情况、X线胸片、肺部浸润影的进展情况和气管吸取物培养。
最高评分为12分,当W6分时可以停用抗生素。
其他一些临床指南也提供了一些优化降阶梯治
疗第二阶段的治疗方案,并可缩短抗生素疗程。
可以考虑采用计算机辅助抗生素处理系统,以有效帮助临床医师选择
注:气管吸取物培养或痰培养
无致病菌生长 0分有致病菌生长 1分
两次培养到同一种细菌或者格兰染色与培养一致2分
CPIS评分降低,病情缓解
CPISM6分,病死危险性高CPIS 评分越高,病情越重
临床肺部感染评分(CPIS )是一项综合了临床、影像学和微生物学标准等来评估感染严重程度,预测患者使用抗菌素时应该是调整或者停止的评分系统,目的是减少不必要的抗生素暴露。
这些指标共7项,包括:体温、白细胞计数、气管分泌物、氧合情况、X线胸片、肺部浸润影的进展情况和气管吸取物培养。
最高评分为12分,当W6分时可以停用抗生素。
其他一些临床指南也提供了一些优化降阶梯治疗第二阶段的治疗方案,并可缩短抗生素疗程。
可以考虑采用计算机辅助抗生素处理系统,以有效帮助临床医师选择抗生素,降低治疗费用, 减少药物不良反应。
血清相关炎性因子水平、氧化应激反应指标与重症肺炎患者CPIS 评分的相关性研究陈高瑛,王红燕,燕肖晗,苏醒,齐红松河南大学第一附属医院呼吸与危重症医学科,河南开封475000【摘要】目的探讨血清相关炎性因子水平、氧化应激反应指标与重症肺炎患者临床肺部感染评分(CPIS)的相关性。
方法选取2020年2月至2023年1月河南大学第一附属医院呼吸与危重症医学科收治的178例重症肺炎患者作为重症肺炎组,同期178例普通肺炎患者作为普通肺炎组,根据治疗28d 后的预后情况将重症肺炎患者分为死亡组59例和生存组119例。
比较重症肺炎组和普通肺炎组(入院时)的血清白介素-6(IL -6)、肿瘤坏死因子-α(TNF -α)、C 反应蛋白(CRP)、超氧化物歧化酶(SOD)、丙二醛(MDA)、过氧化脂质(LPO)水平及CPIS 评分;比较死亡组和生存组患者(入院时、入院3d 、7d 后)的血清IL -6、TNF -α、CRP 、SOD 、MDA 、LPO 水平;采用Pearson 相关法分析血清IL -6、TNF -α、CRP 、SOD 、MDA 、LPO 水平与PCIS 评分的相关性,采用多因素Logistic 回归法分析患者死亡的影响因素,采用受试者工作特征曲线(ROC)分析血清IL -6、TNF -α、CRP 、SOD 、MDA 、LPO 水平联合检测对重症肺炎患者死亡的预测价值。
结果重症肺炎组患者入院时的血清IL -6、TNF -α、CRP 、MDA 、LPO 水平及CPIS 评分明显高于普通肺炎组,SOD 水平明显低于普通肺炎组,差异均有统计学意义(P <0.05);经Pearson 相关性分析结果显示,CPIS 评分与入院时血清IL -6、TNF -α、CRP 、MDA 、LPO 水平呈正相关(P <0.05),与SOD 水平呈负相关(P <0.05);死亡组患者入院3d 、7d 后的血清IL -6、TNF -α、CRP 、MDA 、LPO 水平均高于生存组,SOD 水平低于生存组,差异均有统计学意义(P <0.05);经多因素Logistic 回归分析结果显示,入院3d 后血清IL -6(>64.02ng/L)、TNF -α(>62.38ng/L)、CRP (>43.62mg/L)、MDA (>7.20mmol/L)、LPO (>20.10μmol/L)水平与入院7d 后血清IL -6(>58.47ng/L)、TNF -α(>53.58ng/L)、CRP (>38.20mg/L)、MDA (>5.91mmol/L)、LPO (>20.88μmol/L)水平均是重症肺炎患者治疗28d 后死亡危险因素(P <0.05),而血清SOD 水平入院3d 后(>5.48U/mL)、7d 后(>6.49U/mL)是保护因素(P <0.05);经ROC 分析结果显示,入院3d 、7d 后血清IL -6、TNF -α、CRP 、SOD 、MDA 、LPO 水平联合预测死亡的曲线下面积(AUC)分别为0.756、0.803,最佳预测敏感度分别为86.44%、64.71%,特异度分别为93.22%、67.23%,高于各指标单一预测(P <0.05)。
CPIS、PCT和D-二聚体对新生儿RDS并发呼吸机相关性肺炎预后评估的价值分析张少雨;刘秀兰;孟林;桑艳锋;张冬梅;刘咏梅【摘要】目的:探讨临床肺部感染评分(CPIS)、D二聚体、降钙素原(PCT)对新生儿呼吸窘迫综合征(RDS)并发呼吸机相关性肺炎(VAP)预后评估的价值.方法:131例新生儿RDS并发VAP患儿根据病情转归分为生存组(75例)和死亡组(56例),记录所有患儿诊断VAP后第1天、第3天、第5天的CPIS评分、PCT和D二聚体水平.结果:诊断第3天、第5天,死亡组患儿的CPIS评分、D-二聚体、PCT均明显高于生存组,差异具有统计学意义(P<0.05).随着诊断时间的延长,生存组患儿CPIS评分、D-二聚体、PCT逐渐降低(P<0.05),死亡组患儿CPIS评分、D-二聚体、PCT逐渐升高(P<0.05).结论:监测CPIS评分、PCT、D-二聚体对新生儿RDS并发VAP的预后评估具有较好的临床价值.【期刊名称】《承德医学院学报》【年(卷),期】2018(035)005【总页数】4页(P380-383)【关键词】新生儿;呼吸窘迫综合征(RDS);呼吸机相关性肺炎(VAP);临床肺部感染评分(CPIS);降钙素原(PCT);D-二聚体【作者】张少雨;刘秀兰;孟林;桑艳锋;张冬梅;刘咏梅【作者单位】承德市中心医院儿科,河北承德 06700;承德市中心医院儿科,河北承德06700;承德市中心医院儿科,河北承德 06700;承德市中心医院儿科,河北承德06700;承德市中心医院儿科,河北承德 06700;承德市中心医院儿科,河北承德06700【正文语种】中文【中图分类】R722.1新生儿呼吸窘迫综合征(RDS)是由于肺泡表面活性物质缺乏导致新生儿生后不久出现呼吸窘迫并进行性加重的临床综合征,发病后多需应用呼吸机辅助通气治疗。
呼吸机相关性肺炎(VAP)是机械通气治疗中常见的并发症之一,也是新生儿重症监护病房(NICU)常见的医院感染[1-2]。
GNRI、CPIS及炎症指标联合应用对老年社区获得性肺炎患者预后的预测价值作者:陈嘉琦伍俊叶国辉梁俊彬肖婉媚来源:《新医学》2021年第08期【摘要】目的探討老年人营养风险评分(GNRI)联合临床肺部感染评分(CPIS)及感染指标在老年社区获得性肺炎(CAP)患者中的预后评估价值。
方法收集237例老年CAP住院患者,以GNRI 92分、CPIS 6分为界限,将患者分为GNRI < 92分、CPIS≥6分组(A组,61例),GNRI < 92分、CPIS < 6分组(B组,65例),GNRI≥92分、CPIS≥6分组(C组,54例),GNRI≥92分、CPIS < 6分组(D组,57例)。
比较各组老年CAP患者的住院时间、机械通气率、住院期间病死率、年龄、吸烟史及基础疾病(高血压、冠状动脉粥样硬化性心脏病、2型糖尿病、肾功能不全)、入院时降钙素原(PCT)和CRP。
采用受试者工作特征(ROC)曲线对比GNRI+CPIS和GNRI+CPIS联合CRP+PCT对老年CAP患者预后的预测价值。
结果 4组老年CAP患者的年龄、吸烟史、存在基础疾病及住院时间比较差异均无统计学意义(P均> 0.05),4组的机械通气率、住院期间病死率、CRP、PCT比较差异均有统计学意义(P均< 0.05)。
GNRI+CPIS联合评分预测老年CAP患者死亡风险的ROC AUC为0.805、灵敏度为0.975、特异度为0.847;GNRI+CPIS联合CRP+PCT预测老年CAP患者住院期间死亡风险的ROC AUC为0.897,灵敏度为0.983,特异度为0.906;GNRI+CPIS联合CRP+PCT模型的预测价值高于GNRI+CPIS联合评分(P < 0.001)。
结论 GNRI+CPIS联合CRP+PCT共同预测老年CAP住院期间病死率的价值高于GNRI+CPIS。
【关键词】老年营养风险评分;临床肺部感染评分;降钙素原;社区获得性肺炎;预后Prognostic value of GNRI, CPIS combined with inflammatory markers in elderly patients with community-acquired pneumonia Chen Jiaqi, Wu Jun, Ye Guohui, Liang Junbin, Xiao Wanmei. Guangdong Medical University, Zhanjiang 524000, ChinaCorresponding author, Wu Jun, E-mail:****************【Abstract】 Objective To evaluate the prognostic value of geriatric nutritional risk index (GNRI) combined with clinical pulmonary infection score (CPIS) and inflammatory markers in elderly patients diagnosed with community-acquired pneumonia (CAP). Methods A total of 237 elderly patients with CAP were recruited and divided into the following 4 groups: GNRI<92 and CPIS≥6 group (A group, n = 61), GNRI<92 and CPIS<6 group (B group, n = 65),GNRI≥92 and CPIS≥6 group (C group, n = 54)and GNRI≥92 and CPIS<6 group (D group, n = 57)according to the limits of GNRI≥92 and CPIS≥6. The length of hospital stay, mechanicalventilation rate, mortality rate, age, smoking history and underlying diseases (hypertension,coronary atherosclerotic heart disease, type 2 diabetes mellitus and renal insufficiency),procalcitonin (PCT) and C-reactive protein (CRP) levels upon admission were statistically compared among different groups. The receiver operating characteristic (ROC) curve was delineated to compare the area under the ROC curve (AUC), sensitivity and specificity of GNRI+CPIS and GNRI+CPIS+CRP+PCT in predicting the clinical prognosis of CAP patients. Results Age, smoking history and underlying diseases and length of hospital stay did not significantly differ among the 4 groups (all P > 0.05). The mechanical ventilation rate, mortality rate, CRP and PCT significantly differed among the 4 groups (all P < 0.05). The area under curve (AUC), sensitivity and specificity of the combined score of GNRI+CPIS in predicting the risk of death in elderly patients with CAP was 0.805, 0.975 and 0.847, respectively. The AUC,sensitivity and specificity of GNRI+CPIS+CRP+PCT in predict the risk of death in elderly patients with CAP was 0.897, 0.983 and 0.906, respectively. The predictive value of theGNRI+CPIS+CRP+PCT model was significantly higher than that of the combined score ofGNRI+CPIS (P < 0.001). Conclusion Compared with GNRI+CPIS, GNRI+CPIS+CRP+PCT is more efficiency in predicting clinical prognosis of elderly patients with CAP.【Key words】 Geriatric nutritional risk index;Clinical pulmonary infection score;Procalcitonin;Community-acquired pneumonia;Prognosis社区获得性肺炎(CAP)是指在医院以外患上的肺实质(含肺泡壁,即广义上的肺间质)炎症,早期可无明显体征,病情严重者可出现呼吸频率加快、紫绀等改变,而老年患者临床表现不明显,容易忽略了呼吸道症状,造成误诊、漏诊、延诊[1]。
肺炎、慢性阻塞性肺疾病和哮喘常见评分量表临床意义一、肺炎关于肺炎的评分,主要涉及到3个评分系统:CURB-65评分、CRB-65评分、PSI评分和CPIS评分。
CURB-65评分和CRB-65评分CURB-65评分是由2003年美国胸科协会提出,目前其应用较为广泛,其总分由0分到5分不等。
该评分的临床意义一般为:①总分0-1分,为低危,仅需院外治疗;②总分2分,为中危,需短期住院或密切观察下院外治疗;③总分≥3分,为高危,需住院或ICU治疗。
CURB-65评分系统应用简洁方面,便于掌握,临床可操作性强,且其敏感度颇高,有利于临床操作。
CRB-65评分和CURB-65评分相比差距就在于去掉了“尿素氮(U)>7mmol/L”这一指标,其评分的临床意义基本与CURB-65评分相同(分值≥2分视为高危,应住院治疗),其优点就在于适合不方便进行生化检测的医疗场所。
PSI评分PSI评分系统则较为复杂,其评分内容更加细致,对病情的判断更加准确,其评分标准大致如下:PSI评分可用于评估死亡风险,其一般临床意义有:①低危:I级(<50岁,无基础疾病)、II级(≤70分)和III 级(71-90分)②中危:IV级(91-130分)③高危:V级(>130分)CPIS评分CPIS评分即临床肺部感染评分,其评分指标项目较多,涉及生命体征、实验室检查、影像学表现等多个方面,其内容比较复查。
CPIS评分的分值越高,说明患者的临床病情越严重,越需要及时处理,当CPIS评分≤6分时可以考虑停用抗菌药物。
二、慢性阻塞性肺疾病GOLD肺功能分级其中GOLD全称是慢性阻塞性肺疾病全球倡议(global initiative forchronic obstructive lung disease),其共分GOLD1-GOLD4共4级,其COPD气流不可逆受限的严重程度分级是基于舒张后的FEV1数值。
肺功能检查是诊断COPD的一个必备条件,经典地当FEV1/FVC<0.70(吸入支气管舒张剂后)表明存在持续性不可逆气流受限。
肺炎患者病情严重程度及预后的评估(完整版)近年来,由于社会人口的老龄化、免疫损害宿主增加、病原体变迁和抗生素耐药率上升等原因,肺炎的发病率和病死率不断升高。
据统计,我国每年肺炎患病人数达250万,死亡12.5万,其中老年人占70%[1],肺炎已经成为威胁人类健康的重要疾病之一。
随着影像学技术的发展,目前临床工作中肺炎不难诊断。
然而,正确评估患者病情的严重程度及预后,早期、准确诊断和预测肺炎,才能提高患者的治愈率。
现将有关肺炎病情及预后评估的相关方法和生物学标记物综述如下。
1 量化评分1.1 肺炎严重性指数(pneumonia severity index,PSI)评分系统Fine等[2]于1997年正式提出一个两步评分系统-PSI,又称PORT(patient outcomes research team)分级:①区分Ⅰ级即低风险患者,年龄<50岁,无肿瘤、肝肾疾病、脑血管病、充血性心力衰竭等基础疾病及生命体征异常;②Ⅱ~Ⅴ级计算总结,按年龄、基础疾病、生命体征、流行病学、实验室检查、血气分析及放射学特点等肺炎相关危险因素进行初步临床估计,逐项积分,见表1。
PSI是临床常用的社区获得性肺炎(community-acquired pneumonia,CAP)评估工具,是患者危险因素的积分系统。
其将肺炎分为5个级别,Ⅰ级为低风险患者,Ⅱ~Ⅴ级患者进行危险因素评分,≤70分为Ⅱ级,71~90分为Ⅲ级,91~130分为Ⅳ级,>130分为Ⅴ级。
Fine等[2]总结了PSI 危险分层的意义:①决定起始的治疗方式,Fine等[2]推荐Ⅰ、Ⅱ级患者门诊治疗;Ⅲ级患者短期住院治疗;Ⅳ、Ⅴ级患者住院治疗。
②有助于向患者交代预期的临床转归,目前较多文献主张简化分类方法,PSIⅠ~Ⅲ级为低危险状态,Ⅳ~Ⅴ级则为高危险状态,据Fine等[2]研究结果显示,低危险状态患者病死率小于3%,高危险状态则为9%~30%。
临床肺部感染评分(CPIS)
临床肺部感染评分(CPIS)是一项综合了临床、影像学和微生物学标准等来评估感染严重程度,预测患者使用抗菌素时应该是调整或者停止的评分系统,目的是减少不必要的抗生素暴露。
这些指标共7项,包括:体温、白细胞计数、气管分泌物、氧合情况、X 线胸片、肺部浸润影的进展情况和气管吸取物培养。
最高评分为1 2分,当W6分时可以停用抗生素。
其他一些临床指南也提供了一些优化降阶梯治疗第二阶段的治疗方案,并可缩短抗生素疗程。
可以考虑采用计算机辅助抗生素处理系统,以有效帮助临床医师选择抗生素,降低治疗费用,减少药物不良反应。
注:气管吸取物培养或痰培养
无致病菌生长0分
有致病菌生长1分
两次培养到同一种细菌或者格兰染色与培养一致2分
CPIS评分降低,病情缓解
CPIS> 6分,病死危险性高CPIS。
评分越高,病情越重
临床肺部感染评分(CPIS)是一项综合了临床、影像学和微生物学标准等来评估感染严重程度,预测患者使用抗菌素时应该是调整或者停止的评分系统,目的是减少不必要的抗生素暴露。
这些指标共7项,包括:体温、白细胞计数、气管分泌物、氧合情况、X 线胸片、肺部浸润影的进展情况和气管吸取物培养。
最高评分为1 2分,当W6分时可以停用抗生素。
其他一些临床指南也提供了一些优化降阶梯治疗第二阶段的治疗方案,并可缩短抗生素疗程。
可以考虑采用计算机辅助抗生素处理系统,以有效帮助临床医师选择抗生素,降低治疗费用,减少药物不良反应。
脑卒中患者GCS昏迷评分与临床肺部感染评分的相关性研究叶世武
【期刊名称】《中国现代医药杂志》
【年(卷),期】2012(14)9
【摘要】目的探讨格拉斯哥昏迷评分(Glasgow Coma Scale,GCS)在急性脑卒中(Acute stroke)患者意识障碍中的应用,同时分析GCS与临床肺部感染评分(Clinical Pulmonary Infection Score,CPIS)的相关性.方法选取我院收治的急性脑卒中患者124例,应用GCS评价急性脑卒中患者意识障碍水平,同时分析临床肺部感染评分.结果 GCS评分越高,CPIS评分越低,GCS评分越低,CPIS评分越高,两者呈负相关性.结论 GCS和CPIS评分对于预测脑卒中预后有一定意义.
【总页数】3页(P38-40)
【作者】叶世武
【作者单位】410008湖南长沙,湖南航天医院
【正文语种】中文
【相关文献】
1.高压氧联合手厥阴经电刺激干预脑外伤后昏迷患者的临床效果及对GCS评分、生活质量的影响 [J], 崔国胜;刘四新;郝有智;刘刚;李宗锴;王庆海
2.脑状态指数与临床肺部感染评分在脑外伤昏迷合并肺部感染病人预后评估中的应用 [J], 祁鑫华
3.临床肺部感染评分和降钙素原与重症肺炎患者病情严重程度评分的相关性研究[J], 李永华;施春波;厉为良
4.脑电双频指数与昏迷患者GCS评分、GCS-Pittsburgh评分及预后的相关性研究[J], 李涛;张明;钱俊英;解建;徐拥庆;姜志明;杨君
5.颅脑损伤患者MEWS评分与GCS评分及临床预后的相关性研究 [J], 马美丽;王倩倩
因版权原因,仅展示原文概要,查看原文内容请购买。
临床肺部感染评分临床肺部感染评分(CPIS)临床肺部感染评分(CPIS)是一项综合了临床、影像学和微生物学标准等来评估感染严重程度,预测患者使用抗菌素时应该是调整或者停止的评分系统,目的是减少不必要的抗生素暴露。
这些指标共7项,包括:体温、白细胞计数、气管分泌物、氧合情况、X线胸片、肺部浸润影的进展情况和气管吸取物培养。
最高评分为12分,当≤6分时可以停用抗生素.其他一些临床指南也提供了一些优化降阶梯治疗第二阶段的治疗方案,并可缩短抗生素疗程。
可以考虑采用计算机辅助抗生素处理系统,以有效帮助临床医师选择抗生素,降低治疗费用,减少药物不良反应。
体温(12小时平均值,℃)36~380分38~391分>39或<362分白细胞计数(*109/l)4~110分11~171分〈4或>172分无痰或少许0分分泌物(24小时吸出物性状数量)中~大量,非脓性1分中~大量,脓性2分气体交换指数(PaO2/FiO 2,kPa)或者以250(mmHg)为界>330分〈332分X胸片浸润影无0分斑片状1分融合片状2分注:气管吸取物培养或痰培养无致病菌生长 0分有致病菌生长 1分两次培养到同一种细菌或者格兰染色与培养一致 2分CPIS评分降低,病情缓解CPIS≥6分,病死危险性高CPIS . 评分越高,病情越重临床肺部感染评分(CPIS)是一项综合了临床、影像学和微生物学标准等来评估感染严重程度,预测患者使用抗菌素时应该是调整或者停止的评分系统,目的是减少不必要的抗生素暴露。
这些指标共7项,包括:体温、白细胞计数、气管分泌物、氧合情况、X线胸片、肺部浸润影的进展情况和气管吸取物培养。
最高评分为12分,当≤6分时可以停用抗生素.其他一些临床指南也提供了一些优化降阶梯治疗第二阶段的治疗方案,并可缩短抗生素疗程.可以考虑采用计算机辅助抗生素处理系统,以有效帮助临床医师选择抗生素,降低治疗费用,减少药物不良反应。
...感谢聆听......谢阅...。
临床肺部感染评分(C P I S)
临床肺部感染评分(CPIS)是一项综合了临床、影像学和微生物学标准等来评估感染严重程度,预测患者使用抗菌素时应该是调整或者停止的评分系统,目的是减少不必要的抗生素暴露。
这些指标共7项,包括:体温、白细胞计数、气管分泌物、氧合情况、X线胸片、肺部浸润影的进展情况和气管吸取物培养。
最高评分为12分,当≤6分时可以停用抗生素。
其他一些临床指南也提供了一些优化降阶梯治疗第二阶段的治疗方案,并可缩短抗生素疗程。
可以考虑采用计算机辅助抗生素处理系统,以有效帮助临床医师选择抗生素,降低治疗费用,减少药物不良反应。
注:气管吸取物培养或痰培养
无致病菌生长 0分
有致病菌生长 1分
两次培养到同一种细菌或者格兰染色与培养一致 2分
CPIS评分降低,病情缓解
CPIS≥6分,病死危险性高CPIS 。
评分越高,病情越重
临床肺部感染评分(CPIS)是一项综合了临床、影像学和微生物学标准等来评估感染严重程度,预测患者使用抗菌素时应该是调整或者停止的评分系统,目的是减少不必要的抗生素暴露。
这些指标共7项,包括:体温、白细胞计数、气管分泌物、氧合情况、X线胸片、肺部浸润影的进展情况和气管吸取物培养。
最高评分为12分,当≤6分时可以停用抗生素。
其他一些临床指南也提供了一些优化降阶梯治疗第二阶段的治疗方案,并可缩短抗生素疗程。
可以考虑采用计算机辅助抗生素处理系统,以有效帮助临床医师选择抗生素,降低治疗费用,减少药物不良反应。