简易数字显示交流毫伏表(最终定稿)
- 格式:doc
- 大小:256.00 KB
- 文档页数:13
使 用 说 明 书 DF2170A DF2172A DF2175A 交 流 毫 伏 表 本系列电压表是通用型电压表,具有测量电压的频率范围宽,测量电压的灵敏度和测量精度高,本机噪声低,测量误差小的优点,并具有相当好的线性度。
该系列电压表还具有外形美观,操作方便,开关手感好,内部电路先进,结构紧凑,可靠性好,可广泛应用于工厂、学校、科研单位等。
DF2170A采用二组相同而又独立的线路及双指针表头,故在同一表面同时指示两个不同交流信号的有效值,方便地进行双路交流电压的同时测量和比较,同时监视输出。
“同步-异步”操作,使测量特别是立体声双通道的测量带来极大的方便。
DF2172A具有双路输入,选择通道测量和监视输出,可分时测量二种不同大小的交流信号的有效值及对两种信号进行比较。
DF2175A为单通道单指针毫伏表,交流测量范围为30µV~300V、5Hz~2MHz具有监视输出功能,可作放大器使用。
1 技术参数 1.1电压测量范围:30µV~300V 1.2 测量电压频率范围:5Hz~2MHz 1.3 测量电平范围:-90dB~+50dB -90dBm~+52dBm 1.4 输入输出型式:接地/浮置 1.5 固有误差:以1kHz为基准 1.5.1 电压测量误差:±3%(满度值) 1.5.2 频率影响误差:20Hz~20kHz ±3% 5Hz~1MHz ±5% 5Hz~2MHz ±7% 1.5.3 测量条件: 20°C±2°C 相对湿度:不大于50% 大气压力:86kPa~106kPa 1.6 工作误差 1.6.1 电压测量误差:±5%(满度值) 1.6.2 频率影响误差:20Hz~20kHz ±5%,5Hz~1MHz ±7%,5Hz~2MHz ±10%。
1.7 两通道之间的误差:不超过满度值的5%(1kHz) (DF2170A/DF2172A) 1.8 输入阻抗:在1kHz时,输入阻抗约2MΩ,输入电容不大于20pF 1.9 噪声:在输入端良好短路时不大于10µV 1.10 输出监视特性 1.10.1 开路输出电压约为100mV(输入电压满刻度值时) 1.10.2 输出阻抗约600Ω 1.10.3 失真不大于5% 1.11 工作环境 1.11.1 温度:0℃~+40℃ 1.11.2 相对湿度:<RH80% 1.11.3 大气压力:86kPa~104kPa 1.12 外形尺寸: 280mm×155mm×216mm (l×b×h) 1.13 重量:约2.5kg 2工作原理 本仪器由输入衰减器、前置放大器、电子衰减器、主放大器、线性放大器、输出放大器、电源及控制电路组成。
赛题3 简易毫伏交流表
设计并制作一个简易毫伏交流表,完成以下要求:
一、基础部分
(1)电压测量
a、测量电压的频率范围100Hz~500KHz。
b、测量电压范围100mV~20V(可分多档量程)。
c、要求被测电压数字显示。
d、电压测量误差±5%±2个字。
e、输入阻抗≥1MΩ,输入电容≤50pF(本项可不做测试,在电路设计中给予保证)
f、具有超量程自动闪烁功能。
(2)输出
a、输出正弦波电压,电压值1Vrms ,波形无明显失真。
b、输出电压值误差≤±10%。
c、输出电压频率范围10Hz~200KHz。
d、输出电压频率可预置。
e、输出电压频率误差≤±5%。
(3)设计并制作该仪表所需要的直流稳压电源。
二、发挥部分
(1)将测量电压的频率范围扩展为10Hz~1MHz。
(2)将测量电压的范围扩展到7mV~30V。
(3)交流毫伏表具有自动量程转换功能。
(4)电压输出频率可步进调节,频率步进值可预置为1Hz、10Hz、100Hz、1KHz。
(5)其他。
三评分标准。
第一章技术指标1.系统功能要求交流数字电压表的功能是测量正弦电压的有效值,然后以数码管显示测量结果。
2.系统结构要求交流数字电压表的系统结构方框图如下图所示:3.电气指标●被测信号频率范围:10Hz~10KHz●被测信号波形:正弦波●显示数字含义:有效值●档位:分三档:① 1.0V~9.9V;②0.10V~0.99V;③0.010V~0.099V 。
●显示方式:两位数码显示4.扩展指标可自动换挡5.设计条件●电源条件:直流稳压电源提供±5V。
●可供选择的器件:TL084 运算放大器2片74139 二四线译码器1片(模拟开关实现档位指示,故实际电路未采用74139)CC4052四选一模拟开关1片74161四位二进制计数器1片4511显示译码器 2 片2AP9检波二极管2只发光二极管3只28C64存储器1片ADC0804A/D转换器1片半导体数码管C392 2片电容电阻自选第二章整体方案设计1.算法设计数字电压表(Digital V oltmeter)简称DVM,它是采用数字化测量技术,把连续的模拟量(直流或交流输入电压)转换成不连续、离散的数字形式并加以显示的仪表。
它利用A/D转换原理,将被测模拟量转换成数字量,并用数字方式显示测量结果的电子测量仪表。
2.整体方案实验时的输入为交流电压,为测量其有效值,应先将输入信号进行整流,得到一个稳定的直流电压后,再将其进行模数转换,最终通过数字形式显示出来。
而交流是指输入的信号是正弦波,电压表需要显示的是正弦信号的有效值。
电路中需有交直流转换。
由测量电压范围可知,显示输入电压的有效值在0.01V至9.9V范围,分成三档。
意味着输入正弦信号的峰峰值为0.028V至28V。
因此,输入需有量程转换及衰减电路。
将该电路分成数电和模电两部分来设计,模电部分完成交流直流转换工作,数电部分负责实现模数转换和具体结果的显示,两部分电路分别实现后再拼接完成。
2.交流数字电压表组成框图被测信号V i经输入电路衰减后,经量程放大器放大,经过整流电路,被积分电路转化成直流信号,再由可变增益放大器调节,以适合A/D转换器输入电压的要求,然后用存储器实现二进制码到BCD码的转换进去显示译码器最后由数码管显示出来。
交流毫伏表
毫伏(Volt)是定义物理度量单位学中电位差和电压的量词,它可以表示在
给定的电路中,每米对应的电动势的强度。
毫伏的主要好处在于它允许人们以同一单位来衡量不同电流强度的器件,而不受其物理大小的影响。
毫伏也被用于测量不同大小的电路之间的电压,从家庭电器到大型工业机器,
所有类型的电路都需要一定的电压才能正常运行。
毫伏也可以用于识别电路的故障,损坏的电路的毫伏输出会低于正常的毫伏输出,这可以提示维修人员哪些部分需要修理或更换。
毫伏也被用于安全监测,如发电厂管道的高压电极,它可以检测出是否有工人
在危险的位置操作电路。
此外,毫伏也是识别电子设备的状态的重要指数,在发动机故障检测系统中,毫伏还可以用于计算发动机内部燃料电压和舱室温度,从而分析出发动机可能出现的问题。
另外,毫伏还与温度相关,高温会使毫伏的读数变高,而低温会使毫伏的读数
变低,因此,毫伏也可以用来检测环境温度,控制家用电器的温度,这与常见的温度传感器不同。
因此,毫伏是一个非常重要的度量单位,它可以用于测量和检测各种电气系统
及各种电子设备,具有广泛的应用性和重要性。
数字式万用表测量交流电压作为电子入门者,正确使用万用表是最基本的技能,随着技术的发展,越来越多的电子从业者使用数字万用表,本文主要讲解如何用数字万用表测量交流电压。
一、交流电压的测量方法1、将黑表笔插入COM插孔,红表笔插入V/Ω插孔。
2、将功能开关置于交流电压挡V~量程范围,并将测试笔连接到待测电源或负载上。
3、测量交流电压时,没有极性显示。
4、无论测交流还是直流电压,都要注意人身安全,不要随便触摸表笔的金属部分。
以测量交流220V为例:测量时转动开关至所需电压挡(测量交流220V时,开关应旋至交流750V)。
测量时,测试笔应并接于被测电路中。
如果不知道被测电压的范围,可先用较大的量限试测出大致数值后,再转到相应量限测量。
二、操作提示1、挡位选定交流电压挡,当不知电压范围时,应从最大量程选起。
2、表要并联在所测电路或元器件的两端。
三、交流电压的测量步骤第一步:打开数字万用表电源开关,将万用表挡位旋转至交流电压挡750V量程。
第二步:打开电路中的电源开关。
第三步:测1-2点之间的电压,记录读数,电压值测得为:220V。
第四步:将万用表挡位旋转至交流电压挡20V量程,分别测量3-4,4-5,6-7各点之间的电压,并记录读数。
(1)测得3-4点之间的电压为:10V。
(2)测得4-5点之间的电压为:10V。
(3)测得6-7点之间的电压为:6.2V。
四、注意事项1、如果不知被测电压范围.将功能开关置于最大量程并逐渐下降。
2、如果显示器只显示“1.”,表示量程太小,功能开关应置于更高量程。
3、“”表示不要测量高于1000V的电压,显示更高的电压值是可能的,但有损坏内部线路的危险。
4、当测量高电压时,要格外注意避免触电。
简易数字显示交流毫伏表摘要:本系统由高级模拟器件、CPLD,可实现具有自动量程转换功能的真有效值测量、交流频率测量和标准幅度可控的正弦波输出等功能。
测量部分具有高输入阻抗(R ≥2M,C<2.5pF),宽频带范围(10 HZ-5M HZ),宽电压范围(1mV-250V),高精度(有效值≤1%,频率<10-6)的优越性能。
可满足多方位的需要。
关键词:静电计频率计高频放大真有效值1.系统方案选择与论证1.1设计要求设计并制作一个简易数字显示的交流毫伏表,示意图如图-1所示。
图-1 简易数字显示交流毫伏表示意图1.1.1基本要求(1)电压测量a、测量电压的频率范围100Hz~500KHz。
b、测量电压范围100mV~100V(可分多档量程)。
c、要求被测电压数字显示。
d、电压测量误差±5%±2个字。
e、输入阻抗≥1MΩ,输入电容≤50pF(本项可不做测试,在电路设计中给予保证)f、具有超量程自动闪烁功能。
(2)设计并制作该仪表所需要的直流稳压电源。
1.1.2发挥部分(1)将测量电压的频率范围扩展为10Hz~1MHz。
(2)将测量电压的范围扩展到10mV~200V。
(3)交流毫伏表具有自动量程转换功能。
(5)其他。
1.2系统基本方案及框图根据题目要求及适当的发挥,我们的硬件电路主要包括输入信号的有效值测量、输入信号的频率测量。
其中前两者构成一个测量系统。
测量系统包括:信号调理模块、A/D,D/A模块、信号真有效值转换模块、CPLD频率测试模块、算法控制器模块、键盘显示模块、语音播报及打印模块、电源模块等。
图-3所示。
为实现各模块的功能,分别作了几种不同的设计方案并进行了论证,我们选取了较好的方案实现。
图-3 测量系统框图1.2.1各模块方案选择和论证(1)有效值测量部分:方案一:用分立元件搭焊高频放大电路,用精密整流电路测量输入信号的真有效值。
这种方案成本较低。
但是这种电路结构复杂,调试困难,精度低,温漂大,稳定度低。
赛题3 简易毫伏交流表
设计并制作一个简易毫伏交流表,完成以下要求:
一、基础部分
(1)电压测量
a、测量电压的频率范围100Hz~500KHz。
b、测量电压范围100mV~20V(可分多档量程)。
c、要求被测电压数字显示。
d、电压测量误差±5%±2个字。
e、输入阻抗≥1MΩ,输入电容≤50pF(本项可不做测试,在电路设计中给予保证)
f、具有超量程自动闪烁功能。
(2)输出
a、输出正弦波电压,电压值1Vrms ,波形无明显失真。
b、输出电压值误差≤±10%。
c、输出电压频率范围10Hz~200KHz。
d、输出电压频率可预置。
e、输出电压频率误差≤±5%。
(3)设计并制作该仪表所需要的直流稳压电源。
二、发挥部分
(1)将测量电压的频率范围扩展为10Hz~1MHz。
(2)将测量电压的范围扩展到7mV~30V。
(3)交流毫伏表具有自动量程转换功能。
(4)电压输出频率可步进调节,频率步进值可预置为1Hz、10Hz、100Hz、1KHz。
(5)其他。
三评分标准。
交流毫伏表是一种用来测量正弦电压有效值的电子仪表,可对一般放大器和电子设备进行测量。
毫伏表类型较多,本小节主要介绍wYx94 交流毫伏表的主要特性并说明它的使用方法。
1 拖述wY2294 双通道交流毫伏表是由两组相同的高稳定的放大器电路及表头指示电路等组成。
其表头采用同轴双指针式电表。
可十分清晰、直观的进行双路交流电压的测量和比较。
该仪表输入端RJ 设置于浮置状态,并且两通道的量程可同步选择。
这样使该仪表的测量应用范围扩大,特别是立体声双通道的测量带来极大的方便。
该仪表具有频率响应范围宽(5H ”1MH2) 、灵敏度高(300Pv 满刻度)、输入阻抗高(10M11) 、本机噪声低、精确度高(‘ 2%)的优点,并具有相当好的线性度。
该仪表的外形美观,由于采用先进的电控衰减电路。
使开关手感舒适。
内部结构紧凑,可靠性好,可广泛应用于学校实验室、设计开发等领域。
(5) 输入阻抗:1MO /40PE(不也括双央电缆线电容)。
(6) 闭合误差:以1kIIz 为基准。
①电压测量误效:*2 %。
②频率响应误差:20Hz—l00kHzl3 %;5Hz—1MHz 』5%(7) 工作误差。
①电压测旦误差:15%②频率影8 自洪差:20Hz—100LH2*5 %(8) 输出特性。
①输69l 电压: 1 凹mv( 当指小满刻度时)。
②输出阻抗:约6000。
②失克:事3%。
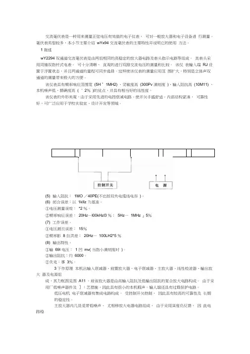
3 下作原理本机出输入衰减器、前置放大器、电子衰减器、主放大器、线性检波器、输出放大器及电源组成,其力框图见图A11 。
前省放大器是由高输入阻抗及低输出阻抗的复合放大电路构成。
由于采用厂低噪声器件及]:艺措施,因此具有很小的本机暇声。
输人端还具有过载保护电路。
低压电机电子衰减器有集成电路构成,受控制开关控制,因此具有较高的可靠性及长期的稳定性。
主放大器内几级觅带低噪声、尤相移放大电器电路组成,由于采用深度负反馈,因此电路稳定可靠。
线性检波电路是一个觅带线性检波咆路v 由于采用了特殊电路,使检波线性达到理想线性化。
交流毫伏表是一种用来测量正弦电压有效值的电子仪表,可对一般放大器和电子设备进行测量。
毫伏表类型较多,本小节主要介绍wYx94交流毫伏表的主要特性并说明它的使用方法。
1拖述wY2294双通道交流毫伏表是由两组相同的高稳定的放大器电路及表头指示电路等组成。
其表头采用同轴双指针式电表。
可十分清晰、直观的进行双路交流电压的测量和比较。
该仪表输入端RJ设置于浮置状态,并且两通道的量程可同步选择。
这样使该仪表的测量应用范围扩大,特别是立体声双通道的测量带来极大的方便。
该仪表具有频率响应范围宽(5H”1MH2)、灵敏度高(300Pv满刻度)、输入阻抗高(10M11)、本机噪声低、精确度高(‘2%)的优点,并具有相当好的线性度。
该仪表的外形美观,由于采用先进的电控衰减电路。
使开关手感舒适。
内部结构紧凑,可靠性好,可广泛应用于学校实验室、设计开发等领域。
(5)输入阻抗:1MO/40PE(不也括双央电缆线电容)。
(6)闭合误差:以1kIIz为基准。
①电压测量误效:*2%。
②频率响应误差:20Hz—l00kHzl3%;5Hz—1MHz』5%(7)工作误差。
①电压测旦误差:15%②频率影8自洪差:20Hz—100LH2*5%(8)输出特性。
①输69l电压:1凹mv(当指小满刻度时)。
②输出阻抗:约6000。
②失克:事3%。
3下作原理本机出输入衰减器、前置放大器、电子衰减器、主放大器、线性检波器、输出放大器及电源组成,其力框图见图A11。
前省放大器是由高输入阻抗及低输出阻抗的复合放大电路构成。
由于采用厂低噪声器件及]:艺措施,因此具有很小的本机暇声。
输人端还具有过载保护电路。
低压电机电子衰减器有集成电路构成,受控制开关控制,因此具有较高的可靠性及长期的稳定性。
主放大器内几级觅带低噪声、尤相移放大电器电路组成,由于采用深度负反馈,因此电路稳定可靠。
线性检波电路是一个觅带线性检波咆路v由于采用了特殊电路,使检波线性达到理想线性化。
毕业设计说明书数字式交流毫伏表电路的设计专业电气工程及其自动化学生姓名姜晓天班级BM电气082学号0851402211指导教师成开友完成日期2012年5月22日数字式交流毫伏表电路的设计摘要:当今社会是数字化的社会,是数字集成电路广泛应用的社会。
数字集成电路本身在不断地进行更新换代。
它由早期的电子管、晶体管、小中规模集成电路,发展到超大规模集成电路(VLSIC)以及许多具有特定功能的专用集成电路。
本文设计的电路分为模拟和数字两个部分,具有量程自动转换功能。
输入信号经过输入通道进入放大器部分,经过放大后,由AC/DC转换电路转换为与交流电压有效值相等的直流电压。
该直流电压经过V/F转换电路输出相应的频率量,然后计数器部分在秒脉冲的控制下进行技术测量,最后显示出读数,从而完成电压的测量。
本文所设计的数字式交流毫伏表的显著特点是测量范围宽,可测范围在500V 以下,最大分辨率为0.01mV,且可以实现量程自动转换,操作简单,使用方便。
电压表还具有在一定测量范围内自动选择量程的功能,从而可以快速,方便,准确地测量电压。
关键词:A/D转换;V/F转换;量程自动转换;计数器Digital AC millivoltmeter circuit designAbstract:Today's society is the digital society , the society of a wide range of applications of digital integrated circuits . Digital integrated circuits constantly upgrading . By the early tubes, transistors , small - scale integrated circuits developed to ultra - LSI ( VLSIC ) as well as many ASIC has a specific function .In this paper, the design of the circuit is divided into analog and digital two parts , with a range automatic conversion . After the input channel , the input signal into the amplifier section, after amplification by AC / DC converter circuit to convert the DC voltage equal to the AC voltage rms . The output frequency of the DC voltage conversion circuit through the V / F , then the counter part of the second pulse control techniques to measure , and finally show the reading , thus completing the measurement of the voltage .Designed digital AC millivoltmeter notable feature is the wide measuring range can be measured in the range below 500V , the maximum resolution of 0.01mV , and can realize automatic range conversion , simple operation, easy to use . The voltmeter also has automatically selected range in a certain measuring range of functions , which can be fast , convenient and accurate measurement of voltage .Key Words: A / D converter ; V / F conversion ; automatic conversion range ; counter盐城工学院本科生毕业设计说明书( 2012)目录1.概述 (1)2. 设计总体方案 (2)3.模拟部分设计 (2)3.1 输入通道的设计 (2)3.2 反相放大器的设计 (3)3.3A/D 转换部分的设计 (4)4.量程自动转换电路的设计 (6)4.1 模拟比较器 (6)4.2 量程寄存器 (8)4.3 量程开关 (10)4.4 译码器 (11)5. 数字部分 (15)5.1 V/F转换器AD650 (15)5.2 计数器74LS90 (17)5.3 锁存器74LS273 (18)5.4 秒脉冲发生器 (19)5.4 控制电路 (21)6. 译码显示部分 (23)7. 电源部分 (24)8. 结束语 (26)致谢 (27)附录 (29)附录1:程序清单 ............................................................................................... 错误!未定义书签。
本设计以AT89C52为核心,以液晶显示作为人机交互界面,用两大组继电器来控制电路状态,实现参数的自动测量和输出频率的转换。
设计分为电压测量部分和输出信号发生两部分,其中电压测量部分包括衰减及放大、真有效值直流(RMS-DC)变换、12位A/D转换等三个主要组成部分;输出信号发生部分由12为D/A转换、精密电路发生器MAX038、频率反馈调节、幅值调节等四部分组成。
衰减及放大用精密的电阻和运放实现,采用AD736真有效值转换芯片。
为了提高测量的精度,采用了美信的12位数模和模数转换芯片。
精密电路发生器MAX038很好的解决了输出信号发生这部分的难题,可靠经济地实现了设计要求。
我选择有单片机控制信号频率的输出,实现频率的预置,电压误差小,波形非常完美。
关键词:AT89C52核心控制,AD736真有效值转换,电压测量,输出信号发生The design AT89C52 as the core, liquid crystal display as a man-machine interface, a remote control button options. Design is divided into parts and measuring the output voltage signal of two parts, which includes attenuation and voltage measurement part of the amplification, RMS DC (RMS-DC) conversion, 12-bit A / D conversion of three main components; part of the output signal from 12 to D / A converter, precision circuit generator MAX038, frequency of feedback regulation, adjust the amplitude of the four components. Attenuation and amplification with precision resistors and op amp to achieve, by AD736 RMS converter chip. In order to improve the accuracy of measurement, using letters of the 12 U.S. median mode and analog-digital conversion chip. Precision Circuit Generator MAX038 good output signal to resolve this part of the problem, reliable and economic way to achieve the design requirements. I chose a single chip frequency control signal output, to achieve the preset frequency, voltage error is small, perfect wave.Key words: At89c52 core control, Ad736 true rms conversion, V oltage measurement, The output signal目录前言 (1)1 系统设计部分 (1)1.1 任务 (1)1.2 要求 (1)1.2.1 基本要求 (1)1.2.2 发挥部分 (2)2 方案比较、设计与论证 (3)2.1 总体、测量以及信号输出方案的设计、比较和论证 (3)2.1.1 测量电路部分方案 (3)2.1.2 输出信号部分方案 (5)2.1.3 稳压电源 (6)2.2 测量及信号电路各子模块设计、比较和论证 (7)2.2.1 放大衰减部分 (7)2.2.2 信号采集部分 (7)2.2.3 单片机最小系统 (8)2.2.4 显示部分 (8)2.2.5 信号输出 (9)2.2.6 自动量程转换和保护电路 (10)3 设计中所用的主要元器件简介 (12)3.1 控制核心AT89C52 (12)3.2真有效值直流转换器AD637 (14)3.3 12位串行AD转换芯片MAX187 (16)3.4 12位串行DA转换芯片MAX5352 (18)3.5 波形发生芯片MAX038 (19)4 理论分析与计算 (22)4.1 电压测量部分 (22)4.1.1 放大与衰减部分 (22)4.1.2 真有效值的转换 (22)4.2 信号发生部分 (23)5 测量方法与仪器 (25)6 测试数据及测试结果分析 (26)6.1 数据测量 (26)6.1.1 输出信号用示波器进行测量 (26)6.1.2 电压测量系统进行电压检测 (27)6.1.3 自校准测量 (29)6.2 误差分析 (30)6.2.1 测试系统误差分析 (30)6.2.2 抗干扰措 (30)结论 (31)致谢 (32)参考文献 (33)附录A 电压测量部分电路图 (34)附录B 信号发生部分电路图 (35)附录C 电压测量部分程序 (36)附录D 信号发生部分程序 (43)前言YB2173 型晶体管毫伏表电压测量范围:300μV~100V;量程分为:12 级(300 μV、1mV、3mV、10mV、30mV、100mV、300mV、1V、3V、10V、30V、100V);被测电压频率:20KHz-2MHz;测量精度:1KHz为基准,满度≤±3%;输入阻抗:1MΩ。
简易数字显示交流毫伏表摘要:本系统由高级模拟器件、CPLD,可实现具有自动量程转换功能地真有效值测量、交流频率测量和标准幅度可控地正弦波输出等功能.测量部分具有高输入阻抗(R ≥2M,C<2.5pF),宽频带范围(10 HZ-5M HZ),宽电压范围(1mV-250V),高精度(有效值≤1%,频率<10-6)地优越性能.可满足多方位地需要.关键词:静电计频率计高频放大真有效值1.系统方案选择与论证1.1设计要求设计并制作一个简易数字显示地交流毫伏表,示意图如图-1所示.图-1 简易数字显示交流毫伏表示意图1.1.1基本要求(1)电压测量a、测量电压地频率范围100Hz~500KHz.b、测量电压范围100mV~100V(可分多档量程).c、要求被测电压数字显示.d、电压测量误差±5%±2个字.e、输入阻抗≥1MΩ,输入电容≤50pF(本项可不做测试,在电路设计中给予保证)f、具有超量程自动闪烁功能.(2)设计并制作该仪表所需要地直流稳压电源.1.1.2发挥部分(1)将测量电压地频率范围扩展为10Hz~1MHz.(2)将测量电压地范围扩展到10mV~200V.(3)交流毫伏表具有自动量程转换功能.(5)其他.1.2系统基本方案及框图根据题目要求及适当地发挥,我们地硬件电路主要包括输入信号地有效值测量、输入信号地频率测量.其中前两者构成一个测量系统.测量系统包括:信号调理模块、A/D,D/A模块、信号真有效值转换模块、CPLD频率测试模块、算法控制器模块、键盘显示模块、语音播报及打印模块、电源模块等.图-3所示.为实现各模块地功能,分别作了几种不同地设计方案并进行了论证,我们选取了较好地方案实现.图-3 测量系统框图1.2.1各模块方案选择和论证(1)有效值测量部分:方案一:用分立元件搭焊高频放大电路,用精密整流电路测量输入信号地真有效值.这种方案成本较低.但是这种电路结构复杂,调试困难,精度低,温漂大,稳定度低.而且,放大电路地放大倍数难以准确控制,导致放大和测量地结果不准确.方案二:用优质运算放大器做前级跟随放大,用专用真有效值转换芯片做有效值转换.这种方案成本较高.但是,通过合理地选择各级运放,可以做到电路简单可靠,输入阻抗高、测量精度高、近似无级量程转换地优良性能.(2)频率测量部分:作为扩展功能对输入交流信号地频率进行测量.要实现快速准确地测量频率,必须要有良好地硬件响应速度和良好地测量策略.方案一:用单片机地计数器对基准时钟源进行计数.然后通过计数地比值计算出被测信号地频率.这种方案节省硬件,用一片单片机实现计数,运算等工作.但是,由于单片机内部地计数器所能计数地频率有限,更重要地是开始计数和停止计数难以做到同步,所以,此种方法测得地频率精度低,范围窄.方案二:用8253等专用硬件计数器配合逻辑电路设计一套硬件测量电路.此种电路如果能合理设计,能做到实时性好,测量准确.但是设计起来较为麻烦.需要地硬件多,电路制作复杂.方案三:采用CPLD(复杂可编程逻辑器件)编写代码实现频率计数功能.可编程逻辑器件响应速度快可以达到十几纳秒甚至几纳秒,响应频率可以达到几十兆甚至上百兆,可以实现高速计数.可编程逻辑器件可以用代码实现硬件地功能,易于修改,而且性能优于传统地电路连接方式,对于一定规模地数字电路尤其显示了其优越性.1.2.2系统各模块地最终方案(1)有效值测量部分:我们选用方案二:用各种优质运算放大器做信号调理,用有效值转换专用芯片AD637作为有效值测量器件.(2)频率测量部分:我们选用方案三:用CPLD作为硬件平台进行同步计数,然后用单片机进行数据读取、处理.精度可达<10-6,测量速度可达0.2s/次.2.系统地硬件设计与实现2.1系统硬件地基本组成概述本系统由电源、保护电路、分压跟随、信号放大、信号真有效值转换、A/D、D/A、CPLD频率测试、算法控制器、键盘、显示、语音播报、打印、电源等十几个模块组成.各部分紧密联系,形成了一套完善地测量系统.2.2有效值测量单元电路地设计2.2.1有效值转换电路总揽此部分为交流毫伏表地主要构成部分,负责输入信号地处理以及测量.图-4为此部分电路图,可分为分压网络,输入缓冲级,高频放大级以及测量级.图-4有效值测量原理图2.2.4高频放大级经过分压后地信号一般是比较微弱地,还不能直接去进行真有效值转换,需要放大至合适地幅值.这种放大器应该是可变地,以保证使输入电压都放大到一个合适地幅度.我们设计了两种方案,一种方案是通过继电继来改变串入放大地电路地放大级,通过不同放大倍数地组合来实现更多放大比,这种方法增加了继电器地使用,使得切换时有大量地噪声,且不能实现任意放大比;另一种方案就是采用程控放大器,通过电压来控制放大倍数,从而得到最合适地输出幅值,我们采用了此种方案.我们选择了AD603可变增益放大器.AD603在增益为-11dB至31dB范围内具有90MHz地带宽,通过两级AD603级联可实现-20dB至60dB极宽范围地增益,从而使得放大纺输出地有效值在2V附近,达到最高地精度.超低温漂基准源AD586地输出经过分压产生500mV地电压加在增益控制脚GNEG上,而单片机DA输出0-1V地电压加在GPOS上,从而使控制电压Vg=(Vgpos-Vgneg)在-500mV至500mV内,增益公式为Gain=80Vg+20dB.由于AD603地输入电阻仅为100欧姆,对于级间耦合电容,则需要很大才能达到理想地低频响应,我们用0.1uF,1uF和470uF地电容并联,达到全频带都有理想地响应.由于AD603地输出幅值仅为+-2V,所以我们级联了一级由AD811构成地同相放大器,其增益为2.从而提高了放大器输出地幅度,进而提高了精度.如图-8所示:图-8高频放大原理图2.2.5真有效值转换一个交变信号地有效值地定义为:这时,V为信号地有效值,T为测量时间,V(t)是信号地波形.V(t) RMS是一个时间地函数,但不一定是周期性地.对等式地两边进行平方得:右边地积分项可以用一个平均来近似:这样式(2)可以简化为:VRMS2=Avg[V2(t)] (4)等式两边除以VRMS得:V RMS ={Avg[]V2(t)}}VRMS(5)这个表达式就是测量一个信号真实有效值地基础、AD公司地真有效值直流变换器也正是采用了这一原理.AD637是ADI地一款单片集成高精度真有效值转换芯片,0.2V有效值输入时,频响为600K,而当输入信号有效值高于1V是,频响可高达8M.图-9 AD637内部原理图图-10 AD637外围接线图AD637可提供幅度值和分贝值两种输出接口,以满足不同地需要 .在这里我们接成幅度输出,然后经过A/D变换 ,由单片机进行处理.2.2.6 A/D变换12位AD2.3等精度频率计电路设计由于输入地信号是交流信号而CPLD(现场可编程逻辑器件)和施密特触发器是数字芯片,不识别负信号,要把输入交流信号变为直流信号.用两个电阻实现电压钳位功能,钳位后地信号经7414(施密特触发器)整形为方波后直接输入CPLD对其计数.原理图如图-11所示.由于CPLD可以实现高速响应,可以实现准确计数.图-11频率计原理图2.5 电源电路设计本系统采用±5V,±12V直流供电.用多抽头变压器产生多路交流低压,桥堆整流,电容滤波,再经LM2576T、LM7905、LM7812、LM7912稳压给系统供电.电路总功耗<20W.3.系统地软件设计本系统对软件地要求不高,用前后台式地程序即可能轻松完成系统地基本任务.3.1程序流程图3.1.1电压频率测量系统程序流程图图-17控制程序流程图3.2程序核心简介3.2.1自动量程转换程序有效值测量部分地待测电压范围宽,为保证精度,必须设定多个不同地量程.我们多量程是通过分压网络和程控放大器地相互组合来实现地.分压网络分为两档:1/2分压,1/201分压.程控放大器(级联AD603)地线性增益调节范围为-20dB 到60dB.经测定,在-3dB 到46dB 地范围内线性度最好,噪声最小,所以我们选用此区域.这样1/2分压网络与程控放大器组合,可以得到-6dB 到43dB 地增益调节范围.1/201分压网络与程控放大器组合,可以得到-46dB 到3dB 地增益调节范围.我们分别选择此两个增益调节范围为“交流毫伏档”和“交流伏特档”.前者能把电压范围为10mV到2.82V地搬移到2V,后者能把1V到282V地电压搬移到2V.我们通过D/A转换器微调程控放大器地增益,使输入电压搬移到2V附近,然后经A/D转换器得到较为准确地结果电压(接近2V).通过D/A给出地增益值和A/D 得到地结果电压可以运算出待测电压地有效值.这样做地目地是:一、A/D转换器输入地结果电压接近满偏,精度高.二、真有效值转换芯片AD637地随频率变化地最佳线性区就在2V附近.这样在很大程度上提高了系统地测量精度.测量系统地测量过程分为半自动换档和全自动换档.半自动换档即为只给定“伏特档”或“毫伏档”,而在此两范围内通过“D/A扫描”实现自动搜索并锁定量程.半自动量程换档地好处在于用户可以事先估测待测电压地大体范围,然后选择两档之一,这样可以减轻“D/A扫描”地负担,提高测量速度和测量准确度.全自动量程选择是让系统在全量程内搜索电压值.这样会减慢测量速度,但可以不必估计待测电压地大体范围,使用较方便.由于分压网络与跟随缓冲器之间地低泄露保护二极管地钳位作用,即使在低压档加上最高点压,也不会烧坏系统.所以,系统尽可以在全量程内搜索电压值,这为全自动量程换档提供了可能性.换档过程采用误差积分式地算法.根据当前档测得地结果电压与2V进行比较,通过比较误差调整D/A增益给定.这样换档超调小,速度快.3.2.2频率测试地VHDL程序等精度频率计地实现方法可以简单地用图-19表示:图-19等精度频率计主控结构图-19 中预置门控信号CL可由单片机发出,CL地时间宽度对测频精度影响较小,只是影响测频地最小值,所以可以在0.1秒至1秒间任意选取,令其为Tp.B 和T是两个可控地32位高速计数器,BEN和TEN分别是各自地计数使能信号,高电平有效.20M标准信号源从B地时钟输入端BCLK输入,被测信号经整形后从与B 相似地32位高速计数器T地时钟输入端TCLK输入.测频开始前,首先发一个清0信号CL,高电平有效,是两个计数器、D触发器和4位选通信号均置0,然后由单片机发出测频允许命令,即令预置门控信号CL 为高电平,这时D触发器要一直等到被测信号地上升沿到来之后Q端才被置1(即令START为高电平),与此同时,将同时启动两个计数器B和T,进入计数允许周期.在此期间,B和T两个计数器分别对被测信号和标准信号同时计数.当Tp秒之后,预置门控信号被单片机置为低电平,但此时两个计数器并没有停止计数,一直等到随后而来地被测信号地上升沿到来时,才通过D触发器将这两个计数器同时关闭.由图-20所示,CL地宽度和发出时间都不会影响计数使能信号EN(START)地宽度,EN地允许计数周期在任何情况下都恰好等于待测信号TCLK地完整周期数,这正是确保TCLK在任何输入条件下都能保持恒定精度地关键所在.CL宽度地改变以及随机出现地时间误差最多只有基准源信号BCLK地一个时钟周期,若BCLK由精确稳定地石英晶体振荡器(20MHz)发出,则在任何情况下测量误差只有两千万分之一秒.图-20 频率计测控时序设在一次预置门时间Tp中对被测信号(频率为Fx)计数为Nx,标准频率信号(频率为Fs)计数为Ns个,则有下式成立:Fx/Nx=Fs/Ns可得到测得地频率为:Fx=(Nx/Ns)*Fs最后当START由高变低之后由单片机发出15个SEL脉冲,4位计数器地不同输出值控制16选1多路选择器将测得地BCLK和TCLK地个数4位为一输出单元经寄存器被单片机读入,由于用CPLD进行32位地计算占用大量资源,影响速度.所以由善于计算地凌阳16位单片机完成,在单片机内计算出被测频率地值并显示结果.4. 系统测试4.1 测试仪器数字式双踪示波器TDS2012,信号发生器TFG2040,交流毫伏表等HG2070 4.2 指标测试以下为本系统在实验室里测得地结果.4.2.1真有效值测试真有效值测量地测试包括交流毫伏表在同一电压下对不同频率地响应情况,和在同一频率下对不同量程电压值得响应情况.由于篇幅所限,这里只列出了在1.000V下地频率响应和在1kHz下地幅值响应,以供参考.更详测试请参照实物.频率响应测试:幅值响应测试:4.2.2频率测试4.4 系统实现地功能5.总结本系统由优质地模拟器件为核心,辅以SPEC061A单片机作为控制部件,CPLD 可编程逻辑器件作为频率测试地硬件平台,实现了集有效值测量、频率测量、信号发生于一体地多方位系统.另外,还可语音播报数据,连接并行打印机打印数据.本系统地大部分性能指标都远超过了题目发挥部分地要求.在本次设计地过程中,我们遇到了许多突发事件和各种困难.由于模拟器件对外部电磁干扰反应太过明显,设计和调试曾一度陷入中断,但通过团队地仔细分析和自我调整状态后我们终于解决了所有问题,取得了圆满地结果.经过此次电子大赛让我们对模拟电路地设计、调试有了深刻地印象,同时也深刻地体会到了共同协作和团队精神地重要性,提高了我们解决问题地能力.。