PLC常用指令表
- 格式:doc
- 大小:104.20 KB
- 文档页数:4
PLC的基本指令一、位操作类指令位操作类指令依靠两个数字1和0进行工作,这两个数字组成了二进制系统,数字1和0称之为二进制数或简称位。
在触点与线圈中,1表示启动或通电,0表示启动或未通电。
1.标准触点指令梯形图表示:语句表表示:“LD bit ”;“LDN bit”。
Bit触点的范围:V、I 、Q、M、SM、T、C、S、L(位)。
功能及说明常开触点在其线圈不带电时,触点是断开的,触点的状态为Off或为0。
当线圈带电时,其触点是闭合的,触点的状态为ON或为1。
该指令用于网络块逻辑运算开始的常开触点与母线的连接。
常闭触点在其线圈不带电时,触点是闭合的,触点的状态为ON或为1。
当线圈带电时,其触点是断开的,触点的状态为OFF或为0。
该指令用于网络块逻辑运算开始的常闭触点与母线的连接。
2.立即触点指令梯形图表示:语句表表示:“LDI bit ”;“LDNI bit”。
Bit触点的范围:I(位)。
功能及说明当常开立即触点位值为1时,表示该触点闭合。
当常闭立即触点位值为0时,表示该触点断开。
指令中的“I”表示立即的意思。
执行立即指令时,CPU直接读取其物理输入点的值,而不是更新映像寄存器。
在程序执行过程中,立即触点起开关的触点作用。
3.输出操作指令(线圈驱动指令)梯形图表示:语句表表示:“=bit ”Bit触点的范围:V、I 、Q、M、SM、T、C、S、L(位)。
功能及说明输出操作是把前面各逻辑运算的结果复制到输出线圈,从而使输出线圈驱动的输出常开触点闭合,常闭触点断开。
输出操作时,CPU是通过输入/输出映像区来读/写输出操作的。
4.立即输出操作指令梯形图表示:语句表表示:“=I bit ”Bit的范围:Q(位)。
功能及说明立即输出操作是把前面各逻辑运算的结果复制到输出线圈,从而使立即输出线圈驱动的输出常开触点闭合,常闭触点断开。
当立即输出操作时,CPU立即输出。
除将结果写到输出映像区外直接驱动实际输出。
5.逻辑与、或操作指令梯形图表示:逻辑与操作由标准触点或立即触点串联构成;逻辑或操作由标准触点或立即触点的并联构成。
1.1 -||- 常开接点地址1.2 -|/|- 常闭接点地址1.3 XOR 位异或1.4 -|NOT|- 信号流反向1.5 - 输出线圈1.6 -- 中间输出1.7 -R 线圈复位1.8 -S 线圈置位1.9 RS 复位置位触发器1.10 RS 置位复位触发器1.11 -N- RLO下降沿检测1.12 -P- PLO上升沿检测1.13 -SAVE 将RLO存入BR存储器1.14 MEG 地址下降沿检测1.15 POS 地址上升沿检测2.1 CMP I 整数比较2.2 CMP D 双整数比较2.3 CMP R 实数比较3 转换指令3.1 BCD_IBCD码转换为整数3.2 I_BCD 整数转换为BCD码3.3 I_DINT 整数转换为双整数3.4 BCD_DIBCD码转换为双整数3.5 DI_BCD 双整数转换为BCD码3.6 DI_REAL 双整数转换为浮点数3.7 INV_I 整数的二进制反码3.8 INV_DI 双整数的二进制反码3.9 NEG_I 整数的二进制补码3.10 NEG_DI 双整数的二进制补码3.11 NEG_R 浮点数求反3.12 ROUND 舍入为双整数3.13 TRUNC 舍去小数取整为双整数3.14 CEIL 上取整3.15 FLOOR 下取整4 计数器指令4.1 S_CUD 加减计数4.2 S_CU 加计数器4.3 S_CD 减计数器4.4 -SC 计数器置初值4.5 -CU 加计数器线圈4.6 -CD 减计数器线圈5 数据块指令5.1 -OPN 打开数据块:DB或DI6 逻辑控制指令6.1 -JMP 无条件跳转6.2 -JMP 条件跳转6.3 -JMPN 若非则跳转6.4 LABEL 标号7 整数算术运算指令7.1 ADD_I 整数加法7.2 SUB_I 整数减法7.3 MUL_I 整数乘法7.4 DIV_I 整数除法7.5 ADD_DI 双整数加法7.6 SUB_DI 双整数减法7.7 MUL_DI 双整数乘法7.8 DIV_DI 双整数除法7.9 MOD_DI 回送余数的双整数8 浮点算术运算指令8.1 基础指令8.1.1 ADD_R 实数加法8.1.2 SUB_R 实数减法8.1.3 MUL_R 实数乘法8.1.4 DIV_R 实数除法8.1.5 ABS 浮点数绝对值运算8.2 扩展指令8.2.1 SQR 浮点数平方8.2.2 SQRT 浮点数平方根8.2.3 EXP 浮点数指数运算8.2.4 LN 浮点数自然对数运算8.2.5 SIN 浮点数正弦运算8.4.6 COS 浮点数余弦运算8.2.7 TAN 浮点数正切运算8.2.8 ASIN 浮点数反正弦运算8.2.9 ACOS 浮点数反余弦运算8.2.10ATAN 浮点数反正切运算9 赋值指令9.1 MOVE 赋值10 程序控制指令10.1 -Call 从线圈调用FC/SFC无参数10.2 CALL_FB 从方块调用FB10.3 CALL_FC 从方块调用FC10.4 CALL_SFB 从方块调用SFB10.5 CALL_SFC 从方块调用SFC10.6 -MCR< 主控继电器接通10.7 -MCR> 主控继电器断开10.8 -MCRA 主控继电器启动10.9 -MCRD 主控继电器停止10.10 -RET 返回11 移位和循环指令11.1 移位指令11.1.1 SHR_I 整数右移11.1.2 SHR_DI 双整数右移11.1.3 SHL_W 字左移11.1.4 SHR_W 字右移11.1.5 SHL_DW 双字左移11.1.6 SHR_DW 双字右移11.2 循环指令11.2.1 ROL_DW 双字左循环11.2.2 ROR_DW 双字右循环12 状态位指令12.1 OV -||- 溢出异常位12.2 OS -||- 存储溢出异常位12.3 UO -||- 无序异常位12.4 BR -||- 异常位二进制结果12.5 ==0-||- 结果位等于"0" 12.6 <>0-||- 结果位不等于"0"12.7 >0-||- 结果位大于"0"12.8 <0-||- 结果位小于"0"12.9 >=0-||- 结果位大于等于"0"12.10 <=0-||- 结果位小于等于"0"13 定时器指令13.1 S_PULSE 脉冲S5定时器13.2 S_PEXT 扩展脉冲S5定时器13.3 S_ODT 接通延时S5定时器13.4 S_ODTS 保持型接通延时S5定时器13.5 S_OFFDT 断电延时S5定时器13.6 -SP 脉冲定时器线圈13.7 -SE 扩展脉冲定时器线圈13.8 -SD 接通延时定时器线圈13.9 -SS 保持型接通延时定时器线圈13.10 -SF 断开延时定时器线圈14 字逻辑指令14.1 WAND_W 字和字相"与"14.2 WOR_W 字和字相"或"14.3 WAND_DW 双字和双字相"与"14.4 WOR_DW 双字和双字相"或"14.5 WXOR_W 字和字相"异或" 14.6 WXOR_DW 双字和双字相"异或。
第一节根本指令的种类根本指令一览表:根本指令 . 步进梯形图指令FX1S可编程序控制器的根本顺控指令和步进梯形图指令的种类及其功能以下所示:助记符功能格式和操作软元件LD常开触点逻辑运算初步( 常开触点与取左母线连结 )LDI常闭触点逻辑运算初步( 常闭触点与取反左母线连结〕LDP上升沿检测 ( 检测到信号的上升沿时取脉冲闭合一个扫描周期 )上升沿LDF下降沿检测 ( 检测到信号的下降沿时取脉冲闭合一个扫描周期 )下降沿AND串通连结 ( 常开触点与其他触点或触与点组串通连结 )ANI串通连结 ( 常闭触点与其他触点或触与非点组串通连结 )ANDP上升沿串通连结 ( 检测到位软元件上与脉冲升沿信号时闭合一个扫描周期 )上升沿ANDF下降沿串通连结 ( 检测到位软元件下与脉冲降沿信号时闭合一个扫描周期 )下降沿OR并联连结 ( 常开触点与其他触点或触或点组并联连结 )ORI并联连结 ( 常闭触点与其他触点或触或非点组并联连结 )ORP脉冲上升沿检测并联连结( 检测到位或脉冲软元件上升沿信号时闭合一个扫描上升沿周期 )ORF脉冲下降沿检测并联连结( 检测到位或脉冲软元件下降沿信号时闭合一个扫描下降沿周期 )ANB并联电路块的串通连结( 电路块与其电路块与他触点或触点组串通连结)ORB串通电路块的并联连结( 电路块与其电路块或他触点或触点组并联连结)OUT线圈驱动输出SET使线圈接通并保持动作置 1RST使线圈断开 , 除掉动作保持 , 存放器复零清零PLS上升沿微分输出 ( 当检测到输入脉冲上升沿的上升沿时 , 指令的操作元件闭合一脉冲个扫描周期 )PLF下降沿微分输出 ( 当检测到输入脉冲下降沿的下降沿时 , 指令的操作元件闭合一脉冲个扫描周期 )MC公共串通接点的连结( 将左母线临时主控指令移到一个所需地址, 产生一临时左母线 , 形成主控电路块 )MCR公共串通接点的除掉( 取消临时左母主控复位线 , 将左母线返回到原来的地址, 结束主控电路块 )MPS进栈 ( 将逻辑运算结果存入栈储藏进栈指令器 , 储藏器中原来的储藏结果依次向栈储藏器基层推移 )MRD读栈 ( 将储藏器一号单元的内容读读栈指令出 , 且詹储藏器中的内容不发生变化 )MPP出栈 9 将储藏器中一号单元的结果出栈指令取出 , 储藏器中其他单元的数据依次向上推移 )INV运算结果取反取反NOP无动作空操作END输入输出办理以及返回到 0 步结束STL步进接点开始 ( 将步进接点接到左母步进接点线 )RET步进接点开始 ( 使副母线返回到原来步进结束的左母线地址 )第二节根本指令介绍FX1S的根本指令形式、功能和编程方法。
SN 指令字母
图形符号
含义注解
备注栏1LD 取常开触点2LDI 取反常闭触点3OUT 输出线圈4AND 与常开触点串联5ANI 与非常闭触点串联6OR 或并联常开触点7ORI 或非并联常闭触点8LDP 上升沿 PLS M0接通瞬间产生一个脉冲周期接通时提供一个扫描触发讯号 9LDF 下降沿 PLF M1断开瞬间产生一个脉冲周期断开时提供一个扫描触发讯号 10ANDP 串联上升沿指令瞬间产生一个脉冲周期11ANDF 串联下降沿指令瞬间产生一个脉冲周期12ORP 上升沿检出并联连接瞬间产生一个脉冲周期13ORF 下升沿检出并联连接瞬间产生一个脉冲周期三菱PLC 常用指令表(前27
条指令常用)
14
ORB 逻辑块或
串联电路块的并联连接一般电脑自动生成15
ANB
逻辑块与并联电路块的串联连接
一般电脑自动生成16MPS
进栈指令17
MRD 读栈指令
18
MPP 出栈指令
19MC 主控指令
20MCR 主控复位指令
21
INV 取反指令22
SET 置位指令 SET Y0保持输出状态用于输出端保持当前触发后指令不变,复位后取消23
RST 复位指令一般在程序之前做整体复位24
PLS 上升沿脉冲微分指令25
PLF 下降沿脉冲微分指令26
NOP 空指令无动作27
END 结束指令程序结束28
TO 计时器台达用TMR OUT TO K30(30表示3秒钟),还有停电保持等29CO 计数器台达用CNT OUT CO K5(表示5次)。
PLC
PLC目前有5种标准的编程语言,它分为两大类编程语言:图形化编程语言和文本化编程语言。
图形化编程语言包括:梯形图(LD-LadderDiagram)、功能块图(FBD -Func ti onBlock Diagram)、顺序功能图(SFC -Sequential Function Chart)。
文本化编程语言包括:指令表(IL-Instruction List)和结构化文本(ST-Strutured Text)。
1. 西门子PLC指令表功能汇总
2. 接触器与继电器的区别
相同点:用触点来控制电路的通断。
区别:
(1)控制场合
接触器:用来控制大电流的电路。
⏹负载主电路;大容量控制电路;一般设灭弧装置
继电器:用于控制电路中。
(小电流控制)
⏹不能直接带负载;不设灭弧装置
(2)输入信号不同
继电器:对各种物理量作出反应;作为保护电器。
接触器:在一定的电压信号下动作
(3)功能不同
接触器:大电流的开关电器。
继电器:用于反映控制信号;进行信号的传递;转换;放大;控制触点数量较多。
CP1H:1指令助记符:装载LD装载非LD NOT与AND与非AND NOT或OR或非OR NOT与装载AND LD或装载OR LD非NOT条件ON UP条件OFF DOWN2指令助记符:输出OUT输出非OUT NOT保持KEEP上升沿微分DIFU下降沿微分DIFD置位SET复位RSET多位置位SETA多位复位RSTA单一位置位SETB单一位复位RSTB 3指令助记符:结束END空操作NOP联锁IL联锁解除ILC多联锁区别保持MILH多联锁区别释放MILR 多联锁解除MILC跳转JMP跳转结束JME条件跳转CJP FOR循环FOR循环终止BREAK 下一个循环NEXT4指令助记符:定时器TIM5编辑指令:数据移位指令,递增/递减指令,四则运算指令,转换指令,逻辑指令,特殊算术指令,表格数据处理指令,数据控制指令。
6指令助记符移位寄存器SFT可逆移位寄存器SFTR字移位WSFT算术左移ASL算术右移ASR循环左移ROL循环右移ROR一个数字左移SLD一个数字右移SRD左移N位NASL双字左移N 位NSLL右移N位NASR双字右移N位NSRL7指令助记符二进制递增++双字二进制递增++L二进制递减--双字二进制递减--LBCD递增++B,双字BCD递增++BL,BCD递减--B,双字BCD递减--BL8指令助记符无进位带符号二进制加法+,无进位带符号双字二进制加法+L,有进位带符号二进制加法+C,有进位带符号双字二进制加法+CL,无进位BCD加法+B,无进位双字BCD加法+BL,有进位BCD加法+BC,有进位双字BCD加法+BCL,无进位带符号二进制减法-无进位带符号双字二进制减法-L,有进位带符号二进制减法-C,有进位带符号双字二进制减法-CL,无进位BCD减法-B,无进位双字BCD减法-BL,有进位BCD减法-BC 有进位双字BCD减法-BCL,带符号二进制乘法*,带符号双字二进制乘法*L,BCD乘法*B,双字BCD乘法*BL,带符号二进制除法/,带符号双字二进制除法/L,BCD除法/B双字BCD除法/BL9指令助记符BCD→二进制BIN,双字BCD→双字二进制BINL,二进制→BCD BCD双字二进制→双字BCD BCDL二进制求补NEG,数据译码MLPX,数据编码DMPX,ASCⅡ转换码ASC,ASCⅡ→HEX HEX10指令助记符逻辑与ANDW,双字逻辑与ANDL,逻辑或ORW,双字逻辑或ORWL,异或XORW双字异或XORL,求补COM,双字求补COML11指令助记符算术处理APR,位计数器BCNT12指令助记符浮点数→16位FIX,浮点数→32位FIXL,16位→浮点数FLT,32位→浮点数FLTL浮点数加法+F,浮点数减法-F,浮点数除法/F,浮点数乘法*F浮点符号比较LD, AND, OR+=FLD, AND, OR+<>FLD, AND, OR+<FLD, AND, OR+<=FLD, AND, OR+>FLD, AND, OR+>=F浮点数→ASCⅡFSTRASCⅡ→浮点数FVAL12指令助记符交换字节SWAP,帧校验和FCS13指令助记符带自调整的PID控制PIDAT,时间比例输出TPO,标度SCL,标度2 SCL2,标度3 SCL3 平均值AVG14指令助记符子程序调用SBS,子程序进入SBN,子程序返回RET,设置中断屏蔽MSKS,清除中断CLI,禁止中断DI,允许中断EI,模式控制INI,高速计数器当前值读取PRV比较表载入CTBL,速度输出SPED,设置脉冲PULS,脉冲输出PLS2,加速度模式ACC 原点搜索ORG,可变占空比系数脉冲PWM15指令助记符步定义STEP,步启动SNXT,I/O刷新IORF,7段译码SDEC,数字开关输入DSW矩阵输入MTR,7段显示输出7SEG发送TXD,接收RXD,日历加法CADD,日历减法CSUB,时钟调整DATE,故障报警FAL 严重故障报警FALS,设置进位STC,清除进位CLC,延长最大循环时间WDT TIMX计数器:CNT,CNTX高速定时器:TIMH,TIMHX1MS定时器:TMHH,TMHHX累计定时器:TTIM,TTIMX长时间定时器:TIML,TIMLX可逆计数器:CNTR,CNTRX定时器/计数器复位:CNR,CNRX16指令助记符输入比较指令(无符号)LD,AND,OR+=LD,AND,OR+<>LD,AND,OR+<LD,AND,OR+<=LD,AND,OR+>LD,AND,OR+>=输入比较指令(双字长,无符号)LD,AND,OR+=+LLD,AND,OR+<>+LLD,AND,OR+<+LLD,AND,OR+<=+LLD,AND,OR+>+LLD,AND,OR+>=+L输入比较指令(带符号)LD,AND,OR+=+SLD,AND,OR+<>+SLD,AND,OR+<+SLD,AND,OR+<=+SLD,AND,OR+>+SLD,AND,OR+>=+S输入比较指令(双字长,带符号)LD,AND,OR+=+SLLD,AND,OR+<>+SLLD,AND,OR+<+SLLD,AND,OR+<=+SLLD,AND,OR+>+SLLD,AND,OR+>=+SL时间比较指令=DT<>DT<DT<=DT>DT>=DT比较CMP,双字比较CMPL,带符号二进制比较CPS,双字长带符号二进制比较CPSL 表格比较TCMP,无符号块比较BCMP,区域范围比较ZCP,双区域范围比较ZCPL17指令助记符传送MOV,双字长传送MOVL,传送非MVN,传送位MOVB,数字传送MOVD多位传送XFRB,块传送XFER,块置位BSET,数据交换XCHG,单字分配DIST数据收集COLL6。
plc指令表与解释(基于三菱FX系列PLC)三菱 FX 系列PLC的基本逻辑指令。
取指令与输出指令(LD/LDI/LDP/LDF/OUT)(1)LD(取指令)一个常开触点与左母线连接的指令,每一个以常开触点开始的逻辑行都用此指令。
(2)LDI(取反指令)一个常闭触点与左母线连接指令,每一个以常闭触点开始的逻辑行都用此指令。
(3)LDP(取上升沿指令)与左母线连接的常开触点的上升沿检测指令,仅在指定位元件的上升沿(由OFF→ON)时接通一个扫描周期。
(4)LDF(取下降沿指令)与左母线连接的常闭触点的下降沿检测指令。
(5)OUT(输出指令)对线圈进行驱动的指令,也称为输出指令。
取指令与输出指令的使用说明:1)LD、LDI指令既可用于输入左母线相连的触点,也可与ANB、ORB指令配合实现块逻辑运算;2)LDP、LDF指令仅在对应元件有效时维持一个扫描周期的接通。
3)LD、LDI、LDP、LDF指令的目标元件为X 、Y 、M 、T、C、S;4)OUT指令可以连续使用若干次(相当于线圈并联),对于定时器和计数器,在OUT指令之后应设置常数K或数据寄存器。
5)OUT指令目标元件为Y、M、T、C和S,但不能用于X。
触点串联指令(AND/ANI/ANDP/ANDF)(1)AND(与指令)一个常开触点串联连接指令,完成逻辑“与”运算。
(2)ANI(与反指令)一个常闭触点串联连接指令,完成逻辑“与非”运算。
(3)ANDP 上升沿检测串联连接指令。
(4)ANDF 下降沿检测串联连接指令。
触点串联指令的使用的使用说明:1)AND、ANI、ANDP、ANDF都指是单个触点串联连接的指令,串联次数没有限制,可反复使用。
2)AND、ANI、ANDP、ANDF的目标元元件为X、Y、M、T、C和S。
3)OUT M101指令之后通过T1的触点去驱动Y4称为连续输出。
触点并联指令(OR/ORI/ORP/ORF)(1)OR(或指令)用于单个常开触点的并联,实现逻辑“或”运算。
西门⼦PLC表功能指令
西门⼦PLC表功能指令
在S7200PLC 指令系统中,⼀个表由表地址(表的⾸地址)指明。
表地址和第⼆个字地址所对应的单元分别存放两个表参数(最⼤填表数TL 和实际填表数EC),之后是最多100 个填表数据,表只对字型数据存储。
包括表存数指令、表取数指令、表查找指令。
⼀、表存数指令表只对字型数据存储,表的格式如下表所⽰。
图1 表的格式
ATT,表存数指令
该指令在梯形图中有2 个数据输⼊端:DATA 为数值输⼊,指出将被存储的字型数据或其地址;TBL 表格的⾸地址,⽤以指明被访问的表格。
当使能输⼊有效时,将输⼊字型数据添加到指定的表格中。
表存数时,新存的数据添加在表中最后⼀个数据的后⾯。
每向表中存⼀个数据,实际填表数EC 会⾃动加1。
图2 指令ATT 执⾏结果
⼆、表取数指令1、FIFO,先进先出指令
当使能输⼊有效时,从TBL 指明的表中移出第⼀个字型数据并将其输出到DATA 所指定的字单元。
取数时,移出的数据总是最先进⼊表中的数据。
每次从表中移出⼀个数据,剩余数据依次上移⼀个字单元位置,同时实际填表数EC 会⾃动减1。
tips:感谢⼤家的阅读,本⽂由我司收集整编。
仅供参阅!。
三菱FX系列PLC基本指令一览表FX系列PLC —取指令与输出指令(LD/LDI/LDP/LDF/OUT)( 1 )LD (取指令)一个常开触点与左母线连接的指令,每一个以常开触点开始的逻辑行都用此指令。
( 2 )LDI (取反指令)一个常闭触点与左母线连接指令,每一个以常闭触点开始的逻辑行都用此指令。
( 3 )LDP (取上升沿指令)与左母线连接的常开触点的上升沿检测指令,仅在指定位元件的上升沿(由OFF → ON )时接通一个扫描周期。
( 4 )LDF (取下降沿指令)与左母线连接的常闭触点的下降沿检测指令。
( 5 )OUT (输出指令)对线圈进行驱动的指令,也称为输出指令。
取指令与输出指令的使用如图 1 所示。
图 1 取指令与输出指令的使用取指令与输出指令的使用说明:1 )LD 、LDI 指令既可用于输入左母线相连的触点,也可与ANB 、ORB 指令配合实现块逻辑运算;2 )LDP 、LDF 指令仅在对应元件有效时维持一个扫描周期的接通。
图3-15 中,当M1 有一个下降沿时,则Y3 只有一个扫描周期为ON 。
3 )LD 、LDI 、LDP 、LDF 指令的目标元件为X 、Y 、M 、T 、C 、S ;4 )OUT 指令可以连续使用若干次(相当于线圈并联),对于定时器和计数器,在OUT 指令之后应设置常数K 或数据寄存器。
5 )OUT 指令目标元件为Y 、M 、T 、C 和S ,但不能用于X 。
FX系列PLC —触点串联指令(AND/ANI/ANDP/ANDF)( 1 )AND (与指令)一个常开触点串联连接指令,完成逻辑“与”运算。
( 2 )ANI (与反指令)一个常闭触点串联连接指令,完成逻辑“与非”运算。
( 3 )ANDP 上升沿检测串联连接指令。
( 4 )ANDF 下降沿检测串联连接指令。
触点串联指令的使用如图 1 所示。
图 1 触点串联指令的使用触点串联指令的使用的使用说明:1 )AND 、ANI 、ANDP 、ANDF 都指是单个触点串联连接的指令,串联次数没有限制,可反复使用。
西门子plc指令含义大全详解指令(英文全称意思 ) :指令含义1、LD ( Load 装载 ) :动合触点2、LDN ( Load Not 不装载 ) :动断触点3、A ( And 与动合) : 用于动合触点串联4、AN ( And Not 与动断 ) :用于动断触点串联5、O ( Or 或动合 ) :用于动合触点并联6、ON ( Or Not 或动断 ) : 用于动断触点并联7、= ( Out 输出 ) :用于线圈输出8、OLD ( Or Lode):块或9、ALD ( And Lode): 块与10、LPS ( Logic Push ) :逻辑入栈11、LRD ( Logic Read ) :逻辑读栈12、LPP ( Logic Pop ) :逻辑出栈13、NOT ( not 并非 ) :非14、NOP ( No Operation Performed ) : 无操作15、AENO ( And ENO ) :指令盒输出端ENO相与16、S ( Set 放置 ) :置117、R ( Reset 重置,清零 ) :清零18、P ( Positive) :上升沿19、N ( Negative) :下降沿20、TON ( On_Delay Timer ) :接通延时定时器21、TONR ( Retentive On_Delay Timer ) : 有记忆接通延时定时器22、TOF ( Off_ Delay Timer ) :断开延时定时器23、CTU ( Count Up ) : 增计数器24、CTD ( Count Down ) : 减计数器25、CTDU ( Count Up/ Count Down ) :增减计数器26、ADD ( add 加 ) : 加注意//ADD_I (_ I 表示整数)ADD_DI( DI表示双字节整数)ADD-R (R 表示实数)它们都是加运算只是数的大小不同。
27、SUB ( Subtract 减去,减少) :减28、MUL ( Multiply ) : 乘29、DIV ( Divide ) : 除30、SQRT ( Square root ) : 求平方根31、LN ( Napierian Logarithm 自然对数 ) : 求自然对数32、EXP ( Exponential 指数的 ) :求指数33、INC_B ( Increment 增加 ) :增1//其中_B代表数据类型还有W(字节)、DW双字后面几个都是这样的。
西门子plc指令含义大全详解指令(英文全称意思 ) :指令含义1、LD ( Load 装载 ) :动合触点2、LDN ( Load Not 不装载 ) :动断触点3、A ( And 与动合) : 用于动合触点串联4、AN ( And Not 与动断 ) :用于动断触点串联5、O ( Or 或动合 ) :用于动合触点并联6、ON ( Or Not 或动断 ) : 用于动断触点并联7、= ( Out 输出 ) :用于线圈输出8、OLD ( Or Lode):块或9、ALD ( And Lode): 块与10、LPS ( Logic Push ) :逻辑入栈11、LRD ( Logic Read ) :逻辑读栈12、LPP ( Logic Pop ) :逻辑出栈13、NOT ( not 并非 ) :非14、NOP ( No Operation Performed ) : 无操作15、AENO ( And ENO ) :指令盒输出端ENO相与16、S ( Set 放置 ) :置117、R ( Reset 重置,清零 ) :清零18、P ( Positive) :上升沿19、N ( Negative) :下降沿20、TON ( On_Delay Timer ) :接通延时定时器21、TONR ( Retentive On_Delay Timer ) : 有记忆接通延时定时器22、TOF ( Off_ Delay Timer ) :断开延时定时器23、CTU ( Count Up ) : 增计数器24、CTD ( Count Down ) : 减计数器25、CTDU ( Count Up/ Count Down ) :增减计数器26、ADD ( add 加 ) : 加注意//ADD_I (_ I 表示整数)ADD_DI( DI表示双字节整数)ADD-R (R 表示实数)它们都是加运算只是数的大小不同。
27、SUB ( Subtract 减去,减少) :减28、MUL ( Multiply ) : 乘29、DIV ( Divide ) : 除30、SQRT ( Square root ) : 求平方根31、LN ( Napierian Logarithm 自然对数 ) : 求自然对数32、EXP ( Exponential 指数的 ) :求指数33、INC_B ( Increment 增加 ) :增1//其中_B代表数据类型还有W(字节)、DW双字后面几个都是这样的。
当 limit_switch_2被清零时,light_2接通180毫秒(timer_2计时)。
当timer_2当 limit_switch_1被置位时,light_1接通180毫秒(timer_3计时)。
当timer_3limit_switch_1由禁止变为使能10次之后,完成位。
DN被置位。
并且接通light_1传送装置把零件带到缓存区.每进入一个零件,limit_switch_1被使能且counter_1如果输入一个没有比较运算符LowLimit〉=HighLimit: 当value〉=0或value<=—100时,接通light_1. Value_1 :Value_1操作数: 数据类型: 格式: 说明:目的SINTINTDINTREAL 标签被清零数据的标识符说明:CLR指令清零目的单元的所有位。
执行:条件: 动作:预扫描: 梯级输出条件被设置为假.梯级输入条件为假梯级输出条件被设置为假。
梯级输入条件为真指令清零目的单元内的数据。
梯级输出被件被设置为真.算术状态标志:影响算术状态标志故障条件:无CLR指令举例:当使能时CLR指令清零value_1内的所有位。
5。
按位与指令(AND)AND指令是一条输出指令。
操作数:操作数数据类型格式说明源A SINT INT DINT 立即数标签与源B操作数进行与运算的数值.源B SINT INT DINT 立即数标签与源A操作数进行与运算的数值。
目的单元SINT INT DINT 标签存放运算结果的标签。
说明: AND指令执行源A与源B操作数的按位与运算并存放结果于目的单元. 当指令被使能时执行逻辑与运算:如果源A的位:源B的位: 目的单元的位是0 0 00 1 01 0 01 1 1如果用户使用混合整型数据类型则指令用0值填充小整数数据的高位以使其与最大数据类型有相同的大小.执行:条件: 动作:预扫描梯级输出条件被设置为假。
梯级输入条件为假梯级输出条件被设置为假。
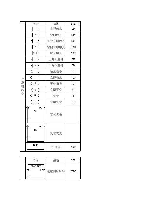
PLC常用指令表原型指令
脉冲型指令
输出型指令
块指令与堆栈指令
主控指令与结束指令
NOP:空操作指令。
空操作指令“NOP”是无元件的空指令,程序全部清除后,程序的全部指令就变成“NOP”。
有时,在程序的调试中,会用空操作指令“NOP”替换程序中某一指令,以方便程序的修改。
在FX2N中,产生时钟脉冲功能的特殊继电器有四个
M8011:触点以10毫秒的频率作周期性振荡,产生10ms的时钟脉冲。
M8012:触点以100毫秒的频率作周期性振荡,产生100ms的时钟脉冲。
M8013:触点以1秒的频率作周期性振荡,产生1s的时钟脉冲。
M8014:触点以1分钟的频率作周期性振荡,产生1min的时钟脉冲。
欢迎您的下载,
资料仅供参考!
致力为企业和个人提供合同协议,策划案计划书,学习资料等等
打造全网一站式需求。