PLC常用指令表
- 格式:pdf
- 大小:77.72 KB
- 文档页数:3
PLC常用指令表PLC常用指令表原型指令基本指令:LD(取)LDI(取反)AND(与)ANI(与反)OR(或)ORI(或反)功能:接左母线的常开触点。
接左母线的常闭触点。
串联触点(常开触点)。
串联触点(常闭触点)。
并联触点(常开触点)。
例(梯形图表示):X0X0X0X0X0X1X1X1指令表达:LD X0LDI X0LD X0 AND X1LD X0 ANI X1LD X0 OR X1LD X0 ORI X1ORI(或反)并联触点(常闭触点)X0X1脉冲型指令基本指令:LDP(取脉冲)功能:左母线开始,上升沿检测。
梯形图表示:X0X0X0X1X1指令表达:LDP X0LD X0 ANDP X1LD X0 ORP X1LDF X0 ANDP(与脉冲)串联触点,上升沿检测ORP(或脉冲)并联触点,上升沿检测LDF(取脉冲)左母线开始,下降沿检测X0X0X0X1X1ANDF(与脉冲)串联触点,下降沿检测ORF(或脉冲)并联触点,下降沿检测LD X0 ANDF X1LD X0 ORF X1输出型指令基本指令:OUT(输出)INV(取反)功能:驱动执行元件。
运算结果反转。
梯形图表示:X0Y0X0Y0指令表达:LD X0 OUT Y0LD X0 INV OUT Y0 LD X0 SET Y0LD X0 RST Y0LD X0 PLS Y0LD X0 PLF Y0SET(置位)RST(复位)PLS(输出脉冲)接通执行元件并保持。
消除元件的置位。
上升沿输出(只接通一个扫描周期)。
下降沿输出(只接通一个扫描周期)。
X0SET Y0X0RST Y0X0PLS Y0PLF(输出脉冲)X0PLF Y0块指令与堆栈指令基本指令:ANB(块与)ORB(块或)MRS(进栈)MRD(读栈)MPP(出栈)功能:将前面已运算的结果存储。
将已存储的运算结果读出。
将已存储的运算结果读出并退出栈运算。
梯形图表示:X0X2X1X3指令表达:LD X0 OR X2LD X1 OR X3XXXLD X0 AND X1LD X2 AND X3ORBLD X0 MPS AND X1 OUT Y0 MRD LD X2 ANDI X3 OUT Y1 MPP MPS(进栈)MRD(读栈)MPP(出栈)X0MPSMRDMPPX1X2X3Y0Y1。
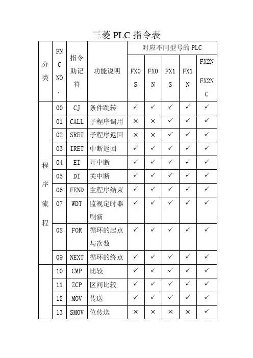
分类指令助记符功能说明对应不同型号的PLC FX0S FX0N FX1S FX1N FX2N FX2NC 1.程序流程2.CJ 条件跳转P P P P P a3.CALL 子程序调用Î Î P P P4.SRET 子程序返回Î Î P P P5.IRET 中断返回P P P P P6.EI 开中断P P P P P7.DI 关中断P P P P P8.FEND 主程序结束P P P P P9.WDT 监视定时器刷新P P P P P10.FOR 循环的起点与次数P P P P P11.NEXT 循环的终点P P P P P12.传送与比较13.CMP 比较P P P P P14.ZCP 区间比较P P P P P15.MOV 传送P P P P P16.SMOV 位传送Î Î Î Î P17.CML 取反传送Î Î Î Î P18.BMOV 成批传送Î P P P P19.FMOV 多点传送Î Î Î Î P20.XCH 交换Î Î Î Î P21.BCD 二进制转换成BCD码P P P P P22.BIN BCD码转换成二进制P P P P P23.算术与逻辑运算24.ADD 二进制加法运算P P P P P25.SUB 二进制减法运算P P P P P26.MUL 二进制乘法运算P P P P P27.DIV 二进制除法运算P P P P P28.INC 二进制加1运算P P P P P29.DEC 二进制减1运算P P P P P30.WAND 字逻辑与P P P P P31.WOR 字逻辑或P P P P P32.WXOR 字逻辑异或P P P P P33.NEG 求二进制补码Î Î Î Î P34.循环与移位35.ROR 循环右移Î Î Î Î P36.ROL 循环左移Î Î Î Î P37.RCR 带进位右移Î Î Î Î P38.RCL 带进位左移Î Î Î Î P39.SFTR 位右移P P P P P40.SFTL 位左移P P P P P41.WSFR 字右移Î Î Î Î P42.WSFL 字左移Î Î Î Î P43.SFWR FIFO(先入先出)写入Î Î P P P 44.SFRD FIFO(先入先出)读出Î Î P P P 45.数据处理46.ZRST 区间复位P P P P P47.DECO 解码P P P P P48.ENCO 编码P P P P P49.SUM 统计ON位数Î Î Î Î P50.BON 查询位某状态Î Î Î Î P 51.MEAN 求平均值Î Î Î Î P52.ANS 报警器置位Î Î Î Î P53.ANR 报警器复位Î Î Î Î P54.SQR 求平方根Î Î Î Î P55.FLT 整数与浮点数转换Î Î Î Î P56.高速处理57.REF 输入输出刷新P P P P P 58.REFF 输入滤波时间调整Î Î Î Î P 59.MTR 矩阵输入Î Î P P P60.HSCS 比较置位(高速计数用)Î P P P P 61.HSCR 比较复位(高速计数用)Î P P P P 62.HSZ 区间比较(高速计数用)Î Î Î Î P 63.SPD 脉冲密度Î Î P P P64.PLSY 指定频率脉冲输出P P P P P 65.PWM 脉宽调制输出P P P P P 66.PLSR 带加减速脉冲输出Î Î P P P 67.方便指令68.IST 状态初始化P P P P P69.SER 数据查找Î Î Î Î P70.ABSD 凸轮控制(绝对式)Î Î P P P 71.INCD 凸轮控制(增量式)Î Î P P P 72.TTMR 示教定时器Î Î Î Î P73.STMR 非凡定时器Î Î Î Î P74.ALT 交替输出P P P P P 75.RAMP 斜波信号P P P P P76.ROTC 旋转工作台控制Î Î Î Î P 77.SORT 列表数据排序Î Î Î Î P78.外部设备85.TKY 10键输入Î Î Î Î P86.HKY 16键输入Î Î Î Î P87.DSW BCD数字开关输入Î Î P P P 88.SEGD 七段码译码Î Î Î Î P89.SEGL 七段码分时显示Î Î P P P 90.ARWS 方向开关Î Î Î Î P91.ASC ASCI码转换Î Î Î Î P92.PR ASCI码打印输出Î Î Î Î P93.FROM BFM读出Î P Î P P94.TO BFM写入Î P Î P P95.外围设备96.RS 串行数据传送Î P P P P97.PRUN 八进制位传送(#) Î Î P P P98.ASCI 16进制数转换成ASCI码Î P P P P 99.HEX ASCI码转换成16进制数Î P P P P 100.CCD 校验Î P P P P101.VRRD 电位器变量输入Î Î P P P 102.VRSC 电位器变量区间Î Î P P P103.PID PID运算Î Î P P P104.浮点数运算105.ECMP 二进制浮点数比较Î Î Î Î P 106.EZCP 二进制浮点数区间比较Î Î Î Î P 107.EBCD 二进制浮点数→十进制浮点数Î Î Î Î P 108.EBIN 十进制浮点数→二进制浮点数Î Î Î Î P 109.EADD 二进制浮点数加法Î Î Î Î P 110.EUSB 二进制浮点数减法Î Î Î Î P 111.EMUL 二进制浮点数乘法Î Î Î Î P 112.EDIV 二进制浮点数除法Î Î Î Î113.ESQR 二进制浮点数开平方Î Î Î Î P 114.INT 二进制浮点数→二进制整数Î Î Î Î P 115.SIN 二进制浮点数Sin运算Î Î Î Î P 116.COS 二进制浮点数Cos运算Î Î Î Î P 117.TAN 二进制浮点数Tan运算Î Î Î Î P 118.SWAP 高低字节交换Î Î Î Î P119.定位120.ABS ABS当前值读取Î Î P P Î121.ZRN 原点回归Î Î P P Î122.PLSY 可变速的脉冲输出Î Î P P Î123.DRVI 相对位置控制Î Î P P Î124.DRVA 绝对位置控制Î Î P P Î125.时钟运算126.TCMP 时钟数据比较Î Î P P P 127.TZCP 时钟数据区间比较Î Î P P P 128.TADD 时钟数据加法Î Î P P P 129.TSUB 时钟数据减法Î Î P P P130.TRD 时钟数据读出Î Î P P P131.TWR 时钟数据写入Î Î P P P 132.HOUR 计时仪Î Î P P133.外围设备134.GRY 二进制数→格雷码Î Î Î Î P 135.GBIN 格雷码→二进制数Î136.RD3A 模拟量模块(FX0N-3A)读出Î P Î P Î137.WR3A 模拟量模块(FX0N-3A)写入Î P Î P Î138.触点比较139.LD= (S1)= (S2)时起始触点接通Î Î P P P 140.LD> (S1)> (S2)时起始触点接通Î Î P P P 141.LD< (S1)< (S2)时起始触点接通Î Î P P P 142.LD<> (S1)<> (S2)时起始触点接通Î Î P P P 143.LD≧(S1)≧ (S2)时起始触点接通Î Î P P P 144.AND= (S1)= (S2)时串联触点接通Î Î P P P 145.AND> (S1)> (S2)时串联触点接通Î Î P P P 146.AND<(S1)< (S2)时串联触点接通Î Î P P P 147.AND<>(S1)<> (S2)时串联触点接通Î Î P P P 148.AND≦(S1)≦ (S2)时串联触点接通Î Î P P P 149.AND≧(S1)≧ (S2)时串联触点接通Î Î P P P 150.OR= (S1)= (S2)时并联触点接通Î Î P P P 151.OR> (S1)> (S2)时并联触点接通Î Î P P P 152.OR< (S1)< (S2)时并联触点接通Î Î P P P 153.OR<> (S1)<> (S2)时并联触点接通Î Î P P P 154.OR≦(S1)≦ (S2)时并联触点接通Î Î P P P 155.OR≧(S1)≧ (S2)时并联触点接通Î Î P P P。
三菱PLC功能指令1.位操作指令:位操作指令用于读取、写入和修改位级别的数据。
常见的位操作指令包括LD(逻辑与)、ORR(逻辑或)、AND(逻辑与)、XOR(异或)等。
2.数据操作指令:数据操作指令用于读取、写入和修改字节、字和双字级别的数据。
常见的数据操作指令包括MOV(赋值)、ADD(加法)、SUB(减法)、MUL(乘法)、DIV(除法)等。
3.计数器指令:计数器指令用于实现计数功能。
有三种类型的计数器指令:上升沿计数器、下降沿计数器和阶段计数器。
计数器指令可以用于进行数量统计、进度监测等应用。
4.定时器指令:定时器指令用于实现定时功能。
有两种类型的定时器指令:上升沿定时器和下降沿定时器。
定时器指令可以用于进行时间监测、延时操作等应用。
5.移位指令:移位指令用于将数据的位进行移动。
常见的移位指令包括SHL(左移)、SHR(右移)等。
移位指令通常用于数据处理和位拼接等应用。
6.比较指令:比较指令用于比较两个数值的大小。
常见的比较指令包括CMP(比较)、EQ(等于)、NE(不等于)、GT(大于)等。
比较指令可以用于实现条件判断和逻辑控制等应用。
7.转移指令:转移指令用于控制程序的流程。
常见的转移指令包括JMP(无条件跳转)、JE(等于时跳转)、JNE(不等于时跳转)、JG(大于时跳转)等。
转移指令可以用于实现程序的循环和条件判断等应用。
8.存储器控制指令:存储器控制指令用于读取和写入存储器的数据。
常见的存储器控制指令包括LD(读取)、ST(写入)等。
存储器控制指令可以用于实现数据存储和加载等应用。
9.数学指令:数学指令用于实现各种数学运算。
常见的数学指令包括SIN(正弦)、COS(余弦)、SQRT(平方根)等。
数学指令可以用于实现数据处理和数值计算等应用。
10.基本运算指令:基本运算指令用于实现基本的数值运算。
常见的基本运算指令包括加法、减法、乘法和除法等。
基本运算指令通常用于实现逻辑计算和数据处理等应用。
一、顺控指令1 触点指令00 LD 逻辑操作开始01 LDI 逻辑非操作开始02 AND 逻辑乘03 ANI 逻辑乘非04 OR 逻辑加05 ORI 逻辑加非2 连接指令06 ANB AND逻辑块与07 ORB OR逻辑块或08 MPS 存储操作结果09 MRD 从MPS读取操作结果10 MPP 从MPS读取操作结果并清除结果3 输出指令11 OUT 软元件输出12 SET 软元件置位13 RST 软元件复位14 PLS 在输入信号的上升沿15 PLF 在输入信号的下降沿16 CHK 软元件输出翻转4 移位指令17 SFT 元件移1位18 SFTP 元件移1位5 主控指令19 MC 主控开始20 MCR 主控复位6 结束指令21 FEND 结束主程序22 END 总的程序末尾,返回第0步7 其它指令23 STOP 停止24 NOP 空操作二基本指令1 比较指令16位数据比较25 LD= 当S1=S2, 接通,当S1≠S2, 断开26 AND=27 OR=28 LD<> 当S1≠S2, 接通,当S1=S2, 断开29 AND<>30 OR<>31 LD> 当S1>S2, 接通,当S1≤S2, 断开32 AND>33 OR>34 LD<= 当S1≤S2, 接通,当S1>S2, 断开35 AND<=36 OR<=37 LD< 当S1<S2, 接通,当S1≥S2, 断开38 AND<39 OR<40 LD>= 当S1≥S2, 接通,当S1<S2, 断开41 AND>=42 OR>=32位数据比较43 LDD= 当(S1+1,S1)=(S2+1,S2), 接通44 ANDD=45 ORD=46 LDD<> 当(S1+1,S1)≠(S2+1,S2),接通47 ANDD<>48 ORD<>49 LDD> 当(S1+1,S1)>(S2+1,S2), 接通50 ANDD>51 ORD>52 LDD<= 当(S1+1,S1)≤(S2+1,S2),接通53 ANDD<=54 ORD<=55 LDD< 当(S1+1,S1)<(S2+1,S2), 接通56 ANDD<57 ORD<58 LDD>= 当(S1+1,S1)≥(S2+1,S2),接通59 ANDD>=60 ORD>=2 算术运算指令二进制16位加/减61 + (D)+(S)→(D)62 +P63 + (S1)+(S2)→(D)64 +P65 - (D)-(S)→(D)66 -P67 - (S1)-(S2)→(D)68 -P二进制32位加/减69 D+ (D+1,D)+(S+1,S)→(D+1,D)70 D+P71 D+ (S1+1,S1)+(S2+1,S2)→(D+1,D)72 D+P 73 D- (D+1,D)-(S+1,S)→(D+1,D)74 D-P75 D- (S1+1,S1)-(S2+1,S2)→(D+1,D)76 D-P77 * (S1)×(S2)→(D+1,D)78 *P79 / (S1)/(S2)→商(D), 余数(D+1)80 /P81 D* (S1+1,S1)×(S2+1,S2)→(D+3,D+2,D+1,D)82 D*P83 D/ (S1+1,S1)/(S2+1,S2)→商(D+1,D),余数(D+3,D+2)84 D/P85 B+ (D)+(S)→(D)86 B+P87 B+ (S1)+(S2)→(D)88 B+P89 B- (D)-(S)→(D)90 B-P91 B- (S1)-(S2)→(D)92 B-P93 DB+ (D+1,D)+(S+1,S) →(D+1,D)94 DB+P95 DB+ (S1+1,S1)+(S2+1,S2)→(D+1,D)96 DB+P97 DB- (D+1,D)-(S+1,S)→(D+1,D)98 DB-P99 DB- (S1+1,S1)-(S2+1,S2)→(D+1,D)100 DB-P101 B* (S1)×(S2)→(D+1,D)102 B*P103 B/ (S1)/(S2)→商(D),余数(D+1)104 B/P105 DB* (S1+1,S1)×(S2+1,S2)→(D+3,D+2,D+1,D)106 DB*P107 DB/ (S1+1,S1)/(S2+1,S2)→商(D+1,D),余数(D+3,D+2)108 DB/P109 INC (D)+1→(D)110 INCP111 DINC (D+1,D)+1→(D+1,D)112 DINCP113 DEC (D)-1→(D)114 DECP115 DDEC (D+1,D)-1→(D+1,D)116 DDECP3 BCD—二进制转换117 BCD (S)→(D)BCD转换118 BCDP119 DBCD (S+1,S)→(D+1,D)120 DBCDP121 BIN (S)→(D)二进制转换122 BINP123 DBIN (S+1,S)→(D+1,D)124 DBINP4 数据传送指令125 MOV (S)→(D)126 MOVP127 DMOV (S+1,S)→(D+1,D)128 DMOVP129 CML (S)→(D)130 CMLP131 DCML (S+1,S)→(D+1,D)132 DCML133 DCMLP134 BMOV (S)→(D)n个135 BMOVP136 FMOV (S)→(D)n个137 FMOVP138 XCH (D1)←→(D2)139 XCHP140 DXCH (D1+1,D1)←→(D2+1,D2) 141 DXCHP5 程序分支指令142 CJ 条件满足,跳转到P**处143 SCJ 条件满足后紧接的扫描周期,跳转到P**处144 JMP 无条件跳转到P**处145 CALL 执行P**处子程序146 CALLP147 RET 从子程序返回148 EI 允许中断149 DI 禁止中断150 IRET 从中断程序返回151 SUB 执行n指定的程序152 SUBP6 程序切换指令153 CHG 在主副程序间切换7 刷新指令154 COM 执行通讯刷新155 EI 允许通讯刷新156 DI 禁止通讯刷新157 SEG 对应软元件的刷新,仅执行1个扫描周期,M9052 ON时有效三应用指令1 逻辑运算指令158 WAND (D) AND (S)→(D)159 WANDP160 WAND (S1) AND (S2)→(D)161 WANDP162 DAND (D+1,D) AND (S+1,S)→(D+1,D)163 DANDP164 WOR (D) OR (S)→(D)165 WORP166 WOR (S1) OR (S2)→(D)167 WORP168 DOR (D+1,D) OR (S+1,S)→(D+1,D)169 DORP170 WXOR (D) XOR (S)→(D)异或171 WXORP172 WXOR (S1) XOR (S2)→(D)173 WXORP174 DXOR (D+1,D) XOR (S+1,S)→(D+1,D)175 DXORP176 WXNR (D) XOR (S)→(D)177 WXNRP178 WXNR (S1) XOR (S2)→(D)179 WXNRP180 DXNR (D+1,D) XOR (S+1,S)→(D+1,D)181 DXNRP182 NEG 0-(D)→(D)补码183 NEGP2 旋转指令184 ROR n位右转185 RORP186 RCR n位右转(带进位)187 RCRP188 ROL n位左转189 ROLP190 RCL n位左转(带进位)191 RCLP192 DROR n位右转193 DRORP194 DRCR n位右转(带进位) 195 DRCRP196 DROL n位左转197 DROLP198 DRCL n位左转(带进位) 199 DRCLP3 移位指令200 SFR n位右移201 SFRP202 SFL n位左移203 SFLP204 BSFR 1位右移205 BSFRP206 BSFL 1位左移207 BSFLP208 DSFR 1位右移209 DSFRP210 DSFL 1位左移211 DSFLP4 数据处理指令212 SER 数据搜索213 SERP214 SUM 位检查215 SUMP216 DSUM217 DSUMP218 DECO 译码编码219 DECOP220 ENCO221 ENCOP222 SEG 7段编码223 BSET 对字中n位置位224 BSETP225 BRST 对字中n位复位226 BRSTP227 DIS 组合分离228 DISP229 UNI230 UNIP231 ASC ASCII转化5 先进先出指令232 FIFW FIFO写233 FIFWP234 FIFR FIFO读235 FIFRP6 内存缓冲区存取指令236 FROM 从特殊功能模块读取数据237 FROMP238 DFRO239 DFROP240 TO 向特殊功能模块写数据241 TOP242 DTO243 FROM 从远程I/O站读数据244 FROMP245 DFRO246 DFROP247 TO 向远程站写数据248 TOP249 DTO250 DTOP7 FOR/NEXT指令251 FOR 重复n次252 NEXT8 本地站、远程I/O站存取指令253 LRDP 从本地站读数据254 LWTP 向本地站写数据255 RFRP 从远程特殊功能模块读数据256 RTOP 向远程特殊功能模块写数据9 显示指令257 PR 从指定的8点字软元件输出16个字符的ASCII码258 PR 顺序向输出模块输出ASCII码, 直到结束符NUL(00H)259 PRC 将字软元件的注释转换成ASCII码,并输出260 LED 将指定的8点字软元件显示16个字符的ASCII码261 LEDA 显示指定的英文数字字符262 LEDB263 LEDC 显示软元件S的注释264 LEDR 显示复位10 其它指令265 WDT WDT复位266 WDTP267 CHK 故障检测268 SLT 按参数设定的条件,数据被锁定269 SLTR 状态锁存复位,且执行SLT270 STRA 按参数设定的条件,采样数据存入271 STRAR 采样跟踪复位,且允许执行272 STC 进位标志(M9012)ON273 CLC 进位标志(M9012)OFF274 DUTY 用户定义时钟11 伺服指令275 DSFRP 请求启动伺服程序276 PSFLP 数据修改特殊继电器和特殊寄存器一特殊继电器M清单M9000 熔丝断M9002 I/O组件校验出错M9004 MINI网通讯出错M9005 AC电源掉电检测M9006 电池电压低M9007 电池电压低锁存M9008 自诊断出错M9009 信号报警器检测M9010 运算出错标志M9011 运算出错标志锁存M9012 进位标志M9016 数据存储区清零标志M9017 数据存储区清零标志M9018 数据通讯监控切换M9020 0号用户定时时钟M9021 1号用户定时时钟M9022 2号用户定时时钟M9023 3号用户定时时钟M9024 4号用户定时时钟M9025 时钟数据设置请求M9026 时钟数据出错M9027 时钟数据显示M9028 时钟数据读请求M9030 0.1秒时钟M9031 0.2秒时钟M9032 1秒时钟M9033 2秒时钟M9034 1分钟时钟M9036 常开M9037 常闭M9038 RUN后第一个扫描周期ONM9039 运行标志M9040 暂停PAUSE允许线圈M9041 PAUSE状态触点M9042 停止状态触点M9043 采样跟踪完成M9044 采样跟踪M9046 采样跟踪M9047 采样跟踪准备M9048 RUN LED闪烁标志M9049 切换输出字符数目M9050 存放操作结果的存储区交换触点M9051 CHG指令执行禁止M9052 SEG指令切换M9053 EI/DI指令切换M9054 单步运行标志M9055 状态锁存完成标志M9056 主程序P, I设置请求M9057 副程序P, I设置程序M9060 副程序2P, I设置程序M9061 副程序3P, I设置程序M9060 远程终端出错M9061 通讯出错M9065 分离传送状态M9066 传送处理切换M9067 I/O组件出错检测M9068 测试模式M9069 线路故障时的输出M9073 WDT出错标志M9074 PCPU准备完成标志M9075 测试模式标志M9076 外部急停输入标志M9077 手动脉冲发生器轴设置错误标志M9078 测试模式请求出错标志M9079 伺复程序设置出错标志M9081 对远程模块的通讯请求M9082 最终站数不一致M9084 出错检测M9086 运行标志BASIC程序M9087 暂停(PAUSE)标志M9091 操作运行出错细节标志M9091 微机子程序调用出错标志M9092 双电源模块过热M9093 双工电源模块出错M9094 I/O改变标志M9095 双工运行校验出错M9096 A3VCPU A自校出错M9097 A3VCPU B自校出错M9098 A3VCPU C自校出错M9099 A3VTU自校出错M9100 SFC程序登记M9101 SFC程序起/停M9102 SFC启动状态M9103 连续步转移有效/失效M9104 连续转移防止标志M9108 步转移监控定时器起始(对应D9108)M9109 步转移监控定时器起始(对应D9109)M9110 步转移监控定时器起始(对应D9110)M9111 步转移监控定时器起始(对应D9111)M9112 步转移监控定时器起始(对应D9112)M9113 步转移监控定时器起始(对应D9113)M9114 步转移监控定时器起始 (对应D9114)M9180 激活步采样跟踪完成标志M9181 激活步采样跟踪执行标志M9182 激活步采样跟踪有效M9196 在块停止时控制输出M9197~9198 保险丝熔断,I/O校核出错显示切换二特殊寄存器D9000 保险丝断D9001 保险丝断D9002 I/O组件校验出错D9003 SUM指令检测位数D9004 MINI网主通讯组件出错D9005 AC掉电计数D9006 电池不足D9008 自诊断出错D9009 信号报警器检测D9010 出错步D9011 出错步D9014 I/O控制模式D9015 CPU运行状态D9016 ROM/RAM设置D9017 最小扫描时间D9018 当前扫描时间D9019 最大扫描时间D9020 恒定扫描D9021 扫描时间D9022 1秒计数器D9025 时钟数据(年,月)D9026 时钟数据(日,时)D9027 时钟数据(分,秒)D9028 时钟数据(星期)D9021~D9034 远程终端组件参数设置D9035 远程I/O组件的通讯属性D9035 扩展文件寄存器D9036 总的站数D9036~9037 供指定扩展文件寄存器软件地址D9038~9039 LED显示优先级D9044 采样跟踪D9050 SFC程序出错代码D9051 出错块D9052 出错步D9053 转移出错D9054 出错顺控步D9055 状态锁存步序号D9061 通讯出错代码D9072 PC通讯检测D9081 对远程终端模块的已执行的通讯请求数D9082 最后的站号D9090 微机子程序输入数据区首软元件号D9091 指令出错D9094 待更换的I/O组件的首地址D9095 A3VTS系统和A3VCPU的运行状态D9096 A3VCPU A自检出错D9097 A3VCPU B自检出错D9098 A3VCPU C自检出错D9099 A3VTU 自检测出错D9100~D9107 断保险丝的组件D9100 保险丝熔断的组件D9108~D9114 步转移监控定时器设置D9116~D9123 I/O组件校验出错D9124 信号器报警数量检测D9125~D9132 信号报警器地址号D9133~D9140 远程终端卡信息D9141~D9172 通讯重发次数D9173 模式设置D9174 设置重发次数D9175 线缆出错模块出错代码D9180~9193远程终端模块出错代码D9180 轴1和轴2的限位开关输出状态存储区D9181 轴3和轴4的限位开关输出状态存储区D9182 轴5和轴6的限位开关输出状态存储区D9183 轴7和轴8的限位开关输出状态存储区D9184 CPU出错的原因D9185 伺服放大器接线数据D9187 手动脉冲发生器轴设置出错D9188 在TEST模式下启动轴号请求出错D9189 出错程序号D9190 数据设置出错D9191 伺服放大器类型D9196~9199 故障站检测D9200 LRDP处理结果D9201 LWTP处理结果D9204 通讯状态D9205 执行回送的站D9206 执行回送的站D9207 通讯扫描时间(最大值)D9208 通讯扫描时间(最小值)D9209 通讯扫描时间(当前值)D9210 重发次数D9211 环路切换计数D9212 就地站运行状态(1~16)D9213 就地站运行状态(17~32)D9214 就地站运行状态(33~48)D9215 就地站运行状态(49~64)D9216 就地站出错检测(1~16)D9217 就地站出错检测(17~32)D9218 就地站出错检测(33~48)D9219 就地站出错检测(49~64)D9220 就地站参数不匹配或(1~16)远程站I/O分配出错D9221 就地站参数不匹配或(17~32)远程站I/O分配出错D9222 就地站参数不匹配或(33~48)远程站I/O分配出错D9223 就地站参数不匹配或(49~64)远程站I/O分配出错D9224 主站与从站和远程I/O站之间的初始通讯(1~16) D9225 主站与从站和远程I/O站之间的初始通讯(17~32) D9226 主站与从站和远程I/O站之间的初始通讯(33~48) D9227 主站与从站和远程I/O站之间的初始通讯(49~64) D9228 就地站或远程I/O站出错(1~16)D9229 就地站或远程I/O站出错(17~32)D9230 就地站或远程I/O站出错(33~48) D9231 就地站或远程I/O站出错(49~64)D9232 就地站或远程I/O站环路出错D9233 就地站或远程I/O站环路出错D9234 就地站或远程I/O站环路出错D9235 就地站或远程I/O站环路出错D9236 就地站或远程I/O站环路出错D9237 就地站或远程I/O站环路出错D9238 就地站或远程I/O站环路出错D9239 就地站或远程I/O站环路出错D9240 检测到接收出错的次数D9243 本站站号检测D9244 从站的总数D9245 检测到的接收出错次数D9248 就地站运行状态D9249 就地站运行状态D9250 就地站运行状态D9251 就地站运行状态D9252 就地站出错检测D9253 就地站出错检测D9254 就地站出错检测D9255 就地站出错检测各种软元件一览表项目 A1,A1NA1S A2,A2NA2C A2-S1A2N-S1 A3,A3NA3A A2U,A3UA4UI/O软元件点 256 512 1024 2048 8192输入继电器 X 0~FF 0~1FF 0~3FF 0~7FF 0~FFF输出继电器 Y 0~FF 0~1FF 0~3FF 0~7FF 0~FFF辅助继电器内部继电器 (1000点)M0~M999 M0~M999, M2048~8191特殊继电器 (256点)M9000~M9255锁存继电器 (1048点)L1000~L2048通讯用继电器 (2048点)B0~B3FF B0~BFFF定时器 100ms定时器 (200点)T0~T19910ms定时器 (56点)T200~T255 100ms记忆定时器 (0点)计数器 (256点)C0~C255寄存器数据寄存器 (1024点)D0~D1023 D0~D6143特殊寄存器 (256点)D9000~D9255 通讯寄存器 (1024点)W0~W3FF W0~WFFF累加器 (2点)A0,A1变址寄存器 (2点)Z, V Z,Z1~Z6(7点), V,V1~V6(7点)嵌套 (8点)N0~ N7指针 (256点)P0~P255中断指针 (32点)I0~I31 常数十进制 K (16位)-32768~+32767(32位)-2147483648 ~+2147483647十六进制 H (16位)0~FFFF(32位)0~FFFFFFFF分类指令助记符功能说明对应不同型号的PLCFX0S FX0N FX1S FX1NFX2N FX2NC程序流程00 CJ 条件跳转P P P P P01 CALL 子程序调用Î Î P P P02 SRET 子程序返回Î Î P P P03 IRET 中断返回P P P P P04 EI 开中断P P P P P05 DI 关中断P P P P P06 FEND 主程序结束P P P P P07 WDT 监视定时器刷新P P P PP08 FOR 循环的起点与次数P P P PP09 NEXT 循环的终点P P P P P传送与比较10 CMP 比较P P P P P11 ZCP 区间比较P P P P P12 MOV 传送P P P P P13 SMOV 位传送Î Î Î Î P14 CML 取反传送Î Î Î Î P15 BMOV 成批传送Î P P P P16 FMOV 多点传送Î Î Î Î P17 XCH 交换Î Î Î Î P18 BCD 二进制转换成BCD码P PP P P19 BIN BCD码转换成二进制P P PP P算术与逻辑运算20 ADD 二进制加法运算P P P P P21 SUB 二进制减法运算P P P P P22 MUL 二进制乘法运算P P P P P23 DIV 二进制除法运算P P P P P24 INC 二进制加1运算P P P P P25 DEC 二进制减1运算P P P P P26 WAND 字逻辑与P P P P P27 WOR 字逻辑或P P P P P28 WXOR 字逻辑异或P P P P P29 NEG 求二进制补码Î Î Î Î P循环与移位30 ROR 循环右移Î Î Î Î P31 ROL 循环左移Î Î Î Î P32 RCR 带进位右移Î Î Î Î P33 RCL 带进位左移Î Î Î Î P34 SFTR 位右移P P P P P35 SFTL 位左移P P P P P36 WSFR 字右移Î ÎÎ Î P37 WSFL 字左移Î Î Î Î P38 SFWR FIFO(先入先出)写入Î Î P P P39 SFRD FIFO(先入先出)读出Î Î PP P数据处理40 ZRST 区间复位P P P P P41 DECO 解码P P P P P42 ENCO 编码P P P P P43 SUM 统计ON位数Î Î Î Î P44 BON 查询位某状态Î Î Î Î P45 MEAN 求平均值Î Î Î Î P46 ANS 报警器置位Î Î Î Î P47 ANR 报警器复位Î Î Î Î P48 SQR 求平方根Î Î Î Î P49 FLT 整数与浮点数转换Î Î Î Î P高速处理50 REF 输入输出刷新P P P P P51 REFF 输入滤波时间调整Î Î Î Î P52 MTR 矩阵输入Î Î P P P53 HSCS 比较置位(高速计数用)ÎP P P P54 HSCR 比较复位(高速计数用)ÎP P P P55 HSZ 区间比较(高速计数用)Î ÎÎ Î P56 SPD 脉冲密度Î Î P P P57 PLSY 指定频率脉冲输出P P PP P58 PWM 脉宽调制输出P P P P P59 PLSR 带加减速脉冲输出Î Î P PP方便指令60 IST 状态初始化P P P P P61 SER 数据查找Î Î Î Î P62 ABSD 凸轮控制(绝对式)Î Î PP P63 INCD 凸轮控制(增量式)Î Î P PP64 TTMR 示教定时器Î Î Î Î P65 STMR 非凡定时器Î Î Î Î P66 ALT 交替输出P P P P P67 RAMP 斜波信号P P P P P68 ROTC 旋转工作台控制Î Î Î Î P69 SORT 列表数据排序Î Î Î Î P外部设备70 TKY 10键输入Î Î Î Î P71 HKY 16键输入Î Î Î Î P72 DSW BCD数字开关输入Î Î P P P73 SEGD 七段码译码Î Î Î Î P74 SEGL 七段码分时显示Î Î P P P75 ARWS 方向开关Î Î Î Î P76 ASC ASCI码转换Î Î Î Î P77 PR ASCI码打印输出Î Î Î Î P78 FROM BFM读出Î P Î P P79 TO BFM写入Î P Î P P外围设备80 RS 串行数据传送Î P P P P81 PRUN 八进制位传送(#) Î Î P PP82 ASCI 16进制数转换成ASCI码ÎP P P P83 HEX ASCI码转换成16进制数ÎP P P P84 CCD 校验Î P P P P85 VRRD 电位器变量输入Î Î P P P86 VRSC 电位器变量区间Î Î P P P87 - -88 PID PID运算Î Î P P P89 - -浮点数运算110 ECMP 二进制浮点数比较Î Î Î ÎP111 EZCP 二进制浮点数区间比较ÎÎ Î Î P118 EBCD 二进制浮点数→十进制浮点数Î Î Î Î P119 EBIN 十进制浮点数→二进制浮点数Î Î Î Î P120 EADD 二进制浮点数加法Î Î Î ÎP121 EUSB 二进制浮点数减法Î Î Î ÎP122 EMUL 二进制浮点数乘法Î Î Î ÎP123 EDIV 二进制浮点数除法Î Î Î ÎP127 ESQR 二进制浮点数开平方Î ÎÎ Î P129 INT 二进制浮点数→二进制整数Î Î Î Î P130 SIN 二进制浮点数Sin运算Î ÎÎ Î P131 COS 二进制浮点数Cos运算Î ÎÎ Î P132 TAN 二进制浮点数Tan运算ÎÎÎ Î P147 SWAP 高低字节交换Î Î Î Î P定位155 ABS ABS当前值读取Î Î P P Î156 ZRN 原点回归Î Î P P Î157 PLSY 可变速的脉冲输出Î Î P P Î158 DRVI 相对位置控制Î Î P P Î 159 DRVA 绝对位置控制Î Î P P Î时钟运算160 TCMP 时钟数据比较Î Î P P P 161 TZCP 时钟数据区间比较Î Î P P P162 TADD 时钟数据加法Î Î P P P 163 TSUB 时钟数据减法Î Î P P P 166 TRD 时钟数据读出Î Î P P P 167 TWR 时钟数据写入Î Î P P P 169 HOUR 计时仪Î Î P P 外围设备170 GRY 二进制数→格雷码Î Î Î ÎP171 GBIN 格雷码→二进制数Î176 RD3A 模拟量模块(FX0N-3A)读出Î P Î P Î177 WR3A 模拟量模块(FX0N-3A)写入Î P Î P Î触点比较224 LD= (S1)= (S2)时起始触点接通Î Î P P P225 LD> (S1)> (S2)时起始触点接通Î Î P P P226 LD< (S1)< (S2)时起始触点接通Î Î P P P228 LD<> (S1)<> (S2)时起始触点接通Î Î P P P229 LD≦ (S1)≦ (S2)时起始触点接通Î Î P P P230 LD≧ (S1)≧ (S2)时起始触点接通Î Î P P P232 AND= (S1)= (S2)时串联触点接通Î Î P P P233 AND> (S1)> (S2)时串联触点接通Î Î P P P234 AND< (S1)< (S2)时串联触点接通Î Î P P P236 AND<> (S1)<> (S2)时串联触点接通Î Î P P P237 AND≦ (S1)≦ (S2)时串联触点接通Î Î P P P238 AND≧ (S1)≧ (S2)时串联触点接通Î Î P P P240 OR= (S1)= (S2)时并联触点接通Î Î P P P241 OR> (S1)> (S2)时并联触点接通Î Î P P P242 OR< (S1)< (S2)时并联触点接通Î Î P P P244 OR<> (S1)<> (S2)时并联触点接通Î Î P P P245 OR≦ (S1)≦ (S2)时并联触点接通Î Î P P P246 OR≧ (S1)≧ (S2)时并联触点接通Î Î P P P。
1.1 -||- 常开接点地址1.2 -|/|- 常闭接点地址1.3 XOR 位异或1.4 -|NOT|- 信号流反向1.5 - 输出线圈1.6 -- 中间输出1.7 -R 线圈复位1.8 -S 线圈置位1.9 RS 复位置位触发器1.10 RS 置位复位触发器1.11 -N- RLO下降沿检测1.12 -P- PLO上升沿检测1.13 -SAVE 将RLO存入BR存储器1.14 MEG 地址下降沿检测1.15 POS 地址上升沿检测2.1 CMP I 整数比较2.2 CMP D 双整数比较2.3 CMP R 实数比较3 转换指令3.1 BCD_IBCD码转换为整数3.2 I_BCD 整数转换为BCD码3.3 I_DINT 整数转换为双整数3.4 BCD_DIBCD码转换为双整数3.5 DI_BCD 双整数转换为BCD码3.6 DI_REAL 双整数转换为浮点数3.7 INV_I 整数的二进制反码3.8 INV_DI 双整数的二进制反码3.9 NEG_I 整数的二进制补码3.10 NEG_DI 双整数的二进制补码3.11 NEG_R 浮点数求反3.12 ROUND 舍入为双整数3.13 TRUNC 舍去小数取整为双整数3.14 CEIL 上取整3.15 FLOOR 下取整4 计数器指令4.1 S_CUD 加减计数4.2 S_CU 加计数器4.3 S_CD 减计数器4.4 -SC 计数器置初值4.5 -CU 加计数器线圈4.6 -CD 减计数器线圈5 数据块指令5.1 -OPN 打开数据块:DB或DI6 逻辑控制指令6.1 -JMP 无条件跳转6.2 -JMP 条件跳转6.3 -JMPN 若非则跳转6.4 LABEL 标号7 整数算术运算指令7.1 ADD_I 整数加法7.2 SUB_I 整数减法7.3 MUL_I 整数乘法7.4 DIV_I 整数除法7.5 ADD_DI 双整数加法7.6 SUB_DI 双整数减法7.7 MUL_DI 双整数乘法7.8 DIV_DI 双整数除法7.9 MOD_DI 回送余数的双整数8 浮点算术运算指令8.1 基础指令8.1.1 ADD_R 实数加法8.1.2 SUB_R 实数减法8.1.3 MUL_R 实数乘法8.1.4 DIV_R 实数除法8.1.5 ABS 浮点数绝对值运算8.2 扩展指令8.2.1 SQR 浮点数平方8.2.2 SQRT 浮点数平方根8.2.3 EXP 浮点数指数运算8.2.4 LN 浮点数自然对数运算8.2.5 SIN 浮点数正弦运算8.4.6 COS 浮点数余弦运算8.2.7 TAN 浮点数正切运算8.2.8 ASIN 浮点数反正弦运算8.2.9 ACOS 浮点数反余弦运算8.2.10ATAN 浮点数反正切运算9 赋值指令9.1 MOVE 赋值10 程序控制指令10.1 -Call 从线圈调用FC/SFC无参数10.2 CALL_FB 从方块调用FB10.3 CALL_FC 从方块调用FC10.4 CALL_SFB 从方块调用SFB10.5 CALL_SFC 从方块调用SFC10.6 -MCR< 主控继电器接通10.7 -MCR> 主控继电器断开10.8 -MCRA 主控继电器启动10.9 -MCRD 主控继电器停止10.10 -RET 返回11 移位和循环指令11.1 移位指令11.1.1 SHR_I 整数右移11.1.2 SHR_DI 双整数右移11.1.3 SHL_W 字左移11.1.4 SHR_W 字右移11.1.5 SHL_DW 双字左移11.1.6 SHR_DW 双字右移11.2 循环指令11.2.1 ROL_DW 双字左循环11.2.2 ROR_DW 双字右循环12 状态位指令12.1 OV -||- 溢出异常位12.2 OS -||- 存储溢出异常位12.3 UO -||- 无序异常位12.4 BR -||- 异常位二进制结果12.5 ==0-||- 结果位等于"0" 12.6 <>0-||- 结果位不等于"0"12.7 >0-||- 结果位大于"0"12.8 <0-||- 结果位小于"0"12.9 >=0-||- 结果位大于等于"0"12.10 <=0-||- 结果位小于等于"0"13 定时器指令13.1 S_PULSE 脉冲S5定时器13.2 S_PEXT 扩展脉冲S5定时器13.3 S_ODT 接通延时S5定时器13.4 S_ODTS 保持型接通延时S5定时器13.5 S_OFFDT 断电延时S5定时器13.6 -SP 脉冲定时器线圈13.7 -SE 扩展脉冲定时器线圈13.8 -SD 接通延时定时器线圈13.9 -SS 保持型接通延时定时器线圈13.10 -SF 断开延时定时器线圈14 字逻辑指令14.1 WAND_W 字和字相"与"14.2 WOR_W 字和字相"或"14.3 WAND_DW 双字和双字相"与"14.4 WOR_DW 双字和双字相"或"14.5 WXOR_W 字和字相"异或" 14.6 WXOR_DW 双字和双字相"异或。
第一节根本指令的种类根本指令一览表:根本指令 . 步进梯形图指令FX1S可编程序控制器的根本顺控指令和步进梯形图指令的种类及其功能以下所示:助记符功能格式和操作软元件LD常开触点逻辑运算初步( 常开触点与取左母线连结 )LDI常闭触点逻辑运算初步( 常闭触点与取反左母线连结〕LDP上升沿检测 ( 检测到信号的上升沿时取脉冲闭合一个扫描周期 )上升沿LDF下降沿检测 ( 检测到信号的下降沿时取脉冲闭合一个扫描周期 )下降沿AND串通连结 ( 常开触点与其他触点或触与点组串通连结 )ANI串通连结 ( 常闭触点与其他触点或触与非点组串通连结 )ANDP上升沿串通连结 ( 检测到位软元件上与脉冲升沿信号时闭合一个扫描周期 )上升沿ANDF下降沿串通连结 ( 检测到位软元件下与脉冲降沿信号时闭合一个扫描周期 )下降沿OR并联连结 ( 常开触点与其他触点或触或点组并联连结 )ORI并联连结 ( 常闭触点与其他触点或触或非点组并联连结 )ORP脉冲上升沿检测并联连结( 检测到位或脉冲软元件上升沿信号时闭合一个扫描上升沿周期 )ORF脉冲下降沿检测并联连结( 检测到位或脉冲软元件下降沿信号时闭合一个扫描下降沿周期 )ANB并联电路块的串通连结( 电路块与其电路块与他触点或触点组串通连结)ORB串通电路块的并联连结( 电路块与其电路块或他触点或触点组并联连结)OUT线圈驱动输出SET使线圈接通并保持动作置 1RST使线圈断开 , 除掉动作保持 , 存放器复零清零PLS上升沿微分输出 ( 当检测到输入脉冲上升沿的上升沿时 , 指令的操作元件闭合一脉冲个扫描周期 )PLF下降沿微分输出 ( 当检测到输入脉冲下降沿的下降沿时 , 指令的操作元件闭合一脉冲个扫描周期 )MC公共串通接点的连结( 将左母线临时主控指令移到一个所需地址, 产生一临时左母线 , 形成主控电路块 )MCR公共串通接点的除掉( 取消临时左母主控复位线 , 将左母线返回到原来的地址, 结束主控电路块 )MPS进栈 ( 将逻辑运算结果存入栈储藏进栈指令器 , 储藏器中原来的储藏结果依次向栈储藏器基层推移 )MRD读栈 ( 将储藏器一号单元的内容读读栈指令出 , 且詹储藏器中的内容不发生变化 )MPP出栈 9 将储藏器中一号单元的结果出栈指令取出 , 储藏器中其他单元的数据依次向上推移 )INV运算结果取反取反NOP无动作空操作END输入输出办理以及返回到 0 步结束STL步进接点开始 ( 将步进接点接到左母步进接点线 )RET步进接点开始 ( 使副母线返回到原来步进结束的左母线地址 )第二节根本指令介绍FX1S的根本指令形式、功能和编程方法。
PLC
PLC目前有5种标准的编程语言,它分为两大类编程语言:图形化编程语言和文本化编程语言。
图形化编程语言包括:梯形图(LD-LadderDiagram)、功能块图(FBD -Func ti onBlock Diagram)、顺序功能图(SFC -Sequential Function Chart)。
文本化编程语言包括:指令表(IL-Instruction List)和结构化文本(ST-Strutured Text)。
1. 西门子PLC指令表功能汇总
2. 接触器与继电器的区别
相同点:用触点来控制电路的通断。
区别:
(1)控制场合
接触器:用来控制大电流的电路。
⏹负载主电路;大容量控制电路;一般设灭弧装置
继电器:用于控制电路中。
(小电流控制)
⏹不能直接带负载;不设灭弧装置
(2)输入信号不同
继电器:对各种物理量作出反应;作为保护电器。
接触器:在一定的电压信号下动作
(3)功能不同
接触器:大电流的开关电器。
继电器:用于反映控制信号;进行信号的传递;转换;放大;控制触点数量较多。
plc指令表与解释(基于三菱FX系列PLC)三菱 FX 系列PLC的基本逻辑指令。
取指令与输出指令(LD/LDI/LDP/LDF/OUT)(1)LD(取指令)一个常开触点与左母线连接的指令,每一个以常开触点开始的逻辑行都用此指令。
(2)LDI(取反指令)一个常闭触点与左母线连接指令,每一个以常闭触点开始的逻辑行都用此指令。
(3)LDP(取上升沿指令)与左母线连接的常开触点的上升沿检测指令,仅在指定位元件的上升沿(由OFF→ON)时接通一个扫描周期。
(4)LDF(取下降沿指令)与左母线连接的常闭触点的下降沿检测指令。
(5)OUT(输出指令)对线圈进行驱动的指令,也称为输出指令。
取指令与输出指令的使用说明:1)LD、LDI指令既可用于输入左母线相连的触点,也可与ANB、ORB指令配合实现块逻辑运算;2)LDP、LDF指令仅在对应元件有效时维持一个扫描周期的接通。
3)LD、LDI、LDP、LDF指令的目标元件为X 、Y 、M 、T、C、S;4)OUT指令可以连续使用若干次(相当于线圈并联),对于定时器和计数器,在OUT指令之后应设置常数K或数据寄存器。
5)OUT指令目标元件为Y、M、T、C和S,但不能用于X。
触点串联指令(AND/ANI/ANDP/ANDF)(1)AND(与指令)一个常开触点串联连接指令,完成逻辑“与”运算。
(2)ANI(与反指令)一个常闭触点串联连接指令,完成逻辑“与非”运算。
(3)ANDP 上升沿检测串联连接指令。
(4)ANDF 下降沿检测串联连接指令。
触点串联指令的使用的使用说明:1)AND、ANI、ANDP、ANDF都指是单个触点串联连接的指令,串联次数没有限制,可反复使用。
2)AND、ANI、ANDP、ANDF的目标元元件为X、Y、M、T、C和S。
3)OUT M101指令之后通过T1的触点去驱动Y4称为连续输出。
触点并联指令(OR/ORI/ORP/ORF)(1)OR(或指令)用于单个常开触点的并联,实现逻辑“或”运算。
plc20个基本指令PLC的基本指令包括以下几种:
1. LD(Load):表示动合触点。
2. LDN(Load Not):表示动断触点。
3. A(And):表示与动合触点串联。
4. AN(And Not):表示与动断触点串联。
5. O(Or):表示或动合触点并联。
6. ON(Or Not):表示或动断触点并联。
7. =(Out):表示线圈输出。
8. OLD(Or Lode):块或。
9. ALD(And Lode):块与。
10. LPS(Logic Push):逻辑入栈。
11. LRD(Logic Read):逻辑读栈。
12. LPP(Logic Pop):逻辑出栈。
13. NOT(not):非。
14. NOP(No Operation):空操作。
15. END:程序结束指令。
16. MPS(Multiple Push):多重入栈。
17. MPD(Multiple Pop):多重出栈。
18. MPP(Multiple Push Pop):多重入出栈。
19. PLS(Pulse):脉冲输出指令。
20. PLF(Pulse Not):非脉冲输出指令。
以上是PLC的基本指令,不同的PLC品牌和型号可能会有一些差异,因此具体使用时需要根据实际情况选择相应的指令。