煤科院馈电开关天矿保护器原理图
- 格式:pdf
- 大小:2.49 MB
- 文档页数:1
目录1、概述2、结构特征与工作原理3、技术特性4、尺寸、重量5、安装、调试6、使用、操作7、故障分析与排除8、保养、维修9、运输、贮存10、订货须知11、售后服务及承诺12、附件13、控制板原理图、电气接线图和原理图安装使用前请详细阅读使用说明书1、概述1.1、主要用途KBZ—□/1140(660)矿用隔爆型真空馈电开关(以下简称馈电开关)适用于具有爆炸性危险气体(甲烷)和煤尘的矿井中,在交流50Hz,电压1140V和660V中性点不接地供电系统中,作为移动变电站配电开关用,或单独作为配电系统的总开关或分开关使用,本馈电开关采用单片机(CPU)智能保护器,当电路中出现过载、短路、漏电和过压、欠压故障时,馈电开关能自动切断电源。
1.2、正常工作条件(a)、周围环境温度为-5 ~ +40℃;(b)、海拔高度不超过2000m;(c)、周围空气相对湿度不大于95%(+25℃时);(d)、在有瓦斯,煤尘爆炸性气体混合物的环境中;(e)、与水平的安装倾斜度不超过15°;(f)、在无破坏绝缘的气体或蒸汽的环境中;(g)、能防止滴水的地方;(h)、污染等级:3级;(i )、安装类别:Ⅲ类。
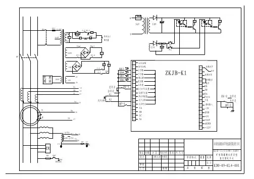
1.3、产品分类1.3.1、产品防爆型式:矿用隔爆型防爆标志:ExdⅠ1.3.2、产品型号及编制意义额定电压额定电流真空矿用隔爆型馈电开关1.4、产品执行标准:MT871-2000和企标Q/PH D 018-20072、结构特征与工作原理2.1、结构特征2.1.1、馈电开关的隔爆外壳呈方形,并安装在撬形底座上。
隔爆外壳分为上、下两个空腔即接线腔与主腔。
接线腔在主腔的上方,它集中了全部主回路与控制回路(远方分励、高压闭锁、风电闭锁)的进出线喇叭口,前面具有三只控制回路进出线喇叭口。
主腔由主腔壳体与前门组装而成。
开关前门关闭时,前门与壳体由上下扣块与左右齿条扣住。
开关前门打开时,前门支承在壳体左侧的铰链上。
2.1.2、交流真空断路器安装在主腔壳体的中央偏左侧,三根进线直接接在断路器的进线端子上。
ZYFB中原防爆KBZ—400(630)/1140(660)矿用隔爆型智能化真空馈电开关使用说明书河南省济源市中原防爆电器有限公司目录一、用途及使用条件 (2)二、产品特点 (2)三、产品功能 (3)四、产品型号含义 (5)五、开关结构概述 (5)六、主要技术参数及保护特性 (5)七、电气原理 (10)八、操作指南 (11)九、外形尺寸及重量 (20)十、标志、包装、运输 (20)十一、售后服务 (21)十二、常见故障及处理方法 (21)十三、电器元件明细表 (22)十四、附图 (23)一用途及使用条件1、矿用隔爆型智能化真空馈电开关(以下简称开关),主要用于煤矿井下和其它周围介质中含有甲烷及煤尘混合物的爆炸性气体环境中。
适应于交流50HZ,额定电流400(630)A,额定电压380V、660V、1140V三相中性点不接地供电系统中。
做为总开关、分支开关,也可作为大容量电动机不频繁起动控制之用。
当供电电路中出现过载、短路、断相或漏电时能自动切断电源。
做总开关时具有三相对称性漏电和漏电闭锁保护,做分支开关使用时具有选择性漏电保护和漏电闭锁保护功能,过流保护具有反时限时性,近端出口短路采用大电流无压释放保护功能。
2、开关可以在下列环境中使用;(1)海拔高度不超过2000m;(2)环境温度为零下-20℃-- +40℃;(3)空气相对湿度不大于95%(+25℃);(4)含有甲烷、煤尘的空气中,但无足以腐蚀金属和绝缘的气体和蒸气;(5)无淋水和水侵入的地方。
二、产品特点本开关根据用户需求,采用先进的科学技术进行设计,与同类相比,其特点如下:1、具有强大的数据采集和处理功能,对传感器二次信号不经过任何变形处理,直接进行高速采样和实时测算,连续量化处理所获信息最接近于真实情况。
2、采用晶振计时,故所有定时限、反时限延时准确无误。
3、采用微处理器技术,能完成合、分闸控制,过载、短路、漏电闭锁、漏电保护、选择性漏电保护、三相不平衡、欠压、风电闭锁、故障原因记忆查询、联网通讯、电度计量等功能。
DW80系列矿用隔爆型馈电开关DW80系列矿用隔爆型馈电开关(以下简称馈电开关)适用于交流50Hz,额定电压为380或660V,额定电流为200A或350A.用于有爆炸性气体(甲烷)及煤尘矿井下,作为线路馈电开关。
当线路中发生超过允许极限过载、短路及断相时能自动切断电路或其他电器的电源,分有相敏、无相敏保护器的馈电开关两大类。
馈电开关全型号的含义:一、结构馈开关(见图1)是一台改装的三级Dwl0万能式自动空气开关(以下简称空气开关),装在具有转盖式的隔爆外壳内,并附有连接电缆的隔爆接线箱。
馈电开关的外壳为圆柱体,外壳的大盖采用转盖式,右边装的空气开关的操作手柄,用以接通和分断空气开关。
大盖与操作手柄装有联锁机构,如果打开大盖,必需先分断空气开关,再将特殊螺杆锁住操作手柄分断位嚣,否则大盖不能打开.二.外形尺寸如图1馈电开关电气接线图如图2,图3三、安装使用及维护1、安装安装之前必需检查馈电开关在运输中是否遭到损坏,所有的螺钉是否紧固,铭脾上的技术数据是否符合技术要求。
馈电开关应垂直安装,倾斜的角度不得大于15’。
当倾斜的角度过大时,馈电开关不能可靠地工作。
用柔软的橡胶电缆连接馈电开关,应将电缆套进隔爆接线箱两侧的进出线装置。
由橡密封圈、金属板、喇叭形出线口及螺栓,用以压紧电缆.不使用的出线口应用橡胶密封圈、金属板(包括无圆孔的金属板)等加以很好地堵封。
在连接电缆时,必须注意进出线的正确性,标有“电源”隔板下方为进线接线柱。
每台馈电开关的外壳必须接地、外壳的右下方标有接地符号“矗”的螺钉为地线端头.安装时应注意分励脱扣器电源,铭牌是否与电网电压相符合。
使用之前,对空气开关进行无载合分,检查灭弧罩与触头系统是否有卡,碰及损坏,发现问题必须消除,否则不得使用。
安装以后,应检查接线箱与箱盖的结合面间隙不得大于0.2,外壳的壳体与大盖结合面不得大于0.35,接线柱与壳体间隙不得大于0.4及操纵杆与壳体间隙不得大于0.4。