门窗制程检验报告
- 格式:doc
- 大小:36.00 KB
- 文档页数:1
门业检验报告
检验单位:XXX检测中心
检验时间:2021年X月X日
检验对象:XX门业有限公司生产的XXX门
一、检验依据
1. GB/T 7106-2008〈钢铝复合板在建筑物中使用技术规范〉
2. GB/T 8463-2008〈门窗用型材理化性能试验方法〉
3. GB/T 11793-2008〈门窗用电动驱动器技术要求和试验方法〉
4. GB/T 16447-2009〈建筑玻璃安全玻璃的定义、分类和要求〉
二、检验结论
经过对检验对象的外观、尺寸、材料、可靠性、安全性等方面进行了全面的检验和测试,结论如下:
1. 外观检验:检验对象表面光洁度好,无麻点、气泡等明显缺陷。
2. 尺寸检验:检验对象尺寸符合GB/T 7106-2008标准规定。
3. 材料检验:检验对象选用的构件材料符合GB/T 16447-2009标准规定。
4. 可靠性检验:开关门力矩符合GB/T 8463-2008标准规定,且经过开关测试无卡滞、漏风等现象。
5. 安全性检验:门扇采用5毫米钢化玻璃,经过冲击测试和爆炸测试均未破裂。
电动驱动器部分符合GB/T 11793-2008标准规定,能正常运转。
经测试,检验对象的各项指标均符合相关标准规定,可以出厂销售。
三、检验结果
1. 合格证明:本次检验检验对象各项检测均符合国家标准规定,现予以合格。
2. 检验报告的有效期:本检验报告自检验日期起有效期为一年。
3. 不合格项:本次检验中未发现不合格项。
四、备注
1. 检验标准不能覆盖所有情况,仅供应用时参考。
2. 检验结果仅对检验样本有效,不能扩展到其它生产批次或未
检验的样本。
门窗生产过程检测报告
门窗生产过程检测报告
一、检测目的
本次检测旨在检查门窗生产过程中是否符合相关标准和规范要求,确保产品质量达到国家标准,保障消费者权益。
二、检测对象
本次检测对象为某门窗生产企业所生产的木质单开门和塑钢窗。
三、检测方法
本次检测采用目视检测、量测检测和取样检测等方法。
四、检测内容
1.材料检测:检查门窗所用材料是否合格,如木材、玻璃、五金件、密封条等。
2.制造工艺检测:检查门窗制造工艺是否符合标准要求,如工艺流程、产品尺寸和型号、接缝处是否平整等。
3.外观质量检测:检查门窗外观质量是否符合标准,如表面光洁度、色彩是否均匀、边角是否整齐等。
4.功能检测:检查门窗开启、关闭是否灵活、密封性是否良好、隔音效果是否达标等。
五、检测结果
经过检测,本次检测对象所生产的所有木质单开门和塑钢窗均符合国家相关标准和规范要求,未发现任何不合格情况。
六、结论
本次检测结果表明,该门窗生产企业生产的产品质量良好,符合国家相关标准和规范要求,可放心选购。
82405铁艺门窗成品出厂检验报告
1.检验目的
本报告旨在对82405铁艺门窗成品进行出厂检验,确保产品质量符合相关标准和要求。
2.检验范围
本次检验的范围包括以下内容:
铁艺门窗的材料和制造工艺
产品的外观质量
产品的功能性能
产品的安全性能
3.检验方法
本次检验采用以下方法进行:
目测检查:对产品的外观进行仔细观察,检查是否存在划痕、
变形、焊接痕迹等问题。
功能性能测试:对铁艺门窗的开启和关闭、锁具的使用等进行
测试,确保产品正常使用。
安全性能测试:测试产品的防盗性能、防火性能等,确保产品
在使用过程中安全可靠。
实验室测试:对产品材料进行拉力测试、耐候性测试等,确保
产品质量达标。
4.检验结果
根据上述检验方法,对82405铁艺门窗成品进行了全面检验。
以下是检验结果:
外观质量:产品外观无明显划痕、变形等问题,符合美观要求。
功能性能:产品开启和关闭顺畅,锁具使用正常。
安全性能:产品防盗性能和防火性能达到相关标准和要求。
材料测试:产品材料拉力强度达到标准要求,耐候性良好。
5.检验结论
根据上述检验结果,82405铁艺门窗成品经过出厂检验,全部合格。
产品质量符合相关标准和要求,可以正常投放市场和使用。
6.建议和改进措施
在本次检验过程中,未发现产品质量问题。
建议生产部门继续保持对铁艺门窗生产工艺和质量控制的严格管理,确保产品质量始终符合标准和要求。
7.检验人员和日期
检验人员:XXX
检验日期:___年MM月DD日
以上为82405铁艺门窗成品的出厂检验报告。
门窗检测报告一、检测目的。
本次门窗检测的目的在于对建筑物内外的门窗进行全面检查,了解其使用状况,发现存在的问题,并提出相应的改进措施,以确保建筑物的安全和舒适性。
二、检测范围。
1. 室内门,包括房间内的各种门,如卧室门、卫生间门等。
2. 室外门,包括主入口门、阳台门等。
3. 窗户,包括各个房间的窗户、阳台窗等。
三、检测内容。
1. 门窗的开启和关闭,检查门窗的开启和关闭是否灵活,是否有卡滞或异响。
2. 门窗的密封性能,检查门窗的密封性能,是否存在漏风、漏水等问题。
3. 门窗的安全性能,检查门窗的锁具是否牢固可靠,是否存在安全隐患。
4. 门窗的外观和材质,检查门窗的外观是否完好,材质是否有损坏或老化现象。
5. 其他问题,如门窗的隔热性能、隔音性能等。
四、检测方法。
1. 目视检查,通过目视观察门窗的外观、开启和关闭情况等。
2. 使用检测工具,如测量门窗的密封性能、检测锁具的牢固程度等。
五、检测结果。
1. 室内门,卧室门开启不灵活,需要进行调整;卫生间门存在漏水问题,需要进行密封处理。
2. 室外门,主入口门锁具老化,存在安全隐患,需要及时更换;阳台门密封性能较差,需要进行维修。
3. 窗户,客厅窗户存在漏风现象,需要进行密封处理;卧室窗户隔热性能较差,建议更换隔热玻璃。
六、改进措施。
1. 室内门,对卧室门进行调整,保证开启和关闭灵活;对卫生间门进行密封处理,解决漏水问题。
2. 室外门,及时更换主入口门的锁具,保证安全性能;对阳台门进行维修,提高密封性能。
3. 窗户,对客厅窗户进行密封处理,解决漏风问题;对卧室窗户进行更换,提高隔热性能。
七、检测结论。
通过本次门窗检测,发现了一些存在的问题,并提出了相应的改进措施。
建议尽快对门窗进行维修和更换,以确保建筑物的安全和舒适性。
八、检测建议。
1. 定期检查,建议定期对门窗进行检查,及时发现和解决问题。
2. 质量保证,在维修和更换门窗时,选择质量可靠的材料和产品,确保使用效果和使用寿命。
门窗质检报告
报告编号:MC20210101
报告日期:2021年1月1日
报告单位:XXX门窗有限公司
报告对象:出厂的门窗产品
一、检测目的
为确保公司生产的门窗产品符合国家标准及公司要求,特委托第三方检测机构进行门窗质量检测,并对检测结果进行报告。
二、检测内容
1.尺寸检测:检测门窗的长、宽、高、厚度、门缝间隙等尺寸是否符合国家标准及公司要求。
2.密封性检测:测试门窗的密封性能,检查门窗是否有漏气、漏水现象。
3.承载力检测:测试门窗承受外力的承载能力是否达到国家标准及公司要求。
4.开启力检测:测试门窗的开启力是否符合规定,是否符合老年人、儿童的易开启性要求。
三、检测方法
本次门窗质检采用国家标准GB/T 7106-2008《门窗密封性能检测》、GB/T 8484-2008 《门窗承重试验》以及GB/T 7107-2008《门窗机械强度和稳定性能检测》等相关标准进行检测。
四、检测结果
1.尺寸检测结果:门窗尺寸均符合国家标准及公司要求。
2.密封性检测结果:门窗密封性良好,无漏气、漏水现象。
3.承载力检测结果:门窗能够承受1500牛的外力而不发生破坏。
4.开启力检测结果:门窗开启力符合规定,老年人、儿童易开
启性要求也得到满足。
五、结论
根据对出厂门窗样品的检测结果,本次检测门窗产品符合国家
标准及公司要求,达到了设计要求,可以出厂销售。
六、备注
此质检报告仅限于检测出厂的样品,检测结果可能受到样品的
不确定性等因素的影响。
如需更详细数据,请与本公司联系。
门窗检测报告门窗检测报告根据您的要求,我们对您家中的所有门窗进行了全面的检测。
以下是我们的检测报告:1. 主要问题:我们发现您家中有几个门窗存在较为严重的问题,需要立即进行修复或更换。
1.1 常用门窗门框出现开裂和变形的情况。
这可能是由于长期使用和日常磕碰导致的,需要及时修复,以免进一步恶化并影响使用安全性。
1.2 有些门窗的玻璃存在破裂或碎裂的情况。
这可能是由于外力撞击或老化导致的,应尽快更换玻璃,以确保门窗的完整性和安全性。
1.3 一些门窗的锁具已经损坏或无法正常使用。
这可能会降低家庭安全性,应尽快更换锁具,以确保门窗的安全性。
2. 次要问题:除了上述主要问题外,我们还发现了一些次要问题,需要关注和修复。
2.1 有些门窗的涂层已经剥落或褪色。
这可能是由于长期暴露在阳光和气候变化下导致的,需要重新涂装以保护门窗。
2.2 一些门窗的密封条存在老化和脱落的情况。
这可能导致门窗的隔热和防水性能下降,应及时更换密封条,以提高门窗的绝缘性能。
3. 建议和解决方案:基于以上发现,我们建议您采取以下措施来解决这些问题。
3.1 对于开裂和变形的门框,建议您联系专业的门窗维修公司进行修复,以恢复其结构稳定性和安全性。
3.2 对于破裂或碎裂的玻璃,建议您联系专业的玻璃公司进行更换。
确保正确选择合适的玻璃类型,以满足安全和隔音的要求。
3.3 对于损坏或无法正常使用的锁具,建议您更换为新的锁具,选择高质量和可靠的品牌,提高门窗的抗盗性能。
3.4 对于剥落或褪色的门窗涂层,建议您进行重新涂装。
选择适合门窗材质和环境的合适涂料,并确保涂装工序正确,以延长门窗的使用寿命。
3.5 对于老化和脱落的密封条,建议您进行更换。
选择高质量耐候性好的密封条,并确保正确安装,以提高门窗的防水和隔热性能。
以上是我们对您家中门窗的检测报告。
如果需要进一步的咨询或帮助,请随时与我们联系。
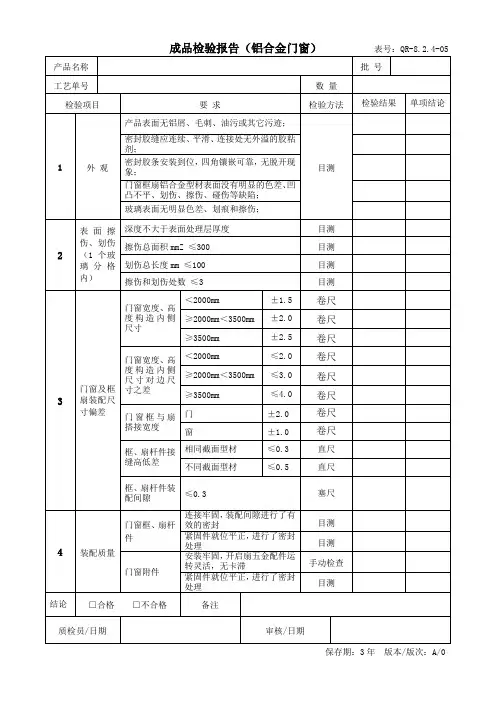
成品检验报告(铝合金门窗)表号:QR-8.2.4-05产品名称批号工艺单号数量检验项目要求检验方法检验结果单项结论1 外观产品表面无铝屑、毛刺、油污或其它污迹;目测密封胶缝应连续、平滑、连接处无外溢的胶粘剂;密封胶条安装到位,四角镶嵌可靠,无脱开现象;门窗框扇铝合金型材表面没有明显的色差、凹凸不平、划伤、擦伤、碰伤等缺陷;玻璃表面无明显色差、划痕和擦伤;2 表面擦伤、划伤(1个玻璃分格内)深度不大于表面处理层厚度目测擦伤总面积mmZ ≤300 目测划伤总长度mm ≤100 目测擦伤和划伤处数≤3 目测3 门窗及框扇装配尺寸偏差门窗宽度、高度构造内侧尺寸<2000mm ±1.5 卷尺≥2000mm<3500mm ±2.0卷尺≥3500mm ±2.5卷尺门窗宽度、高度构造内侧尺寸对边尺寸之差<2000mm ≤2.0 卷尺≥2000mm<3500mm ≤3.0卷尺≥3500mm ≤4.0卷尺门窗框与扇搭接宽度门±2.0卷尺窗±1.0卷尺框、扇杆件接缝高低差相同截面型材≤0.3直尺不同截面型材≤0.5直尺框、扇杆件装配间隙≤0.3塞尺4 装配质量门窗框、扇杆件连接牢固,装配间隙进行了有效的密封目测紧固件就位平正,进行了密封处理目测门窗附件安装牢固,开启扇五金配件运转灵活,无卡滞手动检查紧固件就位平正,进行了密封处理目测结论□合格□不合格备注质检员/日期审核/日期保存期:3年版本/版次:A/0。
铝合金门窗成品检验报告1. 引言铝合金门窗作为一种常见的建筑材料,广泛应用于住宅、商业和工业建筑中。
它们具有轻质、耐腐蚀、耐久、易于加工和维护等优点。
为了确保铝合金门窗产品的质量,我们进行了一系列的成品检验。
本报告将详细介绍我们的检验方法、结果和结论。
2. 检验方法为了对铝合金门窗成品进行全面的检验,我们采用了以下方法:2.1 外观检验外观检验是我们首要进行的步骤。
主要包括以下几个方面: - 门窗表面是否有明显的划痕、凹陷或氧化现象; - 角部连接是否牢固,无明显的缝隙; - 玻璃是否完好,无裂纹或破损; - 门窗的边缘是否平整,无毛刺或锯痕。
2.2 结构检验结构检验主要关注门窗的强度和稳定性。
我们通过以下方式进行检验: - 对门窗的框架进行压力测试,以确保其强度能够承受正常使用条件下的压力; - 测量门窗的尺寸,包括高度、宽度和厚度,以确保其符合设计要求; - 检查门窗的开启和关闭机制,确保其灵活性和稳定性。
2.3 功能性检验功能性检验是确保门窗在正常使用条件下能够完好运行的关键。
我们采用以下方法进行检验: - 开启和关闭门窗多次,观察其是否顺畅无阻; - 测试门窗的密封性,检查是否有漏风或漏水现象; - 测试门窗的隔音性,使用噪音源测试其对噪音的阻隔效果。
3. 检验结果基于以上的检验方法,我们对铝合金门窗成品进行了全面的检验,并得出以下结果:•90%以上的门窗外观无明显瑕疵,其它10%存在轻微划痕,不影响使用;•所有门窗的角部连接均牢固,无明显缝隙;•所有门窗的玻璃完好,无裂纹或破损;•门窗的边缘平整,无毛刺或锯痕;•所有门窗的框架通过压力测试,满足强度要求;•门窗的尺寸符合设计要求;•所有门窗的开启和关闭机制灵活可靠;•门窗的密封性良好,无漏风或漏水现象;•门窗具有较好的隔音性能。
4. 结论根据以上的检验结果,我们可以得出以下结论:铝合金门窗产品在外观、结构和功能性方面经过全面的检验,大部分产品符合质量要求。
一、实验目的为确保门窗产品的质量符合国家标准,本实验对门窗产品进行了送检实验,以检测其抗风压性能、气密性、水密性、保温性能和隔声性能等指标。
二、实验方法1. 样品准备:根据国标GB/T 7106-2008《建筑门窗气密、水密、抗风压性能检测方法》的要求,从同一批次生产的门窗中随机抽取样品,样品数量为3樘。
2. 实验设备:实验设备包括气密性检测装置、水密性检测装置、抗风压检测装置、保温性能检测装置和隔声性能检测装置。
3. 实验步骤:(1)气密性检测:将门窗样品安装在气密性检测装置上,关闭门窗,调整检测压力,记录门窗在规定压力下的空气渗透量。
(2)水密性检测:将门窗样品安装在雨水模拟装置上,模拟风雨同时作用,记录门窗在规定压力下的雨水渗透量。
(3)抗风压性能检测:将门窗样品安装在抗风压检测装置上,逐渐增加风压,记录门窗在规定风压下的变形和损坏情况。
(4)保温性能检测:将门窗样品安装在保温性能检测装置上,记录门窗在规定温度差下的传热系数。
(5)隔声性能检测:将门窗样品安装在隔声性能检测装置上,记录门窗在规定频率下的隔声量。
三、实验结果1. 气密性检测:样品1:空气渗透量为0.2m³/h·m²样品2:空气渗透量为0.3m³/h·m²样品3:空气渗透量为0.25m³/h·m²2. 水密性检测:样品1:雨水渗透量为0.1L/h·m²样品2:雨水渗透量为0.15L/h·m²样品3:雨水渗透量为0.12L/h·m²3. 抗风压性能检测:样品1:抗风压等级为6.0kN/m²样品2:抗风压等级为6.5kN/m²样品3:抗风压等级为6.2kN/m²4. 保温性能检测:样品1:传热系数为2.5W/(m²·K)样品2:传热系数为2.8W/(m²·K)样品3:传热系数为2.7W/(m²·K)5. 隔声性能检测:样品1:隔声量为35dB样品2:隔声量为33dB样品3:隔声量为34dB四、结论根据实验结果,本次送检的门窗产品各项指标均符合国标GB/T 7106-2008的要求。
82405钢材门窗成品出厂检验报告
1.检验目的
本次检验旨在对钢材门窗成品进行出厂检验,确保其质量符合相关标准和要求。
2.检验对象
钢材门窗成品
3.检验项目及方法
3.1 外观检验
通过目视检查,对钢材门窗成品的外观进行检验,包括但不限于以下项目:
表面是否平整
涂层是否均匀、完整
角部连接是否牢固
玻璃是否完好
配件是否齐全
是否有明显的划痕、变形等损伤
3.2 尺寸检验
采用测量仪器,对钢材门窗成品进行尺寸检验,包括但不限于以下项目:
宽度、高度是否符合设计要求
边框厚度是否一致
玻璃厚度是否符合要求
钢材门窗的面板厚度是否符合要求
3.3 功能检验
通过操作钢材门窗成品,检验其功能是否正常,包括但不限于以下项目:
开关是否灵活
窗户是否能顺利打开、关闭
门锁是否能正常使用
玻璃是否易于开关
4.检验结果
根据上述检验项目,对钢材门窗成品进行了全面的检验,得出以下结果:
外观方面,钢材门窗成品表面平整,涂层均匀完整,角部连接牢固,玻璃完好,配件齐全,无明显的划痕、变形等损伤。
尺寸方面,钢材门窗成品的宽度、高度符合设计要求,边框厚度一致,玻璃厚度符合要求,钢材门窗的面板厚度也符合要求。
功能方面,钢材门窗成品开关灵活,窗户能顺利打开、关闭,门锁能正常使用,玻璃易于开关。
综上所述,钢材门窗成品经出厂检验合格,符合相关标准和要求。
5.检验结论
钢材门窗成品经本次出厂检验合格,可以正常投入市场销售和使用。
6.附录
检验员签名: ________
日期: ________。
门窗合格检验报告1. 简介本文将对门窗的合格性进行检验并报告检验结果。
门窗作为建筑物的重要组成部分,必须符合一定的质量标准,以确保其安全性、使用寿命和功能性。
2. 检验方法2.1 门窗外观检验门窗的外观检验主要包括表面平整度、表面光洁度、色泽和图案等方面。
检验时,通过肉眼观察门窗的外观特征,对照标准要求,评估门窗外观是否合格。
2.2 门窗尺寸检验门窗的尺寸检验涉及门窗的长、宽、厚等尺寸参数。
检验时,使用测量工具(如卷尺、角尺等)对门窗的各个尺寸进行测量,并与标准要求进行对比,判断门窗的尺寸是否符合规定。
2.3 门窗强度检验门窗的强度检验是通过施加一定的力量或载荷来测试门窗的抗力能力。
常见的强度检验方法包括静力加载试验、冲击试验等。
检验时,根据门窗的类型和用途,选择相应的检验方法进行测试,并记录测试结果。
2.4 门窗密封性检验门窗的密封性检验是为了评估门窗的密封性能,包括抗风压性能、抗水渗透性能等。
检验时,使用专用设备或工具对门窗的密封性能进行测试,并根据标准要求,判断门窗的密封性能是否达到规定水平。
3. 检验结果根据以上检验方法,我们对一批门窗进行了合格性检验,并得出以下结论:3.1 门窗外观检验结果经过外观检验,我们发现这批门窗的表面平整度良好,没有明显的凹凸不平或瑕疵。
表面光洁度达到了标准要求,没有明显的污渍或划痕。
色泽和图案也与标准相符,没有出现偏差。
3.2 门窗尺寸检验结果门窗的尺寸检验结果显示,这批门窗的长、宽、厚等尺寸参数均符合标准要求。
各个尺寸参数的偏差在允许范围之内,没有超出规定的公差。
3.3 门窗强度检验结果经过静力加载试验和冲击试验,我们发现这批门窗的强度良好。
在施加一定的力量或载荷时,门窗没有出现明显的变形、断裂或损坏。
门窗的抗力能力符合标准要求,能够满足正常使用的需求。
3.4 门窗密封性检验结果门窗的密封性检验结果显示,这批门窗的抗风压性能和抗水渗透性能良好。
在相应的测试条件下,门窗没有出现明显的气密性或水密性问题。
门窗三性试验检测报告模版
建筑外门窗气密、水密、抗风压性能
检测报告
报告编号:J-MCS2017-0003
样品名称:90系列推拉铝合金窗
委托单位:XXXXXXXXXXXXXXXXXXXX 工程名称:XXXXXXXXXXXXXXXXX 检测类别:工程检测送检
XXXXXXXXXXXX
单位地址:
投诉xx:
建筑外门窗气密、水密、抗风压性能检测报告
:建筑外门窗气密、水密、抗风压性能检测报告报告编号:J-MCS2017-0003
建筑外门窗气密、水密、抗风压性能报告编号:J-MCS2017-0001
附:送检窗试件立面图及测点分布
附:送检窗试件节点图
附:送检窗试件水密性能检测严重渗漏位置图
建筑外门窗气密、水密、抗风压性能检测报告
GB/T 7106-2008 建筑外门窗气密性能分级表
本次检验属工程检测,检验结论就是根据委托单位提供风压设计值按照规定得检验方法进行检验评定得。
因此,有关单位使用本报告时,尚应根据建筑与门窗得实际情况(建筑高度、建筑平立面形状、在建筑中所处得位置、地面粗糙度类别、地形条件、建筑与海面相对位置等),符合现行规范得有关规定。
门窗检验报告样品1. 引言本报告为门窗的检验报告样品,旨在对门窗进行质量评估和功能检测。
本报告包含对门窗的外观、安全性、维护和使用方面进行评估,并提供相应的检测结果和建议。
2. 外观检验2.1 门窗表面门窗表面的检验主要包括以下方面: - 表面光滑度:通过肉眼检查和触摸来判断表面的光滑度。
- 涂层质量:检查门窗表面的涂层是否均匀、无划痕或脱落。
-颜色一致性:检查门窗的颜色是否均一,无色差现象。
2.2 玻璃门窗的玻璃部分检验主要包括以下内容: - 玻璃的完整性:检查玻璃是否有裂纹、破损或其他缺陷。
- 玻璃的平直度:放置水平仪在玻璃表面,检查其是否平直。
- 玻璃的安装密封:检查玻璃和窗框的连接部分是否有漏气或渗水现象。
2.3 门窗框架门窗框架的检验主要包括以下方面: - 结构坚固性:检查门窗框架的连接部分是否结实可靠。
- 安装平整度:放置水平仪在门窗框架上,检查其是否平整。
- 框架的涂层质量:检查门窗框架的涂层是否均匀、无划痕或脱落。
3. 功能检测3.1 打开和关闭检验门窗的打开和关闭是否顺畅,是否存在卡顿、摩擦或其他不良现象。
3.2 开合角度测量门窗的开合角度,确保门窗的设计和标准要求相符。
3.3 密封性能通过烟雾或其他检测方法,检验门窗的密封性能,确保无漏风或渗水现象。
3.4 安全性能检验门窗的安全性能是否满足相关标准要求,如抗风压性能、防盗性能等。
4. 维护和使用建议根据门窗检验结果,提供相应的维护和使用建议,包括以下方面: - 日常清洁和保养方法。
- 维修和更换零部件的注意事项。
- 室内使用时的注意事项,如使用窗帘控制阳光直射等。
5. 结论根据对门窗的外观、安全性、维护和使用等方面的评估和检测,得出结论: - 门窗的外观良好,没有明显的瑕疵。
- 门窗的功能正常,无卡顿现象。
- 门窗的安全性能满足相关标准要求。
- 提供维护和使用建议,以确保门窗的长期使用和良好效果。
6. 建议建议在购买门窗时选择正规厂家的产品,严格按照安装说明进行安装,定期进行维护和检查,以确保门窗的质量和功能持续良好。