(新)丙二醇乙醚理化性质及危险特性
- 格式:doc
- 大小:40.50 KB
- 文档页数:1
第一部分化学品及企业标识化学品中文名:丙二醇乙醛化学品英文名:1-ethoxypropan-2-o1化学品别名:1-乙氧基-2-丙醇CASNo.:1569-02-4ECNo.:216-374-5分子式:C5H12O2分子量:104.15产品推荐及限制用途:工业及科研用途。
第二部分危险性概述紧急情况概述:液体。
易燃,其蒸气与空气混合,能形成爆炸性混合物。
气体可能会引起头晕或窒息。
GHS危险性类别:根据《危险化学品分类信息表》(2015版),该产品分类如下:易燃液体,类别3;特定目标器官毒性-单次接触:麻醉效应,类别3。
标签要素象形图:警示词:警告危险信息:易燃液体和蒸气,可能造成昏睡或眩晕。
预防措施:远离热源、热表面、火花、明火以及其它点火源。
禁止吸烟。
保持容器密闭。
容器和接收设备接地和等势联接。
使用不产生火花的工具。
采取措施,防止静电放电。
避免吸入粉尘/烟/气体/烟雾/蒸气/喷雾。
受沾染的工作服不得带出工作场地。
戴防护手套/穿防护服/戴防护眼罩/戴防护面具。
事故响应:求医/就诊。
如误吸入:将受人转移到空气新鲜处,保持呼吸舒适的体位。
如皮肤(或头发)沾染:立即去除/脱掉所有沾染的衣服。
用水清洗皮肤或淋浴。
安全储存:存放在通风良好的地方。
保持容器密闭。
存放在通风良好的地方。
保持低温。
废弃处置:按照地方/区域/国家/国际规章处置内装物/容器。
物理化学危险:易燃液体,其蒸气与空气混合,能形成爆炸性混合物。
健康危害:吸入蒸气可能引起瞌睡和头昏眼花,可能伴随嗜睡、警惕性下降、反射作用消失、失去协调性并感到眩晕。
吸入该物质可能会引起对健康有害的影响或呼吸道不适。
意外食入本品可能对个体健康有害。
通过割伤、擦伤或病变处进入血液,可能产生全身损伤的有害作用。
眼睛直接接触本品可导致暂时不适。
环境危害:请参阅SDS第十二部分。
第三部分成分/组成信息〈物质混合物第四部分急救措施一般性建议:急救措施通常是需要的,请将本SDS出示给到达现场的医生。
1,2-丙二醇安全技术说明书第一部分:化学品名称化学品中文名称:1,2-丙二醇化学品俗名:化学品英文名称:methylglycol 英文名称:技术说明书编码:1673 CAS No.:57-55-6生产企业名称:地址:生效日期:第二部分:成分/组成信息有害物成分含量CAS No.1,2-丙二醇57-55-6第三部分:危险性概述危险性类别:侵入途径:健康危害:对皮肤有原发性刺激作用;对眼无刺激和损害,未见生产性中毒报道。
环境危害:燃爆危险:本品可燃,具刺激性。
第四部分:急救措施皮肤接触:脱去污染的衣着,用大量流动清水冲洗。
眼睛接触:提起眼睑,用流动清水或生理盐水冲洗。
吸入:脱离现场至空气新鲜处。
就医。
食入:饮足量温水,催吐。
就医。
第五部分:消防措施危险特性:遇明火、高热可燃。
有害燃烧产物:一氧化碳、二氧化碳。
灭火方法:第六部分:泄漏应急处理应急处理:迅速撤离泄漏污染区人员至安全区,并进行隔离,严格限制出入。
切断火源。
建议应急处理人员戴自给正压式呼吸器,穿防毒服。
尽可能切断泄漏源。
防止流入下水道、排洪沟等限制性空间。
小量泄漏:用砂土、蛭石或其它惰性材料吸收。
也可以用大量水冲洗,洗水稀释后放入废水系统。
大量泄漏:构筑围堤或挖坑收容。
用泵转移至槽车或专用收集器内,回收或运至废物处理场所处置。
第七部分:操作处置与储存操作注意事项:密闭操作,全面通风。
操作人员必须经过专门培训,严格遵守操作规程。
建议操作人员佩戴自吸过滤式防毒面具(半面罩),戴化学安全防护眼镜,穿防毒物渗透工作服,戴橡胶手套。
远离火种、热源,工作场所严禁吸烟。
使用防爆型的通风系统和设备。
防止蒸气泄漏到工作场所空气中。
避免与氧化剂、还原剂接触。
搬运时要轻装轻卸,防止包装及容器损坏。
配备相应品种和数量的消防器材及泄漏应急处理设备。
倒空的容器可能残留有害物。
储存注意事项:储存于阴凉、通风的库房。
远离火种、热源。
应与氧化剂、还原剂等分开存放,切忌混储。
丙二醇乙醚简介丙二醇乙醚(Propylene Glycol Ether,简称PGME)是一种常用的有机溶剂,具有较低的毒性和挥发性。
它是由丙二醇和乙二醇通过酯化反应得到的一种化合物。
PGME 在许多不同的工业领域中被广泛应用,包括油漆、油墨、涂料、清洁剂等。
本文将详细介绍丙二醇乙醚的性质、制备方法和应用。
丙二醇乙醚结构丙二醇乙醚结构性质物理性质•分子式:C5H12O2•分子量:104.15 g/mol•外观:无色液体•密度:0.92 g/cm³•沸点:146-149 ℃•熔点:-85 ℃•闪点:38 ℃化学性质丙二醇乙醚是醚类化合物,具有以下主要的化学性质:•能与水和多数有机溶剂混溶;•稳定性较好,不易水解,耐酸碱;•在高温条件下可与氧气发生反应,生成过氧化物,所以需要远离明火和高温;•在氧化性条件下可以被氧化为醛类或酮类物质。
制备方法丙二醇乙醚可以通过以下方法制备:1.丙二醇和乙醇反应得到:CH3CH(OH)CH2OH + C2H5OH → CH3CH(OCH2CH2) OH + H2O2.丙二醇与气相乙烯氧化得到的产物经水解得到:CH3CH(OH)CH2OH + C2H4 + O2 → CH3CH(OCH2C H2)OH应用溶剂丙二醇乙醚在油漆、涂料和油墨等行业中作为主要溶剂使用。
由于其良好的溶解能力和挥发性,可以帮助颜料和涂料更好地分散和涂布在表面上。
清洁剂由于丙二醇乙醚具有较低的毒性和挥发性,被广泛用于清洁剂的制造中。
它可以有效去除不易清洁的油污和污渍,并在清洁过程中迅速挥发,不留下残留物。
医疗与护肤品丙二醇乙醚在医疗和护肤品中被用作溶剂和乳化剂。
它可以帮助药物或活性成分更好地被皮肤吸收,并提高产品的稳定性和质量。
其他应用丙二醇乙醚还被用于其他许多领域,如农业、染料、香水等。
它在农业领域中被用作农药的助溶剂,帮助农药更好地均匀喷洒在农作物上。
安全注意事项•丙二醇乙醚具有挥发性,应避免长时间暴露在空气中;•使用时应远离明火和高温,避免与氧气发生反应;•避免与强氧化剂接触,以免产生危险物质;•如不慎接触或吸入,请及时进行处理,并咨询医生。
丙二醇乙醚安全技术说明书(MSDS)1. Name of chemical product and name of company化学产品及公司名称Name of product: propylene glycol monoethyl ether (MSDS)产品名称:丙二醇乙醚Code of product: P2产品代号:P2Name of company: Yangzhou Hualun Chemical Industry Company, Ltd.公司名称:扬州**化工有限公司Add: Dinghuo Town, Jiangdu City, Jiangsu Province (225266)地址:江苏省江都市丁伙镇(225266)Tel:电话:2. Contents of product产品成分1 – ethoxyethanol –2 – propyl alcohol 2 – ethoxyethanol – 1 – propyl alcohol1 - 乙氧基–2 - 丙醇 2 –乙氧基– 1 –丙醇3. Hazard warning and identification mark危险警告,识别标记Summary of emergency condition紧急情况综述It is a colorless liquid with ethereal odor. It stimulates eyes, and is combustible. It is potentially harmful to health. (See Part 11 for the toxicity material)无色液体,有醚的气味,会刺激眼睛,易燃。
潜在的健康危害(毒性资料见第11部分)Eyes: It lightly stimulates the eyes and cornea. Its vapor may hurt the eyes.眼睛:可轻微刺激眼睛、角膜、蒸汽可能会伤害眼睛。
1,3-丙二醇安全周知卡危险性类别可燃刺激品名、英文名及分子式、CC码及CAS号1,3-丙二醇1,3-PropanediolC3H8O2CAS号:504-63-2危险性理化数据熔点(℃):-27 闪点:79 沸点(℃):210~211相对密度(水=1):1.05(25℃)饱和蒸气压(kPa):0.13(60℃)危险特性本品为无色、无臭、具刺激的咸味、粘稠、吸湿的液体。
遇高热、明火或与氧化剂接触,有引起燃烧的危险。
接触后表现健康危害:未见中毒报道。
现场急救措施皮肤接触:脱去污染的衣着,用大量流动清水彻底冲洗。
眼睛接触:立即翻开上下眼睑,用流动清水或生理盐水冲洗。
吸入:脱离现场至空气新鲜处。
就医。
食入:给饮足量温水,催吐,就医。
身体防护措施泄漏处理及防火防爆措施切断火源。
戴好防毒面具,穿一般消防防护服。
在确保安全情况下堵漏。
用大量水冲洗,经稀释的洗液放入废水系统。
如大量泄漏,利用围堤收容,然后收集、转移、回收或无害处理后废弃。
雾状水、泡沫、二氧化碳、干粉、砂土。
浓度MAC(mg/m3):未制订标准当地应急救援单位名称市消防队:119市人民医院:120当地应急救援单位电话消防队:119人民医院:120危险性标志1,3-丙二醇职业病危害告知卡作业场所存在1,3-丙二醇,对人体有损害,请注意防护1,3-丙二醇 1,3-Propanediol健康危害理化特性未见中毒报道。
无资料与水混溶,可混溶于乙醇、乙醚。
遇高热、明火或与氧化剂接触,有引起燃烧的危险。
应急处理皮肤接触:脱去污染的衣着,用大量流动清水彻底冲洗。
眼睛接触:立即翻开上下眼睑,用流动清水或生理盐水冲洗。
吸入:脱离现场至空气新鲜处。
就医。
食入:给饮足量温水,催吐,就医。
灭火方法:雾状水、泡沫、二氧化碳、干粉、砂土。
注意防护急救电话 :120 消防电话 :119。
1,2-丙二醇化学品安全技术说明书编码:MSDS#1085编制日期:_____________建规火险分级:丙有害燃烧产物:一氧化碳、二氧化碳。
灭火方法:雾状水、泡沫、二氧化碳、干粉、砂土。
第六部分:泄漏应急处理应急处理:切断火源。
戴好防毒面具,穿一般消防防护服。
用大量水冲洗,经稀释的洗液放入废水系统。
如大量泄漏,利用围堤收容,然后收集、转移、回收或无害处理后废弃。
第七部分:操作处置与储存操作注意事项:无资料储存注意事项:储存于阴凉、通风仓间内。
远离火种、热源。
防止阳光直射。
保持容器密封。
应与氧化剂、酸类、碱类分开存放。
搬运时要轻装轻卸,防止包装及容器损坏。
第八部分:接触控制/个体防护中国MAC(mg/m3):未制订标准前苏联MAC(mg/m3):7TLVTN:无资料TLVWN:无资料接触限值:美国TLV-TWA:未制订标准美国TLV-STEL:未制订标准监测方法:无资料工程控制:生产过程密闭,全面通风。
呼吸系统防护:高浓度接触时,应该佩戴防毒面具。
眼睛防护:戴化学安全防护眼镜。
身体防护:穿工作服。
手防护:必要时戴防化学品手套。
其他防护:无资料第九部分:理化特性pH:无资料熔点(℃):-59沸点(℃):187.2分子式:C3H8O2主要成分:无资料饱和蒸气压(kPa):0.02(25℃)辛醇/水分配系数的对数值:无资料临界温度(℃):无资料闪点(℃):99引燃温度(℃):无资料自燃温度:引燃温度(℃):371燃烧性:可燃溶解性:与水混溶,可混溶于乙醇、乙醚、多数有机溶剂。
相对密度(水=1): 1.04(25℃)相对蒸气密度(空气=1): 2.62分子量:76.1燃烧热(kJ/mol):无资料临界压力(MPa):无资料爆炸上限%(V/V):12.6爆炸下限%(V/V): 2.6外观与性状:无色、有苦味、略粘稠吸湿的液体。
主要用途:用于生产防冻剂、热交换剂树脂和二醇衍生物,还用作溶剂、增塑剂和湿润剂等。
表–乙醚的理化性质及危险特性
1. 乙醚的基本信息
乙醚分子式C4H10O,分子量74.12g/mol,显色透明液体,有甜味,常为阴离
子混合物。
2. 乙醚的理化性质
2.1 物理性质
•沸点:35-38℃
•熔点:-116.3℃
•相对密度:0.714
•溶解性:易溶于乙醇、甲醇、苯等有机溶剂,不溶于水
2.2 化学性质
•乙醚在空气中容易与氧气发生反应,会形成爆炸性混合气体。
•它可以被酸或氯化铵水溶液分解。
•乙醚有挥发性,暴露在空气中容易挥发成为有害的烟雾。
3. 乙醚的危害和安全措施
3.1 危险特性
•乙醚属于易燃液体,如果暴露在火源下或与氧气混合,容易产生火灾或爆炸。
•它还会对人体造成中毒,主要表现为头痛、眩晕、恶心、呼吸急促等。
•乙醚还是皮肤刺激剂,如果直接接触皮肤会引起皮肤红肿、瘙痒、灼烧等现象。
3.2 食品添加物
乙醚是一种可以在食品中使用的合法添加剂。
它被用于香精配方中以增加香味。
3.3 安全措施
•使用乙醚时必须戴防护口罩、手套等保护装备
•在通风良好的区域使用乙醚
•乙醚必须存放在密闭容器中
•避免与酸性物质接触
4.
乙醚是一种常用的有机溶剂,在实验室和医疗领域被广泛使用。
但是,由于其易燃、挥发和对人体的危害,我们必须以安全的方式来使用它。
在使用乙醚时,必须遵守相关安全规定和操作规程。
丙二醇M S D S -CAL-FENGHAI-(2020YEAR-YICAI)_JINGBIAN1,2-丙二醇安全技术说明书第一部分:化学品名称化学品中文名称:1,2-丙二醇化学品俗名:化学品英文名称:methylglycol 英文名称:技术说明书编码:1673 CAS No.:57-55-6生产企业名称:地址:?生效日期:第二部分:成分/组成信息有害物成分含量CAS No.1,2-丙二醇57-55-6第三部分:危险性概述危险性类别:侵入途径:健康危害:对皮肤有原发性刺激作用;对眼无刺激和损害,未见生产性中毒报道。
环境危害:燃爆危险:本品可燃,具刺激性。
第四部分:急救措施皮肤接触:脱去污染的衣着,用大量流动清水冲洗。
眼睛接触:提起眼睑,用流动清水或生理盐水冲洗。
吸入:脱离现场至空气新鲜处。
就医。
食入:饮足量温水,催吐。
就医。
第五部分:消防措施危险特性:遇明火、高热可燃。
有害燃烧产物:一氧化碳、二氧化碳。
灭火方法:第六部分:泄漏应急处理应急处理:迅速撤离泄漏污染区人员至安全区,并进行隔离,严格限制出入。
切断火源。
建议应急处理人员戴自给正压式呼吸器,穿防毒服。
尽可能切断泄漏源。
防止流入下水道、排洪沟等限制性空间。
小量泄漏:用砂土、蛭石或其它惰性材料吸收。
也可以用大量水冲洗,洗水稀释后放入废水系统。
大量泄漏:构筑围堤或挖坑收容。
用泵转移至槽车或专用收集器内,回收或运至废物处理场所处置。
第七部分:操作处置与储存操作注意事项:密闭操作,全面通风。
操作人员必须经过专门培训,严格遵守操作规程。
建议操作人员佩戴自吸过滤式防毒面具(半面罩),戴化学安全防护眼镜,穿防毒物渗透工作服,戴橡胶手套。
远离火种、热源,工作场所严禁吸烟。
使用防爆型的通风系统和设备。
防止蒸气泄漏到工作场所空气中。
避免与氧化剂、还原剂接触。
搬运时要轻装轻卸,防止包装及容器损坏。
配备相应品种和数量的消防器材及泄漏应急处理设备。
倒空的容器可能残留有害物。
第1部分化学品及企业标识化学品中文名:丙二醇乙醚化学品英文名:1-ethoxypropan-2-olCAS:1569-02-4分子式:C5H12O2分子量:104.15产品推荐及限制用途:工业及科研用途。
第2部分危险性概述紧急情况概述:易燃液体和蒸气。
可引起昏睡或眩晕。
GHS危险性类别:易燃液体类别3特异性靶器官毒性一次接触类别3标签要素:象形图:警示词:警告危险性说明:H226易燃液体和蒸气H336可引起昏睡或眩晕防范说明:•预防措施:——P210远离热源/火花/明火/热表面。
禁止吸烟。
——P233保持容器密闭。
——P240容器和装载设备接地/等势联接。
——P241使用防爆的电气/通风/照明/设备。
——P242只能使用不产生火花的工具。
——P243采取防止静电放电的措施。
——P280戴防护手套/穿防护服/戴防护眼罩/戴防护面具。
——P261避免吸入粉尘/烟/气体/烟雾/蒸气/喷雾。
——P271只能在室外或通风良好处使用。
•事故响应:——P303+P361+P353如皮肤(或头发)沾染:立即脱掉所有沾染的衣服。
用水清洗皮肤/淋浴。
——P370+P378火灾时:使用灭火器灭火。
——P304+P340如误吸入:将人转移到空气新鲜处,保持呼吸舒适体位。
——P312如感觉不适,呼叫解毒中心/医生•安全储存:——P403+P235存放在通风良好的地方。
保持低温。
——P403+P233存放在通风良好的地方。
保持容器密闭。
——P405存放处须加锁。
•废弃处置:——P501按当地法规处置内装物/容器。
物理和化学危险:易燃液体和蒸气。
健康危害:可引起昏睡或眩晕。
环境危害:无资料第3部分成分/组成信息第4部分急救措施急救:吸入:迅速脱离现场至空气新鲜处。
保持呼吸道通畅。
如呼吸困难,给输氧。
呼吸、心跳停止,立即进行心肺复苏术。
就医皮肤接触:脱去污染的衣着,用流动清水冲洗。
如有不适感,就医眼晴接触:分开眼睑,用流动清水或生理盐水冲洗。
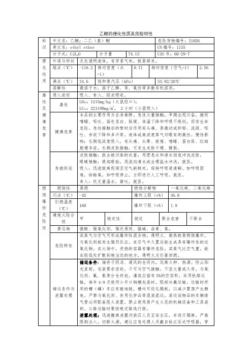
乙醚的理化性质及危险特性(表-)理化性质
- 中文名:乙醚
- 英文名:Ethyl ether
- 分子式:C4H10O
- 分子量:74.12
- 外观:乙醚是无色液体,有特殊刺激性气味。
- 熔点:-116.3°C
- 沸点:34.6°C
- 密度:0.713 g/cm³
- 溶解性:乙醚可溶于乙醇、氯仿和醚类溶剂,微溶于水。
- 燃点:-45°C
- 气味阈限:1.9 ppm
危险特性
- 灭火性能:乙醚易燃,可与空气形成可燃气体混合物,引起火灾或爆炸。
可用干粉灭火剂、二氧化碳、泡沫等进行灭火。
- 皮肤接触:乙醚具有刺激和腐蚀作用,对皮肤有害。
接触乙
醚后,应立即用大量水冲洗,若发生化学灼伤,则需就医治疗。
- 眼睛接触:乙醚可导致眼睛刺激和损伤。
如不慎接触乙醚,
应立即用大量水冲洗眼睛,若有持续不适,应就医治疗。
- 吸入风险:乙醚具有麻醉作用和中枢神经系统抑制作用,吸
入大量乙醚可能导致危险的中毒症状,如头晕、恶心、呕吐、昏迷等。
在使用乙醚时应保持通风良好,并佩戴适当防护设备。
- 环境风险:乙醚属于挥发性有机溶剂,对水生生物有毒,不
可随意排放到水体中。
在处理乙醚废液时,应采取适当的措施,避
免对环境造成损害。
以上为乙醚的理化性质及危险特性信息。
注:以上信息仅供参考,具体情况请参考相关可靠资料和资源。
丙二醇理化特性及危险特性标识中文名:丙二醇危险化学品目录序号:英文名:Propanediol UN编号:分子式:C3H8O2 分子量:76.1 CAS号:57-55-6理化性质外观与性状无色、有苦味、略粘稠吸湿的液体。
熔点(℃)-59相对密度(水=1)1.04相对密度(空气=1)2.62 沸点(℃)187.2 饱和蒸汽压(KPa)0.02(25℃)溶解性与水混溶,可混溶于乙醇、乙醚、多数有机溶剂。
毒性及健康危害职业接触限值最高容许浓度(mg/m3)-时间加权平均容许浓度(mg/m3)-短时间接触容许浓度(PC-STEL)(mg/m3)-侵入途径吸入、食入、经皮吸收。
毒性LD50:21000~32200mg/kg(大鼠经口);22000mg/kg(小鼠经口)LC50:健康危害皮肤接触,因失水可引起局部原发性刺激。
对眼有损害。
未见中毒病例报道。
燃烧爆炸危险性燃烧性易燃燃烧分解物一氧化碳、二氧化碳。
闪点(℃) 99 燃烧热(kJ/mol) 12.6引燃温度(℃) 371 爆炸极限%(v/v)危险特性遇明火、高热或与氧化剂接触,有引起燃烧爆炸的危险。
若遇高热,容器内压增大,有开裂和爆炸的危险。
建规火险分级稳定性稳定聚合危害不聚合禁忌物酰基氯、酸酐、氧化剂、还原剂。
灭火方法雾状水、泡沫、二氧化碳、干粉、砂土。
防护措施呼吸系统防护一般不需要特殊防护,高浓度接触时可佩带自给式呼吸器。
眼睛防护可采用安全面罩。
身体防护穿工作服。
手防护必要时戴防化学品手套。
其他防护工作现场严禁吸烟。
注意个人清洁卫生。
避免长期反复接触。
包装方法小开口钢桶;安瓿瓶外普通木箱;螺纹口玻璃瓶、铁盖压口玻璃瓶、塑料瓶或金属桶(罐)外普通木箱。
储存注意事项储存于阴凉、通风仓间内。
远离火种、热源。
防止阳光直射。
保持容器密封。
应与氧化剂、酸类、碱类分开存放。
搬运时要轻装轻卸,防止包装及容器损坏。
泄露处理切断火源。
戴好防毒面具,穿一般消防防护服。
用大量水冲洗,经稀释的洗液放入废水系统。
丙二醇化学品安全技术说明书
第一部分:化学品名称
中文名:1,2-丙二醇
英文名:1,2-Propanediol;Methylglyeol
分子式:C3H8O2
分子量:76.1
第二部分:成分/组成信息
CAS号:57-55-6
RTECS号: TY2000000
UN编号:
第三部分:危险性概述
危险货物编号:
IMDG规则页码:
第四部分:理化特性
外观与性状:无色、有苦味、略粘稠吸湿的液体。
主要用途:用于生产防冻剂、热交换剂树脂和二醇衍生物,还用作溶剂、增塑剂和湿润剂等。
熔点: -59
沸点: 187.2
相对密度(水=1):1.04(25℃)
相对密度(空气=1): 2.62
饱和蒸汽压(kPa):0.02(25℃)
溶解性:与水混溶,可混溶于乙醇、乙醚、多数有机溶剂。
临界温度(℃):
临界压力(MPa):
燃烧热(kj/mol):
避免接触的条件:
燃烧性:可燃
建规火险分级:丙。
丙二醇乙醚理化性质及危险特性
标识中文名:丙二醇乙醚;1-乙氧基-2-丙醇危险化学品目录序号:114 英文名:propylene glycol monoethyl ether UN编号:/
分子式:C5H12O2分子量:104.09 CAS号:1569-02-4
理化性质外观与性状无色液体。
熔点(℃)-90 相对密度(水=1) 0.90 相对密度(空气=1) / 沸点(℃)132.2 饱和蒸气压(kPa)0.960/25℃溶解性与水混溶。
毒性及健康危害侵入途径吸入、食入、经皮吸收。
毒性
LD50:7000~7110 mg/kg(大鼠经口) [50%水溶液];8100 mg/kg(兔经皮)
LC50:
健康危害
动物中毒表现以中枢神经系统抑制为主,可致眼、呼吸道刺激和肾损害。
用本品溶液滴兔眼,可引起结膜刺激和暂时性角膜混浊。
急救方法
皮肤接触:脱去污染的衣着,用流动清水冲洗。
眼睛接触:立即提起眼睑,
用流动清水冲洗。
吸入:迅速脱离现场至空气新鲜处。
必要时进行人工呼
吸。
就医。
食入:误服者给饮大量温水,催吐,就医。
燃烧爆炸危险性
燃烧性易燃燃烧分解物一氧化碳、二氧化碳。
闪点(℃) 43 爆炸上限(v%)/
引燃温度(℃) / 爆炸下限(v%)/
危险特性
其蒸气与空气可形成爆炸性混合物,遇明火、高热能引起燃烧爆炸。
与氧
化剂可发生反应。
若遇高热,容器内压增大,有开裂和爆炸的危险。
储运条件
与泄漏处理
储运条件:储存于阴凉、通风的库房。
远离火种、热源。
库温不宜超过
30℃。
包装要求密封,不可与空气接触。
应与氧化剂、酸类分开存放,切
忌混储。
运输时要按规定路线行驶,勿在居民区和人口稠密区停留。
泄
漏处理:迅速撤离泄漏污染区人员至安全区,并进行隔离,严格限制出
入。
切断火源。
建议应急处理人员戴自给正压式呼吸器,穿防静电工作服。
尽可能切断泄漏源。
防止流入下水道、排洪沟等限制性空间。
小量泄漏:
用大量水冲洗,洗水稀释后放入废水系统。
大量泄漏:构筑围堤或挖坑收
容。
用泵转移至槽车或专用收集器内,回收或运至废物处理场所处置。
灭火方法
尽可能将容器从火场移至空旷处。
喷水保持火场容器冷却,直至灭火结束。
处在火场中的容器若已变色或从安全泄压装置中产生声音,必须马上撤
离。
用水喷射逸出液体,使其稀释成不燃性混合物,并用雾状水保护消防
人员。
灭火剂:水、雾状水、抗溶性泡沫、干粉、二氧化碳、砂土。