丙烯酸-理化性质及危险特性表
- 格式:doc
- 大小:43.54 KB
- 文档页数:2
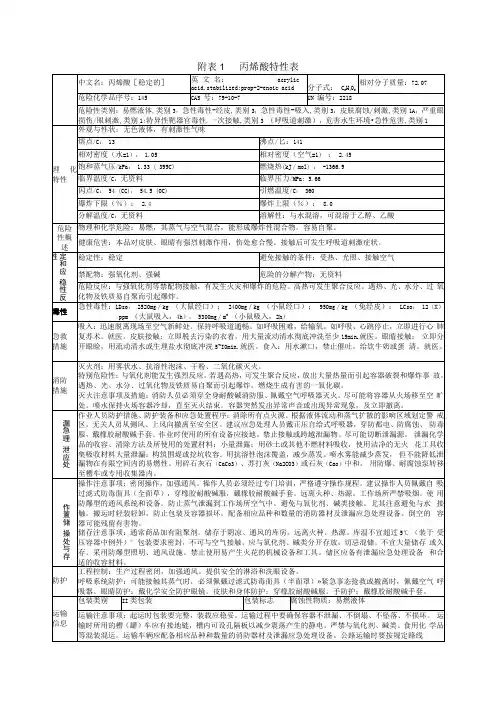
膂丙烯酸的理化性质及危险特性(表-)膀标识蒅中文名:丙烯酸[抑制了的] 蒁危险货物编号:81617 莈英文名:acrylic acid propenoic acid 袅UN编号:2218肁分子式:C3H4O2蒆分子量:72.06 芄CAS号:79-10-7理化性质外观与性状无色液体,有刺激性气味。
熔点(℃)14 相对密度(水=1) 1.05 相对密度(空气=1) 2.45 沸点(℃)141 饱和蒸气压(kPa) 1.33(39.9℃) 溶解性与水混溶,可混溶于乙醇、乙醚。
毒性及健康危害侵入途径吸入、食入、经皮吸收。
毒性LD50:2520mg/kg(大鼠经口);950mg/m3 (兔经皮)LC50:53000mg/m3,2小时(小鼠吸入)健康危害本品对皮肤、眼睛和呼吸道有强烈刺激作用。
急救方法皮肤接触:脱去污染的衣着,用肥皂水或流动清水彻底冲洗15分钟。
眼睛接触:立即提起眼睑,用流动清水或生理盐水冲洗至少15分钟;就医。
吸入:脱离现场至空气新鲜处,保持呼吸道通畅;必要时进行人工呼吸;就医。
食入:饮足量温水,催吐,就医。
燃烧爆炸危险性燃烧性易燃燃烧分解物一氧化碳、二氧化碳闪点(℃) 50 爆炸上限(v%)8.0引燃温度(℃) 438 爆炸下限(v%) 2.4危险特性易燃,其蒸气与空气可形成爆炸性混合物.遇明火、高热能引起燃烧爆炸。
与氧化剂能发生强烈反应,在受热、光和紫外线的作用下易发生聚合,放出大量热量而引起容器破裂和爆炸事故,遇热、光、水分、过氧化物及铁质易自聚而引起爆炸。
建规火险分级乙稳定性稳定聚合危害聚合禁忌物强氧化剂、强碱。
危险化学品丙烯酸危险特性及有害因素识别表标识中文名:丙烯酸英文名:acrylic acid;propenoicacid分子式:C3H4O2分子量:72.06CAS号:79-10-7化学类别:丙烯酰基化合物危险性类别:第8.1类酸性腐蚀品危规号:81617 UN编号:2218理化性质性状与用途:无色液体,有刺激性气味。
用于树脂制造。
熔点(℃):14沸点(℃):141相对密度(水=1):1.05相对密度(空气=1):2.45饱和蒸气压(kpa):1.33(39.9℃)辛醇/水分配系数的对数值:0.36(计算值)燃烧热(kJ/mol):1366.9 临界温度(℃)临界压力(Mpa):溶解性:于水混溶,可溶于乙醇、乙醚。
最小点火能(mJ):无资料燃爆特性与燃烧性:易燃闪点:50爆炸极限:下限(%)2.4;上限(%) 8.0引燃温度:438 最大爆炸压力:无资料稳定性:稳定聚合危害:聚合避免接触条件:光照、受热禁忌物:强氧化剂、强碱燃烧分解产物:一氧化碳、二氧化碳消防危险特性: 易燃,其蒸气与空气可形成爆炸性混合物;遇明火、高热能引起燃烧爆炸;与氧化剂接触会猛烈反应。
若遇高热,可发生聚合反应,放出大量热量而引起容器破裂和爆炸事故。
遇热、光、水分、过氧化物及铁质易自聚而引起爆炸。
灭火方法:灭火剂:抗溶性泡沫、干粉、二氧化碳。
消防人员须戴好防毒面具,在安全距离以外,在上风向灭火。
用雾状水保持火场容器冷却,用水喷射逸出液体,使其稀释成不燃性混合物,并用雾状水保护消防人员毒性急性毒性:LD50:2520mg/Kg(大鼠经口);950 mg/Kg(兔经皮;) LC50: 5300 mg/m3,2小时(小鼠吸入)健康危害侵入途径:吸入、食入、经皮吸收健康危害:对皮肤、眼和呼吸道有强烈刺激性作用。
急救皮肤接触:脱去污染的衣着,用大量流动清水彻底冲洗,至少15分钟,就医。
眼睛接触:提起眼睑,用流动清水或生理盐水冲洗至少15分钟,就医。
一、简介:丙烯酸,又称压克力酸,是化学式为C3H4O2的有机化合物,是最简单的不饱和羧酸。
二、性质:1、物理性质:丙烯酸为无色液体。
有刺激气味。
密度1.051。
熔点12℃。
沸点139℃。
2、化学性质:酸性较强,有腐蚀性。
溶于水、已醇和已醚。
化学性质活泼。
易聚合而成透明白色粉未。
还原是生成丙酸。
三、健康危害:1、危害:本品对皮肤、眼睛和呼吸道有强烈刺激作用。
对呼吸道有刺激性,高浓度吸入引起肺水肿。
有麻醉作用。
眼直接接触可至灼伤。
对皮肤有明显的刺激和致敏作用。
口服强烈刺激口腔及消化道,可出现头晕、呼吸困难,神经过敏。
2、接触处理:皮肤接触:脱去污染的衣着,立即用流动清水彻底冲洗。
眼睛接触:立即提起眼睑,用流动清水或生理盐水冲洗至少15分钟。
就医。
吸入:脱离现场至空气新鲜处。
呼吸困难时给输氧。
呼吸停止时,立即进行人工呼吸。
就医食入:误服者给饮大量温水,催吐,就医。
四、丙烯酸 - 危险特性燃爆危害易燃,其蒸气与空气可形成爆炸性混合物,遇明火、高热能引起燃烧爆炸。
与氧化剂能发生强烈反应。
若遇高热,可发生聚合反应,放出大量热量而引起容器破裂和爆炸事故。
遇热、光、水分、过氧化物及铁质易自聚而引起爆炸。
储运注意通常商品加有阻聚剂。
储存于阴凉、通风仓间内。
远离火种、热源。
仓温不宜超过30℃。
防止阳光直射。
包装要求密封,不可与空气接触。
不宜大量或久存,应与氧化剂分开存放。
储存间内的照明、通风等设施应采用防爆型,开关设在仓外。
配备相应品种和数量的消防器材。
禁止使用易产生火花的机械设备和工具。
定期检查是否有泄漏现象。
灌装时应注意流速(不超过3m/s),且有接地装置,防止静电积聚。
搬运时要轻装轻卸,防止包装及容器损坏。
疏散泄漏污染区人员至安全区,禁止无关人员进入污染区,切断火源。
建议应急处理人员戴自给式呼吸器,穿一般消防防护服。
在确保安全情况下堵漏。
喷水雾会减少蒸发,但不能降低泄漏物在受限制空间内的易燃性。
用活性炭或其它惰性材料吸收,收集运至废物处理场所处置。
危险性警示词品名、英文名称及分子式、CC码及CAS码危险性标志易燃刺激丙烯酸Acrylic acidC3H4O2CAS号:79-10-7危险性理化数据危险特性熔点(℃):14沸点(℃):141爆炸极限(LEL):2.4%- 8%闪点(℃):54易燃,其蒸气与空气可形成爆炸性混合物,遇明火、高热能引起燃烧爆炸。
与氧化剂能发生强烈反应。
若遇高热,可发生聚合反应,放出大量热量而引起容器破裂和爆炸事故。
遇热、光、水分、过氧化物及铁质易自聚而引起爆炸。
有刺激性,腐蚀性。
对水生生物有极高毒性。
接触后表现现场急救措施对皮肤、眼睛和呼吸道有强烈刺激作用。
易燃,具腐蚀性、强刺激性,可致人体灼伤。
吸入、皮肤接触及吞食有害。
皮肤接触:立即脱去污染的衣着,用大量流动清水冲洗至少15分钟。
就医。
眼睛接触:提起眼睑,用大量流动清水或生理盐水至少冲洗15分钟。
就医。
吸入:迅速脱离现场至空气新鲜处。
保持呼吸道通畅。
如呼吸困难,给输氧。
如呼吸停止,立即进行人工呼吸。
就医。
食入:用水漱口,给饮牛奶或蛋清。
就医。
储存措施储存于阴凉、通风的库房。
远离火种、热源。
库温不宜超过5℃。
库内湿度最好不大于85%。
包装要求密封,不可与空气接触,避免接触氧化剂、碱类、碱性金属,尤其要注意避免与水接触个体防护措施泄漏处理及防火防爆措施应急处理:迅速撤离泄漏污染区人员至安全区,并进行隔离,严格限制出入。
切断火源。
建议应急处理人员戴自给正压式呼吸器,穿防酸碱工作服。
不要直接接触泄漏物。
尽可能切断泄漏源。
防止流入下水道、排洪沟等限制性空间。
小量泄漏:用砂土或其它不燃材料吸附或吸收。
大量泄漏:构筑围堤或挖坑收容。
用防爆泵转移至槽车或专用收集器内,回收或运至废物处理场所处置。
灭火方法:消防人员须戴好防毒面具,在安全距离以外,在上风向灭火。
用水喷射逸出液体,使其稀释成不燃性混合物,并用雾状水保护消防人员。
灭火剂:雾状水、抗溶性泡沫、干粉、二氧化碳。
应急值班电话当地应急救援单位名称当地应急救援单位电话2045595 市消防中心市人民医院119120。