氢氟酸的理化性质及危险特性(表-)
- 格式:doc
- 大小:15.66 KB
- 文档页数:2
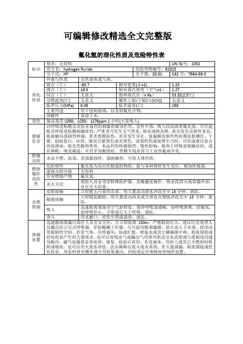
一、 理化特性:二、 危险性概述: 1、 危险性类别:强腐蚀性、强刺激性,可致人体灼伤。
2、 G HS-分类:急性毒性, 经口 (类别2);急性毒性, 吸入 (类别2);急性毒性, 经皮 (类别1);皮肤腐蚀/刺激 (类别1A);严重眼睛损伤/眼睛刺激性 (类别1)。
3、 图标或危害标志信号词 危险4、 危险信息:吞咽、皮肤接触或吸入致命;造成严重皮肤灼伤和眼损伤。
5、 预防措施:不要吸入粉尘/ 烟/ 气体/ 烟雾/ 蒸气/ 喷雾;严防进入眼中、接触皮肤或衣服;作业后彻底清洗皮肤;使用本产品时不要进食、饮水或吸烟;只能在室外或通风良好之处使用;戴防护手套/穿防护服/戴防护眼罩/戴防护面具;在通风不足的情况下]戴呼吸防护装置。
三、急救措施1、皮肤接触:立即脱掉被污染的衣服和鞋。
用肥皂和大量的水冲洗。
立即将患者送往医院。
请教医生。
2、眼睛接触:用大量水彻底冲洗至少15分钟并请教医生。
3、吸入:如果吸入,请将患者移到新鲜空气处。
如呼吸停止,进行人工呼吸。
请教医生。
4、食入:禁止催吐。
切勿给失去知觉者喂食任何东西。
用水漱口。
请教医生。
四、消防措施1、危险特性:本品不燃,但能与大多数金属反应,生成氢气而引起爆炸。
遇H发泡剂立即燃烧。
腐蚀性极强。
2、灭火方法与灭火剂:用水雾,耐醇泡沫,干粉或二氧化碳灭火。
灭火时戴氧气防毒面具和全身防护服。
防止酸液溅及皮肤。
3、灭火注意事项及措施:灭火时,应佩戴呼吸面具((符合MSHA/NIOSH要求的或相当的))并穿上全身防护服。
在安全距离处、有充足防护的情况下灭火。
防止消防水污染地表和地下水系统。
五、泄漏应急措施1、作业人员防护措施:戴呼吸罩。
避免吸入蒸气、气雾或气体。
保证充分的通风。
将人员疏散到安全区域。
2、泄漏化学品的收容、清除方法及处置材料:用惰性吸附材料吸收并当作危险废物处理。
放入合适的封闭的容器中待处理。
工作人员必须穿戴用聚氯乙烯或氯丁橡胶制的防护用品(包括长袖工作服、防毒面具、面罩或化学安全防护镜、安全帽、手套和脚套)。
氢氟酸理化特性及危险特性表物质名称氢氟酸危化品编号81016 UN编号1790物化特性沸点(℃)120(35.3%)比重(水=1) 1.26(75%)引燃温度(℃)无意义熔点(℃)-83.1(纯)蒸气密度(空气=1) 1.27 溶解性与水混溶外观与气味无色透明有刺激性臭味的液体。
商品为40%的水溶液。
火灾爆炸危险数据闪点(℃)无意义爆炸极限无意义灭火剂灭火剂:雾状水、泡沫。
灭火方法本品不燃,但能与大多数金属反应,生成氢气而引起爆炸。
遇H发泡剂立即危险特性燃烧。
腐蚀性极强。
反应活性数据稳定性不稳定避免条件稳定√聚合危险性可能存在避免条件不存在√燃烧(分解)产物氟化氢。
禁忌物强碱、活性金属粉末、玻璃制品。
健康危害数据侵入途径吸入√皮肤口√急性毒性LD50无资料LC501044 mg/m3(大鼠吸入)健康危害对皮肤有强烈的腐蚀作用。
灼伤初期皮肤潮红、干燥。
创面苍白,坏死,继而呈紫黑色或灰黑色。
深部灼伤或处理不当时,可形成难以愈合的深溃疡,损及骨膜和骨质。
本品灼伤疼痛剧烈。
眼接触高浓度本品可引起角膜穿孔。
接触其蒸气,可发生支气管炎、肺炎等。
慢性影响:眼和上呼吸道刺激症状,或有鼻衄,嗅觉减退。
可有牙齿酸蚀症。
骨骼X线异常与工业性氟病少见。
急救措施皮肤接触:立即脱去污染的衣着,用大量流动清水冲洗至少15分钟。
就医。
眼睛接触:立即提起眼睑,用大量流动清水或生理盐水彻底冲洗至少15分钟。
就医。
吸入:迅速脱离现场至空气新鲜处。
保持呼吸道通畅。
如呼吸困难,给输氧。
如呼吸停止,立即进行人工呼吸。
就医。
食入:用水漱口,给饮牛奶或蛋清。
就医。
泄漏紧急处理迅速撤离泄漏污染区人员至安全区,并进行隔离,严格限制出入。
建议应急处理人员戴自给正压式呼吸器,穿防酸碱工作服。
不要直接接触泄漏物。
尽可能切断泄漏源。
小量泄漏:用砂土、干燥石灰或苏打灰混合。
也可以用大量水冲洗,洗水稀释后放入废水系统。
大量泄漏:构筑围堤或挖坑收容。
用泵转移至槽车或专用收集器内,回收或运至废物处理场所处置。
氢氟酸的理化性质及危险特性
1. 理化性质
* 氢氟酸,化学式HF,是一种无色液体。
* 它具有强烈刺激性气味和腐蚀性。
* 氢氟酸在常温下呈液体状态,沸点为19.5℃,密度为1.15 g/cm³。
* 它可以溶解很多无机物和有机物。
2. 危险特性
* 氢氟酸是一种具有高度腐蚀性和毒性的化学品。
* 它可以迅速腐蚀皮肤、眼睛和呼吸道黏膜,导致灼伤和严重的皮肤病变。
* 氢氟酸蒸气对眼睛和呼吸系统有强烈的刺激作用,可能导致气道炎症、肺水肿等。
* 在高温下,氢氟酸会分解产生剧毒的氟化氢气体,存在严重的爆炸和燃烧危险。
3. 安全注意事项
* 使用氢氟酸时应佩戴防护手套、护目镜和防护服。
* 避免接触皮肤、眼睛和吸入氢氟酸蒸气。
* 在操作和储存氢氟酸时,应采取良好的通风措施,避免混入其他化学品。
* 不要将氢氟酸与碱性物质、氧化剂等混合,以免产生危险反应。
* 在使用后,应妥善处理废弃物,并遵守有关环境保护的法律法规。
以上是关于氢氟酸的理化性质及危险特性的简要介绍,希望对你有所帮助。