涵洞技术交底(3)
- 格式:doc
- 大小:76.50 KB
- 文档页数:8
一、一级交底一、交底目的确保所有参与涵洞施工的人员充分了解施工过程中可能存在的安全隐患,掌握必要的安全防护措施,从而有效预防事故发生,保障施工人员的人身安全和工程进度。
二、交底内容1. 施工概况:- 工程名称:[工程名称]- 施工地点:[施工地点]- 施工单位:[施工单位]- 施工负责人:[施工负责人]2. 施工环境:- 地形地貌:[地形地貌]- 气候条件:[气候条件]- 水文地质:[水文地质]3. 安全风险分析:- 高处坠落:施工人员在高处作业时,必须佩戴安全带,并设置安全防护网。
- 物体打击:施工材料、工具等应堆放整齐,防止坠落伤人。
- 触电:施工现场必须严格执行用电安全规程,禁止私拉乱接电线。
- 机械伤害:操作机械设备前必须检查设备状况,确保设备正常运行。
- 火灾:施工现场严禁烟火,禁止使用明火作业。
4. 安全防护措施:- 设置安全警示标志,提醒施工人员注意安全。
- 采取防护措施,如设置安全网、防护栏等。
- 定期进行安全检查,及时发现并消除安全隐患。
- 加强安全教育,提高施工人员的安全意识。
三、注意事项1. 所有施工人员必须遵守本交底内容,不得违反安全操作规程。
2. 施工过程中,如发现安全隐患,应立即停止作业,并报告上级领导。
3. 定期对施工人员进行安全教育培训,提高安全意识和操作技能。
二、二级交底一、交底目的对施工班组进行详细的安全技术交底,使班组人员充分了解施工过程中的具体安全风险和防护措施。
二、交底内容1. 施工班组概况:- 班组名称:[班组名称]- 班组长:[班组长]- 班组人员:[班组人员]2. 施工部位及内容:- 施工部位:[施工部位]- 施工内容:[施工内容]3. 安全风险分析:- 根据施工部位及内容,分析可能存在的安全风险。
4. 安全防护措施:- 针对具体施工部位及内容,制定相应的安全防护措施。
5. 操作规程:- 详细说明施工过程中的操作步骤和安全注意事项。
三、注意事项1. 班组人员必须熟悉本交底内容,并严格遵守操作规程。
一、工程概况1. 项目名称:____________________2. 施工单位:____________________3. 施工地点:____________________4. 施工内容:____________________5. 施工工期:____________________二、安全技术交底内容1. 人员要求(1)施工人员必须经过专业培训,取得相关资格证书。
(2)特种作业人员(电工、电焊工、起重机械操作工等)必须持证上岗。
(3)施工现场管理人员应具备安全生产知识和管理能力。
2. 施工现场安全措施(1)施工现场必须设置明显的安全警示标志,包括安全通道、警示区域、危险区域等。
(2)施工现场应设置必要的安全防护设施,如防护栏、防护网、安全带等。
(3)施工现场应配备必要的安全防护用品,如安全帽、安全鞋、防护眼镜、手套等。
3. 施工过程安全措施(1)基坑开挖1)挖机和人不允许同时在基坑内作业,必须同时作业时,人机之间必须保持10米以上的安全距离。
2)基坑开挖时,应预留一个方便基底作业人员上下的安全通道。
3)基底弃土、弃废桩头禁止随意放置,必须离边坡1米以上距离。
4)严格按照施工设计的比例进行放坡。
5)实行便挖基坑边修护栏的原则,在基坑开挖的开始阶段,必须将安全警示标志悬挂在基坑四周。
6)作业人员必须维护好现场的安全设施。
(2)涵洞施工1)施工前,应对施工图纸进行仔细审查,确保施工方案符合设计要求。
2)施工过程中,应严格按照施工工艺和操作规程进行施工。
3)施工过程中,应确保施工机械和设备的安全运行。
4)施工过程中,应加强对施工人员的安全教育,提高安全意识。
5)施工过程中,应加强对施工现场的安全检查,及时发现并消除安全隐患。
(3)施工结束后的安全措施1)施工结束后,应对施工现场进行清理,确保无残留危险物品。
2)对施工过程中使用的机械设备进行维护保养,确保其安全运行。
3)对施工过程中产生的废弃物进行妥善处理,避免环境污染。
涵洞施工安全技术交底摘要:涵洞施工是公路、铁路等基础设施建设中常见的工程形式之一,其施工涉及到许多安全风险。
为了保障施工人员的生命财产安全,确保施工过程的顺利进行,必须进行涵洞施工安全技术交底。
本文将对涵洞施工的安全技术交底进行详细的介绍,以提高施工人员对安全风险的认知和应对能力,提高施工质量,确保工程的安全和顺利完成。
一、涵洞施工的概述涵洞施工是指在公路、铁路等交通建设中,为了排水或者通行的需要,在地面、山体、湖泊等场地中开挖一定长度和宽度的通道,供交通工具通过。
由于涵洞位于地下或近水体之中,施工环境相对较为复杂,施工过程中面临着许多安全风险和隐患。
二、涵洞施工的安全风险1. 地质灾害风险:涵洞施工往往需要进行地下开挖,地下水位较高或者地质条件较差的地区容易引发地质灾害,如塌方、滑坡等。
2. 水工结构施工风险:涵洞施工涉及到水工结构的建设,如桩基施工、混凝土浇筑等。
如果施工不当,可能会导致结构不牢固,进而引发安全事故。
3. 交通流量风险:涵洞常位于公路、铁路等交通要道之上,施工过程中需要临时关闭交通通道或者限制交通流量。
若交通管理不当,可能会引发交通事故。
三、涵洞施工的安全技术交底内容1. 工程概况介绍:对涵洞施工的位置、规模、施工时间等进行详细介绍,使施工人员对工程有清晰的了解。
2. 工程风险分析:对施工过程中可能遇到的地质灾害、水工结构施工风险、交通流量风险等进行详细的风险分析,使施工人员意识到潜在的危险。
3. 安全措施和操作规程:针对不同的安全风险,制定相应的安全措施和操作规程。
比如,在地质灾害风险较高的地区可以设置监测措施,进行实时监测;在水工结构施工过程中,严格按照施工工艺操作,确保施工质量。
涵洞第一节涵洞类型与构造1.1涵洞类型涵洞:是公路或铁路与沟渠、道路相交的地方,使水、人流、车流从路下通过的小型构造物。
特点:单孔标准跨径L0小于5米或多孔跨径总长小于8米,以及圆管涵及箱涵不论管径或跨径大小、孔径多少,均称为涵洞。
按照不同分类方法,涵洞可以分为以下几种类型:一、根据涵洞中线与路线中线的关系分类。
(1)正交涵洞(2)斜交涵洞二、根据涵洞洞身截面不同可分为:(1)管式涵洞(简称管涵)管涵有混凝土管、钢筋混凝土管、铸铁管和瓦管。
其优点是受力情况及适应基础性能较好,施工方便,仅需要设置端墙,不需设墩台,圬工数量小,造价低。
但低路堤时使用受到限制。
(2)箱形涵洞箱涵一般是边墙用石砌或混凝土灌注,上面盖以石板或钢筋混凝土盖板。
这种涵洞有利于在低路堤上设置。
(3)拱式涵洞拱式涵洞有砖拱涵,石拱涵、混凝土拱涵和钢筋混凝土拱涵之分。
三、根据涵洞洞顶填土情况不同可分为:(1)眀涵(2)暗涵四、根据涵洞水利性能不同可分为:(1)有压力涵洞(流水面与洞顶全面接触)(2)有半压力式涵洞(流水面与洞顶部分接触)(3)无压力式涵洞(流水面与洞顶不接触)1.2涵洞的组成涵洞分为主体工程和附属工程,主体工程包含洞身、出入口、基础,附属工程包括出入口河床和路堤边坡加固部分。
1、洞身(1)在涵洞入口处采用提高节;(2)将洞身分为若干节,节长2-5米;(3)节间采用3厘米沉降缝;(4)设置4‰的排水坡,一般作成台阶状,相邻节的搭接至少为涵顶结构厚度的1/4。
2、出入口作用:为了使水流顺利流出涵洞,提高涵洞的泻水能力,保证涵洞周围路堤的稳固。
常设涵洞的入口建筑,形式有:(1)端墙式:如图特点:端墙垂直于涵洞轴线,两侧有锥体护坡;出入口工程数量小,构造简单,水利性能差,仅在流量较小时采用。
(2)八字式(翼墙式):如图特点:端墙前洞口两侧翼墙张成八字,翼墙端部折成与线路方向平行的一字横墙;工程数量大,但泻水条件好,使用于流量较大的情况。
一、工程概况1. 项目名称:[项目名称]2. 施工单位:[施工单位名称]3. 监理单位:[监理单位名称]4. 施工部位:[具体施工部位]5. 施工日期:[具体施工日期]二、安全技术交底目的为确保涵洞施工过程中的安全,防止事故发生,现将涵洞施工过程中的三级安全技术交底如下:三、安全技术交底内容1. 涵洞钢筋安全技术交底(1)钢筋加工:钢筋加工前,应检查钢筋规格、尺寸是否符合设计要求。
加工过程中,操作人员应穿戴防护用品,防止钢筋划伤。
(2)钢筋绑扎:绑扎过程中,操作人员应遵循以下原则:先绑扎主筋,后绑扎箍筋;先绑扎短筋,后绑扎长筋;先绑扎上部钢筋,后绑扎下部钢筋。
(3)钢筋焊接:焊接过程中,操作人员应穿戴防护用品,防止火花飞溅。
焊接完成后,应及时清理焊接部位,防止烫伤。
2. 涵洞混凝土安全技术交底(1)混凝土搅拌:搅拌过程中,操作人员应穿戴防护用品,防止混凝土溅入眼中。
搅拌机周围应保持整洁,防止滑倒。
(2)混凝土运输:运输过程中,混凝土罐车应保持平稳,防止罐车倾斜导致混凝土溢出。
运输路线应避开交通要道,确保交通安全。
(3)混凝土浇筑:浇筑过程中,操作人员应穿戴防护用品,防止混凝土溅入眼中。
浇筑时应遵循以下原则:分层浇筑,分层振捣;先浇筑基础,后浇筑主体结构;先浇筑高程,后浇筑低程。
3. 涵洞用电安全技术交底(1)电气设备:电气设备应定期检查,确保绝缘良好。
操作人员应熟悉电气设备的操作规程,防止误操作。
(2)电气线路:电气线路应安装牢固,防止因振动、磨损等原因导致线路破损。
线路周围应保持整洁,防止绊倒。
(3)用电安全:施工过程中,操作人员应遵守用电安全规定,防止触电事故发生。
4. 基坑开挖技术交底(1)基坑支护:基坑支护应根据地质条件和设计要求进行。
支护材料应选用合格产品,确保支护效果。
(2)基坑开挖:开挖过程中,操作人员应遵循以下原则:分层开挖,分层支护;先挖深部,后挖浅部;先挖外缘,后挖中心。
(3)基坑排水:基坑开挖过程中,应及时进行排水,防止积水浸泡基础。
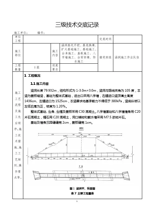
三级技术交底记录单位工程交底时间施工部位施工内容涵洞基坑开挖、基底换填、扩大基础施工、基础施工、台身施工、盖板施工、八字墙施工、台背回填、防水施工接受班组涵洞施工作业队伍工程数量1座进度要求施工工艺流程及施工先后顺序,施工技术措施、施工工艺细则、操作要点等。
1 工程概况1.1施工内容涵洞长度79.932m,结构形式为1-3.0m×3.0m,涵洞与路线夹角为105度,本涵为盖板暗涵,基础为整体式基础,进出口采用八字墙,右幅进口涵顶填土高度1436cm、左幅进口为1525cm,本涵要求地基承载力不得低于380kPa,涵底纵坡以左低右高为正,坡度为1.20%。
整体式基础、台身、台帽及盖板采用C30混凝土。
八字墙基础和八字墙墙身用C20片石混凝土,帽石用C20混凝土,洞口铺砌和截水墙采用M7.5浆砌片石。
基础及墙身沉降缝缝宽2cm,盖板缝宽1cm。
图1 涵洞平、纵面图表7 主要工程量表施工工艺流程及施工先后顺序,施工技术措施、施工工艺细则、操作要点等。
12 调直机GWH-32B 钢筋加工 1 2017.08.20-2017.09.3013 弯曲机GW40型钢筋加工 1 2017.08.20-2017.09.3014 水泵5KW 现场降水 4 2017.08.20-2017.09.3015 汽油夯机HCR80 台背夯实 1 2017.08.20-2017.09.3016 平板车PM401 钢筋运输 1 2017.08.20-2017.09.30表9 劳动力使用计划表序号工程名称工种计划用工人数1K33+199涵洞班组长 12 测量 13 电工 14 钢筋工85 模板工106 混凝土工 67 力工 6合计331.3施工日期计划开始时间为2017年08月20日,结束时间为2017年09月30日。
2 施工工艺流程施工工艺流程及施工先后顺序,施工技术措施、施工工艺细则、操作要点等。
(1)在混凝土终凝后,及时对混凝土进行养护。
三级安全技术交底记录施工工艺流程及施工先后顺序,施工技术措施、施工工艺细则、操作要点等。
1、盖板涵施工工艺1.1基坑开挖采用人工配合挖掘机开挖基坑,基坑开挖底宽为涵洞基础宽度两边各加1.5m(预留0.5m施工作业空间及挖排水沟),基坑边坡采用放坡形式开挖,基坑放坡开挖坡率为1:1.5。
基础开挖到离基底约30cm左右时,采用人工修整,确保不扰动基底地质层。
人工修整完后,对基底轴线、高程、平面尺寸进行自检,然后报请监理工程师进行验收,并对基底进行承载力试验,若基底承载力小于设计基底承载力,上报监理、业主、设计,采用片石或砂砾石进行换填处理。
在两侧坡底挖设临时排水沟,排水沟尺寸为50cm*80cm(宽*深),并在低凹处挖设积水坑,用水泵及时将水抽走。
开挖完成的基坑周边应使用钢管设置安全防护、标示标牌,防止行人、车辆落入坑内。
1.2钢筋制作及安装1)钢筋表面应洁净,油渍、漆污和用锤敲击时能剥落的浮皮、铁锈等应在使用前清除干净。
2)结构或构件拐角的钢筋交叉点应全部绑扎;中间平直部分的交叉点可交错绑扎,但绑扎的交叉点宜占全部交叉点的40%。
3)钢筋保护层厚度采用同等级混凝土垫块做支垫处理。
紧贴地面和模板面的钢筋需绑扎固定混凝土垫块,按不少于4块/㎡安放,垫块要求均匀分布,且固定牢固。
4)所有整体式基础均设置锚筋,沿涵长方向间距为20cm,埋深60cm;当涵洞净高为2m时锚筋长度为150cm;当涵洞净高为3m、4m时锚筋长度为200cm,当涵洞净高为4.5m、5m时锚筋长度为250cm。
1.3模板安装1)模板采用钢模板,主要定制2.0×1.5m、2.0×1.0m两种尺寸平模,同时定制少量2.0×0.5m倒角模板。
模板到场后第一次使用前在现场进行试拼装,合格后方可正式安装。
立模前用角磨机打磨模板表面铁锈等杂物,保证表面洁净。
2)按照图纸设计尺寸引出边线(用墨线标示),然后立两侧基础模板。
涵洞施工技术交底单位工程名称:青蓉城际铁路Ⅲ标第二项目部涵洞工程编号:QRCJⅢ-Ⅱ-HD-JSJD-3-001工程项目路基涵洞工程工程部位DK131+675.20接受班组工程数量进度要求验收标准及质量要求一、主要工程量本段路基共有10座框架箱涵,具体情况如下表:序号涵洞里程孔径(m) 横延米(m)1 DK122+603.4 (1-3m) (1-3m) 19.622 DK122+844.8 (1-4m) (1-4m) 16.563 DK124+807.7 (保护涵)(保护涵)16.84 DK124+848.1 (1-5m) (1-5m) 16.815 DK124+993.7 (1-2m) (1-2m) 16.006 DK126+466.2 (1-2m) (1-2m) 17.567 DK126+512.6 (1-4m) (1-4m) 17.568 DK131+273.4 (1-5m) (1-5m) 23.509 DK131+675.2 (1-2m)(1-2m)22.6010 DK132+657.7 (1-5m) (1-5m) 25.00二、验收标准1)模板安装允许偏差和检验方法序号项目允许偏差(mm)检验方法1 轴线位臵基础15 尺量每边不少于2处梁、柱、板、墙、拱 52 表面平整度 52m靠尺和塞尺不少于3处3 高程基础±20测量梁、柱、板、墙、拱±54模板的侧向弯曲柱h/1000且小于15拉线尺量梁、板、墙l/1000且小于15 5 两模板内侧宽度 +10 -5 尺量不少于3处 6相邻两板表面高低差2尺量2)钢筋加工允许偏差: 序号 名 称 允许偏差(㎜)检验方法1 受力钢筋全长 ±10 尺量2 弯起钢筋的弯折位臵 20 3箍筋内净尺寸±5(桥±3)3)钢筋安装及钢筋保护层厚度允许偏差和检查方法 序号 名 称 允许偏差(㎜)检验方法1受力钢筋排距 ±5尺量,两端、中间各一处 2同一排中受力钢筋间距基础、板、墙 ±20 柱、梁±10 3 分布钢筋间距±20尺量,连续3处 4 箍筋间距绑扎骨架 ±20尺量,连续3处焊接骨架±105 弯起点位臵(加工偏差±20㎜包括在内) 30 尺量钢筋保护层c ≥35+10、-5尺量,两6 厚度c(㎜)25<c<35 +5、-2端、中间各2处c≤25 +3、-14)砼涵洞允许偏差和检验方法序号项目允许偏差(㎜)检验方法1 边翼墙距设计中心位臵20 测量检查不少于5处2 墙顶顶面高程±153 孔径±20 尺量检查不少于5处4 涵长+100、-505 厚度+10、-5顶板、底板、边墙、盖板各检查2处6 涵身接头错台10尺量检查不少于5处5)防水层允许偏差和检验方法序号项目允许偏差(㎜)检验方法1 表面平整度 3 1m靠尺检查2 卷材搭接长度-10 尺量检查6) 保护层允许偏差和检验方法序号项目允许偏差(㎜)检验方法1 表面平整度 3 1m靠尺检查2 分格缝平直3 拉线尺量检查7)预埋件和预留孔洞的允许偏差和检验方法序号项目允许偏差(mm)检验方法1 预留孔洞中心位臵10 尺量尺寸+10尺量不少于2处2 预埋件中心位臵 3尺量外露长度+10工艺流程及施工先后顺序三、工艺流程框架箱涵施工流程图四、施工先后顺序混凝土主要采用商品混凝土,框架涵施工顺序为:基坑开挖→基底处理垫层施工→涵身基础施工→中间节施工→端墙基础施工→翼墙施工→防水施工→附属工程。
工具等物件。
③高处作业平台应设置防护栏杆、安全网及挡脚板,下方设警戒区。
④路基边坡危石及作业平台上的物料、杂物及时清理。
⑤上跨道路、出入口上方等作业时必须搭设坚固、密封的防护棚。
触电是指人体直接接触电源或电流经过导电介质传递通过人体时,引起的组织损伤和功能障碍。
(易发生触电的部位:配电箱、电缆接头、电气设备金属外壳、手持电动工具、照明灯具、潮湿环境等)。
预防措施:①非电工严禁拆、接电气线路、插头、插座、电气设备等。
②严禁靠近标有“高压危险”标识区域。
③雷雨天气及时关闭用电设备,切断电源。
④严禁在配电箱、用电设备、线路周围堆放易燃易爆物品,动火作业应远离电气设备及供电线路。
⑤禁止在用电线路上挂晒衣服及挂设其他物品。
⑥临时用电、停工、检修或移动电气设备时,必须关闭电源。
⑦作业台架、人工挖孔桩及其他潮湿环境的照明电压应采用安全电压。
机械伤害是指机械设备引起的绞、碾、割、戳等人身伤害事故。
预防措施:①非专业人员严禁擅自使用和操纵机械设备。
②机械设备的齿轮、皮带、传动轴等部位,必须有可靠有效的安全防护装置。
③挖掘机、起重机等机械旋转半径内不得站人。
④机械设备运行时,操作人员严禁将头、手等肢体伸入机械行程范围内。
⑤严禁在运行的机械设备上行走或坐立。
六、机械操作安全1、挖掘机(1)操作人员必须经过培训,掌握所操作的机械设备的性能构造、操作方法、例保知识以及操作规程,经考试合格,获得操作证后,方可独立操作机械设备。
不准操作与操作证不相符的机械设备。
也不准将机械设备交给无本机种操作证的人员操作。
(2)操作人员对违反机械操作规程规定的指挥调度,有权拒绝执行,任何组织和个人不得强迫操作人员违章作业。
(3)启动或操作机械开始前应发出信号。
卸料时,在不碰击汽车任何部位的情况下,铲斗应尽量降低,并禁止铲斗从汽车驾驶室上越过。
(4)作业时,禁止任何人上下机械和传递物件,不准边工作,边维修、保养。
如遇较大石块或坚硬物体时,应先清除再继续作业。
一、交底目的为确保涵洞砌筑施工过程中人员安全和工程质量的稳定,特进行安全技术交底,使所有参与施工人员充分了解和掌握施工过程中的安全注意事项。
二、交底对象所有参与涵洞砌筑施工的工人、技术人员、管理人员。
三、交底内容1. 作业人员安全教育(1)施工人员必须进行入场安全教育,经考试合格后方可进场。
(2)进入施工现场必须佩戴合格安全帽,系好下额带,锁好带扣。
(3)特种作业人员(电工、电焊工、装载机司机、起重机械作业工)必须持证上岗。
2. 施工现场安全管理(1)施工前,必须对施工现场进行全面检查,确保道路畅通、机具完好、安全设施齐全。
(2)现场作业人员必须遵守安全操作规程,严格按照设计图纸进行施工。
(3)现场设置安全警示标志,提醒作业人员注意安全。
3. 涵洞砌筑施工安全技术(1)基础施工1)挖机和人不许同时在基坑内作业,必须同时作业时,人机之间必须保持10米以上的安全距离。
2)基坑开挖时,应预留一个方便基底作业人员上下的安全通道。
3)基底弃土、弃废桩头禁止随意放置,必须离边坡1米以上距离。
4)严格按照施工设计的比例进行放坡。
(2)墙身砌筑1)墙身砌体高度超过地坪1.2m以上时,应搭设脚手架。
2)在一层以上或高度超过4m时,采用里脚手架必须支搭安全网,采用外脚手架应设护身栏杆和挡脚板后方可砌筑。
3)脚手架上堆料量不得超过规定荷载,堆砖高度不得超过5皮侧砖,同一块脚手板上的操作人员不应超过2人。
(3)砌块施工1)不准站在墙身上进行砌筑、划线、检查墙面平整度和垂直度、裂缝、清扫墙面操作,也不准在墙身上行走。
2)砌块吊装就位时,应待砌块放稳后,方可松开夹具。
3)已经就位的砌块,必须立即进行竖缝灌浆,对稳定性较差的窗间墙独立柱和挑出墙面较多的部位,应加临时支撑,以保证其稳定性。
4. 施工过程中的其他注意事项(1)向基坑内运送材料、砂浆时,严禁向下猛倒和抛掷物料、工具。
(2)人工用手推车运砖,两车前后距离平地上不得小于2m,坡道上不得小于10m。
涵洞工程安全技术交底引言概述:涵洞工程是道路建设中常见的一种工程形式,它能够有效地解决道路交通中的水流问题。
然而,涵洞工程的施工和维护过程中存在着一定的安全风险,因此,对于涵洞工程的安全技术交底显得尤为重要。
本文将从四个方面详细介绍涵洞工程的安全技术交底内容。
一、施工前的安全技术交底1.1 施工方案交底:施工方案是涵洞工程施工的基础,施工前应将施工方案详细交底给施工人员。
施工方案中应包括施工的步骤、工序、施工方法、施工顺序等内容,以确保施工人员能够正确理解和掌握施工流程。
1.2 安全措施交底:涵洞工程施工过程中需要采取一系列的安全措施,以保障施工人员的人身安全。
施工前应向施工人员详细交底各项安全措施,如安全帽佩戴、安全绳使用、防护设施搭设等,确保施工人员了解并能正确执行。
1.3 紧急情况应急预案交底:涵洞工程施工过程中,可能会发生各种紧急情况,如火灾、塌方等。
施工前应向施工人员交底相应的应急预案,包括紧急疏散路线、应急设备的使用方法等,以提高施工人员的应急处理能力。
二、施工中的安全技术交底2.1 施工现场安全要求交底:施工现场是涵洞工程施工的重要环节,施工人员在施工现场应严格遵守相应的安全要求。
施工中应向施工人员交底施工现场的安全要求,如禁止吸烟、禁止乱堆材料等,以确保施工现场的安全。
2.2 施工设备操作规程交底:涵洞工程中使用的施工设备需要经过专业操作人员的操作。
施工中应向操作人员交底相应的操作规程,包括设备的启动、停止、维护等内容,以保证设备的正常运行和操作人员的安全。
2.3 危险源防范交底:涵洞工程施工现场存在一些潜在的危险源,如高处坠落、机械伤害等。
施工中应向施工人员交底这些危险源,并告知相应的防范措施,如安全网的使用、安全带的佩戴等,以减少事故的发生。
三、施工后的安全技术交底3.1 完工验收标准交底:涵洞工程施工完成后需要进行验收,以确保工程质量。
施工后应向相关人员交底验收标准,包括涵洞的尺寸、排水效果等,以保证验收的准确性和公正性。
一、一级安全技术交底一、交底对象本交底对象为项目总工、工程部长。
二、交底内容1. 工程概况- 涵洞工程名称、地点、规模;- 设计单位、施工单位、监理单位;- 涵洞结构形式、材料、施工方法。
2. 安全生产责任制- 项目总工、工程部长对安全生产负总责;- 各岗位人员按照职责分工,落实安全生产责任制。
3. 安全生产目标- 实现零死亡、零重伤、零事故的目标。
4. 安全生产措施- 加强安全教育培训,提高全员安全意识;- 制定并严格执行安全技术操作规程;- 加强施工现场安全管理,确保施工安全。
5. 重大危险源辨识及防范措施- 重大危险源:深基坑、高边坡、高空作业等;- 防范措施:设置安全防护设施、制定应急预案、加强现场巡查等。
6. 应急救援预案- 制定应急救援预案,明确救援组织、救援流程、救援物资等;- 定期组织应急演练,提高应急救援能力。
7. 安全生产检查与考核- 定期开展安全生产检查,发现问题及时整改;- 对安全生产责任不落实、违章作业等行为进行严肃处理。
二、二级安全技术交底一、交底对象本交底对象为项目部施工员、技术负责人。
二、交底内容1. 工程概况- 涵洞工程名称、地点、规模;- 施工单位、监理单位;- 涵洞结构形式、材料、施工方法。
2. 安全生产责任制- 项目部施工员、技术负责人对安全生产负直接责任;- 各岗位人员按照职责分工,落实安全生产责任制。
3. 安全生产措施- 加强安全教育培训,提高全员安全意识;- 制定并严格执行安全技术操作规程;- 加强施工现场安全管理,确保施工安全。
4. 重大危险源辨识及防范措施- 重大危险源:深基坑、高边坡、高空作业等;- 防范措施:设置安全防护设施、制定应急预案、加强现场巡查等。
5. 应急救援预案- 制定应急救援预案,明确救援组织、救援流程、救援物资等;- 定期组织应急演练,提高应急救援能力。
6. 安全生产检查与考核- 定期开展安全生产检查,发现问题及时整改;- 对安全生产责任不落实、违章作业等行为进行严肃处理。
苏州轨道交通工程
承包单位:中铁十九局集团有限公司合同号:
监理单位:编号:
技术交底记录A3.12
元和停车场涵洞主体施工技术交底
一、工程概况
元和停车场位于苏州相城区,长约720m,宽110~180m,位于苏虞张公路东侧、苏州相城生态园农副产品批发市场南侧、元和塘西侧,太阳路北侧,场地内主要为空地、河道、水塘、民房等,为满足停车场排水需要,在里程JDKO+542.5处设有一涵洞,长87.2m。
根据流量计算,涵洞孔径为1-1.0*1.5m。
顶板厚0.3m,底板厚0.3m,边墙厚0.3m,底板标高为1.25,东西端头井标高为0.25。
顶板倒角0.3*0.1m,底板倒角0.2*0.2.涵洞为东西走向,与铁路线正交。
涵洞两侧通过站场排水沟连接既有水系。
涵洞内设平坡。
主体及附属结构现浇施工。
共设置3座检查井,5个混凝土导管,东断头预留直径60的圆孔,排水管、检查井处设钢筋加固.
二、施工方法
2.1、施工分块
以保证工程质量为前提,根据涵洞结构长度及结构的形状来确定分块长度及施工缝的部位,以利于其它结构施工的展开。
涵洞全长87.2m,共分为三个水平施工段。
侧墙及顶板设置施一道施工缝,设置在倒角以上30cm处,施工缝以上及侧墙一次性浇筑。
2.2、施工流程
底板钢筋绑扎→底板砼浇筑→侧墙、顶板钢筋绑扎→侧墙、顶板模板加固→侧墙、顶板浇筑砼
三、钢筋
钢筋在现场进行加工,加工时必须严格按照图纸上规定的规格进行加,尺寸必须符合要求,主筋弯折时,弯曲半径为12d。
钢筋保护层厚度为5.5cm。
3.1、钢筋倒运与存放
(1)钢筋在倒运、储藏过程中,应避免锈蚀和污染。
(2)钢筋应按种类、规格、牌号分别设立标志,离地堆放,并加以覆盖。
3.2、钢筋的使用
(1)使用前须将表面油渍、漆皮、鳞锈等清除干净。
(2)钢筋使用前应进行调直。
(3)钢筋必须经检验合格后方可使用,不得擅自使用不合格或未经检验的钢筋。
(4)钢筋焊接前,根据施工条件进行试焊,合格后方可施焊。
焊工必须持有上岗证,并在规定的范围内进行焊接作业。
(5)焊接时,应尽量采用双面焊缝,只有当不能做成双面焊缝时,才允许采用单面焊缝,且必须经监理工程师批准。
双面焊缝不应小于5d,单面焊缝不应小于10d,焊缝高度h 不小于0.3d且不小于4mm;焊缝宽度不小于0.7d且不小于10mm。
(6)施焊时要求焊缝光滑、饱满、无毛刺、无气泡,且不得烧伤主筋。
焊缝焊完后应把焊渣全部敲掉。
(7)焊接点和钢筋弯曲处的间距应大于10d(d为焊接钢筋的直径)。
接头不应布置在最大剪应力处。
(8)当焊接现场气温低于5℃时,应对焊接的钢筋进行预热。
3.3、钢筋绑扎与安装
(1)核对成品钢筋的钢筋型号、直径、形状、尺寸和数量等是否与料单料牌相符。
如有错漏,应纠正增补。
(2)按设计图纸划出钢筋位置线,以此保证钢筋位置的准确。
(3)钢筋骨架保护层厚度使用同强度的砼弧形垫块绑扎在骨架上予以保证,不允许使用片石、碎石或金属管、木块等作垫块。
(4)同一根钢筋,两接头间距离不小于1.3倍搭接长度。
绑扎接头与钢筋起弯点之间的距离不小于10d,且接头不得位于最大拉力截面处。
(5)钢筋安装完成后,应如实填写质量检验表,必须经监理工程师检查和批准后才能浇注砼。
钢筋安装应当满足下表所规定的允许偏差。
四、模板
4.1、模板质量缺陷和防治措施
⑴板接缝处出现高低差及漏浆防治措施
①模板木楞使用前必须过刨。
②同一方格内必须使用同一材质的模板,厚度均匀一致否则应进行筛选。
③尽量消除引测标高误差,同时在一方格内先定出板边两侧高度中间部位拉线。
④板缝大于2mm 时先刮腻子填充再贴3cm宽粘胶带
4.2、模板安装质量要求
底模通过调整顶托准确设置板底纵横坡度,模板面平整度及相邻板面高的差控制在1mm 范围内,为保证模板拼缝不漏浆,施工时竹胶板间夹缝设密封条。
4.3、模板安装安全注意事项
(1)工作前应检查使用的工具是否牢固,扳手等工具必须用绳子系挂在身上,钉子必须放在工具袋内,以防掉落伤人。
工作时要思想集中,防止钉子扎脚或空中滑落。
(2)安装模板时操作人员应有可靠的落脚点,并应站在安全的地点进行操作,避免上下同在一个垂直面工作。
操作人员要主动避让吊物,增强自我保护和相互保护的安全意识。
(3)支撑模板应按规定的作业程序进行,模板未固定前不得进行下一道工序。
严禁在连接件和支撑件上判登上下。
(4)支模过程中,如需中途歇息,应将支撑、搭头等固定牢固。
拆模间歇时,应将已活动的模板、牵杠、支撑等运走或妥善堆放,防止因踏空、扶空而坠落。
模板上留预留孔时,应在安装后将预留孔盖好,混凝土板上的预留洞,应在模板拆除后即将洞口盖好。
(5)二人抬运模板时要相互配合,协同工作。
传递模板、工具时用锁具系牢。
(6)模板上施工时,堆物不易过高,且不易集中一处。
(7)模板支好后,要复验轴线尺寸、标高是否正确,模板支撑是否合理、安全、牢固,预留孔、洞、预埋件是否符合设计图纸要求,模板内部是否清理干净;
4.4、模板拆除
⑴拆模时间规定:侧模三天拆模,板底模板需混凝土强度达到设计强度的70%方可拆除,且拆除必须经技术负责人同意。
⑵模板拆除的顺序
①拆模的顺序应遵循“先拆不承重的模板,后拆承重部位的模板”。
自上而下,先拆侧向支撑,后拆竖向支撑”的原则
②模板拆除由谁支谁拆,其好处是支模班组人员熟知情况,易找到拆模的关建点,对拆模速度安全模板及配件的保护有利
③拆下的模板转运堆码清理,每个班组应由专人负责分类堆码并急时清理
拆模时安全注意事项
①拆摸时不得用大锤撬棍硬撬猛砸以免砼结构的外形和内部受到损伤。
②拆下的配件(螺帽螺杆蝴蝶卡等)应成串成捆转下不得随意往下抛物以免伤人。
③拆模时必须设置警戒区域,及安全通道,并派人监护.拆模时必须拆除干净彻底,不得保留悬空模板。
④拆除模板后临时堆放要整齐,高度不宜大于1.5m,并及时清理运输到存放地点。
五、混凝土
(1)砼等级C35,采用业主指定的商品砼,搅拌车输送到现场,使用混凝土泵输送灌注入模板内,设专人捣固。
(2)砼输送管布置:根据放坡开挖地形布置在坡上分别设立了3个泵车布置点以供混凝土浇筑。
(4)浇捣采用插入式振捣器,逐点振捣,振捣点间距15~30cm。
振捣时,确保不漏、不过、不少。
(5)料点间距不超过1.5m,使砼能够自然摊平。
不得堆积下料用振捣棒平仓,以免砼分离。
(6)板面混凝土初凝后,进行压实、抺面、收光,终凝后用湿麻袋覆盖,定时洒水养护。
六、施工质量保证措施
1、模板工程质量保证措施
2、钢筋工程质量保证措施
3 混凝土浇筑质量保证措施:
七、文明施工
贯彻“安全第一,预防为主”的方针,严格遵守安全生产规章制度,安全操作规程和各项安全措施规定,做好各级安全交底,加强安全教育和安全检查。
7.1、对所有进入现场的施工人员进行安全教育,现场要有明显安全标语牌,落实各级安全责任制,并做好考核工作。
7.2、按施工场容管理规定,实行区域负责制,对危险部位、地点悬挂有针对性的警告标志牌。
7.3、严格执行建设主管部门施工现场安全防护规定,在施工作业前,制订有针对性的
安全技术措施,书面交底。
7.4、各类架子及移动式架车应按规定搭设,搭设完毕要经技术、安全等部门有关人员验收合格,方可使用。
操作面要满铺脚手板,下层兜设水平网,外侧设一道护身栏,立挂安全网,下口封严。
本工程外脚手架按装修架子搭设,使用荷载严格控制在2kN/m2,使用过程中要注意检查、维修,非架子工不许擅自改动。
7.5、“四口”防护严格按照安全操作规程的要求进行,进入现场人员一律要戴安全帽,高空作业人员必须挂安全带,穿防滑鞋。
7.6、吊脚手板、井架在拆、装作业时,要有安全人员在场监护,严禁非作业人员进入危险区,拆下的材料要及时清理,运至指定地点码放。
7.7、配电箱采用铁皮焊制的防雨、防尘移动式电闸箱,按总配电箱、分配电箱、开关箱三级设置。
总配电箱内设置总自动开关,动力和照明的线路分路设置,分配电箱、开关箱设置漏电保护器,各电闸箱内分别设置接零线、保护零端子。
7.8、施工现场要有严格的分片包干和个人岗位责任制,做到现场清洁,材料、构件码放整齐,怕潮、怕雨淋日晒的材料要有防潮和遮盖措施。
7.9、工人操作要做到干活脚下清,活完料净,建筑物内的垃圾、渣土及时清运。
八、成品保护措施
8.1、认真执行上级管理部门颁发的成品保护规定,对全体职工包括民工队加强教育,发扬各工种之间相互协作精神,尊重别人的劳动成果。
8.2、合理安排各道工序,减少各工种来回穿插施工,特别要注意避免工序颠倒,造成对成品的破坏污染。