箱涵三级技术交底
- 格式:doc
- 大小:61.50 KB
- 文档页数:8
邢衡高速公路邢台段LJSG-11合同涵洞、通道三级技术交底河北路桥集团有限公司邢衡高速邢台段LJSG-11项目部邢衡高速邢台段项目部LJSG-11涵洞、通道三级技术交底施工单位:河北路桥集团有限公司合同号:LGSG-11为保证箱涵工程能优质、高效完成,确保生产计划的顺利实施,特制定箱涵工程施工方案,以指导施工,同时使每道施工工序都处于受控状态,保证工程施工的优质性和安全性。
三、编制依据1、施工设计图纸、设计文件、设计资料和设计院进行的相关技术交底。
2、交通部颁发的现行规范、规程、规则、验标、以及总监办、管理处要求的技术规范。
3、现场踏勘调查所获得的有关资料。
4、我公司拥有的科技工法、管理水平和上场的劳力设备,技术能力,以及长期从事公路建设所积累的丰富的施工经验。
四、施工安排1、工期要求根据施工总体计划安排,本工程箱涵工程于2011年7月1日开始施工,2011年11月30日完成,工期5个月。
2、队伍安排本工程钢筋砼箱涵采用三个施工队伍,每个队伍负责五个涵洞施工,采用流水作业。
3、钢筋与砼加工钢筋的加工与制作,在钢筋加工场,集中制作,用拖板车运输。
混凝土在拌合站集中拌合,本合同段采用由项目部试验室提供经监理工程师审核批复的混凝土配合比。
五、施工工艺基础开挖以挖掘机为主、人工配合,基础、箱身、翼墙现场浇注。
施工工艺流程:施涵背回填。
--基础开挖--基础浇注—箱身浇注—翼墙施工—洞口浆砌--工准备--测量放样1、施工准备1)、清理施工现场,进行施工测量,根据设计图纸及现场交桩,首先复测涵位及水准基点并将其固定,测量成果经监理工程师批准后进行施工放样。
2)、整平施工现场,确保施工现场三通一平。
修建便道,满足工程施工的需要。
3)、施工前要做好劳动力组织、设备调试、搭设临时设施,根据材料计划用量,组织材料供应,并按要求对所有原材料进行试验检测,合格后再进场使用。
.4)、在工程开工之前,组织施工人员及班组学习施工图纸和有关技术规范,并对班组进行技术、质量及安全交底。
技术交底记录(三级)
编号:
1施工图纸细部讲解
本工程拟建箱涵截面尺寸分别为4.0*2.0和3.5*2.0m。
箱涵采用C35混凝土,抗渗等级P6,垫层采用C20素混凝土,钢筋采用HRB400,受力钢筋保护层厚度为35m。
箱涵与管廊同槽开挖,箱涵基坑开挖深度约4.7m-8.5m,需编制深基坑支护与安全专项方案,经专家论证后,方可开挖。
排水箱涵断面图
2操作方法
地基处理
1)基坑回填应在综合管廊结构及防水工程验收合格后进行,回填材料应符合设计要求(除基坑横断面图示管廊两侧空间狭小的肥槽回填中粗砂外,回填料宜采用不透水的粘性土或灰土,不得采用盐渍土、膨胀土、冻土、有机质含量大于5%的种植土、砂性土)及国家现行标准的有关规定。
管廊两侧基坑土回填应对称、分层、均匀;分层压实,每层虚厚度为300MM,压实系数不小于
附件:交底照片、关键工艺视频、BIM模型展示动画等。
一、工程概况1. 项目名称:____________________2. 施工单位:____________________3. 施工地点:____________________4. 施工内容:____________________5. 施工工期:____________________二、安全技术交底内容1. 人员要求(1)施工人员必须经过专业培训,取得相关资格证书。
(2)特种作业人员(电工、电焊工、起重机械操作工等)必须持证上岗。
(3)施工现场管理人员应具备安全生产知识和管理能力。
2. 施工现场安全措施(1)施工现场必须设置明显的安全警示标志,包括安全通道、警示区域、危险区域等。
(2)施工现场应设置必要的安全防护设施,如防护栏、防护网、安全带等。
(3)施工现场应配备必要的安全防护用品,如安全帽、安全鞋、防护眼镜、手套等。
3. 施工过程安全措施(1)基坑开挖1)挖机和人不允许同时在基坑内作业,必须同时作业时,人机之间必须保持10米以上的安全距离。
2)基坑开挖时,应预留一个方便基底作业人员上下的安全通道。
3)基底弃土、弃废桩头禁止随意放置,必须离边坡1米以上距离。
4)严格按照施工设计的比例进行放坡。
5)实行便挖基坑边修护栏的原则,在基坑开挖的开始阶段,必须将安全警示标志悬挂在基坑四周。
6)作业人员必须维护好现场的安全设施。
(2)涵洞施工1)施工前,应对施工图纸进行仔细审查,确保施工方案符合设计要求。
2)施工过程中,应严格按照施工工艺和操作规程进行施工。
3)施工过程中,应确保施工机械和设备的安全运行。
4)施工过程中,应加强对施工人员的安全教育,提高安全意识。
5)施工过程中,应加强对施工现场的安全检查,及时发现并消除安全隐患。
(3)施工结束后的安全措施1)施工结束后,应对施工现场进行清理,确保无残留危险物品。
2)对施工过程中使用的机械设备进行维护保养,确保其安全运行。
3)对施工过程中产生的废弃物进行妥善处理,避免环境污染。
一、交底目的为确保涵洞施工过程中的安全,防止事故发生,提高施工人员的安全意识,特制定本安全技术交底。
二、交底对象本次交底对象为涵洞施工全体人员,包括施工管理人员、技术人员、施工人员、特种作业人员等。
三、交底内容1. 涵洞施工概况(1)工程名称:_______(2)工程地点:_______(3)工程规模:_______(4)施工期限:_______2. 施工安全技术措施(1)施工人员安全教育培训施工前,对全体施工人员进行安全教育培训,使其了解涵洞施工过程中的安全风险和预防措施。
(2)施工现场安全防护1)施工区域设置:施工区域应设置明显的安全警示标志,施工人员进入施工现场必须正确佩戴安全帽、安全带等防护用品。
2)基坑防护:基坑开挖时,应设置防护栏、警示标志,确保人员、设备安全。
3)施工机械安全操作:施工机械应每天进行设备检修,严禁机械带病作业。
特种作业人员必须持证上岗。
(3)用电安全1)电焊作业:电焊机外壳必须有良好的接零或接地保护,电源装拆应由电工进行。
电焊机的一次与二次绕组之间、绕组与铁芯之间、绕组、引线与外壳之间,绝缘电阻均不得低于0.5兆欧。
2)焊接现场安全:焊接现场不准堆放易燃、易爆物品,使用电焊机必须按规定穿戴防护用品。
3)电缆线长度:交流弧焊机一次电源线长度应不大于5米,电焊机二次线电缆长度应不大于30米。
(4)基坑开挖安全1)人机安全距离:挖机和人不许同时在基坑内作业,必须同时作业时,人机之间必须保持10米以上的安全距离。
2)安全通道:基坑开挖时,应预留一个方便基底作业人员上下的安全通道。
3)基底弃土、弃废桩头:禁止随意放置,必须离边坡1米以上距离。
4)放坡:严格按照施工设计的比例进行放坡。
5)安全警示标志:在基坑开挖的开始阶段,必须将安全警示标志悬挂在基坑四周。
(5)基底处理、碎石垫层施工1)机械作业:机械作业必须遵守安全操作规程。
2)施工人员安全:施工人员必须维护好现场的安全设施,如安全警示牌、基坑护栏等。
一、基坑开挖1、所有施工人员必须按规定要求,配戴安全防护用具。
2、基坑高度超过1.5m时,应具备有便于出入基杭的爬梯等安全设施。
3、开挖过程中中,当坑沿顶面裂缝,坑壁松塌或遇有漏水等影响基坑边坡稳定时,应立即加固防护。
4、开挖基坑需机械抽水开挖时,必须配备足够的抽排水设备,抽水机及管路要安放牢靠。
5、在坑沿应设“小心坠落”警示标志,并加设围栏,夜间施工时应设置红灯示警。
6、应对基础边坡和孔壁的稳定进行监控,经常检查,及时进行支护,以免发生边坡跨塌事故。
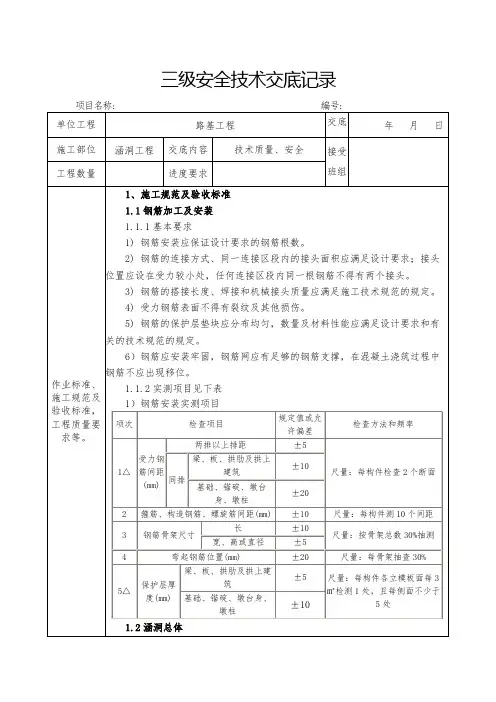
二、钢筋加工和安装1、钢筋加工时注意加工设备是否正常工作,熟悉机械的操作规程,严禁不熟悉操作规程的人员上岗,机械出现故障时,应请示厂家或相关技术人员进行修理,严禁私自修理,确保操作安全。
2、进行施焊作业时必须戴防护罩及电焊专用手套。
3、进入施工场地必须戴安全帽,严禁赤膊作业,严禁酒后作业。
4、进行钢筋作业时必须按规定正确穿戴劳动防护用品,如:手套、工作服,安全帽等。
5、在吊送钢筋时,扒杆摆动的范围内严禁站人,以防钢筋滑落伤人。
6、绑扎钢筋时,应先检查脚手架或平台等安全设施是否完善牢靠。
如有缺陷应立即处理好后方可作业,在钢筋密集处作业时,钢筋绑扎与电焊尽量不要同时作业,确需同时作业时,应有防护措施,以防电弧光击伤眼睛或焊渣烧伤。
7、多人抬运钢筋时,负荷应均匀,起、落、转、停和行走要一致,以防扭腰砸脚。
上下传递钢筋,不得站在同一垂直线上。
8、钢筋为易导电材料,雷雨天气停止露天作业,以防电击伤人;在高处进行钢筋绑扎作业时,系好安全带,安全带挂在作业人员上方牢靠处。
三、支架搭设1、底座和顶托托撑伸出长度以不大于20cm为宜。
底座和托撑应密贴地面或楞梁,不得悬空或托空。
2、立杆、水平杆和扫地杆1)扣件式支架立杆接头必须采用对接扣件连接。
2)支架底层必须设置纵、横向水平杆作为扫地杆,纵向水平杆宜设置在立杆内侧,长度不小于3跨,作业层上非主节点处的横向水平杆,宜根据支承脚手板的需要等间距设置,最大间距不得大于纵距的1/2。
一、工程概况1. 项目名称:[项目名称]2. 施工单位:[施工单位名称]3. 监理单位:[监理单位名称]4. 施工部位:[具体施工部位]5. 施工日期:[具体施工日期]二、安全技术交底目的为确保涵洞施工过程中的安全,防止事故发生,现将涵洞施工过程中的三级安全技术交底如下:三、安全技术交底内容1. 涵洞钢筋安全技术交底(1)钢筋加工:钢筋加工前,应检查钢筋规格、尺寸是否符合设计要求。
加工过程中,操作人员应穿戴防护用品,防止钢筋划伤。
(2)钢筋绑扎:绑扎过程中,操作人员应遵循以下原则:先绑扎主筋,后绑扎箍筋;先绑扎短筋,后绑扎长筋;先绑扎上部钢筋,后绑扎下部钢筋。
(3)钢筋焊接:焊接过程中,操作人员应穿戴防护用品,防止火花飞溅。
焊接完成后,应及时清理焊接部位,防止烫伤。
2. 涵洞混凝土安全技术交底(1)混凝土搅拌:搅拌过程中,操作人员应穿戴防护用品,防止混凝土溅入眼中。
搅拌机周围应保持整洁,防止滑倒。
(2)混凝土运输:运输过程中,混凝土罐车应保持平稳,防止罐车倾斜导致混凝土溢出。
运输路线应避开交通要道,确保交通安全。
(3)混凝土浇筑:浇筑过程中,操作人员应穿戴防护用品,防止混凝土溅入眼中。
浇筑时应遵循以下原则:分层浇筑,分层振捣;先浇筑基础,后浇筑主体结构;先浇筑高程,后浇筑低程。
3. 涵洞用电安全技术交底(1)电气设备:电气设备应定期检查,确保绝缘良好。
操作人员应熟悉电气设备的操作规程,防止误操作。
(2)电气线路:电气线路应安装牢固,防止因振动、磨损等原因导致线路破损。
线路周围应保持整洁,防止绊倒。
(3)用电安全:施工过程中,操作人员应遵守用电安全规定,防止触电事故发生。
4. 基坑开挖技术交底(1)基坑支护:基坑支护应根据地质条件和设计要求进行。
支护材料应选用合格产品,确保支护效果。
(2)基坑开挖:开挖过程中,操作人员应遵循以下原则:分层开挖,分层支护;先挖深部,后挖浅部;先挖外缘,后挖中心。
(3)基坑排水:基坑开挖过程中,应及时进行排水,防止积水浸泡基础。
交底内容箱涵工程技术交底书箱涵工程技术交底交底人交底类型时间二、施工方法1.施工准备在施工现场四周设立围栏并悬挂醒目警示标志,以隔离施工现场和非施工现场。
施工现场周围清除杂物、场地平整、铲除软土、整平夯实。
设备、人员及材料提前进场。
2.测量放样施工前根据设计施工图纸,项目测量人员对箱涵中心桩号及与路线的交角进行复核,以确保现场能够正常施工。
用全站仪放样坐标控制点,实测原地面高程,按基坑基础尺寸两侧各放宽0∙5米进行放样,计算开挖深度,根据土质坚硬情况,确定边坡坡度,如果土质坚硬,放坡按1:1进行开挖,如果土质疏松,放坡按1:1.5开挖边坡,确定基坑开挖界限。
放样时,应认真核对进出口标高及角度,若发现与实际沟渠底标高、角度差异过大或涵底地面与设计图纸出入较大时,应及时予以调整。
3.基坑开挖根据原地面标高及设计标高,确定开挖深度,坑壁的坡度及开挖范围。
基坑开挖采用人工配合机械联合开挖,开挖前注意调查地下管线,做好基顶排水设施,为不使坑底土受到扰动,机械挖土时预留10-20cm用人工开挖,人工修整基底确保不扰动基底地质土层。
基坑内设置临时排水系统,基础四周均设置排水沟,沟底应比基坑底面标高低30cm,并设置集水井,基坑内积水时及时采用水泵排出。
基坑严禁超挖回填,若出现超挖,需采用与基础同强度的碎填平。
人工修整完基坑后,请监理工程师检验基坑几何尺寸,如满足设计要求进行下一道工序,否则报请监理工程师及上级主管部门进行处理。
4.地基处理基坑开挖至设计基底标高后,首先是做基底承载力实验,检测频率一般情况下每10-20m布置一个断面,每个涵洞不少于三个断面,每个断面不少于三个检测点,地质条件复杂时适当加密。
设计地基承载力为0.12Mpa,如果达到设计要求即可做砂砾石垫层施工,如果达不到地基承载力将采取必要的换填处理,或者其他的加固措施,措施将由施工单位、监理单位、设计单位业主代表一并到现场确定。
基坑开挖完成后及时通知监理工程师检验、及早封蔽,不允许将已开挖至设计标高的基坑长期暴露。
单位:中铁十七局集团有限公司广中江高速公路项目第TJ14合同段项目经理部
工程名称涵洞施工交底人吕卫中
交底等级第三级交底交底时间2014年1月10日
技术交底书内容技术交底书内1、涵洞尺寸
本合同段AK0+530箱涵净高4m,净宽4m,涵长55.21m。
垫层采用C20混凝土,涵身采用C40钢筋混凝土,钢筋保护层厚度为30mm。
涵底铺砌及洞口工程采用C20片石混凝土,帽石采用C20混凝土。
涵洞基底承载力不小于200KPa,箱涵两侧与沟渠顺接。
涵洞断面图
2、施工工艺及质量标准
1)开挖测量放线
根据测量班放样的涵洞轴线、线路中心线、涵洞基础边线,以及基坑开挖线。
根据原地面高程与涵通基础设计标高确定基坑开挖深度及基坑开挖边线,开挖边线比设计宽度宽出50~100cm,并按1:1坡度放坡,同时用白
单位:中铁十七局集团有限公司广中江高速公路项目第TJ14合同段项目经理部
单位:中铁十七局集团有限公司广中江高速公路项目第TJ14合同段项目经理部
单位:中铁十七局集团有限公司广中江高速公路项目第TJ14合同段项目经理部
单位:中铁十七局集团有限公司广中江高速公路项目第TJ14合同段项目经理部
单位:中铁十七局集团有限公司广中江高速公路项目第TJ14合同段项目经理部。
三级安全技术交底记录施工工艺流程及施工先后顺序,施工技术措施、施工工艺细则、操作要点等。
1、盖板涵施工工艺1.1基坑开挖采用人工配合挖掘机开挖基坑,基坑开挖底宽为涵洞基础宽度两边各加1.5m(预留0.5m施工作业空间及挖排水沟),基坑边坡采用放坡形式开挖,基坑放坡开挖坡率为1:1.5。
基础开挖到离基底约30cm左右时,采用人工修整,确保不扰动基底地质层。
人工修整完后,对基底轴线、高程、平面尺寸进行自检,然后报请监理工程师进行验收,并对基底进行承载力试验,若基底承载力小于设计基底承载力,上报监理、业主、设计,采用片石或砂砾石进行换填处理。
在两侧坡底挖设临时排水沟,排水沟尺寸为50cm*80cm(宽*深),并在低凹处挖设积水坑,用水泵及时将水抽走。
开挖完成的基坑周边应使用钢管设置安全防护、标示标牌,防止行人、车辆落入坑内。
1.2钢筋制作及安装1)钢筋表面应洁净,油渍、漆污和用锤敲击时能剥落的浮皮、铁锈等应在使用前清除干净。
2)结构或构件拐角的钢筋交叉点应全部绑扎;中间平直部分的交叉点可交错绑扎,但绑扎的交叉点宜占全部交叉点的40%。
3)钢筋保护层厚度采用同等级混凝土垫块做支垫处理。
紧贴地面和模板面的钢筋需绑扎固定混凝土垫块,按不少于4块/㎡安放,垫块要求均匀分布,且固定牢固。
4)所有整体式基础均设置锚筋,沿涵长方向间距为20cm,埋深60cm;当涵洞净高为2m时锚筋长度为150cm;当涵洞净高为3m、4m时锚筋长度为200cm,当涵洞净高为4.5m、5m时锚筋长度为250cm。
1.3模板安装1)模板采用钢模板,主要定制2.0×1.5m、2.0×1.0m两种尺寸平模,同时定制少量2.0×0.5m倒角模板。
模板到场后第一次使用前在现场进行试拼装,合格后方可正式安装。
立模前用角磨机打磨模板表面铁锈等杂物,保证表面洁净。
2)按照图纸设计尺寸引出边线(用墨线标示),然后立两侧基础模板。
施工单位:编号:施工单位:编号:编制:复核:签收:年月日注:“技术交底书”一式三份,一份交施工队负责人作为施工的依据,一份交现场副经理,一份留存备查,施工单位:编号:编制:复核:签收:年月日注:“技术交底书”一式三份,一份交施工队负责人作为施工的依据,一份交现场副经理,一份留存备查,施工单位:编号:编制:复核:签收:年月日注:“技术交底书”一式三份,一份交施工队负责人作为施工的依据,一份交现场副经理,一份留存备查,施工单位:编号:编制:复核:签收:年月日注:“技术交底书”一式三份,一份交施工队负责人作为施工的依据,一份交现场副经理,一份留存备查,施工单位:编号:编制:复核:签收:年月日注:“技术交底书”一式三份,一份交施工队负责人作为施工的依据,一份交现场副经理,一份留存备查,施工单位:编号:编制:复核:签收:年月日注:“技术交底书”一式三份,一份交施工队负责人作为施工的依据,一份交现场副经理,一份留存备查,施工单位: 编号: 主送单位页数工程名称框架箱涵施工部位涵洞施工编制: 复核: 签收: 年 月 日注:“技术交底书”一式三份,一份交施工队负责人作为施工的依据,一份交现场副经理,一份留存备查,第8页共13页30cm ,设置背贴式止水带。
背贴式止水带铺设于涵洞外侧,其中底板下的止水带可在浇筑涵身混凝土之前将止水带铺设固定于涵身沉降缝处的垫层上,然后浇筑混凝土即可。
边墙和顶板的止水带在涵身混凝土达到设计强度后,用膨胀螺栓、钢板条固定于涵节端部框架外缘呈环形布置。
止水带宜用整根尽量减少接头,接头应粘接牢固密不透水,接头宜设在沉降缝平直部位,不得设在涵身边墙与顶板转角处。
沉降缝外侧及顶板所粘贴的防水卷材为改性沥青弹性防水卷材。
框身沉降缝内侧塞M10水泥砂浆深14cm ,中间如有空隙可填塞聚乙烯泡沫塑料板。
沉降缝应上下贯通,不得错台。
止水带设于涵洞外侧(外包法),使用钢垫板及螺栓进行固定(如下图)。
涵节底部止水带应在钢筋安装前固定于基础上。
涵洞施工技术交底单位工程名称:青蓉城际铁路Ⅲ标第二项目部涵洞工程编号:QRCJⅢ-Ⅱ-HD-JSJD-3-001工程项目路基涵洞工程工程部位DK131+675.20接受班组工程数量进度要求验收标准及质量要求一、主要工程量本段路基共有10座框架箱涵,具体情况如下表:序号涵洞里程孔径(m) 横延米(m)1 DK122+603.4 (1-3m) (1-3m) 19.622 DK122+844.8 (1-4m) (1-4m) 16.563 DK124+807.7 (保护涵)(保护涵)16.84 DK124+848.1 (1-5m) (1-5m) 16.815 DK124+993.7 (1-2m) (1-2m) 16.006 DK126+466.2 (1-2m) (1-2m) 17.567 DK126+512.6 (1-4m) (1-4m) 17.568 DK131+273.4 (1-5m) (1-5m) 23.509 DK131+675.2 (1-2m)(1-2m)22.6010 DK132+657.7 (1-5m) (1-5m) 25.00二、验收标准1)模板安装允许偏差和检验方法序号项目允许偏差(mm)检验方法1 轴线位臵基础15 尺量每边不少于2处梁、柱、板、墙、拱 52 表面平整度 52m靠尺和塞尺不少于3处3 高程基础±20测量梁、柱、板、墙、拱±54模板的侧向弯曲柱h/1000且小于15拉线尺量梁、板、墙l/1000且小于15 5 两模板内侧宽度 +10 -5 尺量不少于3处 6相邻两板表面高低差2尺量2)钢筋加工允许偏差: 序号 名 称 允许偏差(㎜)检验方法1 受力钢筋全长 ±10 尺量2 弯起钢筋的弯折位臵 20 3箍筋内净尺寸±5(桥±3)3)钢筋安装及钢筋保护层厚度允许偏差和检查方法 序号 名 称 允许偏差(㎜)检验方法1受力钢筋排距 ±5尺量,两端、中间各一处 2同一排中受力钢筋间距基础、板、墙 ±20 柱、梁±10 3 分布钢筋间距±20尺量,连续3处 4 箍筋间距绑扎骨架 ±20尺量,连续3处焊接骨架±105 弯起点位臵(加工偏差±20㎜包括在内) 30 尺量钢筋保护层c ≥35+10、-5尺量,两6 厚度c(㎜)25<c<35 +5、-2端、中间各2处c≤25 +3、-14)砼涵洞允许偏差和检验方法序号项目允许偏差(㎜)检验方法1 边翼墙距设计中心位臵20 测量检查不少于5处2 墙顶顶面高程±153 孔径±20 尺量检查不少于5处4 涵长+100、-505 厚度+10、-5顶板、底板、边墙、盖板各检查2处6 涵身接头错台10尺量检查不少于5处5)防水层允许偏差和检验方法序号项目允许偏差(㎜)检验方法1 表面平整度 3 1m靠尺检查2 卷材搭接长度-10 尺量检查6) 保护层允许偏差和检验方法序号项目允许偏差(㎜)检验方法1 表面平整度 3 1m靠尺检查2 分格缝平直3 拉线尺量检查7)预埋件和预留孔洞的允许偏差和检验方法序号项目允许偏差(mm)检验方法1 预留孔洞中心位臵10 尺量尺寸+10尺量不少于2处2 预埋件中心位臵 3尺量外露长度+10工艺流程及施工先后顺序三、工艺流程框架箱涵施工流程图四、施工先后顺序混凝土主要采用商品混凝土,框架涵施工顺序为:基坑开挖→基底处理垫层施工→涵身基础施工→中间节施工→端墙基础施工→翼墙施工→防水施工→附属工程。
涵洞施工方案三级技术交底一、施工工艺技术1.1.1施工准备施工前对现场进行调查,了解地下管线、电缆等埋设情况,对可能受到施工影响的地下管线,及时向监理工程师和有关部门汇报,并采取措施迁移与保护。
根据通道所在位置,对场地采用推土机进行整平后,组织施工人员、机具进场、并备足材料,准备好施工用水、用电。
1.1.2施工放样基坑开挖施工前,应按图纸要求的标高、位置进行测量放线,施工放线时,必须注意涵洞全长及洞口端墙的准确位置。
检查涵洞的具体位置、角度、进出口标高与实际地形是否相符,如果不符则立即报请监理工程师进行移位或标高调整。
严格按照图纸要求准确定出通道中心及纵横轴线,以轴线为依据测出基础边线位置并测出标高。
1.1.3基坑开挖及基地处理基坑开挖采用机械开挖人工配合方式,开挖基坑过程中,为防止坑壁塌方,按规范要求对深挖基坑设置边坡,超挖部分严禁用虚土回填,人工修整基坑时,按设计的尺寸和高程将基础坑修整成型。
1.1.4垫层基坑经监理工程师检验合格后,尽快进行垫层分层填筑、分层压实的施工。
垫层厚度严格按图纸所示进行,使用液压机动夯对垫层进行夯实。
1.1.5涵洞主体结构施工涵洞箱体施工的程序为:扎底板和侧墙下部钢筋→安装底板模板→灌注底板混凝土至底板八字角以上30cm→安装侧墙内侧模板和钢筋→安装满堂脚手架及顶板模板→顶板模板预压→绑扎顶板钢筋→安装顶板外侧模板→灌注侧板、顶板混凝土→拆模。
1)扎结底板和侧墙下部钢筋,灌注底板混凝土模板采用钢模板,在模板外竖楞采用10×10cm的方木,用穿墙止水螺杆锁紧;采用钢管作为斜撑,斜撑夹紧打入土中并支撑基坑边坡壁上,以确保支架稳定。
根据设计要求,施工缝应留设在底板、侧墙、顶板上,支模时应一并支设成型。
模板支设完毕,绑扎底板钢筋,预留好侧墙钢筋,经监理工程师检查验收后进行混凝土浇筑。
混凝土采用搅拌运输车从混凝土拌合站运至浇筑地点,使用泵车入模,插入式振动棒分层振捣密实。
三级技术交底记录一、编制依据《公路桥涵施工技术规范》(JTG/T 3650-2020)《公路工程技术标准》(JTG B01-2014);二、适用范围适用于桥涵工程盖板涵施工安全技术交底。
三、交底内容1、施工准备(1)审核施工图纸,熟悉规范和技术标准,调查施工现场,根据实际情况和总体进度安排制定相应的施工方案。
(2)对参加施工人员进行上岗前技术培训,考核合格后持证上岗。
(3) 测量放样,定出涵洞的轴线及施工所需的高程。
(4)平整场地、清理现场、清除障碍物并做好防排水准备。
(5)如箱涵所在位置存有地基加固,应先完成地基加固,并检验合格后再进行涵洞施工。
2、基坑开挖基础开挖采用挖掘机施工并辅以人工整修,并在基础底四周做排水沟和集水井,预备水泵预防地表水及雨水渗入。
基坑开挖至设计标高后,立即进行地基承载力的检验(方法采用动力触探方法),如承载力小于设计值,底部换填碎石,使其达到设计要求,自检合格后,向监理工程师报验,经监理认可后,立即进行基础立模施工。
3、钢筋工程(1)、钢筋进场后,严格按规范要求,由试验员负责抽取试样做试验,确定质量是否合格,严禁不合格材料进场。
(2)、钢筋工程严格按图纸及规范施工,由现场施工员检查合格后报监理检查。
(3)、钢筋采用电弧搭接焊连接,钢筋焊接前,必须根据施工条件进行可焊性试验,合格后方可正式施焊。
双面焊缝长度不小于5d,单面焊缝长度不小于10d。
焊缝表面平顺、饱满、无缺口、裂纹和较大的金属焊瘤,焊缝断面满足规范要求。
(4)、钢筋在加工场地集中制作,现场人工绑扎,下料制作钢筋时,使同一断面内焊接根数不大于50%。
(5)、钢筋的交叉点处,用绑扎丝按逐点改变绕方向(8字形)交错扎结,或按双对角线(十字形)结扎。
(6)、为保证保护层厚度,在钢筋与模板之间设置同等强度的砂浆垫块,垫块应与钢筋扎紧,并互相错开,保护层厚度要符合设计规定。
(7)、在浇筑混凝土前,对已安装好的钢筋进行检查,合格后请监理工程师进行检查签证。
一、一级安全技术交底一、交底对象本交底对象为项目总工、工程部长。
二、交底内容1. 工程概况- 涵洞工程名称、地点、规模;- 设计单位、施工单位、监理单位;- 涵洞结构形式、材料、施工方法。
2. 安全生产责任制- 项目总工、工程部长对安全生产负总责;- 各岗位人员按照职责分工,落实安全生产责任制。
3. 安全生产目标- 实现零死亡、零重伤、零事故的目标。
4. 安全生产措施- 加强安全教育培训,提高全员安全意识;- 制定并严格执行安全技术操作规程;- 加强施工现场安全管理,确保施工安全。
5. 重大危险源辨识及防范措施- 重大危险源:深基坑、高边坡、高空作业等;- 防范措施:设置安全防护设施、制定应急预案、加强现场巡查等。
6. 应急救援预案- 制定应急救援预案,明确救援组织、救援流程、救援物资等;- 定期组织应急演练,提高应急救援能力。
7. 安全生产检查与考核- 定期开展安全生产检查,发现问题及时整改;- 对安全生产责任不落实、违章作业等行为进行严肃处理。
二、二级安全技术交底一、交底对象本交底对象为项目部施工员、技术负责人。
二、交底内容1. 工程概况- 涵洞工程名称、地点、规模;- 施工单位、监理单位;- 涵洞结构形式、材料、施工方法。
2. 安全生产责任制- 项目部施工员、技术负责人对安全生产负直接责任;- 各岗位人员按照职责分工,落实安全生产责任制。
3. 安全生产措施- 加强安全教育培训,提高全员安全意识;- 制定并严格执行安全技术操作规程;- 加强施工现场安全管理,确保施工安全。
4. 重大危险源辨识及防范措施- 重大危险源:深基坑、高边坡、高空作业等;- 防范措施:设置安全防护设施、制定应急预案、加强现场巡查等。
5. 应急救援预案- 制定应急救援预案,明确救援组织、救援流程、救援物资等;- 定期组织应急演练,提高应急救援能力。
6. 安全生产检查与考核- 定期开展安全生产检查,发现问题及时整改;- 对安全生产责任不落实、违章作业等行为进行严肃处理。