箱涵三级技术交底
- 格式:doc
- 大小:65.50 KB
- 文档页数:8
一、交底对象:项目总工、工程部长二、交底内容:1. 工程概况:- 涵洞工程的地理位置、规模、设计标准。
- 施工环境、地质条件、水文条件。
2. 安全目标:- 确保施工过程中人员、设备、材料的安全。
- 预防各类安全事故的发生。
3. 主要安全风险:- 高处坠落风险。
- 机械设备伤害风险。
- 水下作业风险。
- 爆破作业风险。
- 火灾和爆炸风险。
4. 安全管理制度:- 严格执行国家和行业安全生产法律法规。
- 建立健全安全生产责任制。
- 制定和完善各类安全操作规程。
5. 应急措施:- 制定应急预案,明确应急组织机构、职责和程序。
- 定期进行应急演练。
一、交底对象:工程部长、项目部施工员二、交底内容:1. 施工方案:- 针对不同施工阶段,详细说明施工工艺、施工顺序、施工方法。
2. 安全技术措施:- 针对主要安全风险,制定具体的安全技术措施。
- 高处作业安全防护措施。
- 机械设备操作安全规程。
- 水下作业安全防护措施。
- 爆破作业安全规程。
- 火灾和爆炸防范措施。
3. 人员培训:- 对施工人员进行安全教育培训,确保其掌握安全操作技能。
4. 施工现场管理:- 严格按照施工图纸和施工方案进行施工。
- 加强施工现场的安全巡查,及时发现和消除安全隐患。
#### 三、三级安全技术交底一、交底对象:施工员、班组二、交底内容:1. 具体施工任务:- 针对班组具体施工任务,详细说明施工步骤、操作要点。
2. 安全操作规程:- 针对具体施工操作,详细说明安全操作规程。
3. 个人防护用品:- 规定施工人员必须佩戴的个人防护用品。
4. 作业环境:- 详细说明作业环境的安全要求。
5. 安全注意事项:- 强调施工过程中需要注意的安全事项。
6. 安全检查:- 施工前、施工中、施工后进行安全检查,确保施工安全。
通过以上三级安全技术交底,确保涵洞工程施工过程中的安全,预防各类安全事故的发生,保障施工人员的人身安全。
中交路桥建设有限公司涵洞施工技术交底(三级)编制人:复核人:审核人:年月日三级技术交底1.工程概况路基二队K49+946内有1-2×2正交分离式基础涵洞1座(暗涵1座),该施工班组负责人工配合挖掘机开挖涵洞基坑,基坑坡比一般按1:0.75放坡,基坑如果超过5米深,适度放缓,然后整平基坑基础。
涵洞基础为分离式基础,待基坑承载力达到要求后,按4-6米一段设置沉降缝,具体根据涵洞长度推算,要求每道沉降缝贯穿整个涵洞。
然后进行模板拼装,并用拉杆拉紧,模板外侧必须使用双钢管支撑。
涵洞所用到的钢筋型号有Φ8、Φ10、Φ12、Φ18,绑扎钢筋前,必须确保模板表面打磨干净,并涂刷了脱模剂,确保基础无积水、泥巴现象,确保基础干净,模板与基础接触密实,不漏浆。
涵洞基础和涵洞墙身混凝土采用C25砼,涵洞台帽、盖板采用C30混凝土,涵洞帽石采用C20混凝土,分离式基础涵洞涵底铺砌和涵洞八字墙砌筑采用M7.5浆砌片石,勾缝采用M10砂浆。
涵洞涂刷沥青胶结材料,以形成防水层。
2.施工作业指导2.1施工准备及基坑开挖测量定出涵洞基础宽度边线,然后适度放宽开挖线,进行基坑开挖,保证有足够宽的施工作业面。
2.2基底夯实若基坑开挖后,基底承载力达不到设计要求,必须夯实或者进行基底换填。
2.3基础施工基底承载力达到要求后,按4-6米的间隔长度分好涵洞的每个基础脚点并固定好,必要时进行脚点加密。
安装模板时必须拉通线,参照通线保证模板的线形顺直。
2.4基础钢筋绑扎涵洞基础采用现浇C25素混凝土,涵身Φ16预埋钢筋必须和基础的钢筋进行焊接,采用50cm 的预埋钢筋,预埋钢筋外漏30cm,按20cm间距布设。
2.5基础砼浇筑调节模板后,将模板稳定牢固,然后进行C25基础砼浇筑。
浇筑时,防止混凝土离析,使用流槽的话高差不大于2米,高差大于2米必须使用串筒、吊筒或者泵车进行浇筑。
2.6涵身模板安装涵洞基础施工完成后,必须将墙身与基础的连接处进行凿毛,然后拼装墙身模板。
一、一级交底一、交底目的确保所有参与涵洞施工的人员充分了解施工过程中可能存在的安全隐患,掌握必要的安全防护措施,从而有效预防事故发生,保障施工人员的人身安全和工程进度。
二、交底内容1. 施工概况:- 工程名称:[工程名称]- 施工地点:[施工地点]- 施工单位:[施工单位]- 施工负责人:[施工负责人]2. 施工环境:- 地形地貌:[地形地貌]- 气候条件:[气候条件]- 水文地质:[水文地质]3. 安全风险分析:- 高处坠落:施工人员在高处作业时,必须佩戴安全带,并设置安全防护网。
- 物体打击:施工材料、工具等应堆放整齐,防止坠落伤人。
- 触电:施工现场必须严格执行用电安全规程,禁止私拉乱接电线。
- 机械伤害:操作机械设备前必须检查设备状况,确保设备正常运行。
- 火灾:施工现场严禁烟火,禁止使用明火作业。
4. 安全防护措施:- 设置安全警示标志,提醒施工人员注意安全。
- 采取防护措施,如设置安全网、防护栏等。
- 定期进行安全检查,及时发现并消除安全隐患。
- 加强安全教育,提高施工人员的安全意识。
三、注意事项1. 所有施工人员必须遵守本交底内容,不得违反安全操作规程。
2. 施工过程中,如发现安全隐患,应立即停止作业,并报告上级领导。
3. 定期对施工人员进行安全教育培训,提高安全意识和操作技能。
二、二级交底一、交底目的对施工班组进行详细的安全技术交底,使班组人员充分了解施工过程中的具体安全风险和防护措施。
二、交底内容1. 施工班组概况:- 班组名称:[班组名称]- 班组长:[班组长]- 班组人员:[班组人员]2. 施工部位及内容:- 施工部位:[施工部位]- 施工内容:[施工内容]3. 安全风险分析:- 根据施工部位及内容,分析可能存在的安全风险。
4. 安全防护措施:- 针对具体施工部位及内容,制定相应的安全防护措施。
5. 操作规程:- 详细说明施工过程中的操作步骤和安全注意事项。
三、注意事项1. 班组人员必须熟悉本交底内容,并严格遵守操作规程。
技术交底记录(三级)
编号:
1施工图纸细部讲解
本工程拟建箱涵截面尺寸分别为4.0*2.0和3.5*2.0m。
箱涵采用C35混凝土,抗渗等级P6,垫层采用C20素混凝土,钢筋采用HRB400,受力钢筋保护层厚度为35m。
箱涵与管廊同槽开挖,箱涵基坑开挖深度约4.7m-8.5m,需编制深基坑支护与安全专项方案,经专家论证后,方可开挖。
排水箱涵断面图
2操作方法
地基处理
1)基坑回填应在综合管廊结构及防水工程验收合格后进行,回填材料应符合设计要求(除基坑横断面图示管廊两侧空间狭小的肥槽回填中粗砂外,回填料宜采用不透水的粘性土或灰土,不得采用盐渍土、膨胀土、冻土、有机质含量大于5%的种植土、砂性土)及国家现行标准的有关规定。
管廊两侧基坑土回填应对称、分层、均匀;分层压实,每层虚厚度为300MM,压实系数不小于
附件:交底照片、关键工艺视频、BIM模型展示动画等。
一、工程概况1. 项目名称:____________________2. 施工单位:____________________3. 施工地点:____________________4. 施工内容:____________________5. 施工工期:____________________二、安全技术交底内容1. 人员要求(1)施工人员必须经过专业培训,取得相关资格证书。
(2)特种作业人员(电工、电焊工、起重机械操作工等)必须持证上岗。
(3)施工现场管理人员应具备安全生产知识和管理能力。
2. 施工现场安全措施(1)施工现场必须设置明显的安全警示标志,包括安全通道、警示区域、危险区域等。
(2)施工现场应设置必要的安全防护设施,如防护栏、防护网、安全带等。
(3)施工现场应配备必要的安全防护用品,如安全帽、安全鞋、防护眼镜、手套等。
3. 施工过程安全措施(1)基坑开挖1)挖机和人不允许同时在基坑内作业,必须同时作业时,人机之间必须保持10米以上的安全距离。
2)基坑开挖时,应预留一个方便基底作业人员上下的安全通道。
3)基底弃土、弃废桩头禁止随意放置,必须离边坡1米以上距离。
4)严格按照施工设计的比例进行放坡。
5)实行便挖基坑边修护栏的原则,在基坑开挖的开始阶段,必须将安全警示标志悬挂在基坑四周。
6)作业人员必须维护好现场的安全设施。
(2)涵洞施工1)施工前,应对施工图纸进行仔细审查,确保施工方案符合设计要求。
2)施工过程中,应严格按照施工工艺和操作规程进行施工。
3)施工过程中,应确保施工机械和设备的安全运行。
4)施工过程中,应加强对施工人员的安全教育,提高安全意识。
5)施工过程中,应加强对施工现场的安全检查,及时发现并消除安全隐患。
(3)施工结束后的安全措施1)施工结束后,应对施工现场进行清理,确保无残留危险物品。
2)对施工过程中使用的机械设备进行维护保养,确保其安全运行。
3)对施工过程中产生的废弃物进行妥善处理,避免环境污染。
一、交底目的为确保涵洞施工过程中的安全,防止事故发生,提高施工人员的安全意识,特制定本安全技术交底。
二、交底对象本次交底对象为涵洞施工全体人员,包括施工管理人员、技术人员、施工人员、特种作业人员等。
三、交底内容1. 涵洞施工概况(1)工程名称:_______(2)工程地点:_______(3)工程规模:_______(4)施工期限:_______2. 施工安全技术措施(1)施工人员安全教育培训施工前,对全体施工人员进行安全教育培训,使其了解涵洞施工过程中的安全风险和预防措施。
(2)施工现场安全防护1)施工区域设置:施工区域应设置明显的安全警示标志,施工人员进入施工现场必须正确佩戴安全帽、安全带等防护用品。
2)基坑防护:基坑开挖时,应设置防护栏、警示标志,确保人员、设备安全。
3)施工机械安全操作:施工机械应每天进行设备检修,严禁机械带病作业。
特种作业人员必须持证上岗。
(3)用电安全1)电焊作业:电焊机外壳必须有良好的接零或接地保护,电源装拆应由电工进行。
电焊机的一次与二次绕组之间、绕组与铁芯之间、绕组、引线与外壳之间,绝缘电阻均不得低于0.5兆欧。
2)焊接现场安全:焊接现场不准堆放易燃、易爆物品,使用电焊机必须按规定穿戴防护用品。
3)电缆线长度:交流弧焊机一次电源线长度应不大于5米,电焊机二次线电缆长度应不大于30米。
(4)基坑开挖安全1)人机安全距离:挖机和人不许同时在基坑内作业,必须同时作业时,人机之间必须保持10米以上的安全距离。
2)安全通道:基坑开挖时,应预留一个方便基底作业人员上下的安全通道。
3)基底弃土、弃废桩头:禁止随意放置,必须离边坡1米以上距离。
4)放坡:严格按照施工设计的比例进行放坡。
5)安全警示标志:在基坑开挖的开始阶段,必须将安全警示标志悬挂在基坑四周。
(5)基底处理、碎石垫层施工1)机械作业:机械作业必须遵守安全操作规程。
2)施工人员安全:施工人员必须维护好现场的安全设施,如安全警示牌、基坑护栏等。
一、基坑开挖1、所有施工人员必须按规定要求,配戴安全防护用具。
2、基坑高度超过1.5m时,应具备有便于出入基杭的爬梯等安全设施。
3、开挖过程中中,当坑沿顶面裂缝,坑壁松塌或遇有漏水等影响基坑边坡稳定时,应立即加固防护。
4、开挖基坑需机械抽水开挖时,必须配备足够的抽排水设备,抽水机及管路要安放牢靠。
5、在坑沿应设“小心坠落”警示标志,并加设围栏,夜间施工时应设置红灯示警。
6、应对基础边坡和孔壁的稳定进行监控,经常检查,及时进行支护,以免发生边坡跨塌事故。
二、钢筋加工和安装1、钢筋加工时注意加工设备是否正常工作,熟悉机械的操作规程,严禁不熟悉操作规程的人员上岗,机械出现故障时,应请示厂家或相关技术人员进行修理,严禁私自修理,确保操作安全。
2、进行施焊作业时必须戴防护罩及电焊专用手套。
3、进入施工场地必须戴安全帽,严禁赤膊作业,严禁酒后作业。
4、进行钢筋作业时必须按规定正确穿戴劳动防护用品,如:手套、工作服,安全帽等。
5、在吊送钢筋时,扒杆摆动的范围内严禁站人,以防钢筋滑落伤人。
6、绑扎钢筋时,应先检查脚手架或平台等安全设施是否完善牢靠。
如有缺陷应立即处理好后方可作业,在钢筋密集处作业时,钢筋绑扎与电焊尽量不要同时作业,确需同时作业时,应有防护措施,以防电弧光击伤眼睛或焊渣烧伤。
7、多人抬运钢筋时,负荷应均匀,起、落、转、停和行走要一致,以防扭腰砸脚。
上下传递钢筋,不得站在同一垂直线上。
8、钢筋为易导电材料,雷雨天气停止露天作业,以防电击伤人;在高处进行钢筋绑扎作业时,系好安全带,安全带挂在作业人员上方牢靠处。
三、支架搭设1、底座和顶托托撑伸出长度以不大于20cm为宜。
底座和托撑应密贴地面或楞梁,不得悬空或托空。
2、立杆、水平杆和扫地杆1)扣件式支架立杆接头必须采用对接扣件连接。
2)支架底层必须设置纵、横向水平杆作为扫地杆,纵向水平杆宜设置在立杆内侧,长度不小于3跨,作业层上非主节点处的横向水平杆,宜根据支承脚手板的需要等间距设置,最大间距不得大于纵距的1/2。
交底内容箱涵工程技术交底书箱涵工程技术交底交底人交底类型时间二、施工方法1.施工准备在施工现场四周设立围栏并悬挂醒目警示标志,以隔离施工现场和非施工现场。
施工现场周围清除杂物、场地平整、铲除软土、整平夯实。
设备、人员及材料提前进场。
2.测量放样施工前根据设计施工图纸,项目测量人员对箱涵中心桩号及与路线的交角进行复核,以确保现场能够正常施工。
用全站仪放样坐标控制点,实测原地面高程,按基坑基础尺寸两侧各放宽0∙5米进行放样,计算开挖深度,根据土质坚硬情况,确定边坡坡度,如果土质坚硬,放坡按1:1进行开挖,如果土质疏松,放坡按1:1.5开挖边坡,确定基坑开挖界限。
放样时,应认真核对进出口标高及角度,若发现与实际沟渠底标高、角度差异过大或涵底地面与设计图纸出入较大时,应及时予以调整。
3.基坑开挖根据原地面标高及设计标高,确定开挖深度,坑壁的坡度及开挖范围。
基坑开挖采用人工配合机械联合开挖,开挖前注意调查地下管线,做好基顶排水设施,为不使坑底土受到扰动,机械挖土时预留10-20cm用人工开挖,人工修整基底确保不扰动基底地质土层。
基坑内设置临时排水系统,基础四周均设置排水沟,沟底应比基坑底面标高低30cm,并设置集水井,基坑内积水时及时采用水泵排出。
基坑严禁超挖回填,若出现超挖,需采用与基础同强度的碎填平。
人工修整完基坑后,请监理工程师检验基坑几何尺寸,如满足设计要求进行下一道工序,否则报请监理工程师及上级主管部门进行处理。
4.地基处理基坑开挖至设计基底标高后,首先是做基底承载力实验,检测频率一般情况下每10-20m布置一个断面,每个涵洞不少于三个断面,每个断面不少于三个检测点,地质条件复杂时适当加密。
设计地基承载力为0.12Mpa,如果达到设计要求即可做砂砾石垫层施工,如果达不到地基承载力将采取必要的换填处理,或者其他的加固措施,措施将由施工单位、监理单位、设计单位业主代表一并到现场确定。
基坑开挖完成后及时通知监理工程师检验、及早封蔽,不允许将已开挖至设计标高的基坑长期暴露。
单位:中铁十七局集团有限公司广中江高速公路项目第TJ14合同段项目经理部
工程名称涵洞施工交底人吕卫中
交底等级第三级交底交底时间2014年1月10日
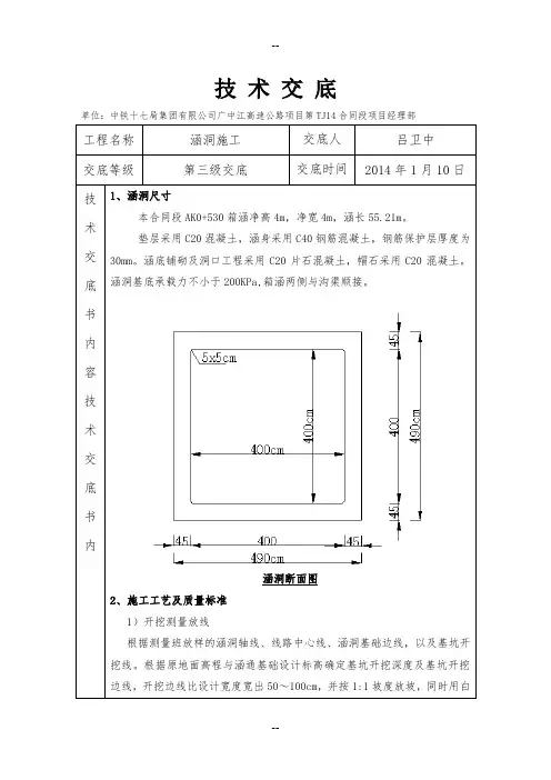
技术交底书内容技术交底书内1、涵洞尺寸
本合同段AK0+530箱涵净高4m,净宽4m,涵长55.21m。
垫层采用C20混凝土,涵身采用C40钢筋混凝土,钢筋保护层厚度为30mm。
涵底铺砌及洞口工程采用C20片石混凝土,帽石采用C20混凝土。
涵洞基底承载力不小于200KPa,箱涵两侧与沟渠顺接。
涵洞断面图
2、施工工艺及质量标准
1)开挖测量放线
根据测量班放样的涵洞轴线、线路中心线、涵洞基础边线,以及基坑开挖线。
根据原地面高程与涵通基础设计标高确定基坑开挖深度及基坑开挖边线,开挖边线比设计宽度宽出50~100cm,并按1:1坡度放坡,同时用白
单位:中铁十七局集团有限公司广中江高速公路项目第TJ14合同段项目经理部
单位:中铁十七局集团有限公司广中江高速公路项目第TJ14合同段项目经理部
单位:中铁十七局集团有限公司广中江高速公路项目第TJ14合同段项目经理部
单位:中铁十七局集团有限公司广中江高速公路项目第TJ14合同段项目经理部
单位:中铁十七局集团有限公司广中江高速公路项目第TJ14合同段项目经理部。
施工单位:编号:施工单位:编号:编制:复核:签收:年月日注:“技术交底书”一式三份,一份交施工队负责人作为施工的依据,一份交现场副经理,一份留存备查,施工单位:编号:编制:复核:签收:年月日注:“技术交底书”一式三份,一份交施工队负责人作为施工的依据,一份交现场副经理,一份留存备查,施工单位:编号:编制:复核:签收:年月日注:“技术交底书”一式三份,一份交施工队负责人作为施工的依据,一份交现场副经理,一份留存备查,施工单位:编号:编制:复核:签收:年月日注:“技术交底书”一式三份,一份交施工队负责人作为施工的依据,一份交现场副经理,一份留存备查,施工单位:编号:编制:复核:签收:年月日注:“技术交底书”一式三份,一份交施工队负责人作为施工的依据,一份交现场副经理,一份留存备查,施工单位:编号:编制:复核:签收:年月日注:“技术交底书”一式三份,一份交施工队负责人作为施工的依据,一份交现场副经理,一份留存备查,施工单位: 编号: 主送单位页数工程名称框架箱涵施工部位涵洞施工编制: 复核: 签收: 年 月 日注:“技术交底书”一式三份,一份交施工队负责人作为施工的依据,一份交现场副经理,一份留存备查,第8页共13页30cm ,设置背贴式止水带。
背贴式止水带铺设于涵洞外侧,其中底板下的止水带可在浇筑涵身混凝土之前将止水带铺设固定于涵身沉降缝处的垫层上,然后浇筑混凝土即可。
边墙和顶板的止水带在涵身混凝土达到设计强度后,用膨胀螺栓、钢板条固定于涵节端部框架外缘呈环形布置。
止水带宜用整根尽量减少接头,接头应粘接牢固密不透水,接头宜设在沉降缝平直部位,不得设在涵身边墙与顶板转角处。
沉降缝外侧及顶板所粘贴的防水卷材为改性沥青弹性防水卷材。
框身沉降缝内侧塞M10水泥砂浆深14cm ,中间如有空隙可填塞聚乙烯泡沫塑料板。
沉降缝应上下贯通,不得错台。
止水带设于涵洞外侧(外包法),使用钢垫板及螺栓进行固定(如下图)。
涵节底部止水带应在钢筋安装前固定于基础上。
涵洞施工方案三级技术交底一、施工工艺技术1.1.1施工准备施工前对现场进行调查,了解地下管线、电缆等埋设情况,对可能受到施工影响的地下管线,及时向监理工程师和有关部门汇报,并采取措施迁移与保护。
根据通道所在位置,对场地采用推土机进行整平后,组织施工人员、机具进场、并备足材料,准备好施工用水、用电。
1.1.2施工放样基坑开挖施工前,应按图纸要求的标高、位置进行测量放线,施工放线时,必须注意涵洞全长及洞口端墙的准确位置。
检查涵洞的具体位置、角度、进出口标高与实际地形是否相符,如果不符则立即报请监理工程师进行移位或标高调整。
严格按照图纸要求准确定出通道中心及纵横轴线,以轴线为依据测出基础边线位置并测出标高。
1.1.3基坑开挖及基地处理基坑开挖采用机械开挖人工配合方式,开挖基坑过程中,为防止坑壁塌方,按规范要求对深挖基坑设置边坡,超挖部分严禁用虚土回填,人工修整基坑时,按设计的尺寸和高程将基础坑修整成型。
1.1.4垫层基坑经监理工程师检验合格后,尽快进行垫层分层填筑、分层压实的施工。
垫层厚度严格按图纸所示进行,使用液压机动夯对垫层进行夯实。
1.1.5涵洞主体结构施工涵洞箱体施工的程序为:扎底板和侧墙下部钢筋→安装底板模板→灌注底板混凝土至底板八字角以上30cm→安装侧墙内侧模板和钢筋→安装满堂脚手架及顶板模板→顶板模板预压→绑扎顶板钢筋→安装顶板外侧模板→灌注侧板、顶板混凝土→拆模。
1)扎结底板和侧墙下部钢筋,灌注底板混凝土模板采用钢模板,在模板外竖楞采用10×10cm的方木,用穿墙止水螺杆锁紧;采用钢管作为斜撑,斜撑夹紧打入土中并支撑基坑边坡壁上,以确保支架稳定。
根据设计要求,施工缝应留设在底板、侧墙、顶板上,支模时应一并支设成型。
模板支设完毕,绑扎底板钢筋,预留好侧墙钢筋,经监理工程师检查验收后进行混凝土浇筑。
混凝土采用搅拌运输车从混凝土拌合站运至浇筑地点,使用泵车入模,插入式振动棒分层振捣密实。
三级技术交底记录一、编制依据《公路桥涵施工技术规范》(JTG/T 3650-2020)《公路工程技术标准》(JTG B01-2014);二、适用范围适用于桥涵工程盖板涵施工安全技术交底。
三、交底内容1、施工准备(1)审核施工图纸,熟悉规范和技术标准,调查施工现场,根据实际情况和总体进度安排制定相应的施工方案。
(2)对参加施工人员进行上岗前技术培训,考核合格后持证上岗。
(3) 测量放样,定出涵洞的轴线及施工所需的高程。
(4)平整场地、清理现场、清除障碍物并做好防排水准备。
(5)如箱涵所在位置存有地基加固,应先完成地基加固,并检验合格后再进行涵洞施工。
2、基坑开挖基础开挖采用挖掘机施工并辅以人工整修,并在基础底四周做排水沟和集水井,预备水泵预防地表水及雨水渗入。
基坑开挖至设计标高后,立即进行地基承载力的检验(方法采用动力触探方法),如承载力小于设计值,底部换填碎石,使其达到设计要求,自检合格后,向监理工程师报验,经监理认可后,立即进行基础立模施工。
3、钢筋工程(1)、钢筋进场后,严格按规范要求,由试验员负责抽取试样做试验,确定质量是否合格,严禁不合格材料进场。
(2)、钢筋工程严格按图纸及规范施工,由现场施工员检查合格后报监理检查。
(3)、钢筋采用电弧搭接焊连接,钢筋焊接前,必须根据施工条件进行可焊性试验,合格后方可正式施焊。
双面焊缝长度不小于5d,单面焊缝长度不小于10d。
焊缝表面平顺、饱满、无缺口、裂纹和较大的金属焊瘤,焊缝断面满足规范要求。
(4)、钢筋在加工场地集中制作,现场人工绑扎,下料制作钢筋时,使同一断面内焊接根数不大于50%。
(5)、钢筋的交叉点处,用绑扎丝按逐点改变绕方向(8字形)交错扎结,或按双对角线(十字形)结扎。
(6)、为保证保护层厚度,在钢筋与模板之间设置同等强度的砂浆垫块,垫块应与钢筋扎紧,并互相错开,保护层厚度要符合设计规定。
(7)、在浇筑混凝土前,对已安装好的钢筋进行检查,合格后请监理工程师进行检查签证。
箱涵施工安全技术交底一、工程概述在本次箱涵施工项目中,我们将面临一系列的施工任务和挑战。
箱涵的建设对于保障水流的顺畅通过、道路的正常通行以及周边设施的安全都具有重要意义。
为了确保施工过程的安全和顺利进行,特进行此次安全技术交底。
二、施工准备阶段的安全注意事项1、现场勘查在施工前,必须对施工现场进行全面的勘查,了解地形、地貌、地下管线等情况。
对于可能存在的危险区域,如高压电线附近、地质不稳定区域等,要设置明显的警示标志。
2、施工方案制定施工方案应经过严格的审批,确保其符合安全规范和要求。
方案中应包括详细的安全措施和应急预案。
3、人员培训所有参与施工的人员都必须接受安全培训,了解施工过程中的危险因素和应对方法。
培训内容包括但不限于个人防护用品的正确使用、机械设备的操作规范等。
4、材料和设备准备所选用的材料和设备必须符合质量和安全标准。
对机械设备要进行全面的检查和维护,确保其性能良好,运行安全。
三、施工过程中的安全要点1、土方开挖(1)按照施工方案进行分层开挖,严禁超挖。
在开挖过程中,要密切观察边坡的稳定性,如发现有塌方的迹象,应立即停止作业,并采取相应的加固措施。
(2)在沟槽边缘设置防护栏杆和警示标志,防止人员和车辆误入。
夜间要设置足够的照明设施。
(3)土方运输车辆要遵守交通规则,不得超载、超速行驶,在施工现场要听从指挥人员的指挥。
2、模板工程(1)模板的安装和拆除必须由专业人员进行操作,并严格按照操作规程进行。
(2)在高处安装和拆除模板时,操作人员必须系好安全带,佩戴安全帽。
严禁在同一垂直面上上下同时作业。
(3)模板支撑系统要牢固可靠,经过计算和验收合格后方可使用。
3、钢筋工程(1)钢筋加工设备要定期进行检查和维护,确保其安全防护装置完好有效。
(2)操作人员要严格遵守操作规程,不得违章作业。
在搬运钢筋时,要注意周围人员的安全。
4、混凝土工程(1)混凝土浇筑前,要对模板、支架、钢筋等进行检查,确保其符合要求。
箱涵施工技术交底书工程名称**工程施工单位***** 分部分项工程名称箱涵交底时间施工规范《公路桥梁施工技术规范》JTG/T_F50-2011《公路路基施工技术规范》(JTGF10-2006)《工程测量规范》(GB50026-2007)《公路工程施工安全技术规程》《公路工程质量检验评定标准》(JTGF80/1-2004)设计院提供的施工设计图1、工程概况:本段涵洞布设以原有沟渠为基础,以尽量不改变现有排灌系统、水网现状和沿线群众生活用水为原则,兼顾地方有关水利规划需要,同时考虑结构物设置的合理间距与本项目标准自身排水的需要,共设置箱涵5道,详见下表。
序号里程涵洞形式(内径宽×高)涵长(m)角度(º)1 K1+ 4×3m 右偏202 K2+230 4×3m 左偏103 K3+724 4×3m 04 K4+109 4×3m 右偏20垫层采用C20混凝土,其余部位均采用C30混凝土,钢筋保护层厚度均为50mm。
涵洞基底承载力不小于110KPa,箱涵两侧与现况沟渠顺接。
在箱涵全长范围内,道路中心线处设置1道变形缝,在两侧每隔10m左右设置一道变形缝(变形缝为2cm宽),箱涵纵向不设坡度。
边沟及护砌采用水泥砂浆砌浆砌片石。
2、施工准备2. 1测量放样,测量班首先放出箱涵基础的控制桩,符合无误后,报请测量监理工程师检验,检验合格后方能进入下道工序,同时注意保护控制桩位。
对湿喷桩处理的复合地基进行试验检测,确保满足地基承载力要求。
现场道路平整、水、电线路开通,安全可靠。
参加施工的作业人员经技术技能培训、安全教育培训方可上场作业。
各种机械调试完毕,并保证处于良好的工作状态。
本项工程所需各类材料准备齐全,并按照施工规范要求,对用于该工程的原材料进行抽样检测,确保工程质量。
3、施工工艺流程测量放样→基坑开挖→铺碎石换填→浇砼垫层→绑扎箱底钢筋→底板立模→浇箱底砼→箱身内模支立→绑扎箱身、翼墙钢筋→立侧模、搭支架→绑扎顶板钢筋→浇筑箱身、翼墙砼→养生→拆除支架、模板→土方回填→锥坡施工→拆除围堰。
4、施工控制测量放线根据设计图纸,采用全站仪,用坐标法对涵洞进行总体定位,放出涵洞轴线、线路中心线、涵洞基础边线,以及基坑开挖线。
根据原地面高程与涵通基础设计标高确定基坑开挖深度及基坑开挖边线,开挖边线比设计宽度宽出80cm,同时用白石灰洒出开挖线。
基坑开挖根据现场实际情况,采用人工配合机械开挖基坑,基坑坡度为1:1,开挖过程中注意按地质情况,并检查坑壁是否稳定而不致塌方。
如有不稳定因素,要及时放缓基坑坡度,或采用基坑挡土板支撑或其它防护措施。
集水坑积水,及时以电动自吸泵抽排。
富水地层,基坑四角随着挖深跟进集水坑,基底周边用人工挖成0.2m×的临时小排水沟。
基坑开挖至接近基底标高上留20㎝,进行人工清底,整平夯实。
铺碎石换填基坑开挖结束后,及时铺设碎石垫层。
碎石购进运至现场基槽一侧,采用挖机布料至槽底,由人工摊铺整平至设计标高。
施工前,由测量人员测出碎石垫层顶面标高,推土机根据测量成果进行控制。
碎石垫层根据图纸要求,洞口部位厚度为80cm,洞身部位厚度为50cm,采用分层铺筑、分层压实的施工方法,分层厚度不超过25㎝,用8~12t滚筒式压路机压实或小型机械夯实。
浇砼垫层基底处理完毕验收合格后,进行涵底C20混凝土垫层施工,由于基底砼厚度设计只有10cm,所以采用竹胶模板,立模,四周支撑牢固,防止变形。
混凝土由搅拌站集中供料,罐车运输,拖泵泵送入模,用插入式振捣棒振捣,待混凝土定浆后,表面抹平。
绑扎箱底钢筋在垫层混凝土达到一定强度后,在垫层上按照设计图纸进行施工放样,定出涵洞模板位置线,并用墨斗弹出轮廓线。
在垫层强度达到75%后,进行钢筋绑扎。
按照图纸标明的主筋间距计算出主筋的数量,然后在垫层上依次划出主筋位置,主筋间距必须均匀。
钢筋加工时,根据伸缩缝的设置情况,复核斜分布区钢筋下料长度;安装斜分布区钢筋时,注意伸缩缝的预留位置。
钢筋采用钢筋场集中加工、施工现场绑扎。
在钢筋骨架下垫同标号混凝土垫块,并根据保护层的厚度,确定垫块的大小,成梅花形布置。
底层钢筋如有绑扎接头时,钢筋搭接长度及搭接位置应符合施工规范要求,钢筋搭接处应用铁丝在中心及两端扎牢,接头位置应符合施工规范要求。
钢筋绑扎时,底层水平筋与主筋的相交点可相隔交错绑扎,侧面水平筋的相交点每点都绑扎,绑扎时扎丝一律甩头向内,采用八字扣,不允许顺绑,保证钢筋不移位。
墙身钢筋在底板内预埋竖向主筋,底板内的墙身段钢筋必须在浇筑成台前绑扎完成,其上端应采取措施保证甩筋垂直,不歪斜、倾倒、变位。
底板立模本箱涵以变形缝为界分为4段,底板一次性支模成型,模板采用组合木模板,上下两道10×10cm木枋背楞,外侧用脚手管夹紧打入土中并支撑基坑边坡土壁上,间距50cm。
根据设计要求,用2cm沥青木板预留变形缝,支模时应一并支设成型。
浇箱底砼底板混凝土由拌和站集中拌合供应,混凝土罐车运至施工现场,现场检测混凝土塌落度等性能指标,检测合格后混凝土采用溜槽入模,人工配合,引导溜槽方向,使混凝土均匀分布。
采用插入式振捣棒振捣的施工方法,振捣时振动棒垂直插入,快入慢出,插点均匀,成行交错式前进,移动间距30cm,且插入下层混凝土内的深度控制在5~10cm,与模板保持10cm的距离。
混凝土振捣密实的标志为混凝土不下沉,表面泛浆,无气泡冒出。
混凝土浇筑连续进行,加强施工现场与拌和站的沟通联系,如因故间断,其间断时间不小于前层混凝土的初凝时间或重塑时间。
在浇筑过程中或浇筑完成时,如混凝土表面泌水较多,须在不扰动已浇筑混凝土的条件下,采取措施(如用海绵、干布吸水)将水排除。
继续浇筑混凝土应查明原因,减少泌水。
混凝土浇筑完成后,对混凝土裸露面及时进行收面抹平,待定浆后收面,收面完毕后及时采用土工布覆盖,并定时洒水湿润养护,养护期不得少于7天,在养护期内不得在混凝土表面堆放重物加压、冲击和有腐蚀物的触及。
浇筑时注意砼的振捣密实和底板表面平整压光。
箱身内模支立底板混凝土强度达到设计强度的70%后,方可在底板上绑扎箱身、顶板、翼墙钢筋,支立模板。
内模支架用直径5cm钢管作支撑,按75 cm *75 cm间距满堂布置。
顶端跨径方向用10cm*10cm木楞,支撑跨径方向间距为75cm,涵长方向间距75cm,支撑与支撑间横排及纵排间隔不大于75cm钉拉杆,支撑木间形成整体。
内模采用大块模板,板缝间夹泡沫塑料条,长度方向沿涵长方向布置。
支撑木下垫60mm厚板材,板材与支撑木间用木楔调整支撑木顶端标高,以利于拆模。
为防止浇注混凝土时漏浆,在安装模板时模板接缝处用双面胶粘贴密实,接缝平顺、严密、无错台。
模板应按一个顺序拼接,以使混凝土模板缝少,且均匀好看为原则。
绑扎箱身、翼墙钢筋箱身、翼墙钢筋的绑扎、安装同底板施工一致。
立侧模、搭支架、立顶模模板采用木模板组拼,模板拼缝采用玻璃胶抹平并打磨平整。
模板脱模剂选用石蜡,模板安装前,将模板清洗干净,打蜡二遍,再用抹布将蜡抹干净,垫块采用砂浆垫块。
箱身内采用满堂脚手架,脚手架选用碗式脚手管,脚手架立杆步距为*,横杆步距为1.5m。
侧模横肋采用10*10cm木方,间距为40cm,竖肋采用[16槽钢,间距为70cm,选用Ø20螺杆对拉,间距为*0.8m。
绑扎顶板钢筋顶板钢筋的绑扎、安装同底板施工一致。
顶板钢筋安装在箱身内满堂脚手架及箱身内模板施工完成后进行,安装时注意保持模板的清洁。
浇筑箱身、翼墙砼混凝土浇筑时注意施工缝处的粗糙和干净,并注意砼的接茬振捣,以保证拆模后砼的外观质量良好。
此次浇筑属于薄壁钢筋砼结构,必须保证砼的振捣密实和几何尺寸,以期达到砼结构内实外美的效果。
混凝土采用就地浇筑工艺,由拌合站集中拌和,混凝土搅拌运输车运抵施工现场,吊车配合吊斗入模。
浇注混凝土前,检查混凝土的均匀性和坍落度,并对支架、模板、钢筋和预埋件进行检查,符合设计要求后方可浇注。
模板内的杂物、积水和钢筋上的污垢清理干净。
模板如有缝隙,填塞严密,模板内面涂刷脱模剂。
搅拌过程中安排试验员对原材料用量、坍落度等进行自检,以确保工程质量。
混凝土浇筑前在侧墙顶面搭设施工平台,采用串筒使混凝土顺利下落,以避免混凝土产生离析;在串筒出料口下面,混凝土堆积高度不超过1m。
混凝土浇筑时水平分层、斜向分段,每一单层厚度不能大于30cm,每段混凝土浇筑必须在前一段(层)混凝土初凝前完成,避免出现施工缝。
混凝土振捣采用插入式振动棒,与侧模应保持50~100mm的距离,插入下层混凝土 50~100mm,每一处振动完毕后应边振动边徐徐提出振动棒,振捣时间为15~20s,防止漏振、少振或过振。
振捣时注意不要触及模板及预埋件。
当混凝土浇注至顶面时,用水准仪辅以尼龙绳控制高程,并及时进行收光、抹平。
养生由于混凝土表面水分蒸发量大,易产生收缩温差裂缝,故混凝土在浇筑完毕后应及时用塑料布覆盖并派专人负责洒水养护,养护时间一般为7天。
每天洒水次数以能保持混凝土表面经常处于湿润状态为宜。
拆除支架、模板混凝土强度达到75%时,方可拆模。
锥坡基础、隔水墙及洞口铺砌施工施工前,由测量人员测放出锥坡基础及隔水墙的标高及位置,在其的外侧用木桩引出基准点,人工开挖土方,砌筑#浆砌片石,片石饱水抗压强度大于20Mpa砌筑#浆砌片石,片石的材质要求:饱水抗压强度大于20Mpa。
砌筑时,先砌筑两端头,再根据线型砌筑中间。
砌筑采用分批卧砌,上下层间必须错缝,内外搭砌,严禁采用外侧面侧立大石块、中间填心的砌筑方法。
砂浆必须饱满,防止外侧缝出现无浆现象。
石块较大的空隙先填塞砂浆,后用碎石嵌实,确保砌体平顺、美观。
锥坡基础、隔水墙施工结束后,即可开挖洞口铺砌保护层土方,施工洞口铺砌的浆砌片石,具体施工方法同前。
砂浆勾缝采用矩形凸缝方式,用砂浆嵌缝,凸出砌石面5mm左右。
勾缝前,先将浆砌片石表面清洗干净,使勾缝砂浆与砌体粘结牢固,砂浆抹面平整、压光。
砌筑完成后,洒水养护,养护期为7天,养护期间避免碰撞振动。
土方回填沉降缝施工完成和涵身混凝土强度达到 100%设计强度后,在涵背墙身表面用红漆标注填层厚度线(要求回填厚度 15cm 一层),然后用 10%石灰土在涵洞接长部分两侧同时对称填筑。
新填筑的部分应与路基采用挖台阶的方法进行连接,填筑时先由人工摊平,再用手扶振动夯在涵洞两侧对称夯实,每层夯实后及时检测密实度,其压实度要求比相应路基高 2%,并做好横向排水。
满足设计要求并经监理工程师检查签认后,方可进行上一层的填筑。
填筑禁止使用大型机械推土筑高一次压实,在涵顶填土大于 50 厘米后方可允许施工车辆通过。
锥坡施工锥坡回填须超宽30㎝填筑,与路基衔接面开挖台阶,每层台阶高0.5m、宽0.5m。