管径规格及重量对照表
- 格式:xls
- 大小:18.00 KB
- 文档页数:1
常用钢管规格型号一览表
常用钢管
钢管每米理论重量计算公式:
W=3.1416*ρδ(D—δ)/1000
W——钢管每米理论重量kg/m;
ρ——钢的密度kg/dm-3;7.81、7.85、7.91
D——钢管的公称外径mm;
δ——钢管的公称壁厚mm;
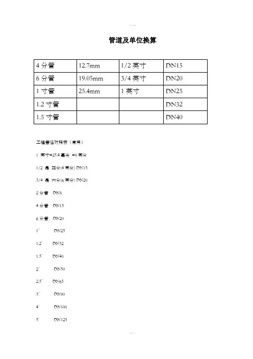
1 英寸=25.4毫米=8英分
1/2 是四分(4英分) DN15
3/4 是六分(6英分) DN20
2分管DN8
4分管DN15
6分管DN20
1′DN25
1.2′DN32
1.5′DN40
2′DN50
2.5′DN65
3′DN80
4′DN100
5′DN125
6′DN150
8′DN200
10′ DN250
12′ DN300
GB/T50106-2001
2.4管径
2.4.1管径应以mm为单位。
2.4.2管径的表达方式应符合下列规定:
1 水煤气输送钢管(镀锌或非镀锌)、铸铁管等管材,管径宜以公称直径DN表示;
2 无缝钢管、焊接钢管(直缝或螺旋缝)、铜管、不锈钢管等管材,管径宜以外径×壁厚表示;
3 钢筋混凝土(或混凝土)管、陶土管、耐酸陶瓷管、缸瓦管等管材,管径宜以内径d 表示;
4 塑料管材,管径宜按产品标准的方法表示;
5 当设计均用公称直径DN表示管径时,应有公称直径DN与相应产品规格对照表。
建筑排水用硬聚氯乙烯管材规格用de(公称外径)×e(公称壁厚)表示(GB 5836.1-92)
给水用聚丙烯(PP)管材规格用de×e表示(公称外径×壁厚)。
【关键字】单位工程管径对照表(常用)1 英寸=25.4毫米=8英分1/2 是四分(4英分) DN15 3/4 是六分(6英分) DN20 2分管DN84分管DN156分管DN201′ DN251.2′ DN321.5′ DN402′ DN502.5′ DN653′ DN804′ DN1005′ DN1256′ DN1508′ DN20010′ DN25012′ DN300GB/T50106-20012.4管径1 水煤气输送钢管(镀锌或非镀锌)、铸铁管等管材,管径宜以公称直径DN表示;2 无缝钢管、焊接钢管(直缝或螺旋缝)、铜管、不锈钢管等管材,管径宜以外径×壁厚表示;3 钢筋混凝土(或混凝土)管、陶土管、耐酸陶瓷管、缸瓦管等管材,管径宜以内径d表示;4 塑料管材,管径宜按产品标准的方法表示;5 当设计均用公称直径DN表示管径时,应有公称直径DN与相应产品规格对照表。
建筑排水用硬聚氯乙烯管材规格用de(公称外径)×e(公称壁厚)表示(GB 5836.1-92)给水用聚丙烯(PP)管材规格用de×e表示(公称外径×壁厚).关于DN与De的区别:1、DN是指管道的公称直径,注意:这既不是外径也不是内径;应该与管道工程发展初期与英制单位有关;通常用来描述镀锌钢管,它与英制单位的对应关系如下:4分管:4/8英寸:DN15;6分管:6/8英寸:DN20;1寸管:1英寸:DN25;寸二管:1又1/4英寸:DN32;寸半管:1又1/2英寸:DN40;两寸管::DN50;两寸半管:2 1/2英寸:DN63三寸管::DN80(很多地方也标为DN75);四寸管::DN100;De主要是指管道外径,一般采用De标注的,均需要标注成外径X壁厚的形式;主要用于描述:无缝钢管、PVC等塑料管道、和其他需要明确壁厚的管材。
拿镀锌焊接钢管为例,用DN、De两种标注方法如下:DN20 De25XDN25 De32XDN32 De40XDN40 De50X等等。
!-依照《给水排水制图标准》(GB/T50106-2001)第节管径中有关规定:1、水煤气输送钢管(镀锌和非镀锌)、铸铁管等管材,管径标明为DN( mm);2、无缝钢管、焊接钢管(直缝或螺旋缝)、铜管、不锈钢管等管材,管径标明为外径Dx 壁厚;3、钢筋混凝土(或混凝土)管、陶土管、耐酸陶瓷管等管材,管径标明为d;4、塑料管材,管径宜按产品标准的方法标明;当设计用 DN 标明管径时,应有 DN 与相应产品规格比较表。
塑料管管径按产品标准的方法标明一般之外径表示,如 UPUC管标明为 de,HDPE管标明为De。
1.总则本标准规定了石油化工公司用DN10-DN2000的碳钢素钢、合金钢、奥氏体不锈钢无缝钢管及焊接钢管的尺寸系列。
本标准合用于石油化工公司中的一般钢制管道。
本标准不合用于仪表用管道。
本标准取代《钢管的公称直径、外径和壁厚》(BA3-4-1-92)。
2.引用标准GB/T4237不锈钢热轧钢板GB4238耐热钢板履行本标准时,尚应切合上述有关标准的要求。
!-3.一般定中国石油化工公司准SH3045-96《石油化工企管尺寸系列》已布代替SHJ405-89并开始施.。
考国内当前管及管道法件生和供的情况。
所有行准另有必定困。
本准基本依照SH3405-96的定,但作了若干修改,主要有;a )公称直径DN350~DN1000管的外径仍按我院行定制,以便于与机械部法(JB/T81-94~JB/T86-94)配套接。
b )考到在老厂改造中仍有可能用小外径管,本准充列入了外径管系列,但不介绍用。
c )本准列出了中国石化公司准《石油化工企管尺寸系列》(SH3405-96 ),当用系列,DN≥350 用与SH相当套的的法、管件、固件和片系列。
DN≤300 可用SH 准,也可用其余相当套的准。
d )表~表中DN≤ 300的管尺寸,亦可与国外某些准(例如ANSI 准)配套使用。
但假如管子外国,其外径和壁厚切合外国有关准。
工程管径对照表(常用)1 英寸=25.4毫米=8英分1/2 是四分(4英分) DN15 3/4 是六分(6英分) DN20 2分管DN84分管DN156分管DN201′ DN251.2′ DN321.5′ DN402′ DN502.5′ DN653′ DN804′ DN1005′ DN1256′ DN1508′ DN20010′ DN25012′ DN300GB/T50106-20012.4管径2.4.1管径应以mm为单位。
2.4.2管径的表达方式应符合下列规定:1 水煤气输送钢管(镀锌或非镀锌)、铸铁管等管材,管径宜以公称直径DN表示;2 无缝钢管、焊接钢管(直缝或螺旋缝)、铜管、不锈钢管等管材,管径宜以外径×壁厚表示;3 钢筋混凝土(或混凝土)管、陶土管、耐酸陶瓷管、缸瓦管等管材,管径宜以内径d表示;4 塑料管材,管径宜按产品标准的方法表示;5 当设计均用公称直径DN表示管径时,应有公称直径DN与相应产品规格对照表。
建筑排水用硬聚氯乙烯管材规格用de(公称外径)×e(公称壁厚)表示(GB 5836.1-92)给水用聚丙烯(PP)管材规格用de×e表示(公称外径×壁厚).关于DN与De的区别:1、DN是指管道的公称直径,注意:这既不是外径也不是内径;应该与管道工程发展初期与英制单位有关;通常用来描述镀锌钢管,它与英制单位的对应关系如下:4分管:4/8英寸:DN15;6分管:6/8英寸:DN20;1寸管:1英寸:DN25;寸二管:1又1/4英寸:DN32;寸半管:1又1/2英寸:DN40;两寸管:2英寸:DN50;两寸半管:2 1/2英寸:DN63三寸管:3英寸:DN80(很多地方也标为DN75);四寸管:4英寸:DN100;De主要是指管道外径,一般采用De标注的,均需要标注成外径X壁厚的形式;主要用于描述:无缝钢管、PVC等塑料管道、和其他需要明确壁厚的管材。
常用钢管规格及用途
备注:
管径应以mn为单位,管径的表达方式应符合下列规定:
1水煤气输送钢管(镀锌或非镀锌)、铸铁管等管材,管径宜以公称直径DN表示;
2无缝钢管、焊接钢管(直缝或螺旋缝)、铜管、不锈钢管等管材,管径宜以D XS (外径x 壁厚)表示;
3钢筋混凝土(或混凝土)管、陶土管、耐酸陶瓷管、缸瓦管等管材,管径宜以内径d 表示;
4塑料管材,管径宜按产品标准的方法表示:当设计均用公称直径DN表示管径时,应有公称直径DN与相应产品规格对照表。
建筑排水用硬聚氯乙烯管材规格用de (公称外径)x e (公称壁厚)表示(GB5836.1-92 )
给水用聚丙烯(PP管材规格用de xe表示(公称外径x壁厚)
公英制单位换算
钢管每米理论重量计算公式:
W=3.1416* p8(D—8) /1000 W——钢管每米理论重量kg/m;
P——钢的密度kg/dm-3 ; 7.81、7.85、7.91 D ---- 钢管的公称外径mm
s—钢管的公称壁厚mm
用途。
常用钢管规格及用途
备注:
管径应以mm为单位,管径的表达方式应符合下列规定:
1 水煤气输送钢管(镀锌或非镀锌)、铸铁管等管材,管径宜以公称直径DN表示;
2 无缝钢管、焊接钢管(直缝或螺旋缝)、铜管、不锈钢管等管材,管径宜以D×δ(外径×壁厚)表示;
3 钢筋混凝土(或混凝土)管、陶土管、耐酸陶瓷管、缸瓦管等管材,管径宜以内径d 表示;
4 塑料管材,管径宜按产品标准的方法表示:当设计均用公称直径DN表示管径时,应有公称直径DN与相应产品规格对照表。
建筑排水用硬聚氯乙烯管材规格用de(公称外径)×e(公称壁厚)表示(GB 5836.1-92)给水用聚丙烯(PP)管材规格用de×e表示(公称外径×壁厚)
公英制单位换算
钢管每米理论重量计算公式:
W=3.1416*ρδ(D—δ)/1000 W——钢管每米理论重量kg/m;
ρ——钢的密度kg/dm-3;7.81、7.85、7.91 D——钢管的公称外径mm;
δ——钢管的公称壁厚mm;
用途。
方管理论重量表、计算公式方管理论重量表、计算公式型号理论重量(kg/m)型号理论重量(kg/m)20*20*1.20.7550*30*2.5 3.0225*25*1.20.9450*30*3 3.640*40*2 2.2950*32*2 2.240*40*2.5 3.0250*35*2.5 3.3240*40*4 4.6855*38*2 2.850*50*2.5 3.8160*40*2.5 3.8150*50*3 4.4460*40*3 4.4450*50*4 5.7460*40*4 5.7460*60*2.5 4.5270*50*47.0260*60*3 5.3880*60*37.0960*60*47.0280*60*48.2270*70*48.2280*60*510.2570*70*510.290*40*2.5 5.1980*80*49.9690*60*510.4780*80*613.85100*60*37.3100*100*411.65100*60*49.16100*100*823100*60*511.53120*120*414.16100*60*4.514.41160*160*4.519.2160*80*4.515.84220*80*6 27.1计算公式:4x壁厚x(边长-壁厚)x7.85 其中,边长和壁厚都以毫米为单位,直接把数值代入上述公式,得出即为每米方管的重量,以克为单位。
如30x30x2.5毫米的方管,按上述公式即可算出其每米重量为:4x2.5x(30-2.5)x7.85=275x7.85=2158.75克,即约2.16公斤当壁厚和边长都以毫米为单位时,4x壁厚x(边长-壁厚)算出的是每米长度方管的体积,以立方厘米为单位,再乘以铁的比重每立方厘米7.85克,得出即为每米方管以克为单位的重量。
管理论重量表计算公式:4x壁厚x(边长-壁厚)x7.85 其中,边长和壁厚都以毫米为单位,直接把数值代入上述公式,得出即为每米方管的重量,以克为单位。
依据《给水排水制图标准》(GB/T50106-2001)第2.4节管径中有关规定:1、水煤气输送钢管(镀锌和非镀锌)、铸铁管等管材,管径标注为DN(mm);2、无缝钢管、焊接钢管(直缝或螺旋缝)、铜管、不锈钢管等管材,管径标注为外径Dx 壁厚;3、钢筋混凝土(或混凝土)管、陶土管、耐酸陶瓷管等管材,管径标注为d;4、塑料管材,管径宜按产品标准的方法标注;当设计用DN标注管径时,应有DN与相应产品规格对照表。
塑料管管径按产品标准的方法标注一般以外径表示,如UPUC管标注为de,HDPE管标注为De。
1. 总则1.0.1 本标准规定了石油化工企业用DN10-DN2000的碳钢素钢、合金钢、奥氏体不锈钢无缝钢管及焊接钢管的尺寸系列。
10.2 本标准适用于石油化工企业中的一般钢制管道。
本标准不适用于仪表用管道。
1.0.3 本标准代替《钢管的公称直径、外径和壁厚》(BA3-4-1-92)。
2. 引用标准GB8163 输送液体用无缝钢管GB9948 石油裂化用无缝钢管GB6479 化肥设备用高压无缝钢管GB5130 高压锅炉用无缝钢管GB/T14976 流体输送用不锈钢无缝钢管GB/T3091 低压流体输送用镀锌焊接钢管GB/T3092 低压流体输送用焊接钢管GB/T14980 低压流体输送用大直径电焊钢管SY/T5037 普通流体输送管道用螺旋埋弧焊钢管SH3405 石油化工企业钢管尺寸系列GB3274 普通碳素结构钢和低合金结构钢热轧厚钢板技术条件GB912 普通碳素结构钢和低合金结构钢薄钢板技术条件GB6654 压力容器用碳素钢和低合金钢厚钢板GB3531 低温压力容器用低合金厚钢板技术条件GB5681 压力容器用热轧钢带GB711 优质碳结构钢热轧厚钢板和宽钢带GB713 锅炉用碳素钢和低合金钢板GB3280 不锈钢冷轧钢板GB/T4237 不锈钢热轧钢板GB4238 耐热钢板3.0.1 中国石油化工总公司标准SH3045-96《石油化工企业钢管尺寸系列》已颁布代替SHJ405-89并开始实施.。
常用钢管规格及用途
备注:
管径应以mn为单位,管径的表达方式应符合下列规定:
1水煤气输送钢管(镀锌或非镀锌)、铸铁管等管材,管径宜以公称直径DN表示;
2无缝钢管、焊接钢管(直缝或螺旋缝)、铜管、不锈钢管等管材,管径宜以DXS (外径x
壁厚)表示;
3钢筋混凝土(或混凝土)管、陶土管、耐酸陶瓷管、缸瓦管等管材,管径宜以内径 d 表示;
4塑料管材,管径宜按产品标准的方法表示:当设计均用公称直径DN表示管径时,应有
公称直径DN与相应产品规格对照表
建筑排水用硬聚氯乙烯管材规格用de (公称外径)x e (公称壁厚)表示(GB )
给水用聚丙烯(PP管材规格用dexe表示(公称外径x壁厚)
公英制单位换算
钢管每米理论重量计算公式:
W=* pS( D—S) /1000
W——钢管每米理论重量kg/m;
P --- 钢的密度kg/dm-3;、、
D -- 钢管的公称外径mn、
S—钢管的公称壁厚mn; 用途。
水管直径尺寸规格表常用钢管型号规格表常用钢管规格型号一览表常用钢管钢管每米理论重量计算公式:W=3.1416*ρδ(D—δ)/1000W——钢管每米理论重量kg/m;ρ——钢的密度kg/dm-3;7.81、7.85、7.91D——钢管的公称外径mm;δ——钢管的公称壁厚mm;常用钢管规格表如图所示:大外径系列,规格,DN-公称直径,Ф-外径,DN10—Ф14mm,DN15—Ф18mm,DN20—Ф25mm,DN25—Ф32mm,DN32—Ф38mm,DN40—Ф45mm,DN50—Ф57mm,DN65—Ф76mm,DN80—Ф89mm,DN100—Ф108mm,DN125—Ф133mm,DN150—Ф159mm,DN175—Ф194mm,DN200—Ф219mm,DN225—Ф245mm,DN250—Ф273mm,DN300—Ф325mm,DN350—Ф377mm,DN400—Ф426mm,DN450—Ф480mm。
拓展资料:公称通径是管路系统中所有管路附件用数字表示的尺寸,公称通径是供参考用的一个方便的圆整数,与加工尺寸仅呈不严格的关系。
公称通径用字母“DN”后面紧跟一个数字标志。
这是缘自金属管的管璧很薄,管外径与管内径相差无几,所以取管的外径与管的内径之和的平均值当作管径称呼。
dn与无缝钢管dn及inch的区别dn:公称直径de:当量计算直径inch:英寸,长度单位,1inch=25。
4mmdn(nominaldiameter),nb(nominalbore),od(outsidediameter)【例】无缝钢管dn钢管dn50,sch20,镀锌钢管nb2”,sch20外径与dn,nb的关系如下:------dn(mm)--------nb(inch)-------od(mm)15--------------1/2--------------21.320--------------3/4--------------26.725--------------1----------------33.4冷轧无缝管--------------11/4-----------42.240--------------11/2-----------48.350--------------2-----------60.365--------------dn/2-----------73.080--------------3-----------88.9100--------------4------------114.3125--------------5------------139.8150--------------6------------168.3200---------------8------------219.1钢管型号规格表?钢管的分类有哪些常用钢管规格型号一览表常用钢管钢管每米理论重量计算公式:W=3.1416*ρδ(D—δ)/1000 W——钢管每米理论重量kg/m;ρ——钢的密度kg/dm-3;7.81、7.85、7.91 D——钢管的公称外径mm;δ——钢管的公称壁厚mm;钢管型号规格常用的有哪些,价格要多少常用钢管求常用无缝钢管规格表压力管道设计及施工,首先考虑压力管道及其元件标准系列的选用。
依据《给水排水制图标准》(GB/T50106-2001)第节管径中有关规定:1、水煤气输送钢管(镀锌和非镀锌)、铸铁管等管材,管径标注为DN(mm);2、无缝钢管、焊接钢管(直缝或螺旋缝)、铜管、不锈钢管等管材,管径标注为外径Dx 壁厚;3、钢筋混凝土(或混凝土)管、陶土管、耐酸陶瓷管等管材,管径标注为d;4、塑料管材,管径宜按产品标准的方法标注;当设计用DN标注管径时,应有DN与相应产品规格对照表。
塑料管管径按产品标准的方法标注一般以外径表示,如UPUC管标注为de,HDPE管标注为De。
1.总则本标准规定了石油化工企业用DN10-DN2000的碳钢素钢、合金钢、奥氏体不锈钢无缝钢管及焊接钢管的尺寸系列。
本标准适用于石油化工企业中的一般钢制管道。
本标准不适用于仪表用管道。
本标准代替《钢管的公称直径、外径和壁厚》(BA3-4-1-92)。
2.引用标准GB8163输送液体用无缝钢管GB9948石油裂化用无缝钢管GB6479化肥设备用高压无缝钢管GB5130高压锅炉用无缝钢管GB/T14976流体输送用不锈钢无缝钢管GB/T3091低压流体输送用镀锌焊接钢管GB/T3092低压流体输送用焊接钢管GB/T14980低压流体输送用大直径电焊钢管SY/T5037普通流体输送管道用螺旋埋弧焊钢管SH3405石油化工企业钢管尺寸系列GB3274普通碳素结构钢和低合金结构钢热轧厚钢板技术条件GB912普通碳素结构钢和低合金结构钢薄钢板技术条件GB6654压力容器用碳素钢和低合金钢厚钢板GB3531低温压力容器用低合金厚钢板技术条件GB5681压力容器用热轧钢带GB711优质碳结构钢热轧厚钢板和宽钢带GB713锅炉用碳素钢和低合金钢板GB3280不锈钢冷轧钢板GB/T4237不锈钢热轧钢板GB4238耐热钢板执行本标准时,尚应符合上述相关标准的要求。
3.一般规定中国石油化工总公司标准SH3045-96《石油化工企业钢管尺寸系列》已颁布代替SHJ405-89并开始实施.。