看图讲解半挂车主要结构
- 格式:doc
- 大小:839.00 KB
- 文档页数:22
看图讲解半挂车主要结构文稿归稿存档编号:[KKUY-KKIO69-OTM243-OLUI129-G00I-FDQS58-看完分类,我们再对挂车进行一次解剖,详细为大家介绍一下挂车的各个组成部分,上图是普通栏板半挂车的结构简图,从图中我们可以看到挂车的主要组成部分及位置,下面就是对这些部位的详细解析。
1.车架车架主要由大梁--焊接工字钢、支撑横梁、连接横梁、边梁、锁头、牵引销连接装置、面板等组成。
边梁一般都是槽钢或者折弯件,目前大多挂车都用槽钢,轻体挂折弯件边梁会多些,因为对强度的要求不是太大。
支撑横梁就是贯穿梁,现在大多都是W梁了(上图就是W梁做贯穿梁),重货时才用10#以上的槽钢。
2.上装部分对栏板车而言,上装部分指栏板、龙门架等。
栏板又分平板和竖瓦楞板,竖瓦楞板是典型用板,强度会高些。
龙门架栏板龙门架也可以叫做“前挡”,一般不是特别要求的话厂家都会活式可拆卸的,所以常拉重货且易滑动的货物一定要把龙门架做焊死的基础上再加两道斜拉。
3.牵引销牵引销是半挂车与牵引车连接并承受牵引力的重要构件,与牵引座相连接。
一般是铬合金结构的钢锻制而成。
对于不同的载货吨位有50#牵引销、 90#牵引销之分。
一般以50T挂车及货物总重为限,50T以下用50#销,50T以上是90#,90T以上的话保险起见会用90#牵引销了。
4.悬挂系统一般的半挂车悬挂都是采用非独立钢板冲压式刚性悬挂,有串联式钢板弹簧和悬挂支座组成,用来支撑载荷,减缓车货动载的冲击。
串接式钢板簧平衡悬架单点悬架空气悬架刚性悬架(一线两轴)因专用车使用用途不同,对悬挂的设计也有不同的要求,悬挂常用的有4种:串接式钢板簧平衡悬架、单点悬5.行走部分车桥半挂车车桥为支撑桥,国内主要是广东富华桥、BPW桥、约克桥、安桥,其中广东富华桥最受欢迎,车桥通过板簧和拉杆与悬挂装置与车架相连用以在车架和车轮之间支撑和传递载荷的作用力。
钢圈轮胎钢圈和轮胎就相当于人走路的鞋了,钢圈与轮胎应该按照标准匹配。
系列报道:半挂车的通过性与结构(二)二、半挂车的结构1、有关的尺寸、重量参数:对于非特殊的半挂车,在确定有关的尺寸参数时,应当考虑运输成本,各个渡口的情况,交通安全的有关规定等等。
最大宽度不得超过2500毫米,总长不宜超过15米,总高不得超过3.8米,以便与火车车厢的地板及站台保持一致的高度,以利装卸。
如果大型金属棚式车厢,除车厢后门外,应当有右侧门,其宽度拟不小于1.2米(见图4);车厢内高一般在2.4米以下,但要便于叉形起重机进行装卸作业。
由于隧道和市区电车线路的关系,为防止事故,高度要严格限制。
集装箱高一般不超过2.5米,如高于尺寸,拟乎用低地板半挂车。
2、载重重量:这与牵引车后桥驱动轮的负荷能力、半挂车的轴距,后轴载重量、轮胎尺寸等等有关。
普通牵引后桥驱动轮负荷能力一般不超过8.5~9.5吨,此轮负荷太小,汽车爬坡、加速时的动力性能要恶化,并会发生前述的“折迭”现象;而下坡时,则会发生前轮转向不稳的发“飘”现象。
同时轴距还影响到转向操作的灵活性与转弯半径。
因此,各轴负荷分配必须合理。
笔者认为中桥(驱动桥)负荷应占整车总量的41~43%较为合理。
3、车架:为降低地板高度,车架纵梁做成阶梯形。
所用材料,目前国内以16Mn钢板压制成型。
可减轻自重,国外普遍采用高强度钢板,甚至还采用高强度耐腐蚀的铝合金压制,并有应力低的部位冲出减轻孔,自重很轻。
目前国内有的半挂车制造厂,限于条件,车架纵梁用型钢(槽钢)制造,结果自重很大,并往往只能做成平直车架,相应提高了地板高度。
就载重8吨的半挂车纵梁而言,在相应的抗弯模量下,采用6~7毫米的16Mn板压制的车架纵梁与用22号槽钢的纵梁对比之下,前者可使地板高度降低80~100毫米,相对降低了重心高度,提高了稳定性。
车架自重也可以降低五分之一以上。
用型刚做半挂车车架纵梁的不合理设计一定要改变。
4、转盘:亦称连接装置,是牵引车与半挂车相连接的装置。
为了提高运输效率,国外往往是把半挂车拉到目的地后,丢下半挂车卸货,而套上另一只半挂车拉往目的地,因此要求能快速连接。
半挂车九大重要部件说明半挂车车架主要由大梁--焊接工字钢、支撑横梁、连接横梁、边梁、锁头、牵引销连接装置、面板等组成,更多资料请详见网。
1. 边梁一般都是槽钢或者折弯件,目前大多挂车都用槽钢,轻体挂折弯件边梁会多些,因为对强度的要求不是太大。
支撑横梁就是贯穿梁,现在大多都是W梁了(上图就是W梁做贯穿梁),重货时才用10#以上的槽钢。
2.对栏板车而言,上装部分指栏板、龙门架等。
栏板又分平板和竖瓦楞板,竖瓦楞板是典型用板,强度会高些。
龙门架也可以叫做“前挡”,一般不是特别要求的话厂家都会活式可拆卸的,所以常拉重货且易滑动的货物一定要把龙门架做焊死的基础上再加两道斜拉。
3.牵引销是半挂车与牵引车连接并承受牵引力的重要构件,与牵引座相连接。
一般是铬合金结构的钢锻制而成。
对于不同的载货吨位有50#牵引销、 90#牵引销之分。
一般以50T挂车及货物总重为限,50T以下用50#销,50T以上是90#,90T以上的话保险起见会用90#牵引销了。
4.一般的半挂车悬挂都是采用非独立钢板冲压式刚性悬挂,有串联式钢板弹簧和悬挂支座组成,用来支撑载荷,减缓车货动载的冲击。
因专用车使用用途不同,对悬挂的设计也有不同的要求,悬挂常用的有4种:串接式钢板簧平衡悬架、单点悬架、空气悬架、刚性悬架(一线两轴)。
5.半挂车车桥为支撑桥,国内主要是广东富华桥、BPW桥、约克桥、安桥,其中广东富华桥最受欢迎,车桥通过板簧和拉杆与悬挂装置与车架相连用以在车架和车轮之间支撑和传递载荷的作用力。
6.半挂车的电气系统由七芯插座、电缆、气路、各种灯具等组成,用于照明、安全警示以及为刹车供气等。
一般看电气路接线的规整与否就基本知道这厂子的质量怎么样了,这个就是以小见大。
7.半挂车的支撑装置主要是用于脱挂时支撑挂车的,由支腿、连接支架等组成。
品牌很多,约克、派斯马克、富华、约斯特等都是很好的支腿,看不出来品牌的也有很多,因为这东西太好制造太简单了,一般还不会坏!8.半挂车防护装置由侧防护、后防护组成,保护行人及其他车辆不会钻入半挂车下。
半挂车结构随着市场经济的深入,公路运输业有了长足的发展,普通半挂车的使用范围越来越广。
我公司设计的兆鑫牌系列半挂车吸取了国内外同类车型的优点,采用先进的技术和严格的生产制造工艺。
在保证具有较高的机动性的前提下,尽可能设计增加车厢容积,以方便用户使用。
我公司生产普通半挂车主要有四种车型:单轴半挂车、双轴半挂车、三轴半挂车、重型三轴半挂车。
普通半挂车主要结构1.1 车架和车厢半挂车的车架为框架式结构,纵梁为优质成型工字钢或焊接工字钢,其结构做成阶梯形,以降低重心;横梁采用优质钢板冲压成型或成型槽钢,横梁与纵梁连接采用穿梁式结构,增加了车架的抗扭强度。
整个车架是在特制的定位台架上组装、焊接而成,其结构合理、强度高、使用性能好。
车厢为全金属结构,三面开启式,栏板高度为600mm 也可根据用户要求相应增减,左右栏板按车厢长度不同又分为前、中、后若干段,方便货物装卸作业。
1.2 支承装置半挂车选用机械式支承装置,其作用是当牵引装置与挂车脱开时,用于支撑地面,承受半挂车前部载荷。
支承装置有单动式和联动式两种,主要由支承盘、螺杆传动机构、减速箱和操纵手柄等构成,常用的型号有邗江、宝华、富华,、JOST几种。
用户也可自行选择其他型号。
1.3 悬挂1.3.1单轴半挂车悬挂单轴半挂车悬挂采用单轴弹簧悬架装置。
前后支架均采用优质钢板组焊而成,并与纵梁焊成一体,坚固可靠。
钢板弹簧总成由主、副钢板弹簧组成,主钢板弹簧为加厚、重载型,具有足够的承载强度。
1.3.2双轴半挂车悬挂半挂车悬挂采用双轴平衡式弹簧悬架装置。
前后钢板弹簧悬架中间装有质量平衡装置,挂车在任何凹凸不平的道路上行驶,可使前后钢板弹簧挠度等量变化,确保挂车行使的平稳性。
1.3.3三轴(重型)半挂车悬挂三轴(重型)半挂车悬挂采用三轴平衡式弹簧悬架装置。
前后钢板弹簧悬架中间装有质量平衡装置,挂车在凹凸不平的道路上行使,同样可使前后钢板弹簧挠度等量变化使车驾得到缓冲。
半挂车配件知识普及--半挂车支撑装置
半挂车支撑装置,俗称-支腿。
利用了立木顶千斤的原理,位于半挂车车架前端,供半挂车与牵引车脱离后使用。
支腿一般为手摇操纵
-
半挂车支撑装置,俗称-支腿。
利用了“立木顶千斤”的原理,位于半挂车车架前端,供半挂车与牵引车脱离后使用。
支腿一般为手摇操纵双速单动、联动的机械式的左右两个支腿构成。
但是现在也出来一种电动机装置安装在原支腿上就可以当电动使用了。
支腿的主要部件有双速齿轮箱、支撑套、支撑杆、传动螺杆(摇把)和支撑盘,结构很简单功能很重要。
支腿双速的解释:摇动支腿有两个速度,分别适合空载和重载时。
一档慢速,是将摇杆拉出摇动,适合重载。
另一档快速,是将摇动杆推入齿轮箱的档位,摇速加快适用于收起支腿或空载时。
●操作支腿注意事项:
1、空载时可以用快速档也可以用慢速档。
但是重载时严禁用快速档。
2、脱离牵引车时要注意地面是否平整,必要时支撑盘下应垫垫木以保证支撑面基本水平一致。
3、支腿收起时一定要将摇杆收回原安放卡位。
以防行走时出现“打腿”现象损坏支腿。
●保养事项:
1、要时常检查支腿螺栓的紧固情况,防止出现松动失去支撑力。
2、在使用一年或是三万公里以后要加注锂基润滑脂保证齿轮部件正常使用。
●小编总结:朋友们可别小看和忽略了支腿的重要性,任何半挂车的基本配件都有着简单的支腿。
另外支腿需要爱护和保养,勤保养支腿也会让车行驶更加顺畅,在装卸牵引车时保证货物和挂车的安全。
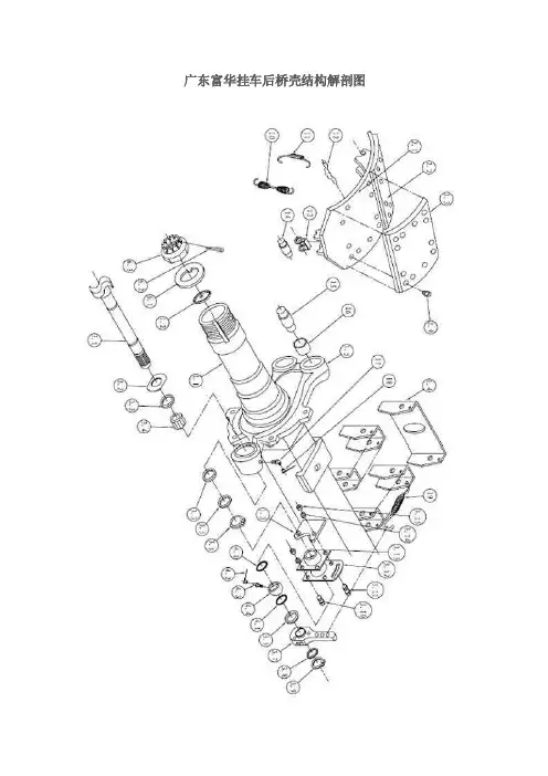
上图是普通栏板半挂车的结构简图,从图中我们可以看到挂车的主要组成部分及位置,下面就是对这些部位的详细解析。
1.车架车架主要由大梁--焊接工字钢、支撑横梁、连接横梁、边梁、锁头、牵引销连接装置、面板等组成。
边梁一般都是槽钢或者折弯件,目前大多挂车都用槽钢,轻体挂折弯件边梁会多些,因为对强度的要求不是太大。
支撑横梁就是贯穿梁,现在大多都是W梁了(上图就是W梁做贯穿梁),重货时才用10#以上的槽钢。
2.上装部分对栏板车而言,上装部分指栏板、龙门架等。
栏板又分平板和竖瓦楞板,竖瓦楞板是典型用板,强度会高些。
龙门架栏板龙门架也可以叫做“前挡”,一般不是特别要求的话厂家都会活式可拆卸的,所以常拉重货且易滑动的货物一定要把龙门架做焊死的基础上再加两道斜拉。
3.牵引销牵引销是半挂车与牵引车连接并承受牵引力的重要构件,与牵引座相连接。
一般是铬合金结构的钢锻制而成。
对于不同的载货吨位有50#牵引销、 90#牵引销之分。
一般以50T挂车及货物总重为限,50T以下用50#销,50T以上是90#,90T以上的话保险起见会用90#牵引销了。
4.悬挂系统一般的半挂车悬挂都是采用非独立钢板冲压式刚性悬挂,有串联式钢板弹簧和悬挂支座组成,用来支撑载荷,减缓车货动载的冲击。
串接式钢板簧平衡悬架(常见的拖轮悬挂)单点悬架空气悬架刚性悬架(一线两轴)因专用车使用用途不同,对悬挂的设计也有不同的要求,悬挂常用的有4种:串接式钢板簧平衡悬架、单点悬架、空气悬架、刚性悬架(一线两轴)。
5.行走部分车桥半挂车车桥为支撑桥,国内主要是广东富华桥、BPW桥、约克桥、安桥,其中广东富华桥最受欢迎,车桥通过板簧和拉杆与悬挂装置与车架相连用以在车架和车轮之间支撑和传递载荷的作用力。
钢圈轮胎钢圈和轮胎就相当于人走路的鞋了,钢圈与轮胎应该按照标准匹配。
6.电气系统挂车的电气系统由七芯插座、电缆、气路、各种灯具等组成,用于照明、安全警示以及为刹车供气等。
一般看电气路接线的规整与否就基本知道这厂子的质量怎么样了,这个就是以小见大。
运动方向施加推力,在纠偏托辊另一侧的液压缸对托辊沿胶带运动的逆方向施加拉力;对跑偏的胶带进行纠偏。
由于两个液压缸同时动作,纠偏力增大了一倍,使纠偏动作迅速、快捷。
另外两侧使纠偏托辊受力均衡、稳定。
减少机件磨损,延长设备使用寿命。
特别值得指出的是,全自动液压胶带纠偏装置在工作时,如果一个液压缸出现故障,另一个液压缸仍能有效地工作,极大地增加了产品的安全可靠性。
产品的科学性、先进性、合理性也是本产品的一大特点:为了便于对液压系统工作状态的观察和了解,全自动液压胶带纠偏装置在油箱上设计和安装了液位计、温度计、放油阀、注油排气阀等零部件,简化了操作程序,方便了用户。
(1)液位计显示油箱内油量的多少,在使用过程中会有一定的油量损失,当油量缺少到一定程度时,就会影响整个液压系统的正常工作。
安装了液位计,就能使操作者很直观地观察到油箱内的油量的多少,并能及时补充加油;(2)温度计能如实地反映油箱内液压油的温度。
液压油在工作时,油温会略有提高,尤其是在炎热的夏季和纠偏动作频繁发生时,观察油温的变化,以便采取工作措施都提供了可靠的依据;(3)放油阀安装在油箱的底部(或侧部)。
液压油在工作一定期限后,将会对工作产生负影响,需要进行置换新的液压油。
放油阀的安装,节省了换油时拆卸油箱的工作量,便于维护保养和使用,方便了操作者;(4)在油箱盖顶部安装有带过滤网、放气孔装置的注油排气阀,不但方便操作者注油,对加注的液压油进行过滤,而且当工作场地温度发生变化时,还可以排除或补充油箱内的部分空气,起到调节油箱内气体压力的作用;(5)根据用户的实际要求,我公司生产的液压全自动胶带纠偏装置有不同的型号和规格以备用户选用,达到不同的用户的技术要求。
150t多功能组合式多轴半挂车液压系统侯友山1,石博强1,庄传利2The Hydraulic System for Multi-functional CombinableMulti-axles Semi-trailerHOU You-shan1,SHI Bo-qiang1,ZHUANG Chuan-li2(1.北京科技大学土木与环境学院,北京100083;2.连云港东堡专用车有限公司,江苏连云港222003)摘要:多功能组合式多轴半挂车具备普通半挂车和组合式全挂车的优点,并可满足不同长度、宽度和质量货物的运输要求,是运输重型超大货物的理想车型。
系列报道:半挂车的通过性与结构(二)二、半挂车的结构1、有关的尺寸、重量参数:对于非特殊的半挂车,在确定有关的尺寸参数时,应当考虑运输成本,各个渡口的情况,交通安全的有关规定等等。
最大宽度不得超过2500毫米,总长不宜超过15米,总高不得超过3.8米,以便与火车车厢的地板及站台保持一致的高度,以利装卸。
如果大型金属棚式车厢,除车厢后门外,应当有右侧门,其宽度拟不小于1.2米(见图4);车厢内高一般在2.4米以下,但要便于叉形起重机进行装卸作业。
由于隧道和市区电车线路的关系,为防止事故,高度要严格限制。
集装箱高一般不超过2.5米,如高于尺寸,拟乎用低地板半挂车。
2、载重重量:这与牵引车后桥驱动轮的负荷能力、半挂车的轴距,后轴载重量、轮胎尺寸等等有关。
普通牵引后桥驱动轮负荷能力一般不超过8.5~9.5吨,此轮负荷太小,汽车爬坡、加速时的动力性能要恶化,并会发生前述的“折迭”现象;而下坡时,则会发生前轮转向不稳的发“飘”现象。
同时轴距还影响到转向操作的灵活性与转弯半径。
因此,各轴负荷分配必须合理。
笔者认为中桥(驱动桥)负荷应占整车总量的41~43%较为合理。
3、车架:为降低地板高度,车架纵梁做成阶梯形。
所用材料,目前国内以16Mn钢板压制成型。
可减轻自重,国外普遍采用高强度钢板,甚至还采用高强度耐腐蚀的铝合金压制,并有应力低的部位冲出减轻孔,自重很轻。
目前国内有的半挂车制造厂,限于条件,车架纵梁用型钢(槽钢)制造,结果自重很大,并往往只能做成平直车架,相应提高了地板高度。
就载重8吨的半挂车纵梁而言,在相应的抗弯模量下,采用6~7毫米的16Mn板压制的车架纵梁与用22号槽钢的纵梁对比之下,前者可使地板高度降低80~100毫米,相对降低了重心高度,提高了稳定性。
车架自重也可以降低五分之一以上。
用型刚做半挂车车架纵梁的不合理设计一定要改变。
4、转盘:亦称连接装置,是牵引车与半挂车相连接的装置。
为了提高运输效率,国外往往是把半挂车拉到目的地后,丢下半挂车卸货,而套上另一只半挂车拉往目的地,因此要求能快速连接。
汽车悬挂系统结构本理图解之阳早格格创做系统结构, 汽车, 本理, 图解, 悬挂汽车悬挂系统结构本理图解教程什么是悬挂系统恬静性是轿车最要害的使用本能之一.恬静性与车身的固有振荡个性有闭,而车身的固有振荡个性又与悬架的个性相闭.所以,汽车悬架是包管乘坐恬静性的要害部件.共时,汽车悬架干为车架(或者车身)与车轴(或者车轮)之间做对接的传力机件,又是包管汽车止驶仄安的要害部件.果此,汽车悬架往往列为要害部件编进轿车的技能规格表,动做衡量轿车品量的指标之一. 汽车车架(或者车身)若间接拆置于车桥(或者车轮)上,由于讲路不仄,由于大天冲打使货品战人会感触格中不惬意,那是果为不悬架拆置的本果.汽车悬架是车架(或者车身)与车轴(或者车轮)之间的弹性联结拆置的统称.它的效率是弹性天对接车桥战车架(或者车身),慢战止驶中车辆受到的冲打力.包管货品完佳战人员恬静;衰减由于弹性系统引进的振荡,使汽车止驶中脆持宁静的姿势,革新把持宁静性;共时悬架系统负担着传播笔曲反力,纵背反力(牵引力战制能源)战侧背反力以及那些力所制成的力矩效率到车架(或者车身)上,以包管汽车止驶仄逆;而且当车轮相对付车架跳动时,特天正在转背时,车轮疏通轨迹要切合一定的央供,果此悬架还起使车轮按一定轨迹相对付车身跳动的导背效率. 悬架结构形式战本能参数的采用合理与可,间接对付汽车止驶仄逆性、把持宁静性战恬静性有很大的效率.由此可睹悬架系统正在新颖汽车上是要害的总成之一.普遍悬架由弹性元件、导背机构、减振器战横背宁静杆组成.弹性元件用去启受并传播笔曲载荷,慢战由于路里不仄引起的对付车身的冲打.弹性元件种类包罗钢板弹簧、螺旋弹簧、扭杆弹簧、油气弹簧、气氛弹簧战橡胶弹簧.减振器用去衰减由于弹性系统引起的振,减振器的典型有筒式减振器,阻力可调式新式减振器,充气式减振器.导背机构用去传播车轮与车身间的力战力矩,共时脆持车轮按一定疏通轨迹相对付车身跳动,常常导背机构由统制晃臂式杆件组成.种类有单杆式或者多连杆式的.钢板弹簧动做弹性元件时,可不另设导背机构,它自己兼起导背效率.有些轿车战客车上,为预防车身正在转背等情况下爆收过大的横背倾斜,正在悬架系统中加设横背宁静杆,手段是普及横背刚刚度,使汽车具备缺累转背个性,革新汽车的把持宁静性战止驶仄逆性. 悬挂系统的分类新颖汽车悬架的死少格中快,不竭出现,崭新的悬架拆置.按统制形式分歧分为主动式悬架战主动式悬架.暂时普遍汽车上皆采与主动悬架,如下图所示也便是汽车姿态(状态)只可主动天与决于路里及止驶情景战汽车的弹性元件,导背机构以及减振器那些板滞整件.20世纪80年代此后主动悬架启初正在一部分汽车上应用,而且暂时还正在进一步钻研战启垦中.主动悬架不妨能动天统制笔曲振荡及其车身姿态,根据路里战止驶工况自动安排悬架刚刚度战阻僧.1. 弹性元件;2. 纵背推力杆;3. 减振器;4. 横背宁静杆;5. 横背推力杆根据汽车导背机构分歧悬架种类又可分为独力悬架,非独力悬架.如下图所示.b. 独力悬架 a. 非独力悬架非独力悬架如上图(a)所示.其个性是二侧车轮拆置于一完全式车桥上,当一侧车轮受冲打力时会间接效率到另一侧车轮上,当车轮上下跳动时定位参数变更小.若采与钢板弹簧做弹性元件,它可兼起导背效率,使结构大为简化,落矮成本.暂时广大应用于货车战大客车上,有些轿车后悬架也有采与的.非独力悬架由于非簧载品量比较大,下速止驶时悬架受到冲打载荷比较大,仄逆性较好. 独力悬架是二侧车轮分别独力天与车架(或者车身)弹性天对接,当一侧车轮受冲打,其疏通不间接效率到另一侧车轮,独力悬架所采与的车桥是断启式的.那样使得收效果可搁矮拆置,有好处落矮汽车沉心,并使结构紧密.独力悬架允许前轮有大的跳动空间,有好处转背,便于采用硬的弹簧元件使仄逆性得到革新.共时独力悬架非簧载品量小,可普及汽车车轮的附着性.如上图(b)所示.独力悬挂系统祥解独力悬架的安排车轮不是用完全车桥相对接,而是通过悬架分别与车架(或者车身)贯串,每侧车轮可独力下下疏通.轿车战载沉量1t以下的货车前悬架广为采与,轿车后悬架上采与也正在减少.越家车、矿用车战大客车的前轮也有一些采与独力悬架. 根据导背机构分歧的结构个性,独力悬架可分为:单横臂,单横臂,纵臂式,单斜臂,多杆式及滑柱(杆)连杆(晃臂)式等等.按暂时采与较多的有以下三种形式:(1) 单横臂式,(2) 滑柱连杆式,(3)斜置单臂式.按弹性元件采与分歧分为:螺旋弹簧式,钢板弹簧式,扭杆弹簧式,气体弹簧式.采与更多的是螺旋弹簧.单横臂式(单叉式)独力悬架如图1所示为单横臂式独力悬架.上下二晃臂不等少,采用少度比率符合,可使车轮战主销的角度及轮距变更不大.那种独力悬架被广大应用正在轿车前轮上.单横臂的臂有干成A字形或者V字形,如图2所示.V形臂的上下2个V形晃臂以一定的距离,分别拆置正在车轮上,另一端拆置正在车架上.图1:单横臂式独力悬架不等臂单横臂上臂比下臂短.当汽车车轮上下疏通时,上臂比下臂疏通弧度小.那将使轮胎上部沉微天内中移动,而底部效率很小.那种结构有好处缩小轮胎磨益,普及汽车止驶仄逆性战目标宁静性.图2滑柱晃臂式独力悬架(麦弗逊式或者喊维持式等)那种悬架暂时正在轿车中采与很多.如图3所示.滑柱晃臂式悬架将减振器动做带领车轮跳动的滑柱,螺旋弹簧与其拆于一体.那种悬架将单横臂上臂去掉并以橡胶干收启,允许滑柱上端做少许角位移.内侧空间大,有好处收效果安插,并落矮车子的沉心.车轮上下疏通时,主销轴线的角度会有变更,那是果为减振器下端收面随横晃臂晃动.以上问题可通过安排杆系安排安插合理得到办理.图3一汽奥迪100型轿车前悬架.筒式减振器拆正在滑柱桶内,滑柱桶与转背节刚刚性对接,螺旋弹簧拆置正在滑柱桶及转背节总成上端的收启座内,弹簧上端通过硬垫收启正在车身对接的前簧上座内,滑柱桶的下端通过球铰链与悬架的横晃臂贯串.当车轮上下疏通时,滑柱桶及转背节总成沿减振器活塞疏通轴线移动,共时,滑柱桶的下收面还随横晃臂晃动.斜置单臂式独力悬架那种悬架如图4所示.那种悬架是单横臂战单纵臂(如下图所示)独力悬架的合衷规划.其晃臂绕与汽车纵轴线具备一定接角的轴线晃动,采用符合的接角不妨谦脚汽车把持宁静性央供.那种悬架适于干后悬架.图4多杆式独力悬架独力悬架中多采与螺旋弹簧,果而对付于侧背力,笔曲力以及纵背力需加设导背拆置即采与杆件去启受战传播那些力.果而一些轿车上为减少车沉战简化结构采与多杆式悬架.如图5所示.上连杆9用收架11与车身(或者车架)贯串,上连杆9中端与第三连杆7贯串.上杆9的二端皆拆有橡胶隔振套.第三连杆7的下端通过沉型止推轴启与转背节对接.下连杆5与一般的下晃臂相共,下连杆5的内端通过橡胶隔振套与前横梁相对接.球铰将下连杆5的中端与转背节贯串.多杆纱前悬架系统的主销轴线从下球铰蔓延到上头的轴启,它与上连杆战第三连杆无闭.多杆悬架系统具备良佳把持宁静性,可减小轮胎摩益.那种悬架减振器战螺旋弹簧不象麦弗逊悬架那样沿转背节转化.如图5所示.图5:多杆前悬架系统1-前悬架横梁 2-前宁静杆 3-推杆收架 4-粘滞式推杆 5-下连杆6-轮毂转背节总成 7-第三连杆 8-减振器 9-上连杆10-螺旋弹簧 11-上连杆收架 12-减振器隔振块百般横背宁静器新颖轿车悬架很硬,即固有频次很矮,为普及悬架的侧倾角刚刚度,减小横背倾斜,常正在悬架中加设横背宁静器(杆),包管良佳把持宁静性.如下图所示杆式横背宁静器.1. 收杆;2. 套筒;3.杆;4. 弹簧收座弹簧钢制成的横背宁静杆3呈扁仄的U形,横背天拆置正在汽车前端或者后端(也有轿车前后皆拆横背宁静器).杆3的中部的二端自由天收启正在二个橡胶套筒内,套筒2牢固于车架上.横背宁静杆的二侧纵背部分的终端通过收杆1与悬架下晃臂上的弹簧收座4贯串. 当二则悬架变形相共时,横背宁静器不起效率.当二侧悬架变形不等时,车身相对付路里横背倾斜时,车架一侧移近弹簧收座,宁静杆的共侧终端便随车架进与移动,而另一侧车架近离弹簧座,相映横背宁静杆的终端相对付车架下移,横背宁静杆中部对付于车架不相对付疏通,而宁静杆二边的纵背部分背分歧目标偏偏转,于是宁静杆被扭转.弹性的宁静杆爆收扭转内力矩便阻拦悬架弹簧的变形,缩小了车身的横背倾斜战横背角振荡.下图是另一种车型横背宁静器的拆置下图是车身的横背的宁静扭杆拆置汽车悬挂的终极目标:电控主动2010319114934302.jpg(29.67 KB)汽车悬挂系统结构本理图解论坛非独力悬挂悬挂。
系列报道:半挂车的通过性与结构(二)二、半挂车的结构1、有关的尺寸、重量参数:对于非特殊的半挂车,在确定有关的尺寸参数时,应当考虑运输成本,各个渡口的情况,交通安全的有关规定等等。
最大宽度不得超过2500 毫米,总长不宜超过15 米,总高不得超过3.8 米,以便与火车车厢的地板及站台保持一致的高度,以利装卸。
如果大型金属棚式车厢,除车厢后门外,应当有右侧门,其宽度拟不小于1.2 米(见图4);车厢内高一般在2.4 米以下,但要便于叉形起重机进行装卸作业。
由于隧道和市区电车线路的关系,为防止事故,高度要严格限制。
集装箱高一般不超过2.5 米,如高于尺寸,拟乎用低地板半挂车。
2、载重重量:这与牵引车后桥驱动轮的负荷能力、半挂车的轴距,后轴载重量、轮胎尺寸等等有关。
普通牵引后桥驱动轮负荷能力一般不超过8.5〜9.5吨,此轮负荷太小,汽车爬坡、加速时的动力性能要恶化,并会发生前述的“折迭”现象;而下坡时,则会发生前轮转向不稳的发“飘”现象。
同时轴距还影响到转向操作的灵活性与转弯半径。
因此,各轴负荷分配必须合理。
笔者认为中桥(驱动桥)负荷应占整车总量的41〜43%较为合理。
3、车架:为降低地板高度,车架纵梁做成阶梯形。
所用材料,目前国内以16Mn钢板压制成型。
可减轻自重,国外普遍采用高强度钢板,甚至还采用高强度耐腐蚀的铝合金压制,并有应力低的部位冲出减轻孔,自重很轻。
目前国内有的半挂车制造厂,限于条件,车架纵梁用型钢(槽钢)制造,结果自重很大,并往往只能做成平直车架,相应提高了地板高度。
就载重8吨的半挂车纵梁而言,在相应的抗弯模量下,采用6〜7毫米的16Mn板压制的车架纵梁与用22号槽钢的纵梁对比之下,前者可使地板高度降低80〜100毫米,相对降低了重心高度,提高了稳定性。
车架自重也可以降低五分之一以上。
用型刚做半挂车车架纵梁的不合理设计一定要改变。
4、转盘:亦称连接装置,是牵引车与半挂车相连接的装置。
为了提高运输效率,国外往往是把半挂车拉到目的地后,丢下半挂车卸货,而套上另一只半挂车拉往目的地,因此要求能快速连接。
看完分类,我们再对挂车进行一次解剖,详细为大家介绍一下挂车的各个组成部分,上图是普通栏板半挂车的结构简图,从图中我们可以看到挂车的主要组成部分及位置,下面就是对这些部位的详细解析。
1.车架
车架主要由大梁--焊接工字钢、支撑横梁、连接横梁、边梁、锁头、牵引销连接装置、面板等组成。
边梁一般都是槽钢或者折弯件,目前大多挂车都用槽钢,轻体挂折弯件边梁会多些,因为对强度的要求不是太大。
支撑横梁就是贯穿梁,现在大多都是W梁了(上图就是W梁做贯穿梁),重货时才用10#以上的槽钢。
2.上装部分
对栏板车而言,上装部分指栏板、龙门架等。
栏板又分平板和竖瓦楞板,竖瓦楞板是典型用板,强度会高些。
龙门架栏板
龙门架也可以叫做“前挡”,一般不是特别要求的话厂家都会活式可拆卸的,所以常拉重货且易滑动的货物一定要把龙门架做焊死的基础上再加两道斜拉。
3.牵引销
牵引销是半挂车与牵引车连接并承受牵引力的重要构件,与牵引座相连接。
一般是铬合金结构的钢锻制而成。
对于不同的载货吨位有50#牵引销、90#牵引销之分。
一般以50T挂车及货物总重为限,50T以下用50#销,50T以上是90#,90T以上的话保险起见会用90#牵引销了。
4.悬挂系统
一般的半挂车悬挂都是采用非独立钢板冲压式刚性悬挂,有串联式钢板弹簧和悬挂支座组成,用来支撑载荷,减缓车货动载的冲击。
串接式钢板簧平衡悬架
单点悬架空气悬架
刚性悬架(一线两轴)
因专用车使用用途不同,对悬挂的设计也有不同的要求,悬挂常用的有4种:串接式钢板簧平衡悬架、单点悬5.行走部分
车桥
半挂车车桥为支撑桥,国内主要是广东富华桥、BPW桥、约克桥、安桥,其中广东富华桥最受欢迎,车桥通过板簧和拉杆与悬挂装置与车架相连用以在车架和车轮之间支撑和传递载荷的作用力。
钢圈轮胎
钢圈和轮胎就相当于人走路的鞋了,钢圈与轮胎应该按照标准匹配。
6.电气系统
挂车的电气系统由七芯插座、电缆、气路、各种灯具等组成,用于照明、安全警示以及为刹车供气等。
一般看电气路接线的规整与否就基本知道这厂子的质量怎么样了,这个就是以小见大。
7.支撑装置
挂车的支撑装置主要是用于脱挂时支撑挂车的,由支腿、连接支架等组成。
品牌很多,约克、派斯马克、富华、约斯特等都是很好的支腿,看不出来品牌的也有很多,因为这东西太好制造太简单了,一般还不会坏!
8.防护装置
挂车防护装置由侧防护、后防护组成,保护行人及其他车辆不会钻入半挂车下。
这东西做好了也省油呢,降低风阻做的好了就叫侧裙板了,在国外可以做到这样,在国内要是做成侧裙板就叫“改型”会被罚的。
9.挂车附件
半挂车上其他附件包括有工具箱、备胎架、龙门架、插桩等。
还有些小配件如紧绳器、绳勾这类功能性很强的配件,就要根据自己的货物种类选装了。
●结束语
看似简单的挂车其实也是由这么多个部分组成的,对于一辆合格的半挂车,这些部分也是一个都不能少。
本文是以结构较为简单的栏板式半挂车作为举例,在不同的领域专用车也有着不同的结构,这些内容还希望更多在各个专用车领域工作的网友们与大家分享交流。
架、空气悬架、刚性悬架(一线两轴)。
邪恶动态图o2k0O2QDcoDL。