施工用水量计算
- 格式:doc
- 大小:38.00 KB
- 文档页数:2
施工现场临时用水计算方法1. 施工临水总量计算1) 计算公式:q1=K1Σ(T1.t) ×K2/(8×3600)q1——施工用水量(L/S)K1——未预计的施工用水系数(—)Q1——年(季)度工程量(以实物计量单位表示)N1——施工用水定额T1——年(季)度有效作业天数t——每天工作班数k2——用水不均衡系数2) 工程实物工程量及计算系数确定由于工程结构施工阶段相对于装修阶段施工用水量大,故Q1主要以混凝土工程量为计算依据,据统计混凝土实物工作量约为23000立方米,混凝土为(商混)不考虑现场搅拌,混凝土养护用水定额取700升/立方米;拟定结构及前期阶段施工工期为300天;每天按照各工作班计算;因此:K1=Q1=23000立方米N1=750 升/立方米T1=120天t =班k2=3) 工程用水计算q1=K1Σ(T1 .t) ×K2/(8×3600)=×(23000×950)/(120×)×(8×3600)=S2. 工人生活区用水1) 计算公式q3=(ΣP2N3K4)/(24×3600)q3——生活区生活用水量(L/S)P2——生活区居住人数(拟定500人);N2——生活区生活用水定额(20升/人.班)t——每天工作班数(班)k3——用水步均衡系数(—)2) 工人生活用水系数确定生活区生活用水定额其中包括:卫生设施用水定额为25升/人;食堂用水定额为15升/人;洗浴用水定额为30升/人(人数按照出勤人数的30%计算);洗衣用水定额为30升/人;因此:3) 用水量计算q3 =(ΣP2N3)K/(24×3600)=(500×25+500×15+500×30%×30+500×30)×(24×3600)=S3. 总用水量计算:因为该区域工地面积小于5公顷(约1公顷),如果假设该工地同时发生火灾的次数为一次,则消防用水的定额为10—15L/S,取q4= 10L/S (q4——消防用水施工定额)∵q1+ q2+q3=+=S< q4= 10L/S∴计算公式:Q= q4Q= q4 =10L/S6. 给水主干管管径计算1) 计算公式D=√4Q/(π)其中:D——水管管径(m)Q——耗水量(m/s)V——管网中水流速度(m/s)2) 消防主干管管径计算D=√4Q/(π)=√4×10/(××1000)=其中:根据消防用水定额:Q=10L/s消防水管中水的流速经过查表:V=s根据北京市消防管理的有关规定,消防用管的主干管管径不得小于100mm,因此,消防供水主干管的管径确定为100mm。
施工现场临时用水计算1.施工用水按高峰期最大日施工用水量计算:Q1=k1∑q1N1k2/8*3600其中:k1为未预计的施工用水量系数,取1.15K2为用水不均衡系数,取 1.5q1为单为数量设备、人员等的生产量砂浆搅拌机每八小时生产量按30立方计/台班瓦工班八小时砌筑量按20立方计/台班混凝土养护八小时内用水(自然养护,按100立方计/台班)N1为单为数量设备、人员等单位时间内生产一定产品的用水量每立方砂浆用水量取400L/立方每立方砖砌体用水量取100L/立方每立方混凝土养护用水量取200L/立方Q1=1.15*(22*30*400+11*20*100+100*200)/8*3600=18.3L/S(本工程按每幢楼两台砂浆搅拌机、一组瓦工班计算)2.机械用水量Q2=k1∑q2N2k3/8*3600其中K1、K3同上Q2以一台对焊机8小时、一个木工房一个台班、一台锅炉8小时计算N2 每台对焊机用水量取300L/台班小时一个木工房一个台班用水量取20L/台班一台锅炉8小时用水量取1000L/抬小时Q2=1.15*(300*8*5+20*5+1000*8)*1.5/8*3600=0.56L/S(本工程按五台对焊机同时使用、五个木工房同时工作计算) 3.生活用水量Q3= q3N3k4/8*3600其中K4同上,取1.5N3为每人一天用水量,取20L/人天Q3为高峰期施工现场最多人数Q3=1500*20*1.5/8*3600=1.54L/S(本工程施工现场高峰期按1500人考虑)4.消防用水量Q4根据本工程实际情况按同一时间火灾发生次数为两次计算,用水定额为25L/S即Q4=25L/SQ1+Q2+Q3=18.3+0.56+1.54=20.43L/S<Q4故本工程施工用水量应取Q4=25L/S所以,所需管径D=√4*Q4./3.14*V*1000=√4*25./ 3.14*2*1000=0.126 取D=125mm第一章施工临时供水1用水量计算实例[案例1A428011](1)背景某科研办公楼占地4500m2,总建筑面积4645㎡,地上5层,地下1层,工程抗震设防烈度为8度。
施工临时用水计算书计算依据:1、《建筑施工计算手册》江正荣编著建筑工地临时供水主要包括:生产用水、生活用水和消防用水三种。
生产用水包括工程施工用水、施工机械用水。
生活用水包括施工现场生活用水和生活区生活用水。
一、工程用水量计算:工地施工工程用水量可按下式计算:q1=K1·ΣQ1·N1·K2/(T1·b·8·3600)其中q1──施工工程用水量(L/s);K1──未预见的施工用水系数,取1.1;Q1──年(季)度工程量(以实物计量单位表示),取值如下表;N1──施工用水定额,取值如下表;T1──年(季)度有效工作日(d),取228天;b ──每天工作班数(班),取2;K2──用水不均匀系数,取1.5。
工程施工用水定额列表如下:经过计算得到q1 =1.1×10485650×1.5/(228×2×8×3600)=1.32L/S。
二、生活区用水量计算:生活区生活用水量计算公式:q4=P2·K4·N5/(24·3600)其中q4──生活区生活用水量(L/s);P2──生活区居住人数,取20人;N4──生活区昼夜全部生活用水定额,取值如下表;K5──生活区生活用水不均匀系数,取2;生活区生活用水定额列表如下:4三、消防用水量计算:根据消防范围确定消防用水量q5 =10L/S。
四、施工工地总用水量计算:施工工地总用水量Q可按以下组合公式计算:当工地面积大于5万平方米,当(q1+q2+q3+q4)≤q5时:Q= q5+(q1+q2+q3+q4)/2当(q1+q2+q3+q4)>q5时:Q=(q1+q2+q3+q4)在此计算中得:Q =q5+(q1+q2+q3+q4)/2 =10+(1.32+0+0+0.04)/2=10.68L/S;最后计算出的总用水量,还应增加10%,以补偿不可避免的水管漏水损失。
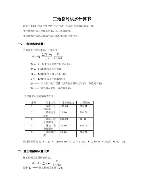
工地临时供水计算书建筑工地临时供水主要包括:生产用水、生活用水和消防用水三种。
生产用水包括工程施工用水、施工机械用水。
生活用水包括施工现场生活用水和生活区生活用水。
一、工程用水量计算:工地施工工程用水量q1计算公式:K1 = 1.10(未预见的施工用水系数) ;K2 = 1.50(用水不均匀系数);T1 = 1.00(年度有效工作日(d));b = 1.00(每天工作班数(班))Q1 ──年(季)度工程量 (以实物计量单位表示),取值列下表;N1 ──施工用水定额,取值列下表;工程施工用水定额列表如下:经过计算得到 q1 = 1.10 × (164000.00/ (1.00 × 1.00)) × (1.50/(8 × 3600)) =9.40 L/S。
二、施工机械用水量计算:施工机械用水量计算公式:其中 q2 ──施工机械用水量 (L/s);K2 ── 1.10(未预见的施工用水系数);Q2 ──同一种机械台数(台),取值列下表; N2 ──施工机械台班用水定额,取值列下表; K3 ── 1.50(施工机械用水不均匀系数)。
施工机械用水定额列表如下:序号机械名称用水额定N1 机械台数Q21 内燃挖土机300.00 02 内燃起重机18.00 0经过计算得到 q2 = 1.10 × 0 × (1.50 /(8 × 3600)) = 0L/S。
三、工地生活用水量计算:施工工地用水量计算公式:其中 q3 ──施工工地生活用水量;P1 ── (施工现场高峰期生活人数);N3 ──施工工地生活用水定额,取;K4 ── 1.30(施工工地生活用水不均匀系数);b ── 2.00(每天工作班数(班))。
施工工地用水定额列表如下:序号用水名称用水量L 用水人数1 盥洗、饮用用水40.00 02 食堂15.00 03 沐浴带大池60.00 04 洗衣房60.00 05 施工现场生活用水40.00 400.00经过计算得到 q3 = (16000.00 × 1.30)/(2.00 × 8 × 3600) = 0.36L/S。
现场施工用水计算1、现场施工用水量计算:q1=K1*(∑Q1*N1)/(T1*b)*K2/(8*3600)式中:q1——施工工程用水量(L/s);K1—-未预计的施工用水系数,取1.10;Q1——年(季)度工程量(以实物计量单位表示),取值列下表;N1-—施工用水定额,取值列下表;T1——年(季)度有效工作日(d),取1d;b——每天工作班数(班)取1;K2—-用水不均匀系数,取1.50;工程施工用水定额列表如下:q1=1.1×(250×900+200×750+5×7500+150×750+30×15000+200二、施工机械用水量计算施工机械用水量计算公式:q2= K2*(∑Q2*N2)*K2/(8*3600)式中:q2——施工机械用水量(L/s);K1——未预计的施工用水系数,取1.10;Q2-—同一种机械台数(台),取值列下表;N2—-施工机械台班用水定额,取值列下表;K3——施工机械用水不均匀系数,取1.50;施工机械用水定额列表如下:三、工地生活用水量计算施工工地用水量计算公式:q3= (p1*N3*K4)/(b*8*3600)式中:q3—-施工工地生活用水量(L/s);p1——施工现场高峰期生活人数,取1人;N3——施工工地生活用水定额,取10L/人;K4—-施工工地生活用水不均匀系数,取1.30;b——每天工作班数(班),取1。
四、生活区生活用水量计算生活区生活用水量计算公式:q4= (p2*N4*K5)/(24*3600)式中:q4——生活区生活用水量(L/s);P2—-生活居住人数,取0人;N4—-生活区昼夜全部生活用水定额,取100L/人;K5——生活区生活用水不均匀系数,取2.00;五、消防用水量计算根据消防范围确定消防用水量q5。
消防用水量q5定额列表如下:六、施工工地总用水量计算施工工地总用水量Q按照下面组合(判定选择大的)q5+(q1+ q2+q3+ q4)/2 (q1+ q2+q3+ q4≤q5)Q={q1+q2+ q3+q4 (q1+ q2+ q3+q4>q5)拟建小区15层6幢(68558平方),18层5幢(58614平方),同时施工1.施工用水ﻫ按高峰期最大日施工用水量计算:ﻫQ1=k1∑q1N1k2/8*3600ﻫ其中:k1为未预计的施工用水量系数,取1。
用水量的计算1.施工用水量,可按下式计算:q 1=K 1∑· (6) 式中 q 1————施工用水量(L/s ); K 1————未预计的施工用水系数(1.05-1.15);Q 1————年(季)度工程量(以实物计量单位表示); N 1————施工用水定额(见表达式7); T 1————年(季)度有效作业日(d ); t ————每天工作班数(班);K 2————用水不均衡系数(见表8). 2. 施工机械设备用水量,可按下式计算:(7)式中 q 2————机械用水量(L/s );k 1————未预计的施工用水系数(1.05-1.15); Q 2————同一种机械台数(台);N 2————施工机械台班用水定额,参考表9中的数据换算求得; K 3————施工机械用水不均衡系数(见表8)。
表6 行政生活福利临时建筑参考指标Q 1·N 1 T 1·t K 2 8×3600K 3 q 2=k 1∑Q 2N 2 8×3600表7 施工用水参考定额表8 施工用水不均衡系数 q 3= (8)式中 q 3———— 施工现场生活用水(L/s);p 1————施工现场高峰昼夜人数(人);N 3————施工现场生活用水定额(一般为20~60L/人·班,主要需视当地气候而定);k 4————施工现场用水不均衡系数(见表8); t ————每天工作班数(班)。
表9 机械用水量参考定额P 1·N 3·K 4t ×8×3600q 4= (9) 式中q 4———— 生活区生活用水; P 2————生活区居民人数(人);N 4————生活区昼夜全部生活用水定额,每一居民每昼夜为100-120L,随地区和 有无室内卫生设备而变化;各分项用水参考定额见表10; K 5————生活区用水不均衡系数(见表8)。
(5)消防用水量(q 5),见表11。
施工用水量计算施工用水量计算施工现场需要用水,需要进行合理的用水量计算。
下面介绍几种用水量的计算方法。
1、施工用水量计算施工用水量可按下式计算:q1 = K1 * Σ(Q1 * N1) * K2 * T1 * t * 3600其中,q1为施工用水量(L/s);K1为未预计的施工用水系数(1.05~1.15);Q1为年(季)度工程量(以实物计量单位表示);N1为施工用水定额;T1为年(季)度有效作业日(d);t为每天工作班数(班);K2为用水不均衡系数。
2、施工机械用水计算施工机械用水可按下式计算:K3 * q2 = K1 * Σ(Q2 * N2) * 8 * 3600其中,q2为机械用水量(L/s);K1为未预计施工用水系数(1.05~1.15);Q2为同一种机械台数(台);N2为施工机械台班用水定额;K3为施工机械用水不均衡系数。
3、施工现场生活用水计算施工现场生活用水量可按下式计算:q3 = P1 * N3 * K4 / (t * 8 * 3600)其中,q3为施工现场生活用水量(L/s);P1为施工现场高峰人数(人);N3为施工现场用水定额(一般为20~60L/人.班);K4为施工现场不均衡系数;t为每天工作班数。
4、生活区生活用水计算生活区生活用水量可按下式计算:q4 = P2 * N4 * K5 / (24 * 3600)其中,q4为生活区生活用水(L/s);P2为生活区居民人数(人);N4为生活区昼夜全部生活用水定额,每一居民每昼夜为100~120L;K5为生活区用水不均衡系数。
5、消防用水量计算6、总用水量计算总用水量(Q)计算公式为:当(q1+q2+q3+q4)≤q5时,则Q=q5+(q1+q2+q3+q4)/2当(q1+q2+q3+q4)>q5时,则Q=q1+q2+q3+q47、管径的选择管径的选择公式为:d = 4Q / (π * υ * 1000)其中,d为配水管直径(m);Q为耗水量(L/s);υ为管网中水流速度(m/s)。
施工现场临时用水计算方法1. 施工临水总量计算1) 计算公式:q1=K1Σ×K2/(8×3600)q1——施工用水量(L/S)K1——未预计的施工用水系数(—)Q1——年(季)度工程量(以实物计量单位表示)N1——施工用水定额T1——年(季)度有效作业天数t——每天工作班数k2——用水不均衡系数2) 工程实物工程量及计算系数确定由于工程结构施工阶段相对于装修阶段施工用水量大,故Q1主要以混凝土工程量为计算依据,据统计混凝土实物工作量约为23000立方米,混凝土为(商混)不考虑现场搅拌,混凝土养护用水定额取700升/立方米;拟定结构及前期阶段施工工期为300天;每天按照各工作班计算;因此:K1=Q1=23000立方米N1=750升/立方米T1=120天t=班k2=3) 工程用水计算q1=K1Σ×K2/(8×3600)=×(23000×950)/(120×)×(8×3600)=S2. 工人生活区用水1) 计算公式q3=(ΣP2N3K4)/(24×3600)q3——生活区生活用水量(L/S)P2——生活区居住人数(拟定500人);N2——生活区生活用水定额(20升/人.班)t——每天工作班数(班)k3——用水步均衡系数(—)2) 工人生活用水系数确定生活区生活用水定额其中包括:卫生设施用水定额为25升/人;食堂用水定额为15升/人;洗浴用水定额为30升/人(人数按照出勤人数的30%计算);洗衣用水定额为30升/人;因此:3) 用水量计算q3=(ΣP2N3)K/(24×3600)=(500×25+500×15+500×30%×30+500×30)×(24×3600)=S3. 总用水量计算:因为该区域工地面积小于5公顷(约1公顷),如果假设该工地同时发生火灾的次数为一次,则消防用水的定额为10—15L/S,取q4=10L/S(q4——消防用水施工定额)∵q1+q2+q3=+=S<q4=10L/S∴计算公式:Q=q4Q=q4=10L/S6. 给水主干管管径计算1) 计算公式D=√4Q/(π)其中:D——水管管径(m)Q——耗水量(m/s)V——管网中水流速度(m/s)2) 消防主干管管径计算D=√4Q/(π)=√4×10/(××1000)=其中:根据消防用水定额:Q=10L/s消防水管中水的流速经过查表:V=s根据北京市消防管理的有关规定,消防用管的主干管管径不得小于100mm,因此,消防供水主干管的管径确定为100mm。
施工用水、电计算1、施工用水:包括施工生产用水、施工机械用水、现场生活用水及现场消防用水。
现场施工用水:q1=1.1×k1×Σ(Q1×N1) ×k2÷(T1×t×8×3600)其中q1为施工用水量:(L/s)k1为未预计的施工用水系数,一般取k1=1.15Q1为工程量,N1为施工用水定额混凝土全部用水N11=400 L/m3 , Q11= N11×混凝土工程量砌石工程全部用水N12=250 L/m3 , Q12= N12×砌石工程量砂浆拌和用水N13=250 L/m3 , Q13= N13×砂浆工程量T1为施工总工期,t为每天工作班数K2为用水不均匀系数,一般取k2=1.5施工机械用水:q2=k3×Σ(Q2×N2) ×k3÷(8×3600)k1为未预计的施工用水系数,一般取k1=1.15Q2为同种机械台班,N2为机械用水定额挖土机用水N21=300(台班.立方), Q21=4汽车用水N22=700(台班.t), Q22= 6打桩机用水N23=1200 (台班.t), Q23= 3点焊机75型用水N24=350 (台班.t), Q24= 3K3为机械用水不均匀系数,一般取k3=2.0消防用水:q3=10L/s总用水量若q1+q2<q3;侧取Q= q3;若q1+q2≥q3;侧取Q= q1+q2 2、管径的选择:D=[4Q÷(∏×V×1000)]1/2其中D为水管直径(m)Q为耗水量(L/s)V为管网中的水流速度,一般取V=1.0(m/s)3、用电量计算:P=1.05-1.10(K1ΣP1/cosφ+ K2ΣP2+ K3ΣP3+ K4ΣP4)P为供电设备总需要量(KV A)P1为电机额定功率(KW)P2为电焊机额定容量(KV A)P3为室内照明容量(KW)P4为室外照明容量(KW)cosφ为电动机平均功率因素(施工现场最高为0.75~0.78,一般为0.65~0.75);K1、K2、K3、K4为需要系数。
1、施工工程用水量计算:施工用水量等于未预计的施工用水系数乘以每天每班计划完成的工程量的总和再乘以施工用水定额再乘以现场施工用水不均衡系数除以8除以3600。
2、施工现场生活用水量计算:施工现场生活用水量等于施工现场高峰昼夜人数乘以施工现场生活用水定额再以施工现场生活用水不均衡系数除以每天工作班数除以8除以3600。
3、生活区生活用水量计算:等于生活区居住人数乘以生活区昼夜全部生活用水定额乘以生活区生活用水不均衡系数除以24除以36004、消防用水量计算:查施工手册。
施工现场总用水量等于上面4个总和。
举个例子能看懂多少就多少吧,但要记住公式1)施工临时用水计算本工程现场用水分为施工用水、施工机械用水、生活用水和消防用水三部分。
施工用水量q1:以高峰期为最大日施工用水量,计算公式为:q1=K1∑Q1N1K2/8×3600式中:K1未预计的施工用水系数,取1.15K2用水不均衡系数,取1.5Q1以砂浆搅拌机8小时内的生产量(每台以30m3计)、瓦工班8小时内的砌筑量(每班以20m3砖砌体计)、混凝土养护8小时内用水(自然养护,以100m3计)。
N1每立方米砂浆搅拌耗水量取400L/m3计,每立方米砖砌体耗水量以100L/m3计,每立方米混凝土养护耗水量以200 L/m3计。
q1=1.15×(5×30×400+4×20×100+100×200)×1.5/8×3600=5.27L/S 施工机械用水量计算:q2 =K1Q2∑N2K3/8×3600式中:K1未预计的施工用水系数,取1.15K3施工机械用水不均衡系数,取2.0Q2以一台对焊机每天工作8小时计,一个木工房一个台班计,一台锅炉每天工作八小时计。
N2每台对焊机耗水量300L/台.h,每个木工房耗水量20L/台班,每台锅炉耗水量1050L/t.h。
q2=1.15×(300×8+20×1+1050×8)×1.5/8×3600=0.65L生活用水q3:现场高峰人数以1500人计算,每人每天用水20L计算:q3=Q3N3K4/8×3600=1500×20×1.5/8×3600=1.54L/S消防用水量q4:根据规定,现场面积在25公顷以内者同时发生火警2次,消防用水定额按10-15L/S考虑。
临时用水计算方法3. 施工临水总量计算1) 计算公式:q1=K1ΣQ1.N1/(T1 .t) ×K2/(8×3600)q1——施工用水量(L/S)K1——未预计的施工用水系数(1.05 —1.15)Q1——年(季)度工程量(以实物计量单位表示)N1——施工用水定额T1——年(季)度有效作业天数t——每天工作班数k2——用水不均衡系数2) 工程实物工程量及计算系数确定由于工程结构施工阶段相对于装修阶段施工用水量大,故Q1主要以混凝土工程量为计算依据,据统计混凝土实物工作量约为23000立方米,混凝土为(商混)不考虑现场搅拌,混凝土养护用水定额取700升/立方米;拟定结构及前期阶段施工工期为300天;每天按照1.5各工作班计算;因此:K1=1.1Q1=23000立方米N1=750 升/立方米T1=120天t =1.5班k2=1.53) 工程用水计算q1=K1Σ Q1.N1/(T1 .t) ×K2/(8×3600)=1.1×(23000×950)/(120×1.5)×1.5/(8×3600)=5.12L/S4. 工人生活区用水1) 计算公式q3=(ΣP2N3K4)/(24×3600)q3——生活区生活用水量(L/S)P2——生活区居住人数(拟定500人);N2——生活区生活用水定额(20升/人.班)t——每天工作班数(班)k3——用水步均衡系数(2.00—2.50)2) 工人生活用水系数确定生活区生活用水定额其中包括:卫生设施用水定额为25升/人;食堂用水定额为15升/人;洗浴用水定额为30升/人(人数按照出勤人数的30%计算);洗衣用水定额为30升/人;因此:3) 用水量计算q3 =(ΣP2N3)K/(24×3600)=(500×25+500×15+500×30%×30+500×30)×2.00/(24×3600)=0.91L/S5. 总用水量计算:因为该区域工地面积小于5公顷(约1公顷),如果假设该工地同时发生火灾的次数为一次,则消防用水的定额为10—15L/S,取 q4= 10L/S (q4——消防用水施工定额)∵ q1+ q2+q3=5.12+0.91=6.03L/S< q4= 10L/S∴计算公式:Q= q4Q= q4 =10L/S6. 给水主干管管径计算1) 计算公式D=√4Q/(πv.1000)其中:D——水管管径(m)Q——耗水量(m/s)V——管网中水流速度(m/s)2) 消防主干管管径计算D=√4Q/(πv.1000)=√4×10/(3.14×2.5×1000)=0.0714mm其中:根据消防用水定额:Q=10L/s消防水管中水的流速经过查表:V=2.5m/s根据北京市消防管理的有关规定,消防用管的主干管管径不得小于100mm,因此,消防供水主干管的管径确定为100mm。
施工临时用水计算计算书施工临时用水计算书建筑工地临时供水主要包括生产用水、生活用水和消防用水三种。
其中,生产用水包括工程施工用水和施工机械用水,而生活用水则包括施工现场生活用水和生活区生活用水。
一、工程用水量计算工地施工工程用水量可按照以下公式进行计算:q1 = K1 × ΣQ1 × N1 × K2 / (T1 × b × 8 × 3600)其中,q1 表示施工工程用水量(L/s);K1 为未预见的施工用水系数,取值为1.1;Q1 为年(季)度工程量(以实物计量单位表示),取值参考下表;N1 为施工用水定额,取值参考下表;T1 为年(季)度有效工作日数(d),取228天;b 为每天工作班数(班),取2;K2 为用水不均匀系数,取1.4.工程施工用水定额列表如下:序号。
用水名称。
用水定额N1.工程量Q1(单位:M^3或M^2)1.浇筑混凝土。
5800.全部用水2.砌筑工程。
1675.全部用水3.抹灰工程。
.全部用水经过计算得到q1 = 1.23L/s。
二、机械用水量计算施工机械用水量计算公式如下:q2 = K1 × ΣQ2 × N2 × K3 / (8 × 3600)其中,q2 表示施工机械用水量(L/s);K1 为未预见的施工用水系数,取值为1.05;Q2 为同一种机械台数(台),取值参考下表;N2 为施工机械台班用水定额,取值参考下表;K3 为施工机械用水不均匀系数,取2.施工机械用水定额列表如下:序号。
机械名称型号。
耗水量N1(L)。
机械台数Q2(单位:M^3/min·台·h)1.空压机xxx。
402.12.锅炉xxx。
.1经过计算得到q2 = 0.62L/s。
三、工地生活用水量计算施工工地用水量计算公式如下:q3 = P1 × N3 × K4 / (b × 8 × 3600)其中,q3 表示施工工地生活用水量(L/s);P1 为施工现场高峰期生活人数,取845人;N3 为施工工地生活用水定额,取值参考下表;K4 为施工工地生活用水不均匀系数,取1.3;b 为每天工作班数(班),取2.施工工地用水定额列表如下:序号。
工地平均用水量计算公式在工地施工过程中,用水是必不可少的。
然而,合理地计算工地的平均用水量对于节约资源、降低成本、保护环境都至关重要。
因此,我们需要建立一个科学合理的工地平均用水量计算公式。
首先,我们需要明确工地的用水对象。
一般来说,工地的用水对象主要包括施工生活用水和施工生产用水。
施工生活用水包括工人的生活饮用水、洗浴水等;施工生产用水包括混凝土搅拌、灌浆、洗车等。
因此,我们需要分别对这两部分用水进行计算。
对于施工生活用水,我们可以采用以下公式进行计算:施工生活用水量 = 工地工人数量×人均日用水量×施工天数。
其中,工地工人数量是指在工地上工作的人数,人均日用水量是指每个工人每天所需的用水量,施工天数是指工地施工的总天数。
对于施工生产用水,我们可以采用以下公式进行计算:施工生产用水量 = 混凝土搅拌用水量 + 灌浆用水量 + 洗车用水量 + …。
在实际计算中,我们需要将施工生产用水的各个部分分别计算,然后将其相加得到总的施工生产用水量。
在计算工地的平均用水量时,我们还需要考虑到季节因素、气候因素等。
例如,在夏季,由于气温较高,工人的饮水量可能会增加;在冬季,由于气温较低,洗浴用水量可能会增加。
因此,我们需要根据实际情况对用水量进行修正。
除了以上因素外,我们还需要考虑到工地用水设施的损耗、漏水等因素。
在实际施工过程中,由于管道老化、设备损坏等原因,会导致一定量的用水损耗。
因此,我们需要在计算工地用水量时,对这些因素进行合理的修正。
在计算工地平均用水量时,我们还需要考虑到节水措施的影响。
在实际施工中,我们可以通过采取一些节水措施,如使用节水型设备、加强管理等,来降低工地的用水量。
因此,我们需要对这些节水措施进行评估,并将其影响纳入到用水量的计算中。
综上所述,工地平均用水量的计算并不是一件简单的事情,需要考虑到多种因素。
因此,我们需要建立一个科学合理的计算公式,以便更好地指导工地的用水管理工作。
施工现场用水用电计算一、施工现场用水计算1.项目需水量的计算项目需水量是指项目施工期间所需的总用水量,可根据建筑面积、人数和工程类型等因素进行估算。
一般来说,建筑面积越大、施工人数越多、施工类型越复杂,项目需水量就越大。
2.用水时间的计算用水时间是指施工现场每天需要用水的时间,包括工人生活用水和施工用水。
具体用水时间可根据工地工作时间和工作内容进行确定,一般为工作日的工作时间。
3.施工现场总用水量的计算施工现场总用水量的计算公式为:总用水量=项目需水量×用水时间。
例如,一些项目的需水量为1000立方米,用水时间为8小时,那么该项目的施工现场总用水量为1000立方米×8小时=8000立方米。
二、施工现场用电计算1.项目用电需求的计算项目用电需求包括施工机具和设备的电力需求以及生活和办公用电的需求。
施工机具和设备的电力需求可通过查看设备的技术参数和名牌来确定,生活和办公用电的需求可通过查看施工现场人员的用电设备来确定。
2.用电时间的计算用电时间是指施工现场每天需要用电的时间,包括机具和设备的使用时间以及生活和办公用电的时间。
具体用电时间可根据工地工作时间和工作内容进行确定,一般为工作日的工作时间。
3.施工现场总用电量的计算施工现场总用电量的计算公式为:总用电量=项目用电需求×用电时间。
例如,一些项目的用电需求为1000千瓦,用电时间为8小时,那么该项目的施工现场总用电量为1000千瓦×8小时=8000千瓦。
三、施工现场用水、用电费用的计算1.用水费用的计算用水费用的计算公式为:用水费用=施工现场总用水量×水价。
其中,水价可根据当地的水费标准进行确定。
2.用电费用的计算用电费用的计算公式为:用电费用=施工现场总用电量×电价。
其中,电价可根据当地的电费标准进行确定。
需要注意的是,施工现场的用水、用电计算需要综合考虑工地实际情况,如施工机具和设备的实际使用情况以及生活和办公用电的实际需求等,以确保施工现场的用水、用电量是准确、合理的。
施工用水量计算
用水量主要考虑施工生产用水、施工机械用水、现场生活用水及现场消防用水四部分。
1、施工生产用水
施工生产月用水量(施工高峰月)
本工程C15混凝土采用自拌,共有3780立方米C15混凝土。
电缆隧道混凝土采用预拌混凝土,共有660立方米。
根据进度安排,施工最高峰月需拌制C15混凝土的数量为750立方米,高峰月隧道混凝土施工260立方米。
2、施工机械用水
施工机械月用水量(施工高峰月)
生活用水(含饮用、盥洗)按30L/人.日,高峰期工人数为302人,月用水量为:302*30*30=271800L 。
4、现场消防用水 消防用水按10L/s 配置。
5、高峰月用水量合计
236300+160000+271800=668100L ,约668吨。
6、施工过程各月用水量估算
7由于施工范围较大,工作面又较多,用水驳接口可以较多。
故施工现场水管主要需满足消防用水的要求。
Q 消=10L/s ,生活用水按消防用水10%考虑,
Q 总=10*=11L/s
现场供水管径D=100mm ,基本满足施工要求。
mm
D 1082
.11000
114=⨯⨯⨯=π。