(完整版)施工用水量计算方法
- 格式:doc
- 大小:18.51 KB
- 文档页数:2
施工临时用水量计算书一、施工用水量施工用水量q1:以高峰期为最大日施工用水量,计算公式为:q1=K1∑Q1N1K2/8×3600。
式中:K1未预计的施工用水系数,取1.15。
K2用水不均衡系数,取1.5。
Q1以砂浆搅拌机8小时内的生产量(每台以30m³计)、瓦工班8小时内的砌筑量(每班以20m³砖砌体计)、混凝土养护8小时内用水(自然养护,以100m³计)。
N1每立方米砂浆搅拌耗水量取400L/m³计,每立方米砖砌体耗水量以100L/m³计,每立方米混凝土养护耗水量以200L/m³计。
q1=1.15×(22×30×400+11×20×100+100×200)×1.5/8×3600=18.3L/S。
二、施工机械用水量q2q2=kl∑×Q2N2×K3/8×3600施工机械用水约取0.5L/S。
三、施工现场生活用水量q3q3=Pl×N3×K4/t×8×3600式中:P1 施工高峰期昼夜施工人数N3 施工现场用水定额(本工程取20L/人X班)K4 施工现场用水不均衡系数(1.3-1.5)q3=500x20x1.3/8x3600=0.45L/S。
四、工人生活用水计算公式q4=(ΣP2N3K4)/(24×3600)式中:q4——生活区生活用水量(L/S)P2——生活区居住人数(拟定500人);N2——生活区生活用水定额(20L/人.班)t——每天工作班数(班)k3——用水步均衡系数(2.00—2.50)工人生活用水系数确定生活区生活用水定额其中包括:卫生设施用水定额为25升/人;食堂用水定额为15升/人;洗浴用水定额为30升/人(人数按照出勤人数的30%计算);洗衣用水定额为30升/人;因此:用水量计算:q4=(ΣP2N3)K/(24×3600)=(500×25+500×15+500×30%×30+500×30)×2.00/(24×3600)=0.92L/S五、消防用水其中:根据消防用水定额:q5=25L/s六、总用水量计算Q=q1+q2+q3+q4=18.3+0.5+0.45+0.92=20.17<q5=25L/S,选择总用水量25L/s。
四十四中施工现场用水一、工程用水量计算:工地施工工程用水量可按下式计算:其中 q1 ──施工工程用水量 (L/s);K1 ──未预见的施工用水系数,取1.05;Q1 ──年(季)度工程量 (以实物计量单位表示),取值如下;N1 ──施工用水定额,取值如下表;T1 ──年(季)度有效工作日(d),取365天;b ──每天工作班数(班),取1;K2 ──用水不均匀系数,取1.50。
工程施工用水定额列表如下经过计算得到q1 =1.05*52047000(N1*Q1)*1.500/(365*1*8*3600)=7.8L/S。
二、生活用水量计算:施工工地用水量计算公式:其中 q2 ──施工工地生活用水量 (L/s);P1 ──施工现场高峰期生活人数,取150人;N2 ──施工工地生活用水定额,取值如下表;K3 ──施工工地生活用水不均匀系数,取1.30;b ──每天工作班数(班),取1施工工地用水定额列表如下经过计算得到q2 = 150.00×225.00×1.30/(1×8×3600)=1.52L/S。
三、生活区用水量计算:生活区生活用水量计算公式:其中 q3 ──生活区生活用水量 (L/s);P3 ──生活区居住人数,取150人;N4 ──生活区昼夜全部生活用水定额,取值如下表;K4 ──生活区生活用水不均匀系数,取2.00;生活区生活用水定额列表如下:经过计算得到q3= 150.00*225.00*2.00/(24*3600)=0.78L/S。
四、消防用水量计算:根据消防范围确定消防用水量 q4=10.00L/S。
五、施工工地总用水量计算:施工工地总用水量Q可按以下组合公式计算:在此计算中得:Q =(q1+q2+q3)=(7.8+1.52+0.78)=10.1L/S;最后计算出的总用水量,还应增加10%,以补偿不可避免的水管漏水损失。
最后Q还应增加10%,得出 Q =10.1+1.01=11.11L/S;施工用水量大于消防水量,故取11.11L/s.六、供水管径计算:工地临时网路需用管径,可按下式计算:其中: d ──配水管直径(m);Q ──施工工地用水量(L/S);V ──管网中水流速度(m/s),取V=2.00(m/s);供水管径由计算公式:d= √4*Q/3.14*2*1000≈0.08m. 得临时网路需用内径为80mm的供水管。
(完整版)施工用水量计算方法施工用水量计算方法一、施工用水设计根据本工程量、所需劳动人数、施工机械及招标文件等情况,对施工用水作如下设计:1、施工用水量计算(1)施工用水按每小时浇筑30m3砼计其中:q1——施工用水量Q1——每小时浇筑砼量N1——施工用水额K1——未预计的施工用水系数K2——用水不均衡系数(2)机械用水q2=K1 =0.04L/S其中:q2——机械用水量Q2——同一种机械台数N2——施工机械台班用水定额N2=300K1——用水修正系数K1=1.1K3——施工机械不均衡系数K3=2.0(3)现场生活用水q3= =0.8L/S其中:q1——施工现场生活用水量P1——施工现场高峰昼夜人数300人N3——施工现场生活用水定额N3=60K4——施工现场用水不均衡系数K2——用水不均衡系数b——每天工作班数(4)消防用水量Q消=10L/S(5)总用水量Q=q1+q2+q3=24.9+0.04+0.8=25.74L/S>Q消,故Q总取25.74L/S(6)水源管径计算D= =0.11其中:d——配水管直径Q总——总用水量V——管内水流速度2、现场临时给水管布置从业主提供的水源中,接出一根DN100的水管作为施工现场临时供水主管,即可满足现场的施工及生活和消防用水。
楼层给水从结构柱边往上设DN50水管,每层再接出DN25分水管。
其余支管均为DN25。
现场临时消防栓设3个,具体位置详附后施工给、排水平面图布置图。
二、现场排污管布置设计楼上的施工废水用Φ100PV C管从管道井内或从楼梯间有组织地排入地面水沟内,并每隔两层设一根与楼层上临时厕所等污水点相连的污水支管,所有施工废水都经两级沉淀后,才能经排水沟,排至场外的污水井内,地下水和雨水有组织的排入城市雨水井内。
第1篇一、施工工程用水量的构成施工工程用水量主要包括以下几部分:1. 施工用水:包括混凝土搅拌、浇筑、养护、模板清洗、设备冲洗等用水。
2. 生活用水:包括施工现场及生活区的饮用、洗涤、烹饪等用水。
3. 消防用水:包括施工现场及生活区的消防设施用水。
4. 环境保护用水:包括施工现场及生活区的绿化、降尘等用水。
二、施工工程用水量计算方法1. 施工用水量计算:根据施工方案,按照施工工艺要求,结合工程量、材料用量等因素,计算出施工用水量。
2. 生活用水量计算:根据施工现场人数、生活设施等情况,结合人均用水量,计算出生活用水量。
3. 消防用水量计算:根据施工现场及生活区的消防设施要求,结合消防用水标准,计算出消防用水量。
4. 环境保护用水量计算:根据施工现场及生活区的绿化、降尘等要求,结合用水标准,计算出环境保护用水量。
三、施工工程用水量管理措施1. 合理规划:在施工前期,对施工工程用水量进行科学规划,确保施工用水需求。
2. 节约用水:在施工过程中,加强用水管理,提高用水效率,减少浪费。
3. 优化用水设施:采用节水型设备,提高用水设施的使用效率。
4. 建立用水制度:制定用水管理制度,明确用水责任,加强用水监督。
5. 采取措施减少水污染:对施工现场和生活区的废水进行处理,达到排放标准。
6. 加强宣传培训:提高施工人员节约用水的意识,培养良好的用水习惯。
四、施工工程用水量监测与评估1. 监测:对施工工程用水量进行实时监测,确保用水量在合理范围内。
2. 评估:对施工工程用水量进行定期评估,分析用水情况,找出问题,采取措施加以改进。
总之,施工工程用水量是施工过程中的一项重要指标。
通过科学计算、合理规划、加强管理,可以有效控制施工工程用水量,提高施工效率,降低成本,实现可持续发展。
第2篇一、施工工程用水量的计算方法1. 分类计算施工工程用水量可分为以下几类:(1)施工用水量:包括现场施工用水、施工机械用水、施工现场生活用水等。
计算施工现场用水量本工程现场用水分为施工用水、施工机械用水、生活用水和消防用水三部分。
一、施工用水量q1:以高峰期为最大日施工用水量,计算公式为:q1=K1∑Q1N1K2/8×3600式中:K1未预计的施工用水系数,取1.15K2用水不均衡系数,取1.5Q1以砂浆搅拌机8小时内的生产量(每台以30m3计)、瓦工班8小时内的砌筑量(每班以20m3砖砌体计)、混凝土养护8小时内用水(自然养护,以100m3计)。
N1每立方米砂浆搅拌耗水量取400L/m3计,每立方米砖砌体耗水量以100L/m3计,每立方米混凝土养护耗水量以200 L/m3计。
q1=1.15×(5×30×400+4×20×100+100×200)×1.5/8×3600=5.27L/S二、施工机械用水量计算q2 =K1Q2∑N2K3/8×3600式中:K1未预计的施工用水系数,取1.15K3施工机械用水不均衡系数,取2.0Q2以一台对焊机每天工作8小时计,一个木工房一个台班计,一台锅炉每天工作八小时计。
N2每台对焊机耗水量300L/台.h,每个木工房耗水量20L/台班,每台锅炉耗水量1050L/t.h。
q2=1.15×(300×8+20×1+1050×8)×1.5/8×3600=0.65L三、生活用水q3:现场高峰人数以1500人计算,每人每天用水20L计算:q3=Q3N3K4/8×3600=1500×20×1.5/8×3600=1.54L/S四、消防用水量q4:根据规定,现场面积在25公顷以内者同时发生火警2次,消防用水定额按10-15L/S 考虑。
根据现场总占地面积,q4按10L/S考虑。
现场总用水量:根据规定,当q1+q2+ q3〈q4时,采用q4的原则,现场总用水量为:q= q4=10L/S供水管径,按下面公式计算:d=√4q/πV×1000=√4×10/3.14×2.0×1000=0.079m计算结果,现场供水管径需不小于80mm方可满足现场施工需要。
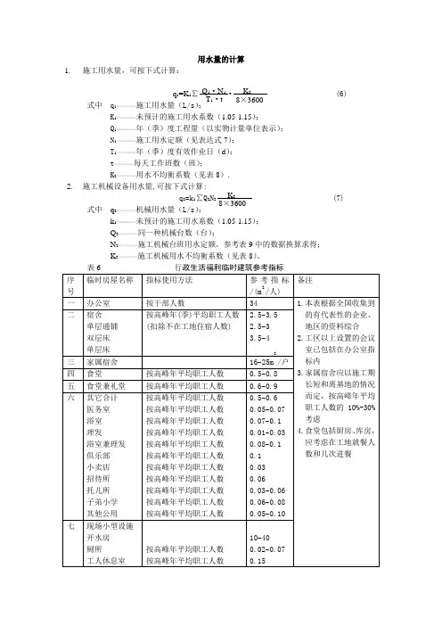
用水量的计算1.施工用水量,可按下式计算:q 1=K 1∑· (6) 式中 q 1————施工用水量(L/s ); K 1————未预计的施工用水系数(1.05-1.15);Q 1————年(季)度工程量(以实物计量单位表示); N 1————施工用水定额(见表达式7); T 1————年(季)度有效作业日(d ); t ————每天工作班数(班);K 2————用水不均衡系数(见表8). 2. 施工机械设备用水量,可按下式计算:(7)式中 q 2————机械用水量(L/s );k 1————未预计的施工用水系数(1.05-1.15); Q 2————同一种机械台数(台);N 2————施工机械台班用水定额,参考表9中的数据换算求得; K 3————施工机械用水不均衡系数(见表8)。
表6 行政生活福利临时建筑参考指标Q 1·N 1 T 1·t K 2 8×3600K 3 q 2=k 1∑Q 2N 2 8×3600表7 施工用水参考定额表8 施工用水不均衡系数 q 3= (8)式中 q 3———— 施工现场生活用水(L/s);p 1————施工现场高峰昼夜人数(人);N 3————施工现场生活用水定额(一般为20~60L/人·班,主要需视当地气候而定);k 4————施工现场用水不均衡系数(见表8); t ————每天工作班数(班)。
表9 机械用水量参考定额P 1·N 3·K 4t ×8×3600q 4= (9) 式中q 4———— 生活区生活用水; P 2————生活区居民人数(人);N 4————生活区昼夜全部生活用水定额,每一居民每昼夜为100-120L,随地区和 有无室内卫生设备而变化;各分项用水参考定额见表10; K 5————生活区用水不均衡系数(见表8)。
(5)消防用水量(q 5),见表11。
施工用水量计算施工用水量计算施工现场需要用水,需要进行合理的用水量计算。
下面介绍几种用水量的计算方法。
1、施工用水量计算施工用水量可按下式计算:q1 = K1 * Σ(Q1 * N1) * K2 * T1 * t * 3600其中,q1为施工用水量(L/s);K1为未预计的施工用水系数(1.05~1.15);Q1为年(季)度工程量(以实物计量单位表示);N1为施工用水定额;T1为年(季)度有效作业日(d);t为每天工作班数(班);K2为用水不均衡系数。
2、施工机械用水计算施工机械用水可按下式计算:K3 * q2 = K1 * Σ(Q2 * N2) * 8 * 3600其中,q2为机械用水量(L/s);K1为未预计施工用水系数(1.05~1.15);Q2为同一种机械台数(台);N2为施工机械台班用水定额;K3为施工机械用水不均衡系数。
3、施工现场生活用水计算施工现场生活用水量可按下式计算:q3 = P1 * N3 * K4 / (t * 8 * 3600)其中,q3为施工现场生活用水量(L/s);P1为施工现场高峰人数(人);N3为施工现场用水定额(一般为20~60L/人.班);K4为施工现场不均衡系数;t为每天工作班数。
4、生活区生活用水计算生活区生活用水量可按下式计算:q4 = P2 * N4 * K5 / (24 * 3600)其中,q4为生活区生活用水(L/s);P2为生活区居民人数(人);N4为生活区昼夜全部生活用水定额,每一居民每昼夜为100~120L;K5为生活区用水不均衡系数。
5、消防用水量计算6、总用水量计算总用水量(Q)计算公式为:当(q1+q2+q3+q4)≤q5时,则Q=q5+(q1+q2+q3+q4)/2当(q1+q2+q3+q4)>q5时,则Q=q1+q2+q3+q47、管径的选择管径的选择公式为:d = 4Q / (π * υ * 1000)其中,d为配水管直径(m);Q为耗水量(L/s);υ为管网中水流速度(m/s)。
一、施工临时用水量的概念施工临时用水量是指在工程施工期间,为保证施工人员的生活、生产用水以及消防用水而临时设置的供水系统所需的用水量。
它包括施工用水、生活用水和消防用水三个部分。
二、施工临时用水量的计算方法1. 施工用水量计算施工用水量主要根据工程量、施工用水定额和未预计施工用水系数等因素进行计算。
计算公式如下:施工用水量(q1)= k1 × Q1 × N1式中:q1 ——施工用水量(m³/d)k1 ——未预计施工用水系数Q1 ——年(季)度工程量(以实物计算单位表示)N1 ——施工用水定额(m³/m³)2. 生活用水量计算生活用水量主要根据施工人员数量、用水定额和用水时间等因素进行计算。
计算公式如下:生活用水量(q2)= k2 × P × N2式中:q2 ——生活用水量(m³/d)k2 ——未预计生活用水系数P ——施工人员数量N2 ——生活用水定额(m³/人·d)3. 消防用水量计算消防用水量主要根据消防用水标准、消防用水时间和消防用水压力等因素进行计算。
计算公式如下:消防用水量(q3)= k3 × S × N3式中:q3 ——消防用水量(m³/d)k3 ——未预计消防用水系数S ——消防用水标准(m³/h)N3 ——消防用水时间(h)三、施工临时用水量的管理措施1. 合理规划:在工程前期,应根据施工进度、施工面积、施工人员数量等因素,合理规划临时用水系统,确保施工用水需求。
2. 选用合适设备:选用节能、环保、可靠的临时用水设备,降低用水成本。
3. 严格用水管理:建立健全用水管理制度,加强对施工用水、生活用水和消防用水的管理,杜绝浪费。
4. 定期检查:定期对临时用水系统进行检查、维护,确保供水系统正常运行。
5. 节约用水:提倡节约用水,提高施工人员的节水意识,降低施工临时用水量。
施工用水计算施工供水设施一、确定供水数量1、现场施工用水量可按下式计算:q1=K1(ΣQ1*N1/T1*t)K2/8*3600式中q1--施工用水量(L/S)K1--未预计的施工用水系数(1.05-1.15)Q1--年(季)度工程量(以实物计量单位表示)[10M2]N1--施工用水定额(见下表)T1--年(季)有效工作日(d)t--每天工作班数(班)2、施工机械用水量可按下式计算:q2=K1ΣQ2*N2*K3/8*3600式中q2--机械用水量(L/S)K1--未预计的施工用水系数(1.05-1.15)Q2--同一种机械台数(台)N2--施工机械台班用水定额,参考下表中的数据换算求得K3--施工机械用水不均衡系数(见下表)3、施工现场生活用水量可按下式计算:q3=P1*N3*K4/t*8*3600式中q3--施工现场生活用水量(L/S)P1--施工现场高峰昼夜人数(人)N3--施工现场生活用水定额(一般为20-60L/人*班,主要需视当地气候而定)K4--施工现场用水不均衡系数(见下表)t--每天工作班数(班)4、生活区生活用水量可按下式计算:(不计)q4=P2*N4*K5/24*3600式中q4--生活区生活用水量(L/S)P2--生活区居民人数(人)N4--生活区昼夜全部生活用水定额,第一居民每昼夜为100-120L,随地区和有无卫生设备而变化;各分项用水参考定额见表34-30 K5--生活区用水不均衡系数见下表5、消防用水量(q5),见下表6、总用水量(Q)计算:(1)当q1+q2+q3+q4≤q5时,则Q=q5+0.5*(q1+q2+q3+q4)(2)当q1+q2+q3+q4 q5时,则Q=q1+q2+q3+q4(3)当工地面积5ha而且q1+q2+q3+q4 q5时,则Q=q5,最后计算出的总用量,还应增加10%,以补偿不可避免的水管漏水损失。
7、管径计算:D=(4Q/1000ЛV)1/2式中:D配水管直径(m) Q耗水量(L/S)v管网中水流速度(m/s) 表1序号用水对象单位耗水量(N1)备注1浇注混凝土全部用水L/m3 1700~2400 2搅拌普通混凝土L/m3 250 3搅拌轻质混凝土L/m3 300~350 4搅拌泡沫混凝土L/m3 300~400 5搅拌热混凝土L/m3 300~350 6混凝土养护(自然养护) L/m3 200~400 7混凝土养护(蒸汽养护) L/m3 500~700 8冲洗模板L/m3 59搅拌机清洗L/台班600 10人工冲洗石子L/m3 1000当含泥量大于2%小于3%时11机械冲洗石子L/m3 600 12洗砂L/m3 1000 13砌砖工程全部用水L/m3 150~250 14 砌石工程全部用水L/m3 50~80 15 抹灰工程全部用水L/m2 30 16耐火砖砌体工程L/m3 100~150包括砂浆搅拌17浇砖L/千块200~250 18浇硅酸盐砌块L/m3 300~350 19 抹面L/m2 4~6不包括调制用水20楼地面L/m2 190主要是找平层21搅拌砂浆L/m3 300 22石灰消化L/t 3000 23上水管道工程L/m 98 24下水管道工程L/m 1130 25工业管道工程L/m 35 26施工用水不均衡系数表2编号用水名称系数K1未预计的施工用水系数(1.05~1.15)K2现场施工用水附属生产企业用水1.5 1.25 K3施工机械、运输机械动力设备2.00 1.05~1.10 K4 施工现场生活用水1.30~1.50 K5生活区生活用水2.00~2.50机械用水量参考定额表3序号用水机械名称单位耗水量(L)备注1内燃挖土机m3·台班200~300以斗容量m3计2内燃起重机t·台班15~18以起重量吨数计3蒸汽起重机t·台班300~400以起重量吨数计4蒸汽打桩机t·台班1000~1200以锤重吨数计5内燃压路机t·台班15~18以压路机吨数计6蒸汽压路机t·台班100~150以压路机吨数计7拖拉机台·昼夜200~300 8汽车台·昼夜400~700 9标准轨蒸汽机车台·昼夜10000~20000 10空压机(m3/min)·台班40~80以空压机单位容量计11内燃机动力装置(直流水) 马力·台班120~300 12内燃机动力装置(循环水) 马力·台班25~40 13锅炉t·h 1050以小时蒸发量计14点焊机25型台·h 100 15点焊机50型台·h 150~200 16点焊机75型台·h 250~300 17对焊机台·h 300 18冷拔机台·h 300 19木工场台班20~25分项生活用水量参考定额表4序号用水对象单位耗水量1生活用水(漱洗、饮用) L/人·日20~40 2食堂L/人·次10~20 3浴室(淋浴)L/人·次40~60 4淋浴带大池L/人·次50~60 5洗衣房L/kg干衣40~60 6理发室L/人·次10~25 7学校L/学生·日10~30 8幼儿园、托儿所L/儿童·日75~100 9病院L/病床·日100~150消防用水量表5序号用水名称火灾同时发生次数单位用水量1居民区消防用水5000人以内10000人以内25000人以内一次二次二次L/S L/S L/S 10 10~15 15~20 2 施工现场消防用水施工现场在25ha以内每增加25ha一次一次L/S L/S 10~15 5。
完整版)施工用水量计算建筑工地的临时供水主要包括生产用水、生活用水和消防用水三种。
生产用水包括工程施工用水和施工机械用水。
生活用水包括施工现场生活用水和生活区生活用水。
一、工程用水量计算:工地施工工程用水量可按以下公式计算:q1 = K1 × Q1 × N1 × T1 × b × K2 / (365 × 1 × 8 × 3600)其中:q1 ── 施工工程用水量 (L/s);K1 ── 未预见的施工用水系数,取1.05;Q1 ── 年(季)度工程量(以实物计量单位表示),取值见下表;N1 ── 施工用水定额,取值见下表;T1 ── 年(季)度有效工作日 (d),取365天;b ── 每天工作班数 (班),取1;K2 ── 用水不均匀系数,取1.50.工程施工用水定额列表如下:序号用水名称用水定额N1 工程量Q1 单位1 浇注混泥土全部用水 1700.0 1.0 M32 模板浇水湿润 10.0 .0 M33 搅拌机清洗 600.0 360.0 台班4 砌筑工程全部用水 150.0 3000.0 M35 抹灰工程全部用水 30.0 500.0 M36 浇砖 200.0 .0 千块7 抹灰(不包括调制砂浆) 4.0 6000.0 M28 楼地面抹砂浆 190.0 .0 M29 搅拌砂浆 300.0 5000.0 M310 原土地坪、路基 0.2 2000.0 M211 上水管道工程 98.0 300.0 M12 下水管道工程 1130.0 2000.0 M13 混凝土自然养护 200.0 6000.0 M3经过计算得到 q1 = 1.05 × xxxxxxxx0.00 × 1.500 / (365 × 1 × 8 × 3600) = 18.39 L/s。
二、机械用水量计算:施工机械用水量计算公式如下:q2 = K1 × Q2 × N2 × K3 / (3600 × 24)其中:q2 ── 施工机械用水量 (L/s);K1 ── 未预见的施工用水系数,取1.05;Q2 ── 同一种机械台数 (台),取值见下表;N2 ── 施工机械台班用水定额,取值见下表;K3 ── 施工机械用水不均匀系数,取2.00.施工机械用水定额列表如下:根据表格中的数据,可以得出以下机械名称、型号、单位和耗水量信息:1.木工场台•台班,耗水量为20.0 L/班次;2.空压机台•台班,耗水量为40.0 L/班次;3.对焊机-冷拨机台•h,耗水量为300.0 L/小时。
施工现场临时用水计算方法1. 施工临水总量计算1) 计算公式:q1=K1ΣQ1.N1/(T1 .t) ×K2/(8×3600)q1——施工用水量(L/S)K1——未预计的施工用水系数(1.05 —1.15)Q1——年(季)度工程量(以实物计量单位表示)N1——施工用水定额T1——年(季)度有效作业天数t——每天工作班数k2——用水不均衡系数2) 工程实物工程量及计算系数确定由于工程结构施工阶段相对于装修阶段施工用水量大,故Q1主要以混凝土工程量为计算依据,据统计混凝土实物工作量约为23000立方米,混凝土为(商混)不考虑现场搅拌,混凝土养护用水定额取700升/立方米;拟定结构及前期阶段施工工期为300天;每天按照1.5各工作班计算;因此:K1=1.1Q1=23000立方米N1=750 升/立方米T1=120天t =1.5班k2=1.53) 工程用水计算q1=K1Σ Q1.N1/(T1 .t) ×K2/(8×3600)=1.1×(23000×950)/(120×1.5)×1.5/(8×3600)=5.12L/S2. 工人生活区用水1) 计算公式q3=(ΣP2N3K4)/(24×3600)q3——生活区生活用水量(L/S)P2——生活区居住人数(拟定500人);N2——生活区生活用水定额(20升/人.班)t——每天工作班数(班)k3——用水步均衡系数(2.00—2.50)2) 工人生活用水系数确定生活区生活用水定额其中包括:卫生设施用水定额为25升/人;食堂用水定额为15升/人;洗浴用水定额为30升/人(人数按照出勤人数的30%计算);洗衣用水定额为30升/人;因此:3) 用水量计算q3 =(ΣP2N3)K/(24×3600)=(500×25+500×15+500×30%×30+500×30)×2.00/(24×3600)=0.91L/S3. 总用水量计算:因为该区域工地面积小于5公顷(约1公顷),如果假设该工地同时发生火灾的次数为一次,则消防用水的定额为10—15L/S,取 q4= 10L/S (q4——消防用水施工定额)∵ q1+ q2+q3=5.12+0.91=6.03L/S< q4= 10L/S∴计算公式:Q= q4Q= q4 =10L/S6. 给水主干管管径计算1) 计算公式D=√4Q/(πv.1000)其中:D——水管管径(m)Q——耗水量(m/s)V——管网中水流速度(m/s)2) 消防主干管管径计算D=√4Q/(πv.1000)=√4×10/(3.14×2.5×1000)=0.0714mm其中:根据消防用水定额:Q=10L/s消防水管中水的流速经过查表:V=2.5m/s根据北京市消防管理的有关规定,消防用管的主干管管径不得小于100mm,因此,消防供水主干管的管径确定为100mm。
施工临时用水计算计算书施工临时用水计算书建筑工地临时供水主要包括生产用水、生活用水和消防用水三种。
其中,生产用水包括工程施工用水和施工机械用水,而生活用水则包括施工现场生活用水和生活区生活用水。
一、工程用水量计算工地施工工程用水量可按照以下公式进行计算:q1 = K1 × ΣQ1 × N1 × K2 / (T1 × b × 8 × 3600)其中,q1 表示施工工程用水量(L/s);K1 为未预见的施工用水系数,取值为1.1;Q1 为年(季)度工程量(以实物计量单位表示),取值参考下表;N1 为施工用水定额,取值参考下表;T1 为年(季)度有效工作日数(d),取228天;b 为每天工作班数(班),取2;K2 为用水不均匀系数,取1.4.工程施工用水定额列表如下:序号。
用水名称。
用水定额N1.工程量Q1(单位:M^3或M^2)1.浇筑混凝土。
5800.全部用水2.砌筑工程。
1675.全部用水3.抹灰工程。
.全部用水经过计算得到q1 = 1.23L/s。
二、机械用水量计算施工机械用水量计算公式如下:q2 = K1 × ΣQ2 × N2 × K3 / (8 × 3600)其中,q2 表示施工机械用水量(L/s);K1 为未预见的施工用水系数,取值为1.05;Q2 为同一种机械台数(台),取值参考下表;N2 为施工机械台班用水定额,取值参考下表;K3 为施工机械用水不均匀系数,取2.施工机械用水定额列表如下:序号。
机械名称型号。
耗水量N1(L)。
机械台数Q2(单位:M^3/min·台·h)1.空压机xxx。
402.12.锅炉xxx。
.1经过计算得到q2 = 0.62L/s。
三、工地生活用水量计算施工工地用水量计算公式如下:q3 = P1 × N3 × K4 / (b × 8 × 3600)其中,q3 表示施工工地生活用水量(L/s);P1 为施工现场高峰期生活人数,取845人;N3 为施工工地生活用水定额,取值参考下表;K4 为施工工地生活用水不均匀系数,取1.3;b 为每天工作班数(班),取2.施工工地用水定额列表如下:序号。
工地平均用水量计算公式在工地施工过程中,用水是必不可少的。
然而,合理地计算工地的平均用水量对于节约资源、降低成本、保护环境都至关重要。
因此,我们需要建立一个科学合理的工地平均用水量计算公式。
首先,我们需要明确工地的用水对象。
一般来说,工地的用水对象主要包括施工生活用水和施工生产用水。
施工生活用水包括工人的生活饮用水、洗浴水等;施工生产用水包括混凝土搅拌、灌浆、洗车等。
因此,我们需要分别对这两部分用水进行计算。
对于施工生活用水,我们可以采用以下公式进行计算:施工生活用水量 = 工地工人数量×人均日用水量×施工天数。
其中,工地工人数量是指在工地上工作的人数,人均日用水量是指每个工人每天所需的用水量,施工天数是指工地施工的总天数。
对于施工生产用水,我们可以采用以下公式进行计算:施工生产用水量 = 混凝土搅拌用水量 + 灌浆用水量 + 洗车用水量 + …。
在实际计算中,我们需要将施工生产用水的各个部分分别计算,然后将其相加得到总的施工生产用水量。
在计算工地的平均用水量时,我们还需要考虑到季节因素、气候因素等。
例如,在夏季,由于气温较高,工人的饮水量可能会增加;在冬季,由于气温较低,洗浴用水量可能会增加。
因此,我们需要根据实际情况对用水量进行修正。
除了以上因素外,我们还需要考虑到工地用水设施的损耗、漏水等因素。
在实际施工过程中,由于管道老化、设备损坏等原因,会导致一定量的用水损耗。
因此,我们需要在计算工地用水量时,对这些因素进行合理的修正。
在计算工地平均用水量时,我们还需要考虑到节水措施的影响。
在实际施工中,我们可以通过采取一些节水措施,如使用节水型设备、加强管理等,来降低工地的用水量。
因此,我们需要对这些节水措施进行评估,并将其影响纳入到用水量的计算中。
综上所述,工地平均用水量的计算并不是一件简单的事情,需要考虑到多种因素。
因此,我们需要建立一个科学合理的计算公式,以便更好地指导工地的用水管理工作。
施工现场临时用水计算实例公式在现代建筑工地上,水是必不可少的资源,作为人类生活必需品的一项,水在建筑施工中的应用也越来越广泛。
在施工现场,临时用水是必须的,例如洗手、沉淀水、灌溉、混泥土等方面都需要大量的水,因此合理计算临时用水量就显得十分必要。
临时用水量的计算公式在计算临时用水量时,我们需要确定一些关键参数,常见参数包括人口数量、用水设备和建筑物面积。
以下是一个基于人口数量计算临时用水量的公式:临时用水量(立方米/天)= 人口数量 × 人均日用水量其中,人均日用水量是指一个人一天需要用多少水。
根据《建筑给水排水设计规范》的规定,不同建筑物类型的人均日用水量不同。
例如,住宅的人均日用水量一般为80升/人/天,而学校、医院等公共建筑的人均日用水量要更高一些。
在计算临时用水量时,还需要考虑用水时间和用水频率。
例如,一个住宅小区的居民一天需要用水5次,每次用水时间为20分钟,那么该小区一天需要用水的总时间为5×20=100分钟,即1小时40分钟。
将这个时间转化为小时,再将临时用水量除以这个小时数,即可得到平均每小时用水量。
平均每小时用水量(立方米/小时)= 临时用水量 ÷ (用水小时数 + 用水分钟数 ÷ 60)根据以上公式,我们可以根据建筑物类型、人口数量、用水时间和用水频率等参数计算出该建筑施工所需的临时用水量。
实例分析下面以一个大型工业建筑物的施工现场为例,演示如何使用以上公式计算临时用水量。
假设该工业建筑物的建筑面积为20000平方米,施工期为6个月,平均每天有200名工人和50名工程师在施工现场工作。
根据《建筑给水排水设计规范》,一个工人和一个工程师的人均日用水量分别为80升和120升。
工人每天需要用水6次,每次用水时间为10分钟;工程师每天需要用水2次,每次用水时间为30分钟。
假设每次用水的水流量相同,为0.1立方米/分钟。
根据以上参数,我们可以计算出该工业建筑施工现场的临时用水量。
1施工用水量计算施工用水量--- q1q1=K1K2ΣQ1N1/ 8×3600K1---未预计的施工用水系数取1.15K2---用水不均衡系数取1.5Q1---每台班实物量,混凝土养护,取300立方米N1---施工用水定额,混凝土养护,取250L/M3 q1=1.15×1.5×(300×250)/ 28800=4.49L/S2 机械用水--- q2q2=K1ΣQ2N2K3/(8×3600)K1---未预计的施工用水系数取1.15Q2---同一种机械台数N2---施工机械台班用水定额K3---用水不均衡系数q2=K1ΣQ2N2K3/(8×3600)=1.05×12×300×2/28800=0.262 L/S3 施工现场生活用水--- q3q3=P1N3K4/(t×8×3600)P1---施工现场昼夜高峰人数654人t---每天工作班数3班N3---施工现场用水定额120L/人班K4---施工现场用水不均衡系数1.5q3=P1N3K4/(t×8×3600)=654×120×1.5/(3×8×3600)=1.36L/S4 生活区用水--- q4Q4=P2N4K5/(24×3600)P2---生活区居民人数654人N4---生活区全部昼夜用水定额120L/人班K5---生活区用水不均衡系数取2q3=P1N3K4/(t×8×3600)=654×120×2/(3×8×3600)=1.82 L/S5 消防用水--- q5消防用水q5现场面积在25ha以内消防用水定额按10-15L/S 计算,本工程现场面积合约25ha,故选用q5=10/S总用水量—Q的计算当q1 + q2 + q3+ q4=7.93<q5,总用水量Q= q5=10L/S。
施工用水量计算方法
一、施工用水设计
根据本工程量、所需劳动人数、施工机械及招标文件等情况,对施工用水作如下设计:1、施工用水量计算
(1)施工用水
按每小时浇筑30m3砼计
其中:q1——施工用水量
Q1——每小时浇筑砼量
N1——施工用水额
K1——未预计的施工用水系数
K2——用水不均衡系数
(2)机械用水
q2=K1 =0.04L/S
其中:q2——机械用水量
Q2——同一种机械台数
N2——施工机械台班用水定额N2=300
K1——用水修正系数K1=1.1
K3——施工机械不均衡系数K3=2.0
(3)现场生活用水
q3= =0.8L/S
其中:q1——施工现场生活用水量
P1——施工现场高峰昼夜人数300人
N3——施工现场生活用水定额N3=60
K4——施工现场用水不均衡系数
K2——用水不均衡系数
b——每天工作班数
(4)消防用水量
Q消=10L/S
(5)总用水量
Q=q1+q2+q3=24.9+0.04+0.8=25.74L/S>Q消,故Q总取25.74L/S
(6)水源管径计算
D= =0.11
其中:d——配水管直径
Q总——总用水量
V——管内水流速度
2、现场临时给水管布置
从业主提供的水源中,接出一根DN100的水管作为施工现场临时供水主管,即可满足现场的施工及生活和消防用水。
楼层给水从结构柱边往上设DN50水管,每层再接出DN25分水管。
其余支管均为DN25。
现场临时消防栓设3个,具体位置详附后施工给、排水平面图布置图。
二、现场排污管布置设计
楼上的施工废水用Φ100PVC管从管道井内或从楼梯间有组织地排入地面水沟内,并每隔两层设一根与楼层上临时厕所等污水点相连的污水支管,所有施工废水都经两级沉淀后,才能经排水沟,排至场外的污水井内,地下水和雨水有组织的排入城市雨水井内。