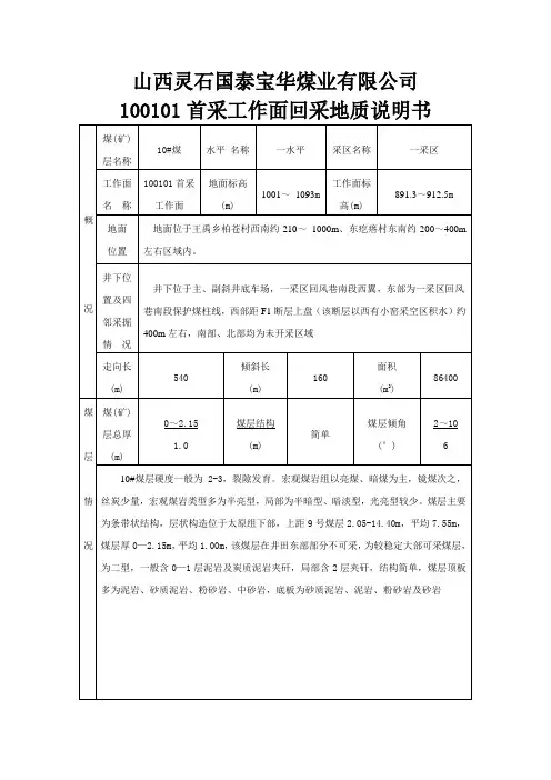
10301回采地质说明书2017.5.23
- 格式:doc
- 大小:114.50 KB
- 文档页数:17
10121工作面回采地质说明书编制:王静主任:分管副总:总工程师:2011年3月1日一、概况1、工作面概况10121工作面布置在采一区1580轨道石门以东,为我矿12#煤层首采工作面,走向长约540m,工作面倾斜长约198m,该面预计在2012年4月下旬开始回采;工作面上限标高为+1582m,下限标高为+1491m。
2、对应地表情况及地面位置地势沿煤层走向上为东高西低,地表为构造剥蚀山地地貌,发育单面山、脊状山,山岭走向与地层走向一致,属于中等切割的中山地形。
该面对应地表为大山,无重要建筑物及民房,局部地段有农田,埋深300-591m,回采过后,在埋深浅的地段,可能会导致地表山体开裂等地质灾害,因此,须要对10121工作面回采后对地面的影响进行地质灾害评估。
3、工作面周围采掘情况该工作面自西向东分别布置有焦炭沟、金竹凹、罗汉松等地方小煤矿,其开采情况如下:3.1焦炭沟:焦炭沟煤矿位于10121回风巷160m---480m之间,主要是开采3#、5#、9#、12#煤层,最低开采标高不详细,现系统已关闭,根据已揭露的12#煤层资料分析,对10121工作面回采不会构成影响。
3.2 金竹凹:金竹凹煤矿位于10121回风巷480m---600m之间,主采3#、5#、9#、11#、12#煤层,12#煤层的最低开采标高在1602m,通过对12#煤层的系统进行调查,曾在该矿12#煤层运输巷观测到我矿10121回风巷联络巷所打锚索,巷道布置是往东,长度约150m,该矿12#煤层开采不会对10121工作面回采造成大的威胁,但是,在雨季期间,不排除该矿涌水从打锚索处排出,因此,10121工作面在雨季回采期间,下出口必须安设好不小于200 m³/h的排水泵及相应的排水管路。
3.3罗汉松:罗汉松煤矿位于10121回风巷设计之外,主采17+18#煤层,开采标高已探清,距10121工作面较远。
二、煤层概况1、煤层顶底板情况直接顶:深灰色泥质粉砂岩,在局部地段为深灰色粉砂质泥岩,岩性较软弱,易判别,厚度在1.5m−3m;老顶:灰色细砂岩,岩性坚硬,厚度8m−15m。
汝州市神火顺通矿业有限公司圣达煤矿二1-22121回采地质说明书一、工作面概况该工作面位于主井以西约250米,南与西翼回风巷、西翼进风巷相邻,北部靠近F14山头正断层(切眼相距山头正断层平均为37米),东部目前尚未布置采面,西部相邻为081泄水巷。
该面可采走向长,进风巷104米,回风巷97米,平均为100.5米,倾斜为75米,回采面积7537.5㎡,回采标高在9.7~-6.5米,地面标高在320~330米之间,回采垂深最大为343.5米,地面为第四系黄土覆盖层,厚度为60米左右,该面初次回采向南推进约20米,为了解除寒武系灰岩承压水对回采的威胁,已停产有待打钻注入水泥砂浆加固堵水完善后,在适当的时候进行回采。
二、地质构造该采面地质构造条件较简单,通过22121进、回风巷掘进,揭露共见大小断层4条,均为正断层,落差在0.6~3.5米之间,经综合分析判断:F1与F4系同一条断层,F2与F3系同一条断层,以上两条断层相距较近,构造挤压应力较集中,F1、F4为主断层,F2、F3为次生断层。
在上述断层地带矿压较大,顶板裂隙发育,岩石破碎,煤层很容易发生片帮,建议届时加强顶板支护管理,为减少顶板为煤壁的压力,采面煤壁应及时打上贴帮柱等防患措施,严防超前冒顶,造成事故。
现就采面所见断层的要素分别叙述如下:二1煤层22121采面断层一览表巷道名称断层性质倾向(°)倾角(°)落差(m)对回采的影响程度F1 正346 37 3.0 影响中等F2 正347 63 0.6 影响较小F3 正347 63 1.0 影响较小F4 正348 45 3.5 影响中等三、煤层赋存情况通过采面掘进揭露实测:煤层走向在99°~279°倾向北西,煤层倾角,南部为5°,北部为10°,平均7.5°,煤层厚度通过打钻孔均匀分布探测,厚度变化较大,最厚为11.6米(在煤厚变化较大处加密探测钻孔),分布在进风巷切眼口处;最薄处分布在回风巷的南端h4导线点处,厚度为2.9米,去掉上述煤层最厚与最薄两点,采面平均煤厚为5.5米,掘进中进、回风巷大部分地段为丢顶煤沿底板掘进,煤层起伏变化不大(断层构造带除外)。
40105工作面回采地质说明书一、概况40105工作面为401采区西翼第二个工作面,工作面走向长1855m,倾向200m,面积37100m2,煤层底板标高590.6~649.0m,煤层埋藏深度340.2~459.3m,地理坐标范围为X:3880952.52~3881163.32;Y:36494379.229~36496245.971。
工作面掘进范围内有D30、D37两个勘探钻孔,据资料显示封孔良好。
该工作面对应地表西部、东部为宽缓的黄土台塬,中部为沟壑地貌,地表最大标高1084.3m,最底标高886.2m。
在工作面塌陷影响范围内有2个行政村庄——文家店和祁家坡,切眼西部为常家咀,工作面西部对应地表北侧为祁家坡南侧为文家店(咀头五组),文家店与祁家坡一条公路相连,且公路穿过工作面。
工作面内及周围沿公路有住户,由于采动造成基地沉降,将会对村庄造成较大影响。
该工作面对应地表菜子沟,沟壑中有一小溪,常年流水。
由于村庄位于工作面塌陷影响范围之内,采掘活动可能会对村庄造成一定影响,须注意防范并提前考虑搬迁安置相关工作。
二、煤层及顶底板特征2.1煤层40105工作面内及周边勘探钻孔D30、D37钻孔皆为见煤、可采钻孔,平均全煤厚13.7m,属特厚煤层。
煤层结构简单,局部含0~2层夹矸,大部分不含夹矸,岩性多为炭质泥岩。
2.2物理性质和煤岩特征2.2.1物理性质煤层属低变质烟煤,黑色,褐色、棕褐色条痕,细条带、条带状构造,层状构造,贝壳状、阶梯状及参差状断口。
2.2.2煤岩特征以亮煤、暗煤为主,含少量镜煤。
煤层的显微煤岩组分以有机物为主,无机组分次之。
其中有机组分中又以粘土类和碳酸盐类为主,硫化物和氧化物较少。
2.3 煤层顶底板岩性特征直接顶:多为泥岩,浅灰色。
具水平纹理,含黄铁矿结核和植物化石,厚度平均0.66m。
其抗压强度24.6 MPa,软化系数0.4,属于易冒落半坚硬不稳定型。
老顶:岩性主要为粉砂岩,浅灰—灰白色,平均厚度4.67m,其抗压强度63.76 MPa,软化系数0.50,属于半坚硬较稳定型。
水城县阿戛镇禹举明煤矿30102回风上山掘地质说明书编制人:编制时间:2017年9月26日会审记录30102回风上山地质说明书第一节概述一、巷道地理位置及四邻开采情况:1、巷道位置:30102回风上山位于三采区1388m—1388m区段,在30102运输巷巷顶距30102运输巷开口50m位置开门,开口方位按约105°,沿C1煤层伪倾斜+35°掘进。
2、邻区情况:30102回风上山位于C1煤层中,其北侧布置有1426西瓦斯巷,南侧无巷道布置,东侧为一采区正在开采,西侧至F13断层,上覆为30101采空区。
3、地面情况:矿区地形起伏较大,属构造侵蚀、溶蚀中山地貌。
矿区地势总体南北高中间低,最高点位于矿区西部石梁子的山顶上,标高约1984m,最低点(即矿区侵蚀基准面)位于矿区南东部的河谷处,标高约1425m,相对高差约559m 。
二、地质概况1、区域大地构造单元属扬子准地台-黔北台隆-六盘水断陷-威宁北西向构造变形区。
2、区域位于娄山关大断裂,贵阳、黄平深断裂的威宁紫云深断裂之间,构造属黔西北弧西北翼内部部位,区内褶皱断裂无不受其支配,区域构造主要为北西向,其次东西向和北东向,有时三个互相交接、互相穿插干扰,构成长条形构造形态。
三、地质水文情况:根据一采区及三采区所掘进的六条穿层石门的穿煤情况分析,所有煤层含水量较低,无涌水现象,该掘进工作面掘进至边界线后,地表有河流穿过,要及时进行打钻查明前方情况,待水情查明、水患排除后,方可继续向前掘进。
该巷掘进时严格执行“有掘必探、先探后掘”的规定。
四、煤层瓦斯涌出量、瓦斯等级、发火期、煤尘爆炸指数2016年该矿瓦斯绝对涌出量10.78m3/min,该巷掘进时瓦斯绝对瓦斯涌出量按全矿的15%计算,预计该巷绝对瓦斯涌出量10.78×15%=1.617m3/min左右,该矿所有煤尘均具有爆炸性,煤层有自燃倾向,因此必须采取消尘措施和预防煤层自燃发火措施和煤层自燃发火观测措施,防止其自燃。
1-101回采工作面“防治水”安全许可评价自评报告书二〇一三年八月1-101回采工作面安全评价自评报告一、工作面概况1、工作面位置、四邻关系及地表位置1-101回采工作面地表相对位于东梁村以东,地表为黄土丘陵和沟壑,黄土层厚度118-136m,基岩厚度为170-210m,地面标高600——640m,工作面部分位于工业广场保安煤柱与东梁村保安煤柱下;地表形态属中高山地形,地表丘陵为农田,沟谷内种植树木。
工作面井下位于260水平南侧,井下标高200——275m,1-101回采工作面以西为原1-103回采工作面采空破坏区(已回采)与工业广场保安煤柱,以东为260水平采区1-102回采工作面(未形成),以北为采区皮带下山巷与回风下山巷及东梁村保安煤柱,以南为万安断层保安煤柱及采区边界。
1-101回采工作面设计两个切巷,一切巷的正巷长为1029.1m,副巷长为801.9m,切巷长为170m,面积为148631㎡。
二切巷的正巷长为386.3m,副巷长为302.3m,面积为58021㎡。
2、煤层及储量①1-101回采工作面位于260水平采区工作面,所采煤层为1#煤,煤层厚度为1.6m,呈油脂或暗淡的油脂光泽,稀疏线理状结构,煤层结构简单、稳定,属3/1焦煤,煤层倾角为5°-8°。
煤质指标为Mad,1.21% Ad,16.49% Vdaf,36.70% St,d,0.50% Qgr,d,228.679%(MJ/Kg),煤种牌号为3/1焦煤。
②以正巷付巷切巷及停采线为界,参数密度1.35t/m3,参与计算:(一)1-101工作面一切巷与停采线圈定可采面积:18190㎡煤厚:1.6m煤层容重:1.35t/m³工作面回采率:95%工业储量为:工业储量=可采面积×煤层容重×煤厚=18190×1.35×1.6=39290.4t可采储量为:可采储量=工业储量×回采率=39290.4×95%=37325.88t(二)1-101工作面二切巷与停采线圈定可采面积:74800㎡煤厚:1.7m煤层容重:1.35t/m³工作面回采率:95%工业储量为:工业储量=可采面积×煤层容重×煤厚=74800×1.35×1.7=171666t可采储量为:可采储量=工业储量×回采率=171666×95%=163082.7t(三)1-101回采工作面一切巷与二切巷停采线圈定可采储量合计为:200408.58t.二、工作面地质条件老顶:老顶为K8中砂岩厚度为3.5m,灰白色细砂岩,成分以石英为主,含暗色矿物及煤屑,钙质胶结,致密坚硬,裂隙发育,稳定。
41011综采工作面回采地质说明书第一章概况第一节目的和任务41011工作面属综采工作面。
编制回采说明书是为回采工作面服务的,是工作面生产管理与施工必不可少的技术基础工作。
编制回采地质说明书的目的旨在指导安全生产,为施工单位编制作业规程提供依据,解决回采过程中所出现的各种地质及水文地质问题,为工作面安全回采,保证煤炭资源科学开发和利用,提高煤炭回收率和经济效益等主要依据。
第二节工作面的位置、范围、面积以及与四邻地表的关系41011工作面位于我矿四水平一采区,面积为74392㎡。
该工作面东以41011切眼为界与贺驼矿保安煤柱相邻,南以41011上顺槽为界与31021工作面相邻,西以41011设计停采线为界,与4F31021-1断层相邻。
北以41011下顺槽为界。
工作面切眼上部地表距杜贺驼村庄60m,地面标高+215m~+243.3m,二1煤底板标高-365m~-496m,埋藏深度608.3m~711m。
第二章工作面地质第一节工作面地质构造(断层、褶皱)情况并预测向工作面内部发展和变化趋势该工作面地质条件较为复杂,为单斜构造。
该工作面共揭露10条断层,部分断层对工作面回采带来一定影响,41011-4断层走向NW353°倾向NE83°倾角52°,落差H=1-4m,对回采影响较大。
(详细情况见断层统计表)41011上顺槽揭露4F31021-1断层走向NE20°倾向SE110°倾角50°,落差H=5.5m,向41011工作面延伸到下顺槽落差H=7.5m。
该断层在设计停产线以外,对回采影响不大,工作面过断层应制定专项安全技术措施。
下顺槽紧贴26-2钻孔,经巷道揭露该钻孔封孔合格,回采时,应制定相应安全技术措施。
41011下顺槽距切眼口85m左右为一向斜构造,回采时应制定相应安全技术措施。
第二节推测工作面内岩浆侵入体、河流冲刷带、陷落柱等根据41011上下顺槽及切眼巷道揭露分析,该工作面内可能无岩浆侵入体、河流冲刷带、陷落柱。
第一节工作面位置及井上下关系工作面位置及井上下关系表表——1附图:25103工作面工程平面图第二节煤层通过地质资料分析和25103工作面回采巷道的实际揭露证实,该工作面范围内,2号煤赋存稳定,全区可采。
具体情况如表——2所示。
煤层情况表表-2附图:地层综合柱状图。
第三节煤层顶底板顶、底板岩性特征表表——3第四节地质构造一、地层25103工作面地层主要为上石炭统太原组,海陆交互相沉积,含煤系地层,以K砂1岩与下伏本溪组地层连续沉积。
下部以浅灰色、灰白色中粗粒砂岩为主,夹薄层石灰岩及薄煤层,石灰岩有时相变为海相(钙质)泥岩;其下部为主要可采煤层5号煤层、灰色砂质泥岩及灰白色砂岩;中上部为灰白色中细粒石英砂岩、灰色砂质泥岩及泥岩、煤层及薄层海相(钙质)泥岩或泥岩1~2层。
5号煤直接顶为砂质泥岩,平均厚约3.78m,老顶为砂岩,平均厚约7.0m,底板为细砂岩,平均厚约2.24m。
二、构造特征1、工作面内部构造情况以及对回采的影响根据25103工作面回采巷道的实际揭露,该工作面内部构造较简单,工作面范围内有6条落差1.0m以上的断层,最大落差3.0m,由于5号煤层平均厚度8.4m,以上断层对工作面回采影响不大。
工作面回采到断层时要加强顶板管理,防止顶板事故的发生。
具体断层产状特征描述见下表:断层情况表表——4第五节水文地质一、水文地质情况1、含水层本采区主要含水层:自上而下含水层分别是新生界第四系砂砾石含水层;石炭系二叠系含水岩组;奥陶系碳酸盐岩溶裂隙含水层。
(1)井田内第四系全新统冲洪积孔隙含水层主要分布于井田西部梁家沟河及井田内沟谷,岩性为砂砾石、岩石碎屑等,单位涌水量4.43—16.6L/s·m,渗透系数8.59—61.4m/d,透水性良好,分布范围小,对井下开采无影响。
(2石炭系二叠系含水岩组石炭系太原组主要含水层由砂岩及薄层灰岩组成,单层厚度1-4m,与泥岩、砂质泥岩隔水层相间沉积,构成多层承压含水层组。
国投新集能源股份有限公司刘庄矿151101工作面回采地质说明书编制:审核:主管:地测副总:总工程师:刘庄矿地测科提交时间:2014年10月17日1511101工作面回采地质说明书一、工作面位置、范围、与邻区及地表关系:151101工作面东临FS29断层、F23断层, 南临西一集中大巷,西临F22断层、F67-2断层,北临防水煤柱线,11-2煤露头线。
该工作面轨道顺槽可采倾向长约为871.2m,轨道顺槽11-2煤层开采底板标高约为-724.7~-497.4m;胶带顺槽可采倾向长约为870.1m,胶带顺槽11-2煤层开采底板标高约为-741.0~-528.15m;设计工作面倾斜宽约为332m;工作面平均可采平面积约为277030m2。
对应该工作面地表主要为农田、沟渠、公路等地形地物,工作面附近钻孔有127钻孔、164钻孔、158钻孔、130钻孔,钻孔封孔均合格。
二、地质构造:151101工作面掘进期间共揭露23条断层,其中落差较大断层有F23(F23 290~300°∠40°~70°H=0~7m)断层、F23-1(F23-1 293°∠55°H=6.2m)断层,F23断层在胶带顺槽揭露,该断层落差较大,切割层位较多,其次生断层有F23-1、f151101-20断层,F23断层落差由西向东逐渐变大,在工作面内延伸较长,对回采工作影响大。
F23-1断层为F23断层次生构造,断层落差较大。
其余断层中落差大于2m的有6条,分别为f151101-3,H=0~2m、f151101-4,H=0~2.2m、f151101-5,H=0~2.7m、f151101-6,H=0~2.6m、f151101-7,H=0~3m、f151101-8,H=0~2.5m;落差为1~2m的有10条,分别为f151101-2,H=0~1.1m、f151101-9,H=0~1.3m、f151101-10,H=0~1m、f151101-13,H=0~1.4m、f151101-14,H=0~1.8m、f151101-17,H=0~1m、f151101-18,H=0~1m、f151101-19,H=0~1.6m、f151101-20,H=1.6m、f151101-21,H=1.8m;其余断层落差均小于1m,对工作面回采影响较小。
山西煤炭运销集团盛泰煤业15101综采工作面回采地质说明书编制:审核:科长:防治水助理:总工程师:编制单位: 地测科接到通知书时间: 1月7日提交时间: 1月14 日中央采区地质说明书淋水,470n处水量明显增大,涌水量观测为5.2m3/h,随着工作面向前推进,工地作面后方巷道水量逐渐减少,工作面迎头水量一直为5mB/h左右,540米到560米处顶板K2灰岩节理发育,迎头水量最大至9.8m3/h,水源经化验分析为岩溶裂隙质水。
现顺槽已无淋水,切眼水量为0.87m3/h,由于K2灰岩位于15#煤层顶板,水压力已得到释放,因些在回采时不会对1501工作面造成大的影响。
2、底板水:根据综合水文地质柱状图和采掘过程中实际揭露地质情况采区煤层底板为灰黑色泥岩或粉砂泥岩,为相对隔水层,根据地测科实测数据,工作面底板最低标高为882.8m,奥灰水水位标高为621-629,低于15101工况一作面底板,不会对开采造成影响。
3、断层水:采区内不存在断层,因此不存在断层水的影响。
及4、钻孔水:米区内有六个勘探钻孔,在回米时,应注意封闭不良钻孔渗防水对回采工乍的影响。
5、老空水:3#煤老空积水面积64825n2,积水量约为43000C, 3#煤底板距15#煤层顶板垂直距离平均为109.89m, 15#煤层底板为灰岩、石英砂岩和砂质页岩、泥质砂岩、页岩等互层,根据冒落导水裂隙带计算公式,我矿裂隙水带为103.8~134.78m,结合我矿东北相邻的裕兴煤矿在回采15107工作面回采时地面产生了较大裂隙的情况,产生的裂隙带高度可达在150m以上,为切实做到措先治后采,对K5灰岩积水区以及3#煤老空区积水采取疏放措施。
加强工作面水情水害的预测预报,及时对水量进行观测,建立完善强排水系统,制定合理可施行的应急措施。
贵州贵能投资股份有限公司水城县比德腾庆煤矿10301工作面回采地质说明书施工单位:生产矿长:安全矿长:总工程师:矿长:编制人:编制时间:2017年5月24日贵能股份腾庆煤矿回采地质说明书审批单措施名称10301工作面回采地质说明书会审时间会审地点调度会议室主持人编制人参加会审单位及人员签字单位会审人员签字综采工区年月日通风工区年月日安全科年月日技术科年月日调度室年月日采掘副总年月日地测副总年月日通风副总年月日生产矿长年月日贵能股份腾庆煤矿回采地质说明书意见单会审意见总工程师审批意见签字:年月日矿长审批意见签字:年月日10301工作面回采地质说明书第一章概况第一节目的和任务10301工作面回采地质说明书是根据以往地质勘探报告、10301工作面运输巷、回风巷、切眼掘进过程中所收集的实测地质资料,结合邻近区域已掘巷道的地质资料,综合分析整理编制而成。
它将为煤矿安全生产,提高煤炭资源回采率,施工单位编制作业规程提供可靠的依据,是工作面在回采期间,指导井下生产,预测地质构造及水文地质情况的一份综合性资料,确保煤炭资源科学开发和利用,提高回收率和经济效益。
第二节工作面的位置、范围、面积以及与四邻地表关系10301工作面井下位于井田南翼中上部,东南方向、东北方向均为井田未开采区域;西南方向为煤层地表露头线;西北方向为10304设计工作面;东北方向正上方为10201采空区。
地表地形属荒山陡坡地形无民房建筑物;工作面对应地面标高为+1715m~+1950m之间;10301工作面煤层最大埋藏深度约为278m,最小埋深约为65m,地表无湖泊、河流、池塘,无河流穿过。
第二章工作面地质构造情况第一节工作面地质构造(断层、褶皱)情况地质构造是影响煤矿安全生产建设最重要的地质因素,也是地质变化的主要控制因素,将直接影响工作面的生产和管理。
该工作面因受向斜构造及F1、F2断层的影响,煤岩层产状会相应的发生变化,煤层顶、底板起伏频繁,总体呈一宽缓的单斜构造,地质条件较为简单。
该工作面回采期间因受向斜构造及F1、F2断层的影响,局部地段顶板围岩会有所破碎;回采过程中可能出现冒顶事故,给矿井安全产生带来影响。
回采期间施工单位应提前制定好相应的安全技术措施。
工作面断层情况:构造名称性质倾向(°)倾角(°)落差(m)对工作面影响程度F10301回-13正断层102 53 2.3 对回采有一定影响F10301回-14正断层130 58 1.3 对回采有一定影响F10301回-15正断层311 42 6 对回采影响较大F10301切-01正断层76 81 0.43 对回采无影响F10301运-06正断层306 62 6.96 对回采有较大影响10301回采工作面除了以上揭露出来的地质构造外还可能存在其他隐伏构造,隐伏构造会给工作面回采带来一定的影响,为确保工作面安全生产,施工单位应提前制定出相应的安全技术措施。
回采过程中如有异常情况应立即汇报相关矿领导,待矿领导安排工程技术人员现场勘查情况后确认无异常情况,对工作面无安全影响时方可继续施工。
第二节推测工作面内岩浆侵入体,河流冲刷带,陷落柱等根据10301运输巷、回风巷及切眼掘进揭露情况可知该工作面内无岩浆侵入体、河流冲刷带、陷落柱。
为确保安全生产,回采过程中如有异常情况立即汇报相关单位,并制定相应的安全技术措施。
第三节煤层产状井田开采的是二叠系上统龙潭组上段3-2#煤层,该煤层为我矿第二层可采煤层,回采过程中受F10301回-13、F10301回-15、F10301运-06断层影响煤层赋存厚度会有所变化,局部煤厚不稳定较薄。
1、煤层根据10301工作面运输巷、回风巷及切眼揭露的煤层情况分析,工作面赋存基本稳定,工作面煤层走向:333°~358、煤层倾角9°~17°,平均倾角13°,煤厚为0.75m~2.8m,平均厚度2m,3-2#煤层局部地段厚度变化比较大,回采过程中应提前考虑相关安全技术措施及设备设施。
2、煤岩成分、结构10301回采工作面煤层为黑色、条带结构、半亮型,0~3层夹矸,一般为0~1层,矸厚0.06~0.77m,煤层结构简单,局部地段厚度会有所变化,全井田基本可采。
工业指水分(%)灰分(%)挥发分(%)固定碳(%)全硫(%)发热量(MJ/工业牌号(%)标kg)0.76 24.78 18.67 61.18 3.06 26.34 瘦煤其浮煤干燥无灰基挥发份(vdaf)为18.76%,焦渣特征为4,应为中灰、中高硫、高热值的瘦煤(PM):主要用于动力用煤、民用煤、火力发电、一般工业锅炉用煤、气化用煤等。
第三章开采技术条件第一节煤层顶底板岩性、厚度、物理力学性质及变化情况。
1、煤层顶底板岩性直接顶:为泥质粉砂岩、粉砂质泥岩、粉砂岩、细砂岩、泥岩。
伪顶:为一薄层泥岩,随采随落。
直接底:为细砂岩、粉砂岩、泥质粉砂岩及粉砂质泥岩,局部夹一薄煤,伪顶:为0.70~0.95m(含根)泥岩。
顶板分类;直接顶类别为Ⅰ类;间接顶类别为Ⅱ类3、顶、底板力学性质岩性抗压强度(kg/cm²)抗拉强度(kg/cm²)自燃饱和自燃饱和顶板泥质粉砂岩28.85 22.30 2.29 1.01粉砂质泥岩25.23 25.50 2.97 1.49 粉砂岩33.19 27.15 3.13 1.85 细砂岩44.13 46 5.45 3.32底板泥岩 6.70 / 1.59 0.54 细砂岩44.13 46.00 5.45 3.32 粉砂岩33.19 27.15 3.13 1.83 泥质粉砂岩28.85 22.30 2.29 1.01 粉砂质泥岩25.23 25.50 2.97 1.49第二节工作面瓦斯涌出量工作面煤层绝对瓦斯涌出量为8.4m³/min,属高瓦斯采煤工作面。
第三节煤尘与自燃1、根据贵州省煤田地质局实验室2015年4月10日提交的《水城县比德腾庆煤矿煤尘爆炸性鉴定报告》可知3-2#煤层无爆炸性。
2、根据根据贵州省煤田地质局实验室2015年4月10日提交的《水城县比德腾庆煤矿煤炭自燃倾向性鉴定报告》可知3-2#煤层无爆炸性、自燃倾向等级为Ⅲ类,属不易自燃煤层;3、根据2014年12月中煤科工集团重庆研究院有限公司提供的《贵州贵能投资股份有限公司水城县比德腾庆煤矿3-2#煤层瓦斯基本参数测定及突出危险性鉴定报告》可知3-2#煤层具有煤与瓦斯突出危险性,鉴定为突出煤层。
4、依据《贵州省六盘水市黑塘矿区化乐井田煤炭勘探地质报告》的资料,井田内地温均小于31°,属于地温正常区。
第四章水文地质第一节主要含水层与隔水层的岩性、厚度及富水性矿区内出露地层从新至老依次为第四系残坡积松散层(Qdl+el),三叠系下统飞仙关组(T1f),二叠系上统龙潭组(P3l),全为隔水层,仅所夹砂岩、粉砂岩可视为层间含水层,均属孔隙裂隙含水小的含水层。
1、地层含水情况:(1)第四系残坡积松散层(Qdl+el)主要为碎石土、砂土及粘土,厚度0~12m,广泛分布,陡坡地带较薄,缓坡及冲沟地带较厚。
(2)三叠系下统飞仙关组(T1f)为浅灰色,灰兰色泥质粉砂岩、紫色页岩、砂质页岩,内有明显的滨海型的交错层理,上部为薄层泥质粉砂岩与砂质页岩组成,厚330~480m,平均406m,沿北西、南东向呈带状分布于矿区北侧,约占矿区面积的3/4。
(3)二叠系上统龙潭组(P3l)岩性为灰色粉砂岩、粉砂质页岩、泥质页岩为主,含煤数层,可采煤层一般5层(2、3-2、5、6-1、7),该组岩层以碎屑岩为主,岩石含泥质成分多,厚250~450m,平均383m,沿北西、南东向呈带状分布于矿区南侧,约占矿区面积的1/4。
2、充水因素分析(1)地表水及第四系潜水本区岩石普遍抗风化能力弱,露头区有较厚的强~中风化带,易渗入大气降水,含浅层风化裂隙潜水,越往深部,岩石裂隙发育程度减弱,岩石含水性相应降低,但矿井开采所产生的裂隙常与风化裂隙沟通,形成地表流入矿井的通道,因此,矿井水的补给源为大气降水,通道为风化和采动裂隙,由于矿区处于当地较高位置,地表水排泄流畅,通过裂隙进入矿井的水量较小,对矿井充水影响小。
(2)3-2#煤层顶板含水层承压水3-2#煤层顶板含水层由粉砂岩质泥岩、泥质粉砂岩组成,岩性致密,裂隙不发育,补给水源不足,富水性弱,开采过程中易于疏排,但在顶板冒落带与第四系含水层沟通的情况下,将对开采有所影响,在雨季期间,雨水径流顺山体外泄,对工作面构不成威胁,工作面上复含水层为贫水层,回采过程中顶板会出现淋、滴水现象(3)3-2#煤层底板含水层3-2#煤层底板岩层为极弱含水层,岩溶裂隙不甚发育,加之3-2#煤层之间有较连续的极弱含水层隔水层存在,其水源补给条件差,富水性较弱,一般情况下,对该工作面开采影响不大。
(4)该工作面地质构造条件较简单,工作面充水水源主要为顶板砂岩淋水、地表风氧化带裂隙水,水源补给条件差,富水性弱;10301工作面平均涌水量19.2m³/h,最大涌水量44.7m³/h,掘进过程中局部地段受水害影响,但不会影响矿井安全。
调查本矿老空区内尚未发现积聚老空水。
第二节预计工作面的涌水量预计本工作面回采期间最大涌水量为45m³/h。
第三节、水害威胁情况分析根据工作面地质构造情况及水文综合柱状图分析:该工作面3-2#煤层顶板岩层中局部地段有淋、滴水,水源主要来源10201采空区裂隙水和地表裂隙水,在揭露10301运输、10301回风巷及切眼时已基本掌握10301工作面积水情况,除雨季区间地表裂隙水有一定的水源补给外,其余无水源补给,对工作面回采有一定影响(工作面回采应提前考虑将10201采空区低洼点积水放完)。
为确保工作面安全生产,施工单位应提前配备好相应的排水设施及排水管路,能做到及时排水,发现异常水情水害情况时,应及时汇报并按《采煤工作面作业规程》中所描述的避灾路线撤出所有受水害威胁地点的施工人员。
第五章、储量计算1、工业储量:该工作面煤层厚为0.75m~2.8m,平均厚度2m,煤层倾角平均13°。
该工作回风巷走向长300m,运输巷走向长300m,平均走向长为300m,工作面切眼倾斜长169.3m,煤的视密度1.5t/ m³。
计算该工作面可采储量为:Q采=300×169.3×2×1.5=15.2万(吨)2、可采储量:该工作面采用沿走向布置,长壁式后退采煤方法。
采高为2m,放顶煤回采率为98%。
计算该该工作可采储量为:Q采=15.2×98%=14.9万(吨)第六章、存在问题及建议1、工作面可能存在隐伏构造,对回采可能带来一定影响。