004原药材取样标准操作规程
- 格式:doc
- 大小:26.00 KB
- 文档页数:3
药材原辅料取样标准操作规程1目的:建立药材、原料、辅料取样标准操作程序。
2范围:药材、原料、辅料。
3职责:仓库保管员、QA对本SOP的实施负责。
4程序:4.1药材的取样:4.1.1收到仓库保管员发来的检验申请单后,做好取样准备。
4.1.2依据检验申请单的品名、规格、数量等计算取样量。
4.1.3准备清洁的塑料袋。
4.1.4到药材仓库取样:核对状态标记,应为黄色待检。
核对检验申请单内容与实物标记相符,内容为品名、规格、来源,标记清楚、完整。
检查包装的完整性,清洁程度以及有无水迹、霉变或其他物质污染等情况,详细记录。
如不符合则拒绝取样。
按取样原则随机抽取规定的样本件数。
4.1.5取样:4.1.5.1从同批药材包件中抽取检定用供试品,原则如下:药材总包件在100件以下的,取样5件;100~1000件,按5%取样;超过1000件的超过部分按1%取样;不足5件的,逐件取样;贵重药材,不论包件多少均逐件取样。
4.1.5.2对破碎的,粉末状的或大小在1厘米以下的药材,采用取样器抽取供试品,每一包件至少在不同部位抽取2-3份供试品,包件少的抽取总量应不少于实验用量的3倍,包件多的,每一包件的取样量按下列规定:一般药材: 100-500g粉末状药材: 25 g贵重药材: 5-10 g个体大的药材,根据实际抽取代表性的供试品,如药材的个体较大时,可在包件不同部位分别抽取。
将所取供试品混合拌匀,即为总供试品,对个体较小的药材,应摊成正方形,依对角线划“×”字,取用对角两份,再如上操作,反复数次至最后剩余量足够完成所有必要的实验及留样数为止,平均供试品的量一般不少于3倍检验量。
最后将样品放入盛装容器中,贴好样品标签。
药材全植物应注意抽取药材全部(根、茎、叶各取等份),样品放入取样塑料袋内扎口,贴好样品标签。
4.1.6取样结束4.1.6.1封好已打开的样品包件,并贴上取样证。
4.1.6.2填写取样记录和取样台帐。
中药饮片成品取样操作规程中药饮片成品取样操作规程一、目的和适用范围:中药饮片的成品取样操作规程是为了确保取样的准确性、可靠性和科学性,以保证中药饮片成品的质量符合相关标准和规定。
二、基本原则:1. 取样应随机进行,采用代表性样品,不得有主观偏向。
2. 取样过程应遵循卫生标准,确保样品不受外界污染。
3. 取样应符合中药饮片质量标准的要求,并记录取样信息。
三、取样器具和药材:1. 取样器具:应采用干净、无异味、无污染的器具,如干净的不锈钢容器、塑料袋等。
2. 药材:应在经过正常贮藏、防护的情况下进行取样,并确保药材的全面代表性。
四、取样方法和步骤:1. 取样数量:根据成品中药饮片的不同规格和要求,在全批次中取样数量应符合相关规定,确保样品能代表整个批次。
2. 取样位置:从整个批次中随机选择不少于5个不同地点的样品。
3. 取样过程:(1) 取样员应佩戴无尘服、帽子、口罩和手套,并进行手部消毒。
(2) 取样前将取样器具清洗干净,并晾晒或烘干。
(3) 取样应避免直接接触空气,以减少样品吸湿的影响。
(4) 取样时,仔细观察药材是否有虫蛀、霉变等现象,如有异常应立即报告。
(5) 每次取样时,应保证取材器具干净,以避免不同样品间的交叉污染。
(6) 取样后立即密封样品容器,避免样品受到外界污染,确保取样的准确性。
(7) 取样完成后,样品容器应做好标记,并填写详细的样品信息。
五、取样记录:取样记录应详细记录以下内容:- 取样日期、时间、地点;- 取样员姓名;- 取样药材的名称、产地和批次号;- 取样数量;- 取样过程中发现的异常情况及处理措施。
六、取样保存和运输:1. 取样完成后,应将样品容器密封,并妥善保存,以保证样品的完整性和稳定性。
2. 在样品容器上标明样品的名称、产地、批次号和取样日期,并存放在指定的样品保存室内。
3. 如需运输样品,应避免样品暴露在阳光直射或高温环境中,并采用防止震动和碰撞的措施。
备注:以上操作规程为一般情况下的取样操作,具体操作可根据不同的中药饮片成品和取样要求予以调整。
一. 目的:建立取样标准操作规程,使取样工作规范化,以保证样品的代表性。
二. 适用范围:植物药。
三. 责任人:取样人员对本标准的实施负责。
检验室主管对本规程的有效执行承担监督检查责任。
四. 内容:1. 取样前准备工作。
1.1 取样员收到仓库保管员“取样请验单”后,做好取样准备。
注意事项:应该根据要取的样品选择合适的取样器具。
取样器具一般来说应该具有光滑表面,易清洗和灭菌。
用于微生物检验样品或无菌产品取样的取样器具在使用前必须先灭菌,灭菌后的器具应在规定期限内使用,过期的需重新灭菌。
1.2 准备洁净的取样器,样品盛装容器和辅助工具。
(手套、样品袋、剪刀、刀子、纸、笔、取样标记等)1.2.1取样器:不锈钢探子、钢勺、不锈钢镊子(铗子)。
1.2.2样品盛装:具封口装置的无毒洁净塑料袋,具盖玻璃瓶。
2. 前往“取样请验单”指定地点。
2.1 核对状态标记、应为黄色待验区。
2.2 核对请验单内容与实物外标签是否相符,内容为品名、产地、规格、来源、数量,标记清楚完整。
2.3 检查包装的完整性、应无污染、水渍、虫蛀、霉变、混凝土杂等情况。
如不符合要求,向请验部门询问清楚有关情况,并将情况报质保部经理。
待原因调查清楚,经主管负责人批准后才可抽样。
3. 取样数量3.1依据“取样检验通知单”和收料单的品名、规格、数量等计算取样量。
取样原则如下:3.1.1 药材总包件数<5件,逐件取样。
3.1.2 药材总包件数5~99件,随机抽取样5件。
3.1.3 药材总包件数100~1000件,按5%比例取样。
3.1.4 药材总包件数超过1000件的,超过部分按1%比例取样。
3.1.5 一般药材取一次全检量的3--5倍。
按取样原则,随机抽取规定的样本件数。
3.1.6 贵重药材和饮片,不论包件多少均逐件取样。
3.2 每一包件的取样量:3.2.1 一般药材和饮片抽取100~500g3.2.2 粉末状药材和饮片抽取25~50g3.2.3 贵重药材和饮片抽取5~10g4. 取样操作地点。
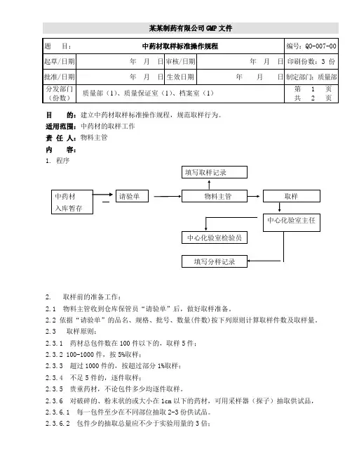
目 的:建立中药材取样标准操作规程,规范取样行为。
适用范围:中药材的取样工作 责 任 人:物料主管 内 容: 1. 程序2. 取样前的准备工作:2.1 物料主管收到仓库保管员“请验单”后,做好取样准备。
2.2 依据“请验单”的品名、规格、批号、数量(件数)按下列原则计算取样件数及取样量。
2.3 取样原则:2.3.1 药材总包件数在100件以下的,取样5件; 2.3.2 100-1000件,按5%取样;2.3.3 超过1000件的,按超过部分1%取样; 2.3.4 不足5件的,逐件取样;2.3.5 贵重药材,不论包件多少均逐件取样。
2.3.6 对破碎的、粉末状的或大小在1cm 以下的药材,可用采样器(探子)抽取供试品, 2.3.6.1 每一包件至少在不同部位抽取2-3份供试品。
2.3.6.2 包件少的抽取总量应不少于实验用量的3倍;2.3.6.3包件多的,每一包件的取样量一般按下列规定:2.3.6.3.1一般药材100—500g;2.3.6.3.2粉末状药材25g;2.3.6.3.3 贵重药材5-10g;2.3.6.3.4个体大的药材,根据实际情况抽取代表性的供试品。
2.3.6.4如药材的个体较大时,可在包件不同部位(包件大的应从10cm以下的深处)分别抽取。
2.4准备取样袋、不锈钢镊子、探子。
2.5根据“请验单”在取样袋上贴标签,注明品名、规格、数量、产地、来源采收(加工)、取样日期等。
3.取样。
3.1到中药饮片仓库核对状态标志,应为黄色“待验”状态标志。
3.2核对“请验单”内容与实物标记是否相符,注明品名、规格、数量、产地、来源采收(加工)、取样日期等。
标签应清楚,完整。
3.3 核对品名、产地、规格等级及包件式样是否一致。
3.4检查包装的完整性、清洁程度以及有无水迹、霉变或其他物质污染等情况,详细记录。
3.5凡有异常情况的包件,应单独检验。
3.6将所取供试品混合拌匀,即为总供试品,对个体较小的药材,应摊成正方形,依对角线划“X”字,使分为四等分,取用对角两份;再如上操作,反复数次至最后剩余的量足够完成所有必要的试验以及留样数为止,此为平均供试品。
一、目的:建立取样操作规程,规范取样方法,确保检验结果的可靠性。
二、范围:本规程规定了取样方法和操作要求;适用于物料及产品的取样。
三、职责:质量控制科负责人、质量控制科技术员、质量控制科检验员对实施本标准负责。
四、内容:1 简述1.1 取样是整个质量控制过程中非常重要的一个环节,对于从一批产品中取出的样品,虽然数量很小,但是对该批整批产品的质量来说却是具有代表性的。
因此有必要非常仔细的制定取样计划、执行取样程序。
1.2 取样人员由质量管理部授权质量控制科或质量保证科取样人员,并对其取样进行论和实际操作培训,经考核合格后,方可授权进行取样。
2 取样原则2.1 仓储科将物料堆放至库房后,则可按照按垛堆堆放位置(以仓储科物料垫板为堆垛),从左向右,从前向后依次编号,采用总堆垛数作为取样件数,按物料类型计算取样垛数,采用随机取样的原则,利用Excel随机数函数生成随机垛数。
2.2根据随机所得的垛数,按照从左至右,从上到下的编号原则平均抽取包件作为取行取样。
包件编号规则为:包件编号规则为:2.3 若包件较少,只有一个堆垛,按物料相应的取样件数计算得到取样件数后,采用随机取样的原则,利用Excel随机数函数生成随机数。
按照从左至右,从上到下的编号,抽取生成的随机数作为取样包件进行取样。
3 取样工具与盛样器皿3.1 取样工具3.1.1 固体样品采用洁净的不锈钢取样铲、不锈钢药勺、不锈钢探子或不锈钢长勺(见下图)。
不锈钢取样铲不锈钢取样勺长勺不锈钢探子3.1.2 液体样品采用洁净的不锈钢采样勺、液体取样器、玻璃管、烧杯等。
(长勺、漏斗等可用于取低粘度的液体。
高粘度的液体可用适宜的惰性材料制成的取样器具。
)见下图:烧杯玻璃管漏斗不锈钢长勺3.1.3 盛样器皿取样瓶、塑料自封袋及试管等适宜盛样器皿(见下图)。
聚乙烯瓶三角烧瓶黑色自封袋白色自封袋3.1.4 辅助工具手套、不锈钢剪刀、钳子、簸箕、封口胶、热封机、纸、笔等适宜取样工具。
目的:本程序《中华人民共和国药典》(2010年版)《药品生产质量管理规范》(2010修订版)规定了原药材、辅料、包装材料、过程产品、中间体、成品分样管理及要求范围:本程序适用于原药材、辅料、包装材料、过程产品、中间体、成品检验取样、分样的管理。
职责:质量管理部、QC、QA内容:1取样要求1.1现场取样环境的空气洁净度等级应与生产要求一致。
1.2过程产品根据监控要求随时取样。
1.3中间体、成品取样应在一批产品生产结束后按批进行抽取。
成品取样在封箱前进行。
1.4取样要均一、有代表性。
取样时要按照标准操作规程进行。
1.5不易均匀的样品应在顶部、中部、底部分别取样混匀后再取样。
1.6取样和盛样器具应便于清洁、消毒,以防取样时造成污染。
2取样前准备2.1取样用具2.1.1剪刀、刀等。
2.1.2探子、药勺等。
2.1.3吸管、玻璃棒等。
2.2盛样盒、清洁的样品袋、玻璃瓶、塑料瓶等容器。
2.3取样记录及凭证。
3取样3.1取样前检查3.1.1原药材、辅料、包装材料现场取样前,应检查品名、批号、规格、来源及包装式样要求;检查外包装的完整性、清洁程度、有无水迹、霉变或其他物质污染等。
并详细记录后再用适当的方法拆开欲取样品的外包装。
凡有异常情况的包装,应单独取样检验。
3.1.2中间体取样时要核对其标识卡,检查盛药器具是否符合洁净度要求。
3.1.3核对所取样品的数量是否和标识卡及请验单上的数量一致。
3.2取样量的确定3.2.1为了保证取样的覆盖率,按批取样,若批件数为n,当n≤3时,要求每+1。
件取样,3<n≤300时,取样数量为√n+1,n>300件时,取样数量为√n23.2.2同一包装,应在至少2~3个不同部位取样。
3.2.3抽样前应查阅检验标准,根据具体品种确定检验的实际需要量。
一般以实际用量的3倍为取样量,供检验、复核、或留样保存用。
3.3分样3.3.1将从每件所取的样品混合均匀,即为所取样品。
如样品量较大时,可按“四分法”减缩抽样量。
文件制修订记录制定中药材(饮片)取样操作规程,规范取样过程,避免污染。
2.0范围适用中药材(饮片)的取样。
3.0职责取样员、质量负责人对本操作规程实施负责。
4.0参考或引用文件《药品生产质量管理规范》(2010年修订)《中国药典》(2015版)5.0内容5.1 取样准备:经培训并经授权的取样员在接到请验部门的《请验单》后,做好准备工作。
5.1.1 准备取样器具:不锈钢取样器、药勺、不锈钢镊子、取样袋、取样瓶等。
5.1.2 辅助工具:手套、剪刀、笔、取样证等。
5.1.3 取样器具的清洁消毒:不锈钢器具每次用完后,先用饮用水冲洗数次,然后用适宜的毛刷蘸洗涤剂反复刷洗,再用饮用水冲洗至无泡沫,最后用纯化水冲洗三次,晾干。
清洗后的器具应不挂水珠。
洗涤后的取样器具一般应倒置、自然干燥,急用时可将器具中的水尽量倒净,放在105℃~110℃烘箱中烘干或用75%乙醇荡洗后,用电吹风吹干。
5.2 取样前校对:取样前应先进行现场核对;5.2.1 核对物料状态标志。
物料应置待验区,有黄色待验标记。
5.2.2 请验单内容与实物标签、货位卡是否相符,内容为品名、批号、数量、规格、产地、来源,标记清楚完整;应有供应商检验报告单。
5.2.3 核对外包装的完整性,应无破碎、霉变、水渍、虫蛀、混杂等现象。
5.2.4 是否为经批准的合格供应商。
5.2.5 现场核对如不符合要求应拒绝取样,向仓储供应部门询问清楚有关情况,并将情况报质量部负责人。
5.3 取样地点:中药材(饮片)仓库。
5.4 取样单元和取样量的确定:5.4.1 按随机取样原则确定取样件数:设总件数为n,当n<5时,逐件取样;当n为5~99时,随机取样5件;当n为100~1000时,按5%取样;当n>1000时,超过部分按1%取样;贵重药材和饮片,不论多少均逐件取样。
取样后在货位卡上盖上“已取样”的专用章,作为中药材(饮片)的已取样的质量状态。
5.4.2 取样量的确定:每一包件的取样量:一般药材和饮片抽取100~500g;粉未状药材和饮片(例如蒲黄)抽取25~50g;贵重药材和饮片抽取5~10g。
1.目的:为确保所取样样品具有代表性,规范取样程序,保证检验结果的准确性,特制定本规程。
2. 范围:适用于我司原辅料取样标准操作。
3. 职责:质量部取样人员(取样QA人员)对本程序实施负责。
4. 内容:4.1取样前准备工作4.1.1 取样前的确认抽取样品前应注意品名、产地、规格、等级及包件式样是否一致,检查包装的完整性、清洁程度以及有无水迹、霉变或其他物质污染等情况,并详细记录。
凡有异常情况的包件,应单独取样检验。
4.1.2 抽样件数计算QA收到请验单后,根据请验单上的内容,计算好抽样件数、取样量。
抽样一般原则为:4.1.2.1 化学原料药或辅料总件数n≤3时,每件取样;n为4~300时,取样数为n+1;n+1;n>300时,取样数为24.1.2.2 中药材总件数(n)不足5件或为贵重药材时,逐件取样;n为5~99时,随机抽5件取样;n为100~1000时,按n的5%取样;n>1000时,超出部分按1%比例取样。
4.2 取样量4.2.1 最终取样数量一般不得少于全部检验所需用量的3倍。
1/3供实验室分析用,1/3供复核用,1/3为留样备查用,若不须复核样品,作为留样品管理,保存至产品放行后2年;4.2.2需重点持续稳定性考察的原辅料,其取样量应包括完成考察期考察项目所需的数量。
4.2.3 无菌原辅料用于无菌项目检查的样品应单独取样盛装于具塞灭菌瓶中,除另有规定外,其检验数量为15g。
4.2.4 用于粉针分装的供注射用无菌原料药,还应用具塞灭菌瓶取样10瓶(每瓶数量不得少于分装制剂的最大规格量),用于可见异物和不溶性微粒检查,详细数量见下表:4.2.5 原料药中规定有检查热原、细菌内毒素、异常毒性等药理实验项目的,每个项目用具塞灭菌瓶取样约2g。
4.2.6 非无菌的冻干粉针剂和口服固体制剂原辅料,应单独取样做微生物限度检查,取样数量约为10g。
4.3 取样器具根据物料特征,准备好取样工具,取样器和辅助工具(手套、剪刀、纸、笔、取样证、样品盒等)。
中药材(饮片)取样操作规程1.0目的制定中药材(饮片)取样操作规程,规范取样过程,避免污染。
2.0范围适用中药材(饮片)的取样。
3.0职责取样员、质量负责人对本操作规程实施负责。
4.0参考或引用文件《药品生产质量管理规范》(2010年修订)《中国药典》(2015版)5.0内容5.1 取样准备:经培训并经授权的取样员在接到请验部门的《请验单》后,做好准备工作。
5.1.1 准备取样器具:不锈钢取样器、药勺、不锈钢镊子、取样袋、取样瓶等。
5.1.2 辅助工具:手套、剪刀、笔、取样证等。
5.1.3 取样器具的清洁消毒:不锈钢器具每次用完后,先用饮用水冲洗数次,然后用适宜的毛刷蘸洗涤剂反复刷洗,再用饮用水冲洗至无泡沫,最后用纯化水冲洗三次,晾干。
清洗后的器具应不挂水珠。
洗涤后的取样器具一般应倒置、自然干燥,急用时可将器具中的水尽量倒净,放在105℃~110℃烘箱中烘干或用75%乙醇荡洗后,用电吹风吹干。
5.2 取样前校对:取样前应先进行现场核对;5.2.1 核对物料状态标志。
物料应置待验区,有黄色待验标记。
5.2.2 请验单内容与实物标签、货位卡是否相符,内容为品名、批号、数量、规格、产地、来源,标记清楚完整;应有供应商检验报告单。
5.2.3 核对外包装的完整性,应无破碎、霉变、水渍、虫蛀、混杂等现象。
5.2.4 是否为经批准的合格供应商。
5.2.5 现场核对如不符合要求应拒绝取样,向仓储供应部门询问清楚有关情况,并将情况报质量部负责人。
5.3 取样地点:中药材(饮片)仓库。
5.4 取样单元和取样量的确定:5.4.1 按随机取样原则确定取样件数:设总件数为n,当n<5时,逐件取样;当n为5~99时,随机取样5件;当n为100~1000时,按5%取样;当n>1000时,超过部分按1%取样;贵重药材和饮片,不论多少均逐件取样。
取样后在货位卡上盖上“已取样”的专用章,作为中药材(饮片)的已取样的质量状态。
目的:建立中药材取样操作规程。
范围:中药材取样。
责任人:质量管理部。
内容1取样前准备工作1.1收到库管员请验单后,做好取样准备。
1.2依据请验单的品名、规格、数量等计算取样件数和取样量。
原则如下:1.2.1药材总包件数在100件以下的,取样5件;1.2.2 100-1000件,按5%取样;超过1000件的按零头的1%取样。
1.2.3不足5件的逐件取样。
1.2.4贵重药材,不论包件多少均逐件取样。
1.2.5取样量至少为一次全检量的3倍。
1.3准备洁净的采样器、样品盛装容器具辅助工具(套手、样品盒、剪刀、刀子、纸、笔、取样证等)。
取样器固体——有锈钢探子、不锈钢勺、不锈钢铲、不锈钢镊子、铗子样品盛装容器固体——具封口装置的无毒塑料袋、具盖玻璃瓶。
1.4到仓库指定地点取样。
1.4.1核对状态标记,应为待验区。
1.4.2核对请验单内容与实物标记相符,内容为品名、规格、产地、来源、标记清楚、完整。
1.4.3检查包装的完整性,应无污染、水渍、虫蛀、霉变、混杂等情况。
如不符合要求,应拒绝抽样,待原因调查清楚,经主管负责人批准后才可抽样。
2取样:中药材取样操作规程编号ZL-C-054 版次:01第 2 页共 2 页2.1破碎、粉末状或1以下的固体药材用探子在每一单位包装的不同部位取样(不得少于3个取样点),样品放在塑料袋中,封口,作好标记(品名、规程、批号、进厂编号)。
2.2个体大的固体药材用镊子、铗子或子在包件不同部位抽取有代表性的样品,放在塑料袋内,封口,作好标记。
3取样结束。
3.1封好已打开的样品包件,加贴取样证。
3.2填写取样记录。
1.目的制定原辅料取样标准操作规程,使取样操作标准化、规范化。
2.依据《中华人民共和国药典》一部(2010版)3.范围适用于本公司原辅料的取样。
4.责任QA科5.内容5.1中药材取样5.1.1取样人员收到QA科科长的取样证后,根据取样证的内容计算取样量。
5.1.1.1 从同批药材包件中抽取检定用供试品,原则如下:药材总包件数不足5件的,逐件取样。
药材总包件数在5~99件,取样5件;100-1000件,按5%比例取样。
超过1000件的,超过部分按1%比例取样。
贵重药材,不论包件多少均逐件取样。
5.1.1.2 对破碎的、粉末状的或大小在1cm以下的药材,可采用采样器(探子)抽取供试品,每一包件至少在不同部位抽取2-3份供试品;包件多的,每一包件的取样量,一般按下列规定:一般药材 100-500g粉末药材 25~50g贵重药材 5-10g个体大的药材,根据实际情况抽取代表性的供试品。
5.1.1.3根、茎、花、叶、矿物类需将其倒出检查,取样。
5.1.2取样人员持已清洁好的取样工具到仓库取样。
5.1.3取样前应注意品名、产地、规格等级及包件是否一致,检查包装的完整性、清洁程度以及有无水迹、霉变或其它物质污染等情况要详细记录,凡是有异常情况的包件,应单独检验。
5.1.4 将所取供试品混合拌匀,即为总供试品。
对个体较小的药材,应摊成正方形,依对角线划“×”字使分成四等分,取用对角2份;再如上操作,至最后剩余的量足够完成所有必要的试验以及留样数为止,视为平均供试品,个体大的药材,可用其它适当方法取平均供试品,平均供试品量一般不得少于实验所需要的3倍数,即1/3供实验室分析用,另1/3供复核用,其余1/3则为留样保存,保存期至少为1年。
5.1.5 取样时必须填写好取样记录,内容包括品名、规格、批号、数量、来源、编号、取样日期,取样人签名等。
5.1.6 取样用具使用完毕后刷洗干净,干燥密闭保存。
5.1.7 取样后将取样证贴在被取样品的包装袋外,将样品送QC科。
德信诚培训网
更多免费资料下载请进: 好好学习社区
药材原辅料取样标准操作规程
1 目的:
建立药材、原料、辅料取样标准操作程序。
2 范围:
药材、原料、辅料。
3 职责:
仓库保管员、QA 对本SOP 的实施负责。
4 程序:
4.1 药材的取样:
4.1.1 收到仓库保管员发来的检验申请单后,做好取样准备。
4.1.2 依据检验申请单的品名、规格、数量等计算取样量。
4.1.3 准备清洁的塑料袋。
4.1.4 到药材仓库取样:
核对状态标记,应为黄色待检。
核对检验申请单内容与实物标记相符,内容为品名、规格、来源,标记清楚、完整。
检查包装的完整性,清洁程度以及有无水迹、霉变或其他物质污染等情况,详细记录。
如不符合则拒绝取样。
按取样原则随机抽取规定的样本件数。
4.1.5取样:
4.1.
5.1从同批药材包件中抽取检定用供试品,原则如下:
药材总包件在100件以下的,取样5件;
100~1000件,按5%取样;
超过1000件的超过部分按1%取样;不足5件的,逐件取样;贵重药材,不论包件多少均逐件取样。
4.1.
5.2对破碎的,粉末状的或大小在1厘米以下的药材,采用取样器抽取供试品,每一包件至少在不同部位抽取2-3份供试品,包件少的抽取总量应不少于实验用量的3倍,包件多的,每一包件的取样量按下列规定:
一般药材: 100-500g
粉末状药材: 25 g。
中药材原料取样标准操作规程1. 目的:建立中药材原料取样标准操作规程,以规范中药材的取样操作。
2. 范围:植物药、动物药、矿物药。
3. 责任:供应部门仓库保管员、收料员,质量管理部取样员。
4. 内容:4.1 取样前准备工作4.1.1 取样员收到仓库保管员或收料员的取样通知单后,做好取样准备。
4.1.2 依据请验单和收料单的品名、程序、数量等计算取样量,原则如下:(n为药材总包件数)4.1.2.1 n<5:逐件取样;4.1.2.2 5≤n<100:随机抽5件取样;4.1.2.3 100≤n<1000:按5%比例取样;4.1.2.4 n>1000:超过部分按1%取样;4.1.2.5 贵重药材:逐件取样;4.1.2.6 一般药材取一次全检量的3~5倍,贵重药材取2~3倍。
4.1.3 准备洁净的采样器、样品盛装容器和辅助工具(手套、样品袋(具封口装置的无毒塑料袋)、剪刀、纸、笔、取样证等)。
4.1.4 到仓库指定地点取样4.1.4.1 核对状态标记,应为黄色待验区。
4.1.4.2 核对请验单内容与实物标记相符,内容为品名、规格、产地、来源,标记清楚、完整。
如有不相符的,拒绝抽样,待原因调查清楚,经主管负责人批准后才可抽样。
4.1.4.3 按取样原则随机抽取规定的样本件数。
4.2 取样程序:4.2.1 打开包装后,按待取样品的状态采取不同的取样方法:4.2.1.1 破碎、粉末状或大小在1cm以下的固体药材,用探子在每一单位包装的不同部位取样(不得少于3个取样点),样品放在塑料袋内,封口,作好标记(品名、规格、批号、进厂编号)。
4.2.1.2 个体大的固体药材:用镊子、铗子或铲子在包件不同部位抽取有代表性的样品,放在塑料袋内,封口,作好标记。
4.2.2 取样结束4.2.3.1 封好已打开的样品包件,加贴取样证。
4.2.3.2 填写取样记录、初检情况。
4.2.4 取样器具的清洗、干燥、贮存。
4.2.4.1 器皿、器具通用清洗程序4.2.4.1.1 用饮用水冲洗三遍。
取样操作规程1.⽬的:规范物料的取样管理,保证整个取样过程准确性和代表性。
2.范围:⽣产所需的原辅料、中间产品、成品、包装材料、⼯艺⽤⽔等的取样。
3.职责:3.1 取样⼈员负责对本规程的执⾏,对所取样品准确性负责; 3.2 QC/QA 负责对所取样的样品,按其内控标准来进⾏检验;3.3 质量负责⼈负责对样品检验的结果,评估分析、审核。
4.程序:4.1 取样⼈员资质要求,见《取样⼈员⼯作职责》(OPR-QA-014)。
4.2 取样⼈员接到请验部门的《请验单》后,根据取样类型和分类⽴即进⾏取样。
4.2.1 原辅料、内包材(有微⽣物限度要求的)的取样,在仓库的相关洁净取样室中进⾏。
4.2.2 外包材的取样直接在仓库中进⾏。
4.2.3 中间产品的取样在车间在线取样或车间中间站、外包装间进⾏。
4.2.4 制剂成品的取样在外包装间、成品待验区进⾏(固体制剂成品的微⽣物检验样品在铝塑包装过程中取样、⼩容量注射剂成品的⽆菌检验样品在灭菌后每柜取样、粉针注射剂成品的⽆菌检验样品在⽬检过程前、中、后取样)。
4.2.5 原料药产品的取样在分装过程中取样。
4.2.6 ⼯艺⽤⽔和公⽤介质在线取样。
4.2.7 对于⽓态的物料、⼯艺助剂、危险或⾼毒性的物料、其他特殊物料,如果有供应商检验报告且能表明其符合规格要求,则可以不进⾏取样检验和鉴别。
但需要对每个包装容器、标识、批号进⾏复核确认,对于这些不需要进⾏取样检验的物料,需要评估证明其合理性。
4.2.8 对于某些⽣产消耗品,如⽤于接触产品的⼿套或与⽣产设备表⾯接触的纸、⽑⼱等,取样操作规程⽂件标题:取样操作规程⽂件编号 S O P-QA-002版本号05⽂件级别2级制订⼈年⽉⽇制订部门质量管理部审核⼈年⽉⽇审核⼈年⽉⽇颁发部门GMP 办公室批准⼈年⽉⽇⽣效⽇期年⽉⽇分发⾄质量管理部、物料储运部、各车间⽂件标题:取样管理规程⽂件编码:SMP-QA-002-05 根据风险评估,考虑进⾏微⽣物检验的取样。
目的:本程序《中国药典》2010年版一部、《药品生产质量管理规范》(2010修订版)规定了原料的取样岗位操作规程
范围:本程序适用于原料的取样操作
职责:质量管理部、储运部
内容:
1用具:
1.1剪刀、刀等。
1.2样品袋、探子等容器。
1.3取样记录、取样证(见附件)。
2取样要求:
2.1检验员接到请验单后8小时内完成取样。
2.2取样前先要检查待取样原料是否挂黄色“待验”状态标识。
2.3取样之前应先检查品名、产地、规格等级及包件式样是否一致。
2.4检查包装的完整性、清洁程度以及有无水迹、霉变或其他物质污染等情况。
2.5凡有异常情况的包件,应单独取样并检验。
2.6根据批件数计算取样件数,总件数N≤5,逐件取样,5~99件,随机抽取5件,100~1000件,按5%比例取样,超过1000件的,超过的部分按1%的比例取样。
2.7对取样的包件须取上、中、下三部分,每包件取样量:一般药材取样量100~500克;粉末样药材取样量25~50克;贵重药材5~10克。
2.8抽取的样品用量,一般不得少于检验所需用量的3倍。
即一份为检验分析用,另一份为复核用,其余一份留样保存。
目的:建立产品取样操作规程,以保证从批量物料中抽取能代表物料特性的样品。
适用范围:原材料责任人:质量管理部主任、检验员、仓库管理员内容:取样范围包括:植物药、动物药、矿物药1、取样前准备工作1.1 收到仓库管理员的请验单后做好取样准备。
1.2 依据请验单的品名、规格、数量等确定取样量,原则如下:1.2.1 100件以下取样5件100-1000件内,按5%取样超过1000件的,超过部分按1%取样不足5件的,逐件取样贵重药材,不论包件多少均逐件取样1.2.2 每一包件的取样量:一般药材取100-500g粉末状药材25-50g贵重药材5-10g。
1.2.3 将抽取的样品混匀,即为样品总量。
若抽取样品总量超过检验用量数倍时,可按四分法再取样,,直到最后能满足供检验用样品量。
1.2.4 最终抽取的检验用样品量,一般不得少于一次检验所要用的3倍,1/3供实验室分析用,另1/3供复核用,其余1/3留样保存1.3 准备洁净的采样器,样品盛装容器和辅助工具(手套、样品盒、剪刀、刀子、纸、笔、取样证等)。
1.3.1 取样器:固体物料用不锈钢探子,不锈钢刀、不锈钢铲、不锈钢镊了(铗子);液体物料用玻璃采样管、玻璃油提。
1.3.2 样品盛装容器:固体物料用具封口装置的无毒朔料袋。
流体物料用具盖玻璃瓶、无毒塑料瓶。
1.3.3 需取无菌样品时,以上相应器具均应灭菌。
2 取样2.1 核对样品货位状态标记,应为黄色待验区。
2.2 核对请验单内容与实物标记相符,内容为品名、规格、产地、来源,标记清楚、完整。
2.3 检查包装的完整性,应无污染、水渍、虫蛀、霉变、混杂等情况。
如不符合要求,应拒绝抽样,待原因调查清楚,经质量保证部主任批准后才可抽样。
2.4 按取样原则随机抽取规定的样本件数。
2.5 投料前需经前处理的中药材,在待验区货物上取样。
2.6 直接投料的中药材,按物料进入洁净区规程移入挂有清洁标示牌的B级洁净取样间取样。
2.7 不同品种、规格的药材或粉末不能同时同用一取样器取样。
药材和饮片取样标准操作步骤
药材和饮片取样的标准操作规程可以根据国家标准或行业标准进行制定。
以下是一般常用的取样标准操作规程的步骤:
1 .准备工作:准备所需的取样工具和设备,确保取样容器、刀具、袋子等清洁无污染。
2 .样品选择:根据采样要求选择符合要求的药材或饮片样品,应保证样品的代表性和真实性。
3 .取样点确定:根据采样计划确定取样点位,可以根据样品来源、储存情况、外观特征等进行选择。
4 .取样方法:根据样品特性和要求,选择适当的取样方法,一般包括手工取样和机械取样两种方式。
5 .取样操作:将取样工具(如刀具)消毒或清洁,用适当方法将样品切割、切片或取粉,注意避免样品受到污染。
6 .取样量:根据具体要求确定取样量,通常根据样品的品种、规格和用途来确定取样量。
7 .包装和标识:将取样好的药材或饮片放入清洁无污染的取样容器中,并在容器上标明有关信息,如取样地点、日期、样品名称等。
8 .取样记录:对于每个取样点,进行详细的记录,包括取样时间、地点、质量及特征观察等。
9 .保存和运输:将取样容器密封并妥善保存,确保样品的完整性和稳定性,避免受潮、破损或交叉污染。
如需运输,应选择适当的运输方式和条件。
具体的取样标准操作规程可能因不同药材或饮片的特性和要求而有所不同,可以根据相关标准进行具体操作。
同时,为了确保取样的准确性和可靠性,建议在操作过程中严格按照规程进行,并遵守相关的法律法规和行业标准。
1. 目的:建立原药材取样标准工作程序。
2. 依据:《药品生产质量管理规范(2010年修订)》。
3. 范围:原药材。
4. 职责人:仓库保管员,质管部取样员。
5. 内容:
5.1 取样前准备
5.2 取样原则:
5.3.1 取样员收到仓库保管员的请验单后,依据请验单的品名、规格、数量等计算取样量。
5.3.2取样件数按照批件取样。
贵重药材,逐件取样;n<5,逐件取样;n<100,取样5件; 100<n<1000,按5%取样;n>1000,超过部分按1%取样。
n为药材总包件数。
5.3.3 包件少的取样量一般药材取一次全检量的3~5倍,(包件多的,每一包的取样量按以下规定,一般药材100~500g,粉末药材25g,贵重药材5~10g)贵重药材取2~3倍。
5.4 取样器具的准备
5.4.1 准备洁净的取样器、样品盛装容器和辅助工具(手套、样品盒、剪刀、刀子、纸、笔、取样证等)。
5.4.2 取样器:固体,不锈钢探子、勺、铲、镊子、铗子等;液体样品,用玻璃采样管、
玻璃油提。
5.4.3样品盛装容器:固体,具封口装置的无毒塑料袋、具盖玻璃瓶;液体,具盖玻璃瓶、塑料瓶。
5.5 取样前初检
5.5.1 核对采购单位,应与批准定点采购单位一致。
5.5.2 核对状态标记,应为黄色待验区。
5.5.3 核对请验单内容与实物标记相符,应注明品名、规格、产地、来源,标记清楚、完整。
5.5.4 核对外包装完整性,应无破损,无污染,密闭、无启动痕迹。
5.5.5外包装如有破损,受潮或不是原包装的,应向请验单位询问清楚,经上级主管部门批准,另行放置检查和处理。
检查饮片及净药材包装情况,应有生产厂检验印记、应为双层包装、外包装要注明生产厂名称、规格、批号、数量、出厂日期。
5.6 取样方法
5.6.1按取样原则随机抽取规定的样本数。
5.6.2取样时按待取样品的状态采取不同的取样方法。
5.6.3 粉未状或1cm以下的固体药材,在每一单位包装的不同部位取样(不得少于3个取样点),样品放在容器内,封口。
5.6.4 体积大的固体药材,用镊子、铗子或铲子在包件不同部位抽取样品,放在容器内,
封口。
5.5 液体物料先混匀后,用取样器在液体上、中、下位置分别抽取。
放在容器内,封口。
5.7 不同品种、规格的药材或粉末不能同时用同一取样器取样。
5.8取样环境与所取药材生产投料区域洁净级别一致。
5.9取样结束后
5.10封好已打开的样品包件,均加贴取样证,取样证内容为品名、规格、批号、进厂编号、取样日期、取样人、取样数量;填写取样记录,并由库房管理员复核。
5.11 将取样样品交给质管部QC主管。
5.12 将取样器具经清洗干燥后贮存,需灭菌的器具经灭菌后贮存。