威胜DTZ341使用说明书
- 格式:doc
- 大小:4.72 MB
- 文档页数:25
1 综合介绍1.1概述DTSD341/DSSD331-1型V3.4全电子式多功能三相交流电能表,是湖南威胜电子有限公司历经六年开发研制生产的新一代智能型高科技电能计量产品。
它以本公司专利技术为基础,采用IEC 国际电能表标准和国家有关电能表标准设计和制造。
本产品采用大规模专用集成电路和SMT 电子装联生产工艺,为产品实用性和质量奠定了可靠基础。
本产品可同时计量正、反向有功电量,感、容性无功电量,正、反向有功最大需量,具有四费率。
内部具有时钟芯片进行分时计量,可提供本月、上月和总计用电信息,同时具有为防窃电服务的失压电量和失压时间记录功能。
在接口方面,本产品具有校表用脉冲接口,远动用脉冲接口,抄表用数据通信接口,参数设置、抄表电卡接口,以及预付费、负荷监控用继电器输出接口。
本产品的开发、生产、销售质量保证体系于1996年通过了挪威船级社ISO9001认证,并在1995年获得了电力部首批入网许可证。
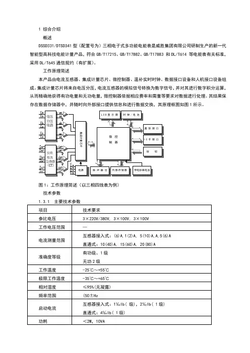
1.2工作原理本产品由电压、电流互感器,高精度高速专用模-数转换器(A/D),电能计量专用集成电路,实时时钟,不易挥发数据存储器,大画面液晶显示器,开关量接口,数据通信接口,高性能开关电源等电路模件构成。
电压、电流模拟信号通过互感器、A/D 转换等信号处理电路后,进入专用集成电路进行电能量的计算和各项分析处理,其结果保存在数据存储器中,并随时向外部接口提供信息和进行数据交换,其原理框图如图1所示。
图1 工作原理(以三相四线表为例)1.3规格及主要技术参数1.3.1 规格1.3.2 主要技术参数1.4电能表功能简介1.4.1 电能表的基本类型本公司电能表按功能分为两种基本类型:TH 型和TF 型。
TH 型为双方向电能表,计量正、反有功和感、容性无功电量。
TF 型为单方向电能表,计量正向有功和感、容性无功电量,反向有功计量精度不作保证,仅供防窃电参考。
TF 型电能表反向有功有两种计量方式,分别为反向电量计入正向电量中同时反向电量总量单独计量方式和正、反向单独计量方式。
目录1 综合介绍 (3)1.1 概述 (3)1.2技术参数 (3)2、仪表基本功能 (4)2.1.1显示图解: (5)2.1.2、常用显示代码 (6)3 使用注意事项 (8)4 运输贮存 (9)5.质保条款 (9)DTSD341/DSSD331-U三相电子式多功能电能表1 综合介绍1.1 概述DSSD331/DTSD341型三相三(四)线电子式多功能电能表是威胜集团有限公司研制生产的新一代智能型高科技电能计量产品,符合GB/T17215.321-2008、GB/T17215.322-2008、GB/T17215.323-2008 和DL/T614-2007 等电能表有关标准,采用DL/T645-2007通信规约。
1.2技术参数1.2.1主要技术参数项目 技术要求参比电压 3×220V/380V,3×57.7V/100V, 3×100V 电压测量范围 三相80%Un ~ 120%Un电流测量范围 1%Ib~12Ib主要电流规格 互感器接入式:0.3(1.2)A, 1.5(6)A直通式:5(60)A,10(100)A 准确度等级 有功0.2S级 0.5S级、1级 ; 无功2级工作温度 -25℃~60℃极限工作温度 -40℃~70℃相对湿度 ≤95%(无凝露)频率范围 (50±2.5)Hz启动电流 互感器接入式表:2‰In直通表:4‰Ib功耗 <1.5W,6VAMTBF ≥1×105 h设计寿命 10年时钟误差 ≤0.5 s/d(0℃~+40℃时:±2ppm;-40℃~+85℃时:±3.5ppm)时钟频率 1Hz电池寿命 10年电池连续工作时间 ≥5年1.2.3 光耦脉冲输出脉冲输出宽度 (80±5)ms最大允许通过电流 10mA(DC) 工作电压 5V~24V(DC)1.2.4安装尺寸 外形尺寸长×宽×厚=290mm×170mm×85mm图1:安装尺寸图1.2.5主端子接线图(具体以实物为准)三相四线直接接入式接线图C NB A 765324189电源侧负载侧图2:主端子接线图1.2.6辅助端子接线图(具体以实物为准)图3:辅助端子排列图2、仪表基本功能分时计量功能、跨月结算、监测与事件记录功能、最大需量功能、485与红外通讯功能、低功耗功能、辅助电源功能(可选)、安全权限管理、液晶显示功能2.1液晶显示:2.1.1显示图解:液晶全屏图项目液晶上显示内容含义说明电能数据显示行,显示各种记录数据。
1 综合介绍1.1 概述DSZ331/DTZ341/DSSD331/DTSD341(配置号为MB3V8.5)三相智能电能表/三相电子式多功能电能表是威胜集团有限公司研制生产的新一代智能型高科技电能计量产品,符合GB/T17215.321-2008、GB/T17215.322-2008、GB/T17215.323-2008 和DL/T614-2007 等电能表有关标准,采用DL/T645-2007通信规约(有扩展)。
1.2 工作原理简述本产品由电流互感器、集成计量芯片、微控制器、温补实时时钟、数据接口设备和人机接口设备组成。
集成计量芯片将来自电压分压,电流互感器的模拟信号转换为数字信号,并对其进行数字积分运算,从而精确地获得有功电能和无功电能,微控制器依据相应费率和需量等要求对数据进行处理。
其结果保存在数据存储器中,并随时向外部接口提供信息和进行数据交换,其原理框图如图1所示。
图1:工作原理简述(以三相四线表为例)1.3 技术参数1.3.2 日历时钟(DS3231SN温补时钟)1.3.3 光耦脉冲输出1.3.4 继电器输出本仪表可以选配“报警”继电器。
“报警”辅助端子为继电器的常开触点。
继电器规格为:直流30V/5A或110V/0.3A,交流250V/5A。
1.3.5 其它数据1.3.6 外形和布局(面板参数以实物为准)液晶显示屏按键1#上盖铅封螺钉按键3#底盒端盖铅封螺钉电池盖上面板指示灯端盖上 盒下透镜按键2#图2:外形布局图1.3.7 安装尺寸图3:安装尺寸图1.3.8 主端子接线图图4:接线图注:辅助电源以仪表端盖上接线图为准。
2 仪表主要功能2.1电能计量功能本仪表具有A、B、C各元件和合元的正向有功能、反向有功、四个象限无功这六类基本电能的计量功能,以及组合有功、组合无功1、组合无功2这三类组合电能的计算功能。
组合有功电能可由正反向有功电能进行选择性加减组合,通过修改有功组合方式特征字进行设置。
1 综合介绍1.1 概述DSZ331/DTZ341(配置号为B1V1.2)三相三线/三相四线智能电能表是威胜集团有限公司研制生产的新一代智能型高科技电能计量产品,符合GB/T17215.321-2008、GB/T17215.322-2008、GB/T17215.323-2008 和DL/T614-2007 等电能表有关标准,采用DL/T645-2007通信规约(有扩展)。
1.2 工作原理简述本产品由电流互感器、集成计量芯片、微控制器、温补实时时钟、数据接口设备和人机接口设备组成。
集成计量芯片将来自电压分压,电流互感器的模拟信号转换为数字信号,并对其进行数字积分运算,从而精确地获得有功电能和无功电能,微控制器依据相应费率和需量等要求对数据进行处理。
其结果保存在数据存储器中,并随时向外部接口提供信息和进行数据交换,其原理框图如图1所示。
图1:工作原理简述(以三相四线表为例)1.3 技术参数拟制:扶小飞2011-06-24 图号:OKRW2.702.635SS审核:1.3.4 继电器输出本仪表可以选配“报警”继电器。
“报警”辅助端子为继电器的常开触点。
继电器规格为:直流30V/5A或110V/0.3A,交流250V/5A。
拟制:扶小飞2011-06-24 图号:OKRW2.702.635SS 审核:拟 制: 扶小飞 2011-06-24 图 号:OKRW2.702.635SS 审 核:1.3.6 外形和布局(面板参数以实物为准)液晶显示屏按键1#上盖铅封螺钉按键3#底盒端盖铅封螺钉电池盖上面板指示灯端盖上 盒下透镜按键2#图2:外形布局图1.3.7 安装尺寸图3:安装尺寸图1.3.8 主端子接线图图4:接线图拟制:扶小飞2011-06-24 图号:OKRW2.702.635SS 审核:注:辅助电源以仪表端盖上接线图为准。
2 仪表主要功能2.1电能计量功能本仪表具有A、B、C各元件和合元的正向有功能、反向有功、四个象限无功这六类基本电能的计量功能,以及组合有功、组合无功1、组合无功2这三类组合电能的计算功能。
1 综合介绍1.1 概述DSZY331C,DTZY341C型配置号为B2V1.0三相费控智能电能表是威胜集团有限公司研制生产的新一代智能型高科技电能计量产品,符合GB/T17215.321-2008、GB/T17215.322-2008、GB/T17215.323-2008 和DL/T614-2007 等电能表有关标准,采用DL/T645-2007通信规约。
1.2 工作原理简述本产品由电流互感器、集成计量芯片、微控制器、温补实时时钟、数据接口设备和人机接口设备组成。
集成计量芯片将来自电压分压,电流互感器的模拟信号转换为数字信号,并对其进行数字积分运算,从而精确地获得有功电能和无功电能,微控制器依据相应费率和需量等要求对数据进行处理。
其结果保存在数据存储器中,并随时向外部接口提供信息和进行数据交换,其原理框图如图1所示。
图1:工作原理简述(以三相四线表为例)1.3 技术参数1.3.1 主要技术参数拟制:陈红权2010-06-04 图号:OKRW2.702.573SS审核:工艺: 第 1 页共31 页1.3.2 日历时钟(DS3231SN温补时钟)1.3.3 光耦脉冲输出1.3.4 继电器输出对于外置继电器表,本仪表配有“报警”和“跳闸”信号输出端子。
“报警”辅助端子为常开触点,继电器规格:直流30V/5A,交流277V/3A。
“跳闸”辅助端子提供了常开和常闭两组触点,继电器规格:直流30V/5A,交流277V/3A。
对于内置继电器表,本仪表配有“报警”信号输出端子和内置跳闸继电器。
“报警”辅助端子为常开触点,继电器规格:直流30V/5A,交流277V/3A。
跳闸继电器直接控制三相电路通断。
继电器规格:250V/60A。
对于具体表计可通过辅助端子标签区别该表计是属于内置继电器表计还是外置继电器表计。
具体见2.14。
1.3.5 其它数据拟制:陈红权2010-06-04 图号:OKRW2.702.573SS审核:工艺: 第 2 页共31 页拟 制: 陈红权 2010-06-04 图 号:OKRW2.702.573SS 审 核:工 艺: 第 3 页 共 31 页 1.3.6 外形和布局(面板参数以实物为准)底盒端盖端盖铅封螺钉下透镜载波模块上盒铅封螺钉卡槽按键3#电池盖按键2#上盒液晶显示屏面板指示灯按键1#图2:外形布局图注:该表计载波模块为可选功能,IC 卡为可选功能,在结构上亦为可取消,表计具体外形以实物为准,此处只做参考。
1 综合介绍1.1 概述DSZ331/DTZ341(配置号为B1V1.2)三相三线/三相四线智能电能表是威胜集团有限公司研制生产的新一代智能型高科技电能计量产品,符合GB/T17215.321-2008、GB/T17215.322-2008、GB/T17215.323-2008 和DL/T614-2007 等电能表有关标准,采用DL/T645-2007通信规约(有扩展)。
1.2 工作原理简述本产品由电流互感器、集成计量芯片、微控制器、温补实时时钟、数据接口设备和人机接口设备组成。
集成计量芯片将来自电压分压,电流互感器的模拟信号转换为数字信号,并对其进行数字积分运算,从而精确地获得有功电能和无功电能,微控制器依据相应费率和需量等要求对数据进行处理。
其结果保存在数据存储器中,并随时向外部接口提供信息和进行数据交换,其原理框图如图1所示。
图1:工作原理简述(以三相四线表为例)1.3 技术参数拟制:扶小飞2011-06-24 图号:OKRW2.702.635SS审核:1.3.4 继电器输出本仪表可以选配“报警”继电器。
“报警”辅助端子为继电器的常开触点。
继电器规格为:直流30V/5A或110V/0.3A,交流250V/5A。
拟制:扶小飞2011-06-24 图号:OKRW2.702.635SS 审核:拟 制: 扶小飞 2011-06-24 图 号:OKRW2.702.635SS 审 核:1.3.6 外形和布局(面板参数以实物为准)液晶显示屏按键1#上盖铅封螺钉按键3#底盒端盖铅封螺钉电池盖上面板指示灯端盖上 盒下透镜按键2#图2:外形布局图1.3.7 安装尺寸图3:安装尺寸图1.3.8 主端子接线图图4:接线图拟制:扶小飞2011-06-24 图号:OKRW2.702.635SS 审核:注:辅助电源以仪表端盖上接线图为准。
2 仪表主要功能2.1电能计量功能本仪表具有A、B、C各元件和合元的正向有功能、反向有功、四个象限无功这六类基本电能的计量功能,以及组合有功、组合无功1、组合无功2这三类组合电能的计算功能。
.1 综合介绍1.1 概述DSZY331C,DTZY341C型配置号为B2V1.0三相费控智能电能表是威胜集团有限公司研制生产的新一代智能型高科技电能计量产品,符合GB/T17215.321-2008、GB/T17215.322-2008、GB/T17215.323-2008 和DL/T614-2007 等电能表有关标准,采用DL/T645-2007通信规约。
1.2 工作原理简述本产品由电流互感器、集成计量芯片、微控制器、温补实时时钟、数据接口设备和人机接口设备组成。
集成计量芯片将来自电压分压,电流互感器的模拟信号转换为数字信号,并对其进行数字积分运算,从而精确地获得有功电能和无功电能,微控制器依据相应费率和需量等要求对数据进行处理。
其结果保存在数据存储器中,并随时向外部接口提供信息和进行数据交换,其原理框图如图1所示。
图1:工作原理简述(以三相四线表为例)1.3 技术参数1.3.1 主要技术参数拟制:陈红权2010-06-04 图号:OKRW2.702.573SS审核:工艺: 第 1 页共31 页1.3.3 光耦脉冲输出1.3.4 继电器输出对于外置继电器表,本仪表配有“报警”和“跳闸”信号输出端子。
“报警”辅助端子为常开触点,继电器规格:直流30V/5A,交流277V/3A。
“跳闸”辅助端子提供了常开和常闭两组触点,继电器规格:直流30V/5A,交流277V/3A。
对于内置继电器表,本仪表配有“报警”信号输出端子和内置跳闸继电器。
“报警”辅助端子为常开触点,继电器规格:直流30V/5A,交流277V/3A。
跳闸继电器直接控制三相电路通断。
继电器规格:250V/60A。
对于具体表计可通过辅助端子标签区别该表计是属于内置继电器表计还是外置继电器表计。
具体见2.14。
拟制:陈红权2010-06-04 图号:OKRW2.702.573SS审核:工艺: 第 2 页共31 页拟 制: 陈红权 2010-06-04 图 号:OKRW2.702.573SS 审 核:工 艺: 第 3 页 共 31 页 1.3.6 外形和布局(面板参数以实物为准)底盒端盖端盖铅封螺钉下透镜载波模块上盒铅封螺钉卡槽按键3#电池盖按键2#上盒液晶显示屏面板指示灯按键1#图2:外形布局图注:该表计载波模块为可选功能,IC 卡为可选功能,在结构上亦为可取消,表计具体外形以实物为准,此处只做参考。
三相三四线智能电能表使用说明指导书1 综合介绍1.1 概述DSZ331/DTZ341三相三线/三相四线智能电能表是威胜集团有限公司研制生产的新一代智能型高科技电能计量产品,符合GB/T17215.321-2008、GB/T17215.322-2008、GB/T17215.323-2008 和DL/T614-2007 等电能表有关标准,采用DL/T645-2007通信规约(有扩展)。
1.2 工作原理简述本产品由电流互感器、集成计量芯片、微控制器、温补实时时钟、数据接口设备和人机接口设备组成。
集成计量芯片将来自电压分压,电流互感器的模拟信号转换为数字信号,并对其进行数字积分运算,从而精确地获得有功电能和无功电能,微控制器依据相应费率和需量等要求对数据进行处理。
其结果保存在数据存储器中,并随时向外部接口提供信息和进行数据交换,其原理框图如图1所示。
拟制:扶小飞2011-06-24 图号:OKRW2.702.635SS审核:拟 制: 扶小飞 2011-06-24 图 号:OKRW2.702.635SS 审 核:L C D 显示器Ia+Ia-Ib+Ib-Ic+Ic-仪用电流互感器(CT)ia-ia+ib-ib+ic-ic+ 微控制器Ua Ub Uo Uc Uo 电压分压电路Uo uauo uo uoubuc 通信接口内部存储器时钟/电池脉冲输出按钮集成计量芯片停电抄表电池电源aU bU U U c n图1:工作原理简述(以三相四线表为例)1.3 技术参数1.3.1 主要技术参数项目 技术要求参比电压 3×220V/380V ,3×57.7V /100V , 3×100V电压测量范围 三相80%Un ~120%Un电流测量范围 1%Ib~6Ib互感器接入式:0.3(1.2)A,1(2)A,1.5(6)A, 5(6)A直通式:5(20)A,10(40)A,拟 制: 扶小飞 2011-06-24 图 号:OKRW2.702.635SS 审 核:15(60)A,20(80)A具体电流规格参见面板标识准确度等级 有功0.2S 、0.5S 级、1级 ; 无功2级工作温度 -25℃~60℃极限工作温度-40℃~70℃相对湿度 ≤95%(无凝露)频率范围 (50±2.5)Hz启动电流 互感器接入式表:1‰In(0.2s 级),1‰In(0.5s 级),2‰In(1级)直通表:4‰Ib(1级)功耗 <1.5W ,6VAMTBF ≥1×105 h设计寿命 10年拟 制: 扶小飞 2011-06-24 图 号:OKRW2.702.635SS 审 核:1.3.2 日历时钟 (DS3231SN 温补时钟) 时钟误差 ≤0.5 s/d (0℃~+40℃时:±2ppm;-40℃~+85℃时:±3.5ppm )时钟频率 1Hz电池寿命 10年电池连续工作时间≥5年1.3.3 光耦脉冲输出脉冲输出常数 出厂设置以仪表面板标识为准。
图1:工作原理简述(以三相四线表为例)1.3 技术参数1.3.1 主要技术参数项目技术要求参比电压 3 X 220V/380V, 3 X 57.7V/100V, 3 X 100V工作电压范围0.7 Un —1.3 Un电流测量范围互感器接入式:1.5(6)A,1 (2) A, 5(10)A,0.3(1.2)A,5 (6) A 直通式:10(40)A, 15(60)A, 20(80)A准确度等级有功0.5S级、1级无功2级工作温度-25 C 〜+55 C极限工作温度-35 C 〜+65 C相对湿度< 95%(无凝露)频率范围(50 ± 2.5)Hz启动电流互感器接入式:1 %0 Ib( 0.5S 级),2%o Ib( 1 级)直通式:4%o Ib ( 1级)功耗v 2W 10VAMTBF>6X104 h时钟误差< 0.5 秒/天(O C ~+40C时:土2ppm; -40 C ~+85C时:土 3.5ppm) 时钟频率1Hz电池寿命10年电池连续工作时间> 5年1综合介绍1.1 概述。
$$。
331/。
丁5。
34型(配置号为MB3V7.4)三相电子式多功能电能表是威胜集团有限公司研制生产的新一代智能型高科技电能计量产品,符合GB/T17215、GB/T17882、GB/T17883和DL/T614等电能表有关标准,采用DL/T645通信规约(有扩展)。
1.2 工作原理简述本产品由电流互感器、集成计量芯片、微控制器、温补实时时钟、数据接口设备和人机接口设备组成。
集成计量芯片将来自电压分压,电流互感器的模拟信号转换为数字信号,并对其进行数字积分运算,从而精确地获得有功电量和无功电量,微控制器依据相应费率和需量等要求对数据进行处理。
其结果保存在数据存储器中,并随时向外部接口提供信息和进行数据交换,其原理框图如图1所示。
Ua Uo Ub UoUc Uo la+ la-Ib+ Ib-Ic+ lc-电压分压电路仪用电流互感器(CT)uauoia+ria-ib+ Hl b-LCD显示器时钟/电池I C卡接口ic+停电抄表电池脉冲输出内部存储器ucuoub ruo通信接口集成计U a弋冏电源脉冲输出常数出厂设置以表计面板标识为准。
1 综合介绍1.1概述DTSD341/DSSD331-1型V3.4全电子式多功能三相交流电能表,是湖南威胜电子有限公司历经六年开发研制生产的新一代智能型高科技电能计量产品。
它以本公司专利技术为基础,采用IEC 国际电能表标准和国家有关电能表标准设计和制造。
本产品采用大规模专用集成电路和SMT 电子装联生产工艺,为产品实用性和质量奠定了可靠基础。
本产品可同时计量正、反向有功电量,感、容性无功电量,正、反向有功最大需量,具有四费率。
内部具有时钟芯片进行分时计量,可提供本月、上月和总计用电信息,同时具有为防窃电服务的失压电量和失压时间记录功能。
在接口方面,本产品具有校表用脉冲接口,远动用脉冲接口,抄表用数据通信接口,参数设置、抄表电卡接口,以及预付费、负荷监控用继电器输出接口。
本产品的开发、生产、销售质量保证体系于1996年通过了挪威船级社ISO9001认证,并在1995年获得了电力部首批入网许可证。
1.2工作原理本产品由电压、电流互感器,高精度高速专用模-数转换器(A/D),电能计量专用集成电路,实时时钟,不易挥发数据存储器,大画面液晶显示器,开关量接口,数据通信接口,高性能开关电源等电路模件构成。
电压、电流模拟信号通过互感器、A/D 转换等信号处理电路后,进入专用集成电路进行电能量的计算和各项分析处理,其结果保存在数据存储器中,并随时向外部接口提供信息和进行数据交换,其原理框图如图1所示。
图1 工作原理(以三相四线表为例)1.3规格及主要技术参数1.3.1 规格1.3.2 主要技术参数1.4电能表功能简介1.4.1 电能表的基本类型本公司电能表按功能分为两种基本类型:TH 型和TF 型。
TH 型为双方向电能表,计量正、反有功和感、容性无功电量。
TF 型为单方向电能表,计量正向有功和感、容性无功电量,反向有功计量精度不作保证,仅供防窃电参考。
TF 型电能表反向有功有两种计量方式,分别为反向电量计入正向电量中同时反向电量总量单独计量方式和正、反向单独计量方式。
1 综合介绍1.1概述DTSD341/DSSD331-1型V3.4全电子式多功能三相交流电能表,是湖南威胜电子有限公司历经六年开发研制生产的新一代智能型高科技电能计量产品。
它以本公司专利技术为基础,采用IEC 国际电能表标准和国家有关电能表标准设计和制造。
本产品采用大规模专用集成电路和SMT 电子装联生产工艺,为产品实用性和质量奠定了可靠基础。
本产品可同时计量正、反向有功电量,感、容性无功电量,正、反向有功最大需量,具有四费率。
内部具有时钟芯片进行分时计量,可提供本月、上月和总计用电信息,同时具有为防窃电服务的失压电量和失压时间记录功能。
在接口方面,本产品具有校表用脉冲接口,远动用脉冲接口,抄表用数据通信接口,参数设置、抄表电卡接口,以及预付费、负荷监控用继电器输出接口。
本产品的开发、生产、销售质量保证体系于1996年通过了挪威船级社ISO9001认证,并在1995年获得了电力部首批入网许可证。
1.2工作原理本产品由电压、电流互感器,高精度高速专用模-数转换器(A/D),电能计量专用集成电路,实时时钟,不易挥发数据存储器,大画面液晶显示器,开关量接口,数据通信接口,高性能开关电源等电路模件构成。
电压、电流模拟信号通过互感器、A/D 转换等信号处理电路后,进入专用集成电路进行电能量的计算和各项分析处理,其结果保存在数据存储器中,并随时向外部接口提供信息和进行数据交换,其原理框图如图1所示。
图1 工作原理(以三相四线表为例)1.3规格及主要技术参数1.3.1 规格1.3.2 主要技术参数1.4电能表功能简介1.4.1 电能表的基本类型本公司电能表按功能分为两种基本类型:TH 型和TF 型。
TH 型为双方向电能表,计量正、反有功和感、容性无功电量。
TF 型为单方向电能表,计量正向有功和感、容性无功电量,反向有功计量精度不作保证,仅供防窃电参考。
TF 型电能表反向有功有两种计量方式,分别为反向电量计入正向电量中同时反向电量总量单独计量方式和正、反向单独计量方式。
1 概述 1.1 标准DL/T 614-1997 《多功能电能表》GB/T 17883-1999《0.2S 级和0.5S 级静止式交流有功电能表》 GB/T 17882-1999《2级和3级静止式交流无功电能表》 DL/T 645-1997 《多功能电能表通信规约》(威胜公司对此协议有扩展) GB/T 15543-1995《电能质量 三相电压允许不平衡度》 1.2 工作原理DSSD331/DTSD341 -9D 型0.2S 级电能表采用当今世界流行的高档电能表设计方案:DSP +管理MCU ,将DSP 高速数字信号处理功能和高档MCU 完善的管理功能结合。
其基本工作原理如下:16位A/D 转换器和DSP 高速数据处理器对各相电流、电压进行采样。
通过相应的数学计算,由DSP 部分完成对电参量测量、电能累计及电能计算等工作。
计算数据通过高速通信接口与管理MCU 进行数据交换;管理部分采用一款16位MCU ,主要完成显示、数据统计、存储、通信、电表功能选择以及初始化数据设定等工作。
其整表硬件原理框图如图1所示。
1.3 DSSD331/ DTSD341 –9D 型表面板说明电表面板说明详见图2所示。
1.4 技术参数1.4.1图2 DSSD331/ DTSD341 –9D 型表面板布置图 1 DSSD331/DTSD341 –9D 原理框图1.4.2日历时钟参数注:内部电池仅用于内部时钟1.4.31.4.4其他参数2术语2.1 需量周期(Demand interval)测量平均功率的连续相等的时间间隔。
2.2 最大需量(Maximum demand)在指定的时间区间内,需量周期中测得的需量最大值。
2.3 滑差(窗)时间(Sliding window time)采用依次递推方式来测量最大需量的时间间隔,该时间间隔小于需量周期。
2.4 尖、峰、平、谷、脊谷、尖谷时段电力系统日负荷曲线最突出的时段称为尖时段;高峰负荷对应的时段称为峰时段;低谷负荷对应的时段称为谷时段;比谷负荷更低一级负荷对应的时段称为脊谷时段;最低负荷对应的时段称为尖谷时段;尖、峰、谷、脊谷、尖谷时段外对应的时段称为平时段。
D T S D341电能表说明书1 综合介绍1.1 概述DSSD331/DTSD341型(配置号为MB3V7.4)三相电子式多功能电能表是威胜集团有限公司研制生产的新一代智能型高科技电能计量产品,符合GB/T17215、GB/T17882、GB/T17883 和DL/T614 等电能表有关标准,采用DL/T645通信规约(有扩展)。
1.2 工作原理简述本产品由电流互感器、集成计量芯片、微控制器、温补实时时钟、数据接口设备和人机接口设备组成。
集成计量芯片将来自电压分压,电流互感器的模拟信号转换为数字信号,并对其进行数字积分运算,从而精确地获得有功电量和无功电量,微控制器依据相应费率和需量等要求对数据进行处理。
其结果保存在数据存储器中,并随时向外部接口提供信息和进行数据交换,其原理框图如图1所示。
图1:工作原理简述(以三相四线表为例)1.3 技术参数1.3.1 主要技术参数日历时钟光耦脉冲输出1.3.4 继电器输出如果选择了负荷控制功能,将配置“报警”及“跳闸”继电器,“报警”及“跳闸”辅助端子为继电器的常开触点。
继电器的开关能力:纯阻性负载的情况下,220VAC ,130mA1.3.6 外形和布局铅封螺钉锁条有功指示灯下面板下透镜上盒带端子的端子排开盖检测按钮光通信口铁芯无功指示灯远红外指示灯报警指示灯上透镜上面板液晶显示屏底盒端盖铅封按钮按钮电池门按钮按钮铅封螺钉1.3.7 安装尺寸1.3.8 主端子接线图注:辅助电源为可选功能,具体接线以表计端盖上接线图为准。
2 仪表主要功能2.1 电量分时计量本仪表有两种配置:TH及TF型(由模式字1的b6设置)。
TH型为双方向电能表,它可以计量正、反向有功,4象限无功以及A、B、C各元件有功、无功电量。
TF型为单方向电能表,它可以计量正向有功,4象限无功以及A、B、C各元件有功、无功电量,反向有功计量精度不作保证,仅供参考。
TH型和TF型电能表都能计量2种组合的无功电量,2种组合的无功电量可由4个象限的无功电量任意组合(通过无功组合模式字设置)。
1 综合介绍1.1 概述DTSD341(DSSD331)-MC3SZ3SZ型三相四线(三相三线)电子式多功能电能表,是长沙威胜电子有限公司开发研制生产的新一代电能计量产品。
它采用国际标准IEC1036并符合国家标准GB/T 17215 - 2002、GB/T18460及电力行业标准DL/T 614 - 1997,通信协议符合电力行业标准DL/T 645—1997 《多功能电能表通信规约》及威胜协议。
本产品采用专用大规模集成电路和SMT电子装联生产工艺,为产品的实用性和可靠性奠定了良好的基础。
本产品可根据用户需求灵活选择多种功能:分时或不分时;正向有功电能中包括反向有功电能或正向、反向分开计量;感性无功电能中包括容性无功电能或感、容分开计量。
本产品具有断零线有功正常计量、逆相序正常计量等多种防窃电措施。
在接口方面,本产品还具有电量脉冲输出接口、RS485通信接口、远红外通信接口。
本公司产品的开发、制造、销售质量保证体系于1996年通过了挪威船级社ISO9001认证,本产品获得了国家相关部门的生产许可证及入网许可证。
1.2 工作原理本产品为直接接入式或经电流互感器接入式三相四(三)线交流有、无功电能表。
由电流互感器、电能计量专用芯片、CPU、实时时钟、不易挥发数据存储器、液晶显示器、通信接口等电路模块构成。
电压、电流模拟信号进入电能计量专用芯片进行电能量的计算,其结果以数据形式输出,CPU再对此数据进行分析处理,并将相关结果保存在数据存储器中,并随时向外部接口提供信息和进行数据交换,其原理框图如图1所示(以三相四线为例)。
图1 工作原理1.3 规格及主要技术参数三相四线额定电压: 3 × 220V/380V,47.5 Hz—52.5 Hz标定电流: 1.5(6)A 2000imp/kWh 2000imp/kvarh5(20)A 600 imp/kWh 600 imp/kvarh10(40)A 200 imp/kWh 200 imp/kvarh20(80)A 200 imp/kWh 200 imp/kvarh准确度等级:有功0.5、0.5S、1级无功2级额定电压: 3×100V, 47.5 Hz—52.5 Hz标定电流: 1.5(6)A 5000imp/kWh 5000imp/kvarh 准确度等级:有功0.5、0.5S、1级无功2级1.3.1 主要技术参数见“表1 主要技术参数”。
1 综合介绍1.1 概述DSZ331/DTZ341/DSSD331/DTSD341(配置号为MB3V8.5)三相智能电能表/三相电子式多功能电能表是威胜集团有限公司研制生产的新一代智能型高科技电能计量产品,符合GB/T17215.321-2008、GB/T17215.322-2008、GB/T17215.323-2008 和DL/T614-2007 等电能表有关标准,采用DL/T645-2007通信规约(有扩展)。
1.2 工作原理简述本产品由电流互感器、集成计量芯片、微控制器、温补实时时钟、数据接口设备和人机接口设备组成。
集成计量芯片将来自电压分压,电流互感器的模拟信号转换为数字信号,并对其进行数字积分运算,从而精确地获得有功电能和无功电能,微控制器依据相应费率和需量等要求对数据进行处理。
其结果保存在数据存储器中,并随时向外部接口提供信息和进行数据交换,其原理框图如图1所示。
图1:工作原理简述(以三相四线表为例)1.3 技术参数1.3.4 继电器输出本仪表可以选配“报警”继电器。
“报警”辅助端子为继电器的常开触点。
继电器规格为:直流30V/5A或110V/0.3A,交流250V/5A。
1.3.6 外形和布局(面板参数以实物为准)液晶显示屏按键1#上盖铅封螺钉按键3#底盒端盖铅封螺钉电池盖上面板指示灯端盖上 盒下透镜按键2#图2:外形布局图1.3.7 安装尺寸图3:安装尺寸图1.3.8 主端子接线图图4:接线图注:辅助电源以仪表端盖上接线图为准。
2 仪表主要功能2.1电能计量功能本仪表具有A、B、C各元件和合元的正向有功能、反向有功、四个象限无功这六类基本电能的计量功能,以及组合有功、组合无功1、组合无功2这三类组合电能的计算功能。
组合有功电能可由正反向有功电能进行选择性加减组合,通过修改有功组合方式特征字进行设置。
设置方法参见《DL/T 645-2007多功能电能表通讯协议》相关约定。
两种组合的无功电能可由四个象限的无功电能进行选择性加减组合,通过修改无功组合方式1、2特征字进行设置。
设置方法参见《DL/T 645-2007多功能电能表通讯协议》相关标准。
本仪表保存电能数据时,只保存六类基本电能。
三类组合电能在通信和显示时,根据相关特征字,由基本电能计算得出。
改变模式字时不需要对电表进行清零操作,而且历史电能也能够正确追溯。
此电能计算和保存方法适应于总及分时电能、合元及各分元电能、事件记录中的电能、负荷曲线中的电能和冻结电能等。
对于六类基本电能,电能有效值范围为0~999999.999,单位为kW·h或kvar·h。
对于三类组合电能,电能有效值范围是–799999.999~799999.999,单位为kW·h或kvar·h。
通讯时电能小数位数按照《DL/T 645-2007多功能电能表通讯协议》标准固定为2位小数。
电能显示小数位数设为2时,有功电能计量最小单位为0.01kW.h,无功电能计量最小单位为0.01kvar.h。
电能显示小数位数设为3时,有功电能计量最小单位为0.001kW.h,无功电能计量最小单位为0.001kvar.h。
2.2最大需量计量功能本仪表具有合元的正向有功、反向有功、四个象限无功这六类基本需量的计量功能,同时按照结算周期统计了每类基本需量的最大需量和最大需量的发生时间。
本仪表可以通过四个象限无功的最大需量和最大需量的发生时间计算组合无功1、组合无功2这两类组合需量的最大需量和最大需量的发生时间计算。
两种组合的无功需量可由四个象限的无功需量进行选择性组合,通过修改无功组合方式1、2特征字进行设置。
组合无功最大需量的计算方法是在参与组合运算的最大需量中选择需量值最大的作为组合无功最大需量。
例如,无功组合1特征字的值为05H,代表组合无功1=第1象限无功+第2象限无功。
假设在一个需量周期第1象限的无功最大需量为1kvar,第2象限的无功最大需量为2kvar,则组合无功1在同一需量周期内的最大需量值为2kvar。
本仪表的默认最大需量周期是15分钟,滑差时间是1分钟。
以上两个参数可以通过仪表的参数设置接口进行设置。
滑差时间和需量周期为不大于60分钟的值,且滑差时间必须能被需量周期整除。
设置方法参见《DL/T 645-2007多功能电能表通讯协议》相关标准。
本仪表有功需量计量最小单位0.000001kW,无功需量计量最小单位0.000001kvar。
2.3分时功能2.3.1分时计量本仪表具有分时计量功能,最大8种费率。
包括六类基本电能和三类组合电能在内的九类合元电能均可以按最大8种费率时段进行分时计量,分元件的电能不分时计量。
包括六类基本需量和两类组合需量在内的八类合元需量均可以按最大8种费率时段进行分时统计。
2.3.2日历及分时方案本仪表具有百年日历、时间和闰年自动切换的功能。
分时方案是用来设置仪表的分时计量的重要参数,设置方法参见《DL/T 645-2007多功能电能表通讯协议》相关标准。
分时方案包括的内容有:1个年时区表,最多可设置14个年时区切换数。
通过设置年时区表可以将一年划分为14个年时区,年时区的最小单位为天。
可以设置每个年时区使用的指定的日时段表。
8个日时段表,每天14个时段切换数。
通过设置日时段表可以将一天划分为14个日时段。
可以设置每个日时段的费率号,本仪表最大8费率。
周休日使用的时段表号。
254个公共假日,以及公共假日使用的日时段表号。
2.3.3分时方案切换功能分时方案切换功能就是在表内开辟了两套分时方案的存储空间,两套分时方案可以分别设置互不影响互不干扰,并且预留了一个可以设置的主副时区的切换时间(年月日时分)参数和一个可以设置的主副时段的切换时间(年月日时分)参数。
电表运行到相应的切换时间后按另一套备用的时区表或者时段表运行。
2.4结算功能本仪表的电能计量数据、最大需量计量数据以及分时数据除开保存了当前数据以外,还存储了上1月到上12月的历史数据。
此功能的“月”指的是结算周期,可通过设定结算日来设置仪表的结算周期,设置方法参见《DL/T 645-2007多功能电能表通讯协议》相关标准。
当仪表的系统时钟与设定的结算时间相同时,电表进行跨月结算,先把本月的电能、最大需量及其发生时间存入上月,再把本月的最大需量及其发生时间清零,计算需量的累加单元清零,重新开始计算需量。
如果电表掉电跨过结算日,上电后电表将进行跨月补结算。
但跨过12个月及以上,电表不进行补结算。
通过RS485、远红外可抄读本月及上12个月的数据。
2.5测量功能本仪表能测量合元及A、B、C各分元件的视在功率、有功功率、无功功率、功率因数,能测量A、B、C各分元件的电压、电流,能测量电网频率,并且能显示电流、功率和功率因数的方向。
功率:只在电流大于起动电流时才可以测量(显示受到显示位数的影响),刷新时间为1秒。
测量范围为:0.1%Pb,~Pmax。
其中,Pb代表有功或无功额定功率,Pmax代表有功或无功最大功率。
功率测量最小分辨率0.000001,单位kW或kvar,测量误差(引用误差)不超过±1%。
显示时带4位小数,但是可以通过修改功率显示小数位数参数设置功率显示小数位数为2、3或4位,设置方法参见《DL/T 645-2007多功能电能表通讯协议》相关标准。
功率数据的数值最高位表示方向,+ 代表输入,- 代表输出,取值范围为0.0000~79.9999。
方向的具体定义参见《DL/T 645-2007多功能电能表通讯协议》附录D。
电压:有效值,刷新时间为1秒。
测量范围:80%Un~120%Un,测量最小分辨率:0.0001V,测量误差(引用误差)不超过±1%,显示时带1位小数。
电流:有效值,刷新时间为1秒。
电流测量范围:1‰Ib~Imax,电流测量最小分辨率0.0001A,测量误差(引用误差)不超过±1%,显示时带3位小数。
电流数据的数值最高位表示方向,+ 代表输入,- 代表输出,取值范围为0.000A~799.999A。
方向与有功功率的方向一致,参见《DL/T 645-2007多功能电能表通讯协议》附录D。
频率:测量分辨率为0.01Hz,测量范围:47.5Hz~52.5Hz。
相角:根据功率因数计算总及各元件的相角,测量分辨率为0.01°。
在三相三线表中,相角Φa等于Uab与Ia的夹角,Φc等于Ucb与Ic的夹角, Φb 被强制置为零。
功率因数:测量最小分辨率0.000001。
显示时带3位小数。
功率因数数据的数值最高位表示方向,+ 代表输入,- 代表输出,取值范围为0.000~1.000。
方向与有功功率的方向一致,参见《DL/T 645-2007多功能电能表通讯协议》附录D。
视在功率:本表单相电路的视在功率是单相的有功功率平方和无功功率平方相加后再开方所得,合相的视在功率是合相有功功率和合相无功功率平方后相加再开方所得,即矢量和模式。
测量最小分辨率0.000001,测量误差(引用误差)不超过±1%。
单位kVA。
显示时带4位小数,但是可以通过修改功率显示小数位数参数设置功率显示小数位数为2、3或4位,设置方法参见《DL/T 645-2007多功能电能表通讯协议》相关标准。
视在功率数据的数值最高位表示方向,+ 代表输入,- 代表输出,取值范围为0.0000V A~79.9999kV A。
方向与有功功率的方向一致,参见《DL/T 645-2007多功能电能表通讯协议》附录D。
2.6显示功能本仪表采用大屏幕液晶显示,并有丰富的汉字提示,显示直观、视角宽。
液晶全屏图参见图5,液晶显示字符说明参见表1:图5:液晶全屏图PQ Ⅰ、ⅢQP Ⅱ、Ⅳ历史月电能查看历史数据时显示“上1 ~12”月数据功率因数COSΦ功率因数提示符,单独显示“Φ”时为相角提示符费率显示电能数据费率提示符,总电能显示时用“”字提示当前费率提示为“”主副时段提示表示使用主时段表,表示使用副时段表计量单位kWAhkvarh有功:kWh,无功:kvarh通信状态提示红外通讯标志,如果同时显示"1"表示485通讯,显示"2"表示第2路485通讯逆相序逆相序提示符,当发生逆相序时闪烁显示电池容量报警标识1为时钟电池低容量报警标识2为停电抄表电池低容量报警各相电压提示正常情况下“”常显在液晶上,当某相发生失压,“”对应相别闪烁。
断相时“”对应相别消失。
电压均低于临界电压时“”消失(三相三线不显示Ub)各相电流提示电流正常时常显在液晶上,失流时对应相别闪烁,电压均低于临界电压时“”消失(三相三线不显示Ib)编程许可此图出现时表示已进入编程许可状态,240分钟以后或再按一下编程键,“”会消失报警报警提示符,有事件时闪烁实验室状态实验室状态提示符,预留。