威胜电度表说明书资料
- 格式:doc
- 大小:1.20 MB
- 文档页数:20
1 综合介绍1.1概述DTSD341/DSSD331-1型V3.4全电子式多功能三相交流电能表,是湖南威胜电子有限公司历经六年开发研制生产的新一代智能型高科技电能计量产品。
它以本公司专利技术为基础,采用IEC 国际电能表标准和国家有关电能表标准设计和制造。
本产品采用大规模专用集成电路和SMT 电子装联生产工艺,为产品实用性和质量奠定了可靠基础。
本产品可同时计量正、反向有功电量,感、容性无功电量,正、反向有功最大需量,具有四费率。
内部具有时钟芯片进行分时计量,可提供本月、上月和总计用电信息,同时具有为防窃电服务的失压电量和失压时间记录功能。
在接口方面,本产品具有校表用脉冲接口,远动用脉冲接口,抄表用数据通信接口,参数设置、抄表电卡接口,以及预付费、负荷监控用继电器输出接口。
本产品的开发、生产、销售质量保证体系于1996年通过了挪威船级社ISO9001认证,并在1995年获得了电力部首批入网许可证。
1.2工作原理本产品由电压、电流互感器,高精度高速专用模-数转换器(A/D),电能计量专用集成电路,实时时钟,不易挥发数据存储器,大画面液晶显示器,开关量接口,数据通信接口,高性能开关电源等电路模件构成。
电压、电流模拟信号通过互感器、A/D 转换等信号处理电路后,进入专用集成电路进行电能量的计算和各项分析处理,其结果保存在数据存储器中,并随时向外部接口提供信息和进行数据交换,其原理框图如图1所示。
图1 工作原理(以三相四线表为例)1.3规格及主要技术参数1.3.1 规格1.3.2 主要技术参数1.4电能表功能简介1.4.1 电能表的基本类型本公司电能表按功能分为两种基本类型:TH 型和TF 型。
TH 型为双方向电能表,计量正、反有功和感、容性无功电量。
TF 型为单方向电能表,计量正向有功和感、容性无功电量,反向有功计量精度不作保证,仅供防窃电参考。
TF 型电能表反向有功有两种计量方式,分别为反向电量计入正向电量中同时反向电量总量单独计量方式和正、反向单独计量方式。
目录1 综合介绍 (3)1.1 概述 (3)1.2技术参数 (3)2、仪表基本功能 (4)2.1.1显示图解: (5)2.1.2、常用显示代码 (6)3 使用注意事项 (8)4 运输贮存 (9)5.质保条款 (9)DTSD341/DSSD331-U三相电子式多功能电能表1 综合介绍1.1 概述DSSD331/DTSD341型三相三(四)线电子式多功能电能表是威胜集团有限公司研制生产的新一代智能型高科技电能计量产品,符合GB/T17215.321-2008、GB/T17215.322-2008、GB/T17215.323-2008 和DL/T614-2007 等电能表有关标准,采用DL/T645-2007通信规约。
1.2技术参数1.2.1主要技术参数项目 技术要求参比电压 3×220V/380V,3×57.7V/100V, 3×100V 电压测量范围 三相80%Un ~ 120%Un电流测量范围 1%Ib~12Ib主要电流规格 互感器接入式:0.3(1.2)A, 1.5(6)A直通式:5(60)A,10(100)A 准确度等级 有功0.2S级 0.5S级、1级 ; 无功2级工作温度 -25℃~60℃极限工作温度 -40℃~70℃相对湿度 ≤95%(无凝露)频率范围 (50±2.5)Hz启动电流 互感器接入式表:2‰In直通表:4‰Ib功耗 <1.5W,6VAMTBF ≥1×105 h设计寿命 10年时钟误差 ≤0.5 s/d(0℃~+40℃时:±2ppm;-40℃~+85℃时:±3.5ppm)时钟频率 1Hz电池寿命 10年电池连续工作时间 ≥5年1.2.3 光耦脉冲输出脉冲输出宽度 (80±5)ms最大允许通过电流 10mA(DC) 工作电压 5V~24V(DC)1.2.4安装尺寸 外形尺寸长×宽×厚=290mm×170mm×85mm图1:安装尺寸图1.2.5主端子接线图(具体以实物为准)三相四线直接接入式接线图C NB A 765324189电源侧负载侧图2:主端子接线图1.2.6辅助端子接线图(具体以实物为准)图3:辅助端子排列图2、仪表基本功能分时计量功能、跨月结算、监测与事件记录功能、最大需量功能、485与红外通讯功能、低功耗功能、辅助电源功能(可选)、安全权限管理、液晶显示功能2.1液晶显示:2.1.1显示图解:液晶全屏图项目液晶上显示内容含义说明电能数据显示行,显示各种记录数据。
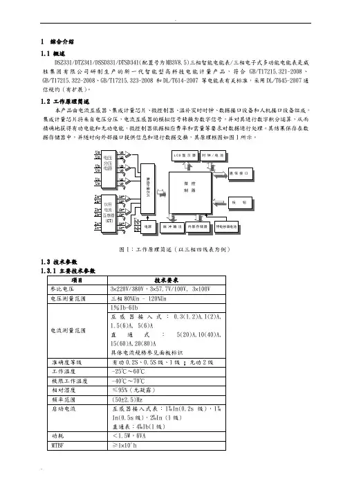
1 综合介绍1.1 概述DSZ331/DTZ341/DSSD331/DTSD341(配置号为MB3V8.5)三相智能电能表/三相电子式多功能电能表是威胜集团有限公司研制生产的新一代智能型高科技电能计量产品,符合GB/T17215.321-2008、GB/T17215.322-2008、GB/T17215.323-2008 和DL/T614-2007 等电能表有关标准,采用DL/T645-2007通信规约(有扩展)。
1.2 工作原理简述本产品由电流互感器、集成计量芯片、微控制器、温补实时时钟、数据接口设备和人机接口设备组成。
集成计量芯片将来自电压分压,电流互感器的模拟信号转换为数字信号,并对其进行数字积分运算,从而精确地获得有功电能和无功电能,微控制器依据相应费率和需量等要求对数据进行处理。
其结果保存在数据存储器中,并随时向外部接口提供信息和进行数据交换,其原理框图如图1所示。
图1:工作原理简述(以三相四线表为例)1.3 技术参数1.3.2 日历时钟(DS3231SN温补时钟)1.3.3 光耦脉冲输出1.3.4 继电器输出本仪表可以选配“报警”继电器。
“报警”辅助端子为继电器的常开触点。
继电器规格为:直流30V/5A或110V/0.3A,交流250V/5A。
1.3.5 其它数据1.3.6 外形和布局(面板参数以实物为准)液晶显示屏按键1#上盖铅封螺钉按键3#底盒端盖铅封螺钉电池盖上面板指示灯端盖上 盒下透镜按键2#图2:外形布局图1.3.7 安装尺寸图3:安装尺寸图1.3.8 主端子接线图图4:接线图注:辅助电源以仪表端盖上接线图为准。
2 仪表主要功能2.1电能计量功能本仪表具有A、B、C各元件和合元的正向有功能、反向有功、四个象限无功这六类基本电能的计量功能,以及组合有功、组合无功1、组合无功2这三类组合电能的计算功能。
组合有功电能可由正反向有功电能进行选择性加减组合,通过修改有功组合方式特征字进行设置。
1综合介绍1.1 概述DTSD341-3、DSSD331-3型全电子式多功能交流电能表是湖南威胜电子有限公司研制生产的新一代智能型高科技电能计量产品。
它以本公司专利技术为基础,采用国际、国家电能表有关标准和DL/T614-1997标准设计制造。
1.2 工作原理简述本产品由电压、电流互感器、高精度高速模数转换器、高速数据处理器、实时时钟、数据接口设备和人机接口设备组成。
在高速数据处理器的控制下,高速模数转换器将来自电压、电流互感器的模拟信号转换为数字信号,并对其进行数字积分运算和误差补偿,从而精确地获得有功电量和无功电量,并依据相应费率和需量等要求对数据进行处理。
其结果保存在数据存储器中,并随时向外部接口提供信息和进行数据交换,其原理框图如图1所示。
图1:工作原理简述(以三相四线表为例)1.3 技术参数1.3.1主要技术参数1.3.2日历时钟1.3.3光耦脉冲输出1.3.4其它数据2仪表主要功能2.1 分时计量本仪表有两种配置:TH及TF型。
TH型为双方向电能表,它可以计量正、反向有功,感、容性无功及四象限无功电能。
TF型为单方向电能表,它可以计量正向有功及感、容性无功电能,反向有功计量精度不作保证,仅供参考。
两种配置的各种电能均可以按最大五种费率时段进行分时计量。
五种时段的名称为:尖、峰、平、谷、脊谷。
时间的设定以年为大周期,一年分为几个时区,每个时区内以天为小周期,一天分为几个时段,每个时段对应一种费率。
对于部颁规约一年最多可设置14个切换时区,最多可有12套不同的时段表,每日的切换数最大为14。
2.2 最大需量TH型电表可计算正、反向有功,感、容性无功最大需量及其出现时间,TF型电表可计算正向有功,感、容性无功最大需量及其出现时间。
两种配置均可以计量五种费率的最大需量及其发生时间。
最大需量的积分周期和滑差步进时间可选择,出厂设置为:周期15分钟,滑差步进时间为1分钟。
2.3 按月统计电量本仪表除给出上述有、无功当前总及分时电量,还给出了上1月到上9月(月数可以设置,默认为3个月,最多为9个月)的电量。
DTSD342-9D说明书尊敬的客户:首先感谢您购买和使用本公司DTSD342-9D三相电子式多功能电能表。
DTSD342-9D是一款三相电力参数实时测量与控制于一体的仪表。
仪表适用于变电站自动化、配变网自动化、小区电力监控、工业自动化、智能型配电盘和开关柜。
销售电话:0731-********1 功能介绍1.1参数测量功能本仪表具有丰富的测量功能,可测量的电网参数和指标如下:(1)各相电压值及平均电压值。
(2)各线电压值及平均线电压值。
(3)各相电流值、平均电流值以及零线电流值。
(4)总和各分相有功功率、无功功率、视在功率。
(5)各分相电压和电流的相角值。
(6)总和各分相的功率因数值。
(7)电网频率,测量范围为45~65Hz。
1.2 电能计量功能本仪表能计量多类电能量数据:(1)组合有功和正反向有功电能。
(2)组合无功和四象限无功电能。
(3)各分相正反向有功电能、组合无功电能。
1.3 需量测量功能(1)需量术语和定义:需量是指规定时间段内的平均功率;在规定时间段内记录需量的最大值就是最大需量。
电流需量是指规定时间段内的平均电流;在规定时间段内记录平均电流的最大值称为电流最大需量。
需量周期是指测量平均功率的连续相等的时间间隔。
滑差时间是指依次递推来测量最大需量的小于需量周期的时间间隔。
需量中间单元是指仪表中计算最大需量时用于临时存放功率值或电流值数据的存储器单元。
需量周期可在5、10、15、30、60min中选择;滑差式需量周期的滑差时间可以在1、2、3、5min 中选择。
需量周期为滑差时间的5的整倍数,滑差数最大为60。
(2)当发生电压线路上电、清零、时钟调整、时段转换等情况时,电能表从当前时刻开始,按照需量周期进行需量测量,当第一个需量周期完成后,按滑差间隔开始最大需量记录。
在一个不完整的需量周期内,不做最大需量的记录。
(3)功率方向改变时,需量中间单元清零。
跨费率时段时,需量中间单元不清零,保证总最大需量计量的连续性。
拟 制:吕斌2005-07-20 图 号:OKRW2.702.277DSS 审 核: 1 概述 1.1 标准DL/T 614-1997 《多功能电能表》GB/T 17883-1999《0.2S 级和0.5S 级静止式交流有功电能表》 GB/T 17882-1999《2级和3级静止式交流无功电能表》 DL/T 645-1997 《多功能电能表通信规约》(威胜公司对此协议有扩展) GB/T 15543-1995《电能质量 三相电压允许不平衡度》 1.2 工作原理DSSD331/DTSD341 -9D 型0.2S 级电能表采用当今世界流行的高档电能表设计方案:DSP +管理MCU ,将DSP 高速数字信号处理功能和高档MCU 完善的管理功能结合。
其基本工作原理如下:16位A/D 转换器和DSP 高速数据处理器对各相电流、电压进行采样。
通过相应的数学计算,由DSP 部分完成对电参量测量、电能累计及电能计算等工作。
计算数据通过高速通信接口与管理MCU 进行数据交换;管理部分采用一款16位MCU ,主要完成显示、数据统计、存储、通信、电表功能选择以及初始化数据设定等工作。
其整表硬件原理框图如图1所示。
1.3 DSSD331/ DTSD341 –9D 型表面板说明电表面板说明详见图2所示。
图2 DSSD331/ DTSD341 –9D型表面板布置图 1 DSSD331/DTSD341 –9D 原理框图1.4 技术参数1.4.11.4.21.4.3脉冲输出参数1.4.4拟制:吕斌2005-07-20 图号:OKRW2.702.277DSS 审核:拟 制:吕斌2005-07-20 图 号:OKRW2.702.277DSS 审 核: 2术语2.1 需量周期(Demand interval ) 测量平均功率的连续相等的时间间隔。
2.2 最大需量(Maximum demand )在指定的时间区间内,需量周期中测得的需量最大值。
1 综合介绍1.1 概述DSSD331/DTSD341型(配置号为MB3V7.4)三相电子式多功能电能表是威胜集团有限公司研制生产的新一代智能型高科技电能计量产品,符合GB/T17215、GB/T17882、GB/T17883 和DL/T614 等电能表有关标准,采用DL/T645通信规约(有扩展)。
1.2 工作原理简述本产品由电流互感器、集成计量芯片、微控制器、温补实时时钟、数据接口设备和人机接口设备组成。
集成计量芯片将来自电压分压,电流互感器的模拟信号转换为数字信号,并对其进行数字积分运算,从而精确地获得有功电量和无功电量,微控制器依据相应费率和需量等要求对数据进行处理。
其结果保存在数据存储器中,并随时向外部接口提供信息和进行数据交换,其原理框图如图1所示。
图1:工作原理简述(以三相四线表为例)1.3 技术参数1.3.4 继电器输出如果选择了负荷控制功能,将配置“报警”及“跳闸”继电器,“报警”及“跳闸”辅助端子为继电器的常开触点。
继电器的开关能力:纯阻性负载的情况下,220V AC ,130mA1.3.6 外形和布局铅封螺钉锁条有功指示灯下面板下透镜上盒带端子的端子排开盖检测按钮光通信口铁芯无功指示灯远红外指示灯报警指示灯上透镜上面板液晶显示屏底盒端盖铅封按钮按钮电池门按钮按钮铅封螺钉1.3.7 安装尺寸1.3.8主端子接线图注:辅助电源为可选功能,具体接线以表计端盖上接线图为准。
2 仪表主要功能2.1 电量分时计量本仪表有两种配置:TH及TF型(由模式字1的b6设置)。
TH型为双方向电能表,它可以计量正、反向有功,4象限无功以及A、B、C各元件有功、无功电量。
TF型为单方向电能表,它可以计量正向有功,4象限无功以及A、B、C各元件有功、无功电量,反向有功计量精度不作保证,仅供参考。
TH型和TF型电能表都能计量2种组合的无功电量,2种组合的无功电量可由4个象限的无功电量任意组合(通过无功组合模式字设置)。
DSSD331/DTSD341(U9)型三相电子式多功能电能表使用说明书11 综合介绍1.1 概述DSSD331/DTSD341(配置号为U9)三相智能电能表/三相电子式多功能电能表是威胜集团有限公司研制生产的新一代智能型高科技电能计量产品,符合GB/T17215.321-2008、GB/T17215.322-2008、GB/T17215.323-2008 和DL/T614-2007 等电能表有关标准,采用DL/T645-2007通信规约(有扩展)。
1.2 工作原理简述本产品由电流互感器、集成计量芯片、微控制器、温补实时时钟、数据接口设备和人机接口设备组成。
集成计量芯片将来自电压分压,电流互感器的模拟信号转换为数字信号,并对其进行数字积分运算,从而精确地获得有功电能和无功电能,微控制器依据相应费率和需量等要求对数据进行处理。
其结果保存在数据存储器中,并随时向外部接口提供信息和进行数据交换,其原理框图如图1所示。
图1:工作原理简述(以三相四线表为例)1.3 技术参数231.3.4 继电器输出本仪表可以选配“报警”继电器。
“报警”辅助端子为继电器的常开触点。
继电器规格为:直流30V/5A 或110V/0.3A ,交流250V/5A 。
1.3.6 外形和布局(面板参数以实物为准)液晶显示屏按键1#上盖铅封螺钉按键3#底盒端盖铅封螺钉电池盖上面板指示灯端盖上 盒下透镜按键2#图2:外形布局图41.3.7 安装尺寸图3:安装尺寸图1.3.8 主端子接线图图4:接线图注:辅助电源以仪表端盖上接线图为准。
2 仪表主要功能2.1电能计量功能本仪表具有A、B、C各元件和合元的正向有功能、反向有功、四个象限无功这六类基本电能的计量功能,以及组合有功、组合无功1、组合无功2这三类组合电能的计算功能。
组合有功电能可由正反向有功电能进行选择性加减组合,通过修改有功组合方式特征字进行设置。
设置方法参见《DL/T 645-2007多功能电能表通讯协议》相关约定。
DTS343-1V7.0 使用说明书1.概述DTS343 型(配置号1V7.0)适用于三相四线交流有功电能计量。
它由电流互感器,电能计量专用芯片,六位步进式机械计度器构成。
它符合国家标准 GB/T17215.321-2008。
本款表可计量正向有功总电量,带有功功率脉冲接口、RS-485 接口(可选)、远红外通信(可选);具有断相故障显示报警功能;具有高可靠稳定性,宽线性范围等特点。
业务咨询电话:0731-2.主要性能指标规格:电压:三相四线:3×220V/380V电流: 1.5(6)A,5(20)A,10(40)A, 15(60)A,20(80)A,30(100)A频率:50Hz准确度:1级(有功)脉冲常数:1.5(6)A 规格取3200imp/kWh,5(20)A 规格取 1600imp/kWh ,10(40)A 规格取800imp/kWh ,10(60)A 、15(60)A规格取400imp/kWh ,20(80)A 、30(100)A规格取 200imp/kWh。
符合标准:GB/T17215.321-2008工作电压范围:0.8Un—1.3Un起动电压:单相≥0.80Un,合相≥0.7Un工作温度范围:-25℃—55℃极限工作温度范围:-35℃—70℃运输及储存温度:-40℃—80℃相对湿度:30%—95%,无凝霜频率范围:47.5Hz~52.5Hz功耗:电压线路功耗:≤1.5W,6VA/相;电流线路功耗:≤0.2VA/相( Ib<10A ),≤0.4VA/相( Ib≥10A)起动:≤2‰In(1级,互感表);≤4‰Ib(1级,直通表)防潜电流:不加冲击电压:6kVDTS343-1V7.0 使用说明书交流电压:4kV电快速瞬变脉冲群:4kVMTBF:6×104小时设计寿命:15年显示:采用六位步进式机械计度器显示总电量,装有有功脉冲及A、B、C断相报警指示灯。
供电电源:三相供电线性电源,单相、断零线或任两相线供电情况下均可工作。
1 综合介绍1.1概述DTSD341/DSSD331-1型V3.4全电子式多功能三相交流电能表,是湖南威胜电子有限公司历经六年开发研制生产的新一代智能型高科技电能计量产品。
它以本公司专利技术为基础,采用IEC 国际电能表标准和国家有关电能表标准设计和制造。
本产品采用大规模专用集成电路和SMT 电子装联生产工艺,为产品实用性和质量奠定了可靠基础。
本产品可同时计量正、反向有功电量,感、容性无功电量,正、反向有功最大需量,具有四费率。
内部具有时钟芯片进行分时计量,可提供本月、上月和总计用电信息,同时具有为防窃电服务的失压电量和失压时间记录功能。
在接口方面,本产品具有校表用脉冲接口,远动用脉冲接口,抄表用数据通信接口,参数设置、抄表电卡接口,以及预付费、负荷监控用继电器输出接口。
本产品的开发、生产、销售质量保证体系于1996年通过了挪威船级社ISO9001认证,并在1995年获得了电力部首批入网许可证。
1.2工作原理本产品由电压、电流互感器,高精度高速专用模-数转换器(A/D),电能计量专用集成电路,实时时钟,不易挥发数据存储器,大画面液晶显示器,开关量接口,数据通信接口,高性能开关电源等电路模件构成。
电压、电流模拟信号通过互感器、A/D 转换等信号处理电路后,进入专用集成电路进行电能量的计算和各项分析处理,其结果保存在数据存储器中,并随时向外部接口提供信息和进行数据交换,其原理框图如图1所示。
图1 工作原理(以三相四线表为例)1.3规格及主要技术参数1.3.1 规格1.3.2 主要技术参数1.4电能表功能简介1.4.1 电能表的基本类型本公司电能表按功能分为两种基本类型:TH 型和TF 型。
TH 型为双方向电能表,计量正、反有功和感、容性无功电量。
TF 型为单方向电能表,计量正向有功和感、容性无功电量,反向有功计量精度不作保证,仅供防窃电参考。
TF 型电能表反向有功有两种计量方式,分别为反向电量计入正向电量中同时反向电量总量单独计量方式和正、反向单独计量方式。
1 综合介绍1.1 概述DSSD331/DTSD341(配置号为9V3.3)型三相电子式多功能电能表是威胜集团有限公司研制生产的新一代智能型高科技电能计量产品,符合GB/T17215.322-2008、GB/T17215.323-2008、Q/OKRW012-2008和DL/T614-2007 等电能表有关标准,采用DL/T645-2007通信规约(有扩展)。
1.2 工作原理简述本产品由电流互感器、TDK6513计量芯片、微处理器、温补实时时钟、数据接口设备和人机接口设备组成。
TDK6513计量芯片将来自电压分压,电流互感器的模拟信号转换为数字信号,并对其进行数字积分运算,从而精确地获得有功电量和无功电量,微处理器依据相应费率和需量等要求对数据进行处理。
其结果保存在数据存储器中,并随时向外部接口提供信息和进行数据交换,其原理框图如图1所示。
图1:工作原理简述(以三相四线表为例)1.3 技术参数1.3.1 主要技术参数拟制:尤勇2010-06-25 图号:OKRW2.702.598SS审核:1.3.2 日历时钟(DS3231SN温补时钟)1.3.3 光耦脉冲输出1.3.4 其它数据拟制:尤勇2010-06-25 图号:OKRW2.702.598SS 审核:拟 制: 尤勇 2010-06-25 图 号:OKRW2.702.598SS 审 核:1.3.5 外形和布局底盒端盖拟 制: 尤勇 2010-06-25 图 号:OKRW2.702.598SS 审 核:1.3.6 安装尺寸2 仪表主要功能2.1 电量分时计量本仪表有两种配置:TH 及TF 型(由模式字1的b6设置)。
TH 型为双方向电能表,它可以计量正、反向有功,4象限无功以及A 、B 、C 各元件有功、无功电量。
TF 型为单方向电能表,它可以计量正向有功,4象限无功以及A 、B 、C 各元件有功、无功电量,反向有功计量精度不作保证,仅供参考。
TH 型和TF 型电能表都计量2种组合的无功电量,2种组合的无功电量可由4个象限的无功电量任意组合(通过无功组合模式字6、模式字7设置)。
威胜IC卡预付费(DDSD101-3Y)电能表操作手册1 本系统实行一表一卡制,每张IC卡只对相应的表有效。
2 当需要购电时,用户持卡到售电部门购电。
购电后将IC卡插入电表(IC卡芯片向左),当电能表峰鸣声,显示剩余电量,表示购电信息已经写入电表后方可拔卡。
3 当电费低于设定的值时,电表会闪烁或跳闸报警,提醒用户尽快购电。
如果电表跳闸,用户可将IC卡插入电表(IC卡反插入,电表将恢复供电)当剩余电费为零时电表自动断电。
4 当用户负荷超过设定的值时,电表会跳闸报警,5分钟后或用户插卡后恢复供电(IC卡反插)。
5 电表平时显示剩余电量,将IC卡反插入电表,电表轮显当前剩余电量,总用电量,当前功率,表号,报警电量,限电功率。
报警信息的处理方法:E01,E04处理方法:更换电表;E10,E40,E50,E60处理方法:售电部门先将卡回收,再重新补相应表号的售电卡插入电表,再重新售电;或将电表清零,重新开户;E20 处理方法:第一种方法:查看电表内部表号,插入相应表号的购电卡;第二种方法:若找不到相应的购电卡,则在各售电部门补相应表号的购电卡插入电表,再进行售电。
E02 重新设置电表参数;E05 处理方法:等待电表中电快用完后再进行售电;E90 处理方法:将电表清零,重新开户;E80 处理方法:售电部门先将卡回收,再重新补相应表号的售电卡插入电表,再重新售电;或将电表清零,重新开户。
IC卡及应用采用SLE4428逻辑加密卡作为传输介质,并对卡上数据采用动态加密,以保证数据传输的安全。
当IC卡插入电表后,如果电表正确处理完毕,电表将闪烁剩余电量并峰鸣一声,提醒用户可以拔出卡。
如果卡有错误导致电表不能正常处理,电表将显示‘Exx’,指示错误类型。
1 清零卡:用于将电表内设置参数及用电数据全部清除,使电表处于清零状态。
该卡必须按下清零与设置保护按钮才能有效。
2开户卡(第一次的用户卡):用于向电表传送设置参数及初始电量,并完成一表一卡的对应工作。
1 综合介绍1.1 概述DTSD341/DSSD331-1型V3.4全电子式多功能三相交流电能表,是湖南威胜电子有限公司历经六年开发研制生产的新一代智能型高科技电能计量产品。
它以本公司专利技术为基础,采用IEC 国际电能表标准和国家有关电能表标准设计和制造。
本产品采用大规模专用集成电路和SMT 电子装联生产工艺,为产品实用性和质量奠定了可靠基础。
本产品可同时计量正、反向有功电量,感、容性无功电量,正、反向有功最大需量,具有四费率。
内部具有时钟芯片进行分时计量,可提供本月、上月和总计用电信息,同时具有为防窃电服务的失压电量和失压时间记录功能。
在接口方面,本产品具有校表用脉冲接口,远动用脉冲接口,抄表用数据通信接口,参数设置、抄表电卡接口,以及预付费、负荷监控用继电器输出接口。
本产品的开发、生产、销售质量保证体系于1996年通过了挪威船级社ISO9001认证,并在1995年获得了电力部首批入网许可证。
1.2工作原理本产品由电压、电流互感器,高精度高速专用模-数转换器(A/D),电能计量专用集成电路,实时时钟,不易挥发数据存储器,大画面液晶显示器,开关量接口,数据通信接口,高性能开关电源等电路模件构成。
电压、电流模拟信号通过互感器、A/D 转换等信号处理电路后,进入专用集成电路进行电能量的计算和各项分析处理,其结果保存在数据存储器中,并随时向外部接口提供信息和进行数据交换,其原理框图如图1所示。
图1 工作原理(以三相四线表为例)1.3规格及主要技术参数1.3.1 规格1.3.2 主要技术参数1.4电能表功能简介1.4.1 电能表的基本类型本公司电能表按功能分为两种基本类型:TH 型和TF 型。
TH 型为双方向电能表,计量正、反有功和感、容性无功电量。
TF 型为单方向电能表,计量正向有功和感、容性无功电量,反向有功计量精度不作保证,仅供防窃电参考。
TF 型电能表反向有功有两种计量方式,分别为反向电量计入正向电量中同时反向电量总量单独计量方式和正、反向单独计量方式。
1概述1.1 产品简介威胜DTSD342(配置号为9N)型三相电子式多功能电能表是一款集测量记录、电能计量、遥信遥控、大屏幕LCD显示和网络通信功能于一体的电力仪表。
本仪表可测量电压、电流、功率、功率因数和频率等多项电网参数;可计量有功和无功电能;RS-485通信接口支持MODBUS-RTU和DL/T645双通信规约;具有开关量输入和输出功能,可配置模拟量变送输出功能。
本仪表广泛适用于变配电自动化系统、工业控制和工业自动化系统、能源管理系统和小区电力监控等场合。
联系电话:5DSSD332/DTSD342(配置号为9N)三相电子式多功能电能表符合以下标准:GB/T17215.301-2007 多功能电能表特殊要求GB/T17215.322-2008 静止式有功电能表(0.2S级和0.5S级)GB/T17215.323-2008 静止式无功电能表(2级和3级)DL/T614-2007 多功能电能表DL/T645-2007 多功能电能表通信规约Modbus-RTU1.2 产品特点本仪表采用了高精度采样计量单元和高速MCU数据处理单元,可实现高精度宽范围准确计量和快速数据分析;采用段码式多行宽视角液晶显示屏,显示内容很丰富;液晶配备白色背光,可满足黑暗环境下查阅数据的要求;采用非易失存储器存储各类数据,可长时间保存数据且掉电不丢失;支持RS485通信端口和工业标准通信规约,组网便捷灵活;选配不同通信模块,可满足多种用户的不同接口需求。
2 技术指标3 功能介绍3.1参数测量功能本仪表具有丰富的测量功能,可测量的电网参数和指标如下:(1)各相电压值及平均电压值。
(2)各线电压值及平均线电压值。
(3)各相电流值、平均电流值以及零线电流值。
(4)总和各分相有功功率、无功功率、视在功率。
(5)各分相电压和电流的相角值。
(6)总和各分相的功率因数值。
(7)电网频率,测量范围为45~65Hz。
3.2 电能计量功能本仪表能计量多类电能量数据:(1)组合有功和正反向有功电能。
1综合介绍1.1 概述DTSD341-3、DSSD331-3型全电子式多功能交流电能表是湖南威胜电子有限公司研制生产的新一代智能型高科技电能计量产品。
它以本公司专利技术为基础,采用国际、国家电能表有关标准和DL/T614-1997标准设计制造。
1.2 工作原理简述本产品由电压、电流互感器、高精度高速模数转换器、高速数据处理器、实时时钟、数据接口设备和人机接口设备组成。
在高速数据处理器的控制下,高速模数转换器将来自电压、电流互感器的模拟信号转换为数字信号,并对其进行数字积分运算和误差补偿,从而精确地获得有功电量和无功电量,并依据相应费率和需量等要求对数据进行处理。
其结果保存在数据存储器中,并随时向外部接口提供信息和进行数据交换,其原理框图如图1所示。
图1:工作原理简述(以三相四线表为例)1.3 技术参数1.3.1主要技术参数1.3.2日历时钟1.3.3光耦脉冲输出1.3.4其它数据2仪表主要功能2.1 分时计量本仪表有两种配置:TH及TF型。
TH型为双方向电能表,它可以计量正、反向有功,感、容性无功及四象限无功电能。
TF型为单方向电能表,它可以计量正向有功及感、容性无功电能,反向有功计量精度不作保证,仅供参考。
两种配置的各种电能均可以按最大五种费率时段进行分时计量。
五种时段的名称为:尖、峰、平、谷、脊谷。
时间的设定以年为大周期,一年分为几个时区,每个时区内以天为小周期,一天分为几个时段,每个时段对应一种费率。
对于部颁规约一年最多可设置14个切换时区,最多可有12套不同的时段表,每日的切换数最大为14。
2.2 最大需量TH型电表可计算正、反向有功,感、容性无功最大需量及其出现时间,TF型电表可计算正向有功,感、容性无功最大需量及其出现时间。
两种配置均可以计量五种费率的最大需量及其发生时间。
最大需量的积分周期和滑差步进时间可选择,出厂设置为:周期15分钟,滑差步进时间为1分钟。
2.3 按月统计电量本仪表除给出上述有、无功当前总及分时电量,还给出了上1月到上9月(月数可以设置,默认为3个月,最多为9个月)的电量。
此时“月”指的是结算周期,它可以是公历月的任意一日:时至下一个公历月的相同日:时,也可以是公历月的月末24点。
2.4 测量功能本仪表测量总及A、B、C各相的电压、电流、有功功率、无功功率、功率因数及电网频率,并且显示功率的方向。
频率的分辨率为0.01Hz,电压、电流、有功功率及无功功率的准确度为1级。
2.5 监控功能记录失压记录:当一相低于78%Un±2V,对应相电流大于30mA时,电表判断此相为失压状态,电表将记录这相的失压累计时间和失压期间内电表所计有功电量,同时电能表液晶上有相应相的字母闪烁。
当此相电压恢复至85%Un±2V后,失压计时停止,失压状态解除,液晶上闪烁的字母消失。
总失压指任一或二相有失压发生的情况。
“全失压”指电表掉电后(PT 不供电),某相电流大于5%Ib,电表将记录为此相全失压,此功能为可选功能。
失流记录:当电表的某相电流小于30mA,电表判断此相为失流,并且将记录此相的失流时间及失流期间有功电量。
显示项目中,总失流指三相电流同时小于30mA的情况。
电流不平衡记录:当电表的三相电流出现不平衡,而且不平衡率大于所设定的限额值时,电表将超限额的时间累计到寄存器中。
事件记录:为方便检查用电情况,记录多种事件的发生时间及当时状态,如:电压过压、失压、失流、电流不平衡超限、清零、清需量、设置参数、设置初始底度、掉电、上电等。
其中过压的条件为当时电压值超过125%Un。
电压合格率记录功能设定电压考核范围上下限以及电压合格范围上下限,电表将逐相按照一分钟平均电压与上下限比较,记录考核范围内A、B、C各相总的运行时间、电压在超上限范围内的A、B、C各相的运行时间及电压在超下限范围内的A、B、C各相的运行时间.负荷控制功能(可选功能):设定有功功率限额,电表将一分钟平均功率与限额比较,当大于时,给出报警信号;当大于限额持续时间大于跳闸延时,将给出跳闸信号。
并且在功率小于限额的持续时间达到合闸延时后,跳闸信号释放。
预付费功能(可选功能)设定剩余电费报警限额及费率,电表将计算剩余电费。
当剩余电费小于报警限额时,电表将给出报警信号,并且显示欠费。
当剩余电费为零时,电表将给出跳闸信号。
通过国际通用IC卡将实现购电功能。
2.6 脉冲输出与通信接口本仪表面板上装有两个红色LED及红外光指示灯输出有功、无功功率脉冲,输出脉冲常数可设定。
出厂常规设定为:脉冲常数:对3×1.5(6)A,3×220/380V的表,脉冲常数为2000imp/kW·h、2000imp/kvar·h。
对3×1.5(6)A,3×100V(或3×57.7/100V)的表,脉冲常数为5000imp/kW·h、5000imp/kvar·h。
可用光电头进行仪表误差检验。
本仪表辅助端子接有正、反向有功,感、容性无功四路光耦空接点脉冲输出,可接RTU等终端设备。
同时,表计正面小门内有园形功率脉冲输出接口,配合本公司专用验表线用于实验室及现场仪表误差检验。
本仪表配置有标准的RS485及红外光数据通信接口,数据通信协议为电力部部颁通信协议DL/T645-1997,并且扩充、完善了负荷曲线记录数据抄读、事件记录等部分协议。
RS485接口总线最多连接64块电表,通信距离最远1.2km 。
2.7 负荷曲线记录功能电表可通过串行接口进行“负荷曲线记录模式”及“负荷曲线记录起始时间”设定,选择六类数据进行定时记录,以便用户绘制负荷曲线。
六类数据的内容是:(1)A 、B 、C 各相电压、电流,电网频率;(2)总及A 、B 、C 各相有、无功功率、功率方向;(3)总及A 、B 、C 各相功率因数;(4)正向有功、感性无功、反向有功、容性无功总电量;(5)四象限无功总电量;(6)当前有、无功电量。
记录这六类数据的最小时间间隔为5分钟。
六类数据的记录与否可以设定,六类数据的记录间隔也可以分别设定。
当电表时钟走过“负荷记录起始时间”,电表即按已设定的间隔记录所设的类型的数据,注:记录间隔应设置为可被1440整除,否则无效。
负荷曲线数据的存储容量为48KB 字节。
每类数据占用的存储空间为:公式为:每天次数每类字节数存储天数⨯⨯=∑611024482.8 数据通信协议可选本仪表吸附式红外通信口数据通信协议为《DL/T645多功能电能表通信规约》,RS485串行口数据通信协议有两种:《DL/T645多功能电能表通信规约》和《威胜通信规约》,平时电表默认为《DL/T645多功能电能表通信规约》,可根据用户要求进行选择。
RS485口数据通信选择《威胜通信规约》时,对于《威胜通信规约》中已作规定,而电表不具备的项目时,电表有应答,且做“错误应答命令”处理。
3代码和符号说明3.1 面板说明(见图2、图3)图2:面板各部分名称图3:液晶全屏显示画面3.2 液晶显示符号说明3.3 代码说明中的内容,不同的组合数字代表的含义不同。
如:“00001”代表总正向尖峰有功电量,“10000”代表总正向有功最大需量,“30000”代表当前有功功率等。
3.4 显示内容图例3.5 显示内容说明(其中:T=0~5 表示总、尖峰、峰、平、谷、脊谷; V=0~3,表示当前及上3个月;P=0~3,表示总、A、B、C相。
) “√”表示有此功能,“╳”无此功能,“δ”4使用方法4.1 安装安装电表按图示进行,并且在接线后将端盖铅封。
必须严格按照电表端盖后所贴的接线图接线;接线通电后,可以检查电表显示的电压、电流、有功功率、无功功率的显示数值及极性,同时查看故障显示画面,以判断接线及表计运行情况。
4.2 电表显示循环显示:上电后液晶屏进入循环显示状态,每隔设定间隔将自动更换一屏数据。
按钮切换显示:在循环显示下,按动1#按钮,电表将闪烁显示,00000”,按动1#按钮显示代码的第一位加1,进行显示量类别的选择。
当按到8后,再按一次即回到循环显示状态。
按动2#按钮显示代码的第二位加1,显示各存储月电量数据;按动3#按钮依次显示有功、无功的各费率数据。
设定参数显示:在循环显示状态下,按下小门后4#按钮,电表将进行设定参数显示,显示代码为“80010”后的参数及时段参数,每按动一下4#按钮,显示代码加1,依次显示电表的各个参数。
全部参数显示完后,回到循环显示。
故障显示:电表在运行中自动进行自检,故障显示画面显示自检结果。
显示为:“EE-××××”。
××××代码的含义为:0000:无错误;0001:A/D故障;0002:内部E2PROM故障;0003:时钟故障;0004:内部电池欠压;0005:外部电池欠压;0006:内部E2PROM 数据错误;0007:电压逆相序;0009:电压过压。
停电抄表:当电表停电后需抄表时,按动3#按钮,电表将出现全显画面,之后按设定项目及间隔进行循环显示。
显示完后回到“黑屏”状态。
注意:在按钮切换状态下,三分钟内无按钮操作,将自动返回循环显示状态。
4.3 最大需量和电量结算自动结算每个结算日的结算时刻(可设定,出厂常规设定为1日的零点,即:前一月末24点)电表自动进行结算。
而各月各费率段最大需量值、发生日期自动存入前一个月,并且当前值清零;当前各费率段电量值存入上月,而其他各月电量转存入前一个月。
最大需量手动复位通过RS485或红外通信口发出清需量命令,电表将当前最大需量清零。
4.4 电表清零、设置参数、对时及设置通信地址电表在出厂前已进行了清零、对时、参数设置等工作,但用户在安装前可能仍要进行这些工作。
以上工作均需要通过光通信口或RS485口,使用PC机或手抄器运行相应软件来进行。
注意在设置电表通信地址时需按住2#按钮,直到设置成功。
在对电表清零时,需按住4#按钮,直到清零成功。
用户设置参数时需进行密码校对,修改密码时,需按住4#按钮,直到密码修改成功。
4.5 电池更换个位于电表内部,用于停电后提供时钟运行,另一个放置在外部的电表小门电池盒中,用于停电后维持电表低功耗工作。
两个电池中的一个欠压或不接,都会引起电池欠压报警。
为了判断是哪个电池欠压,请查看错误显示画面判断。
对于内部电池问题,用户需及时通知厂家解决处理。
对于外部电池问题,用户可以按如下方法更换电池:➢将电池盒盖缓慢向逆时针拧30度到正中位置,电池盖将被弹出;➢取出电池,并且将新电池放入(正极在外);➢将电池盖压入,同时顺时针拧紧。
注意:更换外部电池,应在电表有电的情况下进行,否则会造成电池功耗加大,电表停电抄表功能不正常。