DSZ331使用说明书
- 格式:doc
- 大小:4.81 MB
- 文档页数:29
1 综合介绍1.1 概述DTSD341-3、DSSD331-3型全电子式多功能交流电能表是湖南威胜电子有限公司研制生产的新一代智能型高科技电能计量产品。
它以本公司专利技术为基础,采用国际、国家电能表有关标准和DL/T614-1997标准设计制造。
1.2 工作原理简述本产品由电压、电流互感器、高精度高速模数转换器、高速数据处理器、实时时钟、数据接口设备和人机接口设备组成。
在高速数据处理器的控制下,高速模数转换器将来自电压、电流互感器的模拟信号转换为数字信号,并对其进行数字积分运算和误差补偿,从而精确地获得有功电量和无功电量,并依据相应费率和需量等要求对数据进行处理。
其结果保存在数据存储器中,并随时向外部接口提供信息和进行数据交换,其原理框图如图1所示。
图1:工作原理简述(以三相四线表为例)1.3 技术参数1.3.1主要技术参数1.3.2日历时钟1.3.3光耦脉冲输出1.3.4其它数据22.1 分时计量本仪表有两种配置:TH及TF型。
TH型为双方向电能表,它可以计量正、反向有功,感、容性无功及四象限无功电能。
TF型为单方向电能表,它可以计量正向有功及感、容性无功电能,反向有功计量精度不作保证,仅供参考。
两种配置的各种电能均可以按最大五种费率时段进行分时计量。
五种时段的名称为:尖、峰、平、谷、脊谷。
时间的设定以年为大周期,一年分为几个时区,每个时区内以天为小周期,一天分为几个时段,每个时段对应一种费率。
对于部颁规约一年最多可设置14个切换时区,最多可有12套不同的时段表,每日的切换数最大为14。
两种配置的感、容无功计量方式均可以按感性无功为1、2象限之和,容性无功为3、4象限之和或感性无功为1、4象限之和,容性无功为2、3象限之和进行选择。
2.2 最大需量TH型电表可计算正、反向有功,感、容性无功最大需量及其出现时间,TF型电表可计算正向有功,感、容性无功最大需量及其出现时间。
两种配置均可以计量五种费率的最大需量及其发生时间,。
1 综合介绍1.1 概述DSZ331/DTZ341(配置号为B1V1.2)三相三线/三相四线智能电能表是威胜集团有限公司研制生产的新一代智能型高科技电能计量产品,符合GB/T17215.321-2008、GB/T17215.322-2008、GB/T17215.323-2008 和DL/T614-2007 等电能表有关标准,采用DL/T645-2007通信规约(有扩展)。
1.2 工作原理简述本产品由电流互感器、集成计量芯片、微控制器、温补实时时钟、数据接口设备和人机接口设备组成。
集成计量芯片将来自电压分压,电流互感器的模拟信号转换为数字信号,并对其进行数字积分运算,从而精确地获得有功电能和无功电能,微控制器依据相应费率和需量等要求对数据进行处理。
其结果保存在数据存储器中,并随时向外部接口提供信息和进行数据交换,其原理框图如图1所示。
图1:工作原理简述(以三相四线表为例)1.3 技术参数拟制:扶小飞2011-06-24 图号:OKRW2.702.635SS审核:1.3.4 继电器输出本仪表可以选配“报警”继电器。
“报警”辅助端子为继电器的常开触点。
继电器规格为:直流30V/5A或110V/0.3A,交流250V/5A。
拟制:扶小飞2011-06-24 图号:OKRW2.702.635SS 审核:拟 制: 扶小飞 2011-06-24 图 号:OKRW2.702.635SS 审 核:1.3.6 外形和布局(面板参数以实物为准)液晶显示屏按键1#上盖铅封螺钉按键3#底盒端盖铅封螺钉电池盖上面板指示灯端盖上 盒下透镜按键2#图2:外形布局图1.3.7 安装尺寸图3:安装尺寸图1.3.8 主端子接线图图4:接线图拟制:扶小飞2011-06-24 图号:OKRW2.702.635SS 审核:注:辅助电源以仪表端盖上接线图为准。
2 仪表主要功能2.1电能计量功能本仪表具有A、B、C各元件和合元的正向有功能、反向有功、四个象限无功这六类基本电能的计量功能,以及组合有功、组合无功1、组合无功2这三类组合电能的计算功能。
1 综合介绍1.1 概述DSZ331/DTZ341(配置号为B1V1.2)三相三线/三相四线智能电能表是威胜集团有限公司研制生产的新一代智能型高科技电能计量产品,符合GB/T17215.321-2008、GB/T17215.322-2008、GB/T17215.323-2008 和DL/T614-2007 等电能表有关标准,采用DL/T645-2007通信规约(有扩展)。
1.2 工作原理简述本产品由电流互感器、集成计量芯片、微控制器、温补实时时钟、数据接口设备和人机接口设备组成。
集成计量芯片将来自电压分压,电流互感器的模拟信号转换为数字信号,并对其进行数字积分运算,从而精确地获得有功电能和无功电能,微控制器依据相应费率和需量等要求对数据进行处理。
其结果保存在数据存储器中,并随时向外部接口提供信息和进行数据交换,其原理框图如图1所示。
图1:工作原理简述(以三相四线表为例)1.3 技术参数拟制:扶小飞2011-06-24 图号:OKRW2.702.635SS审核:1.3.4 继电器输出本仪表可以选配“报警”继电器。
“报警”辅助端子为继电器的常开触点。
继电器规格为:直流30V/5A或110V/0.3A,交流250V/5A。
拟制:扶小飞2011-06-24 图号:OKRW2.702.635SS 审核:拟 制: 扶小飞 2011-06-24 图 号:OKRW2.702.635SS 审 核:1.3.6 外形和布局(面板参数以实物为准)液晶显示屏按键1#上盖铅封螺钉按键3#底盒端盖铅封螺钉电池盖上面板指示灯端盖上 盒下透镜按键2#图2:外形布局图1.3.7 安装尺寸图3:安装尺寸图1.3.8 主端子接线图图4:接线图拟制:扶小飞2011-06-24 图号:OKRW2.702.635SS 审核:注:辅助电源以仪表端盖上接线图为准。
2 仪表主要功能2.1电能计量功能本仪表具有A、B、C各元件和合元的正向有功能、反向有功、四个象限无功这六类基本电能的计量功能,以及组合有功、组合无功1、组合无功2这三类组合电能的计算功能。
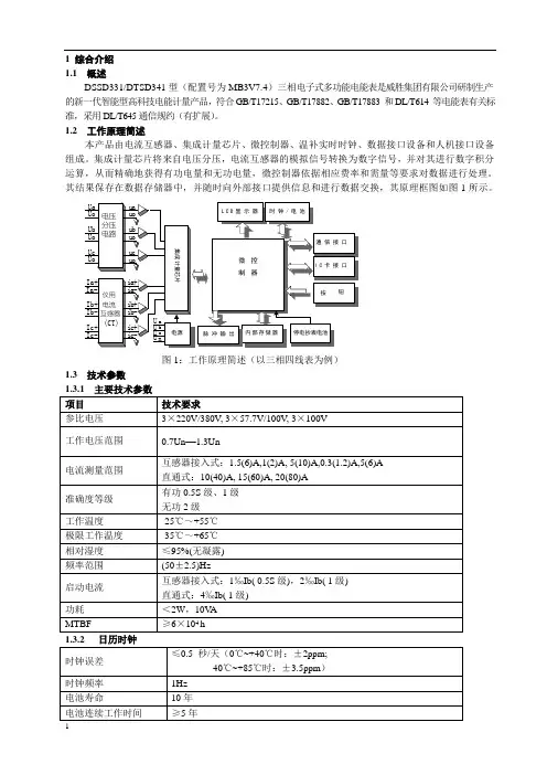
1 综合介绍1.1 概述DSSD331/DTSD341型(配置号为MB3V7.4)三相电子式多功能电能表是威胜集团有限公司研制生产的新一代智能型高科技电能计量产品,符合GB/T17215、GB/T17882、GB/T17883 和DL/T614 等电能表有关标准,采用DL/T645通信规约(有扩展)。
1.2 工作原理简述本产品由电流互感器、集成计量芯片、微控制器、温补实时时钟、数据接口设备和人机接口设备组成。
集成计量芯片将来自电压分压,电流互感器的模拟信号转换为数字信号,并对其进行数字积分运算,从而精确地获得有功电量和无功电量,微控制器依据相应费率和需量等要求对数据进行处理。
其结果保存在数据存储器中,并随时向外部接口提供信息和进行数据交换,其原理框图如图1所示。
图1:工作原理简述(以三相四线表为例)1.3 技术参数1.3.4 继电器输出如果选择了负荷控制功能,将配置“报警”及“跳闸”继电器,“报警”及“跳闸”辅助端子为继电器的常开触点。
继电器的开关能力:纯阻性负载的情况下,220V AC ,130mA1.3.6 外形和布局铅封螺钉锁条有功指示灯下面板下透镜上盒带端子的端子排开盖检测按钮光通信口铁芯无功指示灯远红外指示灯报警指示灯上透镜上面板液晶显示屏底盒端盖铅封按钮按钮电池门按钮按钮铅封螺钉1.3.7 安装尺寸1.3.8主端子接线图注:辅助电源为可选功能,具体接线以表计端盖上接线图为准。
2 仪表主要功能2.1 电量分时计量本仪表有两种配置:TH及TF型(由模式字1的b6设置)。
TH型为双方向电能表,它可以计量正、反向有功,4象限无功以及A、B、C各元件有功、无功电量。
TF型为单方向电能表,它可以计量正向有功,4象限无功以及A、B、C各元件有功、无功电量,反向有功计量精度不作保证,仅供参考。
TH型和TF型电能表都能计量2种组合的无功电量,2种组合的无功电量可由4个象限的无功电量任意组合(通过无功组合模式字设置)。
DSSD331/DTSD341(U9)型三相电子式多功能电能表使用说明书11 综合介绍1.1 概述DSSD331/DTSD341(配置号为U9)三相智能电能表/三相电子式多功能电能表是威胜集团有限公司研制生产的新一代智能型高科技电能计量产品,符合GB/T17215.321-2008、GB/T17215.322-2008、GB/T17215.323-2008 和DL/T614-2007 等电能表有关标准,采用DL/T645-2007通信规约(有扩展)。
1.2 工作原理简述本产品由电流互感器、集成计量芯片、微控制器、温补实时时钟、数据接口设备和人机接口设备组成。
集成计量芯片将来自电压分压,电流互感器的模拟信号转换为数字信号,并对其进行数字积分运算,从而精确地获得有功电能和无功电能,微控制器依据相应费率和需量等要求对数据进行处理。
其结果保存在数据存储器中,并随时向外部接口提供信息和进行数据交换,其原理框图如图1所示。
图1:工作原理简述(以三相四线表为例)1.3 技术参数231.3.4 继电器输出本仪表可以选配“报警”继电器。
“报警”辅助端子为继电器的常开触点。
继电器规格为:直流30V/5A 或110V/0.3A ,交流250V/5A 。
1.3.6 外形和布局(面板参数以实物为准)液晶显示屏按键1#上盖铅封螺钉按键3#底盒端盖铅封螺钉电池盖上面板指示灯端盖上 盒下透镜按键2#图2:外形布局图41.3.7 安装尺寸图3:安装尺寸图1.3.8 主端子接线图图4:接线图注:辅助电源以仪表端盖上接线图为准。
2 仪表主要功能2.1电能计量功能本仪表具有A、B、C各元件和合元的正向有功能、反向有功、四个象限无功这六类基本电能的计量功能,以及组合有功、组合无功1、组合无功2这三类组合电能的计算功能。
组合有功电能可由正反向有功电能进行选择性加减组合,通过修改有功组合方式特征字进行设置。
设置方法参见《DL/T 645-2007多功能电能表通讯协议》相关约定。
1 综合介绍1.1 概述DSSD331/DTSD341型(配置号为MB3V7.4)三相电子式多功能电能表是威胜集团有限公司研制生产的新一代智能型高科技电能计量产品,符合GB/T17215、GB/T17882、GB/T17883 和DL/T614 等电能表有关标准,采用DL/T645通信规约(有扩展)。
1.2 工作原理简述本产品由电流互感器、集成计量芯片、微控制器、温补实时时钟、数据接口设备和人机接口设备组成。
集成计量芯片将来自电压分压,电流互感器的模拟信号转换为数字信号,并对其进行数字积分运算,从而精确地获得有功电量和无功电量,微控制器依据相应费率和需量等要求对数据进行处理。
其结果保存在数据存储器中,并随时向外部接口提供信息和进行数据交换,其原理框图如图1所示。
L C D显示器Ia+Ia-Ib+ Ib-Ic+ Ic-仪用电流互感器(CT)ia-ia+ib-ib+ic-ic+微控制器UaUb Uo Uc Uo 电压分压电路Uo uauouououbuc通信接口I C卡接口内部存储器时钟/电池脉冲输出按钮集成计量芯片停电抄表电池电源aUbUUUcn图1:工作原理简述(以三相四线表为例)1.3 技术参数项目技术要求参比电压3×220V/380V, 3×57.7V/100V, 3×100V 工作电压范围0.7Un—1.3Un电流测量范围互感器接入式:1.5(6)A,1(2)A, 5(10)A,0.3(1.2)A,5(6)A 直通式:10(40)A, 15(60)A, 20(80)A准确度等级有功0.5S级、1级无功2级工作温度-25℃~+55℃极限工作温度-35℃~+65℃相对湿度≤95%(无凝露) 频率范围(50±2.5)Hz启动电流互感器接入式:1‰Ib( 0.5S级),2‰Ib( 1级) 直通式:4‰Ib( 1级)功耗<2W,10V A MTBF ≥6×104 h时钟误差≤0.5 秒/天(0℃~+40℃时:±2ppm;-40℃~+85℃时:±3.5ppm)时钟频率1Hz 电池寿命10年电池连续工作时间 ≥5年脉冲输出常数出厂设置以表计面板标识为准。
三相三四线智能电能表使用说明指导书1 综合介绍1.1 概述DSZ331/DTZ341三相三线/三相四线智能电能表是威胜集团有限公司研制生产的新一代智能型高科技电能计量产品,符合GB/T17215.321-2008、GB/T17215.322-2008、GB/T17215.323-2008 和DL/T614-2007 等电能表有关标准,采用DL/T645-2007通信规约(有扩展)。
1.2 工作原理简述本产品由电流互感器、集成计量芯片、微控制器、温补实时时钟、数据接口设备和人机接口设备组成。
集成计量芯片将来自电压分压,电流互感器的模拟信号转换为数字信号,并对其进行数字积分运算,从而精确地获得有功电能和无功电能,微控制器依据相应费率和需量等要求对数据进行处理。
其结果保存在数据存储器中,并随时向外部接口提供信息和进行数据交换,其原理框图如图1所示。
拟制:扶小飞2011-06-24 图号:OKRW2.702.635SS审核:拟 制: 扶小飞 2011-06-24 图 号:OKRW2.702.635SS 审 核:L C D 显示器Ia+Ia-Ib+Ib-Ic+Ic-仪用电流互感器(CT)ia-ia+ib-ib+ic-ic+ 微控制器Ua Ub Uo Uc Uo 电压分压电路Uo uauo uo uoubuc 通信接口内部存储器时钟/电池脉冲输出按钮集成计量芯片停电抄表电池电源aU bU U U c n图1:工作原理简述(以三相四线表为例)1.3 技术参数1.3.1 主要技术参数项目 技术要求参比电压 3×220V/380V ,3×57.7V /100V , 3×100V电压测量范围 三相80%Un ~120%Un电流测量范围 1%Ib~6Ib互感器接入式:0.3(1.2)A,1(2)A,1.5(6)A, 5(6)A直通式:5(20)A,10(40)A,拟 制: 扶小飞 2011-06-24 图 号:OKRW2.702.635SS 审 核:15(60)A,20(80)A具体电流规格参见面板标识准确度等级 有功0.2S 、0.5S 级、1级 ; 无功2级工作温度 -25℃~60℃极限工作温度-40℃~70℃相对湿度 ≤95%(无凝露)频率范围 (50±2.5)Hz启动电流 互感器接入式表:1‰In(0.2s 级),1‰In(0.5s 级),2‰In(1级)直通表:4‰Ib(1级)功耗 <1.5W ,6VAMTBF ≥1×105 h设计寿命 10年拟 制: 扶小飞 2011-06-24 图 号:OKRW2.702.635SS 审 核:1.3.2 日历时钟 (DS3231SN 温补时钟) 时钟误差 ≤0.5 s/d (0℃~+40℃时:±2ppm;-40℃~+85℃时:±3.5ppm )时钟频率 1Hz电池寿命 10年电池连续工作时间≥5年1.3.3 光耦脉冲输出脉冲输出常数 出厂设置以仪表面板标识为准。
拟 制:吕斌2005-07-20 图 号:OKRW2.702.277DSS 审 核: 1 概述 1.1 标准DL/T 614-1997 《多功能电能表》GB/T 17883-1999《0.2S 级和0.5S 级静止式交流有功电能表》 GB/T 17882-1999《2级和3级静止式交流无功电能表》 DL/T 645-1997 《多功能电能表通信规约》(威胜公司对此协议有扩展) GB/T 15543-1995《电能质量 三相电压允许不平衡度》 1.2 工作原理DSSD331/DTSD341 -9D 型0.2S 级电能表采用当今世界流行的高档电能表设计方案:DSP +管理MCU ,将DSP 高速数字信号处理功能和高档MCU 完善的管理功能结合。
其基本工作原理如下:16位A/D 转换器和DSP 高速数据处理器对各相电流、电压进行采样。
通过相应的数学计算,由DSP 部分完成对电参量测量、电能累计及电能计算等工作。
计算数据通过高速通信接口与管理MCU 进行数据交换;管理部分采用一款16位MCU ,主要完成显示、数据统计、存储、通信、电表功能选择以及初始化数据设定等工作。
其整表硬件原理框图如图1所示。
1.3 DSSD331/ DTSD341 –9D 型表面板说明电表面板说明详见图2所示。
图2 DSSD331/ DTSD341 –9D型表面板布置图 1 DSSD331/DTSD341 –9D 原理框图1.4 技术参数1.4.11.4.21.4.3脉冲输出参数1.4.4拟制:吕斌2005-07-20 图号:OKRW2.702.277DSS 审核:拟 制:吕斌2005-07-20 图 号:OKRW2.702.277DSS 审 核: 2术语2.1 需量周期(Demand interval ) 测量平均功率的连续相等的时间间隔。
2.2 最大需量(Maximum demand )在指定的时间区间内,需量周期中测得的需量最大值。
MODEL331型H2S分析仪操作和安装手册目录1介绍--------------------------------------------------------------------3 2说明--------------------------------------------------------------------3 3操作原理----------------------------------------------------------------3 4安装和启动--------------------------------------------------------------5 4.1选择取样点------------------------------------------------------------5 4.2取样的量和流速--------------------------------------------------------5 4.3样气状态--------------------------------------------------------------5 4.3.2稀释面板------------------------------------------------------------7 4.3.3测量总硫选项--------------------------------------------------------8 4.3.4测总硫的预检和启动--------------------------------------------------8 4.4安装程序-------------------------------------------------------------11 4.5喷射口的安装---------------------------------------------------------12 5操作界面---------------------------------------------------------------13 6标定和报警-------------------------------------------------------------14 7纸带更换---------------------------------------------------------------15 8用户连接---------------------------------------------------------------16 9维护和故障处理---------------------------------------------------------18 10推荐的备件清单--------------------------------------------------------19 11可选择电脑图形界面GUI------------------------------------------------20 12图片------------------------------------------------------------------25 13转换因素--------------------------------------------------------------27 14工厂标定数据----------------------------------------------------------27 15系统图----------------------------------------------------------------27图表目录图1:样气流动示意图------------------------------------------------------4图2:取样室和部件--------------------------------------------------------4图3:传感器模块和芯片----------------------------------------------------5图4:典型的隔膜取样系统,c/w自动螺线管标定------------------------------6图5:典型的带过滤的取样系统---------------------------------------------6图6:纸带盘的背面图-----------------------------------------------------7图7:稀释的取样系统,在16"*24"的面板上---------------------------------7图8:Model331总硫分析仪和流程示意图------------------------------------8图9:反应炉的泄漏检查----------------------------------------------------9图10:更换反应管--------------------------------------------------------10图11:喷射器连接--------------------------------------------------------13图13:纸带更换程序------------------------------------------------------16图14:旁路和菜单---------------------------------------------------------14图15:卷轴按钮-----------------------------------------------------------14图16:控制电路板---------------------------------------------------------17图17:4-20mA电源选择-----------------------------------------------------17图19:继电器输出原理图---------------------------------------------------18表1:备件----------------------------------------------------------------19图20:通讯线缆-----------------------------------------------------------20图21:主板---------------------------------------------------------------25图22:显示板-------------------------------------------------------------26图23:传感器输入板-------------------------------------------------------26图24:纸带内部台板-------------------------------------------------------27表2:H2S测量时常用的单位换算---------------------------------------------271.介绍331型H2S分析仪通过软件和硬件的配置,能够测量气体和液体中的宽范围高浓度的H2S 含量。
SINGLE GENERAL PURPOSE LOW VOLTAGE COMPARATORDescriptionThe AZV331 is a low voltage 2.5V to 5.5V, single comparator, which has a very low supply current of 60µA, making the part an excellent choice for portable electronic systems. The device is pin-for-pin compatible replacement of the LMV331.The AZV331 is built with BiCMOS process with bipolar input and output stages for improved noise performance. It is a cost-effective solution for portable consumer products where space, low voltage, low power and price are the primary specification in circuit design. The AZV331 is available in space saving SC-70-5 and SOT-23-5 packages, the SC-70-5 is approximately half the size of the SOT-23-5.Features∙Guaranteed 2.5V to 5.5V Performance ∙Industrial Temperature Range: -40ºC to 85ºC ∙Low Supply Current: 60µA Typical∙Input Common Mode Voltage Range Includes Ground ∙Low Output Saturation Voltage 200mV Typical ∙Open Collector Output for Maxima Flexibility ∙Space Saving SC-70-5 and SOT-23-5 PackagesPin AssignmentsKS/K Package (SC-70-5/SOT-23-5)Applications∙Notebook and PDA∙Low Power, Low Voltage Applications ∙General Purpose Portable Devices ∙MobileCommunication ∙Battery-PoweredSystems Typical Applications CircuitBasic Comparator Driving CMOS/TTL12345IN+V EE IN-V CCOUTPUT +V IN+V V O+5.0VTypical Applications Circuit (Cont.)One Shot Multivibrator Squarewave OscillatorFunctional Block DiagramV O+V INV OAbsolute Maximum Ratings (Note 1)Unit Symbol Parameter RatingVoltage6VSupplyV CC PowerT J Operation Junction Temperature 150 ºCT STG Storage Temperature Range -65 to 150 ºCT LEAD Lead Temperature (Soldering, 10 Seconds) 260 ºCModel)300V(MachineESDESD (Human Body Model) 4000 VNote 1: Stresses greater than those listed under “Absolute Maximum Ratings” may cause permanent damage to the device. These are stressratings only, and functional operation of the device at these or any other conditions beyond those indicated under “Recommended Operating Conditions” is not implied. Exposure to “Absolute Maximum Ratings” for extended periods may affect device reliability.Recommended Operating ConditionsSymbol Parameter MinUnitMaxVoltage 2.5 5.5V V CC SupplyT A Ambient Operating Temperature Range -40 85 ºCElectrical CharacteristicsAZV331-2.7V DC Electrical Characteristics (Limits in standard typeface are guaranteed for T A =25ºC, V CC =2.7V, V EE =0V,R L =5.1k Ω connected to V CC and V CM =0, bold typeface applies over full temperature ranges, unless otherwise specified.)Symbol ParameterConditions Min Typ Max UnitV OS Input Offset Voltage1.7 7mV 9TCV OS Input Offset Voltage Average Drift5µV/ºC I BInput Bias CurrentI IN + or I IN - with output inlinear range, V CM =0V 10 250nA400I IO Input Offset Current I IN + - I IN -, V CM =0V5 50nA150V SAT Saturation Voltage I SINK ≤1mA 200mV500I SINK Output Sink CurrentV O ≤1.5V5 23 mAV CM Input Common-Mode VoltageRange -0.1 2VI CC Supply Current40 100µA 150I LEAKAGEOutput Leakage Current0.003µAAZV331-2.7V AC Electrical Characteristics (All limits are guaranteed for T A =25ºC, V CC =2.7V, V EE =0V, R L =5.1k Ωconnected to V CC and V CM =0, unless otherwise specified.)Symbol ParameterConditionsMin Typ Max Unit T PHLPropagation Delay (High to Low)Input Overdrive =10mV 1000nsInput Overdrive=100mV 350 T PLH Propagation Delay (Low to High) Input Overdrive=10mV 500 nsInput Overdrive=100mV400Electrical Characteristics (Cont.)AZV331-5V DC Electrical Characteristics (Limits in standard typeface are guaranteed for T A =25ºC, V CC =5V, V EE =0V,R L =5.1k Ω connected to V CC and V CM =0, bold typeface applies over full temperature ranges, unless otherwise specified.)Symbol ParameterConditions Min Typ Max UnitV OS Input Offset Voltage1.7 7mV 9TCV OS Input Offset Voltage Average Drift5µV/ºC I BInput Bias CurrentI IN + or I IN - with output inlinear range, V CM =0V 25 250nA400I IO Input Offset Current I IN + - I IN -, V CM =0V2 50nA150V SAT Saturation Voltage I SINK ≤4mA 200 400mV500 I SINK Output Sink CurrentV O ≤1.5V10 84 mAV CM Input Common-Mode VoltageRange -0.1 4.2V A V Voltage Gain 2050V/mV I CC Supply Current60 120µA 150I LEAKAGEOutput Leakage Current0.003µAAZV331-5V AC Electrical Characteristics (All limits are guaranteed for T A =25ºC, V CC =5V, V EE =0V, R L =5.1k Ω connected toV CC and V CM =0, unless otherwise specified.)Symbol ParameterConditionsMin Typ Max Unit T PHLPropagation Delay (High to Low)Input Overdrive =10mV 600nsInput Overdrive=100mV 200 T PLH Propagation Delay (Low to High) Input Overdrive=10mV 450 nsInput Overdrive=100mV300Performance Characteristics (@T A =25ºC, unless otherwise specified.)Supply Current vs. Supply VoltageSupply Current vs. Supply VoltageSupply Current vs. TemperatureSupply Current vs. TemperatureOutput Voltage vs. Output Sink Current Output Voltage vs. Output Sink CurrentSupply Voltage (V)102030405060708090100S u p p l y C u r r e n t (μA )Supply Voltage (V)35404550556065707580S u p p l y C u r r e n t (μA )Temperature (O C)354045505560657075S u p p l y C u r r e n t (μA )Temperature (O C)102030405060708090100O u p u t V o l t a g e (V )Output Sink Current (mA)05101520253035404550550.000.250.500.751.001.251.501.752.002.252.502.75O u t p u t V o l t a g e (V )Output Sink Current (mA)Performance Characteristics (Cont. @T A =25ºC, unless otherwise specified.)Propagation Delay vs. TemperaturePropagation Delay vs. Input Overdrive VoltagePropagation Delay vs. Load CapacitorsSaturation Voltage vs. Case TemperatureResponse Time for Positive Transition Response Time for Negative Transition1002003004005006007008009001000P r o p a g a t i o n D e l a y (n S )Load Capacitor (pF)100120140160180200220240260280S a t u r a t i o n V o l t a g e (m V )Case Temperature (0C)150160170180190200210220230240250260270280290300310320330340350P r o p a g a t i o n D e l a y (n S )Case Temperature (oC)0.00.51.01.52.02.53.03.54.0P r o p a g a t i o n D e l a y (μS )Input Overdrive Voltage (mV)Performance Characteristics (Cont. @T A=25ºC, unless otherwise specified.)Response Time for Negative Transition Response Time for Positive Transition Response Time for Positive Transition Response Time for Negative Transition 100kHz Response 100kHz ResponsePerformance Characteristics (Cont. @T A=25ºC, unless otherwise specified.) 500kHz ResponseOrdering InformationAZV331-Circuit TypePackage Temperature Range Part NumberMarking ID Packing Type Lead Free GreenLead Free Green SC-70-5 -40 to 85 CAZV331KSTR-E1 AZV331KSTR-G1 22 B2 Tape & Reel SOT-23-5AZV331KTR-E1AZV331KTR-G1E6SG6STape & ReelBCD Semiconductor's Pb-free products, as designated with "E1" suffix in the part number, are RoHS compliant. Products with "G1" suffix are available in green packages.E1: Lead Free G1: GreenPackage KS: SC-70-5 K: SOT-23-5TR: Tape and ReelPackage Outline Dimensions (All dimensions in mm(inch).)SC-70-50.650(0.026)TYPREF0.900(0.035)1.100(0.043)Package Outline Dimensions (Cont. All dimensions in mm(inch).)SOT-23-51.300(0.051)Suggested Pad LayoutSC-70-5DimensionsZ(mm)/(inch)G(mm)/(inch)X(mm)/(inch)Y(mm)/(inch)E(mm)/(inch)E1(mm)/(inch)Value 2.740/0.108 1.140/0.045 0.400/0.016 0.800/0.031 1.300/0.051 0.650/0.026Suggested Pad Layout (Cont.)SOT-23-5DimensionsZ(mm)/(inch)G(mm)/(inch)X(mm)/(inch)Y(mm)/(inch)E1(mm)/(inch)E2(mm)/(inch)Value 3.600/0.1421.600/0.0630.700/0.028 1.000/0.0390.950/0.0371.900/0.075IMPORTANT NOTICEDIODES INCORPORATED MAKES NO WARRANTY OF ANY KIND, EXPRESS OR IMPLIED, WITH REGARDS TO THIS DOCUMENT, INCLUDING, BUT NOT LIMITED TO, THE IMPLIED WARRANTIES OF MERCHANTABILITY AND FITNESS FOR A PARTICULAR PURPOSE (AND THEIR EQUIVALENTS UNDER THE LAWS OF ANY JURISDICTION).Diodes Incorporated and its subsidiaries reserve the right to make modifications, enhancements, improvements, corrections or other changes without further notice to this document and any product described herein. Diodes Incorporated does not assume any liability arising out of the application or use of this document or any product described herein; neither does Diodes Incorporated convey any license under its patent or trademark rights, nor the rights of others. Any Customer or user of this document or products described herein in such applications shall assume all risks of such use and will agree to hold Diodes Incorporated and all the companies whose products are represented on Diodes Incorporated website, harmless against all damages.Diodes Incorporated does not warrant or accept any liability whatsoever in respect of any products purchased through unauthorized sales channel. Should Customers purchase or use Diodes Incorporated products for any unintended or unauthorized application, Customers shall indemnify and hold Diodes Incorporated and its representatives harmless against all claims, damages, expenses, and attorney fees arising out of, directly or indirectly, any claim of personal injury or death associated with such unintended or unauthorized application.Products described herein may be covered by one or more United States, international or foreign patents pending. Product names and markings noted herein may also be covered by one or more United States, international or foreign trademarks.This document is written in English but may be translated into multiple languages for reference. Only the English version of this document is the final and determinative format released by Diodes Incorporated.LIFE SUPPORTDiodes Incorporated products are specifically not authorized for use as critical components in life support devices or systems without the express written approval of the Chief Executive Officer of Diodes Incorporated. As used herein:A. Life support devices or systems are devices or systems which:1.are intended to implant into the body, or2.support or sustain life and whose failure to perform when properly used in accordance with instructions for use provided in thelabeling can be reasonably expected to result in significant injury to the user.B. A critical component is any component in a life support device or system whose failure to perform can be reasonably expected to cause thefailure of the life support device or to affect its safety or effectiveness.Customers represent that they have all necessary expertise in the safety and regulatory ramifications of their life support devices or systems, and acknowledge and agree that they are solely responsible for all legal, regulatory and safety-related requirements concerning their products and any use of Diodes Incorporated products in such safety-critical, life support devices or systems, notwithstanding any devices- or systems-related information or support that may be provided by Diodes Incorporated. Further, Customers must fully indemnify Diodes Incorporated and its representatives against any damages arising out of the use of Diodes Incorporated products in such safety-critical, life support devices or systems.Copyright © 2012, Diodes Incorporated。
DSZY331说明书1、综合介绍1.1 概述DSZY331(C)-G(-Z)(-J)型三相三线费控智能电能表是新一代智能型高科技电能计量产品,符合 GB/T17215.321-2008、 GB/T17215.322-2008、GB/T17215.323-2008 和 DL/T614-2007 等电能表有关标准,采用 DL/T645-2007 通信规约。
业务咨询电话:0731-********1.2 技术参数1.2.1 主要技术参数项目技术要求参比电压 3×100V正常工作范围单相85% Un ~ 130% Un,合相60%Un ~ 130%Un辅助电源交/直流100V~240V(当电表具备时)测量范围电压:三相80%Un ~ 130%Un,电流:1%Ib~6Ib准确度等级有功0.5S级、1级;无功2级工作温度-25℃~60℃极限工作温度-40℃~70℃相对湿度≤95%(无凝露)频率范围(50±2.5)Hz功耗<1.5W,6VAMTBF ≥1×105 h时钟电池寿命连续工作时间≥5 年设计寿命10 年1.2.3 光耦脉冲输出脉冲输出宽度(65±5)ms最大允许通过电流10mA(DC)工作电压5V~24V(DC)1.2.4 安装尺寸外形尺寸长×宽×厚=290mm×170mm×85mm后接线预留孔位置尺寸(下接线可不开此孔)图1:安装尺寸图1.2.5 主端子接线图(具体以实物为准)2 5 83 6 91 4 7电 A 负源 B 载C侧N 侧三相四线直接接入式接线图图2:主端子接线图1.2.6辅助端子接线图(具体以实物为准)图3:辅助端子排列图2、仪表基本功能分时计量功能、预付费功能、跨月结算、监测与事件记录功能、最大需量功能、485 与红外通信功能、通信模块功能(载波、无线、小无线模块功能可选)、低功耗功能、安全权限管理、液晶显示功能:2.1.1 显示图解:液晶全屏图项目液晶上显示内容含义说明数据显示行,显示各种记录数 据。
Dimensions: [mm]sectional drawing A-AAAScale - 1,5:174472313317447231331744723133174472313317447231331T e m p e r a t u r eT T T 7447231331Cautions and Warnings:The following conditions apply to all goods within the product series of WE-TI of Würth Elektronik eiSos GmbH & Co. KG:General:•This electronic component was designed and manufactured for use in general electronic equipment.•Würth Elektronik must be asked for written approval (following the PPAP procedure) before incorporating the components into any equipment in fields such as military, aerospace, aviation, nuclear control, submarine, transportation (automotive control, train control, ship control), transportation signal, disaster prevention, medical, public information network, etc. where higher safety and reliability are especially required and/or if there is the possibility of direct damage or human injury.•Electronic components that will be used in safety-critical or high-reliability applications, should be pre-evaluated by the customer. •The component is designed and manufactured to be used within the datasheet specified values. If the usage and operation conditions specified in the datasheet are not met, the wire insulation may be damaged or dissolved.•Do not drop or impact the components, the component may be damaged.•Würth Elektronik products are qualified according to international standards, which are listed in each product reliability report. Würth Elektronik does not warrant any customer qualified product characteristics beyond Würth Elektroniks’ specifications, for its validity and sustainability over time.•The customer is responsible for the functionality of their own products. All technical specifications for standard products also apply to customer specific products.Product specific:Soldering:•The solder profile must comply with the technical product specifications. All other profiles will void the warranty.•All other soldering methods are at the customers’ own risk.Cleaning and Washing:•Washing agents used during the production to clean the customer application might damage or change the characteristics of the wire insulation, marking or plating. Washing agents may have a negative effect on the long-term functionality of the product. Potting:•If the product is potted in the costumer application, the potting material might shrink or expand during and after hardening. Shrinking could lead to an incomplete seal, allowing contaminants into the core. Expansion could damage the components. We recommend a manual inspection after potting to avoid these effects. Storage Conditions:• A storage of Würth Elektronik products for longer than 12 months is not recommended. Within other effects, the terminals may suffer degradation, resulting in bad solderability. Therefore, all products shall be used within the period of 12 months based on the day of shipment.•Do not expose the components to direct sunlight.•The storage conditions in the original packaging are defined according to DIN EN 61760-2.•The storage conditions stated in the original packaging apply to the storage time and not to the transportation time of the components. Packaging:•The packaging specifications apply only to purchase orders comprising whole packaging units. If the ordered quantity exceeds or is lower than the specified packaging unit, packaging in accordance with the packaging specifications cannot be ensured. Handling:•Violation of the technical product specifications such as exceeding the nominal rated current will void the warranty.•Applying currents with audio-frequency signals might result in audible noise due to the magnetostrictive material properties. •Due to heavy weight of the components, strong forces and high accelerations might have the effect to damage the electrical connection or to harm the circuit board and will void the warranty.•Please be aware that products provided in bulk packaging may get bent and might lead to derivations from the mechanical manufacturing tolerances mentioned in our datasheet, which is not considered to be a material defect.•The temperature rise of the component must be taken into consideration. The operating temperature is comprised of ambient temperature and temperature rise of the component.The operating temperature of the component shall not exceed the maximum temperature specified.These cautions and warnings comply with the state of the scientific and technical knowledge and are believed to be accurate and reliable.However, no responsibility is assumed for inaccuracies or incompleteness.Würth Elektronik eiSos GmbH & Co. KGEMC & Inductive SolutionsMax-Eyth-Str. 174638 WaldenburgGermanyCHECKED REVISION DATE (YYYY-MM-DD)GENERAL TOLERANCE PROJECTIONMETHODTRi003.0002020-11-07DIN ISO 2768-1mDESCRIPTIONWE-TI Radial Leaded Wire WoundInductor ORDER CODE7447231331SIZE/TYPE BUSINESS UNIT STATUS PAGEImportant NotesThe following conditions apply to all goods within the product range of Würth Elektronik eiSos GmbH & Co. KG:1. General Customer ResponsibilitySome goods within the product range of Würth Elektronik eiSos GmbH & Co. KG contain statements regarding general suitability for certain application areas. These statements about suitability are based on our knowledge and experience of typical requirements concerning the areas, serve as general guidance and cannot be estimated as binding statements about the suitability for a customer application. The responsibility for the applicability and use in a particular customer design is always solely within the authority of the customer. Due to this fact it is up to the customer to evaluate, where appropriate to investigate and decide whether the device with the specific product characteristics described in the product specification is valid and suitable for the respective customer application or not.2. Customer Responsibility related to Specific, in particular Safety-Relevant ApplicationsIt has to be clearly pointed out that the possibility of a malfunction of electronic components or failure before the end of the usual lifetime cannot be completely eliminated in the current state of the art, even if the products are operated within the range of the specifications.In certain customer applications requiring a very high level of safety and especially in customer applications in which the malfunction or failure of an electronic component could endanger human life or health it must be ensured by most advanced technological aid of suitable design of the customer application that no injury or damage is caused to third parties in the event of malfunction or failure of an electronic component. Therefore, customer is cautioned to verify that data sheets are current before placing orders. The current data sheets can be downloaded at .3. Best Care and AttentionAny product-specific notes, cautions and warnings must be strictly observed. Any disregard will result in the loss of warranty.4. Customer Support for Product SpecificationsSome products within the product range may contain substances which are subject to restrictions in certain jurisdictions in order to serve specific technical requirements. Necessary information is available on request. In this case the field sales engineer or the internal sales person in charge should be contacted who will be happy to support in this matter.5. Product R&DDue to constant product improvement product specifications may change from time to time. As a standard reporting procedure of the Product Change Notification (PCN) according to the JEDEC-Standard inform about minor and major changes. In case of further queries regarding the PCN, the field sales engineer or the internal sales person in charge should be contacted. The basic responsibility of the customer as per Section 1 and 2 remains unaffected.6. Product Life CycleDue to technical progress and economical evaluation we also reserve the right to discontinue production and delivery of products. As a standard reporting procedure of the Product Termination Notification (PTN) according to the JEDEC-Standard we will inform at an early stage about inevitable product discontinuance. According to this we cannot guarantee that all products within our product range will always be available. Therefore it needs to be verified with the field sales engineer or the internal sales person in charge about the current product availability expectancy before or when the product for application design-in disposal is considered. The approach named above does not apply in the case of individual agreements deviating from the foregoing for customer-specific products.7. Property RightsAll the rights for contractual products produced by Würth Elektronik eiSos GmbH & Co. KG on the basis of ideas, development contracts as well as models or templates that are subject to copyright, patent or commercial protection supplied to the customer will remain with Würth Elektronik eiSos GmbH & Co. KG. Würth Elektronik eiSos GmbH & Co. KG does not warrant or represent that any license, either expressed or implied, is granted under any patent right, copyright, mask work right, or other intellectual property right relating to any combination, application, or process in which Würth Elektronik eiSos GmbH & Co. KG components or services are used.8. General Terms and ConditionsUnless otherwise agreed in individual contracts, all orders are subject to the current version of the “General Terms and Conditions of Würth Elektronik eiSos Group”, last version available at .Würth Elektronik eiSos GmbH & Co. KGEMC & Inductive SolutionsMax-Eyth-Str. 174638 WaldenburgGermanyCHECKED REVISION DATE (YYYY-MM-DD)GENERAL TOLERANCE PROJECTIONMETHODTRi003.0002020-11-07DIN ISO 2768-1mDESCRIPTIONWE-TI Radial Leaded Wire WoundInductor ORDER CODE7447231331SIZE/TYPE BUSINESS UNIT STATUS PAGE。
1 综合介绍1.1 概述DTSD341(DSSD331)-MC3SZ3SZ型三相四线(三相三线)电子式多功能电能表,是长沙威胜电子有限公司开发研制生产的新一代电能计量产品。
它采用国际标准IEC1036并符合国家标准GB/T 17215 - 2002、GB/T18460及电力行业标准DL/T 614 - 1997,通信协议符合电力行业标准DL/T 645—1997 《多功能电能表通信规约》及威胜协议。
本产品采用专用大规模集成电路和SMT电子装联生产工艺,为产品的实用性和可靠性奠定了良好的基础。
本产品可根据用户需求灵活选择多种功能:分时或不分时;正向有功电能中包括反向有功电能或正向、反向分开计量;感性无功电能中包括容性无功电能或感、容分开计量。
本产品具有断零线有功正常计量、逆相序正常计量等多种防窃电措施。
在接口方面,本产品还具有电量脉冲输出接口、RS485通信接口、远红外通信接口。
本公司产品的开发、制造、销售质量保证体系于1996年通过了挪威船级社ISO9001认证,本产品获得了国家相关部门的生产许可证及入网许可证。
1.2 工作原理本产品为直接接入式或经电流互感器接入式三相四(三)线交流有、无功电能表。
由电流互感器、电能计量专用芯片、CPU、实时时钟、不易挥发数据存储器、液晶显示器、通信接口等电路模块构成。
电压、电流模拟信号进入电能计量专用芯片进行电能量的计算,其结果以数据形式输出,CPU再对此数据进行分析处理,并将相关结果保存在数据存储器中,并随时向外部接口提供信息和进行数据交换,其原理框图如图1所示(以三相四线为例)。
图1 工作原理1.3 规格及主要技术参数三相四线额定电压: 3 × 220V/380V,47.5 Hz—52.5 Hz标定电流: 1.5(6)A 2000imp/kWh 2000imp/kvarh5(20)A 600 imp/kWh 600 imp/kvarh10(40)A 200 imp/kWh 200 imp/kvarh20(80)A 200 imp/kWh 200 imp/kvarh准确度等级:有功0.5、0.5S、1级无功2级额定电压: 3×100V, 47.5 Hz—52.5 Hz标定电流: 1.5(6)A 5000imp/kWh 5000imp/kvarh 准确度等级:有功0.5、0.5S、1级无功2级1.3.1 主要技术参数见“表1 主要技术参数”。
DSAD331/DTAD341-ME2说明书1综合介绍1.1 概述DSAD331/DTAD341(配置号为 ME2V2.0)型三相三(四)线数字化多功能电能表,是新一代具有高准确度、智能型电能计量产品,产品依据DB43/T 558-2010 数字化电能表标准参照 GB/T 17215.211-2006 、 GB/T 17215.322-2008 、 DL/T614-2007 、DL/T645-2007 、 IEC61850-9-1 、 IEC61850-9-2 、 IEC61850-8-1 和电能表特殊要求(威胜企标)等相关电能表标准。
业务咨询电话:0731-1.2 工作原理简述本产品由数字协议处理模块、高精度DSP计量模块微处理器、温补实时时钟、数据接口设备和人机接口设备组成。
DSP计量模块利用数字协议处理模块传输的数字采样数据,并对其进行数字积分运算,从而精确地获得有功电量和无功电量,微处理器依据相应费率和需量等要求对数据进行处理。
其结果保存在数据存储器中,并随时向外部接口提供信息和进行数据交换,其原理框图如图1所示。
人机界面系统功能RTC驱动与与人机接口逻辑扩展系统基本红外电通信电源RS-485源高性能16接口系计量位单片机扩展Ethernet统电源通信光纤模块DSP计量模块5M数字前端解码芯片ST光纤100M 协议处理 BASE-FX芯片图1:工作原理简述(以三相四线表为例)1.3 技术参数1.3.1 主要技术参数项目技术要求工作电源交流(110V-220V)直流(220V±20%)参比频率50Hz/60Hz1.SC 光纤接口(光波长 1310nm/多模光纤/100M)接口类型2.ST 光纤接口(光波长 1310nm/多模光纤/100M)注:两种接口可选其一准确度等级有功:0.2S 0.5S 无功:1级电压规格3×57.7/100V, 3×100V电流规格3×5(6)A (具体电流规格见面板标识)工作温度-25℃~+55℃极限工作温度-35℃~+65℃相对湿度≤95%(无凝露)功耗<10WMTBF ≥1×105 h1.3.2 日历时钟时钟误差≤0.5 s/d(0℃~+50℃时:±3.8ppm;-40℃~+85℃时:±5ppm)时钟频率1Hz电池寿命10 年电池连续工作时间≥5年1.3.3 光耦脉冲输出出厂设置以仪表面板标识为准。
1 综合介绍1.1 概述DSZ331/DTZ341(配置号为B1V1.2)三相三线/三相四线智能电能表是威胜集团有限公司研制生产的新一代智能型高科技电能计量产品,符合GB/T17215.321-2008、GB/T17215.322-2008、GB/T17215.323-2008 和DL/T614-2007 等电能表有关标准,采用DL/T645-2007通信规约(有扩展)。
1.2 工作原理简述本产品由电流互感器、集成计量芯片、微控制器、温补实时时钟、数据接口设备和人机接口设备组成。
集成计量芯片将来自电压分压,电流互感器的模拟信号转换为数字信号,并对其进行数字积分运算,从而精确地获得有功电能和无功电能,微控制器依据相应费率和需量等要求对数据进行处理。
其结果保存在数据存储器中,并随时向外部接口提供信息和进行数据交换,其原理框图如图1所示。
图1:工作原理简述(以三相四线表为例)1.3 技术参数拟制:扶小飞2011-06-24 图号:OKRW2.702.635SS审核:1.3.4 继电器输出本仪表可以选配“报警”继电器。
“报警”辅助端子为继电器的常开触点。
继电器规格为:直流30V/5A或110V/0.3A,交流250V/5A。
拟制:扶小飞2011-06-24 图号:OKRW2.702.635SS 审核:拟 制: 扶小飞 2011-06-24 图 号:OKRW2.702.635SS 审 核:1.3.6 外形和布局(面板参数以实物为准)液晶显示屏按键1#上盖铅封螺钉按键3#底盒端盖铅封螺钉电池盖上面板指示灯端盖上 盒下透镜按键2#图2:外形布局图1.3.7 安装尺寸图3:安装尺寸图1.3.8 主端子接线图图4:接线图拟制:扶小飞2011-06-24 图号:OKRW2.702.635SS 审核:注:辅助电源以仪表端盖上接线图为准。
2 仪表主要功能2.1电能计量功能本仪表具有A、B、C各元件和合元的正向有功能、反向有功、四个象限无功这六类基本电能的计量功能,以及组合有功、组合无功1、组合无功2这三类组合电能的计算功能。
组合有功电能可由正反向有功电能进行选择性加减组合,通过修改有功组合方式特征字进行设置。
设置方法参见《DL/T 645-2007多功能电能表通讯协议》相关约定。
两种组合的无功电能可由四个象限的无功电能进行选择性加减组合,通过修改无功组合方式1、2特征字进行设置。
设置方法参见《DL/T 645-2007多功能电能表通讯协议》相关标准。
本仪表保存电能数据时,只保存六类基本电能。
三类组合电能在通信和显示时,根据相关特征字,由基本电能计算得出。
改变模式字时不需要对电表进行清零操作,而且历史电能也能够正确追溯。
此电能计算和保存方法适应于总及分时电能、合元及各分元电能、事件记录中的电能、负荷曲线中的电能和冻结电能等。
对于六类基本电能,电能有效值范围为0~999999.999,单位为kWh或kvarh。
对于三类组合电能,电能有效值范围是–799999.999~799999.999,单位为kWh或kvarh。
通讯时电能小数位数按照《DL/T 645-2007多功能电能表通讯协议》标准固定为2位小数。
电能显示小数位数设为2时,有功电能计量最小单位为0.01kW.h,无功电能计量最小单位为0.01kvar.h。
电能显示小数位数设为3时,有功电能计量最小单位为0.001kW.h,无功电能计量最小单位为0.001kvar.h。
2.2最大需量计量功能本仪表具有合元的正向有功、反向有功、四个象限无功这六类基本需量的计量功能,同时按照结算周期统计了每类基本需量的最大需量和最大需量的发生时间。
本仪表可以通过四个象限无功的最大需量和最大需量的发生时间计算组合无功1、组合无功2这两类组合需量的最大需量和最大需量的发生时间计算。
两种组合的无功需量可由四个象限的无功需量进行选择性组合,通过修改无功组合方式1、2特征字进行设置。
组合无功最大需量的计算方法是在参与组合运算的最大需量中选择需量值最大的作为组合无功最大需量。
例如,无功组合1特征字的值为05H,代表组合无功1=第1象限无功+第2象限无功。
假设在一个需量周期第1象限的无功最大需量为1kvar,第2象限的无功最大需量为2kvar,则组合无功1在同一需量周期内的最大需量值为2kvar。
本仪表的默认最大需量周期是15分钟,滑差时间是1分钟。
以上两个参数可以通过仪表的参数设置接口进行设置。
滑差时间和需量周期为不大于60分钟的值,且滑差时间必须能被需量周期整除。
设置方法参见《DL/T 645-2007多功能电能表通讯协议》相关标准。
本仪表有功需量计量最小单位0.000001kW,无功需量计量最小单位0.000001kvar。
拟制:扶小飞2011-06-24 图号:OKRW2.702.635SS审核:2.3分时功能2.3.1分时计量本仪表具有分时计量功能,最大8种费率。
包括六类基本电能和三类组合电能在内的九类合元电能均可以按最大8种费率时段进行分时计量,分元件的电能不分时计量。
包括六类基本需量和两类组合需量在内的八类合元需量均可以按最大8种费率时段进行分时统计。
2.3.2日历及分时方案本仪表具有百年日历、时间和闰年自动切换的功能。
分时方案是用来设置仪表的分时计量的重要参数,设置方法参见《DL/T 645-2007多功能电能表通讯协议》相关标准。
分时方案包括的内容有:1个年时区表,最多可设置14个年时区切换数。
通过设置年时区表可以将一年划分为14个年时区,年时区的最小单位为天。
可以设置每个年时区使用的指定的日时段表。
8个日时段表,每天14个时段切换数。
通过设置日时段表可以将一天划分为14个日时段。
可以设置每个日时段的费率号,本仪表最大8费率。
周休日使用的时段表号。
254个公共假日,以及公共假日使用的日时段表号。
2.3.3分时方案切换功能分时方案切换功能就是在表内开辟了两套分时方案的存储空间,两套分时方案可以分别设置互不影响互不干扰,并且预留了一个可以设置的主副时区的切换时间(年月日时分)参数和一个可以设置的主副时段的切换时间(年月日时分)参数。
电表运行到相应的切换时间后按另一套备用的时区表或者时段表运行。
2.4结算功能本仪表的电能计量数据、最大需量计量数据以及分时数据除开保存了当前数据以外,还存储了上1月到上12月的历史数据。
此功能的“月”指的是结算周期,可通过设定结算日来设置仪表的结算周期,设置方法参见《DL/T 645-2007多功能电能表通讯协议》相关标准。
当仪表的系统时钟与设定的结算时间相同时,电表进行跨月结算,先把本月的电能、最大需量及其发生时间存入上月,再把本月的最大需量及其发生时间清零,计算需量的累加单元清零,重新开始计算需量。
如果电表掉电跨过结算日,上电后电表将进行跨月补结算。
但跨过12个月及以上,电表不进行补结算。
通过RS485、远红外可抄读本月及上12个月的数据。
2.5测量功能本仪表能测量合元及A、B、C各分元件的视在功率、有功功率、无功功率、功率因数,能测量A、B、C各分元件的电压、电流,能测量电网频率,并且能显示电流、功率和功率因数的方向。
功率:只在电流大于起动电流时才可以测量(显示受到显示位数的影响),刷新时间为1秒。
测量范围为:0.1%Pb,~Pmax。
其中,Pb代表有功或无功额定功率,Pmax代表有功或无功最大功率。
功率测量最小分辨率0.000001,单位kW或kvar,测量误差(引用误差)不超过±1%。
显示时带4位小数,但是可以通过修改功率显示小数位数参数设置功率显示小数位数为2、3或4位,设置方法参见《DL/T 拟制:扶小飞2011-06-24 图号:OKRW2.702.635SS审核:645-2007多功能电能表通讯协议》相关标准。
功率数据的数值最高位表示方向,+ 代表输入,- 代表输出,取值范围为0.0000~79.9999。
方向的具体定义参见《DL/T 645-2007多功能电能表通讯协议》附录D。
电压:有效值,刷新时间为1秒。
测量范围:80%—120%Un,测量最小分辨率:0.0001V,测量误差(引用误差)不超过±1%,显示时带1位小数。
电流:有效值,刷新时间为1秒。
电流测量范围:1‰Ib—Imax,电流测量最小分辨率0.0001A,测量误差(引用误差)不超过±1%,显示时带3位小数。
电流数据的数值最高位表示方向,+ 代表输入,- 代表输出,取值范围为0.000A~799.999A。
方向与有功功率的方向一致,参见《DL/T 645-2007多功能电能表通讯协议》附录D。
频率:测量分辨率为0.01Hz,测量范围:47.5—52.5Hz。
相角:根据功率因数计算总及各元件的相角,测量分辨率为0.01°。
在三相三线表中,相角Φa等于Uab与Ia的夹角,Φc等于Ucb与Ic的夹角, Φb 被强制置为零。
功率因数:测量最小分辨率0.000001。
显示时带3位小数。
功率因数数据的数值最高位表示方向,+ 代表输入,- 代表输出,取值范围为0.000~1.000。
方向与有功功率的方向一致,参见《DL/T 645-2007多功能电能表通讯协议》附录D。
视在功率:本表单相电路的视在功率是单相的有功功率平方和无功功率平方相加后再开方所得,合相的视在功率是合相有功功率和合相无功功率平方后相加再开方所得,即矢量和模式。
测量最小分辨率0.000001,测量误差(引用误差)不超过±1%。
单位kVA。
显示时带4位小数,但是可以通过修改功率显示小数位数参数设置功率显示小数位数为2、3或4位,设置方法参见《DL/T 645-2007多功能电能表通讯协议》相关标准。
视在功率数据的数值最高位表示方向,+ 代表输入,- 代表输出,取值范围为0.0000V A~79.9999kV A。
方向与有功功率的方向一致,参见《DL/T 645-2007多功能电能表通讯协议》附录D。
2.6显示功能本仪表采用大屏幕液晶显示,并有丰富的汉字提示,显示直观、视角宽。
液晶全屏图参见图5,液晶显示字符说明参见表1:图5:液晶全屏图拟制:扶小飞2011-06-24 图号:OKRW2.702.635SS审核:拟 制: 扶小飞 2011-06-24 图 号:OKRW2.702.635SS 审 核:电能数据显示行,显示各种记录数据。
显示电能数据时,若小数位数为2,将显示6位整数、2位小数;小数位数为3时,将显示5位整数、3位小数。
每屏显示1个时段的电能四象限PQP QⅠPQII指示电表工作在第几象限。
如图所示分别为电表工作在I 、Ⅱ、Ⅲ、Ⅳ象限QPⅢPQIV无功组合方式(注)QPQPⅠ、II PQⅠ、IV 无功组合方式指示,显示组合无功电能时,相应象限组合闪烁。