威胜DTSD341DSSD331-9D表使用说明书
- 格式:doc
- 大小:1.02 MB
- 文档页数:25
目录1 综合介绍 (3)1.1 概述 (3)1.2技术参数 (3)2、仪表基本功能 (4)2.1.1显示图解: (5)2.1.2、常用显示代码 (6)3 使用注意事项 (8)4 运输贮存 (9)5.质保条款 (9)DTSD341/DSSD331-U三相电子式多功能电能表1 综合介绍1.1 概述DSSD331/DTSD341型三相三(四)线电子式多功能电能表是威胜集团有限公司研制生产的新一代智能型高科技电能计量产品,符合GB/T17215.321-2008、GB/T17215.322-2008、GB/T17215.323-2008 和DL/T614-2007 等电能表有关标准,采用DL/T645-2007通信规约。
1.2技术参数1.2.1主要技术参数项目 技术要求参比电压 3×220V/380V,3×57.7V/100V, 3×100V 电压测量范围 三相80%Un ~ 120%Un电流测量范围 1%Ib~12Ib主要电流规格 互感器接入式:0.3(1.2)A, 1.5(6)A直通式:5(60)A,10(100)A 准确度等级 有功0.2S级 0.5S级、1级 ; 无功2级工作温度 -25℃~60℃极限工作温度 -40℃~70℃相对湿度 ≤95%(无凝露)频率范围 (50±2.5)Hz启动电流 互感器接入式表:2‰In直通表:4‰Ib功耗 <1.5W,6VAMTBF ≥1×105 h设计寿命 10年时钟误差 ≤0.5 s/d(0℃~+40℃时:±2ppm;-40℃~+85℃时:±3.5ppm)时钟频率 1Hz电池寿命 10年电池连续工作时间 ≥5年1.2.3 光耦脉冲输出脉冲输出宽度 (80±5)ms最大允许通过电流 10mA(DC) 工作电压 5V~24V(DC)1.2.4安装尺寸 外形尺寸长×宽×厚=290mm×170mm×85mm图1:安装尺寸图1.2.5主端子接线图(具体以实物为准)三相四线直接接入式接线图C NB A 765324189电源侧负载侧图2:主端子接线图1.2.6辅助端子接线图(具体以实物为准)图3:辅助端子排列图2、仪表基本功能分时计量功能、跨月结算、监测与事件记录功能、最大需量功能、485与红外通讯功能、低功耗功能、辅助电源功能(可选)、安全权限管理、液晶显示功能2.1液晶显示:2.1.1显示图解:液晶全屏图项目液晶上显示内容含义说明电能数据显示行,显示各种记录数据。
1 综合介绍1.1 概述DSZ331/DTZ341/DSSD331/DTSD341(配置号为MB3V8.5)三相智能电能表/三相电子式多功能电能表是威胜集团有限公司研制生产的新一代智能型高科技电能计量产品,符合GB/T17215.321-2008、GB/T17215.322-2008、GB/T17215.323-2008 和DL/T614-2007 等电能表有关标准,采用DL/T645-2007通信规约(有扩展)。
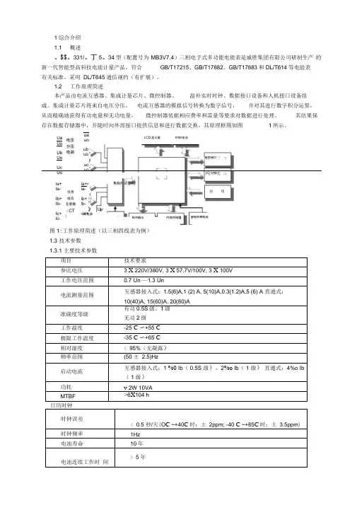
1.2 工作原理简述本产品由电流互感器、集成计量芯片、微控制器、温补实时时钟、数据接口设备和人机接口设备组成。
集成计量芯片将来自电压分压,电流互感器的模拟信号转换为数字信号,并对其进行数字积分运算,从而精确地获得有功电能和无功电能,微控制器依据相应费率和需量等要求对数据进行处理。
其结果保存在数据存储器中,并随时向外部接口提供信息和进行数据交换,其原理框图如图1所示。
图1:工作原理简述(以三相四线表为例)1.3 技术参数1.3.4 继电器输出本仪表可以选配“报警”继电器。
“报警”辅助端子为继电器的常开触点。
继电器规格为:直流30V/5A或110V/0.3A,交流250V/5A。
1.3.6 外形和布局(面板参数以实物为准)液晶显示屏按键1#上盖铅封螺钉按键3#底盒端盖铅封螺钉电池盖上面板指示灯端盖上 盒下透镜按键2#图2:外形布局图1.3.7 安装尺寸图3:安装尺寸图1.3.8 主端子接线图图4:接线图注:辅助电源以仪表端盖上接线图为准。
2 仪表主要功能2.1电能计量功能本仪表具有A、B、C各元件和合元的正向有功能、反向有功、四个象限无功这六类基本电能的计量功能,以及组合有功、组合无功1、组合无功2这三类组合电能的计算功能。
组合有功电能可由正反向有功电能进行选择性加减组合,通过修改有功组合方式特征字进行设置。
设置方法参见《DL/T 645-2007多功能电能表通讯协议》相关约定。
两种组合的无功电能可由四个象限的无功电能进行选择性加减组合,通过修改无功组合方式1、2特征字进行设置。
1 综合介绍1.1 概述DSSD331/DTSD341型(配置号为MB3V7.4)三相电子式多功能电能表是威胜集团有限公司研制生产的新一代智能型高科技电能计量产品,符合GB/T17215、GB/T17882、GB/T17883 和DL/T614 等电能表有关标准,采用DL/T645通信规约(有扩展)。
1.2 工作原理简述本产品由电流互感器、集成计量芯片、微控制器、温补实时时钟、数据接口设备和人机接口设备组成。
集成计量芯片将来自电压分压,电流互感器的模拟信号转换为数字信号,并对其进行数字积分运算,从而精确地获得有功电量和无功电量,微控制器依据相应费率和需量等要求对数据进行处理。
其结果保存在数据存储器中,并随时向外部接口提供信息和进行数据交换,其原理框图如图1所示。
图1:工作原理简述(以三相四线表为例)1.3 技术参数1.3.4 继电器输出如果选择了负荷控制功能,将配置“报警”及“跳闸”继电器,“报警”及“跳闸”辅助端子为继电器的常开触点。
继电器的开关能力:纯阻性负载的情况下,220V AC ,130mA1.3.6 外形和布局铅封螺钉锁条有功指示灯下面板下透镜上盒带端子的端子排开盖检测按钮光通信口铁芯无功指示灯远红外指示灯报警指示灯上透镜上面板液晶显示屏底盒端盖铅封按钮按钮电池门按钮按钮铅封螺钉1.3.7 安装尺寸1.3.8主端子接线图注:辅助电源为可选功能,具体接线以表计端盖上接线图为准。
2 仪表主要功能2.1 电量分时计量本仪表有两种配置:TH及TF型(由模式字1的b6设置)。
TH型为双方向电能表,它可以计量正、反向有功,4象限无功以及A、B、C各元件有功、无功电量。
TF型为单方向电能表,它可以计量正向有功,4象限无功以及A、B、C各元件有功、无功电量,反向有功计量精度不作保证,仅供参考。
TH型和TF型电能表都能计量2种组合的无功电量,2种组合的无功电量可由4个象限的无功电量任意组合(通过无功组合模式字设置)。
DSSD331/DTSD341(U9)型三相电子式多功能电能表使用说明书11 综合介绍1.1 概述DSSD331/DTSD341(配置号为U9)三相智能电能表/三相电子式多功能电能表是威胜集团有限公司研制生产的新一代智能型高科技电能计量产品,符合GB/T17215.321-2008、GB/T17215.322-2008、GB/T17215.323-2008 和DL/T614-2007 等电能表有关标准,采用DL/T645-2007通信规约(有扩展)。
1.2 工作原理简述本产品由电流互感器、集成计量芯片、微控制器、温补实时时钟、数据接口设备和人机接口设备组成。
集成计量芯片将来自电压分压,电流互感器的模拟信号转换为数字信号,并对其进行数字积分运算,从而精确地获得有功电能和无功电能,微控制器依据相应费率和需量等要求对数据进行处理。
其结果保存在数据存储器中,并随时向外部接口提供信息和进行数据交换,其原理框图如图1所示。
图1:工作原理简述(以三相四线表为例)1.3 技术参数231.3.4 继电器输出本仪表可以选配“报警”继电器。
“报警”辅助端子为继电器的常开触点。
继电器规格为:直流30V/5A 或110V/0.3A ,交流250V/5A 。
1.3.6 外形和布局(面板参数以实物为准)液晶显示屏按键1#上盖铅封螺钉按键3#底盒端盖铅封螺钉电池盖上面板指示灯端盖上 盒下透镜按键2#图2:外形布局图41.3.7 安装尺寸图3:安装尺寸图1.3.8 主端子接线图图4:接线图注:辅助电源以仪表端盖上接线图为准。
2 仪表主要功能2.1电能计量功能本仪表具有A、B、C各元件和合元的正向有功能、反向有功、四个象限无功这六类基本电能的计量功能,以及组合有功、组合无功1、组合无功2这三类组合电能的计算功能。
组合有功电能可由正反向有功电能进行选择性加减组合,通过修改有功组合方式特征字进行设置。
设置方法参见《DL/T 645-2007多功能电能表通讯协议》相关约定。
1 综合介绍1.1 概述DSSD331/DTSD341型(配置号为MB3V7.4)三相电子式多功能电能表是威胜集团有限公司研制生产的新一代智能型高科技电能计量产品,符合GB/T17215、GB/T17882、GB/T17883 和DL/T614 等电能表有关标准,采用DL/T645通信规约(有扩展)。
1.2 工作原理简述本产品由电流互感器、集成计量芯片、微控制器、温补实时时钟、数据接口设备和人机接口设备组成。
集成计量芯片将来自电压分压,电流互感器的模拟信号转换为数字信号,并对其进行数字积分运算,从而精确地获得有功电量和无功电量,微控制器依据相应费率和需量等要求对数据进行处理。
其结果保存在数据存储器中,并随时向外部接口提供信息和进行数据交换,其原理框图如图1所示。
图1:工作原理简述(以三相四线表为例)1.3 技术参数1.3.1 主要技术参数1.3.4 继电器输出如果选择了负荷控制功能,将配置“报警”及“跳闸”继电器,“报警”及“跳闸”辅助端子为继电器的常开触点。
继电器的开关能力:纯阻性负载的情况下,220VAC ,130mA 其它数据1.3.6 外形和布局 铅封螺钉锁条下面板下透镜带端子的端子排开盖检测按钮光端盖铅封按钮电池门铅封螺钉1.3.7 安装尺寸1.3.8 主端子接线图注:辅助电源为可选功能,具体接线以表计端盖上接线图为准。
2 仪表主要功能2.1 电量分时计量本仪表有两种配置:TH及TF型(由模式字1的b6设置)。
TH型为双方向电能表,它可以计量正、反向有功,4象限无功以及A、B、C各元件有功、无功电量。
TF型为单方向电能表,它可以计量正向有功,4象限无功以及A、B、C各元件有功、无功电量,反向有功计量精度不作保证,仅供参考。
TH型和TF型电能表都能计量2种组合的无功电量,2种组合的无功电量可由4个象限的无功电量任意组合(通过无功组合模式字设置)。
各种总电量均可以按最大8种费率时段进行分时计量(A、B、C 各元件的电量不分时计量)。
1 综合介绍1.1 概述DSSD331/DTSD341型(配置号为MB3V7.4)三相电子式多功能电能表是威胜集团有限公司研制生产的新一代智能型高科技电能计量产品,符合GB/T17215、GB/T17882、GB/T17883 和DL/T614 等电能表有关标准,采用DL/T645通信规约(有扩展)。
1.2 工作原理简述本产品由电流互感器、集成计量芯片、微控制器、温补实时时钟、数据接口设备和人机接口设备组成。
集成计量芯片将来自电压分压,电流互感器的模拟信号转换为数字信号,并对其进行数字积分运算,从而精确地获得有功电量和无功电量,微控制器依据相应费率和需量等要求对数据进行处理。
其结果保存在数据存储器中,并随时向外部接口提供信息和进行数据交换,其原理框图如图1所示。
L C D显示器Ia+Ia-Ib+ Ib-Ic+ Ic-仪用电流互感器(CT)ia-ia+ib-ib+ic-ic+微控制器UaUb Uo Uc Uo 电压分压电路Uo uauouououbuc通信接口I C卡接口内部存储器时钟/电池脉冲输出按钮集成计量芯片停电抄表电池电源aUbUUUcn图1:工作原理简述(以三相四线表为例)1.3 技术参数项目技术要求参比电压3×220V/380V, 3×57.7V/100V, 3×100V 工作电压范围0.7Un—1.3Un电流测量范围互感器接入式:1.5(6)A,1(2)A, 5(10)A,0.3(1.2)A,5(6)A 直通式:10(40)A, 15(60)A, 20(80)A准确度等级有功0.5S级、1级无功2级工作温度-25℃~+55℃极限工作温度-35℃~+65℃相对湿度≤95%(无凝露) 频率范围(50±2.5)Hz启动电流互感器接入式:1‰Ib( 0.5S级),2‰Ib( 1级) 直通式:4‰Ib( 1级)功耗<2W,10V A MTBF ≥6×104 h时钟误差≤0.5 秒/天(0℃~+40℃时:±2ppm;-40℃~+85℃时:±3.5ppm)时钟频率1Hz 电池寿命10年电池连续工作时间 ≥5年脉冲输出常数出厂设置以表计面板标识为准。
DSSD331/DTSD341(U9)型三相电子式多功能电能表使用说明书11 综合介绍1.1 概述DSSD331/DTSD341(配置号为U9)三相智能电能表/三相电子式多功能电能表是威胜集团有限公司研制生产的新一代智能型高科技电能计量产品,符合GB/T17215.321-2008、GB/T17215.322-2008、GB/T17215.323-2008 和DL/T614-2007 等电能表有关标准,采用DL/T645-2007通信规约(有扩展)。
1.2 工作原理简述本产品由电流互感器、集成计量芯片、微控制器、温补实时时钟、数据接口设备和人机接口设备组成。
集成计量芯片将来自电压分压,电流互感器的模拟信号转换为数字信号,并对其进行数字积分运算,从而精确地获得有功电能和无功电能,微控制器依据相应费率和需量等要求对数据进行处理。
其结果保存在数据存储器中,并随时向外部接口提供信息和进行数据交换,其原理框图如图1所示。
图1:工作原理简述(以三相四线表为例)1.3 技术参数231.3.4 继电器输出本仪表可以选配“报警”继电器。
“报警”辅助端子为继电器的常开触点。
继电器规格为:直流30V/5A 或110V/0.3A ,交流250V/5A 。
1.3.6 外形和布局(面板参数以实物为准)液晶显示屏按键1#上盖铅封螺钉按键3#底盒端盖铅封螺钉电池盖上面板指示灯端盖上 盒下透镜按键2#图2:外形布局图41.3.7 安装尺寸图3:安装尺寸图1.3.8 主端子接线图图4:接线图注:辅助电源以仪表端盖上接线图为准。
2 仪表主要功能2.1电能计量功能本仪表具有A、B、C各元件和合元的正向有功能、反向有功、四个象限无功这六类基本电能的计量功能,以及组合有功、组合无功1、组合无功2这三类组合电能的计算功能。
组合有功电能可由正反向有功电能进行选择性加减组合,通过修改有功组合方式特征字进行设置。
设置方法参见《DL/T 645-2007多功能电能表通讯协议》相关约定。
图1:工作原理简述(以三相四线表为例)1.3 技术参数1.3.1 主要技术参数项目技术要求参比电压 3 X 220V/380V, 3 X 57.7V/100V, 3 X 100V工作电压范围0.7 Un —1.3 Un电流测量范围互感器接入式:1.5(6)A,1 (2) A, 5(10)A,0.3(1.2)A,5 (6) A 直通式:10(40)A, 15(60)A, 20(80)A准确度等级有功0.5S级、1级无功2级工作温度-25 C 〜+55 C极限工作温度-35 C 〜+65 C相对湿度< 95%(无凝露)频率范围(50 ± 2.5)Hz启动电流互感器接入式:1 %0 Ib( 0.5S 级),2%o Ib( 1 级)直通式:4%o Ib ( 1级)功耗v 2W 10VAMTBF>6X104 h时钟误差< 0.5 秒/天(O C ~+40C时:土2ppm; -40 C ~+85C时:土 3.5ppm) 时钟频率1Hz电池寿命10年电池连续工作时间> 5年1综合介绍1.1 概述。
$$。
331/。
丁5。
34型(配置号为MB3V7.4)三相电子式多功能电能表是威胜集团有限公司研制生产的新一代智能型高科技电能计量产品,符合GB/T17215、GB/T17882、GB/T17883和DL/T614等电能表有关标准,采用DL/T645通信规约(有扩展)。
1.2 工作原理简述本产品由电流互感器、集成计量芯片、微控制器、温补实时时钟、数据接口设备和人机接口设备组成。
集成计量芯片将来自电压分压,电流互感器的模拟信号转换为数字信号,并对其进行数字积分运算,从而精确地获得有功电量和无功电量,微控制器依据相应费率和需量等要求对数据进行处理。
其结果保存在数据存储器中,并随时向外部接口提供信息和进行数据交换,其原理框图如图1所示。
Ua Uo Ub UoUc Uo la+ la-Ib+ Ib-Ic+ lc-电压分压电路仪用电流互感器(CT)uauoia+ria-ib+ Hl b-LCD显示器时钟/电池I C卡接口ic+停电抄表电池脉冲输出内部存储器ucuoub ruo通信接口集成计U a弋冏电源脉冲输出常数出厂设置以表计面板标识为准。
1 综合介绍1.1 概述DSSD331/DTSD341(配置号为9V3.3)型三相电子式多功能电能表是威胜集团有限公司研制生产的新一代智能型高科技电能计量产品,符合GB/T17215.322-2008、GB/T17215.323-2008、Q/OKRW012-2008和DL/T614-2007 等电能表有关标准,采用DL/T645-2007通信规约(有扩展)。
1.2 工作原理简述本产品由电流互感器、TDK6513计量芯片、微处理器、温补实时时钟、数据接口设备和人机接口设备组成。
TDK6513计量芯片将来自电压分压,电流互感器的模拟信号转换为数字信号,并对其进行数字积分运算,从而精确地获得有功电量和无功电量,微处理器依据相应费率和需量等要求对数据进行处理。
其结果保存在数据存储器中,并随时向外部接口提供信息和进行数据交换,其原理框图如图1所示。
图1:工作原理简述(以三相四线表为例)1.3 技术参数1.3.1 主要技术参数拟制:尤勇2010-06-25 图号:OKRW2.702.598SS审核:1.3.2 日历时钟(DS3231SN温补时钟)1.3.3 光耦脉冲输出1.3.4 其它数据拟制:尤勇2010-06-25 图号:OKRW2.702.598SS 审核:拟 制: 尤勇 2010-06-25 图 号:OKRW2.702.598SS 审 核:1.3.5 外形和布局底盒端盖拟 制: 尤勇 2010-06-25 图 号:OKRW2.702.598SS 审 核:1.3.6 安装尺寸2 仪表主要功能2.1 电量分时计量本仪表有两种配置:TH 及TF 型(由模式字1的b6设置)。
TH 型为双方向电能表,它可以计量正、反向有功,4象限无功以及A 、B 、C 各元件有功、无功电量。
TF 型为单方向电能表,它可以计量正向有功,4象限无功以及A 、B 、C 各元件有功、无功电量,反向有功计量精度不作保证,仅供参考。
TH 型和TF 型电能表都计量2种组合的无功电量,2种组合的无功电量可由4个象限的无功电量任意组合(通过无功组合模式字6、模式字7设置)。
D T S D341电能表说明书1 综合介绍1.1 概述DSSD331/DTSD341型(配置号为MB3V7.4)三相电子式多功能电能表是威胜集团有限公司研制生产的新一代智能型高科技电能计量产品,符合GB/T17215、GB/T17882、GB/T17883 和DL/T614 等电能表有关标准,采用DL/T645通信规约(有扩展)。
1.2 工作原理简述本产品由电流互感器、集成计量芯片、微控制器、温补实时时钟、数据接口设备和人机接口设备组成。
集成计量芯片将来自电压分压,电流互感器的模拟信号转换为数字信号,并对其进行数字积分运算,从而精确地获得有功电量和无功电量,微控制器依据相应费率和需量等要求对数据进行处理。
其结果保存在数据存储器中,并随时向外部接口提供信息和进行数据交换,其原理框图如图1所示。
图1:工作原理简述(以三相四线表为例)1.3 技术参数1.3.1 主要技术参数日历时钟光耦脉冲输出1.3.4 继电器输出如果选择了负荷控制功能,将配置“报警”及“跳闸”继电器,“报警”及“跳闸”辅助端子为继电器的常开触点。
继电器的开关能力:纯阻性负载的情况下,220VAC ,130mA1.3.6 外形和布局铅封螺钉锁条有功指示灯下面板下透镜上盒带端子的端子排开盖检测按钮光通信口铁芯无功指示灯远红外指示灯报警指示灯上透镜上面板液晶显示屏底盒端盖铅封按钮按钮电池门按钮按钮铅封螺钉1.3.7 安装尺寸1.3.8 主端子接线图注:辅助电源为可选功能,具体接线以表计端盖上接线图为准。
2 仪表主要功能2.1 电量分时计量本仪表有两种配置:TH及TF型(由模式字1的b6设置)。
TH型为双方向电能表,它可以计量正、反向有功,4象限无功以及A、B、C各元件有功、无功电量。
TF型为单方向电能表,它可以计量正向有功,4象限无功以及A、B、C各元件有功、无功电量,反向有功计量精度不作保证,仅供参考。
TH型和TF型电能表都能计量2种组合的无功电量,2种组合的无功电量可由4个象限的无功电量任意组合(通过无功组合模式字设置)。
1 综合介绍1.1 概述DTSD341(DSSD331)-MC3SZ3SZ型三相四线(三相三线)电子式多功能电能表,是长沙威胜电子有限公司开发研制生产的新一代电能计量产品。
它采用国际标准IEC1036并符合国家标准GB/T 17215 - 2002、GB/T18460及电力行业标准DL/T 614 - 1997,通信协议符合电力行业标准DL/T 645—1997 《多功能电能表通信规约》及威胜协议。
本产品采用专用大规模集成电路和SMT电子装联生产工艺,为产品的实用性和可靠性奠定了良好的基础。
本产品可根据用户需求灵活选择多种功能:分时或不分时;正向有功电能中包括反向有功电能或正向、反向分开计量;感性无功电能中包括容性无功电能或感、容分开计量。
本产品具有断零线有功正常计量、逆相序正常计量等多种防窃电措施。
在接口方面,本产品还具有电量脉冲输出接口、RS485通信接口、远红外通信接口。
本公司产品的开发、制造、销售质量保证体系于1996年通过了挪威船级社ISO9001认证,本产品获得了国家相关部门的生产许可证及入网许可证。
1.2 工作原理本产品为直接接入式或经电流互感器接入式三相四(三)线交流有、无功电能表。
由电流互感器、电能计量专用芯片、CPU、实时时钟、不易挥发数据存储器、液晶显示器、通信接口等电路模块构成。
电压、电流模拟信号进入电能计量专用芯片进行电能量的计算,其结果以数据形式输出,CPU再对此数据进行分析处理,并将相关结果保存在数据存储器中,并随时向外部接口提供信息和进行数据交换,其原理框图如图1所示(以三相四线为例)。
图1 工作原理1.3 规格及主要技术参数三相四线额定电压: 3 × 220V/380V,47.5 Hz—52.5 Hz标定电流: 1.5(6)A 2000imp/kWh 2000imp/kvarh5(20)A 600 imp/kWh 600 imp/kvarh10(40)A 200 imp/kWh 200 imp/kvarh20(80)A 200 imp/kWh 200 imp/kvarh准确度等级:有功0.5、0.5S、1级无功2级额定电压: 3×100V, 47.5 Hz—52.5 Hz标定电流: 1.5(6)A 5000imp/kWh 5000imp/kvarh 准确度等级:有功0.5、0.5S、1级无功2级1.3.1 主要技术参数见“表1 主要技术参数”。
1 综合介绍1.1 概述DSSD331/DTSD341型(配置号为MB3V7.4)三相电子式多功能电能表是威胜集团有限公司研制生产的新一代智能型高科技电能计量产品,符合GB/T17215、GB/T17882、GB/T17883 和DL/T614 等电能表有关标准,采用DL/T645通信规约(有扩展)。
1.2 工作原理简述本产品由电流互感器、集成计量芯片、微控制器、温补实时时钟、数据接口设备和人机接口设备组成。
集成计量芯片将来自电压分压,电流互感器的模拟信号转换为数字信号,并对其进行数字积分运算,从而精确地获得有功电量和无功电量,微控制器依据相应费率和需量等要求对数据进行处理。
其结果保存在数据存储器中,并随时向外部接口提供信息和进行数据交换,其原理框图如图1所示。
L C D显示器Ia+Ia-Ib+ Ib-Ic+ Ic-仪用电流互感器(CT)ia-ia+ib-ib+ic-ic+微控制器UaUb Uo Uc Uo 电压分压电路Uo uauouououbuc通信接口I C卡接口内部存储器时钟/电池脉冲输出按钮集成计量芯片停电抄表电池电源aUbUUUcn图1:工作原理简述(以三相四线表为例)1.3 技术参数项目技术要求参比电压3×220V/380V, 3×57.7V/100V, 3×100V 工作电压范围0.7Un—1.3Un电流测量范围互感器接入式:1.5(6)A,1(2)A, 5(10)A,0.3(1.2)A,5(6)A 直通式:10(40)A, 15(60)A, 20(80)A准确度等级有功0.5S级、1级无功2级工作温度-25℃~+55℃极限工作温度-35℃~+65℃相对湿度≤95%(无凝露) 频率范围(50±2.5)Hz启动电流互感器接入式:1‰Ib( 0.5S级),2‰Ib( 1级) 直通式:4‰Ib( 1级)功耗<2W,10V A MTBF ≥6×104 h时钟误差≤0.5 秒/天(0℃~+40℃时:±2ppm;-40℃~+85℃时:±3.5ppm)时钟频率1Hz 电池寿命10年电池连续工作时间 ≥5年脉冲输出常数出厂设置以表计面板标识为准。
USER MANUALDSSD331/DTSD341-9DTHREE PHASE ELECTRONIC MULTIFUNCTION ENERGY METERContent1.Overview ......................................................................................................................................................................1.1.Standard.......................................................................................................................................................................1.2.Working Theory ............................................................................................................................................................plate Description..................................................................................................................................................1.4.Technical Parameter .....................................................................................................................................................Basic Technical Parameter ..................................................................................................................................................Calendar Clock ...................................................................................................................................................................Power Impulse....................................................................................................................................................................Other Parameter .................................................................................................................................................................2.Glossary .......................................................................................................................................................................................................2.1.Demand interval............................................................................................................................................................2.2.Maximum demand ........................................................................................................................................................2.3.Sliding window time ......................................................................................................................................................2.4.Peak on, Peak, Peak off, Valley, Low Valley, Lowest Valley time zone.............................................................................2.5.Harmonic voltage(voltage Distortion) .............................................................................................................................2.6.Harmonic current(current Distortion)..............................................................................................................................2.7.Total Voltage Harmonic Distortion(THD U) .......................................................................................................................2.8.Total Current harmonic Distortion(THD i) ....................................................................................................................3.Function Introduction ................................................................................................................................................................................3.1.TOU energy measurement (six tariffs, 4 quadrants)........................................................................................................3.2.Measure current, voltage, frequency and power.............................................................................................................3.3.Calculate M.D...............................................................................................................................................................3.4.Harmonic analyze .........................................................................................................................................................3.5.The record of 12 months account data...........................................................................................................................3.6.The record of load curve ...............................................................................................................................................3.7.Main and Subsidiary Tariff Setting..................................................................................................................................3.8.The record of event.......................................................................................................................................................Loss Phase.........................................................................................................................................................................No load...............................................................................................................................................................................Loss current........................................................................................................................................................................Exceed Voltage limit............................................................................................................................................................Unbalance voltage ..............................................................................................................................................................Reverse..............................................................................................................................................................................Exceed demand..................................................................................................................................................................Power on ............................................................................................................................................................................Reset..................................................................................................................................................................................Three Phase Failure Record................................................................................................................................................Current Reverse Indicator....................................................................................................................................................The record of electronic energy quality.................................................................................................................................The unbalance rate of current..............................................................................................................................................The event of high-neutrality current......................................................................................................................................The exceed limit of current ..................................................................................................................................................Open cover events..............................................................................................................................................................3.9.Freezing Energy ...........................................................................................................................................................3.10.I mpulse output and accuracy check...............................................................................................................................3.11.Other signal output........................................................................................................................................................3.12.D ouble RS-485 communication and optical communication............................................................................................3.13.R eading meter when PT shut down ...............................................................................................................................3.14.B attery..........................................................................................................................................................................4.LCD Description .........................................................................................................................................................................................4.1.LCD display face...........................................................................................................................................................4.2.Description of main display screen. ...............................................................................................................................4.3.Dendrite menu (refers to appendix 1).............................................................................................................................4.4.Description of menu, display screen and the mark..........................................................................................................Main menu..........................................................................................................................................................................Submenu of real time data...................................................................................................................................................Submenu of real time data...................................................................................................................................................Submenu of meter status word ............................................................................................................................................Submenu of history data......................................................................................................................................................Submenu of three phase total energy...................................................................................................................................4.4.8. Submenu of query parameter.......................................................................................................................................Other menu.........................................................................................................................................................................4.5.Alarm information definition...........................................................................................................................................5.Installation and connection ........................................................................................................................................................................5.1.installation dimension and usage...................................................................................................................................5.2.main terminal connect...................................................................................................................................................5.3.Auxiliary terminal connect .............................................................................................................................................6.1.The operation of button (key).........................................................................................................................................6.2.RUN, EVENT and power impulse output........................................................................................................................6.3.parameter setting, clear zero, M.D resetting...................................................................................................................6.4.Change battery.............................................................................................................................................................6.5.leading sealing..............................................................................................................................................................7.Notice ...........................................................................................................................................................................................................7.1.Notice in using time.......................................................................................................................................................7.2.Transportation and Storage ...........................................................................................................................................7.3.Guarantee ....................................................................................................................................................................8.Maintance ....................................................................................................................................................................................................8.1.Free of charge ..............................................................................................................................................................8.2.Free of Duty, on this condition, the service may take cost............................................................................................... Appendix 1: DSSD331/DTSD341-9D meter structure............................................................................................................. Remark: if you know more about display content, you can see 4. LCD display user manual. ................................................... Appendix 2: The manual of display code(Display ID code)...................................................................................................... Remark: if you know more about display content, you can see 4. LCD display user manual. ...................................................1. Overview1.1. StandardDL/T 614-1997 《Multifunction Energy Meter 》GB/T 17883-1999 《Class 0.2S and 0.5S Static AC Active Energy Meter 》GB/T 17882-1999 《Class 2 and 3 Static AC Reactive Energy meter 》DL/T 645-1997 《Multifunction Energy Communication Protocol 》GB/T 15543-1995 《Power Quality Unblance Rate of Three Phase Voltage 》1.2. Working TheoryDSSD331/DTSD341-9D type 0.2s class energy meter use slap-up meter design project: DSP+ management MCU, include DSP and MCU. The working theory is as follow: the 16 bits A/D converter and DSP sample the current and voltage and making relative calculation. The DSP finish the parameter measurement, energy consumption, and harmonic analysis, harmonic energy calculation. All the calculation will be send to MCU through the high speed communication channel, and the MCU will manage the display, data analysis, storage, communication, other function and parameter, the working theory is show in diagram 1.Diagram 1 DSSD331/DTSD341 –9D Working Theory1.3.Diagram 2 DSSD331/ DTSD341 –9 D Nameplate Descriptions1.4. Technical ParameterNote’*’: The built -in Battery is for power supply of built-in clock1.4.3. Power Impulse⏹Meter Constant⏹Impulse Parameter2.1. Demand intervalBe measured time interval that is consecutive-equal for average power.2.2. Maximum demandMaximum value for demand in a special period2.3. Sliding window timeBe measured time interval for M.D by recurrence, the time interval is less than demand interval2.4. Peak on, Peak, Peak off, Valley, Low Valley, Lowest Valley time zonePeak on: The Period of Maximum Load in a dayPeak: The Period of High Loda in a dayPeak off: The Period of average load in a dayValley: The Period of Small Load in a dayLow Valley: The Period of Smaller Load in a dayLowest Valley: The period of Minimum Load in a day2.5. Harmonic voltage(voltage Distortion)U H: Harmonic Voltagen: Harmonic timesU h: the h times harmonic voltage2.6. Harmonic current(current Distortion)I H: Harmonic Currentn: Harmonic timesI h: the h times harmonic current2.7. Total Voltage Harmonic Distortion(THD U)U H: Harmonic voltageU1: Fundamental wave voltage2.8. Total Current harmonic Distortion(THD i)I H= Harmonic currentI1= Fundamental wave current3. Function Introduction3.1. TOU energy measurement (six tariffs, 4 quadrants)Measure total and the energy by 6 tariffs for import/export kWh, kvarh as well as the kvarh of 4 quadrants, the defination of 4 quadrants is described in diagram 3.Diagram 3: Defination of 4 QuadrantsThere are two types of reactive measurement mode as following:1) Import Reactive= Ⅰ Quadrant + Ⅱ QuadrantExport Reactive= Ⅲ Quadrant + Ⅳ Quadrant2) Import Reactive= Ⅰ Quadrant + ⅣQuadrantExport Reactive= Ⅲ Quadrant + Ⅱ QuadrantThese two types of measurement mode can be programed before usage.The accuracy calss for reactive measurement is 0.2S and calss 1.0 for reactive, the reactive accuracy is inspected by follow the standard 《Class 1 and 2 Static AC Active Energy Meter 》Year section (Maximum 14 times): The one year can be devided into several time section which can be applied with different schedule (Maximum 12 times) of day switch times (Maximum 14 times), the tariff for each day switch can be programmed but the maximum number is 6 tariffs. There are special time in a year which can be programmed like the weekend and holiday, customer may set special day switch schedule for these days. Current tariff can be displayed and reviewed on the left buttom of LCD.3.2. Measure current, voltage, frequency and powerMeter can measure voltage & current of each phase and each element, measure total and reach pahse & element kW, kvar, power factor and frequency. The voltage between the virtual center and line for a 3 phase 3 wire meter can be calculated. The distinguish ability for voltage 0.01V, for current is 0.001A, for kW and kvar is 0.0001, for frequency is0.001Hz. The power direction can be indicated by displying the symble “P”, “+”, “-”, “Q” and “1~4”.3.3. Calculate M.DMeter can measure total M.D. of import/export kW & kvar, 4 quadrant kvar with time, and the M.D. can be measured by each tariffs also. The demand interval is programable from 5, 10, 15, 30 and 60 minutes, sliding time is programable from 1, 2, 3 and 5 minutes.3.4. Harmonic analyzeDSP convert the voltage and current signal by FFT in 256 points, then the value, phase of 2~39 times harmonic voltage and current can be calculated out, the accuracy for harmonic value is 2% (for 2~21 times harmonic), the phase accuracy is +1~2 degree. All harmonic information can be displayed on LCD, and the harmonic data storage can be read out through communication port. There are 6 kinds of harmonic date will be stored like: n times harmonic voltage, orginal phase and the harmonic value, n times harmonic current, orginal phase and the harmonic value, total aberrance rate of harmonic voltage, total aberrance rate of harmonic current. The harmonic value can be display on LCD in histogram format.3.5. The record of 12 months account dataMeter can record total and TOU kWh, kvarh, M.D. and M.D time of current month and last 1th to 12th month. The billing time is clock 00:00 from the frist day for each month, and this billing date can be programmed.3.6. The record of load curveThe record mode of load curve can be set through any communication port on meter, there are 8 kinds of data can be record, user may use this date to draw curve for analyse.Definition of 8 kinds of load curveThe memory size of load curve data storage is 4M bytes. The minimum record interval for these data is 1 minute. The data items to be record and the interval are programmable. Meter will start to record each data according to the setting from the pre-set ‘start time’Calculate formula: T =)(LM-∑=91)/(iTiLiT = the record of curve of load time lengthM = FLASH memory (-9D meter memory is 4M)L= Index table length (-9D meter memory is 16.5bytes)Li= Total bytes of the i class dataTi= the setting time interval of i class data3.7. Main and Subsidiary Tariff SettingThere are two tariff settings can be programmed in the meter, current active tariff is main tariff and the subsidiary tariff is backup tariff. The switch time for these two settings can be programmed. And there are different symbles on LCD to indicate the main and subsidiary tariff, ①for main and ②for subsidiary. When meter is running under season tariff, the two symbols will not displayed.3.8. The record of event3.8.1. OutageMeter can record last 10 times of outage time, starting time, times and accumulative total outage time.3.8.2. Loss PhaseWhen the power is on at 3 phases 4 wires mode, if the voltage of 1 phase is lower than ug and the casting time is longer than tu, and the current of the phase is lower than 0.5%IB±0.05%IB,the phase is Power down; When the voltage of Loss-phase goes higher to ug and casting longer than td, the phase resumes. In 3P3W mode, if the total voltage of element A & C lower than 1.2 times of Un, B phase lose phase. If the voltage of element A&C ua-uc|≥u0, and casting longer than tu, and the current of the element lower than 0.5%Ib±0.05%Ib, A phase lose phase. When |ua-uc| is lower than u0, and the casting time longer than td, the phase resume. When loss phase is taking place, happening time, loss phase times and total time will be recorded. Event light will be turned on automatically. After loss phase, ending time will be recorded and alarm will be cancelled.ug: Limited Value for loss phase, can be set up(25V~Un,Un=57V or 100V), default 30V.tu: Loss phase casting time, can be set up(1 min~99 min), default 1 minute.td: Loss phase resume casting time, can be set up(1 min~99 min),default 1 minute.3.8.3. Loss voltageIf the voltage of a loss voltage is lower than 78%Un±2V, the current is higher than 0.5%Ib+0.05%Ib, and cast longer than te, this phase loss voltage. Loss voltage start/end time, meantime power and total time will be recorded, event light turn on. But, when 3P3W, if voltage of element A&C is lower than Uw, it is not loss voltage.When voltage of the phase resumes to 85%Un±2V, and cast longer than tf,timing stops, Loss voltage stops. The meter will record the ending time, meantime power and cancel the alarm.The meter has the function to record all loss voltage events from first time to 10th time, loss voltage times and total times.Besides, the meter recorded the active energy of import/export, metering from the communication port.Un:Limited value for loss voltage, can be set up(20V~Un,Un=57V or 100V),default 57V;Uw:the up limit of voltage failure in three phase three wire system can be set to 20V~Un,Un=57V or 100V, the default setting is 57V;te Loss voltage casting time, can be set up(1 min~99 min),default 1 minute;tf Loss voltage resuming time, can be set up( 1 min~99 min), default 1 minute.3.8.4. No loadIn 3P3W mode, when each current is lower than I0,either the voltage of A or C is lower than I0,it is unload. The Event light turn on, meter records start/end time and total time.I0: Limited value for unload, can be set up(20mA~99mA),default 30mA.3.8.5. Loss currentWhen loading, if the current of a phase Is lower than Ig,and lower than 1/Riof the average of the voltage for another 2 phases, and cast longer than ti, 1 current of the phases is higher than Ik, this phase lost. When the current of the disconnected phase is higher than Ig,and higher than 1/Riof the average of the voltage for another 2 phases and cast longer than tj, this lost current resumed.When disconnected, the meter record the happening time and meantime power, turn on the event light. When resuming, it record the resuming time and meantime power, and cancel alarm. Beside this, the meter record import/export active energy measurement when disconnecting, metering by the communication port.The meter has function to record disconnected current times and total time.Ig: Limited value for disconnected current No 1, can be set up(20mA~99mA),default 60mA;Ik: Limited value for disconnected current No 2, can be set up(20mA~99mA),default 60mA;Ri:the phase current scale factor can be set to 2~50,the default setting is 8;T(i): Casting time when disconnecting current, can be set up(1 min~99 min), default 1 minute.T(j): Casting time when disconnecting current resuming, can be set up(1 min~99 min), default 1 minute.3.8.6. Exceed Voltage limitWhen any voltage of phase is higher than 125%Uh, and casting time≥t(over), this phase exceed limit; When the volt age is 120%Uh or less, and the casting time ≥t(over), exceed limit stops. And it record the start/end time(Month, day, hour and minute) from the first time to 10th and the meantime voltage.Uh: Distinguishing limited value for exceed limit, can be set up (20V~Un, Un=57V or 100V), default 57V;T(over):Casting time when exceed limit, can be set up (1 min~99 min), default 1 minute.3.8.7. Unbalance voltageWhen the voltage of the three phases are unbalanced, and the unbalance rate is bigger than the preset limit, meter will record the unbalance events. When the unbalance rate is lower than the preset limit, the event recording stopped. Meter3.8.8. ReverseThe meter will record start/end time (month, day, hour and minute) of reverse from 1st time to 10th and meantime active power. The symbol ‘Alarm’ will be displayed when this event happened.3.8.9. Exceed demandWhen the average demand of demand cycle ≥ the up limited of demand (can be set up, default 1000W), it is exceed demand. The meter record the demand, exceed demand time, and turn on alarm light; when the maximum demand less than the up limited, exceed demand stops, and the time will be record. Meter can record last ten times events.3.8.10. ProgrammingMeter will record each programming time from 1st time to 10th and the programming mark.3.8.10.1. Power onMeter will record each power on time from 1st time to 10th (month, day, hour and minute).3.8.10.2. ResetMeter will record each reset time from 1st time to 10th (month, day, hour and minute).3.8.10.3. Clear demandMeter will record each clear demand time from 1st time to 10th (month, day, hour and minute), and maximum demand before clear demand.3.8.10.4. Clear zeroMeter will record each clear zero time from 1st time to 10th (month, day, hour and minute), and the active energy before clear zero.3.8.10.5. Calibrate dateMeter will record each time of calibrate date from 1st time to 10th (month, day, hour and minute), and time before calibrate date(month, day, hour and minute).3.8.10.6. Voltage Qualification RateThe up and lower voltage limit is programmable to check the voltage quality, meter will measure the average voltage of every minute than compare with the limit value. The total running time of phase A/B/C when the voltage is in the checking range or exceed the up limit or lower than the lower limit will be record.The up & lower limit of voltage checking range is programmable; the default setting is 0V;The up & lower limit of voltage qualified range is programmable; the default setting is 0V;3.8.10.7. xceed limit of voltage DistortionWhen the total harmonic voltage/current is large than the up limit (programmable, the default voltage setting is 10V and the current is 6A) the aberration event is happened, and meter will record this event with time; when it voltage/current come back and lower than the limit, the event finished, and meter will record the event with time.The last ten time events will be record.3.8.10.8. Three Phase Failure RecordWhen the three phase voltage failed, meter will record this events, the start and end time and current total energy value, meter will make alarm by LED lighting. The voltage failure event for each phase will not record at this moment.3.8.10.9. Current Reverse IndicatorFor three phase four wire connection, when any one phase current reversed, the relative symbol (Ia, Ib, Ic) for each phase with ‘-’ will be diplayed on LCD3.8.11. The record of electronic energy quality3.8.11.1. The unbalance rate of currentWhen the current of the three phases are unbalanced, and the unbalance rate is bigger than the preset limit, meter will record the unbalance events. When the unbalance rate is lower than the preset limit, the event recording stopped. Meter(3P4W)(3P4W)。
1 综合介绍1.1 概述DSSD331/DTSD341型(配置号为MB3V7.4)三相电子式多功能电能表是威胜集团有限公司研制生产的新一代智能型高科技电能计量产品,符合GB/T17215、GB/T17882、GB/T17883 和DL/T614 等电能表有关标准,采用DL/T645通信规约(有扩展)。
1.2 工作原理简述本产品由电流互感器、集成计量芯片、微控制器、温补实时时钟、数据接口设备和人机接口设备组成。
集成计量芯片将来自电压分压,电流互感器的模拟信号转换为数字信号,并对其进行数字积分运算,从而精确地获得有功电量和无功电量,微控制器依据相应费率和需量等要求对数据进行处理。
其结果保存在数据存储器中,并随时向外部接口提供信息和进行数据交换,其原理框图如图1所示。
L C D显示器Ia+Ia-Ib+ Ib-Ic+ Ic-仪用电流互感器(CT)ia-ia+ib-ib+ic-ic+微控制器UaUb Uo Uc Uo 电压分压电路Uo uauouououbuc通信接口I C卡接口内部存储器时钟/电池脉冲输出按钮集成计量芯片停电抄表电池电源aUbUUUcn图1:工作原理简述(以三相四线表为例)1.3 技术参数项目技术要求参比电压3×220V/380V, 3×57.7V/100V, 3×100V 工作电压范围0.7Un—1.3Un电流测量范围互感器接入式:1.5(6)A,1(2)A, 5(10)A,0.3(1.2)A,5(6)A 直通式:10(40)A, 15(60)A, 20(80)A准确度等级有功0.5S级、1级无功2级工作温度-25℃~+55℃极限工作温度-35℃~+65℃相对湿度≤95%(无凝露) 频率范围(50±2.5)Hz启动电流互感器接入式:1‰Ib( 0.5S级),2‰Ib( 1级) 直通式:4‰Ib( 1级)功耗<2W,10V A MTBF ≥6×104 h时钟误差≤0.5 秒/天(0℃~+40℃时:±2ppm;-40℃~+85℃时:±3.5ppm)时钟频率1Hz 电池寿命10年电池连续工作时间 ≥5年脉冲输出常数出厂设置以表计面板标识为准。
拟 制:吕斌2005-07-20 图 号:OKRW2.702.277DSS 审 核: 1 概述 1.1 标准DL/T 614-1997 《多功能电能表》GB/T 17883-1999《0.2S 级和0.5S 级静止式交流有功电能表》 GB/T 17882-1999《2级和3级静止式交流无功电能表》 DL/T 645-1997 《多功能电能表通信规约》(威胜公司对此协议有扩展) GB/T 15543-1995《电能质量 三相电压允许不平衡度》 1.2 工作原理DSSD331/DTSD341 -9D 型0.2S 级电能表采用当今世界流行的高档电能表设计方案:DSP +管理MCU ,将DSP 高速数字信号处理功能和高档MCU 完善的管理功能结合。
其基本工作原理如下:16位A/D 转换器和DSP 高速数据处理器对各相电流、电压进行采样。
通过相应的数学计算,由DSP 部分完成对电参量测量、电能累计及电能计算等工作。
计算数据通过高速通信接口与管理MCU 进行数据交换;管理部分采用一款16位MCU ,主要完成显示、数据统计、存储、通信、电表功能选择以及初始化数据设定等工作。
其整表硬件原理框图如图1所示。
1.3 DSSD331/ DTSD341 –9D 型表面板说明电表面板说明详见图2所示。
图2 DSSD331/ DTSD341 –9D 型表面板布置调制型红外接口 运行指示灯事件指示灯 液晶显示屏 吸附式红外接口 脉冲输出指示 取消键确认键下移键 数据备份卡(上表盖内侧) 条码张贴处 接线端盖铅封处 上表盖铅封处图 1 DSSD331/DTSD341 –9D 原理框图1.4 技术参数1.4.11.4.2注:内部电池仅用于内部时钟1.4.31.4.4拟制:吕斌2005-07-20 图号:OKRW2.702.277DSS 审核:拟 制:吕斌2005-07-20 图 号:OKRW2.702.277DSS 审 核: 2术语2.1 需量周期(Demand interval ) 测量平均功率的连续相等的时间间隔。
2.2 最大需量(Maximum demand )在指定的时间区间内,需量周期中测得的需量最大值。
2.3 滑差(窗)时间(Sliding window time )采用依次递推方式来测量最大需量的时间间隔,该时间间隔小于需量周期。
2.4 尖、峰、平、谷、脊谷、尖谷时段电力系统日负荷曲线最突出的时段称为尖时段;高峰负荷对应的时段称为峰时段;低谷负荷对应的时段称为谷时段;比谷负荷更低一级负荷对应的时段称为脊谷时段;最低负荷对应的时段称为尖谷时段;尖、峰、谷、脊谷、尖谷时段外对应的时段称为平时段。
2.5 谐波电压含量(又称为畸变电压)各次谐波电压方均根值,称为谐波电压含量,也称为畸变电压或总谐波电压。
计算公式如下:其中:n 为采集计算的谐波次数 U h 为第h 次谐波电压2.6谐波电流含量(又称为畸变电流)各次谐波电流方均根值,称为谐波电流含量,也称为畸变电流或总谐波电流。
计算公式如下:其中:n 为采集计算的谐波次数I h 为第h 次谐波电流2.7 电压总谐波畸变率谐波电压方均根值对基波电压的比值,称为电压总畸变率(THD U )。
其中:H U 为谐波电压含量;U 1为基波电压2.8 电流总谐波畸变率谐波电流方均根值对基波电流的比值,称为电流总畸变率(THD I )。
其中:I H 为谐波电流含量;I 1为基波电流电压总畸变率×100%电流总畸变率 ×100% 1U U THD Hu =1I I THD H i =谐波电压含量 ∑==nh h H U U 22)(谐波电流含量 ∑==nh hH I I 22)(3功能介绍3.1分时计量电能(6费率,四象限)电表可以计量总及6个费率的输入/输出有功、输入/输出无功及四象限无功电能,四象限定义详见图3所示。
其中:①输入无功电能=Ⅰ象限无功电能±Ⅳ象限无功电能;②输出无功电能=Ⅲ象限无功电能±Ⅱ象限无功电能;当方式字3的bit2=1时①②式均取“-”号,默认为“+”号;有功准确度等级为0.2S级,无功准确度等级为1级, 无功1级是参照GB/T17215《1级和2级静止式交流有功电能表》标准检定而得到的。
年时区是指在一年当中有若干个日期段,在每个不同的日期段中,对应有不同的日时段表;而不同的日时段表,对应有不同的费率划分。
在普通的年时区之外还另外划有两类特殊的日期:周休日及公共节假日,它们可以选择对应的日时段表。
日时段是指将一天分为若干个时段,每个时段对应一种费率。
注:1.如果取垂直向上作为电压矢量并画出代表单相或三相平衡系统的电流矢量线,则该电流矢量将指明其它量的状态;2.本图的参考矢量是电压矢量(取向上为正方向);3.电流矢量I随相角Φ改变方向;4.电压U和电流I间的相角Φ以顺时针方向为正。
图 3 有功和无功功率的几何表示示意图本电表一年最多可设置14个年时区(不包括节假日和周休日),最多可有12套不同的日时段表,最大日时段数为14,最大公共节假日数为13。
最大费率数为6。
6个费率依次为:费率1(T1-尖)、费率2(T2-峰)、费率3(T3-平)、费率4(T4-谷)、费率5(T5-脊谷)、费率6(T6-尖谷),它们可以根据需要进行编程设定,当前费率可在液晶显示屏幕的左下角显示查看(显示方式:T1~T6)。
注:如果时段表中某一时段的费率号大于费率数时,此时段的电量计入最大费率数(如:若最大费率数为4,则该段电量计入费率4)。
3.2测量电压、电流、频率及功率电表能测量各相/各元件的电压(显示分辨率:0.01V)、电流(显示分辨率:0.001A),测量总及各相/各元件的有功功率、无功功率、功率因数及电网频率。
根据需要也可计算出三相三线制时各线对虚拟中点的电参量值。
有功功率(W)及无功功率(var)的计算分辨率均为0.0001,显示分辨率最大为拟制:吕斌2005-07-20 图号:OKRW2.702.277DSS审核:0.0001。
通过液晶显示屏左下角的字符“P”及“+”“-”组合实时指示当前总有功功率的方向;“Q”和“1~4”组合实时指示当前总无功功率象限。
频率的显示分辨率为0.001Hz.。
3.3计算最大需量电表可以计量总及6个费率的输入/输出有功、输入/输出无功及四象限无功最大需量及其发生时间。
最大需量周期和滑差时间可按照DL/T 614-1997中的定义设置:需量周期可在5、10、15、30、60min 中选择,滑差(窗)式需量周期的滑差时间可在1、2、3、5min中选择。
需量周期应为滑差(窗)时间的整数倍5~15倍。
出厂设置为:最大需量周期为15分钟,滑差时间为1分钟。
3.4谐波分析DSP对电流和电压信号实时进行256点FFT变换处理,可给出2~32次电压、电流谐波分量的幅值、相位等测量值,谐波幅值精度为2%(2~21次谐波),相位精度为±1~2度,所有的谐波信息可以通过液晶显示屏显示,也可通过通信口将相关的谐波数据读出。
谐波数据符合GB/T 14549-93《电能质量公用电网谐波》要求,这六类谐波数据:n次谐波电压幅值、初始相位及其含有率、n次谐波电流幅值、初始相位及其含有率、电压总谐波畸变率、电流总谐波畸变率等,详见“4.液晶显示说明”。
另外谐波含有率还可以以柱状图的方式在液晶屏上直观地显示出来。
3.4外部PT、CT比差和角差的修正和补偿电表可以根据需要对外部PT、CT比差、角差进行自动补偿,从而降低整个计量系统的综合误差。
电表对外部PT分14段、CT分14段进行补偿。
3.5十二个月历史结算数据记录电表除给出当前有、无功总及分时电能、最大需量及最大需量发生时间外,还给出了上1月到上12月的相应历史数据。
这里的“月”是按“结算日时”划分的。
如果“结算日时”中的“日”是0日,则本电表默认结算日时为该月的公历月末的任一整点时刻;当“日”大于28日,则认为不结算。
默认的结算日时是每月的1日0时。
3.6负荷曲线记录功能电表可通过任意一个通信接口(两个RS485接口或红外接口)对“负荷曲线记录模式”及“负荷曲线记录起始时间”进行设定,以选择八类数据中的几项或全部进行同时或不同定时的记录,以便用户绘制负荷曲线进行相应分析。
具体的八类数据详见表1所示。
表 1 负荷曲线存储类别及内容对照表曲线数据的存储容量为4M字节,记录这八类数据的最小时间间隔为1分钟。
八类数据的记录与否可以设定,其记录间隔也可以分别设定。
当电表时钟走过“负荷记录起始时间”,电表即按已设定的间隔记录所设的类型的数据。
一旦重新设定负荷曲线记录的方式,电表会覆盖原来的数据,按照新设定的拟制:吕斌2005-07-20 图号:OKRW2.702.277DSS审核:拟 制:吕斌2005-07-20 图 号:OKRW2.702.277DSS 审 核: 规则重新记录相应的数据。
计算公式: T =)(L M -∑=91)/(i Ti Li其中:T ——负荷曲线记录时间长度M ——FLASH 容量(-9D 表为4M)L ——索引表长度 (-9D 表为16.5k) L i ——第i 类数据总字节数 T i ——第i 类数据设定时间间隔。
3.7 事件记录 3.7.1 基本事件: 3.7.1.1 掉电电表可记录前1~前10次掉电事件发生时间(月日时分),并记录掉电开始时间、次数和累计时间。
3.7.1.2断相三相四线制时,在不掉电的情况下,如果某一相电压低于u g 而且持续时间在t u 以上,且该相电流小于0.5%Ib ±0.05%Ib ,则认为该相断相;当断相电压升高到u g 以上并且持续时间在t d 以上时,认为该相断相恢复。
三相三线制时如果A 、C 两元件电压之和小于1.2倍Un ,则认为是B相断相。
如果A 、C 两元件电压满足|u a -u c |≥u 0条件,而且u a >u c ,并持续t u 时间以上,且该元件电流小于0.5%Ib ±0.05%Ib ,则认为C 相断相;反之,如果u c >u a ,并持续t u 以上,且该元件电流小于0.5%Ib ±0.05%Ib ,则认为A 相断相。
当|u a -u c |小于u 0并且持续时间在t d 以上时,认为该相断相恢复。
断相时记录断相发生的时间,断相总次数和断相累计时间,点亮事件指示灯。
断相状态结束时,记录结束时的时间并撤消报警状态。
u g:: 断相判断电压门槛值,可设置(25V~Un ,Un=57V 或100V),默认值为30V ; t u :断相发生的持续时间,可设置(1分钟~99分钟),默认值为1分钟; t d :断相恢复的持续时间,可设置(1分钟~99分钟),默认值为1分钟。