制作国标标题栏
- 格式:pdf
- 大小:266.30 KB
- 文档页数:2
标题栏规定尺寸必要时,可以按规定加长,加长幅面的尺寸由基本幅面的短边成整数倍增加后得出,如图1-1。
例如A3×4的幅面是1189×420,A3的幅面为420×297。
再如A1×3的幅面,A1幅面为841×594,A1的短边乘以3。
图1-1图纸幅面及加长幅面1.2 图框格式及方向符号图纸可以横放也可以竖放。
画图之前先用粗实线画出边框线,尺寸在表1.1中可以查到。
格式分为留有装订边和不留装订边两种。
分别见图。
(a)(b)不留有装订边图样的图框格式(c)(d)留有装订边图样的图框格式图1-2图框格式为了使图样复制与缩微摄影时定位方便,各号图纸均应在图纸各边长的中点处分别画出对中符号。
对中符号用粗实线绘制,长度从纸边界伸入图框内5mm。
同时为明确绘图与看图时图纸的方向,应在图纸的下边对中符号处画一个方向符号。
图1-3对中符号与看图方向符号1.3标题栏图纸上必须有标题栏。
一般情况下,标题栏画在图纸的右下角,紧贴下边框线和右边框线。
(如图)如需要也允许标题栏如下图所示,但此时必须加方向符号以表明绘图,看图方向。
标题栏主要内容如图1-4所示。
国家标准对标题栏内容并没有硬性规定,企业可以根据情况填加其它需要的内容图1-4标题栏及明细表的格式及尺寸2.比例(GB/T14690-93)比例是图中图形与其实物相应要素的线性尺寸之比。
作图时,应尽可能地按机件的实际大小画出以方便看图。
如果机件太大或太小,可采用缩小或放大的比例画图。
国家标准中推荐供优先选用的比例,如表1-2。
必要时也允许采用图1-3中的比例。
同一机件不同视图应采用相同的比例,比例应标准在标题栏中,个别视图采用与标题栏不同的比例,应在视图名称的下方或右侧标注比例。
例如:表1-2国家标准中推荐供优表1-3允许采用的比例先选用的比例如3.5号字,其高度为3.5MM3.1字体示例10号字:7号字:大写拉丁字母:小写拉丁字母:阿拉伯数字:罗马字母:廓线约2~5mm。
标题栏规定尺寸必要时,可以按规定加长,加长幅面的尺寸由基本幅面的短边成整数倍增加后得出,如图1-1。
例如A3×4的幅面是1189×420,A3的幅面为420×297。
再如A1×3的幅面,A1幅面为841×594,A1的短边乘以3。
图1-1图纸幅面及加长幅面图框格式及方向符号图纸可以横放也可以竖放。
画图之前先用粗实线画出边框线,尺寸在表中可以查到。
格式分为留有装订边和不留装订边两种。
分别见图。
(a)(b)不留有装订边图样的图框格式(c)(d)留有装订边图样的图框格式图1-2图框格式为了使图样复制与缩微摄影时定位方便,各号图纸均应在图纸各边长的中点处分别画出对中符号。
对中符号用粗实线绘制,长度从纸边界伸入图框内5mm。
同时为明确绘图与看图时图纸的方向,应在图纸的下边对中符号处画一个方向符号。
图1-3对中符号与看图方向符号标题栏图纸上必须有标题栏。
一般情况下,标题栏画在图纸的右下角,紧贴下边框线和右边框线。
(如图)如需要也允许标题栏如下图所示,但此时必须加方向符号以表明绘图,看图方向。
标题栏主要内容如图1-4所示。
国家标准对标题栏内容并没有硬性规定,企业可以根据情况填加其它需要的内容图1-4标题栏及明细表的格式及尺寸2.比例(GB/T14690-93)比例是图中图形与其实物相应要素的线性尺寸之比。
作图时,应尽可能地按机件的实际大小画出以方便看图。
如果机件太大或太小,可采用缩小或放大的比例画图。
国家标准中推荐供优先选用的比例,如表1-2。
必要时也允许采用图1-3中的比例。
同一机件不同视图应采用相同的比例,比例应标准在标题栏中,个别视图采用与标题栏不同的比例,应在视图名称的下方或右侧标注比例。
例如:表1-2国家标准中推荐供表1-3允许采用的比例优先选用的比例种类比例原值比例1:1放大比例5:12:15×10n:12×10n:11×1 0n:1缩小比例1:21:51:2×10n1:5×10n1:1×10n种类比例原值比例1:1放大比例5:12:15×10n:12×10n:11×10n:缩小比例1:21:51:2×10n1:5×10n1:1×10n3.字体(GB/T14691-93)汉字:图样中的汉字应写成长仿宋体,采用国家正式公布执行的简化字。
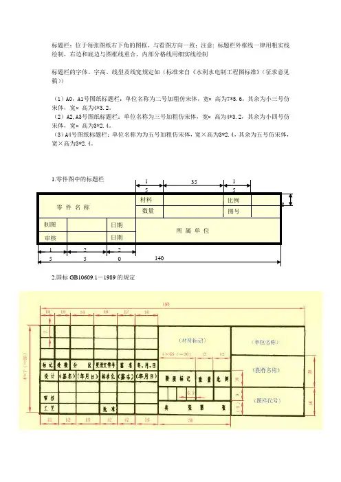
标题栏:位于每张图纸右下角的图框,与看图方向一致;注意: 标题栏外框线一律用粗实线绘制,右边和底边与图框线重合,内部分格线用细实线绘制标题栏的字体、字高、线型及线宽规定如(标准来自《水利水电制工程图标准》(征求意见稿))(1)A0,A1号图纸标题栏:单位名称为二号加粗仿宋体,宽×高为7*5.6,其余为小三号仿宋体,宽×高为4*3.2。
(2)A2,A3号图纸标题栏:单位名称为三号加粗仿宋体,宽×高为4*3.2,其余为小四号仿宋体,宽×高为3*2.4。
(3)A4号图纸标题栏:单位名称为为五号加粗仿宋体,宽×高为3*2.4,其余为五号仿宋体,宽×高为3*2.4。
1.零件图中的标题栏2.国标GB10609.1-1989的规定明细栏示例,每张图纸上都必须画出标题栏,装配图有明细表。
明细表按下图所示绘制和填写15 15零 件 名 称 制图 审核 日期 日期 所 属 单 位 材料 数量 比例 15 25 20 140 8 35 图号装配图零部件序号及明细栏标准标准来自(/view/068eaff7ba0d4a7302763a67.html)一:装配图中的零(部)件序号和明细表为了便于看图和图纸的配套管理以及生产组织工作的需要,装配图中的零件和部件都必须编写序号,同时要编制相应的明细栏。
1、零、部件的序号(1)一般规定1)装配图中所有零、部件都必须编写序号。
2)装配图中,一个部件可只编写一个序号,同一装配图中,尺寸规格完全相同的零、部件,只编一个序号。
3)装配图中的零、部件的序号应与明细栏中的序号一致(2)序号的标注形式零、部件序号标注的基本形式如图标注一个完整的序号,一般应有三个部分:指引线、水平线(或圆圈)及序号数字。
1)指引线指引线用细实线绘制,应自所指部分的可见轮廓内引出,并在可见轮廓内的起始端画一圆点。
2)水平线或圆圈水平线或圆圈用细实线绘制,用以注写序号数字。
国标标题栏尺寸篇一:国标标题栏尺寸是指符合国家标准规定的标题栏大小和样式。
创建与标题相符的正文并拓展正文时,需要了解国标标题栏尺寸,以确保正文内容符合标准和规范。
以下是一些国标标题栏尺寸的示例:1. 16:9标题栏尺寸:这种标题栏尺寸通常用于杂志、报纸和杂志等传统媒体。
它的宽高比为16:9,即长边与宽度的比值为16:9。
这种标题栏尺寸适合展示大幅文章,视觉效果清晰。
2. 4:3标题栏尺寸:这种标题栏尺寸通常用于网页和数字媒体。
它的宽高比为4:3,即长边与宽度的比值为4:3。
这种标题栏尺寸适合展示小幅度文章,视觉效果简洁。
3. 10:16标题栏尺寸:这种标题栏尺寸适合用于展示大幅文章,通常用于电视、广播等传统媒体。
它的宽高比为10:16,即长边与宽度的比值为10:16。
这种标题栏尺寸适合展示大幅文章,视觉效果清晰。
了解国标标题栏尺寸有助于创建与标题相符的正文并拓展正文,使内容符合国家标准和规范。
篇二:国标标题栏尺寸是指根据不同行业或用途的要求,制定的标准化的标题栏尺寸。
创建与标题相符的正文并拓展,具体可以参考下述建议:1. 了解不同行业或用途的标题栏尺寸要求。
例如,在电子商务行业,标题栏通常需要足够大以便显示产品详细信息,而在医疗行业,标题栏则可能需要更小以易于阅读。
2. 遵循国标标题栏尺寸要求。
大多数行业或用途都遵循特定的国家标准或行业标准,因此确保标题栏符合这些标准非常重要。
3. 根据实际情况进行修改。
如果标题栏尺寸不符合要求,可以通过修改正文内容来适应标题栏的大小。
这样可以确保标题栏和正文内容能够完全显示,并且易于阅读。
4. 拓展正文内容。
除了标题栏大小外,正文的大小也非常重要。
确保正文足够大以便显示更多的详细信息,但不要超出标题栏的范围。
这样可以确保读者可以在标题栏和正文之间找到所需的信息。
5. 使用合适的字体和颜色。
根据标题栏和正文的大小和内容类型,选择合适的字体和颜色。
这样可以确保标题栏和正文清晰易读,并且能够更好地传达信息。
标题栏规定尺寸必要时,可以按规定加长,加长幅面的尺寸由基本幅面的短边成整数倍增加后得出,如图1-1。
例如A3×4的幅面是1189×420,A3的幅面为420×297。
再如A1×3的幅面,A1幅面为841×594,A1的短边乘以3。
图1-1图纸幅面及加长幅面1.2 图框格式及方向符号图纸可以横放也可以竖放。
画图之前先用粗实线画出边框线,尺寸在表1.1中可以查到。
格式分为留有装订边和不留装订边两种。
分别见图。
(a)(b)不留有装订边图样的图框格式(c)(d)留有装订边图样的图框格式图1-2图框格式为了使图样复制与缩微摄影时定位方便,各号图纸均应在图纸各边长的中点处分别画出对中符号。
对中符号用粗实线绘制,长度从纸边界伸入图框5mm。
同时为明确绘图与看图时图纸的方向,应在图纸的下边对中符号处画一个方向符号。
图1-3对中符号与看图方向符号1.3标题栏图纸上必须有标题栏。
一般情况下,标题栏画在图纸的右下角,紧贴下边框线和右边框线。
(如图)如需要也允许标题栏如下图所示,但此时必须加方向符号以表明绘图,看图方向。
标题栏主要容如图1-4所示。
国家标准对标题栏容并没有硬性规定,企业可以根据情况填加其它需要的容图1-4标题栏及明细表的格式及尺寸2.比例(GB/T14690-93)比例是图中图形与其实物相应要素的线性尺寸之比。
作图时,应尽可能地按机件的实际大小画出以方便看图。
如果机件太大或太小,可采用缩小或放大的比例画图。
国家标准中推荐供优先选用的比例,如表1-2。
必要时也允许采用图1-3中的比例。
同一机件不同视图应采用相同的比例,比例应标准在标题栏中,个别视图采用与标题栏不同的比例,应在视图名称的下方或右侧标注比例。
例如:表1-2国家标准中推荐供表1-3允许采用的比例优先选用的比例种类比例原值比例1:1放大比例5:12:15×10n:12×10n:11×10n:1缩小比例1:21:51:2×10n1:5×10n1:1×10n种类比例原值比例1:1放大比例5:12:15×10n:12×10n:11×1 0n:缩小比例1:21:51:2×10n1:5×10n1:1×10n3.字体(GB/T14691-93)汉字:图样中的汉字应写成长仿宋体,采用国家正式公布执行的简化字。
标题栏:位于每张图纸右下角的图框,与看图方向一致;注意: 标题栏外框线一律用粗实线绘制,右边和底边与图框线重合,内部分格线用细实线绘制标题栏的字体、字高、线型及线宽规定如(标准来自《水利水电制工程图标准》(征求意见稿))(1)A0,A1号图纸标题栏:单位名称为二号加粗仿宋体,宽×高为7*5.6,其余为小三号仿宋体,宽×高为4*3.2。
(2)A2,A3号图纸标题栏:单位名称为三号加粗仿宋体,宽×高为4*3.2,其余为小四号仿宋体,宽×高为3*2.4。
(3)A4号图纸标题栏:单位名称为为五号加粗仿宋体,宽×高为3*2.4,其余为五号仿宋体,宽×高为3*2.4。
1.零件图中的标题栏2.国标GB10609.1-1989的规定15 15零 件 名 称 制图 审核 日期 日期 所 属 单 位 材料 数量 比例 15 25 20 140 8 35 图号明细栏示例,每张图纸上都必须画出标题栏,装配图有明细表。
明细表按下图所示绘制和填写装配图零部件序号及明细栏标准标准来自(/view/068eaff7ba0d4a7302763a67.html)一:装配图中的零(部)件序号和明细表为了便于看图和图纸的配套管理以及生产组织工作的需要,装配图中的零件和部件都必须编写序号,同时要编制相应的明细栏。
1、零、部件的序号(1)一般规定1)装配图中所有零、部件都必须编写序号。
2)装配图中,一个部件可只编写一个序号,同一装配图中,尺寸规格完全相同的零、部件,只编一个序号。
3)装配图中的零、部件的序号应与明细栏中的序号一致(2)序号的标注形式零、部件序号标注的基本形式如图标注一个完整的序号,一般应有三个部分:指引线、水平线(或圆圈)及序号数字。
1)指引线指引线用细实线绘制,应自所指部分的可见轮廓内引出,并在可见轮廓内的起始端画一圆点。
2)水平线或圆圈水平线或圆圈用细实线绘制,用以注写序号数字。
Wjt276-PROE系列教程一-标题栏(国标)目的:建立标题栏要求标题栏中的各项都能够自动填充(也就是说从模型文件中自己获取图号、产品名称、材料名称等)第一步:建立零件模板为了能够从模型文件中自己获取参数值,那么也就要在模型文件建立参数;建立的参数如下图样名称———CNAME材料标记———CMAT但我使用PTC_MATERIAL_NAME参数)阶段标记———CJDBZ(用户定义的参数)重量———CMASS企业名称———QNAME①新建一个零件文件(文件名为mmns_part_solid.prt你可以自己定义)②设置零件环境的单位:“编辑”→“设置”→“单位”→在出现的对话框中设置“毫米牛顿秒(mmNs)”→右边“设置”→选择“解译尺寸(例如1”变为1mm)→OK(见下图)③建立参数④方法:“工具”→“参数”→点右下角“+”号→在名称列中输入参数名(如CNAME)→在类型列中选择类型(如字符串)→值为空→在说明列中输入简要的说明,以更自己识别)如下图⑤保存文件。
⑥设置缺省的建模模板,通过PROE配置文件template_solidpart值设置为刚才您保存的mmns_part_solid.prt文件(建议单独建立一个文件夹)⑦保存配置文件,一定要存在您PROE的启动目录下,或都PROE 安装目录TEXT下,否则重新启动PROE后,这些设置都无效。
(注意:保存的文件必须为config.pro)见下图第二步:建立标题栏表格①首先我们来看看国标的标题栏是什么样的,见下图,②演变表格:可以看现虽然都是水平和垂直线,但是不是规则的,我们需要对它进行演变成我们可以用PROE表格功能做出的形式。
见下图(是不是很容易看出是怎么一回事呢)。
③制作表格:在PROE中制作②表演变后的表格a、为了各种表格以后使用,现在我们新建一个格式文件(文件名Table.frm).b、菜单:“表”→“插入”→“表”→菜单管理器依次选择“升序”、“左对齐”、“按长度”、“选出点”→在传单位置点击左键。
CAD怎么设计国标标题栏?cad国标图纸标题栏的绘制⽅法今天我们就来看看cad中制作国际标题栏的教程,我们需要先创建表格命令创建表格,还可以从Microsoft Excel中直接复制表格,并将其作为AutoCAD表格对象粘贴到图形中,下⾯我们就来看看详细的教程。
AutoCAD2017(CAD2017) 中⽂精简版(附注册机序列号) 32位类型:3D制作类⼤⼩:387.5MB语⾔:简体中⽂时间:2017-03-26查看详情1、在【功能区】选项板中选择【注释】选项卡,在【表格】⾯板中单击右下⾓的箭头按钮,打开【表格样式】对话框。
单击【新建】按钮,在打开的【创建新的表格样式】对话框中创建新表格样式。
2、单击【继续】按钮,打开【新建表格样式:Table】对话框,在【单元格样式】选项区域的下拉列表框中选择【数据】选项,将【对齐】⽅式设置为【正中】;将【线宽】设置为0.3mm;设置⽂字样式为⼤字体gbcsig.shx,⾼度为5mm。
3、单击【确定】按钮,返回【表格样式】对话框,在【样式】列表框中选择创建的新样式,单击【置为当前】按钮。
4、设置完毕后,单击【关闭】按钮,关闭【表格样式】对话框。
5、在【功能区】选项板中选择【注释】选项卡,在【表格】⾯板中单击【表格】按钮,打开【插⼊表格】对话框,在【插⼊⽅式】选项区域中选择【指定插⼊点】单选按钮;在【列和⾏设置】选项区域中分别设置【列数】和【数据⾏数】⽂本框中的数值为6和3;在【设置单元样式】选项区域中设置所有的单元样式都为【数据】6、单击【确定】按钮,在绘图⽂档中插⼊⼀个5⾏6列的表格7、选中表格中的前2⾏和前3⾏列表单元,在【功能区】选项板中选择【表格】选项卡,在【合并】⾯板中单击【合并单元】按钮,在弹出的菜单中选择【合并全部】命令,将选中的表格合并为⼀个表格单元8、使⽤同样⽅法,按照下图所⽰编辑表格9、选中表格,在要调整⼤⼩的单元格上单击控制点进⾏操作,就可以设置单元格的⾏⾼或列宽,并且依次填写表格中各个单元格的内容,最终效果如图以上就是cad设计国标标题栏的教程,希望⼤家喜欢,请继续关注。
标题栏规定尺寸必要时,可以按规定加长,加长幅面的尺寸由基本幅面的短边成整数倍增加后得出,如图1-1。
例如A3×4的幅面是1189×420,A3的幅面为420×297。
再如A1×3的幅面,A1幅面为841×594,A1的短边乘以3。
图1-1图纸幅面及加长幅面1.2 图框格式及方向符号图纸可以横放也可以竖放。
画图之前先用粗实线画出边框线,尺寸在表1.1中可以查到。
格式分为留有装订边和不留装订边两种。
分别见图。
(a)(b)不留有装订边图样的图框格式(c)(d)留有装订边图样的图框格式图1-2图框格式为了使图样复制与缩微摄影时定位方便,各号图纸均应在图纸各边长的中点处分别画出对中符号。
对中符号用粗实线绘制,长度从纸边界伸入图框内5mm。
同时为明确绘图与看图时图纸的方向,应在图纸的下边对中符号处画一个方向符号。
图1-3对中符号与看图方向符号1.3标题栏图纸上必须有标题栏。
一般情况下,标题栏画在图纸的右下角,紧贴下边框线和右边框线。
(如图)如需要也允许标题栏如下图所示,但此时必须加方向符号以表明绘图,看图方向。
标题栏主要内容如图1-4所示。
国家标准对标题栏内容并没有硬性规定,企业可以根据情况填加其它需要的内容图1-4标题栏及明细表的格式及尺寸2.比例(GB/T14690-93)比例是图中图形与其实物相应要素的线性尺寸之比。
作图时,应尽可能地按机件的实际大小画出以方便看图。
如果机件太大或太小,可采用缩小或放大的比例画图。
国家标准中推荐供优先选用的比例,如表1-2。
必要时也允许采用图1-3中的比例。
同一机件不同视图应采用相同的比例,比例应标准在标题栏中,个别视图采用与标题栏不同的比例,应在视图名称的下方或右侧标注比例。
例如:表1-2国家标准中推荐供表1-3允许采用的比例优先选用的比例种类比例原值比例1:1放大比例5:12:15×10n:12×10n:11×10n:1缩小比例1:21:51:2×10n1:5×10n1:1×10n种类比例原值比例1:1放大比例5:12:15×10n:12×10n:11×1 0n:缩小比例1:21:51:2×10n1:5×10n1:1×10n3.字体(GB/T14691-93)汉字:图样中的汉字应写成长仿宋体,采用国家正式公布执行的简化字。
标题栏规定尺寸国家标准《机械制图》是我国颁布的一项重要技术指标,它统一规定了生产和设计部门所共同遵守的画图规则,每个工程技术人员国家在绘制工程图样时必须严格遵守这些规定。
1.图纸幅面与格式(GB/T14689-1993)1.1 图纸幅面制图时应优先选用国标规定的图纸幅面尺寸,幅面尺寸见表1-1。
表1-1图纸幅面尺寸幅面代号 A0 A1 A2 A3 A4 幅面尺寸841×594420×297×210×297 (B×L) 1189 ×841 594 420e 20 10周边尺c 10 5 寸a 25必要时,可以按规定加长,加长幅面的尺寸由基本幅面的短边成整数倍增加后得出,如图1-1。
例如A3×4的幅面是1189×420,A3的幅面为420×297。
再如A1×3的幅面,A1幅面为841×594,A1的短边乘以3。
图1-1图纸幅面及加长幅面1.2 图框格式及方向符号图纸可以横放也可以竖放。
画图之前先用粗实线画出边框线,尺寸在表1.1中可以查到。
格式分为留有装订边和不留装订边两种。
分别见图。
(a)(b)不留有装订边图样的图框格式(c)(d)留有装订边图样的图框格式图1-2图框格式为了使图样复制与缩微摄影时定位方便,各号图纸均应在图纸各边长的中点处分别画出对中符号。
对中符号用粗实线绘制,长度从纸边界伸入图框内5mm。
同时为明确绘图与看图时图纸的方向,应在图纸的下边对中符号处画一个方向符号。
图1-3对中符号与看图方向符号1.3标题栏图纸上必须有标题栏。
一般情况下,标题栏画在图纸的右下角,紧贴下边框线和右边框线。
(如图)如需要也允许标题栏如下图所示,但此时必须加方向符号以表明绘图,看图方向。
标题栏主要内容如图1-4所示。
国家标准对标题栏内容并没有硬性规定,企业可以根据情况填加其它需要的内容图1-4标题栏及明细表的格式及尺寸2.比例(GB/T14690-93)比例是图中图形与其实物相应要素的线性尺寸之比。
9.41 标题栏及图框的生成以及制图标准选择
作者:青子发布时间:2013-12-26 浏览: 689
一、标题栏及图框的生成功能
在二维绘图中可以根据国家标准和企业标准生成专用标题拦和图框。
1.选择Edit→Background,进入背景中绘制标题拦和图框。
2.若有已做好的标题拦和图框,可选择Insert→Drawing→Frame and Titleblock。
3.若新做标题拦和图框,则运用绘图工具绘出标题拦和图框。
4.选择Edit→Working View,回到工作视图中。
5.将此图保存。
以备以后调用。
在二维绘图中有多个绘图标准可供选择。
1.新生成一张图纸,在New Drawing (新图纸)对话框中,Standard项下选择所需的标准。
(如下左图)
2. 若已有图纸,可选择File →Page Setup ,在Page Setup (图纸设定)对话框Standard 项下选择所需的标准。
(如上右图)。
标题栏规定尺寸必要时,可以按规定加长,加长幅面的尺寸由基本幅面的短边成整数倍增加后得出,如图1-1。
例如A3×4的幅面是1189×420,A3的幅面为420×297。
再如A1×3的幅面,A1幅面为841×594,A1的短边乘以3。
图1-1图纸幅面及加长幅面1.2 图框格式及方向符号图纸可以横放也可以竖放。
画图之前先用粗实线画出边框线,尺寸在表1.1中可以查到。
格式分为留有装订边和不留装订边两种。
分别见图。
(a)(b)不留有装订边图样的图框格式(c)(d)留有装订边图样的图框格式图1-2图框格式为了使图样复制与缩微摄影时定位方便,各号图纸均应在图纸各边长的中点处分别画出对中符号。
对中符号用粗实线绘制,长度从纸边界伸入图框内5mm。
同时为明确绘图与看图时图纸的方向,应在图纸的下边对中符号处画一个方向符号。
图1-3对中符号与看图方向符号1.3标题栏图纸上必须有标题栏。
一般情况下,标题栏画在图纸的右下角,紧贴下边框线和右边框线。
(如图)如需要也允许标题栏如下图所示,但此时必须加方向符号以表明绘图,看图方向。
标题栏主要内容如图1-4所示。
国家标准对标题栏内容并没有硬性规定,企业可以根据情况填加其它需要的内容图1-4标题栏及明细表的格式及尺寸2.比例(GB/T14690-93)比例是图中图形与其实物相应要素的线性尺寸之比。
作图时,应尽可能地按机件的实际大小画出以方便看图。
如果机件太大或太小,可采用缩小或放大的比例画图。
国家标准中推荐供优先选用的比例,如表1-2。
必要时也允许采用图1-3中的比例。
同一机件不同视图应采用相同的比例,比例应标准在标题栏中,个别视图采用与标题栏不同的比例,应在视图名称的下方或右侧标注比例。
例如:表1-2国家标准中推荐供表1-3允许采用的比例优先选用的比例种类比例原值比例1:1放大比例5:12:15×10n:12×10n:11×10n:1缩小比例1:21:51:2×10n1:5×10n1:1×10n种类比例原值比例1:1放大比例5:12:15×10n:12×10n:11×10n:缩小比例1:21:51:2×10n1:5×10n1:1×10n3.字体(GB/T14691-93)汉字:图样中的汉字应写成长仿宋体,采用国家正式公布执行的简化字。
标题栏规定尺寸必要时,可以按规定加长,加长幅面的尺寸由基本幅面的短边成整数倍增加后得出,如图1-1。
例如A3×4的幅面是1189×420,A3的幅面为420×297。
再如A1×3的幅面,A1幅面为841×594,A1的短边乘以3。
???图1-1图纸幅面及加长幅面图框格式及方向符号图纸可以横放也可以竖放。
画图之前先用粗实线画出边框线,尺寸在表中可以查到。
格式分为留有装订边和不留装订边两种。
分别见图。
(a)(b)不留有装订边图样的图框格式(c)(d)留有装订边图样的图框格式图1-2图框格式为了使图样复制与缩微摄影时定位方便,各号图纸均应在图纸各边长的中点处分别画出对中符号。
对中符号用粗实线绘制,长度从纸边界伸入图框内5mm。
同时为明确绘图与看图时图纸的方向,应在图纸的下边对中符号处画一个方向符号。
图1-3对中符号与看图方向符号标题栏图纸上必须有标题栏。
一般情况下,标题栏画在图纸的右下角,紧贴下边框线和右边框线。
(如图)如需要也允许标题栏如下图所示,但此时必须加方向符号以表明绘图,看图方向。
标题栏主要内容如图1-4所示。
国家标准对标题栏内容并没有硬性规定,企业可以根据情况填加其它需要的内容图1-4标题栏及明细表的格式及尺寸2.比例(GB/T14690-93)比例是图中图形与其实物相应要素的线性尺寸之比。
作图时,应尽可能地按机件的实际大小画出以方便看图。
如果机件太大或太小,可采用缩小或放大的比例画图。
国家标准中推荐供优先选用的比例,如表1-2。
必要时也允许采用图1-3中的比例。
同一机件不同视图应采用相同的比例,比例应标准在标题栏中,个别视图采用与标题栏不同的比例,应在视图名称的下方或右侧标注比例。
例如:表1-2国家标准中推荐供表1-3允许采用的比例数的字体。
字体有八种号数,其公称尺寸系列为、、、5、7、10、12、14 例如号字,其高度为字体示例10号字:7号字:大写拉丁字母:小写拉丁字母:阿拉伯数字:罗马字母:???????????4.图线(GB/T17450-1998)图线形式常用的工程图线图线形式如下表1-4。
为零件图制作国标标题栏。
其效果图如图1所示。
图1国标标题栏(1)启动AutoCAD2009中文版,进入绘图界面。
(2)创建新图层“外框线”和“内框线”。
其中将“外框线”图层的线宽设为0.5mm,将“内框线”图层的线宽设为0.25mm。
(3)在“外框线”图层上,运用“直线”命令,绘制出180×56的外框线。
(4)将图层设置为“内框线”图层。
运用“偏移”、“修剪”命令。
将标题栏图框按照图2所示进行绘制。
图2国标标题栏图框尺寸(5)设置文字样式,下拉菜单:选择“格式>文字样式”命令。
(6)在弹出的“文字样式”对话框中新建“标题栏3.5”和“标题栏5”两种文字样式,字体都选用“T仿宋GB2312”,“标题栏3.5”字体高度设置为3 .5,“标题栏5”字体高度设置为5。
(7)添加文字信息,输入命令名:在命令行中输入或动态输入DTEXT,并按回车键。
(8)填写标题栏,以“工艺”为例,如图3所示。
图3添加文字(9)将其余空格处按照填写好。
添加文字,命令行显示如下:命令:_dtext当前文字样式: “标题栏3.5”文字高度: 3.5000 注释性: 否指定文字的起点或[对正(J)/样式(S)]: |*单击目的地,设置文字起点*|指定文字的旋转角度<0>: |*默认角度0,可直接回车,然后输入文字*|(10)创建标题栏块,运用属性定义命令ATTDEF,弹出“属性定义”对话框。
按照名称及属性选项,如图4所示,在“属性”选项区域的“标记”文本框中输入相应的“名称”,在“提示”文本框中输入相应的“属性选项”;将“文字设置”栏的“对正(J)”设置为“中间”,“文字样式”设置相应的“文字样式”,单击确定设置位置。
(11)运用块定义命令名BLOCK,弹出“块定义”对话框,在“名称”处输入“国标标题栏”;拾取“基点”;选择对象。
(12)完成标题栏设置,如图5所示。
(13)编辑标题栏属性,输入命令名:在命令行中输入或动态输入DDATTE,并按回车键。
a3国标标题栏尺寸
在设计和印刷领域中,标题栏尺寸是一个重要的考虑因素。
对于A3国标纸张,标题栏是设计中的一个重要组成部分。
根据A3国标规定的尺寸,标题栏应该具备
以下要求:
1. 宽度:根据A3纸张尺寸为297毫米 x 420毫米,标题栏的宽度应根据设计
需要来决定。
然而,通常情况下,标题栏的宽度应小于或等于纸张宽度的一半,以确保在设计布局中有足够的空间容纳其他元素。
2. 高度:标题栏的高度可以根据设计要求来决定。
通常情况下,标题栏的高度
应在10毫米至30毫米之间,以保持文字和其他元素的清晰度和可读性。
3. 边距:根据A3国标规定,纸张边距应为25毫米。
标题栏应根据边距要求进行合适的布局和设计。
在标题栏周围保留一定的边距,可以使整体设计更加平衡和专业。
4. 字体和排版:在标题栏中,选择清晰易读的字体。
标题应使用粗体或大号字体,以突出显示和吸引读者的注意力。
排版应注意文字与其他元素之间的空间,确保整体布局的美观性和可读性。
总之,对于A3国标纸张的标题栏设计,需要考虑纸张尺寸、宽度、高度、边
距以及字体和排版等因素。
合理布局和设计将提升整体视觉效果,使标题栏更加吸引人和专业。
设计人员应根据具体项目需求和品牌风格,在尺寸规范的基础上进行创意和个性化的设计。
为零件图制作国标标题栏。
其效果图如图1所示。
图1国标标题栏
(1)启动AutoCAD2009中文版,进入绘图界面。
(2)创建新图层“外框线”和“内框线”。
其中将“外框线”图层的线宽设为0.5mm,将“内框线”
图层的线宽设为0.25mm。
(3)在“外框线”图层上,运用“直线”命令,绘制出180×56的外框线。
(4)将图层设置为“内框线”图层。
运用“偏移”、“修剪”命令。
将标题栏图框按照图2所示进行绘制。
图2国标标题栏图框尺寸
(5)设置文字样式,下拉菜单:选择“格式>文字样式”命令。
(6)在弹出的“文字样式”对话框中新建“标题栏3.5”和“标题栏5”两种文字样式,字体都选用“T仿宋GB2312”,“标题栏3.5”字体高度设置为3 .5,“标题栏5”字体高度设置为5。
(7)添加文字信息,输入命令名:在命令行中输入或动态输入DTEXT,并按回车键。
(8)填写标题栏,以“工艺”为例,如图3所示。
图3添加文字
(9)将其余空格处按照填写好。
添加文字,命令行显示如下:
命令:_dtext
当前文字样式: “标题栏3.5”文字高度: 3.5000 注释性: 否
指定文字的起点或[对正(J)/样式(S)]: |*单击目的地,设置文字起点*|
指定文字的旋转角度<0>: |*默认角度0,可直接回车,然后输入文字*|
(10)创建标题栏块,运用属性定义命令ATTDEF,弹出“属性定义”对话框。
按照名称及属性选项,如图4所示,在“属性”选项区域的“标记”文本框中输入相应的“名称”,在“提示”
文本框中输入相应的“属性选项”;将“文字设置”栏的“对正(J)”设置为“中间”,“文字样式”设置相应的“文字样式”,单击确定设置位置。
(11)运用块定义命令名BLOCK,弹出“块定义”对话框,在“名称”处输入“国标标题栏”;
拾取“基点”;选择对象。
(12)完成标题栏设置,如图5所示。
(13)编辑标题栏属性,输入命令名:在命令行中输入或动态输入DDATTE,并按回车键。
图4名称及属性选项图5完成图
(14)弹出“编辑属性”对话框,用户可以根据需要在此设置。
(与简单标题栏操作一致)。