机械制图标准图框和标题栏
- 格式:ppt
- 大小:155.50 KB
- 文档页数:3
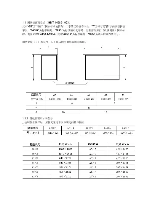
1.1 图纸幅面及格式(GB/T 14689-1993)其中“GB”为“国标”(国家标准的简称)二字的汉语拼音字头,“T”为推荐的“推”字的汉语拼音字头,“14689”为标准编号,“1993”为标准颁布的年号。
另有部分源自《机械制图》国家标准,例如GB/T 4458.4-1984,其中“4458.4”为标准编号,“1984”为该标准颁布的年号。
图纸宽度(B)和长度(L)组成的图面称为图纸幅面。
1.1.1 图纸幅面尺寸和代号绘制技术图样时,应优先采用下表中规定的基本幅面。
1.1.2 图框格式图纸上必须用粗实线画出图框,其格式如图3所示,分为留有装订边和不留装订边两种,但同一产品的图纸只能采用一种格式。
(1) 留有装订边的图纸的图框格式如图3(a)、(b)所示,图中尺寸a、c按表1的规定选用;(2) 不留装订边的图纸的图框格式如图3(c)、(d)所示,图中尺寸e按表1的规定选用;(3) 加长幅面图纸的图框尺寸,按所选用的基本幅面大一号的图框尺寸确定。
例如A2×3的图框尺寸,按A1的图框尺寸确定,即e为20(或c为10),而A3×4的图框尺寸,按A2的图框尺寸确定,即e为10(或c为10)。
1.1.3 标题栏及其方位标题栏一般由名称及代号区、签字区、更改区及其他区组成。
(1) 标题栏的格式和尺寸按GB/T 10609.1-1989的规定,如图所示。
标题栏的位置应位于图纸的右下角1.1.5 图幅分区(1) 必要时,可以用细实线在图纸周边内画出分区,如下图所示。
(2) 图幅分区数目按图样的复杂程度确定,但必须取偶数。
每一分区的长度应在25~75mm之间选择。
(3) 分区的编号,沿上下方向(按看图方向确定图纸的上下和左右)用直体大写拉丁字母从上到下顺序编写;沿水平方向用直体阿拉伯数字从左到右顺序编写。
当分区数超过拉丁字母的总数时,超过的各区可用双重字母编写,如AA、BB、CC…等。
拉丁字母和阿拉伯数字的位置应尽量靠近图框线。
1.1 图纸幅面及格式(GB/T 14689-1993)其中“GB”为“国标”(国家标准的简称)二字的汉语拼音字头,“T”为推荐的“推”字的汉语拼音字头,“14689”为标准编号,“1993”为标准颁布的年号。
另有部分源自《机械制图》国家标准,例如GB/T 4458.4-1984,其中“4458.4”为标准编号,“1984”为该标准颁布的年号。
图纸宽度(B)和长度(L)组成的图面称为图纸幅面。
图框图层属性列表图层名称颜色线型线宽外框线白色Continuous 默认内框线蓝色Continuous 0.50mm标题栏属性红色Continuous 默认标题栏文字品红Continuous 默认角线蓝色Continuous 2.00mm视口白色Continuous 默认0 白色(黑色)Continuous 默认(细实线)1.1.1 图纸幅面尺寸和代号绘制技术图样时,应优先采用下表中规定的基本幅面。
1.1.2 图框格式图纸上必须用粗实线画出图框,其格式如图3所示,分为留有装订边和不留装订边两种,但同一产品的图纸只能采用一种格式。
(1) 留有装订边的图纸的图框格式如图3(a)、(b)所示,图中尺寸a、c按表1的规定选用;(2) 不留装订边的图纸的图框格式如图3(c)、(d)所示,图中尺寸e按表1的规定选用;(3) 加长幅面图纸的图框尺寸,按所选用的基本幅面大一号的图框尺寸确定。
例如A2×3的图框尺寸,按A1的图框尺寸确定,即e为20(或c为10),而A3×4的图框尺寸,按A2的图框尺寸确定,即e为10(或c为10)。
1.1.3 标题栏及其方位标题栏一般由名称及代号区、签字区、更改区及其他区组成。
(1) 标题栏的格式和尺寸按GB/T 10609.1-1989的规定,如图所示。
标题栏的位置应位于图纸的右下角1.1.5 图幅分区(1) 必要时,可以用细实线在图纸周边内画出分区,如下图所示。
(2) 图幅分区数目按图样的复杂程度确定,但必须取偶数。
1.1 图纸幅面及格式(GB/T 14689-1993)其中“GB”为“国标”(国家标准的简称)二字的汉语拼音字头,“T”为推荐的“推”字的汉语拼音字头,“14689”为标准编号,“1993”为标准颁布的年号。
另有部分源自《机械制图》国家标准,例如GB/T 4458.4-1984,其中“4458.4”为标准编号,“1984”为该标准颁布的年号。
图纸宽度(B)和长度(L)组成的图面称为图纸幅面。
1.1.1 图纸幅面尺寸和代号,,,绘制技术图样时,应优先采用下表中规定的基本幅面。
1.1.2 图框格式,,,图纸上必须用粗实线画出图框,其格式如图3所示,分为留有装订边和不留装订边两种,但同一产品的图纸只能采用一种格式。
,,,(1) 留有装订边的图纸的图框格式如图3(a)、(b)所示,图中尺寸a、c按表1的规定选用;,,,(2) 不留装订边的图纸的图框格式如图3(c)、(d)所示,图中尺寸e按表1的规定选用;,,,(3) 加长幅面图纸的图框尺寸,按所选用的基本幅面大一号的图框尺寸确定。
例如A2×3的图框尺寸,按A1的图框尺寸确定,即e为20(或c为10),而A3×4的图框尺寸,按A2的图框尺寸确定,即e为10(或c为10)。
1.1.3 标题栏及其方位,,,标题栏一般由名称及代号区、签字区、更改区及其他区组成。
,,,(1) 标题栏的格式和尺寸按GB/T 10609.1-1989的规定,如图所示。
标题栏的位置应位于图纸的右下角1.1.5 图幅分区(1) 必要时,可以用细实线在图纸周边内画出分区,如下图所示。
,,,(2) 图幅分区数目按图样的复杂程度确定,但必须取偶数。
每一分区的长度应在25~75mm之间选择。
,,,(3) 分区的编号,沿上下方向(按看图方向确定图纸的上下和左右)用直体大写拉丁字母从上到下顺序编写;沿水平方向用直体阿拉伯数字从左到右顺序编写。
当分区数超过拉丁字母的总数时,超过的各区可用双重字母编写,如AA、BB、CC…等。
1.1 图纸幅面及格式(GB/T 14689-1993)其中“GB”为“国标”(国家标准的简称)二字的汉语拼音字头,“T”为推荐的“推”字的汉语拼音字头,“14689”为标准编号,“1993”为标准颁布的年号。
另有部分源自《机械制图》国家标准,例如GB/T 4458.4-1984,其中“4458.4”为标准编号,“1984”为该标准颁布的年号。
图纸宽度(B)和长度(L)组成的图面称为图纸幅面。
1.1.1 图纸幅面尺寸和代号绘制技术图样时,应优先采用下表中规定的基本幅面。
1.1.2 图框格式图纸上必须用粗实线画出图框,其格式如图3所示,分为留有装订边和不留装订边两种,但同一产品的图纸只能采用一种格式。
(1) 留有装订边的图纸的图框格式如图3(a)、(b)所示,图中尺寸a、c按表1的规定选用;(2) 不留装订边的图纸的图框格式如图3(c)、(d)所示,图中尺寸e按表1的规定选用;(3) 加长幅面图纸的图框尺寸,按所选用的基本幅面大一号的图框尺寸确定。
例如A2×3的图框尺寸,按A1的图框尺寸确定,即e为20(或c为10),而A3×4的图框尺寸,按A2的图框尺寸确定,即e为10(或c为10)。
1.1.3 标题栏及其方位标题栏一般由名称及代号区、签字区、更改区及其他区组成。
(1) 标题栏的格式和尺寸按GB/T 10609.1-1989的规定,如图所示。
标题栏的位置应位于图纸的右下角1.1.5 图幅分区(1) 必要时,可以用细实线在图纸周边内画出分区,如下图所示。
(2) 图幅分区数目按图样的复杂程度确定,但必须取偶数。
每一分区的长度应在25~75mm之间选择。
(3) 分区的编号,沿上下方向(按看图方向确定图纸的上下和左右)用直体大写拉丁字母从上到下顺序编写;沿水平方向用直体阿拉伯数字从左到右顺序编写。
当分区数超过拉丁字母的总数时,超过的各区可用双重字母编写,如AA、BB、CC…等。
拉丁字母和阿拉伯数字的位置应尽量靠近图框线。
标题栏规定尺寸必要时,可以按规定加长,加长幅面的尺寸由基本幅面的短边成整数倍增加后得出,如图1-1。
例如A3×4的幅面是1189×420,A3的幅面为420×297。
再如A1×3的幅面,A1幅面为841×594,A1的短边乘以3。
图1-1图纸幅面及加长幅面1.2 图框格式及方向符号图纸可以横放也可以竖放。
画图之前先用粗实线画出边框线,尺寸在表1.1中可以查到。
格式分为留有装订边和不留装订边两种。
分别见图。
(a)(b)不留有装订边图样的图框格式(c)(d)留有装订边图样的图框格式图1-2图框格式为了使图样复制与缩微摄影时定位方便,各号图纸均应在图纸各边长的中点处分别画出对中符号。
对中符号用粗实线绘制,长度从纸边界伸入图框内5mm。
同时为明确绘图与看图时图纸的方向,应在图纸的下边对中符号处画一个方向符号。
图1-3对中符号与看图方向符号1.3标题栏图纸上必须有标题栏。
一般情况下,标题栏画在图纸的右下角,紧贴下边框线和右边框线。
(如图)如需要也允许标题栏如下图所示,但此时必须加方向符号以表明绘图,看图方向。
标题栏主要内容如图1-4所示。
国家标准对标题栏内容并没有硬性规定,企业可以根据情况填加其它需要的内容图1-4标题栏及明细表的格式及尺寸2.比例(GB/T14690-93)比例是图中图形与其实物相应要素的线性尺寸之比。
作图时,应尽可能地按机件的实际大小画出以方便看图。
如果机件太大或太小,可采用缩小或放大的比例画图。
国家标准中推荐供优先选用的比例,如表1-2。
必要时也允许采用图1-3中的比例。
同一机件不同视图应采用相同的比例,比例应标准在标题栏中,个别视图采用与标题栏不同的比例,应在视图名称的下方或右侧标注比例。
例如:表1-2国家标准中推荐供表1-3允许采用的比例字体示例d/2波d/2 剖视的分界线双d/2虚约d/2 的过渡线细约d/2 线齿轮的分度圆及分度线d表示线双约d/2中断线极限位置的轮廓线、假想投影轮廓线观察用的透明用材料冶金、砂轮等液体混凝土木材 剖面钢凝土剖面砖胶基图1-5尺寸的组成(1)尺寸界线表示所注尺寸的起止范围,用细实线绘制应由图形的轮廓线,轴线或对称中心线引出。
1.1 图纸幅面及格式(GB/T 14689-1993)其中“GB”为“国标”(国家标准的简称)二字的汉语拼音字头,“T”为推荐的“推”字的汉语拼音字头,“14689”为标准编号,“1993”为标准颁布的年号。
另有部分源自《机械制图》国家标准,例如GB/T 4458.4-1984,其中“4458.4”为标准编号,“1984”为该标准颁布的年号。
图纸宽度(B)和长度(L)组成的图面称为图纸幅面。
1.1.1 图纸幅面尺寸和代号绘制技术图样时,应优先采用下表中规定的基本幅面。
1.1.2 图框格式图纸上必须用粗实线画出图框,其格式如图3所示,分为留有装订边和不留装订边两种,但同一产品的图纸只能采用一种格式。
(1) 留有装订边的图纸的图框格式如图3(a)、(b)所示,图中尺寸a、c按表1的规定选用;(2) 不留装订边的图纸的图框格式如图3(c)、(d)所示,图中尺寸e按表1的规定选用;(3) 加长幅面图纸的图框尺寸,按所选用的基本幅面大一号的图框尺寸确定。
例如A2×3的图框尺寸,按A1的图框尺寸确定,即e为20(或c为10),而A3×4的图框尺寸,按A2的图框尺寸确定,即e为10(或c为10)。
1.1.3 标题栏及其方位标题栏一般由名称及代号区、签字区、更改区及其他区组成。
(1) 标题栏的格式和尺寸按GB/T 10609.1-1989的规定,如图所示。
标题栏的位置应位于图纸的右下角1.1.5 图幅分区(1) 必要时,可以用细实线在图纸周边内画出分区,如下图所示。
(2) 图幅分区数目按图样的复杂程度确定,但必须取偶数。
每一分区的长度应在25~75mm之间选择。
(3) 分区的编号,沿上下方向(按看图方向确定图纸的上下和左右)用直体大写拉丁字母从上到下顺序编写;沿水平方向用直体阿拉伯数字从左到右顺序编写。
当分区数超过拉丁字母的总数时,超过的各区可用双重字母编写,如AA、BB、CC…等。
拉丁字母和阿拉伯数字的位置应尽量靠近图框线。
机械制图图框标准机械制图图框是机械工程制图中的重要组成部分,它是规范机械制图的格式、内容和布局的重要标准。
图框的设计标准化不仅可以提高机械图纸的规范性和统一性,还可以提高图纸的可读性和传达信息的准确性。
因此,制定机械制图图框标准对于提高机械制图质量和效率具有重要意义。
一、图框的设计要求。
1. 外形尺寸,图框应根据图纸规格确定外形尺寸,一般情况下,A4纸张的图框尺寸为297mm×210mm,A3纸张的图框尺寸为420mm×297mm。
2. 分区划分,图框应分为四个区域,分别是图框外边线、图框内边线、图框标题栏和图框内容区。
图框外边线为图框的最外边界,图框内边线为图框内容区的边界,图框标题栏用于填写图纸的名称、编号、比例等信息,图框内容区用于绘制机械零件的图样和注释。
3. 标准符号,图框中应包含标准符号,如ISO标准中规定的机械制图标准符号,用于表达图纸的特定信息,如图纸的比例、图纸的种类、图纸的编号等。
4. 字体要求,图框中的文字应采用规范的字体,一般情况下,标题栏中的字体应为粗体,内容区中的字体应为宋体,字号应根据图纸的比例和内容进行选择。
二、图框的制作流程。
1. 确定图框尺寸,根据图纸规格确定图框的外形尺寸,一般情况下,图框的外形尺寸应为图纸规格的整数倍。
2. 绘制图框边界,根据确定的外形尺寸,绘制图框的外边线和内边线,保证图框的整洁和规范。
3. 设计图框分区,将图框分为四个区域,确定图框标题栏和内容区的位置和大小,保证图框的布局合理。
4. 添加标准符号,在图框中添加标准符号,如图纸的比例、图纸的种类、图纸的编号等,确保图框的信息完整和准确。
5. 填写图框信息,在图框的标题栏中填写图纸的名称、编号、比例等信息,确保图框的信息完整和准确。
三、图框的应用意义。
1. 规范机械制图,图框作为机械制图的标准化组成部分,可以规范机械制图的格式、内容和布局,提高机械制图的规范性和统一性。
一图纸的幅面和格式(GB/T 14689-1993)1 图纸的幅面为了使图纸幅面统一,便于装订和保管以及符合缩微复制原件要求,绘制技术图样时,应按以下规定选用图纸幅面。
(1)应优先选用基本幅面(表1-1)。
(2)必要时,允许选用加长幅面。
但是加长后幅面的尺寸必须是由基本幅面的短边成整数倍增加后得出。
在图纸上必须用粗实线画出图框,图样必须绘制在图框内部。
其格式分为留装订边和不留装订边两种。
同一产品的图样只能采用一种图框格式。
3 标题栏每张图纸上必须有标题栏,标题栏位于图纸的右下角,其格式遵守GB/的规定。
当标题栏的长边置于水平方向且与图纸的长边平行时,构成X型图纸;若标题栏的长边与图纸的长边垂直时,则构成Y型图纸。
二比例1 术语(1)比例:图与实物相应要素的线性尺寸之比。
(2)原值比例:比值为1的比例,即1:1。
(3)放大比例:比值大于1的比例,如2:1。
(4)缩小比例:比值小于1的比例,如1:4。
2 比例系列绘制图样是,应根据需要按表1-2中规定的优选选择系列中选取适当的比例。
为了从图样上直接反映出事物的大小,绘图时应尽量采用原值比例。
3 标注方法(1)比例符号应以“:”表示,如1:1,2:1等。
(2)比例一般标注在标题栏中的比例栏内。
不论采用何种比例,图形中所标注的尺寸数值必须是实物的实际大小,与图形的比例无关。
表1-2 比例系列三字体1在图样中书写的汉字、数字和字母,都必须做到“字体工整、笔划清楚、间隔均匀、排列整齐”。
2字体高度(h)的公称尺寸系列为:,,,5,7,10,14,20mm.如果需要书写更大的字,其字体高度应按2的比例递增。
字体高度代表字体的号数。
3汉字应写成长仿宋体字,并应在用国家正式公布的简化字h不应小于3.5mm,字体高度一般为h/ 2.4字母和数字可写成斜体和直体。
斜体字字头向右倾斜,与水平基准线成75°。
四图线1 线性和图线尺寸国家标准规定了15种基本线型。