更换法兰垫片操作规程
- 格式:doc
- 大小:56.00 KB
- 文档页数:2
更换阀门法兰垫片
过程:(更换一片垫片)
1、准备工用具
2、制作垫片:量取时钢板尺要通过圆中心,读数时要带出单位。
手柄长度长出
法兰20MM左右。
使用画规量取后将锁紧螺母锁紧。
3、倒流程:打开旁通阀,关闭上游阀,关闭下游阀,打开放空阀。
4、取下垫片:卸螺丝前先观察压力表确认没有压力,先卸前下部的螺丝,卸下
的螺栓摆放整齐,使用扳手做好是一把开口扳手一把梅花扳手配合使用。
最后法兰下部留一条螺栓,防止阀门下垂。
用锯条将法兰面清理干净。
5、安装:垫片两侧涂抹润滑脂,放入后观察垫片应处于法兰正中位置。
对角紧
固螺栓,将两片法兰的外缘上下、左右位置调节平,两法兰之间的缝隙距离应相同。
6、试压、导通流程:首先关闭放空阀,微开下游阀施压,观测法兰是否有渗漏,
无渗漏再全开,打开上游阀,关闭旁通阀。
7、清理现场、回收工具
注意事项:
1、量取圆内外径时,主要钢板尺要通过对角量螺孔中心,读取时最好从10MM
处起读。
使用画规时要在垫片上扎紧,不要滑脱。
2、倒流程时侧身操作幅度一定要大一些。
流程操作顺序不要搞混了。
3、卸螺丝前先观察压力表确认没有压力,先卸前下部的螺丝。
注意扳手不要反
使,如果不好分清就使用两把梅花扳手。
操作过程中不要掉工件。
4、对角紧固螺栓,螺栓穿入方向要一致,由外向内穿入。
5、开关阀门时手轮回半圈。
更换回压阀门上法兰垫片操作规程1、准备工作1.1正确穿戴好劳保用品。
1.2风险识别:做好风险源辨识及环境因素评价并制定风险消减措施,熟悉操作内容和操作步骤。
明确监护措施。
1.3准备工具、用具:600mm管钳1把, 300mm、250mm活动扳手各1把,0.75Kg榔头1把,500mm撬杠1根,300mm锯条1根,细砂纸1张,验电器1支,绝缘手套1副,污油桶1个,石棉板1块,规格相同的法兰盘1个,安全警示牌,黄油,细纱布,记录笔,记录纸。
2、操作步骤2.1制作法兰垫片、停抽2.1.1制作符合规格的新法兰垫片。
2.2停抽(有加热设备和掺水的油井控制好温度和掺水)2.2.1验电器验电,确认电控柜外壳无电。
2.2.2戴绝缘手套打开电控柜门,侧身按“停止”按钮,根据井况将抽油机停在合适位置,刹紧刹车。
2.2.3戴绝缘手套侧身拉闸断电,记录停抽时间,关好电控柜门,断开电源开关。
2.2.4检查刹车,刹车锁块在其行程的1/2-2/3之间,各部件连接完好,刹车紧固,锁紧刹车保护装置,悬挂安全警示牌。
2.3倒流程放空2.3.1侧身关生产阀门、回压阀门,开取样阀门放空至压力落零。
2.3.2卸松回压阀门上法兰的四条螺栓,撬开上、下法兰,放净管线内余压。
2.4更换法兰垫片2.4.1卸掉一条便于操作的法兰螺栓。
2.4.2取出旧垫片,清理干净上、下法兰端面。
2.4.3将新垫片两面均匀涂抹黄油,放入法兰盘内,垫片与上、下法兰同心。
2.4.4穿上螺栓,对角紧固螺栓使上、下法兰平行。
保养固定螺栓。
2.4.5关取样阀门,稍开回压阀门试压无渗漏,全部打开回压阀门、生产阀门。
2.5开抽2.5.1检查抽油机周围无障碍物,松开刹车保护装置。
2.5.2摘下安全警示牌,缓松刹车,控制曲柄转速。
2.5.3戴绝缘手套侧身合电源开关,验电器验电,确认电控柜外壳无电。
2.5.4戴绝缘手套打开电控柜门,侧身合闸,按“启动”按钮利用惯性启动抽油机,记录开井时间,关好电控柜门。
更换法兰垫片
文稿归稿存档编号:[KKUY-KKIO69-OTM243-OLUI129-G00I-FDQS58-
更换法兰垫片
操作:
(一)操作流程:
准备——倒流程、放空——卸法兰螺栓——清除旧垫子——制做垫子——安装新垫子——紧固螺栓——试压倒流程——清理现场(二)准备工作:
1、操作人员1名持证上岗,劳保穿戴整齐。
2、准备工具、用具、材料:
1、倒流程、放空:检查流程,正确切换流程,开放空阀门,放净管线内的压力。
2、卸法兰螺栓:卸松法兰螺栓,用撬杠撬动法兰,让存在管线内的液体流至排污桶,拆除正对自己的螺栓,不能拆除所有螺栓,避免错位。
3、清除旧垫子:用撬杠撬开法兰取出旧石棉垫子,用油灰刀清理法兰面;水线要清干净。
4、制做垫子:用直尺通过法兰中心,量取法兰外径和法兰外边缘至水线台阶外沿距离,计算出垫子外径(根据阀门规格确定内径),用画规、剪刀制作法兰垫片,垫子要留有略长于法兰最大外径的手柄。
5、安装新垫子:将新垫片两侧抹上黄油,放入法兰内,对正中心不得偏斜,用预留手柄进行调整。
6、紧固螺栓:对角均匀上紧螺栓,法兰四周缝隙基本一致。
7、试压倒流程:关放空,侧身缓慢打开阀门试压,确认无渗漏后,开大阀门恢复正常流程。
8、清理现场:收工具,清理现场,填写资料。
二、训练评分记录表。
民用燃气用户室内法兰垫片更换操作规程
1、维修人员提前准备好维修所需工具、材料、防毒面具、灭火器等防护器具;
2、到达现场后,关闭立厅阀门;
3、开启作业房间门窗通风,如果通风不畅,应采取强制通风措施。
摆放好灭火器、防毒面具等防护用品,检测周围环境安全后,点燃灶具把管道中的余气燃尽;
4、拆除立厅管卡,然后用扳手卸下法兰螺丝,将损坏垫片拆除,清理法兰接口,换上新垫片后安装好螺丝并扭紧;
5、更换过程随时监测周围环境可燃气体浓度,如果可燃气体浓度达到爆炸下限的20%,应立即停止作业,采取强制通风措施,待周围环境可燃气体浓度合格后,方可再次进行作业。
6、作业完毕后,进行立厅气密性试验(试验压力≥5000Pa,观察15分钟,无压降为合格)并安装立厅管卡;
7、试压合格后,开启立厅总阀,用肥皂水对立厅总阀检漏;
8、检查室内燃气设施、用气设施符合通气条件后,用软管连接燃气嘴进行室外放散,当闻到天然气臭味后,用阻气球取气至安全区域点火,若燃烧正常,火焰呈桔黄色且有明显内焰,则置换合格;
9,将连接灶具的软管两端固定牢固(应有喉箍有效固定),缓缓打开进气阀门进行燃气器具点火置换;
10、置换通气完毕后,认真检查室内的所有燃气设施,并做到“三不走”即火苗小不走,设施检查不细不走,场地不清不走。
如对室内燃气设施检查合格,但仍有燃气味的,必须查清原因,立即处理。
11、向用户宣传安全用气常识,认真填写《户内维修工单》,并请用户签字确认;
12、回部门后,将《户内维修工单》交内勤存档。
更换法兰阀门操作详细说明(1)准备工作:时间:操作时间25秒,完成时间25秒。
要求:1、观察工具摆放位置(必须认真记住工具摆放位置)工具准备如下:活动扳手(250、300mm)各一把、螺丝刀(200mm×6)一把、刮刀(300mm)一把、撬杠(500mm)一个、划规(200mm)一把、钢板尺(300mm)一把、F型扳手(500mm)一把、剪刀一把、润滑脂一盒、标准石棉垫片两个、制作石棉垫一个、棉纱若干、阀门(DN50,J41H-16)一个。
更换阀门工具材料摆放图规格:1500×900活动扳手剪刀划规撬杠平口起子钢板尺F扳手垫片标准垫片黄油毛巾安全帽手套刮刀警示牌灰刀工具摆放详图2、注意检查工具:水桶内有无水,活动扳手好坏及是否灵活好用,剪刀及划规灵活情况,阀门是否灵活好用,垫子及垫片摆放位置。
3、先将安全帽和手套戴好,必须站在报告位上举手示意裁判发出指令后方可操作。
4、工具摆放在操作垫上的两侧(水桶摆放在放空阀门处;其它工具用托盘摆放在另一侧;阀门摆放在托盘旁边),工具摆放整齐,不能丢落工具。
特别提醒:1、准备工具时禁止踩踏工具垫;准备工具顺序:活动扳手两把→刮刀→平口起子→撬杠→F 型扳手→灰刀→警示牌→毛巾→黄油→标准垫片→垫片→剪刀→划规→钢板尺(毛巾放在黄油上)。
2、阀门摆放应将手轮向后(如上图),如果手轮向前大多数情况下会超出工具垫易丢分。
水桶摆放位置 阀门摆放位置 工具摆放位置 工具摆放顺序(2)制作垫片:(每天交垫子10个,每个选手每剪一个垫子时请认真计好时间)时间:操作时间1分45秒,完成时间2分10秒。
要求:划规划垫子时间为30秒,用剪刀剪垫子时间为1分15秒;划规使用规范,垫片制作光滑、不能出现内外径和手柄超范围扣分项。
应急处理:垫片制作过程中如果出现问题,应尽量将时间控制在3分10秒以内,超过此时间绝不允许再进行剪垫片操作。
(3)倒流程:时间:操作时间1分,完成时间3分10秒。
兰州石化至北滩输油管道法兰渗漏检修方案及HSE作业计划书编制:审核:批准:编制单位:甘肃第一安装工程有限公司2012年10月8日兰州石化至北滩输油管道法兰渗漏检修方案一、工程概况:本检修项目是由兰州石化至北滩的5条汽、柴油管线,在进入北滩油库围墙内原各有一处分别是由法兰连接,因年久失修,垫片老化,出现渗油现象。
为了确保输油作业的安全运行,彻底排除隐患,需在停输时进行密封垫片更换。
二、工程特点:由于输油管道管径大距离长,高低落差自然压力较大、内存大量油品属易燃易爆介质,时间即将进入冬季,施工区域相互间距狭窄施工难度较大都是影响作业的主要因素,也是柴、汽油转输管道关键部位之一,为确保输油管道检修作业安全及质量,顺利的完成此项检修任务。
做到技术先进、工艺合理、措施得当、安全适用,根据现场实际条件,特制定以下检修方案。
三、施工执行技术标准、规范及参考资料1、国家有关工程建设现行的有关法律、法规及规范、标准。
2、行业有关工程建设现行的工艺标准、规范及行业规定:《工业金属管道工程施工规范》GB50235-97《石油化工有毒可燃介质管道施工及验收规范》SH3501-2002《工业金属管道工程质量检验评定标准》GB50184-93《施工现场临时用电安全技术规范》JGJ46-88四、主要施工内容:1、更换DN250 管道法兰C250-16 1220型金属垫片2片;2、更换DN200 管道法兰C200-16 1220型金属垫片3片;3、更换M24*120 35CrMo 高强度全螺纹螺栓24套;4、更换M20*105 35CrMo 高强度全螺纹螺栓36套。
5、每条管道内排出收集油品约4000kg。
五、施工具体措施方案:1、作业前将现场周围杂草垃圾清理干净,道路必须畅通。
管道检修作业时应在现场配备消防车一辆、消防人员四名、干粉灭火器四支,作业时全部使用防爆工具,作业人员全部穿着防静电工作服,严禁携带手机、烟火进入施工区域,运输罐车远离作业点20米以外、并配装阻火器。
各种阀门及垫片更换方案
一、目的
在本次大修过程,需要更换密封效果差的各种型号阀门,及在日常生产过程中因局部泄漏而进行的带压堵漏部位进行垫片的更换。
二、人员安排
1、本次更换过程涉及到机修和仪表方面。
2、各班组根据所需更换阀门及垫片的规格,合理安排作业人数。
3、DN200以上的阀门及垫片更换,应指定现场负责人。
三、前期准备
1、根据所需更换的阀门及垫片,进行现场核实并报采购计划。
2、备件到仓库后,进一步核实:①阀门:核实规格、型号;长度及螺栓孔数。
②垫片:根据配套连接法兰,进行核实。
四、作业方案
1、首先结合岗位,确认容器或管道内无压力且也置换合格。
2、拆卸螺栓时,先逐渐松动,撬起缝隙,经化验合格后,再彻底拆除全部螺栓,取出所需更换的阀门或垫片。
3、清理法兰面,并确认法兰面无沟槽或变形后,再安装新阀门或垫片。
4、紧固时应对称逐步紧固螺栓,避免用力不均,造成垫片承受压力不平衡,影响使用寿命。
5、开车后,根据升温情况,再次对螺栓进行热紧。
五、安全措施
1、按规定要求,劳保穿戴齐全。
2、对更换的容器、管路内介质、压力,结合岗位进行确认。
3、在撬动缝隙时,缝隙一面应避开人,防止气体伤人。
4、高空作业时,系好安全带。
5、需要吊装作业时,按照公司吊装作业要求执行。
更换法兰垫片
操作:
(一)操作流程:
准备——倒流程、放空——卸法兰螺栓——清除旧垫子——制做垫子——安装新垫子——紧固螺栓——试压倒流程——清理现场
(二)准备工作:
1、操作人员1名持证上岗,劳保穿戴整齐。
2、准备工具、用具、材料:
(三)操作步骤:
1、倒流程、放空:检查流程,正确切换流程,开放空阀门,放净管线内的压力。
2、卸法兰螺栓:卸松法兰螺栓,用撬杠撬动法兰,让存在管线内的液体流至排污桶,拆除正对自己的螺栓,不能拆除所有螺栓,避免错位。
3、清除旧垫子:用撬杠撬开法兰取出旧石棉垫子,用油灰刀清理法兰面;水线要清干净。
4、制做垫子:用直尺通过法兰中心,量取法兰外径和法兰外边缘至水线台阶外沿距离,计算出垫子外径(根据阀门规格确定内径),用画规、剪刀制作法兰垫片,垫子要留有略长于法兰最大外径的手柄。
5、安装新垫子:将新垫片两侧抹上黄油,放入法兰内,对正中心不得偏斜,用预留手柄进行调整。
6、紧固螺栓:对角均匀上紧螺栓,法兰四周缝隙基本一致。
7、试压倒流程:关放空,侧身缓慢打开阀门试压,确认无渗漏后,开大阀门恢复正常流程。
8、清理现场:收工具,清理现场,填写资料。
二、训练评分记录表。
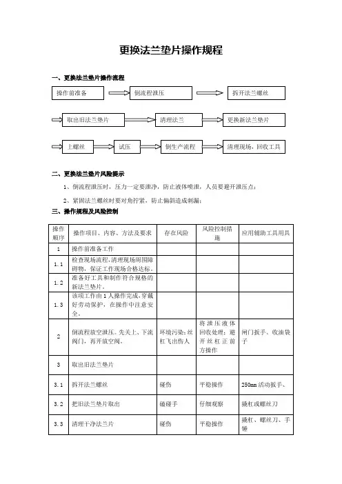
更换法兰垫片操作规程
一、更换法兰垫片操作流程
二、更换法兰垫片风险提示
倒流程泄压时,压力一定要泄净,防止液体喷泄,人员要避开泄压点;紧固法兰螺丝时要对角拧紧,防止偏斜造成刺漏;卸法兰4个螺栓时,只需取下1个螺栓,其它3个不必取出,防止管线拉力过大或蹩劲而对不准中心,上法兰时困难。
三、操作规程及风险控制
四、应急处置程序:
(1)人员发生机械伤害,现场视伤势情况对受伤人员进行紧急包扎处理。
如伤势严重,应立即拨打120求救。
(2)发生液体泄漏,首先关闭上、下流阀门,再关放空阀。
(3)出现法兰不对中后,首先卸掉2个对角法兰螺栓,另2个对角螺栓卸松不卸掉,然后用撬杠校正后再上紧。