检修质量控制点一览表
- 格式:doc
- 大小:53.50 KB
- 文档页数:4
质量控制系统、控制环节、控制点一览表名称质量保证体系人力资源控制控制环节质量方针质量目标管理职责管理评审培训考核管理控制点名称编审宣贯评审制定落实评审职责权限评审计划评审内容评审输出培训考核聘用调配特种作业控制内容①质量方针的符合性②质量方针的适宜性③程序质量方针贯彻全面性①充分性②适宜性②有效性①质量目标的符合性②质量目标的适宜性③发布程序④质量目标的分解①质量目标的考核①充分性②适宜性②有效性①控制系统②相互关系③权责明确①时机②频次③组织①输入信息②程序①输出信息②纠正和预防措施①基础培训②技能培训③专业培训培训的有效性①规范性②适宜性①规范性②适宜性责任人或者部门总经理、办公室总经理、质保工程师、办公室总经理、办公室总经理、办公室质保工程师、办公室总经理、办公室总经理、质保工程师、办公室总经理、办公室总经理、办公室质保工程师、办公室质保工程师、办公室质保工程师、办公室质保工程师、办公室质保工程师、办公室控制类别RRRRRRRRRERERR控制依据文件、发布记录现场见证管理评审报告文件、发布记录考核记录管理评审报告任命书、文件规定、现场见证评审计划评审记录评审报告、纠正和预防措施培训计划、记录培训成绩、评估劳动合同、档案劳动合同、档案作证工见质量控制系统、控制环节、控制点一览表控制环节文件、记录编审文件、记 录管理控制点名称编制审核文件、记录的 发放、使用文件、记录更 改外来文件、 记 录法规、规范文件、记录借 阅、 复制、 作 废、销毁文件、记录的归档保存控 制 内 容①)准确性 ②完整性 ③)适宜性①所有文件、记录发表前均应得到授权人的 批准 ②所有使用文件、 记录的部门、 场所均为文件、 记录的有效版本 。
③记录的填写符 合要求。
①更改原因、内容 ②审批程序③更改引起的其他更改控制③定期评审程序。
①外来文件、记录的齐全性、有效性②外来文件、记录的识别、分发使用 法规、 安全技术规范及标准的完整、 有效性。
电厂检修项目质量控制表项目名称:电厂检修项目日期:__________________序号工序名称质量控制要点确认措施备注1 现场准备- 确保工作场所清洁整齐- 检查电厂设备和工具的完好性- 确保安全防护措施到位2 设备检修- 对被检修设备进行全面检查和维修- 保证设备的运行质量和性能- 确保操作规程和操作手册的正确使用3 电气系统检修- 核查并修复电气系统的故障- 测试电气设备的工作状态- 确保电气系统符合安全标准4 机械设备检修- 进行机械设备的清洁和润滑- 对机械部件进行维护和更换- 确定机械设备的运行稳定性和性能5 燃料供应和烟气处理- 核查燃料供应系统的工作状态- 确保燃料的质量和供应可靠- 检查烟气处理设备的运行情况6 安全检查- 进行安全隐患排查和整改- 确保设备和人员的安全- 预防和应对可能的事故风险7 完工验收- 对检修项目进行全面验收- 核实项目质量和工作标准的达标情况- 修复验收中发现的问题或缺陷注:以上条目仅为示例,实际工程中应根据具体项目情况进行调整。
电厂检修项目质量控制表是电厂检修过程中重要的管理工具,通过明确每个工序的质量控制要点和确认措施,确保检修项目的质量和工作标准达到要求。
这个表格可以被用来监督和记录电厂检修项目的进展,并提供一个清晰的指导方针,以确保工程顺利进行。
在项目开始之前,现场准备工作是至关重要的。
清洁整齐的工作场所和完好无损的设备和工具是成功完成检修项目的前提。
同时,安全防护措施的完善也是必不可少的。
随后的工序包括设备检修、电气系统检修、机械设备检修以及燃料供应和烟气处理等。
每个工序都有其特定的质量控制要点和确认措施。
例如,在设备检修阶段,需要对设备进行全面检查和维修,并确保操作规程和操作手册的正确使用。
安全检查也是电厂检修项目中不可或缺的一环。
通过对安全隐患的排查和整改,可以确保设备和人员的安全。
及时预防和应对可能的事故风险是保证项目顺利进行的关键。
质量控制点一览表质量控制点等级“A”,“B”,“C”,“AR”,“BR”, “CR”的定义如下:“A”—应由业主见证确认后,才能进行下一道工序。
“AR”—应备有施工纪录文件并由业主专业工程师确认后,才能进行下一道工序。
“B”—应由承包者质检人员见证确认后,才能进行下一道工序。
“BR”—应备有施工记录文件并由承包者质检人员签认后,才能进行下一道工序。
“ C”—应由分包者之间人员见证确认后,才能进行下一道工序。
“CR”—应备有施工记录文件并由分包者质检人员签认后,才能进行下一道工序。
安装工程E.5.1.1 静设备包括:塔、容器、反应器、再生器、热交换器。
序号控制点等级检查结果1、2、3、设备/材质检查基础检查基础表面处理A(BR/CR)ARC4、5、6、7、8、9、10、11、12、13、14、15、16、17、垫铁放置方位检查地脚螺栓清洁度地脚螺栓孔灌浆找正二次灌浆地脚螺栓紧固内件安装托盘除沫器等内部清洁度触媒/填料装填紧固入孔螺栓检查梯子、平台泄露试验(如需要)最终外观检查CRBRBBRARBRBARAAARBCARAE.5.1.2 动设备序号控制点等级检查结果1、设备/材质检查A(BR/CR)2、3、4、5、6、7、8、9、10、11、12、13、14、15、16、17、18、基础检查基础表面处理垫铁放置底座找正地脚螺栓清洁度地脚螺栓孔灌浆二次灌浆地脚螺栓紧固联轴节对中配管前配管后内部清洁度(如需要)辅助件安装最终外观检查盘车油洗、吹扫驱动装置转向检查联轴节最终对中试车ARCBRARBBRBRBBRBRACABARBRARARE.5.1.3 工业炉(包括工业炉、加热器、蒸汽锅炉)序号控制点等级检查结果1、2、3、4、5、6、7、8、9、10、11、12、13、14、15、16、17、设备/材质检查基础检查主结构找正(垂直度、标高)主墙方度(跨距、对角线)螺栓/结构焊接/墙板管、盘管、输气管对中顶部弹簧吊架调校焊接工艺规程/焊接工艺评定焊工考试受压部分焊接检查着色、磁探射线外观焊后热处理(如需要)水压试验/渗漏试验/气溶性试验燃烧器辅助件焊接表面准备/筑炉清理焊放筑炉锚钉膨胀节筑炉筑炉外观检查A(BR/CR)ARBRBRCBBARA/BRBRBRCBRARCBBBA18、19、20、21、22、23、内部清洁度烟囱找正(中心线、垂直度)最终外观检查化学清洗烘炉触媒装填ABRAARARARE.5.1.4拼装罐(现场组对设备)序号控制点等级检查结果1、2、3、4、5、6、7、8、9、焊接工艺规程/焊接工艺评定焊工考试材质检查基础检查焊缝外观检查无损检测着色、磁探射线真空试验(底板)方位(管口、入孔)垂直度检查ARA/BRA(BR/CR)ARCBRBRA/BRBRBR10、11、12、13、14、15、16、17、18、19、20、21、22、标高检查椭圆度检查尺寸检查焊后热处理(如需要)水压试验渗漏试验产品试板试验(如需要)附件安装衬里和涂层检查(内部)内部清洁度紧固入孔螺栓检查平台和梯子最终外观检查BRBRBRBRARARARCAABCAE.5.1.5 冷却器序号控制点等级检查结果1、2、3、4、设备/材质检查基础水平/标高放置地脚螺栓主钢结构水平/垂直度A(BR/CR)ACC5、6、7、8、9、10、11、12、紧固螺栓驱动装置对中扇套和翼轮的间隙辅助件安装检查平台和梯子驱动机转向检查最终外观检查试车BARBRCCBRAARE.5.1.6 输送带、装卸船机、桥式刮料机、包装机、打包称重机、皮带秤序号控制点等级检查结果1、2、3、4、5、6、7、8、设备/材质检查基础/结构的水平和中心紧固地脚螺栓设备找正(中心线/水平/垂直度)驱动和尾端拉紧装置检查(输送带)驱动机对中驱动机转向检查最终外观检查A(BR/CR)ARBARBARBRA9、10、11、试车秤的调校程序试验/连锁试验ARA/BRA/BRE.5.1.7翅片式空气冷却器、风扇、风机序号控制点等级检查结果1、2、3、4、5、6、7、8、9、10、11、12、13、设备/材质检查基础检查垫铁放置结构找正(垂直度、标高)管束安装风扇环安装风扇环间隙检查风扇角度驱动装置对中V型皮带松紧度检查紧固螺栓检查平台附件安装最终外观检查A(BR/CR)ARCRBRBRCBRBRARBRBCCA14、15、驱动机转向检查(方向、电流、温度检查)试车(振动、温度、噪声的检查)BRARE.5.1.8行车、提升机械序号控制点等级检查结果1、2、3、4、5、6、7、设备/材质检查轨道找正(垂直度、水平度)轨道中心线和弯曲度驱动装置对中最终外观检查程序试验/连锁试验试车A(BR/CR)BRBRBRAA/BRARE.5.1.9管道工程序号控制点等级检查结果1、2、焊接工艺规程/焊接工艺评定焊工考试ARA/BR3、4、5、6、7、8、9、10、11、12、13、14、15、16、17、18、19、20、材质说明书和鉴定证坡口准备检查焊条预热焊接条件焊缝外观检查无损检测(射线)无损检测(着色、磁探)焊后热处理管支撑和弹簧吊架的设定试压前检查压力试验吹除化学清洗气密性试验弹簧吊架/弹簧支撑的调整隐蔽/防腐包层检查最终外观检查CCRCRCRCCRBRBRBRCBRARARARARBA/BRAE.5.1.10 电气工程序号控制点等级检查结果1、2、3、4、5、6、7、8、9、10、11、12、13、14、设备/材质检查接地电阻测试绝缘电阻测试绝缘强度测试受电电机空载测试照明试验电气程序试验继电器设定电气设备的功能试验(发电机、整流器等)阴极保护试验火警系统试验电话/传呼系统试验最终外观检查A(BR/CR)CRCRA/BRAA/BRAA/BRBRA/BRA/BRAAAAE.5.1.11仪表工程序号控制点等级检查结果1、设备/材质检查A(BR/CR)2、3、4、5、6、7、8、9、10、11、电缆绝缘和导通试验压力/泄露(空气管)压力仪表导压管的压力试验回路试验(包括控制阀动作)程序试验(包括停车系统)分析器性能试验报警设定调校安全阀释放压力和泄露试验最终外观检查BRBRBRA/BRA/BRA/BRA/BRA/BRA/BRAE.5.1.12保温工程包括:热保温、冷保温、人身防护、噪声防护。
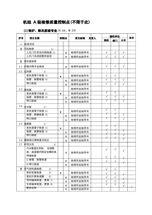
、W:34)标准项目汽包检修1)人孔门打开后内部检查2)人孔门关闭前整体验收受热面检修2.1 炉膛升降平台搭设2.2 过热器1)受热面管子检查2)换管、新管检查3)焊口检验2.3 再热器1)受热面管子检查2)换管、新管检查3)焊口检验2.4 水冷壁1)受热面管子检查2)换管、新管检查3)焊口检验2.5 省煤器1)受热面管子检查2)换管、新管检查3)焊口检验2.6 膨胀指示器检查及校正2.7 炉顶大包1)汽水管道支吊架、各接管座、减温器内筒定位螺栓角焊缝检查2)换管、新管检查3)焊口检验空气预热器检修1)密封装置检查2)密封片更换调整3)导向轴承检查、更换4)支承轴承检查、更换5)整体试转HHHWHHWHHWHHWHHHHHHWHHHH检修作业指导书检修作业指导书检修作业指导书检修作业指导书检修作业指导书检修作业指导书检修作业指导书检修作业指导书检修作业指导书检修作业指导书检修作业指导书检修作业指导书检修作业指导书检修作业指导书检修作业指导书检修作业指导书检修作业指导书检修作业指导书检修作业指导书检修作业指导书检修作业指导书检修作业指导书检修作业指导书检修作业指导书检修作业指导书√√√√√√√√√√√√√√√√√√√√√√√√√√√√√√√√√√√√√√√√√√√√√√√√√√√√√√√√√√√√√√√√√√√√燃烧器检修1)喷嘴检查检修2)摆动装置校验2)点火枪、油枪轨道稳燃罩检修烟、风、煤粉管道检修检修1)烟、风系统积灰检查2)飞灰取样器检查检修3)烟气、热、冷风等挡板及执行机驱动机构检查调整水压试验制粉系统检修7.1 磨煤机1)磨煤机内部检查2)减速机检查(包括对轮)换油3)冷热风隔绝门、调门检修调试4)密封风机试转7.2 给煤机1)给煤机内部检查7.3 元煤仓1)元煤仓壁检查2)元煤仓内部检查7.4 制粉系统整套试转火检风机试转一次风机A、B 检修1)检查及更换轴承2)轴的检查3)电动机轴瓦的检查4)找正5)进口风门联调6)试转引风机A、B 检修1)叶轮检查2)叶轮间隙测量(检修前后)3)轴承更换4)电动机轴瓦的检查5)找正HHHHWHHWWHWHHWHHHHWWHHHWHWW检修作业指导书检修作业指导书检修作业指导书检修作业指导书检修作业指导书检修作业指导书检修作业指导书检修作业指导书检修作业指导书检修作业指导书检修作业指导书检修作业指导书检修作业指导书检修作业指导书检修作业指导书检修作业指导书检修作业指导书检修作业指导书检修作业指导书检修作业指导书检修作业指导书检修作业指导书检修作业指导书检修作业指导书检修作业指导书检修作业指导书√√√√√√√√√√√√√√√√√√√√√√√√√√√√√√√√√√√√√√√√√√√√√√√√√√√√√√√√√√√√√√√√√√√√√√√√6)静叶调整7)试转送风机A、B 检修1)测量叶片与外壳之间的径向间隙,检查叶片开度与机外指示是否一致,检查叶片磨损、缺损、裂纹2)检查主轴承箱的轴承及主轴3)试转阀门检修12.1 安全门1)检查阀瓣,阀嘴密封面研磨,吃线情况2)热态校验12.2 高压截止阀1)检查阀杆,阀盖压板的弯曲情况,和阀瓣密封面密封情况12.3 电磁压力泄放阀1)检查主阀瓣,主阀喷嘴密封面;先导阀密封面研磨,吃线情况12.4 减温水调节阀1)阀瓣与阀座密封面的研磨情况连排扩容器检修1)容器内部检查定排扩容器检修1)容器内部检查吹灰系统检修1)烟温探针验收2)自用蒸汽吹灰一二次门检修3)吹灰安全阀解体检查4)吹灰系统整体验收除灰渣系统检修1)电除尘内外部检修、振打及空升试验2)捞渣机检修、试转HHWHHHHWHWHHWWWHHH检修作业指导书检修作业指导书检修作业指导书检修作业指导书检修作业指导书检修作业指导书检修作业指导书检修作业指导书检修作业指导书检修作业指导书检修作业指导书检修作业指导书检修作业指导书检修作业指导书检修作业指导书检修作业指导书《检修工艺规程》检修作业指导书√√√√√√√√√√√√√√√√√√√√√√√√√√√√√√√√√√√√√√√√√√√√√√√√(H:69 W:161)高中压内、外缸螺栓拆卸、编号高中压内、外缸中分面漏汽检查,合缸测量中分面间隙前中后轴承箱角销间隙测量、调整检修作业指导书检修作业指导书检修作业指导书√√√√WHW√√√3)液压关断门开关试验4)#1、2、3 胶带机检修、试转5)溢流水泵检修、试转6)渣仓、石子煤仓清理7)渣仓、石子煤仓出口闸板气动门检修8)渣仓、石子煤仓设备电气控制回路检查、检修9) #3 灰库搅拌机检修10)#3 灰库库顶风机检修11)#3 灰库卸料系统设备控制回路检查、检修脱硫系统检修1)烟道及吸收塔内部等检查、处理2)除雾器检查、清理3)吸收塔引出管道、阀门腐蚀、磨损情况检查、处理、阀门开关试验4)浆液循环泵检修、试转5)氧化风机检修、试转6)石膏排出泵检修、试转7)地坑泵检修、试转8)石灰石浆液泵检修、试转《检修工艺规程》《检修工艺规程》《检修工艺规程》《检修工艺规程》《检修工艺规程》《检修工艺规程》《检修工艺规程》《检修工艺规程》《检修工艺规程》《检修工艺规程》《检修工艺规程》《检修工艺规程》《检修工艺规程》《检修工艺规程》《检修工艺规程》《检修工艺规程》《检修工艺规程》√√√√√√√√√√√√√√√√√√√√√√WWWWWWWWWHHHHHWWW√√√√√√√√√√√√√√√√√高中压内、外缸纵、横向水平检查、测量高中压内、外缸螺母端面与球形垫圈各部位接触检查高中压内、外缸螺栓、螺母修整高中压内、外缸揭缸起吊高中压转子首次出缸起吊高中压转子检查、除垢高中压缸进气口、抽汽口、疏水口封堵高压内、外缸汽缸裂纹检查高中压转子测量轴颈扬度低压隔板找中心测量、调整高中压转子测量通流部分间隙高中压转子测量转子弯曲度、晃度、瓢偏度高中压汽封清理、检修、更换高中压隔板除垢检查高中压缸扣盖前技术文件验证高中压缸扣盖前内部检查、清扫高中压内、外缸螺栓冷、热紧检查高、中压外缸保温低压内、外缸揭缸起吊低压转子首次出缸起吊低压转子检查、除垢、测量低压隔板检查、除垢WWWWWHHHHHHWWWHHWHWWHW检修作业指导书检修作业指导书检修作业指导书检修作业指导书检修作业指导书检修作业指导书检修作业指导书检修作业指导书检修作业指导书检修作业指导书检修作业指导书检修作业指导书检修作业指导书检修作业指导书检修作业指导书检修作业指导书检修作业指导书检修作业指导书检修作业指导书检修作业指导书检修作业指导书检修作业指导书√√√√√√√√√√ √√√ √√√ √√√ √√√ √√√ √√√√√√√√√ √√√ √√√√√ √√√√√√√ √√√低压内、外缸中分面漏汽检查,空合检查、侧量中分面间隙低压内、外缸螺栓检修后验收低压内、外缸水平测量低压内、外缸体宏观检查低压内缸纵、横键测量、调整低压隔板找中心测量、调整低压转子测量轴颈扬度低压汽封清理、检修、更换低压转子测量通流部份间隙低压转子测量转子弯曲堵、晃度、瓢偏度低压缸扣盖前技术文件验证低压缸扣盖前内部检查、清扫低压缸扣缸中低压联通管检查、安装支持轴承解体检修,测量桥规值,测量、调整装配间隙、紧力支持轴承各部装配面接触情况检查、修刮支持轴承钨金检查支持轴承最终装配数据纪录支持轴承封闭前检查推力轴承解体检修,测量推力间隙推力轴承各部装配面接触情况检查、修刮推力轴承钨金检查HWWWWWHWWWHHHWWHHHHHHH检修作业指导书检修作业指导书检修作业指导书检修作业指导书检修作业指导书检修作业指导书检修作业指导书检修作业指导书检修作业指导书检修作业指导书检修作业指导书检修作业指导书检修作业指导书检修作业指导书检修作业指导书检修作业指导书检修作业指导书检修作业指导书检修作业指导书检修作业指导书检修作业指导书检修作业指导书√√ √√√√√√√√√√√√√ √√√√√√√√√ √√√ √√√ √√√√√√√ √√√ √√√ √√√ √√√ √√√ √√√ √推力轴承最终装配数据纪录推力轴承封闭前检查发机电汽、励端轴承绝缘值检查、测量汽、励密封瓦解体检查、测量中—低、汽—发对轮解体中心测量对轮螺栓、螺母检修测量对轮中心、确定调整中心方案对轮中心数据验收紧固对轮螺栓,测量伸长量等数据盘车齿轮检查,啮合接触情况检查,齿侧间隙测量盘车轴承检查、更换测量、记录叶轮密封环、轴颈、轴头等处晃度值检查叶轮密封环、轴颈、轴承、对轮内、外齿形磨损情况,测量叶轮密封环径向间隙,更换对轮齿套测量、记录轴瓦及推力轴承间隙,检查轴承乌金与轴颈接触情况,推力盘与推力瓦块接触情况检查泵壳体中分面接触情况检查测速齿轮装配及磨损测量、调整主油泵与高压转子中心检查、疏通各油孔是否通畅HHHHWWHHHWWWWHWWHW检修作业指导书检修作业指导书检修作业指导书检修作业指导书检修作业指导书检修作业指导书检修作业指导书检修作业指导书检修作业指导书检修作业指导书检修作业指导书检修作业指导书检修作业指导书检修作业指导书检修作业指导书检修作业指导书检修作业指导书检修作业指导书√√ √√√ √√√ √√√ √√√√√√√ √√√ √√√ √√√√√√√√√√√ √√√√√√√ √√√解体各部套,清扫、检查磨损情况测量、记录间隙、过封度、行程,必要时更换易损零部件检查各部位密封线应接触优良检查、疏通各油孔组装、连接各部套,静态调整各部位装配间隙达到质量标准前箱油管路检查、清洗,接头密封检查解体、检查门杆有无卡涩、弯曲、磨损、结垢及腐蚀,丝扣是否完好,清理氧化层,测量门杆弯曲、各部位装配间隙、预启阀、主阀行程检查碟阀、蝶座有无腐蚀、损伤,密封线接触是否良好,并进行研磨各密封结合面检查,更换密封垫检查、清理密封胀圈,更换备件螺栓,螺母修整主汽门表面裂纹检、蒸汽滤网检查WHHWHWHHWWWW检修作业指导书检修作业指导书检修作业指导书检修作业指导书检修作业指导书检修作业指导书检修作业指导书检修作业指导书检修作业指导书检修作业指导书检修作业指导书检修作业指导书√√√√ √√√ √√√√√ √√√√√√√√√√√√√√√√√汽门阀杆漏汽管道接头检查控制座、杠杆检查,活动关节处加润滑脂汽门支吊架检查,必要时调整拆、装发机电内外端盖,检查内外端盖、风扇罩、档风圈、衬垫,吹扫清除污垢抽、穿转子检查清理护环、风扇叶、通风孔、本体、中心环、平衡块等检查清理导风叶,并根据情况更换主、副励磁机抽、穿转子,测量、调整有关间隙?主、副励磁机回装电—励对轮中心数据验收主—副励对轮中心数据验收发机电整套风压试验油箱内部、滤网清扫射油器检查喷嘴、逆止板、各油泵出口逆止门测量各部装配间隙测量转子晃动、弯曲更换轴承、机械密封出、入口滤网检查更换各单向阀解体检查WWWWHWWWWHHHWWWWWWW检修作业指导书检修作业指导书检修作业指导书检修作业指导书检修作业指导书检修作业指导书检修作业指导书检修作业指导书检修作业指导书检修作业指导书检修作业指导书检修作业指导书检修作业指导书检修作业指导书检修作业指导书检修作业指导书检修作业指导书检修作业指导书检修作业指导书检修作业指导书检修作业指导书√√√√√√√√√√ √√√√√√√√√√√ √√√ √√√ √√√√√√√√√√√√√√√各顶轴油管道接头检查、支架卡子检查完善冷油器水侧捅堵清洗,油侧抽芯检查、清扫切换活塞间隙测量空、氢侧密封油泵检修氢侧密封油箱内部检查、清理油冷油器水侧捅堵、油侧抽芯检查滤油器解体清洗密封油系统阀门检修密封油控制站改造,相关管阀改造抗燃油箱内部清理抗燃油主油泵、再生泵、循环泵检修,入口滤网更换EH 泵出口、油动机入口滤芯更换蓄能器检查测压、充氮抗燃油冷油器水侧清洗、捅堵工作油冷却器水侧捅堵润滑油油冷却器更换液力偶合器油箱换油,油系统滤芯清洗,滤油更换给水泵A芯包给水泵支持轴承钨金检查,装配间隙、紧力测量给水泵支持轴承接触情况检修HWWWWWWWHWHWWWWWHWHWW检修作业指导书检修作业指导书检修作业指导书检修作业指导书检修作业指导书检修作业指导书检修作业指导书检修作业指导书检修作业指导书检修作业指导书检修作业指导书检修作业指导书检修作业指导书检修作业指导书检修作业指导书检修作业指导书检修作业指导书检修作业指导书检修作业指导书检修作业指导书检修作业指导书√√√√√√√√√√√√√√√√√√√√√√√√√ √ √ √ √ √ √ √ √ √ √ √ √ √ √ √ √ √ √√√给水泵推力轴承钨金检查,推力间隙测量给水泵推力轴承接触情况检修给水泵对轮螺栓拆除,复查、调校对轮中心对轮中心数据验收对轮连接前置泵轴检查、测量前置泵更换轴承、机械密封对轮中心调校、对轮连接凝结泵检查、测量叶轮、泵轴、轴承间隙,各部位装配间隙测量、调整轴承油室油更换,冷却水系统检查、疏通真空泵轴承、叶轮检查、测量,轴向间隙调整盘根更换、阀瓣更换对轮中心调校,对轮连接汽水分离器检查清扫循环泵泵轴、叶轮检查,轴承衬套、盘根衬套更换,组装转子循环泵轴承更换、回装,轴端密封改造,测量记录有关装配间隙电动机上、下导轴承、推力轴承检修,冷油器内部清扫,外部冷却水管疏通电动机定子找平、镜板找平,转子摆度调整空气间隙调整,对轮找中心电动机空转、对轮联接WWWHWWWWWWWWWWHWWHWW检修作业指导书检修作业指导书检修作业指导书检修作业指导书检修作业指导书检修作业指导书检修作业指导书检修作业指导书检修作业指导书检修作业指导书检修作业指导书检修作业指导书检修作业指导书检修作业指导书检修作业指导书检修作业指导书检修作业指导书检修作业指导书检修作业指导书检修作业指导书√√√√√√√√ √√√√√√√√√√√√√√√√√√√√√√√ √√√√√√√ √√√√√上下轴承室清扫,瓦块锁紧、轴承室封闭除氧器水箱清扫、除锈?除氧器恒速喷头、淋水盘、填料检查、消缺水箱、除氧器安全门检修,动作压力校验水室检查、打风压查漏、堵焊泄漏部位水室进、出口堵板密封垫、螺栓更换安全门解体检修、动作压力校验内部焊缝检查,检查壳体变形情况解体检查阀杆、阀头、阀座,清理氧化皮,测量相关装配间隙检查、研磨密封线、密封面必要时更换阀头、阀座阀门壳体内、外表面检查液压站油泵、油缸、液压件检修液压站油箱清理,更换液压油阀门内部检查,更换门轴套、门板与门轴螺栓、密封圈,更换盘根,法兰复紧或者更换密封垫片WWWHWWWWWHHWWWW检修作业指导书检修作业指导书检修作业指导书检修作业指导书检修作业指导书检修作业指导书检修作业指导书检修作业指导书检修作业指导书检修作业指导书检修作业指导书检修作业指导书检修作业指导书检修作业指导书检修作业指导书检修作业指导书√√√√√√√√√√√√√√√√√√√√√√√√√√√√√√√√√液压站与阀门组合螺栓、销子紧固,阀门机械限位调整液压站相关油管道及接头检查,更换密封件蓄能器压力检查、补充氮气WWWWWWWWW检修作业指导书检修作业指导书检修作业指导书检修作业指导书检修作业指导书检修作业指导书检修作业指导书检修作业指导书√√√√√√√√√√√√√√√√ √ √主机本体疏水、排汽系统阀门解体主蒸汽、再热蒸汽及旁路系统疏放水阀门检修抽汽系统闸阀、逆止阀、疏水阀检修高、低压加热器疏水及放气阀门检修汽轮机汽封系统阀门解体检修,汽封管道滤网清扫,轴封供汽母管安全阀解体检修、校压高中压缸夹层加热联箱进、出口阀门、安全阀检修,安全阀校压中压辅汽联箱及中压辅汽系统阀门解体检修;中压辅汽系统疏水阀解体检修、节流件检查;中压辅汽联箱安全阀检修,安全阀校压转机冷却水、工业水阀门解体检修,管道清理主蒸汽、再热蒸汽系统管道支、吊架检查,金属监督检验给水系统管道支、吊架检查凝结水系统管道支、吊架检查抽汽、辅汽系统管道支、吊架检查高、低压疏放水系统管道支、吊架检查主蒸汽、再热蒸汽系统管道疏、放水小管金属监督检验WWWWWWWWWWWWWWW检修作业指导书检修作业指导书检修作业指导书检修作业指导书检修作业指导书检修作业指导书检修作业指导书检修作业指导书检修作业指导书检修作业指导书检修作业指导书检修作业指导书检修作业指导书检修作业指导书检修作业指导书√√√√√√√√√√√√√√√√√√√√√√√√√√√√√√汽轮机本体、高压主汽调节阀体、中压联合汽阀体疏、放水小管金属监督检验发机电定冷水泵检修,更换轴承、机械密封冷却器循环水侧捅堵冷却水箱内部检查系统管道密封垫更换为聚四氟乙烯垫片,更换激光打孔滤水器发机电氢气系统阀门解体检修吸附式氢气干燥器更换干燥剂冷凝式氢气干燥器检查3 台高速混床内部水冒检修、树脂补充,人孔、看窗消漏3 台高速混床相关管道焊缝渗漏彻底处理、阀门检修树脂捕捉器检查、清扫给水、炉水、凝结水加药泵解体检修。
质量控制点一览表质量控制点一览表E.5质量控制点等级“A”,“B”,“C”,“AR”,“BR”, “CR”的定义如下:“A”—应由业主见证确认后,才能进行下一道工序。
“AR”—应备有施工纪录文件并由业主专业工程师确认后,才能进行下一道工序。
“B”—应由承包者质检人员见证确认后,才能进行下一道工序。
“BR”—应备有施工记录文件并由承包者质检人员签认后,才能进行下一道工序。
“ C”—应由分包者之间人员见证确认后,才能进行下一道工序。
“CR”—应备有施工记录文件并由分包者质检人员签认后,才能进行下一道工序。
E.5.1 安装工程E.5.1.1 静设备包括:塔、容器、反应器、再生器、热交换器。
E.5.1.2 动设备E.5.1.3 工业炉(包括工业炉、加热器、蒸汽锅炉)E.5.1.4拼装罐(现场组对设备)E.5.1.5 冷却器E.5.1.6 输送带、装卸船机、桥式刮料机、包装机、打包称重机、皮带秤E.5.1.7翅片式空气冷却器、风扇、风机E.5.1.8行车、提升机械E.5.1.9管道工程E.5.1.10 电气工程E.5.1.11仪表工程E.5.1.12保温工程包括:热保温、冷保温、人身防护、噪声防护。
E.5.1.13 油漆工程E.5.2 建筑工程E.5.2.1 建设勘测E.5.2.2混凝土搅拌E.5.2.3钢筋混凝土及砖建筑物E.5.2.4钢建筑物E.5.2.5钢结构E.5.2.6防火灰浆/混凝土E.5.2.7设备基础E.5.2.8钢结构基础E.5.2.9坑/池E.5.2.10钢筋混凝土堤E.5.1.11 混凝土道路/路面E.5.2.12 沥青道路/路面E.5.2.13 /排水系统适用于封闭式排水系统E.5.2.14 电缆沟E.5.2.15地下管道、管沟E.5.2.16就地基础E.5.2.17预制混凝土桩E.5.2.18混凝土灌注桩E.5.2.19栅栏和门E.5.2.20围堤(防护堤)。
质量控制点一览表质量控制点一览表在任何项目中,质量控制是至关重要的。
它确保产品或服务符合预期标准,并提供高质量的成果。
质量控制点(QC点)是项目中特定阶段或过程中进行检查的点,用于识别和纠正潜在的质量问题。
下面是一个质量控制点一览表,用于帮助项目团队跟踪和管理质量控制活动。
质量控制点清单1. 项目启动阶段- QC1:确定项目的质量需求和目标,包括产品或服务的预期质量水平。
- QC2:确保项目团队对质量政策和流程有清晰的理解,并制定相应的质量管理计划。
- QC3:确保项目团队对关键质量控制点的重要性和标准有清晰的认识。
2. 需求分析阶段- QC4:确保项目团队与利益相关者充分沟通,明确需求和期望。
- QC5:确保需求规格说明书(SRS)准确、完整,并与利益相关者进行确认。
- QC6:检查SRS是否涵盖了所有关键需求,并与项目目标相一致。
3. 设计阶段- QC7:确保设计方案满足项目的质量目标和标准。
- QC8:检查设计文档是否清晰、准确,并包含必要的技术规范和细节。
- QC9:确保设计方案是否经过评审和核准。
4. 开发阶段- QC10:检查开发工作是否按照设计方案进行,遵循编码标准和最佳实践。
- QC11:进行代码评审,确保代码的可读性、可维护性和健壮性。
- QC12:确保开发过程中进行单元测试和集成测试,并记录测试结果。
5. 测试阶段- QC13:进行系统测试,验证系统是否满足需求规格说明书中定义的功能和性能要求。
- QC14:进行用户验收测试,确保系统在真实环境中的可用性和稳定性。
- QC15:确保问题追踪系统有效运行,记录和跟踪测试中发现的问题。
6. 上线/交付阶段- QC16:确保部署过程中的质量控制,包括配置管理和版本控制。
- QC17:进行最终的质量审查,确保产品或服务满足预期的质量标准。
- QC18:完成项目回顾和总结,收集反馈并改进质量管理过程。
结论质量控制点一览表的使用可以帮助项目团队识别质量控制活动,并在适当的阶段进行质量检查和纠正。
质量控制点一览表E.5质量控制点等级“A”,“B”,“C”,“AR”,“BR”, “CR”的定义如下:“A”—应由业主见证确认后,才能进行下一道工序。
“AR”—应备有施工纪录文件并由业主专业工程师确认后,才能进行下一道工序。
“B”—应由承包者质检人员见证确认后,才能进行下一道工序。
“BR”—应备有施工记录文件并由承包者质检人员签认后,才能进行下一道工序。
“ C”—应由分包者之间人员见证确认后,才能进行下一道工序。
“CR”—应备有施工记录文件并由分包者质检人员签认后,才能进行下一道工序。
E.5.1 安装工程E.5.1.1 静设备包括:塔、容器、反应器、再生器、热交换器。
E.5.1.2 动设备E.5.1.3 工业炉(包括工业炉、加热器、蒸汽锅炉)E.5.1.4拼装罐(现场组对设备)E.5.1.5 冷却器E.5.1.6 输送带、装卸船机、桥式刮料机、包装机、打包称重机、皮带秤E.5.1.7翅片式空气冷却器、风扇、风机E.5.1.8行车、提升机械E.5.1.9管道工程E.5.1.10 电气工程E.5.1.11仪表工程E.5.1.12保温工程包括:热保温、冷保温、人身防护、噪声防护。
E.5.1.13 油漆工程E.5.2 建筑工程E.5.2.1 建设勘测E.5.2.2混凝土搅拌E.5.2.3钢筋混凝土及砖建筑物E.5.2.4钢建筑物E.5.2.5钢结构E.5.2.6防火灰浆/混凝土E.5.2.7设备基础E.5.2.8钢结构基础E.5.2.9坑/池E.5.2.10钢筋混凝土堤E.5.1.11 混凝土道路/路面E.5.2.12 沥青道路/路面E.5.2.13 /排水系统适用于封闭式排水系统E.5.2.14 电缆沟E.5.2.15地下管道、管沟E.5.2.16就地基础E.5.2.17预制混凝土桩E.5.2.18混凝土灌注桩E.5.2.19栅栏和门E.5.2.20围堤(防护堤)感谢下载!欢迎您的下载,资料仅供参考。
质量控制点一览表
E.5质量控制点等级“A”,“B”,“C”,“AR”,“BR”, “CR”的定义如下:“A”—应由业主见证确认后,才能进行下一道工序。
“AR”—应备有施工纪录文件并由业主专业工程师确认后,才能进行下一道工序。
“B”—应由承包者质检人员见证确认后,才能进行下一道工序。
“BR”—应备有施工记录文件并由承包者质检人员签认后,才能进行下一道工序。
“ C”—应由分包者之间人员见证确认后,才能进行下一道工序。
“CR”—应备有施工记录文件并由分包者质检人员签认后,才能进行下一道工序。
E.5.1 安装工程
E.5.1.1 静设备
包括:塔、容器、反应器、再生器、热交换器。
E.5.1.2 动设备
E.5.1.3 工业炉(包括工业炉、加热器、蒸汽锅炉)
E.5.1.4拼装罐(现场组对设备)
E.5.1.5 冷却器
E.5.1.6 输送带、装卸船机、桥式刮料机、包装机、打包称重机、皮带秤
E.5.1.7翅片式空气冷却器、风扇、风机
E.5.1.8行车、提升机械
E.5.1.9管道工程
E.5.1.10 电气工程
E.5.1.11仪表工程
E.5.1.12保温工程
包括:热保温、冷保温、人身防护、噪声防护。
E.5.1.13 油漆工程
E.5.2 建筑工程
E.5.2.1 建设勘测
E.5.2.2混凝土搅拌
E.5.2.3钢筋混凝土及砖建筑物
E.5.2.4钢建筑物。
1、设备/材质检查 A (BR2、基础检查/CR)3、基础表面处理AR4、垫铁放置 C5、方位检查C R6、地脚螺栓清洁度BR7、地脚螺栓孔灌浆 B8、找正BR9、二次灌浆1 地脚螺栓紧固0、内件安装11、托盘12、除沫器等1 内部清洁度3、触媒/填料装填1 紧固入孔螺栓4、检查梯子、平台1 泄露试验(如需要) 5、最终外观检查16、17、1、设备/材质检查2、基础检查3、基础表面处理4、垫铁放置5、底座找正6、地脚螺栓清洁度7、地脚螺栓孔灌浆8、二次灌浆9、地脚螺栓紧固10、联轴节对中1 配管前1 、配管后12、内部清洁度(如需要)13、辅助件安装14、最终外观检查1 盘车5、油洗、吹扫1 驱动装置转向检查6、联轴节最终对中1 试车7、A (B R/CR)ARB RBARAAA RBCA RAACABARBRARARARCB RARBBRBRBBRB R18、1、设备/材质检查 A( B R /2、基础检查 CR)3、主结构找正(垂直度、标高) AR4、主墙方度(跨距、对角线) BR5、螺栓/结构焊接/墙板 BR6、管、盘管、输气管对中 C7、顶部弹簧吊架调校 B8、焊接工艺规程/焊接工艺评 B9、定 AR1 焊工考试 A/BR0、受压部份焊接检查 BR1 着色、磁探 BR 1、射线 C12、外观 BR13、焊后热处理(如需要) AR1 水压试验/渗漏试验/气溶 C4、性试验 B1 燃烧器辅助件焊接 B 5、表面准备/筑炉清理 B1 焊放筑炉锚钉 A6、膨胀节筑炉 A17、筑炉外观检查 BR18、内部清洁度 A19、烟囱找正 ( 中心线、垂直 AR20、度) AR21、最终外观检查 AR2 化学清洗2、烘炉2 触媒装填3、1、焊接工艺规程/焊接工艺评定2、焊工考试3、材质检查4、基础检查5、焊缝外观检查6、无损检测7、着色、磁探8、射线9、真空试验(底板)10、方位(管口、入孔)11、垂直度检查12、标高检查1 椭圆度检查3、尺寸检查14、焊后热处理(如需要)1 水压试验5、渗漏试验1 产品试板试验(如需要)6、附件安装1 衬里和涂层检查(内部)7、内部清洁度18、紧固入孔螺栓1 检查平台和梯子9、最终外观检查20、21、22、A R A/ BR A(BR /CR)ARCBRBRA/BRB RBRB RBRBRBRARARA RCAABCA1、 设备/材质检查2、 基础/结构的水平和中心3、 紧固地脚螺栓4、 设备找正(中心线/水平/垂5、 直度)6、 驱动和尾端拉紧装置检查7、 (输送带)8、 驱动机对中9、 驱动机转向检查10、 最终外观检查1 试车1、 秤的调校程序试验/连锁试验A( B R/C R)A RBA RBARBRAA RA/BRA/BR1、 设备/材质检查2、 基础检查A(BR/CR)3、垫铁放置4、结构找正(垂直度、标高)5、管束安装6、风扇环安装7、风扇环间隙检查8、风扇角度9、驱动装置对中10、 V 型皮带松紧度检查11、紧固螺栓12、检查平台1 附件安装3、最终外观检查14、驱动机转向检查(方向、电1 流、温度检查)5、试车(振动、温度、噪声的检查)1、设备/材质检查2、轨道找正(垂直度、水平度)3、轨道中心线和弯曲度4、驱动装置对中5、最终外观检查6、程序试验/连锁试验7、试车1、焊接工艺规程/焊接工艺评定2、焊工考试3、材质说明书和鉴定证4、坡口准备5、检查焊条A(BR/CR)BRBRBRAA/BRARARC RBRBRCB RB RARB RBCCAA RA/BRCC RCRB RAR6、预热7、焊接条件8、焊缝外观检查9、无损检测(射线)1 无损检测(着色、磁探)0、焊后热处理1 管支撑和弹簧吊架的设定1、试压前检查1 压力试验2、吹除13、化学清洗1 气密性试验4、弹簧吊架/弹簧支撑的调整1 隐蔽/防腐包层检查5、最终外观检查16、17、18、19、20、1、设备/材质检查2、接地电阻测试3、绝缘电阻测试4、绝缘强度测试5、受电6、机电空载测试7、照明试验8、电气程序试验9、继电器设定10、电气设备的功能试验(发电11、机、整流器等)A (B R /CR)C RC RA/ BRAA/BRAA/BRB RA/BRC RCCRB RB RB RCB RA RA RA RARB A/BRA12、 阴极保护试验 13、 火警系统试验1 电话/传呼系统试验 4、 最终外观检查A/BR A A A A1、 设备/材质检查2、 电缆绝缘和导通试验3、 压力/泄露(空气管)4、 压力仪表导压管的压力试验5、 回路试验(包括控制阀动作)6、 程序试验(包括停车系统)7、 分析器性能试验8、 报警设定9、 调校10、 安全阀释放压力和泄露试验 1 最终外观检查 1、(BR/CR)C A/BR A1、 材质检查 AA1、 设备/材质检查2、 表面清洁度3、 厚度4、 外观检查A ( BR / CR)B R BR B R A/BR A/BR A/BR A /BR A /BR A/BR A1、 基准点2、 参考线/参考点3、 放线1、 细/粗骨料试验2、 水泥试验3、 配合比试验4、 混凝土浇灌记录5、 强度试验6、 塌落度测试1、 基坑检查A R 2、 圆石/砾石/碎石底 C R 3、 混凝土平整度 CR 4、 外形尺寸C R 5、 预埋件(位置) .预制件 CR 6、 加强筋A R 7、 混凝土浇灌A /BR 8、 测量(位置、尺寸、水平和CR2、 表面准备(BR/CR)3、 外层油漆的层数 B4、 重新涂漆时间 BR5、 干膜厚度 CR6、 外观检查A /BR AA R — AR BCR B R C R BR BRC R1、 基坑检查AR 2、 圆石/砾石/碎石底 CR 3、 混凝土平整度 C R 4、 外形尺寸 C R 5、 预埋件预制件 C R 6、 加强筋AR 7、 混凝土浇灌A/BR 8、 测量(位置、尺寸、水平和垂 C R 9、 直度) CR 10、 基础 B R 1 预埋件CR 1、 回填(回填材料/密实度) BR 1 灌浆CR 2、 钢结构预制件安装(包括行 C 1 车轨道安装)焊工资格 BR 3、 中心/水平/垂直度 A 1 紧固地脚螺栓CR9、 垂直度) 10、 基础/结构 11、 预埋件和缝隙12、 附件(扶手/楼梯/支撑)建造物的装饰 砖石砌筑 抹灰屋顶/侧墙 接合面 木工活内/外部装饰 外观检查 回填 回填材料 密实度 接地/照明 综合外观C R BR C R C R C R CR C R C R A C R BR A/BR A4、力矩试验/力矩板手校正1 外观检查5、油漆(钢结构)表面准备刷漆次数重刷时间干膜厚度色泽外观检查建造物装饰(质量、位置、尺寸、水平、垂直度等)砖石砌筑抹灰屋顶/侧墙接合面木作活内/外部装饰外观检查接地/照明综合外观1、基础(标高、位置)2、钢结构预制件安装焊工资格中心/水平/垂直度紧固地脚螺栓力矩测试外观检查1、板条/加强筋2、外形尺寸CR CRC R CRAC R CRC R CR CRC RAA/BR AA RB R CRCB RABRCR3、灰浆/混凝土4、综合外观B R A1、基坑检查2、圆石/砾石/碎石底3、混凝土平整度4、外形尺寸5、预埋件和地脚螺栓6、加强筋7、混凝土浇灌8、测量(位置、尺寸、水平和9、垂直度)基础10、预埋件和地脚螺栓11、回填(回填材料/密实度)灌浆综合外观同设备基础AR CR CR B R BRA/BR A/ BR C R CRC RB RA1、基坑检查(坑底最终水平)2、圆石/砾石/碎石底 (位置/尺3、寸/标高/厚度)4、混凝土平整度(中心/标高)5、预埋件6、加强筋(位置/尺寸/范围/弯7、钩/接点)8、混凝土9、测量(位置、尺寸、水平和AR CR C RC RA/BR A/BR CR CR C R10、垂直度)坑/池1 预埋件1、附件(扶手/梯子)防酸、防水层渗漏试验回填(回填材料/密实度)综合外观A R AR C R A1、基坑检查2、圆石/砾石/碎石底3、混凝土平整度4、外形尺寸5、预埋件6、加强筋7、混凝土8、测量(位置、尺寸、水平和9、垂直度)1 钢筋混凝土堤0、预埋件附件(扶手/梯子)回填(回填材料/密实度)综合外观1、路基2、密实度3、表面情况4、底层做法5、材料试验6、密实度7、承载板负荷试验 (仅重载区)C R CR CR CR A/BR A/BR C R CR CR CRACR CR C RA BR CRC RAAR表面情况加强筋接点混凝土路面混凝土中心/水平/位置厚度路边/路肩/梁综合外观1、路基2、密实度3、表面情况4、基层5、材料试验密实度表面情况沥青混凝土路面材料工厂试验沥青混凝土浇筑温度密度测试表面情况表面厚度路边/路肩/梁(位置/尺寸/标高)综合外观1、基坑2、安装(位置、标高)3、严密度试验A CR C RA CR C RC RA CR C RA A/BR C R CR C RACR C RA RC R1、 基坑 A/BR2、 清洁度 CR3、 管的敷设 AR4、 填砂(如需要) BR5、 砂测试 BR6、 充填(密实度) CR7、 复盖厚度 A回填(回填材料/密实度) CR 坡度 A 综合外观1、 基坑检查CR 2、 圆石/砾石/碎石底 CR 3、 混凝土平整度 CR 4、 外形尺寸 BR 5、 加强筋A/BR 6、 混凝土浇灌A/BR 7、 测量(位置、尺寸、水平和 CR 8、 垂直度) C 9、 清洁度CR 10、 回填(回填材料/密实度) A/BR 1 电缆/管的敷设 CR 1、 填砂 BR 1 砂试验C R 2、 充填(密实度) A1 安放混凝土盖 3、 综合外观4、 回填(回填材料/密实度)5、 冲洗6、 综合外观C R AR A同设备基础1、预制检查2、材料试验3、外观、形状、尺寸4、标记5、桩检查6、桩负荷试验(如需要)7、桩基试验(如需要)8、大桩9、焊接点/焊接工艺桩头处理测量(坐标、标高)综合外观1、桩位置2、钻孔3、坐标4、深度5、底部清洁度6、加强筋7、浇筑混凝土)测量(坐标、标高)桩负荷测试(如需要)综合外观CR C RCR C RA/BR A/BRCR A RACRCR C RA/BR A RA RA/BR B RB RBRA1、基础2、安装3、位置/水平度/垂直度功能检查油漆外观检查综合外观1、材料检查2、密实度3、尺寸/标高/位置4、表面情况5、沉降6、综合外观A/BR CR C R CR C RA C R CR AB RAA。
**质量控制点一览表质量控制点等级“A〞,“B〞,“C〞,“AR〞,“BR〞,“CR〞的定义如下:“A〞—应由业主目睹确认后,才能进行下一道工序。
“AR〞—应备有施工纪录文件并由业主专业工程师确认后,才能进行下一道工序。
“B〞—应由承包者质检人员目睹确认后,才能进行下一道工序。
“BR〞—应备有施工记录文件并由承包者质检人员签认后,才能进行下一道工序。
“C〞—应由分包者之间人员目睹确认后,才能进行下一道工序。
“CR〞—应备有施工记录文件并由分包者质检人员签认后,才能进行下一道工序。
安装工程E.静设施包含:塔、容器、反响器、重生器、热互换器。
序号控制点等级检查结果1、设施/材质检查A〔BR/CR〕2、根底检查AR3、根底外表办理C4、垫铁搁置CR5、方向检查BR6、地脚螺栓洁净度B7、地脚螺栓孔灌浆BR8、找正AR9、二次灌浆BR10、地脚螺栓紧固B11、内件安装托盘AR除沫器等A12、内部洁净度A13、触媒/填料装填AR14、紧固入孔螺栓B15、检查梯子、平台C16、泄漏试验〔如需要〕AR17、最后外观检查A动设施序号控制点等级检查结果1、设施/材质检查A〔BR/CR〕2、根底检查AR3、根底外表办理C4、垫铁搁置BR5、底座找正AR6、地脚螺栓洁净度B7、地脚螺栓孔灌浆BR8、二次灌浆BR9、地脚螺栓紧固B10、联轴节对中配管前BR配管后BR11、内部洁净度〔如需要〕A12、协助件安装C13、最后外观检查A14、盘车B15、油洗、吹扫AR16、驱动装置转向检查BR17、联轴节最后对中AR18、试车AR工业炉〔包含工业炉、加热器、蒸汽锅炉〕序号控制点等级检查结果1、设施/材质检查A〔BR/CR〕2、根底检查AR3、主构造找正〔垂直度、标高〕BR4、主墙方度〔跨距、对角线〕BR5、螺栓/构造焊接/墙板C6、管、盘管、输气管对中B7、顶部弹簧吊架调校B8、焊接工艺规程/焊接工艺评定AR9、焊工考试A/BR10、受压局部焊接检查着色、磁探BR射线BR外观C11、焊后热办理〔如需要〕BR12、水压试验/渗漏试验/气溶性试验AR13、燃烧器协助件焊接C14、外表准备/筑炉清理B15、焊放筑炉锚钉B16、膨胀节筑炉B17、筑炉外观检查A18、内部洁净度A19、烟囱找正〔中心线、垂直度〕BR20、最后外观检查A21、化学冲洗AR22、烘炉AR23、触媒装填AR拼装罐〔现场组对设施〕序号控制点等级检查结果1、焊接工艺规程/焊接工艺评定AR2、焊工考试A/BR3、材质检查A(BR/CR)4、根底检查AR5、焊缝外观检查C6、无损检测着色、磁探BR射线BR7、真空试验〔底板〕A/BR8、方向〔管口、入孔〕BR9、垂直度检查BR10、标高检查BR11、椭圆度检查BR12、尺寸检查BR13、焊后热办理〔如需要〕BR14、水压试验AR15、渗漏试验AR16、产品试板试验〔如需要〕AR17、附件安装C18、衬里和涂层检查〔内部〕A19、内部洁净度A20、紧固入孔螺栓B21、检查平台和梯子C22、最后外观检查A冷却器序号控制点等级检查结果1、设施/材质检查A〔BR/CR〕2、根底水平/标高A3、搁置地脚螺栓C4、主钢构造水平/垂直度C5、紧固螺栓B6、驱动装置对中AR7、扇套和翼轮的空隙BR8、协助件安装C9、检查平台和梯子C10、驱动机转向检查BR11、最后外观检查A12、试车AR输送带、装卸船机、桥式刮料机、包装机、打包称重机、皮带秤序号控制点等级检查结果1、设施/材质检查A〔BR/CR〕2、根底/构造的水平易中心AR3、紧固地脚螺栓B4、设施找正〔中心线/水平/垂直度〕AR5、驱动和尾端拉紧装置检查〔输送B带〕6、驱动机对中AR7、驱动机转向检查BR8、最后外观检查A9、试车AR10、秤的调校A/BR11、程序试验/连锁试验A/BR翅片式空气冷却器、电扇、风机序号控制点等级检查结果1、设施/材质检查A〔BR/CR〕2、根底检查AR3、垫铁搁置CR4、构造找正〔垂直度、标高〕BR5、管制安装BR6、电扇环安装C7、电扇环空隙检查BR电扇角度BR8、驱动装置对中AR9、V型皮带松紧度检查BR10、紧固螺栓B11、检查平台C12、附件安装C13、最后外观检查A14、驱动机转向检查〔方向、电流、温BR度检查〕15、试车〔振动、温度、噪声的检查〕AR行车、提高机械序号控制点等级检查结果1、设施/材质检查A〔BR/CR〕2、轨道找正〔垂直度、水平度〕BR3、轨道中心线和曲折度BR4、驱动装置对中BR5、最后外观检查A6、程序试验/连锁试验A/BR7、试车AR管道工程序号控制点等级检查结果1、焊接工艺规程/焊接工艺评定AR2、焊工考试A/BR3、材质说明书和判定证C4、坡口准备CR5、检查焊条CR6、预热CR7、焊接条件C8、焊缝外观检查CR9、无损检测〔射线〕BR10、无损检测〔着色、磁探〕BR11、焊后热办理BR12、管支撑和弹簧吊架的设定C13、试压前检查BR14、压力试验AR15、吹除AR16、化学冲洗AR17、气密性试验AR18、弹簧吊架/弹簧支撑的调整B19、隐蔽/防腐包层检查A/BR20、最后外观检查A电气工程序号控制点等级检查结果1、设施/材质检查A〔BR/CR〕2、接地电阻测试CR3、绝缘电阻测试CR4、绝缘强度测试A/BR5、受电A6、电机空载测试A/BR7、照明试验A8、电气程序试验A/BR9、继电器设定BR10、电气设施的功能试验〔发电机、整A/BR流器等〕A/BR11、阴极保护试验A12、火警系统试验A13、/传呼系统试验A14、最后外观检查A仪表工程序号控制点等级检查结果1、设施/材质检查A〔BR/CR〕2、电缆绝缘和导通试验BR3、压力/泄漏〔空气管〕BR4、压力仪表导压管的压力试验BR5、回路试验〔包含控制阀动作〕A/BR6、程序试验〔包含泊车系统〕A/BR7、剖析器性能试验A/BR8、报警设定A/BR9、调校A/BR10、平安阀开释压力和泄漏试验A/BR11、最后外观检查A保温工程包含:热保温、冷保温、人身防范、噪声防范。
质量控制点一览表质量控制点一览表1.介绍本控制点一览表旨在提供一个清晰的质量控制框架,以确保产品、服务或项目的质量得到保证。
通过明确各个质量控制点和相关指导事项,有助于团队能够系统地进行质量管理,从而提高产品或服务的质量水平。
2.质量控制点分类2.1 设计阶段●确定关键设计要求●进行设计评审●设计验证和验证测试●设计记录和文档控制2.2 采购阶段●供应商评估和选择●采购合同和文件审查●供应商监督和评估2.3 生产/执行阶段●原材料和零部件检验●生产工艺控制●生产过程检查和监控●副产品和废弃物管理●工艺控制与流程优化2.4 测试阶段●功能测试●兼容性测试●性能测试●安全测试2.5 交付和售后阶段●发货前检验和验证●安装和调试●售后服务质量评估●客户满意度调查3.指导事项3.1 定义明确的质量标准和指标,以便进行质量控制检查和评估。
3.2 制定标准操作程序(SOP)并确保团队成员熟悉和遵守。
3.3 确定责任人和监督人员,并确保他们具备适当的技能和知识。
3.4 建立可追踪性和记录系统,以便能够跟踪和审查质量控制活动。
3.5 定期进行内部质量审核,以检查系统的有效性和改进机会。
3.6 持续监测和评估供应商的质量绩效,并采取必要的措施。
3.7 定期召开质量管理会议,以便共享经验和识别质量改进机会。
4.附件本文档附有以下附件:●供应商评估表●原材料和零部件检验记录表5.法律名词及注释●质量标准:产品或服务必须达到的特定质量要求。
●指标:用于衡量和评估产品或服务质量的度量指标。
●标准操作程序(SOP):描述一项特定操作或过程的标准步骤和要求的文件。
●可追踪性:能够追溯产品或服务的来源、历史和质量数据的能力。
●内部质量审核:组织内部对质量管理系统进行系统性评估的过程。
●供应商评估:评估和选择供应商能力和适合性的过程。
●质量绩效:供应商按照质量标准提供产品或服务的能力。
●质量改进机会:通过识别和纠正质量问题来提高产品或服务质量的机会。
检修质量控制点一览表
控制
阶段
控制环节主要管理内容主要控制人工作依据工作见证
施工准备阶段1 审图图纸的完整性、合法性、合理性审核使之适宜施工工艺要求项目技术负责人施工图纸及技术文件会审记录
2
编制施
工工艺
文件
1 施工组织设计
合理性、先进性,对工期及质量有
保证
项目技术负责人
企业施工能力、技能水
平、图纸等技术资料
施工组织设计文
件
2 分项施工工艺
对分项要有可行、先进的施工工艺
文件
项目技术负责人组织设计、图纸等工艺文件
3
技术
交底
内容齐全,有交底人签字项目技术负责人图纸、工艺文件交底记录
4
机具材
料进场
与发放
1 计划、进场、验收
有计划、进场及时,质量合格方可
进场
项目副经理
材料使用计划、进度计
划、质量标准
合格证书
2 保管发放按要求保管,按实际用量发放项目副经理用料计划领料单
5
人员资
质审查
1 施工队伍素质审查施工能力、技术素质、持证上岗项目经理有关上级文件资质证书等
2 特殊工种资质特殊工种必须持证上岗项目经理有关上级文件操作许可证
1
汽机
专业
小机本体检修
揭缸和扣缸、拆卸和紧固螺栓顺序、缸体中分
面间隙测量、拆前和回装各部位数据测量、主
油泵转子晃度和中心、高调门拆前和回装行程
测量、高调门和操纵座间隙测量
专业负责人及质检
员
图纸、施工规范、施工方
案
施工记录、检验及
实验记录转机设备检修
拆前各部间隙和中心测量、各零部件检查无
损坏、泵轴晃度和弯曲度测量、回装各部间
隙和中心测量
专业负责人及质检
员
图纸、施工规范、施工方
案
施工记录、检验及
实验记录辅机设备检修
容器内干净无杂物、各部件无堵塞无破损无
变形、结合面密封良好无泄露
专业负责人及质检
员
图纸、施工规范、施工方
案
施工记录、检验及
实验记录
施工
阶段
油系统设备检修邮箱内部干净无杂物、拆前各部间隙和中心
测量、各零部件检查无损坏无堵塞无变形、
回装各部间隙和中心测量、结合面密封良好
无泄漏、修后油循环及系统实验合格
专业负责人及质检
员
图纸、施工规范、施工方
案
施工记录、检验及
实验记录
管道及阀门检修阀门安装位置方向正确、各部件检查无破损
无锈蚀无沟槽、拆前和回装各部间隙测量、
阀杆弯曲度和椭圆度测量、阀芯与阀座密封
面接触情况检查、结合面和接头密封良好无
泄漏、焊缝外观检验、焊接工艺、焊缝无损
检验、系统实验
专业负责人及质检
员
图纸、施工规范、施工方
案
施工记录、检验及
实验记录
2 电气专
业
发电机检修
1、电刷检查更换
2、接线盒检查
3、中性点箱检查
4、发电机出线检查
5、定子引线及过度引线检查
6、发电机整体风压试验
专业负责人及质检
员
图纸、施工规范、施工方
案
施工记录、检验及
实验记录
变压器及附属设
备检修
1、进行变压器修前、修后试验,详细记录
试验数据以便和变压器修后试验数据进行
比较
2、清扫瓷瓶,检查瓷瓶无裂纹破损, 连接
变压器引线,接头清理干净,涂导电膏,回
装封闭母线橡胶套,机械转动部分涂凡士林
3、冷却系统风扇电机小修、修后试运
4、变压器外壳彻底清理干净,对变压器附
件进行防腐刷漆
5、冷风柜内外清洁、元件完好、端子紧固
专业负责人及质检
员
图纸、施工规范、施工方
案
施工记录、检验及
实验记录
升压站220kV开
关、母线PT、避
雷器间隔开关
1、各瓷件完整、干净,密封点无渗漏,螺
栓紧固、齐全,铁件防腐完整,接地良好
2、开关特性、储能电机加热器检查
3、液压系统检查试验
专业负责人及质检
员
图纸、施工规范、施工方
案
施工记录、检验及
实验记录
4、各项电气试验合格
励磁系统1、联系风机试运,检查风机转动灵活、转向正确,温度联起正常
2、对照检修项目检查所有元件清洁完整、无过热变色现象,柜内无遗留物后恢复盖板,柜门上锁
6kV母线检修1、断路器各部件完好,机构配合得当,动
作可靠
2、PT小车各部件完好,机构配合得当,无
裂纹和过热变色、放电现象
3、预防性试验,符合规程要求
专业负责人及质检
员
图纸、施工规范、施工方
案
施工记录、检验及
实验记录
400V检修1、开关柜内电气元件检查清扫
2、开关机构检查清扫
专业负责人及质检
员
图纸、施工规范、施工方
案
施工记录、检验及
实验记录
电机检修1、电动机各部分检修(查)和清理
2、空载试运
3、轴承检查及更换
4、电动机组装
5、电气修后试验
专业负责人及质检
员
图纸、施工规范、施工方
案
施工记录、检验及
实验记录
盘柜等设备清扫1、开关柜内电气元件检查清扫专业负责人及质检
员
图纸、施工规范、施工方
案
施工记录、检验及
实验记录
3 保温及
脚手架
保温层粘贴单层错缝双层压缝、接缝平整严密且用铅丝扎紧、
金属护壳紧贴保温层搭接牢靠,纵缝咬口、环缝搭接、搭口长
度、铆钉间距符合技术要求、金属护壳表面圆滑美观、脚手架
各节点扣件牢固、立杆和大横杆的相邻接头布置合理符合技术
要求、脚手架铺设宽度和立横杆间距符合技术要求、脚手架载
荷满足使用要求。
专业负责人及质检
员
图纸、施工规范、施工方
案
施工记录、检验及
实验记录
验收阶段1 验收各项检修项目验收合格
项目技术负责人及
质检员
按业主质量验收标准验收记录
2 检修质
量评定
主要汽机专业、电气专业设备检修质量等级优良
项目技术负责人及
质检员
按业主质量检验标准质量检验记录
3 检修资
料验收
检修技术资料齐全、记录清晰、准确主管技术员质量管理体系文件
整套检修技术资
料
4 工程竣
工验收
验收签证资料完整齐全项目技术负责人
按业主工程竣工验收标
准
验收签证。