人工挖孔桩记录表格全套
- 格式:doc
- 大小:158.50 KB
- 文档页数:20
人工挖孔桩验槽检查记录工程名称临安市天目山镇九思村朱陀岭滑坡治理工程平面位置示意基础名称人工挖孔桩桩位编号3#施工单位创越建设工程检 查 容 记 录 检查项目设计或验收要求实际检查情况桩身示意图桩身尺寸(㎜) 1800*1500桩底尺寸 (㎜) 1800*1500桩底持力层要求桩端进入持力层深度(㎜)地下水位情况(m ) 无 桩位允差(㎜) ±50㎜ 桩孔垂直度 ﹤0.5% 桩顶标高(m) 447.3 桩底标高(m)437.3检查情况及检查结论参 加 验 槽 单 位建设单位:年 月 日监理单位:年 月 日设计单位:年 月 日施工单位代表:年 月 日工程名称绥阳县诗乡广场二期工程基础名称花园三期水池抗滑桩施工单位绥阳县神骏建设有限责任公司桩位编号1#检查容检查项目设计要求实际情况桩筋布置示意桩身尺寸(㎜) 1000*1000 1000*1000桩长(m)9.7 9.7桩主钢筋级别规格16 16 钢筋总长度116.4 116.4 深入承台长度钢筋数量12根12根保护层厚度桩箍筋级别规格8 8箍筋长度箍筋形式箍筋间距(㎜) 100/200mm 100/200mm焊接加劲箍级别规格 8 8 箍筋形式箍筋间距(㎜)搭接焊长度(㎜)护壁钢筋护壁材质及厚度素混凝土素混凝土级别规格水平筋间距(㎜)竖向筋间距(㎜)检查情况及结论经检查,桩施工符合设计及相关规要求,评为合格。
建设单位代表:年月日监理单位代表:年月日设计单位代表:年月日施工单位代表:年月日人工挖孔桩钢筋隐蔽检查记录注:本桩位置详桩位自编号平面图。
人工挖孔桩中线检查记录注:本桩位置详桩位自编号平面图。
桩基施工记录(挖孔)人孔桩桩底土质验槽照片桩号:拍片人:贴照片处混凝土灌注桩(钢筋笼)工程检验批质量验收记录表GB50202-2002(Ⅰ)混凝土灌注桩工程检验批质量验收记录表GB50202-2002(Ⅱ)。
人工挖孔桩验槽检查记录工程名称绥阳县诗乡广场二期工程基础名称阳光花园三期水池抗滑桩施工单位绥阳县神骏建设有限责任公司桩位编号1#检查项目设计要求实际情况桩筋布置示意桩身尺寸(伽)1000*10001000*1000级别规格1616桩主钢筋钢筋总长度深入承台长度钢筋数量保护层厚度级别规格箍筋长度箍筋形式箍筋间距(伽)116.4116.412根100/200mm12根100/200mmOS接加劲箍筋形式箍筋间距(伽)护壁钢筋检查内容桩长(m) 9.7 9.7级别规格搭接焊长度(伽)护壁材质及厚度素混凝土素混凝土级别规格水平筋间距(伽)竖向筋间距(伽)检查情况经检查,桩施工符合设计及相关规范要求,评为合格。
及结论建设单位代表:监理单位代表:设计单位代表:施工单位代表:年月曰年月曰年月曰年月曰人工挖孔桩中线检查记录注:本桩位置详桩位自编号平面图桩基施工记录(挖孔)桩号: 人孔桩桩底土质验槽照片拍片人:贴照片处混凝土灌注桩(钢筋笼)工程检验批质量验收记录表GB50202-2002(I )单位(子单位)工程名称 ---------------------------------------------------------------------- 0405 ----------------------分部(子分部)工程名称验收部位施工单位项目经理分包单位分包项 目经理施工执行标准名称及编号施工质量验收规范的规定施工单位检查评定记录监理健 设)单位验收 记录主控项目1主筋间距(mm ) ± 102长度(mm )± 100般项目1 钢筋材质检验设计要求2 箍筋间距(mm ) ± 203直径(mm )± 10施工单位检查评定结果专业工长(施 工员)施工班 组长项目专业质量检查员: 年 月 日监理(建设)单位验收结论专业监理工程师:(建设单位项目专业技术负责人):年 月日01 0203。
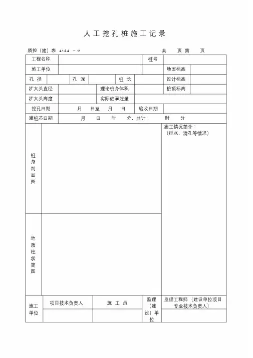
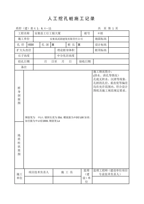
人工挖孔桩施工记录
质控(建)表 4.1.6.4 -11 共页第页
工程名称桩号
施工单位地面标高
孔径孔深桩长设计标高
扩大头直径理论桩身体积桩顶标高
扩大头高度实际砼灌注量
挖孔日期月日至月日验收日期
灌桩芯日期月日时分,共计:时分
施工情况简介:
(排水、清孔等情况)
桩
身
剖
面
图
地
质
柱
状
简
图
施工项目技术负责人施工员
监理
(建
监理工程师(建设单位项目
专业技术负责人)
单位设)单
位
人工挖孔灌注桩施工记录汇总表
质控(建)表 4.1.6.5 -12 共页第页工程名称施工单位
护壁厚度护壁配筋情况护壁砼等级
桩身砼等级桩身配筋情况
施工日期桩
号
桩
径
(mm)
护壁
顶
标高
(m)
护壁长度及土层情况扩大头尺寸孔
底
第节第节第节第节
标
高直径
长度土类及长度土类及长度土类及长度土类及高
(m) (m)
(m) 土性(m) 土性(m) 土性(m) 土性(m)
孔底
持力
层
描述
备注
施工项目技术负责人施工员
监理
(建
监理工程师(建设单位
项目专业技术负责人)
单位设)单
位。
人工挖孔桩记录表格全套
人工挖孔桩验槽检查记录
工程名称临安市天目山
镇九思村朱陀
岭滑坡治理工
程
平
面
位
置
示
意
基础
名称
人工挖孔桩桩位
编号
3#
施工单位浙江创越建设
工程有限公司
检查内容记录
检查项目设计
或验
收要
求
实际
检查
情况
桩身示意图
桩身尺寸(㎜) 1800 *150 0
桩底尺寸(㎜) 1800 *150 0
桩底持力层
要求
桩端进入持
力层深度(㎜)
地下水位情
况(m)
无
桩位允差(㎜) ±50㎜
桩孔垂直度
﹤
0.5%
桩顶标高(m) 447.3
桩底标高(m) 437.3
检查情况及
检查结论
参加验槽单位
建设单位:
年月日监理单位:
年
月日
设计单位:
年
月
日
施工单位
代表:
年
月日人工挖孔桩钢筋隐蔽检查记录
工程名
称绥阳县诗乡广场二期工
程
基础
名称
阳光花园三期水池抗滑桩
施工单
位绥阳县神骏建设有限责
任公司
桩位
编号
1# 检查内容
检查项
目设计
要求
实际
情况
桩筋布置示意
桩身尺寸
(㎜) 1000* 1000
1000*1000
桩长(m)9.7 9.7
桩主钢筋级别规
格
16 16
钢筋总
长度
116.4 116.4
深入承
台长度
钢筋数
量
12根12根
保护层
厚度
桩箍筋级别规
格
8 8
箍筋长
度
箍筋形
式
箍筋间
距(㎜)
100/2
00m
m
100/200mm
焊接加劲箍级别规
格
8 8
箍筋形
式
箍筋间
距(㎜)
搭接焊
长度(㎜)
护壁钢筋护壁材
质及厚
度
素混凝土素混凝土
级别规
格
水平筋
间距(㎜)。