最新人工挖孔桩施工记录(表格)
- 格式:doc
- 大小:44.50 KB
- 文档页数:6
人工挖孔桩单桩施工记录一、工程概况本次施工的人工挖孔桩位于具体工程名称项目,桩号为桩号,设计桩径为桩径尺寸,桩长为桩长尺寸,桩身混凝土强度等级为混凝土强度等级。
二、施工准备1、场地平整:对施工场地进行平整,清除杂物和障碍物,确保施工场地的平整度和稳定性。
2、测量放线:根据设计图纸,采用全站仪或经纬仪进行桩位的测量放线,确定桩位的中心位置,并设置好桩位的控制桩。
3、护壁模板制作:根据桩径尺寸,制作相应的护壁模板,模板采用钢模板或木模板,确保模板的强度和稳定性。
4、施工设备和材料准备:准备好挖孔所需的工具,如铁锹、风镐、吊桶等,以及护壁混凝土所需的原材料,如水泥、砂、石子等。
三、施工过程1、挖孔施工人员佩戴好安全帽、安全带等安全防护用品,从桩位的中心位置开始挖孔。
挖孔时采用分段开挖的方式,每段开挖深度一般为 10m 左右,开挖完成后及时进行护壁施工。
挖土顺序为先中间后周边,弃土装入吊桶内,通过电动葫芦提升至地面,然后运至指定地点。
2、护壁施工护壁混凝土采用现场搅拌,配合比按照设计要求进行配制。
在挖孔完成后,立即支设护壁模板,模板安装要牢固,保证护壁的厚度和垂直度。
浇筑护壁混凝土时,要振捣密实,确保混凝土的强度和质量。
护壁混凝土强度达到一定要求后(一般为 24 小时),方可进行下一段的挖孔施工。
3、孔底清理当挖孔达到设计深度后,对孔底进行清理,清除孔底的浮土和杂物。
检查孔底的土质情况,是否符合设计要求,如有异常情况及时通知设计单位和监理单位。
4、钢筋笼制作与安装根据设计图纸,在加工场地制作钢筋笼,钢筋笼的主筋、箍筋间距要符合设计要求。
钢筋笼制作完成后,采用吊车将其吊运至孔内,并进行安装固定,确保钢筋笼的位置和垂直度。
5、混凝土浇筑混凝土采用商品混凝土,通过混凝土输送泵将其输送至孔内。
浇筑混凝土时,要分层振捣密实,每层浇筑厚度不超过 500mm。
混凝土浇筑至桩顶时,要高出设计桩顶标高一定高度,以保证桩顶混凝土的质量。
人工挖孔灌注桩施工记录汇总表
人工挖孔灌注桩施工记录汇总表
人工挖孔灌注桩施工记录汇总表
人工挖孔灌注桩施工记录汇总表
人工挖孔灌注桩施工记录汇总表
人工挖孔灌注桩施工记录汇总表
人工挖孔灌注桩施工记录汇总表
人工挖孔灌注桩施工记录汇总表
人工挖孔灌注桩施工记录汇总表
人工挖孔灌注桩施工记录汇总表
人工挖孔灌注桩施工记录汇总表
人工挖孔灌注桩施工记录汇总表
人工挖孔灌注桩施工记录汇总表
人工挖孔灌注桩施工记录汇总表
质控(建)表4.1.6.5-12 共页第 14 页
人工挖孔灌注桩施工记录汇总表
质控(建)表4.1.6.5-12 共页第 15 页
人工挖孔灌注桩施工记录汇总表
质控(建)表4.1.6.5-12 共页第 16 页
人工挖孔灌注桩施工记录汇总表
质控(建)表4.1.6.5-12 共页第页
人工挖孔灌注桩施工记录汇总表。
最新人工挖孔桩记录表格关键信息项:1、人工挖孔桩的编号:____________________2、挖孔桩的位置:____________________3、挖孔的开始时间:____________________4、挖孔的结束时间:____________________5、孔的直径:____________________6、孔的深度:____________________7、地质情况描述:____________________8、护壁的类型和厚度:____________________9、施工过程中遇到的问题及处理方法:____________________10、施工人员的姓名:____________________11 协议目的本协议旨在规范和记录人工挖孔桩的施工过程及相关信息,确保施工质量和安全,并为后续的工程验收和评估提供准确、完整的资料。
111 适用范围本协议适用于所有采用人工挖孔桩施工方法的工程项目。
112 协议的依据本协议依据相关的工程施工规范、标准以及项目的设计要求制定。
21 人工挖孔桩记录表格的内容要求211 人工挖孔桩的基本信息应准确记录挖孔桩的编号,以便于识别和管理。
明确挖孔桩的具体位置,包括坐标等相关信息。
212 施工时间记录详细记录挖孔的开始时间和结束时间,精确到小时和分钟。
时间记录应真实、准确,不得随意篡改。
213 孔的尺寸信息测量并记录孔的直径,允许一定的误差范围,但应在规范要求内。
精确记录孔的深度,从孔口到孔底的垂直距离。
214 地质情况描述对挖孔过程中遇到的不同地质层进行详细描述,包括土层、岩层的性质、颜色、硬度等。
如有特殊地质现象,如溶洞、流沙等,应特别注明。
215 护壁相关信息记录护壁的类型,如混凝土护壁、钢护壁等。
标明护壁的厚度,确保符合设计和安全要求。
216 施工问题及处理如实记录施工过程中遇到的各种问题,如塌方、地下水涌出等。
详细说明针对每个问题所采取的处理方法和措施。
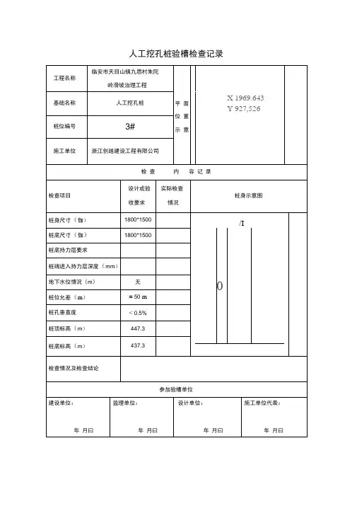
人工挖孔桩验槽检查记录工程名称临安市天目山镇九思村朱陀岭滑坡治理工程平面位置示意基础名称人工挖孔桩桩位编号3#施工单位创越建设工程检 查 容 记 录 检查项目设计或验收要求实际检查情况桩身示意图桩身尺寸(㎜) 1800*1500桩底尺寸 (㎜) 1800*1500桩底持力层要求桩端进入持力层深度(㎜)地下水位情况(m ) 无 桩位允差(㎜) ±50㎜ 桩孔垂直度 ﹤0.5% 桩顶标高(m) 447.3 桩底标高(m)437.3检查情况及检查结论参 加 验 槽 单 位建设单位:年 月 日监理单位:年 月 日设计单位:年 月 日施工单位代表:年 月 日工程名称绥阳县诗乡广场二期工程基础名称花园三期水池抗滑桩施工单位绥阳县神骏建设有限责任公司桩位编号1#检查容检查项目设计要求实际情况桩筋布置示意桩身尺寸(㎜) 1000*1000 1000*1000桩长(m)9.7 9.7桩主钢筋级别规格16 16 钢筋总长度116.4 116.4 深入承台长度钢筋数量12根12根保护层厚度桩箍筋级别规格8 8箍筋长度箍筋形式箍筋间距(㎜) 100/200mm 100/200mm焊接加劲箍级别规格 8 8 箍筋形式箍筋间距(㎜)搭接焊长度(㎜)护壁钢筋护壁材质及厚度素混凝土素混凝土级别规格水平筋间距(㎜)竖向筋间距(㎜)检查情况及结论经检查,桩施工符合设计及相关规要求,评为合格。
建设单位代表:年月日监理单位代表:年月日设计单位代表:年月日施工单位代表:年月日人工挖孔桩钢筋隐蔽检查记录注:本桩位置详桩位自编号平面图。
人工挖孔桩中线检查记录注:本桩位置详桩位自编号平面图。
桩基施工记录(挖孔)人孔桩桩底土质验槽照片桩号:拍片人:贴照片处混凝土灌注桩(钢筋笼)工程检验批质量验收记录表GB50202-2002(Ⅰ)混凝土灌注桩工程检验批质量验收记录表GB50202-2002(Ⅱ)。
人工挖孔桩施工记录(表格)项目专业技术负责人)人工挖孔灌注桩施工记录工程名称:(填写工程名称)施工单位:(填写施工单位名称)孔径孔深桩长:(填写孔径、XXX和桩长的数值)桩号:(填写桩号)地面标高:(填写地面标高)设计标高:(填写设计标高)桩顶标高:(填写桩顶标高)验收日期:(填写验收日期)扩大头直径:(填写扩大头直径)扩大头高度:(填写扩大头高度)挖孔日期:(填写挖孔日期)灌桩芯日期:(填写灌桩芯日期)理论桩身体积:(填写理论桩身体积)实际砼灌注量:(填写实际砼灌注量)月日至月日,共计:时分施工情况简介:(描述排水、清孔等情况)桩身剖面图:地质柱状简图:施工单位:(填写施工单位名称)项目技术负责人:施工员:监理:监理工程师(建设单位项目专业技术负责人):人工挖孔灌注桩施工记录汇总表工程名称:(填写工程名称)护壁厚度:(填写护壁厚度)桩身砼等级:(填写桩身砼等级)护壁桩顶径标高:(填写护壁桩顶径标高)护壁配筋情况:桩身配筋情况:护壁长度及土层情况:第节:第节:第节:第节:施工单位:(填写施工单位名称)护壁砼等级:(填写护壁砼等级)扩大头尺寸:高:(填写扩大头高度)直径:(填写扩大头直径)孔底标高:(填写孔底标高)孔底持力:(填写孔底持力)备注:(填写备注信息)层描述施工:日期:桩号:长度土类及土性:施工员:监理:监理工程师(建设单位项目专业技术负责人):人工挖孔灌注桩施工记录汇总表中,需要填写详细的施工信息,包括护壁厚度、桩身砼等级、护壁配筋情况、桩身配筋情况等。
同时,还需要填写护壁长度及土层情况、扩大头尺寸、孔底标高、孔底持力等信息。
在填写时,需要注意清晰、准确、完整。
人工挖孔灌注桩施工记录汇总表人工挖孔灌注桩是一种常见的基础施工方法,其施工过程需要严格的记录和监控,以确保工程质量和安全。
施工记录汇总表则是对这些施工数据的集中整理和总结,对于后续的工程验收、质量评估以及可能的问题追溯都具有重要意义。
一、工程概况在施工记录汇总表的开头,通常会先对工程的基本情况进行简要描述。
包括工程名称、地点、建设单位、设计单位、施工单位等信息。
此外,还会提及桩的数量、桩径、桩长等设计参数,以及施工的起止时间等。
例如:本工程为_____项目,位于_____市_____区,建设单位为_____公司,设计单位为_____设计院,施工单位为_____建筑工程有限公司。
本次施工的人工挖孔灌注桩共计_____根,桩径为_____mm,桩长在_____m 至_____m 之间,施工开始于_____年_____月_____日,结束于_____年_____月_____日。
二、施工准备记录施工准备阶段的记录主要包括场地平整、测量放线、施工设备和材料的准备等情况。
场地平整方面,会记录场地的清理情况,是否达到了施工要求的平整度和坡度。
测量放线的记录则包括桩位的定位精度、控制桩的设置等。
施工设备方面,会记录挖孔设备(如电动提升机、风镐等)的型号、数量、性能检查情况。
材料准备的记录包括钢筋、水泥、砂石等原材料的供应商、质量检验报告等。
例如:在场地平整过程中,对原地面进行了清理和填方,确保场地平整度偏差在±50mm 以内,坡度符合排水要求。
测量放线采用全站仪进行,桩位定位误差控制在 10mm 以内,设置了牢固的控制桩。
挖孔设备选用了_____型号的电动提升机和_____风镐,设备性能良好,经过调试可正常使用。
钢筋由_____公司供应,具备质量合格证书,水泥为_____品牌,砂石材料经过检验,各项指标均符合设计要求。
三、挖孔施工记录挖孔施工是人工挖孔灌注桩的关键环节,这部分的记录内容较为详细。
首先是挖孔的进度记录,包括每天的挖孔深度、累计挖孔深度以及遇到的地质情况。
人工挖孔桩验槽检查记录工程名称绥阳县诗乡广场二期工程基础名称阳光花园三期水池抗滑桩施工单位绥阳县神骏建设有限责任公司桩位编号1#检查项目设计要求实际情况桩筋布置示意桩身尺寸(伽)1000*10001000*1000级别规格1616桩主钢筋钢筋总长度深入承台长度钢筋数量保护层厚度级别规格箍筋长度箍筋形式箍筋间距(伽)116.4116.412根100/200mm12根100/200mmOS接加劲箍筋形式箍筋间距(伽)护壁钢筋检查内容桩长(m) 9.7 9.7级别规格搭接焊长度(伽)护壁材质及厚度素混凝土素混凝土级别规格水平筋间距(伽)竖向筋间距(伽)检查情况经检查,桩施工符合设计及相关规范要求,评为合格。
及结论建设单位代表:监理单位代表:设计单位代表:施工单位代表:年月曰年月曰年月曰年月曰人工挖孔桩中线检查记录注:本桩位置详桩位自编号平面图桩基施工记录(挖孔)桩号: 人孔桩桩底土质验槽照片拍片人:贴照片处混凝土灌注桩(钢筋笼)工程检验批质量验收记录表GB50202-2002(I )单位(子单位)工程名称 ---------------------------------------------------------------------- 0405 ----------------------分部(子分部)工程名称验收部位施工单位项目经理分包单位分包项 目经理施工执行标准名称及编号施工质量验收规范的规定施工单位检查评定记录监理健 设)单位验收 记录主控项目1主筋间距(mm ) ± 102长度(mm )± 100般项目1 钢筋材质检验设计要求2 箍筋间距(mm ) ± 203直径(mm )± 10施工单位检查评定结果专业工长(施 工员)施工班 组长项目专业质量检查员: 年 月 日监理(建设)单位验收结论专业监理工程师:(建设单位项目专业技术负责人):年 月日01 0203。
人工挖孔桩实测记录表人工挖孔桩是一种常见的基础施工形式,为了确保其施工质量和安全性,进行实测并做好记录至关重要。
下面将详细介绍人工挖孔桩实测记录表的相关内容。
一、人工挖孔桩实测记录表的作用人工挖孔桩实测记录表是对挖孔桩施工过程中各项关键参数进行测量和记录的重要文件。
它的主要作用包括:1、质量控制:通过对桩孔的直径、深度、垂直度等参数的实测,可以及时发现施工过程中的偏差,采取措施进行纠正,保证桩的质量符合设计要求。
2、安全评估:记录桩孔内的地质情况、护壁的完整性等信息,有助于评估施工过程中的安全风险,采取相应的安全防护措施。
3、工程验收:作为工程验收的重要依据,证明桩的施工符合相关规范和标准。
4、数据积累:为后续类似工程提供参考数据,积累施工经验。
二、人工挖孔桩实测记录表的内容人工挖孔桩实测记录表通常应包含以下内容:1、工程名称、桩号:明确所记录的桩所属的具体工程和桩的编号。
2、施工日期:记录实测的具体日期。
3、桩孔直径:分别测量桩孔上口、中部和下口的直径,以评估桩孔的形状是否规则。
4、桩孔深度:从桩孔顶部测量至底部的垂直距离。
5、垂直度:通过测量桩孔的倾斜程度,判断其是否在允许的偏差范围内。
6、护壁情况:记录护壁的厚度、混凝土强度、有无裂缝等情况。
7、地质情况:描述桩孔内不同深度的地质分层、土壤类型、岩石性质等。
8、地下水情况:记录地下水位的深度、水量大小、水质情况等。
9、桩底持力层:确认桩底是否达到设计要求的持力层,以及持力层的特征。
10、施工人员:记录参与挖孔桩施工的主要人员姓名。
11、测量人员:填写进行实测的人员姓名。
12、监理人员:由监理人员签字确认实测数据的真实性和准确性。
三、人工挖孔桩实测的方法和工具1、桩孔直径测量工具:通常使用卷尺或卡尺。
方法:在桩孔的上口、中部和下口,分别在相互垂直的两个方向测量直径,取平均值作为该位置的直径。
2、桩孔深度测量工具:测绳或深度测量仪。
方法:将测绳或测量仪的探头从桩孔顶部垂直下放至底部,读取测量数据。
人工挖孔桩灌注桩单桩施工记录(一桩一表)桩位编号1#-1砼强度护壁C30 成孔验收日期:2014年月日桩身C30 桩身砼浇注日期:2014年月日孔口标高(m)31.71 桩身柱状图31.7111007.94m入持力层深度0.9M3002002001000验收单位答注:桩顶标高(m)设计30.20 分包单位:实际30.20钢筋笼顶标高(m)设计实际总包单位:桩身直径(mm)设计800 实际800桩长(m)设计≥ 6地质勘探单位:实际 6.43挖孔直径(mm)设计1100实际1100 设计单位:护壁厚度(mm)设计150 实际150挖孔深度(m)设计监理单位:实际7.94入持力层深度(m)设计≥0.9实际0.9建设单位:破桩高度(cm)设计50实际50扩大端直径(mm)设计1000 实际1000扩孔高度(mm)设计500 桩身钢筋隐蔽验收图:实际500桩位平面偏差设计<50 8@100(1500)/8@200 1316700桩垂直度偏差设计 1% 实际0.1%桩钢筋笼验收 符合要求。
人工挖孔桩灌注桩单桩施工记录工程名称: 建设单位:桩位 编号1#-2砼强度护壁 C30 成孔验收日期: 2014年 月 日 桩身 C30 桩身砼浇注日期: 2014年 月 日孔口标高(m ) 31.78桩身柱状图31.7811007.93m入持力层 深度0.9M300200 200 1000验收单位答注: 桩顶标高 (m )设计 30.20 分包单位:实际 30.20 钢筋笼顶标高(m ) 设计 实际 总包单位:桩身直径 (mm ) 设计 800 实际 800 桩 长 (m ) 设计 ≥ 6 地质勘探单位:实际 6.35 挖孔直径 (mm ) 设计 1100 实际 1100 设计单位:护壁厚度 (mm ) 设计 150 实际 150 挖孔深度 (m ) 设计 监理单位:实际 7.93 入持力层深度(m ) 设计 ≥0.9 实际 0.9建设单位:破桩高度(cm )设计50实际50 扩大端直径 (mm ) 设计 1000 实际 1000 扩孔高度设计500桩身钢筋隐蔽验收图:12@2000700桩位平面偏差 (mm ) 设计 <50 实际 桩垂直度偏差设计 0.5% 实际0.2%桩钢筋笼验收 符合要求。
人工挖孔桩验槽检查记录工程名称绥阳县诗乡广场二期工程平面位置示 意基础名称阳光花园三期水池抗滑桩桩位编号1#施工单位绥阳县神骏建设有限责任公司检 查 内 容 记 录 检查项目设计或验收要求实际检查情况桩身各土层地质构造示意桩身尺寸(㎜) 1000*1000 1000*1000桩底尺寸 (㎜) 1000*1000 1000*1000桩底持力层要求 桩端进入持力层深度(㎜)地下水位情况(m )桩位允差(㎜) ≦50㎜ 桩孔垂直度 ﹤0.5%桩顶标高(m)桩底标高(m)检查情况及检查结论经检查,验收合格。
参 加 验 槽 单 位建设单位代表:年 月 日监理单位代表:年 月 日地质(勘察单位代表:年 月 日施工单位代表:年 月 日注:本桩位置详桩位自编号平面图。
人工挖孔桩钢筋隐蔽检查记录注:本桩位置详桩位自编号平面图。
工程名称 绥阳县诗乡广场二期工程 基础名称 阳光花园三期水池抗滑桩 施工单位绥阳县神骏建设有限责任公司桩位编号1#检 查 内 容检 查 项 目 设计要求实际情况桩 筋 布 置 示 意桩身尺寸(㎜) 1000*1000 1000*1000桩长 (m ) 9.79.7桩主钢筋级别规格16 16钢筋总长度 116.4 116.4 深入承台长度 钢筋数量 12根 12根 保护层厚度 桩箍筋级别规格8 8 箍筋长度 箍筋形式箍筋间距(㎜)100/200mm 100/200mm 焊接加劲箍级别规格 8 8箍筋形式 箍筋间距(㎜)搭接焊长度(㎜)护壁钢筋 护壁材质及厚度 素混凝土素混凝土级别规格水平筋间距(㎜) 竖向筋间距(㎜)检查情况及结论经检查,桩施工符合设计及相关规范要求,评为合格。
建设单位代表:年 月 日 监理单位代表:年 月 日 设计单位代表:年 月 日 施工单位代表:年 月 日人工挖孔桩中线检查记录注:本桩位置详桩位自编号平面图。
桩基施工记录(砼浇筑)桩基施工记录(挖孔)桩顶预埋件(螺栓)检查记录注:本表用于桩顶有预埋件、螺栓情况下人孔桩桩底土质验槽照片桩号:拍片人:贴照片处混凝土灌注桩(钢筋笼)工程检验批质量验收记录表GB50202-2002(Ⅰ)混凝土灌注桩工程检验批质量验收记录表GB50202-2002(Ⅱ)。