人工挖孔桩记录表
- 格式:xls
- 大小:70.00 KB
- 文档页数:7
人工挖孔桩验槽检查记录工程名称临安市天目山镇九思村朱陀岭滑坡治理工程平面位置示意基础名称人工挖孔桩桩位编号3#施工单位创越建设工程检 查 容 记 录 检查项目设计或验收要求实际检查情况桩身示意图桩身尺寸(㎜) 1800*1500桩底尺寸 (㎜) 1800*1500桩底持力层要求桩端进入持力层深度(㎜)地下水位情况(m ) 无 桩位允差(㎜) ±50㎜ 桩孔垂直度 ﹤0.5% 桩顶标高(m) 447.3 桩底标高(m)437.3检查情况及检查结论参 加 验 槽 单 位建设单位:年 月 日监理单位:年 月 日设计单位:年 月 日施工单位代表:年 月 日工程名称绥阳县诗乡广场二期工程基础名称花园三期水池抗滑桩施工单位绥阳县神骏建设有限责任公司桩位编号1#检查容检查项目设计要求实际情况桩筋布置示意桩身尺寸(㎜) 1000*1000 1000*1000桩长(m)9.7 9.7桩主钢筋级别规格16 16 钢筋总长度116.4 116.4 深入承台长度钢筋数量12根12根保护层厚度桩箍筋级别规格8 8箍筋长度箍筋形式箍筋间距(㎜) 100/200mm 100/200mm焊接加劲箍级别规格 8 8 箍筋形式箍筋间距(㎜)搭接焊长度(㎜)护壁钢筋护壁材质及厚度素混凝土素混凝土级别规格水平筋间距(㎜)竖向筋间距(㎜)检查情况及结论经检查,桩施工符合设计及相关规要求,评为合格。
建设单位代表:年月日监理单位代表:年月日设计单位代表:年月日施工单位代表:年月日人工挖孔桩钢筋隐蔽检查记录注:本桩位置详桩位自编号平面图。
人工挖孔桩中线检查记录注:本桩位置详桩位自编号平面图。
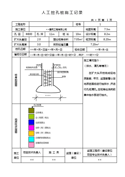
桩基施工记录(挖孔)人孔桩桩底土质验槽照片桩号:拍片人:贴照片处混凝土灌注桩(钢筋笼)工程检验批质量验收记录表GB50202-2002(Ⅰ)混凝土灌注桩工程检验批质量验收记录表GB50202-2002(Ⅱ)。
人工挖孔桩钎探记录表2关键信息项:1、工程名称:____________________2、桩号:____________________3、钎探日期:____________________4、钎探深度:____________________5、钎探工具:____________________6、钎探点布置:____________________7、钎探结果:____________________8、验收结论:____________________11 协议目的本协议旨在规范人工挖孔桩钎探记录表的相关内容和流程,确保钎探工作的准确性和可靠性,为工程质量提供有力保障。
111 适用范围本协议适用于具体工程名称中人工挖孔桩的钎探记录工作。
112 定义和术语1121 人工挖孔桩:指采用人工挖掘方法成孔的灌注桩。
1122 钎探:将钢钎打入土层,根据每打入一定深度的锤击数来判断土层的情况。
21 钎探准备工作211 施工单位应根据设计要求和相关规范,确定钎探点的布置方案。
212 准备好符合要求的钎探工具,包括钢钎、锤子等。
213 对钎探人员进行技术交底,使其熟悉钎探操作规程和注意事项。
31 钎探操作流程311 按照预定的钎探点布置方案,逐点进行钎探。
312 钎探时,将钢钎垂直打入土层,记录每打入一定深度(如 30cm)的锤击数。
313 当钎探深度达到设计要求时,停止钎探。
314 对钎探过程中发现的异常情况,如锤击数明显异常、土层软硬不均等,应做好详细记录。
41 钎探记录要求411 钎探记录应包括工程名称、桩号、钎探日期、钎探深度、钎探工具、钎探点布置等基本信息。
412 对每个钎探点的锤击数应如实记录,并绘制钎探点平面布置图和钎探曲线图。
413 记录应清晰、准确、完整,不得随意涂改。
51 钎探结果分析511 施工单位应根据钎探记录,对土层情况进行分析。
512 对于不符合设计要求的土层情况,应及时报告建设单位和设计单位,采取相应的处理措施。
人工挖孔灌注桩单桩施工记录表工程名称:古城新苑 楼 施工单位:怀化银厦房产建设工程有限公司 砼设计强度:C25施工单位(施工员签字) 项目专业监理工程师(签字) 建设单位(签字) 日 期: 日 期 : 日 期:序号验收 日期 桩位编号实测 孔径(M ) 实测 孔长 (M )其中土质类别扩大头尺寸(次岩层)实际浇砼量 M 3 钢筋笼长度 M (杂填)粉质 粘土 体积 M 3旧墙 基(M)体积 M 3软岩 粉质 粘土 体积 M 3直径(M)高度(M)体积 M 3工程名称:古城新苑 楼 施工单位:怀化银厦房产建设工程有限公司 砼设计强度:C25施工单位(施工员签字) 项目专业监理工程师(签字) 建设单位(签字) 日 期: 日 期 : 日 期:序号验收 日期 桩位编号实测 孔径(M ) 实测 孔长 (M )其中土质类别扩大头尺寸(次岩层)实际浇砼量 M 3 钢筋笼长度 M (杂填)粉质 粘土 体积 M 3旧墙 基(M)体积 M 3软岩 粉质 粘土 体积 M 3直径(M)高度(M)体积 M 3工程名称:古城新苑 楼 施工单位:怀化银厦房产建设工程有限公司 砼设计强度:C25施工单位(施工员签字) 项目专业监理工程师(签字) 建设单位(签字) 日 期: 日 期 : 日 期:序号验收 日期 桩位编号实测 孔径(M ) 实测 孔长 (M )其中土质类别扩大头尺寸(次岩层)实际浇砼量 M 3 钢筋笼长度 M (杂填)粉质 粘土 体积 M 3旧墙 基(M)体积 M 3软岩 粉质 粘土 体积 M 3直径(M)高度(M)体积 M 3工程名称:古城新苑 楼 施工单位:怀化银厦房产建设工程有限公司 砼设计强度:C25施工单位(施工员签字) 项目专业监理工程师(签字) 建设单位(签字) 日 期: 日 期 : 日 期:序号验收 日期 桩位编号实测 孔径(M ) 实测 孔长 (M )其中土质类别扩大头尺寸(次岩层)实际浇砼量 M 3 钢筋笼长度 M (杂填)粉质 粘土 体积 M 3旧墙 基(M)体积 M 3软岩 粉质 粘土 体积 M 3直径(M)高度(M)体积 M 3。
人工挖孔灌注桩施工记录汇总表人工挖孔灌注桩是一种常见的基础施工方法,其施工过程需要严格的记录和监控,以确保工程质量和安全。
施工记录汇总表则是对这些施工数据的集中整理和总结,对于后续的工程验收、质量评估以及可能的问题追溯都具有重要意义。
一、工程概况在施工记录汇总表的开头,通常会先对工程的基本情况进行简要描述。
包括工程名称、地点、建设单位、设计单位、施工单位等信息。
此外,还会提及桩的数量、桩径、桩长等设计参数,以及施工的起止时间等。
例如:本工程为_____项目,位于_____市_____区,建设单位为_____公司,设计单位为_____设计院,施工单位为_____建筑工程有限公司。
本次施工的人工挖孔灌注桩共计_____根,桩径为_____mm,桩长在_____m 至_____m 之间,施工开始于_____年_____月_____日,结束于_____年_____月_____日。
二、施工准备记录施工准备阶段的记录主要包括场地平整、测量放线、施工设备和材料的准备等情况。
场地平整方面,会记录场地的清理情况,是否达到了施工要求的平整度和坡度。
测量放线的记录则包括桩位的定位精度、控制桩的设置等。
施工设备方面,会记录挖孔设备(如电动提升机、风镐等)的型号、数量、性能检查情况。
材料准备的记录包括钢筋、水泥、砂石等原材料的供应商、质量检验报告等。
例如:在场地平整过程中,对原地面进行了清理和填方,确保场地平整度偏差在±50mm 以内,坡度符合排水要求。
测量放线采用全站仪进行,桩位定位误差控制在 10mm 以内,设置了牢固的控制桩。
挖孔设备选用了_____型号的电动提升机和_____风镐,设备性能良好,经过调试可正常使用。
钢筋由_____公司供应,具备质量合格证书,水泥为_____品牌,砂石材料经过检验,各项指标均符合设计要求。
三、挖孔施工记录挖孔施工是人工挖孔灌注桩的关键环节,这部分的记录内容较为详细。
首先是挖孔的进度记录,包括每天的挖孔深度、累计挖孔深度以及遇到的地质情况。
人工挖孔桩施工记录表人工挖孔桩是一种常见的基础施工方法,在建筑工程中被广泛应用。
为了确保施工质量和安全,对施工过程进行详细、准确的记录至关重要。
人工挖孔桩施工记录表就是用于记录这一过程的重要文件。
一、施工记录表的重要性人工挖孔桩施工记录表是施工过程的真实反映,它能够为后续的工程验收、质量评估以及可能的纠纷解决提供有力的依据。
通过对施工过程中各项数据的记录,可以及时发现问题、采取措施进行纠正,从而保证工程的顺利进行。
同时,施工记录表也是施工人员对自己工作的一种自我监督和约束。
它能够促使施工人员严格按照规范和设计要求进行操作,提高施工的规范性和标准化程度。
二、施工记录表的基本内容1、工程概况工程名称、地点、建设单位、施工单位等基本信息。
桩的编号、桩径、桩长、桩顶标高、桩底标高等设计参数。
2、施工日期和时间记录每天的施工开始时间和结束时间,包括中途的停歇时间。
3、施工人员记录当天参与挖孔桩施工的人员姓名、工种等。
4、地质情况描述挖孔过程中所遇到的地层情况,包括土层的名称、厚度、性质,以及岩石的种类、硬度等。
对于特殊的地质情况,如溶洞、流沙、地下水等,要详细记录其出现的深度、范围和处理措施。
5、挖孔进度记录每天挖孔的深度,累计挖孔深度。
当挖到设计要求的持力层时,要特别注明。
6、护壁情况记录护壁的制作材料、厚度、强度等。
每次护壁的施工时间和养护时间。
7、钢筋笼制作与安装钢筋笼的主筋规格、数量、箍筋间距等参数。
钢筋笼的制作时间、安装时间和安装位置。
8、混凝土灌注混凝土的强度等级、配合比。
灌注的开始时间、结束时间和灌注量。
灌注过程中是否出现异常情况,如堵管、混凝土离析等,以及处理方法。
9、安全措施记录当天采取的安全防护措施,如通风设备的运行情况、孔口的防护措施、施工人员的个人防护用品佩戴情况等。
若发生安全事故,要详细记录事故的经过、原因和处理结果。
10、质量检查记录当天施工过程中的质量检查情况,包括孔径、孔深、垂直度等的测量数据。
人工挖孔桩施工监理记录表正
式资料doc
正式版文档资料可直接使用,可编辑,欢迎下载
项目
人工挖孔桩施工监理(旁站)记录表
顺序号:
值班监理:专业监理工程师:
浙江荣阳工程监理
人工挖孔桩收方记录表
工程名称:年产5万吨聚羧酸盐高性能减水剂(母液)及1万吨粉剂生产线建设项目编号: 2021001第页共页
人工挖孔桩收方记录表
人工挖孔桩收方记录表
人工挖孔桩收方记录表
工程名称:年产5万吨聚羧酸盐高性能减水剂(母液)及1万吨粉剂生产线建设项目编号: 2021001第页共页
施工单位:孔桩班组:日期:日期:
混凝土灌注桩工程检验批质量验收记录表
GB5 2-2002
人工挖孔灌注桩检验批质量验收记录(桩孔验收)
(GB5 2-2002)
人工挖孔施工技术交底记录表。
人工挖孔桩灌注桩单桩施工记录(一桩一表)桩位编号1#-1砼强度护壁C30 成孔验收日期:2014年月日桩身C30 桩身砼浇注日期:2014年月日孔口标高(m)31.71 桩身柱状图31.7111007.94m入持力层深度0.9M3002002001000验收单位答注:桩顶标高(m)设计30.20 分包单位:实际30.20钢筋笼顶标高(m)设计实际总包单位:桩身直径(mm)设计800 实际800桩长(m)设计≥ 6地质勘探单位:实际 6.43挖孔直径(mm)设计1100实际1100 设计单位:护壁厚度(mm)设计150 实际150挖孔深度(m)设计监理单位:实际7.94入持力层深度(m)设计≥0.9实际0.9建设单位:破桩高度(cm)设计50实际50扩大端直径(mm)设计1000 实际1000扩孔高度(mm)设计500 桩身钢筋隐蔽验收图:实际500桩位平面偏差设计<50 8@100(1500)/8@200 1316700桩垂直度偏差设计 1% 实际0.1%桩钢筋笼验收 符合要求。
人工挖孔桩灌注桩单桩施工记录工程名称: 建设单位:桩位 编号1#-2砼强度护壁 C30 成孔验收日期: 2014年 月 日 桩身 C30 桩身砼浇注日期: 2014年 月 日孔口标高(m ) 31.78桩身柱状图31.7811007.93m入持力层 深度0.9M300200 200 1000验收单位答注: 桩顶标高 (m )设计 30.20 分包单位:实际 30.20 钢筋笼顶标高(m ) 设计 实际 总包单位:桩身直径 (mm ) 设计 800 实际 800 桩 长 (m ) 设计 ≥ 6 地质勘探单位:实际 6.35 挖孔直径 (mm ) 设计 1100 实际 1100 设计单位:护壁厚度 (mm ) 设计 150 实际 150 挖孔深度 (m ) 设计 监理单位:实际 7.93 入持力层深度(m ) 设计 ≥0.9 实际 0.9建设单位:破桩高度(cm )设计50实际50 扩大端直径 (mm ) 设计 1000 实际 1000 扩孔高度设计500桩身钢筋隐蔽验收图:12@2000700桩位平面偏差 (mm ) 设计 <50 实际 桩垂直度偏差设计 0.5% 实际0.2%桩钢筋笼验收 符合要求。