防火门生产制作工艺流程图
- 格式:docx
- 大小:16.00 KB
- 文档页数:2
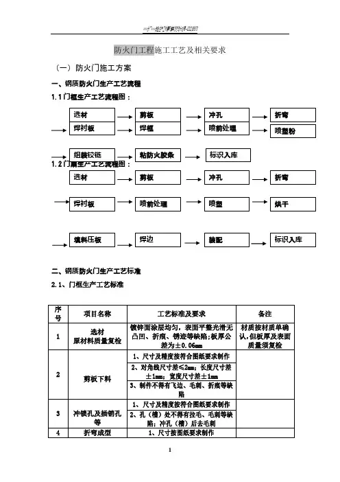
防火门工程施工工艺及相关要求(一)防火门施工方案一、钢质防火门生产工艺流程1.1门框生产工艺流程图:1.2门扇生产工艺流程图:二、钢质防火门生产工艺标准2.1、门框生产工艺标准2.2、门扇生产工艺标准三、钢质防火门安装工艺(一)钢防火门框及扇安装1.1 作业条件1.1.1门框填充应堆放整齐,用水泥、砂子现场搅拌或用豆石砼填充密实。
1.1.2门框安装前先检查有无窜角、翘扭、弯曲、劈裂。
如有以上情况首先修复再进入施工现场。
1.1.3门框门扇进场后找地方分类码放平整,每层要垫平、垫高。
地面无积水。
每层框与扇之间垫木条通风,露天堆放时,用苫布盖好,防日晒雨淋。
1.1.4门框安装前应根据图纸尺寸核实后进行安装,并按图纸开启方向安装如有开启方向不符合消防验收的,以书面形式向甲方提出更改,安装高度按建筑标高线进行控制。
1.1.5门框安装尽量在墙面抹灰、精装修之前进行,门扇安装宜在墙面及地面完成后再进行,如抹灰及地面未完成时需要安装门扇应注意成品保护。
防止碰撞和污染。
1.2安装中的过程控制1.2.1工艺流程:1.2.2洞口测试进场前必须将建筑平面图、门窗表、大样图综合后,再对照现场洞口和实际数量,应做到门窗表、大样图及规格、型号、数量都相符。
1.3门框安装要求1.3.1验收甲方收货时应认真按供货合同核对数量、规格、等级及各种配件是否合格、齐全。
1.3.2保管、贮存防火门应贮存在通风干燥处。
门框到场后集中堆放,运输;应有防晒、防潮、防腐措施。
产品平放时,底部必须垫平,门框堆码高度不得超过1.5m;门扇堆码高度不得超过1.2m;产品竖放时,其斜度不得大于20,长度不得超过5.0m。
1.3.3安装a) 钢质防火门框安装前,必须进行检查,如因运输贮存不慎导致门框、门扇翘曲、变形,应修复后方可进行安装。
b) 防火门的开启方向必须为疏散方向。
若有靠墙开启位置时,应考虑门扇开启是否能达到90度角。
c) 钢质防火门立樘时,须将门框按规格、型号、数量分类运输至相应的安装位置,再核对该洞口标高线和开向是否相符。
木门和防火门生产加工工艺1、材料的要求1)木门的材料和框的规格型号、木材类别、选材等级、含水率均需符合设计要求,含水率不得大于12%,骨架材料均选用优等杂木;2)防火门的材料必须按照等级要求进行浸泡防火剂处理,普通和防火木门均需进行防虫处理,防火门内部填充的耐火材料采用岩棉耐火纤维。
2、工艺流程放样→配料、裁料→划线→打眼→开榫、拉肩→裁口与倒脚→拼装→检验、包装3、操作工艺(1)放样放样是根据施工图纸上设计好的木制品,按照足尺1:1将木制品构造画出来,做成样板(或样棒),样板采用松木制作,双面刨光,厚约2.5cm,宽等于门窗樘子梃的断面宽,长比门窗高度大200mm 左右,经过仔细校核后才能使用。
放样是配料和裁料、划线的依据,在使用的过程中,注意保持其划线的清晰,不要使其弯曲或折断。
(2)配料、裁料配料是在放样的基础上进行的,因此,要计算出各部件的尺寸和数量,列出配料单,按配料单进行配料。
配料时,对原材料要进行选择,有腐朽、斜裂节疤的木料,应尽量躲开不用;不干燥的木料不能使用。
精打细算,长短搭配,先配长料,后配短料;先配框料,后配扇料。
门窗樘料有顺弯时,其弯度一般不超过4mm,扭弯者一律不得使用。
配料时,要合理的确定加工余量,各部件的毛料尺寸要比净料尺寸加大些,具体加大量可参考如下:断面尺寸:单面刨光加大1~1.5mm,双面刨光加大2~3mm。
机械加工时单面刨光加大3mm,双面刨光加大5mm。
配料时还要注意木材的缺陷,节疤应躲开眼和榫头的部位,防止凿劈或榫头断掉;起线部位也禁止有节疤。
在选料的木材上按毛料尺寸画出截断、锯开线,考虑到锯解木料的损耗,一般留处2~3mm的损耗量。
锯时要注意锯线直,端面平。
(3)刨料刨料时,宜将纹理清晰的里材作为正面,对于樘子料任选一个窄面为正面,对于门、窗框的梃及冒头可只刨面,不刨靠墙的一面;门、窗扇上的冒头和梃可先刨三面,靠樘子的一面待安装时根据缝的大小再进行修刨。
标识入库 *填料压板防火门工程施工工艺及相关要求(一)防火门施工方案」、钢质防火门生产工艺流程1.1门框生产工艺流程图:1.2门扇生产工艺流程图:装配 标识入库 二、钢质防火门生产工艺标准2.1、门框生产工艺标准2.2、门扇生产工艺标准二、钢质防火门安装工艺(一)钢防火门框及扇安装1.1作业条件1.1.1门框填充应堆放整齐,用水泥、砂子现场搅拌或用豆石砼填充密实。
1.1.2门框安装前先检查有无窜角、翘扭、弯曲、劈裂。
如有以上情况首先修复再进入施工现场。
1.1.3门框门扇进场后找地方分类码放平整,每层要垫平、垫高。
地面无积水。
每层框与扇之间垫木条通风,露天堆放时,用苫布盖好,防日晒雨淋。
1.1.4门框安装前应根据图纸尺寸核实后进行安装,并按图纸开启方向安装如有开启方向不符合消防验收的,以书面形式向甲方提出更改,安装高度按建筑标高线进行控制。
1.1.5门框安装尽量在墙面抹灰、精装修之前进行,门扇安装宜在墙面及地面完成后再进行,如抹灰及地面未完成时需要安装门扇应注意成品保护。
防止碰撞和污染。
1.2安装中的过程控制1.2.1工艺流程:1.2.2洞口测试进场前必须将建筑平面图、门窗表、大样图综合后,再对照现场洞口和实际数量,应做到门窗表、大样图及规格、型号、数量都相符。
1.3门框安装要求1.3.1验收甲方收货时应认真按供货合同核对数量、规格、等级及各种配件是否合格、齐全。
1.3.2保管、贮存防火门应贮存在通风干燥处。
门框到场后集中堆放,运输;应有防晒、防潮、防腐措施。
产品平放时,底部必须垫平,门框堆码高度不得超过1.5m ;门扇堆码高度不得超过1.2m ;产品竖放时,其斜度不得大于20 ,长度不得超过5.0m。
1.3.3安装a)钢质防火门框安装前,必须进行检查,如因运输贮存不慎导致门框、门扇翘曲、变形,应修复后方可进行安装。
b)防火门的开启方向必须为疏散方向。
若有靠墙开启位置时,应考虑门扇开启是否能达到90度角。
防火门工程施工工艺及相关要求令狐文艳(一)防火门施工方案一、钢质防火门生产工艺流程1.1门框生产工艺流程图:1.2门扇生产工艺流程图:二、钢质防火门生产工艺标准2.1、门框生产工艺标准选 材 剪 板 折 弯 焊衬板 焊 框 喷塑粉 组装铰链 粘防火胶条 选 材 剪 板 冲 孔 折 弯 焊衬板 喷前处理 喷 塑 烘 干 填料压板 焊 边 装 配 标识入库2.2、门扇生产工艺标准三、钢质防火门安装工艺(一)钢防火门框及扇安装1.1 作业条件1.1.1门框填充应堆放整齐,用水泥、砂子现场搅拌或用豆石砼填充密实。
1.1.2门框安装前先检查有无窜角、翘扭、弯曲、劈裂。
如有以上情况首先修复再进入施工现场。
1.1.3门框门扇进场后找地方分类码放平整,每层要垫平、垫高。
地面无积水。
每层框与扇之间垫木条通风,露天堆放时,用苫布盖好,防日晒雨淋。
1.1.4门框安装前应根据图纸尺寸核实后进行安装,并按图纸开启方向安装如有开启方向不符合消防验收的,以书面形式向甲方提出更改,安装高度按建筑标高线进行控制。
1.1.5门框安装尽量在墙面抹灰、精装修之前进行,门扇安装宜在墙面及地面完成后再进行,如抹灰及地面未完成时需要安装门扇应注意成品保护。
防止碰撞和污染。
1.2安装中的过程控制1.2.1工艺流程:1.2.2洞口测试进场前必须将建筑平面图、门窗表、大样图综合后,再对照现场洞口和实际数量,应做到门窗表、大样图及规格、型号、数量都相符。
1.3门框安装要求1.3.1验收甲方收货时应认真按供货合同核对数量、规格、等级及各种配件是否合格、齐全。
1.3.2保管、贮存防火门应贮存在通风干燥处。
门框到场后集中堆放,运输;应有防晒、防潮、防腐措施。
产品平放时,底部必须垫平,门框堆码高度不得超过 1.5m;门扇堆码高度不得超过 1.2m;产品竖放时,其斜度不得大于20,长度不得超过5.0m。
1.3.3安装a) 钢质防火门框安装前,必须进行检查,如因运输贮存不慎导致门框、门扇翘曲、变形,应修复后方可进行安装。
防火门工程施工工艺及相关要求(一)防火门施工方案一、钢质防火门生产工艺流程1.1门框生产工艺流程图:1.2图:二、钢质防火门生产工艺标准2.1、门框生产工艺标准2.2、门扇生产工艺标准三、钢质防火门安装工艺(一)钢防火门框及扇安装1.1作业条件1.1.1门框填充应堆放整齐,用水泥、砂子现场搅拌或用豆石砼填充密实。
1.1.2门框安装前先检查有无窜角、翘扭、弯曲、劈裂。
如有以上情况首先修复再进入施工现场。
1.1.3门框门扇进场后找地方分类码放平整,每层要垫平、垫高。
地面无积水。
每层框与扇之间垫木条通风,露天堆放时,用苫布盖好,防日晒雨淋。
1.1.4门框安装前应根据图纸尺寸核实后进行安装,并按图纸开启方向安装如有开启方向不符合消防验收的,以书面形式向甲方提出更改,安装高度按建筑标高线进行控制。
1.1.5门框安装尽量在墙面抹灰、精装修之前进行,门扇安装宜在墙面及地面完成后再进行,如抹灰及地面未完成时需要安装门扇应注意成品保护。
防止碰撞和污染。
1.2安装中的过程控制1.2.1工艺流程:1.2.2洞口测试进场前必须将建筑平面图、门窗表、大样图综合后,再对照现场洞口和实际数量,应做到门窗表、大样图及规格、型号、数量都相符。
1.3门框安装要求1.3.1验收甲方收货时应认真按供货合同核对数量、规格、等级及各种配件是否合格、齐全。
1.3.2保管、贮存防火门应贮存在通风干燥处。
门框到场后集中堆放,运输;应有防晒、防潮、防腐措施。
产品平放时,底部必须垫平,门框堆码高度不得超过1.5m;门扇堆码高度不得超过1.2m;产品竖放时,其斜度不得大于20,长度不得超过5.0m。
1.3.3安装a)钢质防火门框安装前,必须进行检查,如因运输贮存不慎导致门框、门扇翘曲、变形,应修复后方可进行安装。
b)防火门的开启方向必须为疏散方向。
若有靠墙开启位置时,应考虑门扇开启是否能达到90度角。
c)钢质防火门立樘时,须将门框按规格、型号、数量分类运输至相应的安装位置,再核对该洞口标高线和开向是否相符。
钢质门工艺流程
门框:
镀锌板剪料冲孔折弯磷化` 焊接喷涂装配
门扇:
镀锌板剪料冲孔折弯磷化焊小件胶合喷涂装配
门框:
剪料:设备:QC12Y—4*3200剪板机一台
冲孔:设备:开式压力冲床常用6台,铰链口、门锁插销孔、安装孔、安装片冲孔、
上框斩角、上框冲插销孔、备用机冲锁盒二种模具
折弯:需要一台专用WF67k100t/3200折弯机
使用专用定位对门框折弯,可以提高效率;
磷化:磷化池组
对镀锌板料进行除油除锈处理
焊接:二台CO2气保焊机,小型电动工具打磨机一个,焊接工作台
喷涂:喷塑粉专用粉电喷粉机二台,烤箱及副属设备一套
对表面进行各种颜色喷塑处理
装配:工作台二个,电动工具4台,打孔、滚丝、紧螺丝
对铰链的安装、贴防火条、覆膜、贴标牌、打闭门器底座孔
门扇:
剪料:设备:QC12Y—4*3200剪板机一台
冲孔:设备:开式压力冲床常用5台,铰链孔(现没有模具)、暗插销孔、防火锁孔、防火锁芯孔、双开锁插销孔
折弯:
需WF67k63t/3200折弯机一台折底板和小件,公司现有的华东折弯机折盖板
对门扇盖底板进行成型折弯,配专用定位模具可最大的提高效率
磷化:同门框
焊小件:
一台CO2气保焊机、等离子切割机、焊接台,小件货架、电动打磨机
对门扇盖底板各部位焊接加强片、切割观窗、焊接门扇上下封口;
胶合:
工作台、二台CO2气保焊机,门芯板切割台,手据或电动手提据、冷压机(热压机胶合效果好,且速度快);
喷涂:同门框;
装配:
同门框。
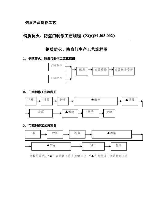
钢质产品制作工艺钢质防火、防盗门制作工艺规程(ZQQM J03-002)钢质防火、防盗门生产工艺流程图1、钢质防火、防盗门制作工艺流程图2、门扇制作工艺流程图3、门框制作工艺流程图流程图说明:“★”表示该工序是关键工序,“▲”表示该工序是特殊工序钢质防火、防盗门作业指导书下料3.1、材料门框、门面板、玻璃压条、盖缝板用镀锌板,其它件用普通碳素钢冷轧/热轧薄钢板。
3.2、所用设备及工艺装备剪板机Q11-6×2500、钢卷尺3m。
3.3、下料要求技术人员按照合同要求以及产品设计文件提供下料单(包含材料和下料尺寸),下料方案以最大限度提高原材料利用率为原则,各下料工件表面平整、竖直,断面方正,几何尺寸准确,下料公差为:尺寸≤120为±, 尺寸>120-315为±, 尺寸>315-500为±, 尺寸>500-1000为±, 尺寸>1000-2000为±, 尺寸>2000-3150为±。
3.4、下料下料人员按照下料单及下料要求剪板下料, 并保证下料尺寸。
3.5、检验首件完成后必须进行尺寸检验,合格后方可生产,并将检验结果记入《首件检查卡片》表中。
中间巡检,完工后随机抽取5%进行完工检验,合格后方可转入下序,并将检验结果记入《产品质量检查记录》表中。
4、冲压4.1、所用设备及工艺装备冲床JC23-63、冲床JC23-80、折页孔冲孔模、前后锁孔冲孔模、侧锁孔冲孔模、锁舌孔冲孔模、玻璃压条切头模、钢卷尺3m、游标卡尺300。
4.2、冲压要求模具严格按要求使用,冲压件严格定位,严防错位、移位;防止工件表面划伤磕碰,无可见压痕;几何尺寸准确。
4.3、冲压4.3.1、冲折页孔在左或右门框之前框上(具体根据门的开启方向定,双扇门左右都冲)用折页孔冲孔模冲折页孔,保证设计文件或施工单尺寸要求。
4.3.2、冲前、后锁孔在前、后面板上用前后锁孔冲孔模冲前后锁孔,保证设计文件或施工单尺寸要求。
工业防火门制作工艺流程
一、原材料购进
1. 采购标准合格的钢材。
选择烟火等级高的耐火钢板。
2. 采购防火材料,如石棉等。
3. 其他配套零件,如门框、门轴、门锁等。
二、钢材切割
1. 根据设计图纸,利用数控激光切割机或等离子切割机对钢板进行切割,得到各个零件的圆形或矩形形状。
2. 对残余的钢板进行周边冷却侧头进行回收利用。
三、接头焊接
1. 将门板和门框进行定位后,利用卧式或竖式铝钢接头进行焊接。
2. 焊接过程需要严格控温,防止产生金属内摩擦产生的热裂纹。
3. 焊接进行光检测以检查焊缝质量。
四、防火材料安装
1. 根据结构要求,将石棉纤维或者其它耐高温材料粘于门板内外面,形成隔热层。
2. 最后粘在隔热层外面的耐火涂层,该涂层经过耐火、耐磨等全面测试。
五、安装配件
1. 利用专用工具于门板安装好球铰轴、拉手及防锁等安全防护装置。
2. 进行全面的工艺考核,符合标准的产品入库。
以上就是工业防火门的基本制作工艺流程。
防火门施工工艺流程
嘿,朋友们!今天咱来唠唠防火门施工工艺流程,这可真是个重要的事
儿啊!
咱先来说说准备工作,那得像战士上战场前准备武器一样精心!得把工
具都备齐了,什么尺子、锯子、锤子,一个都不能少哇!就好比做饭前得把菜和调料都备好,这道理多浅显呐!
然后就是划线定位啦!这就像是给门找一个最合适的“家”一样。
“咱得量好尺寸,找准位置,可不能马虎呀!”师傅们会这样相互提醒着。
接着就是安装门框,哇塞,这可不能有丝毫偏差!必须得稳稳当当的,
不然怎么能挡得住火呀!这就像是盖房子要打好地基一样关键。
再之后是安装门扇,“嘿,小心点,可别磕着碰着了!”,安装的师傅小心翼翼地摆弄着门扇,好比给宝贝闺女穿漂亮衣服一样仔细呢。
填缝收口的时候,那可得把缝填得严严实实的,不能给火留一点空子钻!“这得弄好哇,不然不就前功尽弃啦!”大家都格外认真。
最后就是调试检验啦,这就像是考试后的检查一样重要!“来,试试看顺不顺畅。
”必须得确保防火门能完美运行。
防火门施工工艺流程可真不是闹着玩的呀,每一个步骤都得用心去做!只有这样,才能在关键时刻起到大作用呀!大家说是不是这个理儿?咱可不能小瞧这一道门,它说不定在关键时刻能救大家的命呢!所以,不管是施工的师傅还是咱们,都得重视起来,把每个环节都做到最好!。
防火门生产制作工艺流程图
钢质防火门生产工艺流程图
钢质防火门框生产工艺流程图
下料→冲孔→折弯→组焊→喷塑→组装→包装→入库。
钢质防火门扇生产工艺流程图
下料→冲孔→折弯→点配件→喷塑→填料压扇→组装→包装→入库。
木质防火门生产工艺流程图
阻燃木材生产工艺流程图
领料→阻燃处理→烘干→入库。
木质防火门框生产流程图
领料(选料)→下料→刨压料→包框→割角→攒框→质检合格→入库码放。
木质防火门扇生产工艺流程图
破料→下料→打扇骨架→填防火材料(甲乙级门,丙级没有此项)→裁饰面板→刷底漆(装饰三合板有此工序)→裁防火板→压扇→裁扇→扒防火胶条槽→封边(普通饰面无封边工序)→开锁孔、开合页槽、插销槽→上盖缝板、上玻璃(带玻璃)→入库。
防火玻璃
备料→计算尺寸与数量→裁制玻璃→清洗玻璃→涂耦联剂→粘玻璃→灌液→封口→检验入库。
防火胶条生产流程
领料→配料→裁制革面→抹平→晾干→贴双面胶→剪切→入库。
玻璃防火门生产流程
领料→下料(剪板、冲孔、折弯)→填料→组焊→压扇→组装玻璃→成品组装→入库。
根据我公司各种防火门窗及防火玻璃的生产特点及工艺要求,为保证产品质量的持续稳定,特规定如下关键过程:钢、木质门填料工序、木材阻燃工序。