领料作业流程
- 格式:doc
- 大小:82.00 KB
- 文档页数:4
车间领料现场管理制度第一章总则第一条为规范车间领料现场管理工作,提高物资利用率,减少浪费,加强对车间领料现场管理工作的监督和控制,特制定本制度。
第二条本制度适用于车间领料现场的管理工作,包括车间内的各种物资领用和管理。
第三条车间领料现场管理应遵守国家有关法律法规,坚持公平、公正、公开的原则,做到科学配备、合理使用。
第四条车间领料现场管理应遵循“先进性、全面性、实用性、可操作性”的原则,提高车间物资利用率,节约物资成本。
第五条车间领料现场管理应坚持“严格管理、规范操作、安全制度、精细管理”的要求,确保车间领料工作的有序进行。
第二章领料流程第六条领料工作应按照“需求确定、申请审批、领料出库、交接确认”流程进行。
第七条车间领料现场管理工作应按照车间内物资的种类、数量、质量等要求开展。
第八条车间领料现场管理应明确领料人员的职责分工,确保领料流程的顺畅和高效。
第九条领料人员应根据实际需要进行领料,严格按照领料单上的物资种类和数量进行领取。
第十条领料人员应及时将领取的物资进行交接确认,并将信息录入管理系统。
第十一条未经批准的情况下,禁止私自领用物资,一经发现,将按照相关规定进行处理。
第三章管理办法第十二条车间领料现场应建立专门的管理团队,负责制定和实施车间领料管理制度。
第十三条车间领料现场应进行定期的巡查检查,发现问题及时整改,确保车间领料管理工作的顺畅进行。
第十四条车间领料现场应建立健全的物资管理制度,明确物资的使用范围和标准,制定相关的管理办法。
第十五条车间领料现场应建立健全的安全管理制度,确保领料现场的安全生产。
第十六条车间领料现场应建立健全的信息管理系统,对领料流程进行记录和归档,提高工作效率。
第四章监督检查第十七条车间领料现场应定期组织对领料工作进行检查,发现问题及时整改。
第十八条车间领料现场应建立健全的监督制度,对领料工作进行全程监督,确保工作的顺利进行。
第十九条车间领料现场应建立健全的考核制度,对领料人员的绩效进行评定,激励表现优秀的员工。
第1篇第一章总则第一条为规范领料作业流程,确保物料供应的及时性和准确性,提高工作效率,降低物料成本,特制定本规定。
第二条本规定适用于公司内部所有领料作业,包括生产部门、管理部门、后勤保障部门等。
第三条领料作业应遵循公平、公正、公开的原则,确保物料使用合理、高效。
第二章物料管理第四条物料分为一级物料、二级物料和三级物料,具体分类及管理要求如下:(一)一级物料:指对公司生产、经营影响较大的关键物料,如原材料、半成品、重要配件等。
(二)二级物料:指对公司生产、经营有一定影响的一般物料,如辅助材料、办公用品、劳保用品等。
(三)三级物料:指对公司生产、经营影响较小的辅助性物料,如低值易耗品、备品备件等。
第五条物料采购应遵循以下原则:(一)需求计划:根据生产、经营计划,制定物料采购计划,确保物料供应的连续性和稳定性。
(二)供应商选择:选择具备良好信誉、产品质量可靠、价格合理的供应商。
(三)采购合同:签订采购合同,明确双方的权利、义务及违约责任。
第六条物料验收:(一)验收标准:按照国家标准、行业标准或合同约定进行验收。
(二)验收程序:由采购部门、质量部门、使用部门共同进行验收。
(三)验收结果:验收合格,办理入库手续;验收不合格,退回供应商或处理。
第三章领料作业流程第七条领料申请:(一)生产部门、管理部门、后勤保障部门根据生产、经营需要,填写《领料申请单》。
(二)申请单需注明物料名称、规格、数量、用途、申请人等信息。
(三)申请单经部门负责人审核签字后,报采购部门审批。
第八条领料审批:(一)采购部门对《领料申请单》进行审核,确认物料库存及采购计划。
(二)审批通过,通知仓库准备物料;审批不通过,退回申请部门。
第九条物料领取:(一)仓库根据审批通过的《领料申请单》准备物料。
(二)申请人凭《领料申请单》到仓库领取物料。
(三)仓库工作人员核对《领料申请单》与实际领取的物料,无误后签字确认。
第十条物料使用:(一)申请人按照《领料申请单》中的用途使用物料。
2012年北京市公务员考试真题一、概述(一)、行测科目题型结构与2011年一致上午行测科目的考试已经结束,行测科目的整体试题结构与去年相仿,总题量为135道,考试时间为2小时,模块顺序依然为常识判断、言语理解与表达、数量关系、判断推理、资料分析五部分。
(二)、行测试题特点分析,《绝地秒杀——北京公务员必考时政知识点》命中多热点据华图教育专家研究,今年行测科目的试题整体难度较去年也有所下降,以下分模块介绍:常识模块:常识模块仍然是35道题:25道单选、10道多选,考试内容比较常规,考试知识点主要分布情况为:时政8道题、法律10道题、经济6道题、历史文化4道题、科技3道题、公文3道题、哲学1题。
其中,法律部分所占比重最大,考点均为常规重要知识点。
时政部分所占比重次之,并且经济、文化、科技等微模块的很多题目都是结合时政热点进行考查,例如:经济部分有两道题目考查“人民币升值”的相关知识内容,科技部分有一道题目结合“天宫一号”目标飞行器的相关知识内容进行考查,这说明北京公考常识模块仍然主要侧重考查考生“对国情社情的了解”。
《绝地秒杀——北京公务员必考时政知识点》是华图教育常识专家精心制作的常识热点考前备考小册子,据考生介绍,包括十七届六中全会决定建设文化强国、“十二五”规划纲要、北京精神、三公消费等题全部在此册子中完全呈现。
看到耳熟能详的内容原题出现,考生的考试热情被激发。
言语理解与表达模块:1. 细节理解题和词语理解题占言语80%之多。
2012年言语部分依旧坚持京考特色——篇章阅读,7篇,每篇5道题,共35题。
虽然以篇章的形式呈现,但是题型覆盖较广,有细节理解题、词语理解题、代词指代题、意图判断题、观点态度题、标题填入题、主旨概括题,其中细节理解题和词语理解题是重点题型,题量达80%,这与国考的重点题型有较大差别。
2.材料特点突出,来源集中。
7篇篇章阅读中,4篇是人文社科类,3篇是自然科学类。
其中4篇来自网络,分别是《研究发现大肠杆菌有望带来无限生物燃料》(《人民网》),《美国科学家首次拍摄到HIV在人体内扩散过程》(《中新网》《人民网》),《实体书店命运该如何拯救》(《新京报网》),《“美女”是一声轻薄》(粮油博客)。
公司领料流程【中英文实用版】**Company Material Issuance Process**The issuance of materials in our company is a well-structured process that ensures efficiency and accountability.When a department requires materials, they must submit a formal application form detailing the type, quantity, and purpose of the materials.部门领料时需提交正式的申请表格,详细说明所需物料的种类、数量及用途。
Once the application is received, the materials department reviews the request to ensure that it aligns with the company"s inventory levels and operational needs.If the request is approved, the materials are then prepared for issuance.物料部门收到申请后,会审查以确保该请求符合公司的库存水平和运营需求。
如果请求获批准,那么物料将被准备以供领用。
Upon preparation, the authorized personnel will issue the materials to the requesting department.A record of the issuance is made, noting the date, time, and the individuals involved in the process to maintain transparency and accuracy.准备就绪后,经授权的人员将物料发放给申请部门。
物料员岗位职责及作业流程物料员是一个重要的职位,其职责包括物料管理和库存控制,以确保公司能够顺利进行生产和运营。
本文将详细介绍物料员的岗位职责和作业流程。
一、岗位职责1. 物料采购:根据公司的需求和采购策略,负责与供应商沟通、协商并采购所需的物料。
2. 物料接收和检验:接收供应商发来的物料,并进行检验以确保符合规格和质量要求。
3. 清点和存储:对收到的物料进行清点与分类,并妥善存放在指定的仓库区域。
4. 物料发放:按照领料单或相关申请,发放适量的物料给生产线或其他部门。
5. 库存管理:实时监控和跟踪物料库存,并维护准确的库存记录。
6. 物料调拨:根据不同部门的需求,协调和安排物料的调拨和转移。
7. 废料处理:负责废料的分类、处理和清理工作,确保环境的清洁与安全。
8. 报废处理:负责对过期、损坏或不合格的物料进行报废处理,并进行相应记录。
9. 盘点和报告:定期进行库存盘点工作,并准备相关报告,以确保库存的准确性。
二、作业流程1. 物料采购流程(1)明确需求:与各部门沟通,了解并确认物料需求。
(2)供应商选择:寻找并评估潜在的供应商,进行供应商选择。
(3)询价和谈判:与选定的供应商进行询价和谈判,达成合适的价格和交货条件。
(4)采购订单:根据谈判结果生成采购订单,并与供应商确认。
(5)物料交付:监督供应商按时交付物料,并进行检验与验收。
2. 物料存储流程(1)分类与标记:将物料根据类型、规格等进行分类,并进行标记。
(2)货位管理:将物料存放在指定的货位,并在系统中进行记录。
(3)安全防护:确保仓库的安全与环境整洁,采取必要的防火、防潮等措施。
(4)防盗措施:确保物料的安全性,采取相应的防盗措施。
3. 物料发放流程(1)领料申请:根据生产计划和部门需求,提出领料申请。
(2)审批和发料:领料申请经过相应的审批后,物料员按照申请进行发料。
(3)记录和跟踪:记录领料数量和发放的物料明细,并进行相应的系统跟踪。
仓库领料制度(3篇)仓库领料制度(精选3篇)仓库领料制度篇1第1条目的为规范工厂的领料工作,避免因领料不当而造成工厂的损失,特制定本规定。
第2条范围本规定适用于工厂所有物料的领用。
第3条责任1.仓储部根据领料单负责物料的发放工作。
2.生产使用部门设置专人负责领料工作。
第4条解释料是由生产部门人员在产品生产之前填写领料单向仓储部门领取物料的过程。
第5条领料时间生产使用部门的领料员根据生产计划和生产的实际进度,提前1至2天向仓储部门领取物料。
领料员需把握时间,过早领料造成生产现场堆积,过晚领料则影响生产进度。
第6条确定领料限额生产部门根据产品用料明细表和生产经验会同仓储部编制领料限额及损耗标准,每次领料时应认真审核。
第7条填写领料单1.清楚填写领用部门、使用项目、名称、规格、型号、数量等。
2.领料表必须依据审批权限经过部门主管、主管副总签字审批。
3.领料表中所填写的领用物料应该在仓储部的仓储计划中。
4.进口物料与国产物料分开填写。
第8条领料流程1.生产部门物料缺乏时由专门的领料人员,填写领料单。
2.领料单需经部门主管核定并签字,特殊物料需有主管副总签字审批。
3.领料人员持已经审批的领料单到仓库领取物料。
精益争霸。
4.仓储部人员核对领料单的签章和内容,备好物料,审核领料数量与物料计划一致并由仓储部主管审核后,将领料单与物料交予领料人员。
5.仓储人员凭领料单将领用情况记入出库台账。
第9条领料超限额控制当使用部门申请超限额领料时,需说明原因,同时仓储部进行调查,将调查结果依审批权限上报仓储主管与主管副总,按其决策办理。
第10条补退料控制生产现场发现物料不合格、物料超发、物料少发等情况时,需及时办理补退料,满足生产的需求。
第11条本规定由仓储部制定,解释权归仓储部所有。
第12条本规定自颁布之日起执行。
仓库领料制度篇2商务休闲酒店仓库物资管理制度1、酒楼店仓库的仓管人员应严格检查进仓物料的规格、质量和数量,发现与发票数量不符,以及质量、规格不符合使用部门的要求,应拒绝进仓,并立即向采购人员递交物品验收质量报告。
仓库领料出库流程图领料是指在生产过程中生产或其它相关部门为生产某种产品而开据领料单领取生产所需的原材料; 出库是指完工产品销售出去或不同部门之间相互调拨的一种方式。
以下是店铺为大家整理的关于仓库领料出库流程图,给大家作为参考,欢迎阅读!仓库领料出库流程图仓库管理员的出库流程1.1. 正常产品收货1.1.1 根据供应商到货通知在货物到达后,收货人员根据司机的随货箱单清点收货。
1.1.2 收货人员应与司机共同掐铅封,打开车门检查货品状况,如货物有严重受损状况,需马上通知主管和物流经理等候处理,如货物状况完好,开始卸货工作。
1.1.3 卸货时,收货人员必须严格监督货物的装卸状况(小心装卸),确认产品的数量,包装及保质期与箱单严格相符。
任何破损,短缺必须在收货单上严格注明,并保留一份由司机签字确认的文件,如事故记录单,运输质量跟踪表,送货单等。
破损,短缺的情况须及时上报主管及生管,以便及时通知客户。
1.1.4 卸货时如遇到恶劣天气(下雨,大风,冰雹等),必须采取各种办法确保产品不会受损。
卸货人员须监督产品在码放到托盘上时全部向上,不可倒置,每堆码放的数量严格按照产品码放示意图1.1.5 收货人员签收送货箱单,并填写相关所需单据,将有关的收货资料产品名称、数量、生产日期(保质期或批号)、货物状态等交主管。
1.1.6 接单后必须在当天完成将相关资料通知记入台帐。
1.1.7 破损产品须与正常产品分开单独存放,等候处理办法。
并存入相关记录。
1.2. 退货或换残产品收货1.2.1 各种退货及换残产品入库都须有相应单据,如运输公司或司机不能提供相应单据,仓库人员有权拒收货物。
1.2.2 退货产品有良品及不良品的区别,如良品退货,货物必须保持完好状态,否则仓库拒绝收货;不良品收货则必须与相应单据相符,并且有完好的包装。
1.2.3 换残产品则须与通知单上的型号、编号相符,否则仓库拒绝收货。
1.2.4 收货人员依据单据验收货物后,将不同状态的货物分开单独存放,将退货或换残单据及收货入库单,记录产品名称、数量、状态等。
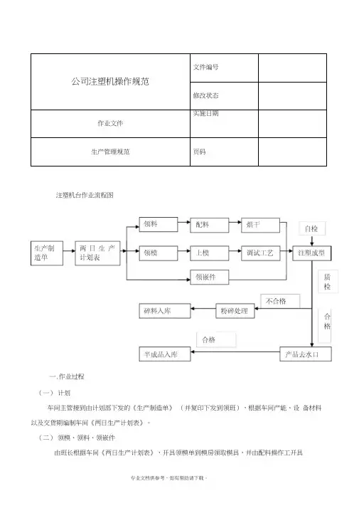
注塑机台作业流程图一.作业过程(一)计划车间主管接到由计划部下发的《生产制造单》(并复印下发到领班),根据车间产能、设备材料以及交货期编制车间《两日生产计划表》。
(二)领模、领料、领嵌件由班长根据车间《两日生产计划表》,开具领模单到模房领取模具,并由配料操作工开具领料单(包括原材料领料单、嵌件领料单)到仓库领取原料以及嵌件。
(三)配料配料操作工按照《配比表》进行配料并做好相关记录。
1 •配料作业流程图领料---------- ►清理机斗--------- k调设时间----------- ►配料 ---------- ►关机2•作业过程(1) 、领料配料操作工根据《两日生产计划表》,开领料单到仓库领料(2) 清理机斗配料操作工检查机斗内是否还有上次配料未清理干净的原料,并清理干净。
(3) 调设时间配料操作工将混合机的搅拌时间调至4—5分种左右。
⑷配料a.配料操作工将原料先倒一半进机箱内,加适当的色粉后,开启电源进行1分种搅拌后, 另一半原料也倒进机箱内搅拌。
b.开启电源,机箱内的原料开始搅拌,4分种后自动停止搅拌。
c.打开机箱,取出搅拌好的原料,操作完毕。
⑸关机关掉电源开关,并把时间表调整为零,清理机箱内外表面。
具体参见[配料操作保养规程](四)烘干配料操作工将配好的原料于生产前10小时进行烘干备用。
1.烘干作业流程图2.作业过程(1).计划注塑部班长将车间《两日生产计划表》以及相应的《制造订单》下发到配料操作工(2). 领料配料操作工根据《两日生产计划表》及《生产制造单》开领料单到仓库领取相应的原料。
(3). 配料配料操作工按照《配比表》的比例对原料进行配比。
(具体参见[ 配料作业指导书])(4). 烘干a.配料操作工将烘干机温度表调至适用该种材料温度范围(80C --125 C左右),并检查排风口是否正常。
配料操作工将烘干机上盖打开,把配比好的原料倒进机箱内,一次性加满即可盖上上盖。
b.配料操作工顺次开启电源总开关、加热开关、电机开关,进行原料烘干。
原材料领料管理办法第一章总则第一条制定目的为规范原材料领用、发放流程,使原材料领发管理有章可循,节约原材料,制定本办法;第二条适用范围有关生产各部门到仓储部原材料库领料业务,除另有规定,依本规定处理;第三条权责单位仓储部负责本办法的制定、修改、废止的草拟工作;总经理负责本办法的制定、修改、废止的审批工作;第二章原材料领用规定第四条营销副总助理根据订单及成品库情况,发出生产要求,确定生产产品名称、规格、数量及交货期;第五条运营副总助理根据生产要求及产品用料明细表,确定该批产品生产需领原材料的明细,向仓储部发出物料计划;第六条物料计划应注明原材料的生产批次、产品名称、规格、数量;第七条生产部根据生产作业计划,开具领料单,应注明领料的生产批次,以及领用原材料的产品名称、规格和数量;其数量应该小于或等于物料计划中的数量;第三章原材料领用流程第八条领料单经生产部审核后,由生产车间指定人员持单向原材料库领用所需原材料;第九条领料单一式三联,一联由生产部自存,一联交仓库,一联交财务部;第十条但物料计划上核定的原材料数量领用完毕后,生产部不论什么原因需追加原材料时,需开具物料超领单方可领料;第四章原材料超领第十一条由生产部相关人员填具物料超领单,注明超领所用原材料的名称、规格及超领数量,并详细阐明超领原因;第十二条超领权限规定由高层委员会决定;以下为参考意见;a)超领率低于1%时,由生产部主管审核后,可领用原材料;b)超领率大于1%小于3%时,由生产部主管审核,研发部人员审批,方可领料;c)超领率大于3%时,除上述人员审核外,需运营副总审核,方可领料;第十三条物料超领单一式3联,一联由生产部自存,一联交仓库,一联交财务部;第五章原材料发放规定第十四条原材料库管理员接收领料单位的领料单和超领料单第十五条审核单据是否手续齐全,与物料计划规定的名称、规格、数量是否相符;第十六条符合者予以发放原材料,并当面点交完成,除领料单一联退领料单位外,其余两联由仓库接收,其中一联自存,另一联送财务部;第十七条根据领料单和超领料单录入电脑;注:研发部制定产品用料明细表。
物料员岗位职责及作业流程物料员是负责仓库及物料管理的专业人员,主要负责仓库物料的接收、储存、发放和库存管理等工作。
本文将介绍物料员的岗位职责及作业流程。
一、岗位职责1. 物料接收:物料员需要根据入库通知单或采购订单,对物料进行验收。
他们需要检查物料的数量、质量和规格是否与订单一致,并将物料进行分类、编码和上架。
2. 物料储存:物料员需要负责仓库内物料的储存和管理。
他们需要根据物料的特性和储存要求,进行分类、整理和摆放。
他们还需要定期检查物料的储存环境,如温度、湿度等,以确保物料的安全和质量。
3. 物料发放:物料员需要根据领料单和生产计划,将物料按时发放给生产部门或其他需要的部门。
他们需要核对领料单上的物料信息,并确保发放的物料数量准确无误。
4. 库存管理:物料员需要进行库存管理,包括库存盘点、库存调整和库存报表的生成。
他们需要定期进行库存盘点,对实际库存和系统库存进行核对,并及时调整库存数量。
他们还需要生成库存报表,包括库存周转率、存货金额等指标的统计分析。
5. 物料采购:物料员可能参与物料的采购工作,包括物料的询价、比价和供应商的选择。
他们需要根据公司的采购流程,进行采购合同的签订和供应商的考核管理。
6. 信息记录:物料员需要及时记录和更新物料相关的信息,包括物料的收发存情况、物料的变更和更新等。
他们还需要使用ERP系统等工具,对物料信息进行查询和管理。
二、作业流程1. 接收物料:物料员根据入库通知单或采购订单,到达仓库接收物料。
他们需要检查物料的数量、质量和规格是否与订单一致,并进行入库登记和上架。
2. 储存物料:物料员将接收到的物料进行分类、编码和整理,并根据物料的特性和储存要求,摆放到相应的仓位上。
3. 发放物料:物料员根据领料单和生产计划,审查物料的需求和库存情况,将物料按时发放给各部门或生产线。
4. 盘点库存:物料员定期进行库存盘点,比对实际库存和系统库存,查找差异并进行调整。
盘点结束后,生成库存报表。
仓库领料制度仓库领料制度在生活中,我们每个人都可能会接触到制度,制度是要求成员共同遵守的规章或准则。
那么拟定制度真的很难吗?以下是小编为大家整理的仓库领料制度,仅供参考,欢迎大家阅读。
仓库领料制度1第1条目的为规范工厂的领料工作,避免因领料不当而造成工厂的损失,特制定本规定。
第2条范围本规定适用于工厂所有物料的领用。
第3条责任1.仓储部根据领料单负责物料的发放工作。
2.生产使用部门设置专人负责领料工作。
第4条解释料是由生产部门人员在产品生产之前填写领料单向仓储部门领取物料的过程。
第5条领料时间生产使用部门的领料员根据生产计划和生产的实际进度,提前1至2天向仓储部门领取物料。
领料员需把握时间,过早领料造成生产现场堆积,过晚领料则影响生产进度。
第6条确定领料限额生产部门根据产品用料明细表和生产经验会同仓储部编制领料限额及损耗标准,每次领料时应认真审核。
第7条填写领料单1.清楚填写领用部门、使用项目、名称、规格、型号、数量等。
2.领料表必须依据审批权限经过部门主管、主管副总签字审批。
3.领料表中所填写的领用物料应该在仓储部的仓储计划中。
4.进口物料与国产物料分开填写。
第8条领料流程1.生产部门物料缺乏时由专门的领料人员,填写领料单。
2.领料单需经部门主管核定并签字,特殊物料需有主管副总签字审批。
3.领料人员持已经审批的领料单到仓库领取物料。
精益争霸。
4.仓储部人员核对领料单的签章和内容,备好物料,审核领料数量与物料计划一致并由仓储部主管审核后,将领料单与物料交予领料人员。
5.仓储人员凭领料单将领用情况记入出库台账。
第9条领料超限额控制当使用部门申请超限额领料时,需说明原因,同时仓储部进行调查,将调查结果依审批权限上报仓储主管与主管副总,按其决策办理。
第10条补退料控制生产现场发现物料不合格、物料超发、物料少发等情况时,需及时办理补退料,满足生产的需求。
第11条本规定由仓储部制定,解释权归仓储部所有。
第12条本规定自颁布之日起执行。
物料的收、发、退、补料运作流程目的:为了规范物料的管理及控制物料的流失,以确保生产的正常运行。
适用范围:适用于生产部各车间生产线物料的管理。
作业流程:1、物料的收料:(1)各生产线物料员凭打单员打出的领料单分别到货仓相应的仓区进行领料,收料时一定要按照物料清单和领料单上的物料名称、规格及编号进行签领.(2)原则上收料时,只对尾数全点,对原封箱只予抽箱清点,但对于贵重物料一定要全点收货,若遇包装不足时应及时通知仓管员处理。
(3)物料员按生产计划提前三天收料,将从仓库收到的物料摆放于物料周转仓内,并分区域标识清楚。
若有个别物料欠料或未齐套时,要知会物料线长,由他填写物料齐套表发相关负责人,要于生产开拉前将所有欠料追齐。
2、物料的发料:开拉时物料员将物料周转仓内物料发到生产线上,由线长指定组长或供料员签收并摆放到相应工位上使用。
1、物料的退料:在生产过程中,从生产线上检出的坏料,由线长指定组长或供料员按原包装整理好,分清楚来料坏和生产坏退给物料员签名,再由物料员开退料单经相关管理及IQC确认签名后退仓,由仓管员确认签名。
2、物料的补料:物料员根据已确认的退料单到生产部ERP操作员处生成补料单,再凭打单员打出的补料单到货仓相应仓区领取物料。
3、物料的监控:当组长或供料员在点料签收时,如发现有来料少的情况,物料员不但要将少数部分补足数外,再视物料的价值而作出相应警告或惩罚处理;如组长或供料员点数无误签收后,拉上再发现有类似少料情况,则对该线线长及所指定的组长或供料员同时给予惩罚,按该少的物料的价值如数赔偿方可进行申请补料。
拟制:审核:批准:日期:日期:日期:底板生产作业流程目的:为了规范底板生产的管理及作业流程。
适用范围:适用于底板车间各生产线。
作业流程:1、开拉前线长或主管根据PMC生产计划的生产日期及生产机型,提前到生产工程组领取相应的开拉样板、《作业指导书》和夹具,并核对各种技术资料等文件。
2、开拉前线长或主管组织相关管理、PE人员召开开拉前准备会议,对已填写好的《生产线重要工作检查跟踪表》、《底板、组装开拉前工作表》进行商讨,核对无误并经审核、批准后方可进行生产。