高速铁路缓和曲线设计研究
- 格式:pdf
- 大小:1.27 MB
- 文档页数:1
缓和曲线与圆曲线比例-概述说明以及解释1.引言1.1 概述缓和曲线与圆曲线比例是交通工程中常用的设计概念。
在道路建设和铁路设计中,缓和曲线和圆曲线被广泛应用于曲线段的设计和布置。
缓和曲线是指在两条直线或两段曲线之间,为了平稳过渡而设置的一段平滑的曲线,而圆曲线则是一种具有特定半径的圆弧曲线。
在道路和铁路的设计中,缓和曲线的作用非常重要。
它能够让车辆或列车在曲线段上平稳地转弯,减少驾驶员或乘客的不适感,并提高行驶安全性。
而圆曲线则通过设置合适的曲率半径,来确保车辆或列车能够在曲线段上稳定地行驶,避免发生侧滑或脱轨等事故。
缓和曲线与圆曲线之间存在着一定的比例关系。
在道路和铁路的设计中,根据不同的交通工具和行驶速度,需要选择合适的缓和曲线和圆曲线比例。
一般情况下,缓和曲线的长度应该大于或等于圆曲线的长度,这样可以确保车辆或列车在曲线段上有充足的转弯距离,减少不必要的加速和减速。
总之,缓和曲线与圆曲线的比例在交通工程中起着重要的作用。
通过恰当地设置和设计缓和曲线和圆曲线,可以提高道路和铁路的行驶安全性和舒适性,确保交通工具能够平稳地通过曲线段。
在实际的工程设计中,需要根据具体的要求和条件来选择合适的缓和曲线与圆曲线的比例。
1.2文章结构文章结构扮演着文章中承上启下的重要角色,它有助于读者理解整篇文章的组成,并为主题提供清晰的框架。
本文将按照以下结构展开讨论:引言、正文和结论。
在引言部分,我们将提供有关缓和曲线和圆曲线比例的一个概述。
我们将解释什么是缓和曲线和圆曲线,并介绍它们在交通设计和工程中的重要性。
此外,我们还将提供关于本文结构和目的的简要描述,以确保读者能够在文章的其他部分中明确了解我们的观点和研究目标。
接下来,我们将进入正文部分,分为两个主要章节:缓和曲线和圆曲线。
在缓和曲线章节中,我们将首先阐述什么是缓和曲线。
我们将解释缓和曲线是一种道路设计中常用的曲线段落,通过渐进地变化半径,从而连接两条具有不同半径的直线或圆曲线。
高速铁路线路参数优化与设计随着技术的进步和交通工具的不断改进,高速铁路在现代交通系统中扮演着重要的角色。
高速铁路的建设与设计需要考虑许多因素,其中线路参数优化是至关重要的一项任务。
本文将探讨高速铁路线路参数的优化与设计,并介绍一些常见的线路参数。
首先,我们来了解一下高速铁路的一些基本概念。
高速铁路主要由轨道、架线和供电系统组成。
线路参数是指铁路线路的各种要素,包括轨距、曲线半径、坡度等等。
这些参数的选择和设计对于确保铁路的运行安全和效率至关重要。
一、轨距轨距是高速铁路轨道之间的距离。
常见的轨距有标准轨距、宽轨和狭轨。
标准轨距最常见,为1435毫米,目前大部分高速铁路线路都采用标准轨距。
宽轨通常用于一些特殊场合,如货运列车,因为宽轨可以增加列车的稳定性和负载能力。
狭轨主要用于旅游线路和小型铁路系统。
二、曲线半径曲线半径是曲线的半径大小,也是衡量曲线的“弯曲程度”的重要指标。
较小的曲线半径会增加列车运行时的侧向力,从而降低列车的速度和舒适性。
因此,高速铁路线路的曲线半径通常比普通铁路线路要大。
为了减少曲线的侧向力,高速铁路线路经常采用缓和曲线设计,即在曲线的过渡段增加曲率半径,使列车可以更平稳地通过弯道。
三、坡度坡度指的是铁路线路的上下坡度。
在设计高速铁路线路时,坡度的选择应平衡列车的加速度和制动力。
过大的坡度会导致列车加速减速受限,从而影响线路的运行效果。
另一方面,过大的坡度会增加列车的能耗,降低列车的运行速度和效率。
因此,高速铁路的设计应尽量避免过大或过小的坡度。
在高速铁路的线路参数优化与设计中,考虑的因素还包括弯道长度、均衡长度、最小缓和过渡曲线的设计等。
弯道长度对于列车的稳定性和舒适性至关重要,过短的弯道长度会增加列车的侧向力。
均衡长度则是指曲线或坡度到达设计值所需要的长度,过小的均衡长度会影响列车的加速和制动。
最小缓和过渡曲线的设计是为了使列车能够平稳地通过转弯和坡道,提高乘车的舒适性。
在高速铁路线路参数的优化与设计中,需要考虑多个因素的综合影响。
、缓和曲线的作用及其几何特征行驶于曲线轨道的机车车辆,出现一些与直线运行显著不同的受力特征。
如曲线运行的离心力,外轨超高不连续形成的冲击力等。
为使上述诸力不致突然产生和消失,以保持列车曲线运行的平稳性,需要在直线与圆曲线轨道之间设置一段曲率半径和外轨超高度均逐渐变化的曲线,称为缓和曲线。
当缓和曲线连接设有轨距加宽的圆曲线时,缓和曲线的轨距是呈线性变化的。
概括起来,缓和曲线具有以下几何特征:1. 缓和曲线连接直线和半径为R的圆曲线,其曲率由零至1/R逐渐变化。
2. 缓和曲线的外轨超高,由直线上的零值逐渐增至圆曲线的超高度,与圆曲线超高相连接。
3. 缓和曲线连接半径小于350m的圆曲线时,在整个缓和曲线长度内,轨距加宽呈线性递增,由零至圆曲线加宽值。
因此,缓和曲线是一条曲率和超高均逐渐变化的空间曲线。
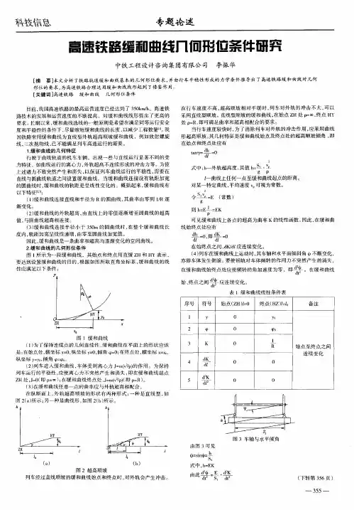
二、缓和曲线的几何形位条件图2-9所示为一段缓和曲线。
其始点与终点用ZH与HY表示。
要达到设置缓和曲线的目的,根据如图所取直角坐标系,缓和曲线的线形应满足以下条件:1.为了保持连续点的几何连续性,缓和曲线在平面上的形状应当是:在始点处,横坐标x= 0,纵坐标y= 0,倾角φ= 0;在终点处,横坐标x=x0,纵坐标y=y0,倾角φ=φ0。
2.列车进入缓和曲线,车体受到离心力J的作用,为保持列车运行的平稳性,应使离心力不突然产生和消失,即在缓和曲线始点处,J=0,在缓和曲线终点处Ρ=R。
3.缓和曲线上任何一点的曲率盈余外轨超高相吻合。
在纵断面上,外轨超高顺坡的形式有两种形式。
一种形式是,如图2-10(a)所示;另一种形式是曲线形,如图2-10(b)所示。
图 2-9缓和曲线坐标图列车经过直线顺坡的缓和曲线始点和终点时,对外轨都会产生冲击。
在行车速度不高,超高顺破相对平缓时,列车对外轨的冲击不大,可以采用直线形顺坡,即可满足曲率与超高相配合的要求。
当行车速度较高,为了消除列车对外轨的冲击,应采用曲线形超高顺坡。
浅谈高速铁路CRTSⅢ型板式无砟轨道缓和曲线段轨道板施工方法摘要:本文主要阐述了高速铁路CRTSⅢ型板式无砟轨道可调模具的调整原理、调整方法、成品轨道板曲线参数的检测及复核方法。
关键词:高速铁路;CRTSⅢ型轨道板;缓和曲线;施工方法1 概述CRTSⅢ型板式无砟轨道是我国具有自主知识产权的新型无砟轨道型式,在成灌城际铁路中得到了成功应用后,在武汉城市圈城际铁路上进行了推广和优化。
在缓和曲线段轨道板的施工过程中,施工单位应根据设计院提供的设计意图,合理地确定可调模具的调整原理及调整方法。
在前期试生产过程中,施工单位应配合模具调整仪、CRTSⅢ型轨道板的检测工装及CRTSⅢ型轨道板检测系统,进行模具的试调整,在曲线板预制完成后,应对曲线板的曲线参数进行检测复核,并根据试验及检测结果进行可调模具调整方法的评价与再优化,最终形成适用、精确、可靠的缓和曲线段轨道板的施工方法。
2 缓和曲线段轨道板曲线参数的实现方式及承轨台的调整原理缓和曲线段横向矢量参数可由轨道板承轨台的横向调整来实现。
为了保证轨道的平顺性,缓和曲线段轨道超高的实现原则为:大的超高通过在路基表层或底座或支撑层上调整来实现,小的超高通过调整轨道板外轨的不同超高值来实现,设定缓和曲线上每块轨道板外轨上靠近ZH(或HZ)点侧第一个承轨台超高调整值为0,则计算其余7个承轨槽均应有对应的超高。
缓和曲线段轨道板上的外轨超高可通过对模具承轨台进行相应的垂向高低调整来实现。
缓和曲线段轨道板承轨台的调整原理:1、横向矢量的调整缓和曲线地段轨道板上横向承轨槽的调整原则为:第一排和第八排承轨槽固定不动,即V1、V8为0,其它六排承轨槽根据各自矢距地偏移量沿板宽方向横向移动来调整。
2、外轨超高的调整轨道板上内轨承轨台均不做超高的调整,外轨靠近ZH (或HZ)侧第一个承轨台超高调整为0,其余7个承轨台超高根据设计参数做相应调整。
3 缓和曲线段轨道板的施工方法3.1 主要施工工艺流程根据设计院提供的曲线参数对可调模具进行调整,并更换相应的字模。
收稿日期:20040524作者简介:王厚雄(1938—),男,研究员,1959年毕业于唐山铁道学院选线设计及铁路航空勘察专业。
线路圆曲线半径、缓和曲线长度和线间距标准制定依据的介绍王厚雄(铁道科学研究院铁道建筑研究所 北京 100081) 摘 要:着重介绍《新建时速200公里客货共线铁路设计暂行规定》(以下简称《暂规》)中3个主要线路平面设计标准的拟定原则,计算方法和参数选择的思路。
《暂规》期望,这些思路有助于提高线路平面质量,使线路有可能达到“少维修”的水平,从而满足新建时速200km 客货共线铁路安全、舒适和不间断运营的要求。
关键词:时速200km 铁路;客货共线铁路;线路圆曲线半径;线间距;缓和曲线长度 中图分类号:U412134 文献标识码:C 文章编号:10042954(2004)07003304 《新建时速200公里客货共线铁路设计暂行规定》基于我国铁路设计和运营实践多年经验教训,对线路主要平面设计标准的拟定原则、计算方法及参数选择方法,作了不同于99版国标《铁路线路设计规范》(以下简称《线规》)的一些改动。
这些改动与前苏联铁路设计规范(СНИПⅡ3976)和欧盟国家铁路设计思路基本接轨[1]。
编制者期望,由这些改动得出的相关设计标准,配合线路、轨道、路基和桥梁等设计标准,有助于提高时速200km 铁路的线路设计质量,在符合安全适用、技术先进、经济合理的前提下,有可能使线路达到“少维修”水平,从而满足新建时速200km 客货共线铁路安全、舒适和不间断的运营要求。
国外多年运营实践表明,“少维修”是时速200km 以上高速铁路所必需具备的基本条件之一。
由于新建时速200km 客货共线铁路在我国属开创性工程,既无试验数据可以利用,也无运营实践经验可遵循,故本次编制的相关规定只能是暂时性的,有待今后深入研究、实践观测和修订完善。
1 线路圆曲线半径111 圆曲线半径的划分及选用原则(1)推荐半径在定线选择圆曲线半径时,应优先选用推荐半径。
2高速铁路的线路2.1概述高速列车首先要满足安全与舒适的要求。
影响列车安全和舒适的因素很多,虽然机车车辆性能及运营方式起着很大的作用,但高速铁路的线路参数也是重要的影响因素,在设计高速铁路时必须予以重视。
在高速条件下,列车的横向加速度增大,列车各种振动的衰减距离延长,从而各种振动叠加的可能性提高,相应旅客乘坐舒适度在高速条件下更为敏感,所以,要求线路的技术标准也相应提高,包括最小曲线半径、缓和曲线、外轨超高等线路平面标准,坡度值和竖曲线等线路纵断面标准,以及列车风对线路的特定要求等。
在高速铁路的线路平、纵断面设计中应重视线路的平顺性,采用较大的线路平面曲线半径、较长的纵断面坡段长度和较大的竖曲线半径,以提高旅客乘坐舒适度。
表2-1列出了世界上一些高速铁路线路的平纵断面标准。
2.2高速铁路的线路平面设计2.2.1最小曲线半径最小曲线半径是限制列车最高速度的主要因素之一,且对工程费和运营费都有很大影响,因此合理地选择最小曲线半径是线路设计的重要任务之一。
最小曲线半径是高速铁路线路主要的设计标准之一。
它与铁路运输模式、速度目标值、旅客乘坐舒适度和列车运行平稳有关。
我国京沪高速铁路在运输组织模式上为本线与跨线旅客列车共线运行的客运专线模式,最小曲线半径应考虑两个方面的因素:一方面是高速列车设计最高速度V max、实设超高与欠超高之和的允许值[h + h q]等因素;另一方面为高速列车最高运行速度V G、跨线旅客列车正常运行速度V K、欠超高与过超高之和的允许值[h q+h g]等因素。
1 •速度目标值京沪高速铁路设计速度350km/h,初期运营速度300 km/h,跨线旅客列车运营速度200 km/h及以上。
最小曲线半径的确定首先要满足设计速度350km/h的要求,其次还要满足不同速n ^B読半玉3S K - §S址P进皆舉三交•湄出总皆XPTES 0卑”密节壬-H上/-=-:£ m童乜吃「=-土2也卅・£霸聖崔羅脈聲=J iyl恶于S灌苇--K峑茎占£i sT p w .<.??--准标计设面断纵、平路线路铁速高些一上界世12表度匹配条件下的要求初期本线与跨线旅客列车共线运营,按300 km/h与200km/h匹配;远期运行高速列车,其速度目标值范围为350〜250km/h,同时考虑到远期可能存在少量运行速度为200 km/h的列车。
缓和曲线的作⽤及其⼏何特征1.什么是缓和曲线?它有什么样的作⽤?在直线与圆曲线轨道之间设置⼀段曲率半径和外轨超⾼均逐渐变化的曲线,称为缓和曲线。
⾏驶于曲线轨道的机车车辆,出现⼀些与直线运⾏显著不同的受⼒特征。
如曲线运⾏的离⼼⼒,外轨超⾼不连续形成的冲击⼒等。
为使上述诸⼒不致突然产⽣和消失,以保持列车曲线运⾏的平稳性。
2.曲线轨距加宽的确定原则机车车辆通过曲线的内接形式,随着轮轨游间⼤⼩⽽定。
根据运营经验,以⾃由内接最为有利,但机车车辆的固定轴距长短不⼀,不能全部满⾜⾃由内接通过。
为此,确定轨距加宽必须满⾜如下原则:保证占列车⼤多数的车辆能以⾃由内接形式通过曲线;保证固定轴距较长的机车通过曲线时,不出现楔形内接,但允许以正常强制内接形式通过;保证车轮不掉道,即最⼤轨距不超过容许限度。
3道床厚度是指直线上钢轨或曲线上内轨中轴线下轨枕底⾯⾄路基顶⾯距离。
岩⽯路基,渗⽔⼟质路基及级配碎⽯路基基床,均铺设单层碎⽯道床。
⾮渗⽔路基应设置双层道床,其中上层为碎⽯道碴,⼜称为⾯碴;下为垫层,⼜称为底碴。
4道床顶⾯宽度b道床顶⾯宽度与轨枕长度及道床肩宽有关,主要决定于道床肩宽。
道床肩宽指道床宽出轨枕两端的部分。
道床肩宽应保证⾜够的道床横向阻⼒,以保持道床的稳定。
双线轨道顶⾯宽度应分别按单线设计。
⽆缝线路轨道R<800m、有缝线路轨道R<600m的曲线地段,曲线外侧道床顶⾯宽度应增加0.10m。
5.⾯碴(1)⾯碴应采⽤碎⽯道碴,由开采⼭⽯破碎、筛选⽽成。
碎⽯道碴其⼒学性能分为⼀级和⼆级道碴碎⽯道碴属于散粒体,道碴粒径的级配对道床的物理⼒学性能、养护维修⼯作量有重要影响。
根据我国有关国际咨询及国外试验研究结果,认为⾼速铁路有碴轨道应采⽤“窄级配”标准道碴。
6底碴底碴可由开⼭块⽯或天然卵⽯、砾⽯、砂⽯经破碎筛选⽽成。
7. 计算:已知某线路半径为1000m,平均⾏车速度为80km/h,未被平衡的⽋超⾼容许值为70mm,计算该曲线应设置的外轨超⾼及其允许的最⾼⾏车速度。
铁路缓和曲线的设计之一,对列车由直线向圆曲线过渡起着重要的作用。
本文通过对缓和曲线线型、长度、坐标的浅析,以期对以后的线路参数设计提供-一定参考。
关键词缓和曲线;线型;长度;坐标缓和曲线是平面线型中,在直线与圆曲线,圆曲线与圆曲线之间设置的曲率连续变化的曲线。
在缓和曲线内,其半径由无限大渐变到圆曲线半径,外轨超高由零递增到圆曲线上的超高量,把内轨轨距由标准轨距逐渐加宽到圆曲线上应有的加宽度。
其作用是在列车由直线驶向圆曲线的过程中,使向心力逐渐增加,与离心力的增加相互配合,并减轻外轮对外轨的冲击力,保证列车的安全平顺。
缓和曲线设计时,有线型选择、长度计算和选用等问题。
1缓和曲线线型及选择1.1缓和曲线线型缓和曲线线型取决于其方程式,近似于其曲率的二次定积分,而曲率又和超高具有一定得比例关系,所以缓和曲线线型可以形象的用外轨超高的顺坡形式表示,其模式方程可用曲率的一阶导数表示:式中:A, B-待定系数;M,n,r-指数。
常见的缓和曲线线型方程如下表:1.2缓和曲线线型选择缓和曲线曲线的线型对列车平稳运行和钢轨寿命有很大影响,行车速度越高,影响越大,在确定缓和曲线线型时候应满足以下条件。
缓和曲线线型选择:1)缓和曲线的起终点会引起列车的冲击和振动,超高顺坡变化越平滑,车辆产生的竖直加速度越小,车辆冲击和振动也越小,虽然不同形式的超高顺坡理论上差别较大,但实际上由于轨道的刚性结构,并且线路和车辆也具有- -定得弹性,使列车的运行条件得到改善。
2)选择缓和曲线线型要考虑其对工程数量的影响,缓和曲线的线型越高级,其长度往往越长,可能引起工程量增加。
既有线改建时候,注意缓和曲线的线型不同会导致内移距不同,改变线型,要引起额外拨动,可能会导致工程量增加。
我国铁路一-般采用直线型超高的顺坡的三次抛物线缓和曲线线型,具有线型简单长度短,平立面有效长度长、易于铺设养护等优点。
虽然在起终点连续性不如其他型式超高顺坡,但是轨道的刚性结构和线路车辆弹性可以改善列车运行条件。