SMT常用封装建库要求规范
- 格式:doc
- 大小:7.72 MB
- 文档页数:55
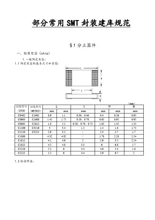
部分常用SMT封装建库规范§1分立器件一,贴装电容(chip)1.一般陶瓷电容:1.1陶瓷电容的基本尺寸和类型:封装型号(INCH) 封装型号(METRIC)L S W H min max nom min max maxC0402 C1005 0.9 1.1 0.30、0.40 0.4 0.56 0.95 C0603 C1608 1.45 1.75 0.50、0.70 0.65 0.95 0.95 C0805 C2012 1.8 2.2 0.50、0.70、0.75 1.05 1.45 1.35 C1206 C3216 3 3.4 1.5 1.4 1.8 1.75 C1210 C3225 2.9 3.5 / 2.3 2.7 1.7 C1808 4.32 4.82 / 1.78 2.28 2.54 C1812 4.1 4.9 2 2.9 3.5 2.54 C1825 4.2 4.8 3.3 6 6.8 1.7 C2220 5.2 6 4.4 4.6 5.4 1.8 C2225 5.2 6 4.4 5.9 6.7 21.2标准焊盘:(mm)1.2.1 回流焊标准焊盘:(mm/mils)封装类型X Y CC0402 0.63 / 25 0.50 / 20 1.00 / 40C0603 0.89 / 35 0.80 / 32 1.52 / 60C0805 1.10 / 45 1.27 / 50 1.78 / 70C1206 1.40 / 55 1.60 / 63 2.80 / 110C1210 1.40 / 55 2.40 / 92 2.80 / 110C1808 1.50 / 60 2.00 / 80 4.60 / 180C1812 1.50 / 60 3.20 / 125 4.60 / 180C1825 1.50 / 60 5.00 / 200 4.60 / 180C2220 1.90 / 70 5.00 / 200 6.00 / 235C2225 1.90 / 70 6.00 / 235 6.00 / 2351.2.2波峰焊标准:(mm/mils)封装类型X Y CC0603 0.89 / 35 0.81 / 32 1.80 / 70C0805 1.14 / 45 1.32 / 52 2.30 / 90C1206 1.52 / 60 1.57 / 62 3.68 / 145C1210 1.52 / 60 2.60 / 102 3.68 / 145C1808 2.10 / 82 2.10 / 82 5.21 / 205C1812 2.10 / 82 3.10 / 122 5.21 / 205C1825 1.52 / 60 6.40 / 252 5.10 / 200C2220 1.52 / 60 5.64 / 222 6.86 / 270C2225 1.65 / 65 6.40 / 252 6.86 / 2702.一般钽电解电容:2.1钽电容的基本尺寸和类型:型号封装型号L S W1 W2 H1 H2 min max min max min max min max max maxA C3216 3 3.4 1.1 1.8 1 1.4 1.5 1.8 0.4 2.1B C3528 3.3 3.7 1.4 2.2 2 2.4 2.6 3 0.5 2.1C C6032 5.7 6.3 2.9 3.7 1.9 2.5 2.9 3.5 0.9 2.8D C7343 7 7.6 4.4 5 2.2 2.6 4 4.6 0.9 3.12.2标准焊盘:2.2.1回流焊标准焊盘:(mm/mils)封装类型X Y CC3216 1.80 / 70 1.40 / 55 2.80 / 110C3528 2.00 / 80 2.20 / 88 3.30 / 130C6032 2.50 / 100 2.20 / 88 5.00 / 200C7343 3.30 / 130 2.40 / 95 6.40 / 2502.2.2 波峰焊标准焊盘:(mm/mils)封装类型X Y CC3216 2.15 / 85 1.60 / 65 3.80 / 150C3528 2.30 / 90 2.80 / 110 4.20 / 165C6032 3.20 / 125 3.20 / 125 6.60 / 260二,贴装电阻(Chip)1.一般电阻:1.1电阻的基本尺寸和类型:封装类型L S W H min max min max min max maxR0402 0.95 1.05 0.53 0.68 0.45 0.55 0.4 R0603 1.45 1.75 0.75 1.65 0.65 0.95 0.6 R0805 1.8 2.15 1 1.6 1.15 1.35 0.65 R1206 2.95 3.4 2 2.6 1.4 1.8 0.7 R1210 3 3.4 2.2 2.6 2.4 2.8 0.7 R2010 4.8 5.2 4 4.4 2.3 2.7 0.7 R2512 6.1 6.5 5.3 5.7 2.9 3.3 0.7 R3218 7 8 4.2 5.2 4.2 4.8 2.3 R4732 11.5 12.5 8.5 9.5 7.7 8.3 4.51.2标准焊盘:1.2.1回流焊标准焊盘(mm/mils)封装名称X Y CR0402 0.63 / 25 0.50 / 20 1.00 / 40R0603 0.76 / 30 0.80 / 32 1.52 / 60R0805 1.00 / 40 1.20 / 45 2.00 / 80R1206 1.40 / 55 1.60 / 63 2.80 / 110R1210 1.40 / 55 2.40 / 92 2.80 / 110R2010 1.52 / 60 2.54 / 100 5.40 / 210R2512 1.52 / 60 3.20 / 125 6.60 / 260R3218 2.28 / 90 4.00 / 150 7.40 / 2901.2.1波峰焊标准焊盘三,贴装电感(chip)1.一般电感:1.1贴装电感基本尺寸和类型封装类型L S W H min max min max min max maxL0603 1.45 1.75 0.85 1.15 0.65 0.95 0.95L0805 1.7 2.3 0.7 1.3 1.05 1.73 1.78L0906 1.95 2.45 1.04 1.3 1.55 1.37L1008 2.92 1.8 2.2 2.54L1206 3 3.56 2.03 1.4 1.8 1.93L1210 2.9 3.5 1.5 2.3 2.7 2.5L1810 4.95 3.25 2.54 3.05L1812 4.2 4.8 3 3.4L2220 5.4 6 4.7 5.31.2标准焊盘:1.2.1回流焊标准焊盘:封装名称X Y C L0603 0.76 / 30 0.80 / 32 1.52 / 60L0805 1.00 / 40 1.27 / 50 1.78 / 70L0906 1.00 / 40 2.54 / 100 1.78 / 70 ( C' 1.00 / 40 ) L1008 1.40 / 55 2.03 / 80 2.54 / 100L1206 1.40 / 55 1.60 / 63 2.80 / 110L1210 1.40 / 55 2.40 / 92 2.80 / 110L1810 1.50 / 60 2.54 / 100 4.60 / 180L1812 1.50 / 60 3.20 / 126 4.40 / 172L2220 1.90 / 70 5.00 / 200 5.59 / 220四,贴装二极管(chip)1.一般二极管:1.1贴装二极管基本尺寸和类型.(含LED)封装名称L S W Hmin max nom min max max D0805 1.8 2.2 1.2 1.05 1.45 1.1D1206 3 3.4 2 1.3 1.7 1.3D1714 4.06 4.7 3 3.3 3.94 2.44 D2723 6.6 7.11 5.5 5.59 6.22 2.411.2标准焊盘:1.2.1回流焊标准焊盘:封装类型X Y CD0805 1.00 / 40 1.27 / 50 2.29 / 90D1206 1.40 / 55 1.60 / 63 3.00 / 120D1714 2.00 / 80 3.00 / 120 4.10 / 160D2723 2.80 / 110 3.80 / 150 7.20 / 280五,贴装保险管(chip)1.一般保险管:1.1贴装保险管基本尺寸和类型.(含保险座)封装类型L S W H min max nom min max maxF6127 6.1 3.2 2.69 2.69 F9750H* 9.73 5.03 3.81 *H-holder 表示保险座。
文件编号:CHK-WI-JS-00 制订部门:技术中心版本版次:A/0生效日期:2012-11-22受控印章:文件修订记录目录一、库文件管理 (4)1. 目的 (4)2. 适用范围 (4)3. 引用标准 (4)4. 术语说明 (4)5. 库管理方式 (5)6. 库元件添加流程 (5)二、原理图元件建库规范 (6)1. 原理图元件库分类及命名 (6)2. 原理图图形要求 (7)3. 原理图中元件值标注规则 (8)三、PCB封装建库规范 (8)1. PCB封装库分类及命名 (8)2. PCB封装图形要求 (10)四、PCB封装焊盘设计规范 (11)1.通用要求 (11)2. AI元件的封装设计 (11)3. DIP元件的封装设计 (11)4. SMT元件的封装设计 (12)5.特殊元件的封装设计 (13)一、库文件管理1. 目的《元件器封装库设计规范》(以下简称《规范》)为电路元件库、封装库设计规范文档。
本文档规定设计中需要注意的一些事项,目的是使设计规范化,并通过将经验固化为规范的方式,为企业内所有设计师提供完整、规范、统一的电子元器件图形符号和封装库,从而实现节省设计时间,缩短产品研发周期,降低设计差错率,提高电路设计水平的目的。
2. 适用范围适用于公司内部研发、生产等各环节中绘制的电子电路原理图、电路板图。
3. 引用标准3.1. 采用和遵循最新国际电气制图标准和国家军用规范3.2. GB/T 4728-2007《电气简图用图形符号》3.3. GB/T 7092-1993《半导体集成电路外形尺寸》3.4. GB7581-1987《半导体分立器件外形尺寸》3.5. GB/T 15138-1994《膜集成电路和混合集成电路外形尺寸》3.6. GJB3243-1998《电子元器件表面安装要求》3.7. JESD30-B-2006《半导体器件封装的描述性指定系统》3.8. IPC-7351A-2005《表面安装设计和焊盘图形标准的通用要求》4. 术语说明4.1. Part Number 类型系统编号4.2. Library Ref 原理图符号名称4.3. Library Path 原理图库路径4.4. description 简要描述4.5. Component Tpye 器件类型4.6. Footprint 真正库封装名称4.7. SorM Footprint 标准或厂家用封装名称4.8. Footprint path 封装库路径4.9. Value 标注4.10. PCB 3D 3D图形名称4.11. PCB 3D path 3D库路径4.12. Availability 库存量4.13. LT 供货期4.14. Supplier 生产商4.15. Distributer 销售商4.16. Order Information 订货号4.17. ManufacturerP/N 物料编码4.18. RoHS 是否无铅4.19. UL 是否UL认证(尽量加入UL号)4.20. Note 备注4.21. SMD: Surface Mount Devices/表面贴装元件。
元件封装库设计规范分析元件封装库是电子设计过程中的关键组成部分,它包含了各种电子元器件的封装信息,如引脚定义、尺寸、间距、电气特性等。
一个好的封装库设计规范可以提高设计效率,减少错误,保证设计的质量。
以下是我对元件封装库设计规范的分析。
首先,一个良好的元件封装库设计规范应该有清晰的分类和命名规则。
封装库中的元件应该按照类型进行分类,如集成电路、二极管、晶体管等。
每种类型的元件都应该有一个统一的命名规则,使得用户可以轻松地找到所需的封装。
其次,封装库应该提供准确和完整的封装信息。
每个元件的封装应该包含引脚定义、尺寸、间距和电气特性等,这些信息应该符合制造商的规格书。
如果有不同的封装版本或者制造商的封装变种,也需要进行标注和区分。
此外,元件封装库应该遵循国际标准和工业规范。
如IPC-7351标准提供了封装尺寸和布局的指导原则,JESD48封装文件格式标准规定了封装文件的格式和内容等。
遵循这些标准和规范可以确保封装的兼容性和可靠性。
封装库设计规范还应该考虑设计工具的要求。
不同的PCB设计工具可能对封装库的格式和内容有不同的要求。
因此,封装库设计规范应该与设计工具的接口进行对接,并且需要及时更新以适应新的设计工具的要求。
此外,封装库设计规范还应该考虑到用户的需求。
封装库应该提供常用的封装,并且随时更新以适应新的元器件的封装需求。
用户也应该可以方便地添加自定义的封装,并且可以与其他用户共享自定义的封装。
最后,封装库设计规范应该考虑到封装的可制造性和可焊接性。
封装的尺寸和间距应该符合制造商的规格要求,以确保生产出的PCB可以正确焊接。
此外,封装库还应该提供焊盘和焊球的尺寸和布局等信息,以提供焊接的指导。
总结起来,一个良好的元件封装库设计规范应该有清晰的分类和命名规则,提供准确和完整的封装信息,遵循国际标准和工业规范,考虑设计工具的要求和用户的需求,并且考虑到封装的可制造性和可焊接性。
通过遵循这些规范,可以提高设计效率,减少错误,保证设计的质量。
【干货】电子制造企业《SMT仓库管理规范》作业指导书【干货】电子制造企业《SMT仓库管理规范》作业指导书1.0目的通过建立仓库管理制度,指导和规范仓库人员日常作业行为,预防库存物料有所损失,提高工作效率。
保障SMT与仓库之间物料作业顺畅,使SMT物料的发放、退仓作业有序进行,制定此作业规范。
2.0范围适用于SMT仓库管理。
适用于SMT物料的准备、发放、领用、退仓等。
3.0 定义/参考A类物料:SMT使用的IC、Mosfit等高价值物料;B类物料:SMT使用的二极管、三极管等物料;C类物料:贴片电阻、贴片电容(Chip)类物料;紧急订单:未在生产计划内,业务临时追加的订单,简称急单。
4.0 职责PMC:负责生产计划的制定、生产指令下达、生产投料单的发放及退仓物料的签核;IQC:负责退仓物料的检验;仓库:按生产投料单备料、发料及超出投料单需求物料的调拨申请、退料接收、退料调拨的审核;SMT:按生产计划领料组织生产,结单退料、线边仓物料管理。
5.0程序5.1物料损耗根据公司生产情况和业界一般情况,SMT各类物料损耗率规定如下:A类物料:0‰B类物料:1‰C类物料:3‰以上损耗率按物料类别建入系统BOM,每次发料时直接发到工单。
5.2工单下达PMC以邮件的方式,发布未来两周的生产计划,原则上未来一周的生产计划不能变动,未来第二周的生产计划可以变动20%;生产计划的变动必须以书面的形式通知到仓库、制造、品质、工程。
PMC根据发布的生产计划,提前三天通过邮件滚动发布工单通知到仓库、制造、工程、品质,并同时打印一式四联的生产投料单,签署上线时间/日期和姓名后交仓库文员。
急单处理:紧急插单必须预留4小时仓库备料时间,除在投料单上写明上线时间/日期外,还需写明因此而可以延缓备料的工单。
5.3备料仓库文员收到生产投料单后,按物料属性将投料单分配给仓管员。
仓管员按单上写明的上线时间提前4小时备好料,如果没有写明上线时间/日期,仓管员可以将投料单退回PMC。
部分常用SMT封装建库规范§1分立器件一,贴装电容(chip)1.一般陶瓷电容:陶瓷电容的基本尺寸和类型:封装型号(INCH) 封装型号(METRIC)L S W H min maxnom min max maxC0402 C1005 、C0603 C1608 、C0805 C2012 、、C1206 C3216 3C1210 C3225 /C1808 /C1812 2C1825 6C2220 6C2225 6 2(mm)标准焊盘:1.2.1 回流焊标准焊盘:2.2.1回流焊标准焊盘:(mm/mils)二,贴装电阻(Chip)1.一般电阻:1.2.1回流焊标准焊盘三,贴装电感(chip)1.一般电感:四,贴装二极管(chip)1.一般二极管:五,贴装保险管(chip)1.一般保险管:*H-holder 表示保险座。
标准焊盘暂无波峰焊相关标准。
六,贴装功率电感暂无相关标准焊盘。
六,贴装排阻§2 DISCRETE 封装八,SOT 小外形晶体封装§3 IC 封装九,SOP封装注:标记*部分为推荐值。
十,QFP封装#Pins 封装名称 A x B C x D X Y E32 QFP32-080-0707L 400 x 400 220 x 220/ 15 / 60 / 32 x x44QFP44-080-1010L570 x 570 315 x 315/ 15 / 60 / 32x xQFP44-080-1010M570 x 570 315 x 315/ 15 / 60 / 32x xQFP44-080-1010L-A500 x 500 315 x 315/ 15 / 60 / 32x xQFP44-080-1010M-A500 x 500 315 x 315/ 15 / 60 / 32x x48 QFP48-050-0707L390 x 390 217 x 217/ 10 / 60 / 20x xQFP48-080-1010L550 x 550 346 x 346/ 15 / 60 / 32x x十一,SOJ封装十二,PLCC封装。
SMT元件管理知识来料管理①.SMT密封包装湿度敏感元件库房储存条件要求:温度<30℃;湿度40%-60%RH。
②.接受物料需要确认物料是否在有效期间之内, 密封包装状况,若有不良进行反馈相关部门,如果超出有效期需烘烤具体要求参照<<SMT湿度敏感元件烘烤条件一般要求对照表>>. ③.物料发放生产线应遵循“先进先出”原则,尾数或散料包装优先发放(若2A——5A级湿度敏感元件发料后,剩余散料进行抽真空密封或放入防潮柜保存)。
④. 拆封时要小心, 拆封时在封口处1厘米左右开封,以便包装袋再次使用,同时干燥剂和湿度指示卡也要保存好,待料用完退货仓。
⑤.拆封散料发放给生产线的湿度敏感元件必须粘贴好“湿度敏感元件时间控制标签”,并填写好暴露于空气的日期和时间(即拆封时间),标签要贴于显眼的地方。
⑥. 拆封检查包装袋内的湿度指示卡,2A——4A级湿度敏感元件湿度10%RH(4级以上湿度敏感元件湿度5%RH)和PCB湿度20%RH的旁边色标颜2222色是深蓝色表示OK;如果旁边的色标颜色是粉红色需要烘烤,则此元件必须按要求烘烤好,才能发放生产线使用。
⑦.生产线上退回的己拆封散装湿度敏感元件物料需放入湿度10%RH以下的防潮柜中(或真空包装袋中)储存,料盘上或(真空包裝袋外)粘贴有湿气敏感元件拆封管制标签﹐并已证明曝露时间和其它相关信息.生产线⑴生产线应该将湿度敏感元件储存在防潮柜(真空包装除外)中,防潮柜设定要求:2A——5A级湿度敏感元件储存条件控制在10%RH范围以下.1A——2A级湿度敏感元件储存条件控制在20%RH-60%RH范围内。
⑵物料员接受物料需要确认物料是否在有效期间之内, 密封包装状况,不良进行反馈相关部门,如果超出有效期需烘烤或退回仓库, 烘烤具体要求参照<< SMT湿度敏感元件烘烤条件一般要求对照表>>.⑶物料上线前﹐物料员需要检查核对物料的数量,料号,规格描述,品牌等是否一致;如有物料少装或混料退回仓库并指出和反馈给相关部门.⑷作业员在需要生产时将真空包装打开﹔如发现真空包装不良或非原厂包装且未标示曝露时间,请通知领班处理;⑸生产线的湿度敏感元件不立即用于生产时禁止拆封;拆封后应及时在料盘上粘贴HSC 时间控制标签,并要填写好拆封日期和时间以及返回烘烤箱的日期和时间。
SMT元器件布局的要求元器件布局要满足SMT生产工艺的要求。
由于设计所引起的产品质量问题在生产中是很难克服的;因此,PCB设计工程师要了解基本的SMT工艺特点,根据不同的工艺要求进行元器件布局设计,正确的设计可以焊接缺陷到最低。
在进行元器件布局时要考虑以下几点:PCB上元器件分布应尽可能地均匀;大质量器件再流焊时热容量较大,因此,布局上过于集中容易造成局部温度低而导致假焊;大型器件的四周要留一定的维修空隙(留出SMD返修设备加热头能够进行操作的尺寸);功率器件应均匀地放置在PCB边缘或机箱内的通风位置上;单面混装时,应把贴装和插装元器件布放在A面;采用双面再流焊混装时,应把大的贴装和插装元器件布放在A面,PCB A、B两面的大器件要尽量错开放置;采用A面再流焊,B面波焊混装时,应把大的贴装和插装元器件布放在A面(再流焊),适合于波峰焊的矩形、圆柱形片式组件、SOT和较小的SOP(引脚数小于28,引脚间距1mm以上)布放在B面(波峰焊接面)。
波峰焊接面上不能安放四边有引脚的器件,如,QEP、PLCC等;波峰焊接面上元器件封装必须能承受260度以上温度并是全密封型的;贵重的元器件不要布放在PCB的角、边缘,或靠近接插件、安装孔、槽、拼板的切割、豁口和拐角等处,以上这些位置是印制板的高应力区,容易造成焊点和元器件的开裂或裂纹。
波峰焊接组件的方向所有的有极性的表面贴装组件在可能的时候都要以相同的方向放置。
在任何第二面要用波峰焊接的印制板装配上,在该面的组件首选的方向如图2所示。
使用这个首选方向是要使装配在退出焊锡波峰时得到的焊点质量最佳。
在排列组件方向时应尽量做到:(1) 所有无源组件要相互平行;(2) 所有SOIC要垂直于无源组件的长轴;(3) SOIC和无源组件的较长轴要互相垂直;(4) 无源组件的长轴要垂直于板沿着波峰焊接机传送带的运动方向。
(5) 当采用波峰焊接SOIC等多脚组件时,应于锡流方向最后两个(每边各1)焊脚处设置窃锡焊盘,防止连焊。
SMT物料存放使用及管理规范一、引言SMT(Surface Mount Technology)是一种表面贴装技术,广泛应用于电子制造行业。
在SMT生产过程中,对物料的存放、使用和管理有着严格的要求。
本文将详细介绍SMT物料的存放、使用及管理规范,以确保生产线的正常运行和物料的有效管理。
二、物料存放规范1.物料区划:根据物料的性质和用途,将物料分成不同的区域存放,如原材料区、半成品区、成品区等。
不同的区域要有明显的标识,以便员工辨认。
2.温湿度控制:根据物料的要求,对存放区域的温度和湿度进行控制,避免物料受潮、变质或老化。
通常要求温度控制在20-25℃,相对湿度控制在40-60%之间。
3.防尘和防静电:物料存放区域要保持清洁,并采取防尘和防静电措施。
使用除尘器定期清洁工作空间,避免灰尘和静电对物料造成损害。
4.标识和包装:将物料标识清楚,并按照标准的包装方式进行包装,以保护物料的完整性和质量。
标识应包括物料名称、规格、批号、生产日期等信息。
三、物料使用规范1.先进先出:对于具有有效期的物料,要按先进先出的原则使用,确保物料的新鲜度和有效性。
定期检查物料库存,将即将过期的物料优先使用或进行处理。
2.计量准确:使用物料时,要根据工艺要求按准确的用量使用。
使用精确的计量工具,确保物料的使用量准确无误。
3.防止混淆:不同类型、规格和性质的物料要分开存放和使用,避免混淆和交叉污染。
在使用物料前,要核对物料的名称、规格和批号等信息。
4.反馈信息:在使用物料过程中,如发现物料存在问题或缺陷,应及时向上级汇报,并记录相关信息。
及时反馈问题有助于提高对物料质量的管理和改进。
四、物料管理规范1.入库管理:对于进入SMT生产线的物料,要严格进行入库管理。
进行检验、验收和记录,确保物料的质量和数量与采购要求相符。
2.库存管理:建立完善的物料库存管理制度,包括库存盘点、库存清单、库存报废等。
定期进行库存盘点,保持库存数量准确无误。
封装仓库管理制度第一章总则为规范仓库管理工作,提高仓库管理水平,确保物资安全、准确、及时供应,根据《中华人民共和国物资管理条例》等相关法规,结合本单位实际情况,制定本制度。
第二章仓库管理组织机构一、管理层设立仓库管理机构,负责仓库日常管理,领导和协调仓库管理工作。
二、责任人员1、仓库主管:全面负责仓库管理工作,对仓库内的货物、库房的整洁卫生、货物的保管安全、编制货物管理制度负责。
2、仓库管理员:全面负责仓库货物的进出库、盘点、清点、整理工作。
3、监察员:对仓库工作进行监督检查,确保仓库管理制度得到贯彻执行。
第三章仓库管理制度一、货物及资料的管理1、货物收发管理:仓库主管要做好各类货物的收发登记工作。
收货和发货时要认真核对货物名称、数量,标记清晰,分类摆放。
2、货物盘点:仓库主管要按照计划进行货物盘点,确保库存数量与实际盘点数量一致。
3、货物整理:仓库管理员要经常对库房货物进行整理,确保货物摆放整齐、标签清晰,方便查找和管理。
4、货物分类:仓库主管根据货物性质、规格等因素分门别类摆放,制定货物分类标准,确保货物整齐分类。
二、仓库日常管理1、仓库环境:保持仓库整洁卫生,确保无杂物、无异味,防止仓库内发生潮湿、受潮等现象。
2、货架管理:对仓库货架、货物垛位进行定期检查维护,确保货架的稳固性和安全性。
3、安全管理:严格执行仓库安全制度,做好防火、防爆、防盗等安全工作。
4、设备管理:对仓库设备进行定期保养和维修,确保设备的正常使用。
5、库存保管:对库存商品严格把关,保证售后商品质量,合理分发,避免滞销现象。
6、物资消耗:严格按照物资消耗计划,避免物资浪费。
7、异常处理:对货物损坏、过期、变质等异常情况保持记录,及时处理。
三、进出库管理1、货物出库:货物出库需经过审批程序,依据《物资管理条例》执行;对于重要物资出库,必须有领导签字批准。
2、货物入库:严格执行入库手续,确保货物的准确、及时入库。
3、货物运输:对货物运输进行严格管理,确保货物不损坏、不丢失。
smt物料管理规范物料管理是制造业中非常重要的一个环节,尤其对于表面贴装(Surface Mount Technology,简称SMT)行业来说更是至关重要。
合理、规范的物料管理能够提高生产效率、保证产品质量,减少浪费和成本。
本文将介绍SMT物料管理规范,以帮助企业优化生产流程,提升竞争力。
一、物料分类与存储在SMT生产中,物料覆盖了各式各样的元器件、贴片、贴片胶等,对物料进行科学的分类和存储是确保生产线正常运行的基础。
下面是常见物料的分类和存储要求:1. 元器件:将元器件按类型分别存放在专门标识的仓库中。
仓库要保持干燥、通风,并且防尘。
元器件应采取防静电措施,如在贮存架、抽屉等地方铺设防静电垫或使用防静电袋,避免静电产生损坏元器件。
2. 贴片:根据不同尺寸的贴片,采取相应的存储方式。
小尺寸贴片可使用专门的贴片盘进行存放,按照规定的方向整齐排列。
中大尺寸贴片宜采用贴片架进行存放,以防止贴片变形或损坏。
3. 贴片胶:贴片胶需存放在避光、阴凉、无腐蚀性气体的环境中,避免受潮、高温、阳光直射等因素的影响。
二、物料进出库管理物料进出库的管理对于SMT生产线的运行效率和产品质量至关重要。
以下是物料进出库管理方面的规范:1. 物料进库:对于新进的物料,要进行详细的验收,包括产品品牌、型号、数量、封装是否完好等信息核对,确保符合要求后方可入库。
并及时更新库存记录,以便后续查询和统计。
2. 物料出库:根据生产计划和各工序所需物料清单,按照先进先出(FIFO)原则出库。
在出库时,需核对物料信息并填写相应的出库记录,以方便追溯和盘点。
3. 盘点管理:定期对物料库存进行盘点,确保库存准确无误,并进行相应的调整。
盘点过程中,要注意标识好近效期的物料,并采取合适的措施防止过期物料的使用。
三、物料使用与追溯对于SMT生产线而言,物料的使用和追溯是确保产品质量的关键环节。
以下是物料使用和追溯方面的规范:1. 物料使用:在生产过程中,严格按照工艺要求使用相应的物料,不得随意更换或替代。
【干货】电子制造企业《SMT仓库管理规范》作业指导书1.0目的通过建立仓库管理制度,指导和规范仓库人员日常作业行为,预防库存物料有所损失,提高工作效率。
保障SMT与仓库之间物料作业顺畅,使SMT物料的发放、退仓作业有序进行,制定此作业规范。
2.0范围适用于SMT仓库管理。
适用于SMT物料的准备、发放、领用、退仓等。
3.0 定义/参考A类物料:SMT使用的IC、Mosfit等高价值物料;B类物料:SMT使用的二极管、三极管等物料;C类物料:贴片电阻、贴片电容(Chip)类物料;紧急订单:未在生产计划内,业务临时追加的订单,简称急单。
4.0 职责PMC:负责生产计划的制定、生产指令下达、生产投料单的发放及退仓物料的签核;IQC:负责退仓物料的检验;仓库:按生产投料单备料、发料及超出投料单需求物料的调拨申请、退料接收、退料调拨的审核;SMT:按生产计划领料组织生产,结单退料、线边仓物料管理。
5.0程序5.1物料损耗根据公司生产情况和业界一般情况,SMT各类物料损耗率规定如下:A类物料:0‰B类物料:1‰C类物料:3‰以上损耗率按物料类别建入系统BOM,每次发料时直接发到工单。
5.2工单下达PMC以邮件的方式,发布未来两周的生产计划,原则上未来一周的生产计划不能变动,未来第二周的生产计划可以变动20%;生产计划的变动必须以书面的形式通知到仓库、制造、品质、工程。
PMC根据发布的生产计划,提前三天通过邮件滚动发布工单通知到仓库、制造、工程、品质,并同时打印一式四联的生产投料单,签署上线时间/日期和姓名后交仓库文员。
急单处理:紧急插单必须预留4小时仓库备料时间,除在投料单上写明上线时间/日期外,还需写明因此而可以延缓备料的工单。
5.3备料仓库文员收到生产投料单后,按物料属性将投料单分配给仓管员。
仓管员按单上写明的上线时间提前4小时备好料,如果没有写明上线时间/日期,仓管员可以将投料单退回PMC。
紧急投料单在PMC注明的时间前备好料,前提是PMC需提前4小时下达投料单。
smt库房管理制度范文SMT库房管理制度第一章总则为规范SMT库房的管理,确保电子产品的存储、保管和使用的安全性、有效性和可追溯性,特制定本管理制度。
第二章库房管理的基本原则2.1 安全原则库房管理应始终将安全放在首位,做到安全第一,确保库房内物品和人员的安全。
2.2 规范原则库房管理应遵守相关法律、法规和公司规章制度,形成规范的管理流程和操作规程。
2.3 效率原则库房管理要提高工作效率,合理配置库存,减少资金占用和浪费,提高工作效益。
2.4 环保原则库房管理要注重环保,合理使用资源,降低对环境的影响,推动绿色仓储。
第三章库房管理的组织结构和职责3.1 库房管理员3.1.1 应具备相关的技术和管理能力。
3.1.2 负责库房内物料的日常管理、库存记录和更新。
3.1.3 负责库房内设备和仪器的维护和保养。
3.1.4 负责制定库房管理制度和规范,并做好宣贯工作。
3.2 监督人员3.2.1 应具备一定的技术和管理能力。
3.2.2 负责对库房管理工作进行监督和检查。
3.2.3 及时发现问题,提出改进意见和措施。
3.3 使用人员3.3.1 应按照库房管理制度和规范,合理使用库房内物品。
3.3.2 应按照物品分类、标注、储存要求正确放置物料。
3.3.3 不得私自借用库房内的物料或非法取走物料。
第四章库房的布局和设备4.1 库房的布局4.1.1 库房应位于无毒害、无腐蚀、无辐射和无易燃易爆危险物质的区域。
4.1.2 库房内应设立合理的物料储存区域和通道,确保物料的存储、保管和使用的便利性。
4.2 库房的设备4.2.1 库房应根据实际需求配置必要的设备,如储物柜、物料架、叉车等。
4.2.2 设备应定期进行检查和保养,确保其正常运行,减少故障发生的可能。
第五章库存管理5.1 库存的管理流程5.1.1 库房管理人员应按照公司的采购计划和要求,准确对库存进行记录。
5.1.2 库房管理人员应根据库存情况,合理安排物料的储存位置,确保易用易取。
部分常用SMT封装建库规§1分立器件一,贴装电容(chip)1.一般陶瓷电容:1.1陶瓷电容的基本尺寸和类型:封装型号(INCH)封装型号(METRIC)L S W Hmin max nom min max max C0402 C1005 0.9 1.1 0.30、0.40 0.4 0.56 0.95 C0603 C1608 1.45 1.75 0.50、0.70 0.65 0.95 0.95 C0805 C2012 1.8 2.2 0.50、0.70、0.75 1.05 1.45 1.35 C1206 C3216 3 3.4 1.5 1.4 1.8 1.75 C1210 C3225 2.9 3.5 / 2.3 2.7 1.7 C1808 4.32 4.82 / 1.78 2.28 2.54(mm)C1812 4.1 4.9 2 2.9 3.5 2.54 C1825 4.2 4.8 3.3 6 6.8 1.7 C2220 5.2 6 4.4 4.6 5.4 1.8 C2225 5.2 6 4.4 5.9 6.7 21.2标准焊盘:1.2.1 回流焊标准焊盘:(mm/mils)封装类型X Y CC0402 0.63 / 25 0.50 / 20 1.00 / 40C0603 0.89 / 35 0.80 / 32 1.52 / 60C0805 1.10 / 45 1.27 / 50 1.78 / 70C1206 1.40 / 55 1.60 / 63 2.80 / 110C1210 1.40 / 55 2.40 / 92 2.80 / 110C1808 1.50 / 60 2.00 / 80 4.60 /C1812 1.50 / 60 3.20 / 125 4.60 /1.2.2波峰焊标准:(mm/mils)2.一般钽电解电容:2.1钽电容的基本尺寸和类型:型号封装型号L S W1 W2 H1 H2 min max min max min max min max max maxA C3216 3 3.4 1.1 1.8 1 1.4 1.5 1.8 0.4 2.1B C3528 3.3 3.7 1.4 2.2 2 2.4 2.6 3 0.5 2.1C C6032 5.7 6.3 2.9 3.7 1.9 2.5 2.9 3.5 0.9 2.8D C7343 7 7.6 4.4 5 2.2 2.6 4 4.6 0.9 3.12.2标准焊盘:2.2.1回流焊标准焊盘:(mm/mils)2.2.2 波峰焊标准焊盘:(mm/mils)二,贴装电阻(Chip)1.一般电阻:1.1电阻的基本尺寸和类型:封装类型L S W H min max min max min max max R0402 0.95 1.05 0.53 0.68 0.45 0.55 0.4 R0603 1.45 1.75 0.75 1.65 0.65 0.95 0.6 R0805 1.8 2.15 1 1.6 1.15 1.35 0.65 R1206 2.95 3.4 2 2.6 1.4 1.8 0.7 R1210 3 3.4 2.2 2.6 2.4 2.8 0.7 R2010 4.8 5.2 4 4.4 2.3 2.7 0.7R2512 6.1 6.5 5.3 5.7 2.9 3.3 0.7 R3218 7 8 4.2 5.2 4.2 4.8 2.3 R4732 11.5 12.5 8.5 9.5 7.7 8.3 4.51.2标准焊盘:1.2.1回流焊标准焊盘(mm/mils)封装名称X Y CR0402 0.63 / 25 0.50 / 20 1.00 / 40R0603 0.76 / 30 0.80 / 32 1.52 / 60R0805 1.00 / 40 1.20 / 45 2.00 / 80R1206 1.40 / 55 1.60 / 63 2.80 / 110R1210 1.40 / 55 2.40 / 92 2.80 / 110R2010 1.52 / 60 2.54 / 100 5.40 / 210R2512 1.52 / 60 3.20 / 125 6.60 / 260R3218 2.28 / 90 4.00 / 150 7.40 / 2901.2.1波峰焊标准焊盘(mm/mils)三,贴装电感(chip)1.一般电感:1.1贴装电感基本尺寸和类型L S W H 封装类型min max min max min max max L0603 1.45 1.75 0.85 1.15 0.65 0.95 0.95 L0805 1.7 2.3 0.7 1.3 1.05 1.73 1.78 L0906 1.95 2.45 1.04 1.3 1.55 1.37 L1008 2.92 1.8 2.2 2.54 L1206 3 3.56 2.03 1.4 1.8 1.93 L1210 2.9 3.5 1.5 2.3 2.7 2.5 L1810 4.95 3.25 2.54 3.05 L1812 4.2 4.8 3 3.4L2220 5.4 6 4.7 5.31.2标准焊盘:1.2.1回流焊标准焊盘:封装名称X Y C L0603 0.76 / 30 0.80 / 32 1.52 / 60L0805 1.00 / 40 1.27 / 50 1.78 / 70L0906 1.00 / 40 2.54 / 100 1.78 / 70 ( C' 1.00 /40 )L1008 1.40 / 55 2.03 / 80 2.54 / 100L1206 1.40 / 55 1.60 / 63 2.80 / 110L1210 1.40 / 55 2.40 / 92 2.80 / 110L1810 1.50 / 60 2.54 / 100 4.60 /L1812 1.50 / 60 3.20 / 4.40 / 172L2220 1.90 / 70 5.00 / 200 5.59 / 220四,贴装二极管(chip)1.一般二极管:1.1贴装二极管基本尺寸和类型.(含LED)封装名称L S W Hmin max nom min max max D0805 1.8 2.2 1.2 1.05 1.45 1.1 D1206 3 3.4 2 1.3 1.7 1.3 D1714 4.06 4.7 3 3.3 3.94 2.44 D2723 6.6 7.11 5.5 5.59 6.22 2.411.2标准焊盘:1.2.1回流焊标准焊盘:封装类型X Y CD0805 1.00 / 40 1.27 / 50 2.29 / 90D1206 1.40 / 55 1.60 / 63 3.00 / 120D1714 2.00 / 80 3.00 / 120 4.10 / 160D2723 2.80 / 110 3.80 / 150 7.20 / 280五,贴装保险管(chip)1.一般保险管:1.1贴装保险管基本尺寸和类型.(含保险座)封装类型L S W Hmin max nom min max max F6127 6.1 3.2 2.69 2.69 F9750H* 9.73 5.03 3.81 *H-holder 表示保险座。
1.2 标准焊盘1.2.1回流焊标准焊盘:封装名称X Y CF6127 2.29 / 90 3.18 / 125 5.00 / 200F9750H 4.24 / 167 3.81 / 150 6.35 / 2501.2.2波峰焊标准焊盘:暂无波峰焊相关标准。
六,贴装功率电感1 贴装功率电感基本尺寸和类型.L N B A H 封装类型min max min max min max min max max L0404 1.5 3.7 4.3 4.2 4.8 3.5L0505 2 2.5 4.7 5.2 5 5.6 5.5 6.1 4.85 L0707 2 6.7 7.3 7.5 8.1 4 L0604 4.83 1.27 4.45 6.6 2.92 L1209 7.62 2.54 9.4 12.95 5.08 L1815 12.7 2.54 15.26 18.54 7.112.标准焊盘2.1回流焊标准焊盘:封装类型X Y C BL0404 1.78 / 70 4.45 / 175 3.30 / 130L0505 2.29 / 90 5.00 / 200 4.06 / 160L0707 3.30 / 130 7.50 / 200 5.00 / 200L0604 2.00 / 80 1.40 / 55 6.00 / 236 5.00 /L1209 4.00 / 158 2.80 / 110 11.00 / 438 10.00 / 400L1815 4.00 / 158 2.80 / 110 15.20 / 600 15.60 / 615 2.2 波峰焊标准焊盘:暂无相关标准焊盘。
六,贴装排阻1 贴装排阻基本尺寸和类型.(mm)封装类型X1 X2 P T H A Bnom min max nom min max max min max min max RN8-1608 0.35 0.65 0.8 0.15 0.45 0.6 1.4 1.8 3 3.4 RN8-2012 0.75 1.05 1.27 0.25 0.55 0.7 1.8 2.2 4.7 5.4 RN8-3212 0.75 1.05 1.27 0.35 0.65 0.7 3 3.4 4.7 5.4 RN10-1606 0.5 0.3 0.4 0.64 0.35 0.55 0.7 1.5 1.8 3.2 3.4 RN10-3212 1.1 0.75 1.05 1.27 0.35 0.65 0.7 3 3.4 6.2 6.6 2标准焊盘2.1回流焊标准焊盘:(mm/mils)§2 DISCRETE 封装八,SOT 小外形晶体封装1.SOT23外形尺寸。
L W T A B H P 封装类型min max min max min max min max min max max nom SOT23-1 2.1 2.6 0.35 0.54 0.2 0.6 1.2 1.4 2.8 3.1 1.2 0.95 SOT23-1A 2 2.2 0.2 0.4 0.43 1.15 1.35 1.8 2.2 1 0.65 SOT23-1B 1.4 1.8 0.15 0.3 0.7 0.9 1.4 1.8 0.8 0.5 SOT23-2 2.1 2.6 0.35 0.54 0.2 0.6 1.2 1.4 2.8 3.1 1.2 0.95 SOT23-2A 2 2.2 0.2 0.4 0.43 1.15 1.35 1.8 2.2 1 0.65 SOT23-2B 1.4 1.8 0.15 0.3 0.7 0.9 1.4 1.8 0.8 0.51.1 SOT23标准焊盘:1.2 回流焊标准焊盘:封装类型X Y C ESOT23-1 0.70 / 28 1.00 / 40 2.30 / 90 1.90 / 75 SOT23-1A 0.50 / 20 1.00 / 40 2.00 / 78 1.30 / 50 SOT23-1B 0.40 / 16 0.80 / 32 1.80 / 70 1.00 / 40 SOT23-2 0.70 / 28 1.00 / 40 2.30 / 90 1.90 / 75 SOT23-2A 0.50 / 20 1.00 / 40 2.00 / 78 1.30 / 50 SOT23-2B 0.40 / 16 0.80 / 32 1.80 / 70 1.00 / 401.3 波峰焊标准焊盘封装类型X Y C ESOT23-1 1.27 / 50 1.50 / 60 2.54 / 100 2.20 / 90 2.SOT89外形尺寸。