常用SMT元件封装
- 格式:docx
- 大小:760.16 KB
- 文档页数:9
SMT贴片元器件封装类型的识别封装类型是元件的外观尺寸和形状的集合,它是元件的重要属性之一。
相同电子参数的元件可能有不同的封装类型。
厂家按照相应封装标准生产元件以保证元件的装配使用和特殊用途。
由于封装技术日新月异且封装代码暂无唯一标准,本指导只给出通用的电子元件封装类型和图示,与SMT工序无关的封装暂不涉及。
1、常见SMT封装以公司内部产品所用元件为例,如下表:通常封装材料为塑料,陶瓷。
元件的散热部分可能由金属组成。
元件的引脚分为有铅和无铅区别。
2、SMT 封装图示索引以公司内部产品所用元件为例,如下图示:名称 图示常用于 备注Chip电阻,电容,电感MLD钽电容,二极管CAE铝电解电容Melf圆柱形玻璃二极管,电阻(少见)SOT三极管,效应管JEDEC(TO) EIAJ(SC)TO电源模块 JEDEC(TO)OSC晶振Xtal晶振SOD 二极管JEDEC SOIC 芯片,座子SOP 芯片前缀:S:Shrink T:ThinSOJ 芯片PLCC 芯片含LCC座子(SOCKET)DIP 变压器,开关QFP 芯片BGA 芯片塑料:P 陶瓷:CQFN 芯片SON芯片3、常见封装的含义1、BGA(ball grid array):球形触点陈列表面贴装型封装之一。
在印刷基板的背面按陈列方式制作出球形凸点用以代替引脚,在印刷基板的正面装配LSI芯片,然后用模压树脂或灌封方法进行密封。
也称为凸点陈列载体(PAC)。
引脚可超过200,是多引脚LSI用的一种封装。
封装本体也可做得比QFP(四侧引脚扁平封装)小。
例如,引脚中心距为1.5mm 的360 引脚BGA 仅为31mm 见方;而引脚中心距为0.5mm的304 引脚QFP 为40mm 见方。
而且BGA 不用担心QFP 那样的引脚变形问题。
该封装是美国Motorola公司开发的,首先在便携式电话等设备中被采用。
2、DIL(dual in-line):DIP的别称(见DIP)。
SMT贴片电子元器件封装尺寸汇总贴片电子元器件是一种常见的表面安装技术(SMT)组装之外,广泛应用于各种电子产品中。
贴片电子元器件封装尺寸的选择对于组装和排布电路板具有重要的影响。
在这篇文章中,我们将汇总常见的贴片电子元件封装尺寸,并对其应用领域和特点进行简要介绍。
1.贴片电阻(0805、0603、0402、0201等):贴片电阻是最常见的贴片电子元件之一,尺寸包括0805(2.0mm x1.25mm)、0603(1.6mm x 0.8mm)、0402(1.0mm x 0.5mm)和0201(0.6mm x 0.3mm)等等。
较大尺寸的贴片电阻通常用于电源线路和信号线路,较小尺寸的贴片电阻适用于高密度电子产品。
2.贴片电容(0805、0603、0402、0201等):贴片电容与贴片电阻类似,尺寸也包括0805、0603、0402和0201等等。
贴片电容主要用于储存和释放电荷,广泛应用于电源滤波、信号耦合和信号处理等电路。
3.贴片二极管(SOD-323、SOD-523等):贴片二极管是一种小尺寸的电子元件,尺寸包括SOD-323(1.8mm x 1.25mm)和SOD-523(1.0mm x 0.6mm)等等。
它们通常用于电路的整流、保护和信号处理等方面。
4.贴片三极管(SOT-23、SOT-323等):贴片三极管是一种常用的功率放大器,尺寸包括SOT-23(3.0mm x1.78mm)和SOT-323(1.3mm x 1.0mm)等等。
它们通常用于音频放大、电源管理和电压调节等应用中。
5.贴片集成电路(SOT-23、SOT-363、QFN等):贴片集成电路是封装了多个功能的电子组件,尺寸和引脚布局因不同的集成电路类型而异。
常见的尺寸包括SOT-23、SOT-363和QFN等等。
它们广泛应用于数据处理、通信系统、嵌入式系统和功率管理等领域。
6.贴片场效应管(SOT-23、SOT-223、QFN等):贴片场效应管是一种广泛应用于功率开关、电源管理和放大器等应用的电子元件,尺寸包括SOT-23、SOT-223和QFN等等。
SMT准则元件封装资料SMT(表面贴装技术)准则是指用于电子元器件表面贴装的标准和规范。
这些准则用于确保元件正确放置在PCB(Printed Circuit Board,印刷电路板)上,并确保它们在焊接过程中能够正常连接。
1. 封装规范:SMT准则要求元件的封装规范必须符合IPC(Institute of Printed Circuits)的标准。
IPC标准对于不同类型的元件有不同的要求,包括引脚距离、封装尺寸、引脚排列、外形等方面。
封装规范的正确性对于确保元件能够正确放置在PCB上非常重要。
2.引脚规格:SMT准则要求元件的引脚规格必须清晰明确。
引脚规格包括引脚的位置、尺寸、形状等。
清晰的引脚规格能够帮助生产人员正确放置元件,同时也有助于避免焊接错误或损坏元件。
3.焊脚镀金:SMT准则要求元件的焊脚必须进行镀金处理。
焊脚的镀金能够防止氧化和腐蚀,同时也有助于提供良好的焊接性能。
镀金的处理可以采用不同的方法,如金属覆盖、电镀等。
4.封装材料:SMT准则要求封装材料必须符合环保要求。
IPC标准对于封装材料的使用有明确的规定,包括限制了一些有害物质的使用。
这些规定有助于保护环境和人类健康。
5.封装设计:SMT准则要求元件的封装设计必须合理。
合理的封装设计能够提供良好的热管理和电性能,同时也有助于减少对PCB布局的限制。
封装设计中的一些关键因素包括散热区域设计、引脚翻转设计、引脚间隔设计等。
6.封装可靠性测试:SMT准则要求对于封装的可靠性进行测试和验证。
可靠性测试可以包括焊接可靠性、温度循环测试、振动测试等。
这些测试有助于确保封装能够在不同的工作环境下正常运行,同时也有助于提供更长的使用寿命。
总结起来,SMT准则的元件封装资料包括封装规范、引脚规格、焊脚镀金、封装材料、封装设计和封装可靠性测试等。
这些资料对于确保元件能够正确放置在PCB上,并在焊接过程中能够正常连接起到至关重要的作用。
贴片电阻规格贴片电阻常见封装有9种,用两种尺寸代码来表示。
一种尺寸代码是由4位数字表示的EIA(美国电子工业协会)代码,前两位与后两位分别表示电阻的长与宽,以英寸为单位。
我们常说的0603封装就是指英制代码。
另一种是米制代码,也由4位数字表示,其单位为毫米。
下表列出贴片电阻封装英制和公制的关系及详细的尺寸:贴片元件的封装一、零件规格:(a)、零件规格即零件的外形尺寸,SMT发展至今,业界为方便作业,已经形成了一个标准零件系列,各家零件供货商皆是按这一标准制造。
标准零件之尺寸规格有英制与公制两种表示方法,如下表英制表示法1206 0805 0603 0402公制表示法3216 2125 1608 1005含义L:W:L:W:L:W:L:W:注:a、L(Length):长度; W(Width):宽度; inch:英寸b、1inch=(b)、在(1)中未提及零件的厚度,在这一点上因零件不同而有所差异,在生产时应以实际量测为准。
(c)、以上所讲的主要是针对电子产品中用量最大的电阻(排阻)和电容(排容),其它如电感、二极管、晶体管等等因用量较小,且形状也多种多样,在此不作讨论。
(d)、SMT发展至今,随着电子产品集成度的不断提高,标准零件逐步向微型化发展,如今最小的标准零件已经到了0201。
二、常用元件封装1)电阻:最为常见的有0805、0603两类,不同的是,它可以以排阻的身份出现,四位、八位都有,具体封装样式可参照MD16仿真版,也可以到设计所内部PCB库查询。
注:ABCD四类型的封装形式则为其具体尺寸,标注形式为L X S X H1210具体尺寸与电解电容B类3528类型相同0805具体尺寸: X X (公制表示法)1206具体尺寸: X 0X (公制表示法)2)电阻的命名方法1、5%精度的命名: RS – 05 K 102 JT2、1%精度的命名:RS – 05 K 1002 FTR -表示电阻S -表示功率0402是1/16W、0603是1/10W、0805是1/8W、1206是1/4W、1210是1/3W、1812是1/2W、2010是3/4W、2512是1W。
贴片电阻常见封装有9种,用两种尺寸代码来表示。
一种尺寸代码是由4位数字表示的EIA(美国电子工业协会)代码,前两位与后两位分别表示电阻的长与宽,以英寸为单位。
我们常说的0603封装就是指英制代码。
另一种是米制代码,也由4位数字表示,其单位为毫米。
下表列出贴片电阻封装英制和公制的关系及详细的尺寸:一、零件规格:(a)、零件规格即零件的外形尺寸,SMT发展至今,业界为方便作业,已经形成了一个标准零件系列,各家零件供货商皆是按这一标准制造。
标准零件之尺寸规格有英制与公制两种表示方法,如下表英制表示法1206 0805 0603 0402公制表示法3216 2125 1608 1005含义L:1.2inch(3.2mm)W:0.6inch(1.6mm)L:0.8inch(2.0mm)W:0.5inch(1.25mm)L:0.6inch(1.6mm)W:0.3inch(0.8mm)L:0.4inch(1.0mm)W:0.2inch(0.5mm)注:a、L(Length):长度;W(Width):宽度;inch:英寸b、1inch=25.4mm(b)、在(1)中未提及零件的厚度,在这一点上因零件不同而有所差异,在生产时应以实际量测为准。
(c)、以上所讲的主要是针对电子产品中用量最大的电阻(排阻)和电容(排容),其它如电感、二极管、晶体管等等因用量较小,且形状也多种多样,在此不作讨论。
(d)、SMT发展至今,随着电子产品集成度的不断提高,标准零件逐步向微型化发展,如今最小的标准零件已经到了0201。
二、常用元件封装1)电阻:最为常见的有0805、0603两类,不同的是,它可以以排阻的身份出现,四位、八位都有,具体封装样式可参照MD16仿真版,也可以到设计所内部PCB库查询。
注:ABCD四类型的封装形式则为其具体尺寸,标注形式为L X S X H 1210具体尺寸与电解电容B类3528类型相同0805具体尺寸:2.0 X 1.25 X 0.5(公制表示法)1206具体尺寸:3.0 X 1.5 0X 0.5(公制表示法)2)电阻的命名方法1、5%精度的命名:RS – 05 K 102 JT2、1%精度的命名:RS – 05 K 1002 FTR -表示电阻S -表示功率0402是1/16W、0603是1/10W、0805是1/8W、1206是1/4W、1210是1/3W、1812是1/2W、2010是3/4W、2512是1W。
SMD贴片元件的封装尺寸2010-09-29 11:28贴片电阻常见封装有9种,用两种尺寸代码来表示。
一种尺寸代码是由4位数字表示的EIA(美国电子工业协会)代码,前两位与后两位分别表示电阻的长与宽,以英寸为单位。
我们常说的0603封装就是指英制代码。
另一种是米制代码,也由4位数字表示,其单位为毫米。
下表列出贴片电阻封装英制和公制的关系及详细的尺寸:【SMD贴片元件的封装尺寸】公制:3216——2012——1608——1005——0603——0402英制:1206——0805——0603——0402——0201——01005注意:0603有公制,英制的区分公制0603的英制是英制0201,英制0603的公制是公制1608还要注意1005与01005的区分,1005也有公制,英制的区分英制1005的公制是公制2512公制1005的英制是英制0402像在ProtelDXP(Protel2004)及以后版本中已经有SMD贴片元件的封装库了,如CC1005-0402:用于贴片电容,公制为1005,英制为0402的封装CC1310-0504:用于贴片电容,公制为1310,英制为0504的封装CC1608-0603:用于贴片电容,公制为1608,英制为0603的封装CR1608-0603:用于贴片电阻,公制为1608,英制为0603的封装,与CC16-8-0603尺寸是一样的,只是方便识别。
【贴片电阻规格、封装、尺寸】(a)、零件规格即零件的外形尺寸,SMT发展至今,业界为方便作业,已经形成了一个标准零件系列,各家零件供货商皆是按这一标准制造。
标准零件之尺寸规格有英制与公制两种表示方法,如下表英制表示法1206 0805 0603 0402公制表示法3216 2125 1608 1005含义L:1.2inch(3.2mm)W:0.6inch(1.6mm)L:0.8inch(2.0mm)W:0.5inch(1.25mm)L:0.6inch(1.6mm)W:0.3inch(0.8mm)L:0.4inch(1.0mm)W:0.2inch(0.5mm)注:a、L(Length):长度;W(Width):宽度;inch:英寸b、1inch=25.4mm(b)、在(1)中未提及零件的厚度,在这一点上因零件不同而有所差异,在生产时应以实际量测为准。
SMD贴片元件的封装尺寸2010-09-29 11:28贴片电阻常见封装有9种,用两种尺寸代码来表示。
一种尺寸代码是由4位数字表示的EIA(美国电子工业协会)代码,前两位与后两位分别表示电阻的长与宽,以英寸为单位。
我们常说的0603封装就是指英制代码。
另一种是米制代码,也由4位数字表示,其单位为毫米。
下表列出贴片电阻封装英制和公制的关系及详细的尺寸:【SMD贴片元件的封装尺寸】公制:3216——2012——1608——1005——0603——0402英制:1206——0805——0603——0402——0201——01005注意:0603有公制,英制的区分公制0603的英制是英制0201,英制0603的公制是公制1608还要注意1005与01005的区分,1005也有公制,英制的区分英制1005的公制是公制2512公制1005的英制是英制0402像在ProtelDXP(Protel2004)及以后版本中已经有SMD贴片元件的封装库了,如CC1005-0402:用于贴片电容,公制为1005,英制为0402的封装CC1310-0504:用于贴片电容,公制为1310,英制为0504的封装CC1608-0603:用于贴片电容,公制为1608,英制为0603的封装CR1608-0603:用于贴片电阻,公制为1608,英制为0603的封装,与CC16-8-0603尺寸是一样的,只是方便识别。
【贴片电阻规格、封装、尺寸】英制公制长(L)(i(nch)mm)(mm)宽(W)(mm)高(t)(mm)a(mm)b(mm)0."60±0."050."30±0."050."23±0."050."10±0."050."15±0."051."00± 0." 100."50± 0." 100."30± 0." 100."20± 0." 100."25± 0." 081."60± 0." 150."80± 0." 150."40± 0." 100."30± 0." 200."30± 0." 122."00±0." 201."25± 0." 150."50± 0." 100."40± 0." 200."40± 0." 163."20± 0." 201."60± 0." 150."55± 0." 100."50± 0." 200."50± 0." 253."20± 0."202."50± 0." 200."55± 0." 100."50± 0." 200."50± 0." 324."50± 0." 203."20± 0." 200."55± 0." 100."50± 0." 200."50± 0." 5."00± 0." 202."50±0."200."55±0."100."60±0."200."60±0."326."40±0."203."20±0."200."55±0."100."60±0."200."60±0."20一、零件规格:(a)、零件规格即零件的外形尺寸,SMT发展至今,业界为方便作业,已经形成了一个标准零件系列,各家零件供货商皆是按这一标准制造。
片式电阻(Chip-R) 片式磁珠(Chip Bead
)
注:L(Length):长度W(Width):宽度
D(Diameter
):长度W Width):宽度
SOT-323 SOT-353 SOT-363
3 L 5 L
4 L7 L
之间的间距不一样,而呈现出各种各样的形状。
简称PLCC)、多端子的方形平封装(Guad Fiat Package,
简称BGA)、CSP(Chip Scakage )以及
473
1003 1002
1R2 1R20 R22 R075
R 22 R 075
第一部分的每一条色环都是等距,自成一组,容易和第二部分的色环区分。
:第一、二环分别代表两位有效数的阻值;第三环代表倍率;第四环代表误差。
举例如下: 此电阻为四个色环分别是棕、黑、红、金,分二部分: 第一部分:第一、二环为棕、黑分别表示有效数1 、0 ;第三环为红表示倍率
第二部分:即第四环为金,表示误差±5% 误差等级J 。
如果第五环为黑色,一般用来表示为绕线电阻器,第五环如为白色,一般用来表示为保险丝电阻器。
如果电阻体只有中间一条黑色的色环,则代表此电阻为零欧姆电阻。
晶圆电阻(Melf-R )
第二部分
第一部分
钽电容(Chip Cap)
片式磁珠(Chip Bead)
片式电感(Chip Inductors)。
贴片电阻常见封装贴片电阻常见封装有9种,用两种尺寸代码来表示。
一种尺寸代码是由4位数字表示的EIA(美国电子工业协会)代码,前两位与后两位分别表示电阻的长与宽,以英寸为单位。
我们常说的0603封装就是指英制代码。
另一种是米制代码,也由4位数字表示,其单位为毫米。
下表列出贴片电阻封装英制和公制的关系及详细的尺寸:标准零件之尺寸规格有英制与公制两种表示方法,如下表英制表示法1206 0805 0603 0402公制表示法3216 2125 1608 1005含义L:1.2inch(3.2mm)W:0.6inch(1.6mm)L:0.8inch(2.0mm)W:0.5inch(1.25mm)L:0.6inch(1.6mm)W:0.3inch(0.8mm)L:0.4inch(1.0mm)W:0.2inch(0.5mm)注:a、L(Length):长度;W(Width):宽度;inch:英寸b、1inch=25.4mm(b)、在(1)中未提及零件的厚度,在这一点上因零件不同而有所差异,在生产时应以实际量测为准。
(c)、以上所讲的主要是针对电子产品中用量最大的电阻(排阻)和电容(排容),其它如电感、二极管、晶体管等等因用量较小,且形状也多种多样,在此不作讨论。
(d)、SMT发展至今,随着电子产品集成度的不断提高,标准零件逐步向微型化发展,如今最小的标准零件已经到了0201。
二、常用元件封装1)电阻:最为常见的有0805、0603两类,不同的是,它可以以排阻的身份出现,四位、八位都有,具体封装样式可参照MD16仿真版,也可以到设计所内部PCB库查询。
注:ABCD四类型的封装形式则为其具体尺寸,标注形式为L X S X H1210具体尺寸与电解电容B类3528类型相同0805具体尺寸:2.0 X 1.25 X 0.5(公制表示法)1206具体尺寸:3.0 X 1.5 0X 0.5(公制表示法)2)电阻的命名方法1、5%精度的命名:RS – 05 K 102 JT2、1%精度的命名:RS – 05 K 1002 FTR -表示电阻S -表示功率0402是1/16W、0603是1/10W、0805是1/8W、1206是1/4W、1210是1/3W、1812是1/2W、2010是3/4W、2512是1W。
1、SMT 表面封装元器件图示索引(完善)名称 图示 常用于备注Chip电阻,电容,电感 片式元件MLD :Molded Body钽电容,二极管模制本体元件CAE :Aluminum Electrolytic Capacitor铝电解电容有极性Melf :MetalElectrode Face圆柱形玻璃二极管,电阻(少见)二个金属电极SOT :Small Outline Transistor三极管,效应管小型晶体管JEDEC(TO) EIAJ(SC)TO :Transistor Outline电源模块晶体管外形的贴片元件 JEDEC(TO)OSC : Oscillator晶振 晶体振荡器Xtal :Crystal晶振 二引脚晶振SOD:SmallOutlineDiode二极管小型二极管(相比插件元件)JEDEC SOIC:SmallOutline IC芯片,座子小型集成芯片SOP:SmallOutlinePackage芯片小型封装,也称SO,SOIC引脚从封装两侧引出呈海鸥翼状(L字形)前缀:S:ShrinkT:Thin SOJ:SmallOutlineJ-Lead芯片J型引脚的小芯片【也成丁字形】LCC:LeadlessChipcarrier芯片无引脚芯片载体:指陶瓷基板的四个侧面只有电极接触而无引脚的表面贴装型封装。
也称为陶瓷QFN 或QFN-C PLCC:plasticleadedChipcarrier芯片引脚从封装的四个侧面引出,呈丁字形或J型,是塑料制品。
DIP:Dual In-linePackage变压器,开关,芯片双列直插式封装:引脚从封装两侧引出QFP:QuadFlat Package芯片四方扁平封装:引脚从四个侧面引出呈海鸥翼(L)型。
基材有陶瓷、金属和塑料三种。
BGA:BallGrid Array 芯片塑料:P陶瓷:C球形栅格阵列:在印刷基板的背面按陈列方式制作出球形凸点用以代替引脚QFN:Quad FlatNo-lead 芯片四方扁平无引脚器件SON:Small Outline No-Lead芯片小型无引脚器件2、SMT物料基础知识一. 常用电阻、电容换算:1.电阻(R):电阻:定义:导体对电流的阻碍作用就叫导体的电阻。
常用电子元件封装、尺寸、规格汇总贴片电阻规格贴片电阻常见封装有9种,用两种尺寸代码来表示。
一种尺寸代码是由4位数字表示的EIA(美国电子工业协会)代码,前两位与后两位分别表示电阻的长与宽,以英寸为单位。
我们常说的0603封装就是指英制代码。
另一种是米制代码,也由4位数字表示,其单位为毫米。
下表列出贴片电阻封装英制和公制的关系及详细的尺寸:贴片元件的封装一、零件规格:(a)、零件规格即零件的外形尺寸,SMT发展至今,业界为方便作业,已经形成了一个标准零件系列,各家零件供货商皆是按这一标准制造。
标准零件之尺寸规格有英制与公制两种表示方法,如下表英制表示法1206 0805 0603 0402公制表示法3216 2125 1608 1005含义L:1.2inch(3.2mm)W:0.6inch(1.6mm)L:0.8inch(2.0mm)W:0.5inch(1.25mm)L:0.6inch(1.6mm)W:0.3inch(0.8mm)L:0.4inch(1.0mm)W:0.2inch(0.5mm)注:a、L(Length):长度;W(Width):宽度;inch:英寸b、1inch=25.4mm(b)、在(1)中未提及零件的厚度,在这一点上因零件不同而有所差异,在生产时应以实际量测为准。
(c)、以上所讲的主要是针对电子产品中用量最大的电阻(排阻)和电容(排容),其它如电感、二极管、晶体管等等因用量较小,且形状也多种多样,在此不作讨论。
(d)、SMT发展至今,随着电子产品集成度的不断提高,标准零件逐步向微型化发展,如今最小的标准零件已经到了0201。
二、常用元件封装1)电阻:最为常见的有0805、0603两类,不同的是,它可以以排阻的身份出现,四位、八位都有,具体封装样式可参照MD16仿真版,也可以到设计所内部PCB库查询。
注:ABCD四类型的封装形式则为其具体尺寸,标注形式为L X S X H1210具体尺寸与电解电容B类3528类型相同0805具体尺寸:2.0 X 1.25 X 0.5(公制表示法)1206具体尺寸:3.0 X 1.5 0X 0.5(公制表示法)2)电阻的命名方法1、5%精度的命名:RS – 05 K 102 JT2、1%精度的命名:RS – 05 K 1002 FTR -表示电阻S -表示功率0402是1/16W、0603是1/10W、0805是1/8W、1206是1/4W、1210是1/3W、1812是1/2W、2010是3/4W、2512是1W。
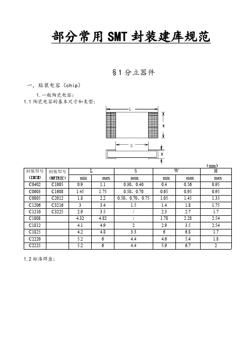
局部常用SMT封装建库标准§1分立器件一,贴装电容〔chip〕1.一般陶瓷电容:陶瓷电容的根本尺寸和类型:封装型号(INCH) 封装型号(METRIC)L S W H min max nom min max maxC0402 C1005 、C0603 C1608 、C0805 C2021 、、C1206 C3216 3C1210 C3225 /C1808 /C1812 2C1825 6 1.7 C2220 6C2225 6 2 1.2标准焊盘:回流焊标准焊盘:〔mm/mils〕〔mm〕封装类型X Y CC0402 0.63 / 25 0.50 / 20 1.00 / 40C0603 0.89 / 35 0.80 / 32 1.52 / 60C0805 1.10 / 45 1.27 / 50 1.78 / 70C1206 1.40 / 55 1.60 / 63 2.80 / 110C1210 1.40 / 55 2.40 / 92 2.80 / 110C1808 1.50 / 60 2.00 / 80 4.60 / 180C1812 1.50 / 60 3.20 / 125 4.60 / 180C1825 1.50 / 60 5.00 / 200 4.60 / 180C2220 1.90 / 70 5.00 / 200 6.00 / 235C2225 1.90 / 70 6.00 / 235 6.00 / 235波峰焊标准:〔mm/mils〕封装类型X Y CC0603 0.89 / 35 0.81 / 32 1.80 / 70C0805 1.14 / 45 1.32 / 52 2.30 / 90C1206 1.52 / 60 1.57 / 62 3.68 / 145C1210 1.52 / 60 2.60 / 102 3.68 / 145C1808 2.10 / 82 2.10 / 82 5.21 / 205C1812 2.10 / 82 3.10 / 122 5.21 / 205C1825 1.52 / 60 6.40 / 252 5.10 / 200C2220 1.52 / 60 5.64 / 222 6.86 / 270C2225 1.65 / 65 6.40 / 252 6.86 / 2702.一般钽电解电容:钽电容的根本尺寸和类型:型号封装型号L S W1 W2 H1 H2 min max min max min max min max max maxA C3216 3 1B C3528 2 3C C6032D C7343 7 5 42.2标准焊盘:回流焊标准焊盘:〔mm/mils〕封装类型X Y CC3216 1.80 / 70 1.40 / 55 2.80 / 110C3528 2.00 / 80 2.20 / 88 3.30 / 130C6032 2.50 / 100 2.20 / 88 5.00 / 200C7343 3.30 / 130 2.40 / 95 6.40 / 250波峰焊标准焊盘:〔mm/mils〕封装类型X Y CC3216 2.15 / 85 1.60 / 65 3.80 / 150C3528 2.30 / 90 2.80 / 110 4.20 / 165C6032 3.20 / 125 3.20 / 125 6.60 / 260C7343 3.35 / 130 4.30 / 170 8.00 / 315二,贴装电阻〔Chip〕电阻:电阻的根本尺寸和类型:封装类型L S W H min max min max min max maxR0402R0603R0805 1 R1206 2 R1210 3R2021 4.8 4 R2512R3218 7 8R47321.2标准焊盘:回流焊标准焊盘〔mm/mils〕封装名称X Y CR0402 0.63 / 25 0.50 / 20 1.00 / 40R0603 0.76 / 30 0.80 / 32 1.52 / 60R0805 1.00 / 40 1.20 / 45 2.00 / 80R1206 1.40 / 55 1.60 / 63 2.80 / 110 R1210 1.40 / 55 2.40 / 92 2.80 / 110R2021 1.52 / 60 2.54 / 100 5.40 / 210 R2512 1.52 / 60 3.20 / 125 6.60 / 260 R3218 2.28 / 90 4.00 / 150 7.40 / 290 R4732 3.50 / 135 5.50 / 215 11.00 / 430波峰焊标准焊盘〔mm/mils〕封装类别X Y CR0603 0.89 / 35 0.81 / 32 1.80 / 70R0805 1.00 / 40 1.32 / 52R1206 1.00 / 40 1.70 / 67 3.50 / 138 R1210 1.27 / 50 2.60 / 102 3.50 / 138 R2021 1.27 / 50 2.60 / 102 5.54 / 218 R2512 1.52 / 60 3.10 / 122 6.80 / 268 R3218 2.10 / 82 4.62 / 182 8.43 / 332三,贴装电感〔chip〕1.一般电感:贴装电感根本尺寸和类型封装类型L S W H min max min max min max maxL0603L0805L0906L1008L1206 3L1210L1810L1812 3 L2220 61.2标准焊盘:回流焊标准焊盘:封装名称X Y C L0603 0.76 / 30 0.80 / 32 1.52 / 60L0805 1.00 / 40 1.27 / 50 1.78 / 70L0906 1.00 / 40 2.54 / 100 1.78 / 70 ( C' 1.00 / 40 ) L1008 1.40 / 55 2.03 / 80 2.54 / 100L1206 1.40 / 55 / 63 2.80 / 110L1210 1.40 / 55 2.40 / 92 2.80 / 110L1810 1.50 / 60 2.54 / 100 4.60 / 180L1812 1.50 / 60 3.20 / 126 4.40 / 172L2220 1.90 / 70 5.00 / 200 5.59 / 220四,贴装二极管〔chip〕1.一般二极管:型.(含LED)封装名称L S W Hmin max nom min max max D0805D1206 3 2D1714 3D27231.2标准焊盘:回流焊标准焊盘:封装类型X Y CD0805 1.00 / 40 1.27 / 50 2.29 / 90D1206 1.40 / 55 1.60 / 63 3.00 / 120 D1714 2.00 / 80 3.00 / 120 4.10 / 160 D2723 2.80 / 110 3.80 / 150 7.20 / 280五,贴装保险管〔chip〕1.一般保险管:1.1贴装保险管根本尺寸和类型.(含保险座)封装类型L S W H min max nom min max maxF6127F9750H**H-holder 表示保险座。
SMT贴片元器件封装类型的识别封装类型是元件的外观尺寸和形状的集合,它是元件的重要属性之一。
相同电子参数的元件可能有不同的封装类型。
厂家按照相应封装标准生产元件以保证元件的装配使用和特殊用途。
由于封装技术日新月异且封装代码暂无唯一标准,本指导只给出通用的电子元件封装类型和图示,与SMT工序无关的封装暂不涉及。
1、常见SMT封装以公司内部产品所用元件为例,如下表:通常封装材料为塑料,陶瓷。
元件的散热部分可能由金属组成。
元件的引脚分为有铅和无铅区别。
2、SMT封装图示索引以公司内部产品所用元件为例,如下图示:3、常见封装的含义1、BGA(ball grid array):球形触点陈列表面贴装型封装之一。
在印刷基板的背面按陈列方式制作出球形凸点用以代替引脚,在印刷基板的正面装配LSI芯片,然后用模压树脂或灌封方法进行密封。
也称为凸点陈列载体(PAC)。
引脚可超过200,是多引脚LSI用的一种封装。
封装本体也可做得比QFP(四侧引脚扁平封装)小。
例如,引脚中心距为的360 引脚BGA 仅为31mm 见方;而引脚中心距为的304 引脚QFP 为40mm 见方。
而且BGA 不用担心QFP 那样的引脚变形问题。
该封装是美国Motorola公司开发的,首先在便携式电话等设备中被采用。
2、DIL(dual in-line):DIP的别称(见DIP)。
欧洲半导体厂家多用此名称。
3、DIP(dual in-line Package):双列直插式封装引脚从封装两侧引出,封装材料有塑料和陶瓷两种。
DIP应用范围包括标准逻辑IC,存贮器LSI,微机电路等。
引脚中心距,引脚数从6到64。
封装宽度通常为。
有的把宽度为和的封装分别称为skinny DIP 和slimDIP(窄体型DIP)。
但多数情况下并不加区分,只简单地统称为DIP。
4、Flip-Chip:倒焊芯片裸芯片封装技术之一,在LSI芯片的电极区制作好金属凸点,然后把金属凸点与印刷基板上的电极区进行压焊连接。
贴片元器件封装尺寸汇总示意图一.电阻电容系列 (1)1. 英制0201 公制0603 (1)2. 英制0402 公制1005 (1)3. 英制0603 公制1608 (2)4. 英制0805 公制2012 (2)5. 英制01005 公制0402 (3)6. 英制1008 公制2520 (3)7. 英制1206 公制3216 (4)8. 英制1210 公制3225 (4)9. 英制1406 (5)10. 英制1808 公制4520 (5)11. 英制1812 公制4632 (6)12. 英制1825 (6)13. 英制2010 (7)14. 英制2225 (7)15. 英制2308 (8)16. 英制2512 (8)二.钽电容系列 (9)1. A-3216钽电容耐压10V (9)2. B-3528 钽电容耐压16V (9)3. C-6032 钽电容耐压25V (10)4. D-7343 钽电容耐压35V (10)三.二极管系列 (11)1.DO-213AA (11)2.DO-213AB (11)3.DO-214 (12)4.DO-214AA (12)5.DO-214AB (13)6.DO-214AC (13)7.DO-215AA (14)8.DO-215AB (14)9.SOD106 (15)10.SOD110 (15)11.SOD123 (16)12.SOD123F (16)13.SOD123H (17)14.SOD323 (17)15.SOD523 (18)16.SOD723 (18)四.LDO系列 (19)1.SOT23-5 (19)2.SOT23-6 (19)3.SOT23-8 (20)4.SOT23 (20)5.SOT89 (21)6.SOT143 (21)7.SOT223 (22)8.SOT233 (22)9.SOT323 (23)10.SOT343 (23)11.SOT346 (24)12.SOT353 (24)13.SOT363 (25)14.SOT416 (25)15.SOT428 (26)16.SOT457 (26)17.SOT490 (27)18.SOT505-1 (27)19.SOT523 (28)20.SOT552-1 (28)21.SOT663 (29)22.SOT666 (29)23.SOT753 (30)24.SOT883 (30)五.TO系列 (31)1.TO-252(DPAK) (31)2.TO-252-5 (31)3.TO-252-3 (32)4.TO-263-3 (32)5.TO-263-5 (33)6.TO-263-7 (33)7.TO-263 (34)8.TO-268AA (34)一.电阻电容系列1. 英制0201 公制06032. 英制0402 公制10054. 英制0805 公制20126. 英制1008 公制25208. 英制1210 公制32259. 英制140610. 英制1808 公制452011. 英制1812 公制463212. 英制182513. 英制201014. 英制222515. 英制230816. 英制2512二.钽电容系列1. A-3216钽电容耐压10V2. B-3528 钽电容耐压16V3. C-6032 钽电容耐压25V4. D-7343 钽电容耐压35V三.二极管系列1.DO-213AA2.DO-213AB4.DO-214AA.6.DO-214AC8.DO-215AB10.SOD11012.SOD123F14.SOD32316.SOD723四.LDO系列1.SOT23-52.SOT23-64.SOT236.SOT1438.SOT23310.SOT34312.SOT35314.SOT41616.SOT45718.SOT505-120.SOT552-122.SOT66624.SOT8831.TO-252(DPAK)2.TO-252-54.TO-263-36.TO-263-78.TO-268AA。
精心整理1、SMT表面封装元器件图示索引(完善)一.????常用电阻、电容换算:1.电阻(R):电阻:定义:导体对电流的阻碍作用就叫导体的电阻。
无方向,用字母R表示,单位是欧姆(Ω),分:欧(Ω)、千欧(KΩ)、兆欧(MΩ)1MΩ=1000KΩ=1000000Ω1).换算方法:①.前面两位为有效数字(照写),第三位表示倍数10n次方(即“0”的个数)103=10*103=10000Ω=10KΩ471=47*101=470Ω100=10*100=10Ω101=10×101=100Ω120=12×100=12Ω②.前面三位为有效数字(照写),第四位表示倍数倍数10n次方(即“0”的个数).??1001=100*101=1000Ω=1KΩ??1632=163*102=16300Ω=16.3KΩ1470=147×100=147Ω1203=120×103Ω=120KΩ4702=470×102Ω=47KΩ?330=33×10=33pF2.3钽电容:它用金属钽或者铌做正极,用稀流酸等配液做负极,用钽或铌表面生成的氧化膜做成介质制成,其特点是体积小、容量大、性能稳定、寿命长、绝缘电阻大、温度特性好,用在要求较高的设备中。
钽电容表面有字迹表明其方向、容值,通常有一条横线的那边标志钽电容的正极。
钽电容规格通常有:A型、B型、C型、P型。
2.4电容的误差表示2.4.1常用钽电容代换参照表.1UF:105、A6、CA62.2UF:2253.3UF:335、AN6、CN6、JN6、CN694.7UF:475、JS610UF:106、JA7、AA7、GA722UF:226、GJ7、AJ7、JJ747UF:4763.电感(L)电感的单位:亨(H)、毫享(MH)、微享(μH)、纳享(NH),其中:1H=103MH=106μH=109NH 片状电感????电感量:10NH~1MH????材料:铁氧体绕线型陶瓷叠层????精度:J=±5%K=±10%M=±20%????尺寸:04020603080510081206121018121008=2.5mm*2.0mm1210=3.2mm*2.5mm ????个别示意图:贴片绕线电感??????????贴片叠层电感??1H=1000MH??1MH=1000UH??1UH=1000NH电感量4.CHIP元件规格英制?公制。
常用SMT贴片元件封装说明
SMT是电子业界一门新兴的工业技术,它的兴起及迅猛发展是电子组装业的一次革命,被誉为电子业的“明日之星”,它使电子组装变得越来越快速和简单,随之而来的是各种电子产品更新换代越来越快,集成度越来越高,价格越来越便宜。
为IT(Information Technology)产业的飞速发展作出了巨大贡献。
SMT所涉及的零件种类繁多,样式各异,有许多已经形成了业界通用的标准,这主要是一些芯片电容电阻等等;有许多仍在经历着不断的变化,尤其是IC类零件,其封装形式的变化层出不穷,令人目不暇接,传统的引脚封装正在经受着新一代封装形式(BGA、FLIP CHIP等等)的冲击,在本章里将分标准零件与IC 类零件详细阐述。
标准零件
标准零件是在SMT发展过程中逐步形成的,主要是针对用量比较大的零件,本节只讲述常见的标准零件。
目前主要有以下几种:电阻(R)、排阻(RA或RN)、电感(L)、陶瓷电容(C)、排容(CP)、钽质电容(C)、二极管(D)、晶体管(Q)【括号内为PCB(印刷电路板)上之零件代码】,在PCB上可根据代码来判定其零件类型,一般说来,零件代码与实际装着的零件是相对应的。
一、零件规格:
贴片电阻尺寸图
贴片电容尺寸图
含义
1206/3216 L:1.2inch(3.2mm) W:0.6inch(1.6mm)
0805/2125 L:0.8inch(2.0mm) W:0.5inch(1.25mm) 0603/1608 L:0.6inch(1.6mm) W:0.3inch(0.8mm) 0402/1005 L:0.4inch(1.0mm) W:0.2inch(0.5mm)注:a、L(Length):长度;W(Width):宽度;inch:英寸
b、1inch=25.4mm
(b)、在(1)中未提及零件的厚度,在这一点上因零件不同而有所差异,在生产时应以实际量测为准。
(c)、以上所讲的主要是针对电子产品中用量最大的电阻(排阻)和电容(排容),其它如电感、二极管、晶体管等等因用量较小,且形状也多种多样,在此不作讨论。
(d)、SMT发展至今,随着电子产品集成度的不断提高,标准零件逐步向微型化发展,如今最小的标准零件已经到了0201。
二、常用元件封装
1)电阻:
最为常见的有0805、0603两类,不同的是,它可以以排阻的身份出现,四位、八位都有,具体封装样式可参照MD16仿真版,也可以到设计所内部PCB库查询。
注:A\B\C\D四类型的封装形式则为其具体尺寸,标注形式为L X S X H 1210具体尺寸与电解电容B类3528类型相同
0805具体尺寸:2.0 X 1.25 X 0.5(公制表示法)
1206具体尺寸:3.0 X 1.5 0X 0.5(公制表示法)
贴片电阻
贴片排阻
2)电阻的命名方法
1、5%精度的命名:RS –05 K 102 JT
2、1%精度的命名:RS –05 K 1002 FT
R-表示电阻
S-表示功率
0402是1/16W、
0603是1/10W、
0805是1/8W、
1206是1/4W、
1210是1/3W、
1812是1/2W、
2010是3/4W、
2512是1W。
05-表示尺寸(英寸):
02表示0402、
03表示0603、
05表示0805、
06表示1206、
1210表示1210、
1812表示1812、
10表示1210、
12表示2512。
K-表示温度系数为100PPM。
102 -5%精度阻值表示法:
前两位表示有效数字,第三位表示有多少个零,基本单位是Ω,102=
1000Ω=1KΩ。
1002 是1%阻值表示法:
前三位表示有效数字,第四位表示有多少个零,基本单位是Ω,1002
=10000Ω=10KΩ。
J-表示精度为5%、
F-表示精度为1%。
T-表示编带包装
3)电容:
可分为无极性和有极性两类:
无极性电容下述两类封装最为常见,即0805、0603;
有极性电容也就是我们平时所称的电解电容,一般我们平时用的最多的为铝电解电容,由于其电解质为铝,所以其温度稳定性以及精度都不是很高,而贴片元件由于其紧贴电路版,所以要求温度稳定性要高,所以贴片电容以钽电容为多,根据其耐压不同,贴片电容又可分为A、B、C、D四个系列,具体分类如下:类型封装形式耐压
A 3216 10V
B 3528 16V
C 6032 25V
D 7343 35V
贴片钽电容的封装是分为
A型(3216),
B型(3528),
C型(6032),
D型(7343),
E型(7845)。
有斜角的是表示正极。
铝电解电容
贴片钽电容
4)、钽质电容(Tantalum)
钽质电容已经越来越多应用于各种电子产品上,属于比较贵重的零件,发展至今,也有了一个标准尺寸系列,用英文字母Y、A、X、B、C、D来代表。
其对应关系如下表
型号 Y A X B C D
规格
L(mm) 3.2 3.8 3.5 4.7 6.0 7.3
W (mm) 1.6 1.9 2.8 2.6 3.2 4.3
T(mm) 1.6 1.6 1.9 2.1 2.5 2.8注意:电容值相同但规格型号不同的钽质电容不可代用。
如:10UF/16V”B”型与10UF/16V”C”型不可相互代用。
二极管:
根据所承受电流的的限度,封装形式大致分为两类,
小电流型(如1N4148)封装为1206,
大电流型(如IN4007)暂没有具体封装形式,只能给出具体尺寸:
5.5 X 3 X 0.5
发光二极管:颜色有红、黄、绿、蓝之分,亮度分普亮、高亮、超亮三个等级,常用的封装形式有三类:0805、1206、1210 4148
三、IC类零件
IC为Integrated Circuit(集成电路块)之英文缩写,业界一般以IC的封装形式来划分其类型,传统IC有SOP、SOJ、QFP、PLCC等等,现在比较新型的IC有BGA、CSP、FLIP CHIP等等,这些零件类型因其PIN (零件脚)的多寡大小以及PIN与PIN之间的间距不一样,而呈现出各种各样的形状,在本节我们将讲述每种IC的外形及常用称谓等。
1、基本IC类型
(1)、SOP(Small outline Package):零件两面有脚,脚向外张开(一般称为鸥翼型引脚)
(2)、SOJ(Small outline J-lead Package):零件两面有脚,脚向零件底部弯曲(J型引脚)。
(3)、QFP(Quad Flat Package):零件四边有脚,零件脚向外张开。
(4)、PLCC(Plastic Leadless Chip Carrier):零件四边有脚,零件脚向零件底部弯曲。
(5)、BGA(Ball Grid Array):零件表面无脚,其脚成球状矩阵排列于零件底部。
(6)、QFN(Q uad Flat Non-leaded Package):
四侧无引脚扁平封装。
表面贴装型封装之一。
现在多称为LCC。
QFN 是日本电子机械工业会规定的名称。
封装四侧配置有电极触点,由于无引脚,贴装占有面积比QFP 小,高度比QFP低。
但是,当印刷基板与封装之间产生应力时,在电极接触处就不能得到缓解。
因此电极触点难于作到QFP 的引脚那样多,一般从14 到100 左右。
材料有陶瓷和塑料两种。
当有LCC 标记时基本上都是陶瓷QFN。
电极触点中心距1.27mm。
塑料QFN 是以玻璃环氧树脂印刷基板基材的一种低成本封装。
电极触点中心距除1.27mm 外,还有0.65mm 和0.5mm 两种。
这种封装也称为塑料LCC、PCLC、P-LCC 等
2、IC称谓
在业界对IC的称呼一般采用“类型+PIN脚数”的格式,如:SOP14PIN、SOP16PIN、SOJ20PIN、QFP100PIN、PLCC44PIN等等。
四、零件极性识别
在SMT零件中,可分为有极性零件与无极性零件两大类。
无极性零件:电阻、电容、排阻、排容、电感
有极性零件:二极管、钽质电容、IC
其中无极性零件在生产中不需进行极性的识别,在此不赘述;但有极性零件之极性对产品有致命的影响,故下面将对有极性零件进行详尽的描述。
1、二极管(D):在实际生产中二极管又有很多种类别和形态,常见的有Glass tube diode、Green LED、Cylinder Diode等几种。
(1)、Glass tube diode:红色玻璃管一端为正极(黑色一端为负极)
(2)、Green LED:一般在零件表面用一黑点或在零件背面用一正三角形作记号,零件表面黑点一端为正极(有黑色一端为负极);若在背面作标示,则正三角形所指方向为负极。
(3)、Cylinder Diode:有白色横线一端为负极.
2、钽质电容:零件表面标有白色横线一端为正极。
3、IC:IC类零件一般是在零件面的一个角标注一个向下凹的小圆点,或在一端标示一小缺口来表示其极性。